Study on the Dynamic Optimal Control Strategy of an Electric-Hydrogen Hybrid Energy Storage System for a Direct Drive Wave Power Generation System
Abstract
1. Introduction
2. The Theoretical Basis of Power Allocation Strategy
2.1. EMD and Hilbert Spectrum Transformation
2.2. Rule-Based Power Allocation Strategy Considering the Characteristics of Electrolyzer
3. Power Allocation Strategy
3.1. Initial Power Allocation Strategy Based on EMD
3.2. Secondary Power Allocation Strategy through Rule-Based Method
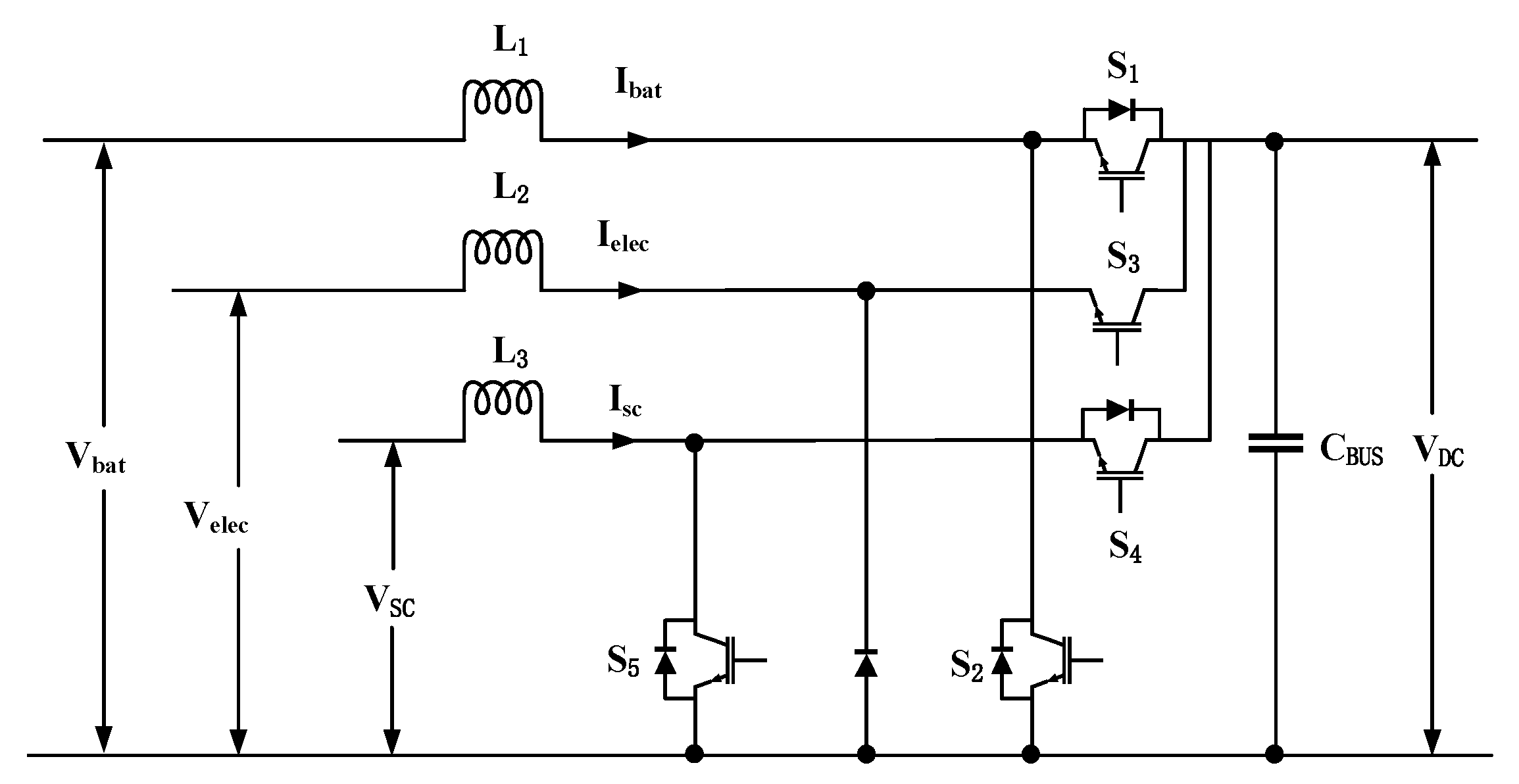
4. Power Control Strategy
5. Parameter Setting and Simulation
5.1. Simulation
5.2. Parameter Setting
| Parameter | Symbol | Value | Source |
|---|---|---|---|
| The parameter 1 for ohmic resistance of electrolyte | r1 | 7.35 × 10−5 Ωm2 | Equation (3) |
| The parameter 2 for ohmic resistance of electrolyte | r2 | −1.11 × 10−7 Ωm2/℃ | |
| Electrolyzer temperature | Tel | 80 ℃ | |
| Area of the electrode | Ael | 0.25 m2 | |
| The parameters for overvoltage on electrodes | t1 | 1.6 × 10−2 m2/A | |
| t2 | −1.302 m2℃/A | ||
| t3 | 4.21 × 102 m2℃/A | ||
| s1 | 1.59 × 10−1 V | ||
| s2 | 1.38 × 10−3 V/℃ | ||
| s3 | −1.61 × 10−5 V/℃ | ||
| The number of electrolyzer cells | Nel | 14 | |
| The parameters calculated from measurements | a1 | 99.5% | Equation (4) |
| a2 | −9.5788 m2/A | ||
| a3 | −0.0555 m2/A/℃ | ||
| a4 | 1502.71 m4/A | ||
| a5 | −70.8 m4/A/℃ | ||
| The universal gas constant | Rc | 8.3144 J/Kmol | |
| The number of moles of transferred electrons per mole of water | z | 2 | |
| Faraday constant | F | 96,485 Cmol | |
| Minimum value of battery SOC | batSOCmin | 20% | Figure 6 |
| Maximum value of battery SOC | batSOCmax | 80% | |
| SOC of the battery at the start of the electrolyzer start-up | SOCstart | 60% | |
| SOC of the battery when the electrolyzer starts to close | SOCend | 58% | |
| Inductance of battery circuit | L1 | 0.1 H | Equation (11) |
| Inductance of electrolyzer circuit | L2 | 0.1 H | |
| Inductance of SC circuit | L3 | 10 μH | - |
| Capacitance for stabilizing bus voltage | C | 2000 μF | |
| Nominal voltage of battery | Vbat,r | 30 V | |
| Rated capacity of battery | Cbat | 50 Ah | |
| Rated voltage of SC | VSC,r | 200 V | |
| Rated capacitance of SC | CSC | 10 F | |
| Minimum value of SC SOC | SCSOCmin | 10% | |
| Maximum value of SCSOC | SCSOCmax | 90% |
6. Results and Analysis
7. Conclusions
- The electric-hydrogen HESS for the DDWPGS combines hydrogen energy and wave energy. It overcomes the shortcomings of existing research, uses stable and controllable electric energy to produce hydrogen, and also pays attention to the optimization management of energy storage.
- A strategy combining EMD and the rule-based method is adopted for twice the power allocation. The power assignments of the three energy storage devices are obtained. This strategy makes up for the limitation of the traditional rule-based method, has good adaptability, and is very suitable for wave energy with large randomness. Moreover, the start-stop characteristics and operation characteristics of the electrolyzer are considered to ensure the safety of the operation process of the electrolyzer.
- The complementary mechanism is proposed. The battery and the SC complement each other and undertake the electric energy of different energy densities and power densities, respectively. The hydrogen energy storage system is complementary to the battery, which can provide stable and controllable power for hydrogen production. Hydrogen energy storage systems can help the battery maintain a good SOC.
- A power control strategy for a nonlinear electric-hydrogen HESS based on MPC is established. This strategy has good rapidity, accuracy, and robustness.
Author Contributions
Funding
Institutional Review Board Statement
Informed Consent Statement
Data Availability Statement
Conflicts of Interest
References
- Burhanudin, J.; Hasim, A.S.A.; Ishak, A.M.; Dardin, S.M.F.B.S.M. A Review of Power Electronics for Nearshore Wave Energy Converter Applications. IEEE Access 2022, 10, 16670–16680. [Google Scholar] [CrossRef]
- Hong, Y.; Pan, J.; Liu, Y.; Wang, C.; Li, C.; Fu, P. A Review on Linear Generator Based Wave Energy Conversion Systems. Proc. CSEE 2019, 39, 1886–1900. [Google Scholar]
- Nie, Z.; Xiao, X.; Yi, H.; Kang, Q. Direct drive wave energy converters integrated with a composite energy storage system. In Proceedings of the 2011 International Conference on Electrical Machines and Systems, Beijing, China, 20–23 August 2011; pp. 1–5. [Google Scholar]
- Zehra, S.; Rahman, A.; Ahmad, I. Fuzzy-barrier sliding mode control of electric-hydrogen hybrid energy storage system in DC microgrid: Modelling management and experimental investigation. Energy 2022, 239, 122260. [Google Scholar] [CrossRef]
- Sun, Q.; Xing, D.; Alafnan, H.; Pei, X.; Zhang, M.; Yuan, W. Design and test of a new two-stage control scheme for SMES-battery hybrid energy storage systems for microgrid applications. Appl. Energy 2019, 253, 113529. [Google Scholar] [CrossRef]
- Chaudhary, G.; Lamb, J.J.; Burheim, O.S.; Austbø, B. Review of Energy Storage and Energy Management System Control Strategies in Microgrids. Energies 2021, 14, 4929. [Google Scholar] [CrossRef]
- Abdin, Z.; Webb, C.J.; Gray, E.M. Modelling and simulation of an alkaline electrolyser cell. Energy 2017, 138, 316–331. [Google Scholar] [CrossRef]
- Zhang, X.; Huang, L.; Wei, L.; Zhao, Y.; Liu, H.; Li, Y. Research on adaptive segmented control strategy used in direct-drive wave power generation systems. Energy Rep. 2022, 8, 8140–8150. [Google Scholar] [CrossRef]
- Rojas-Delgado, B.; Alonso, M.; Amaris, H.; de Santiago, J. Wave Power Output Smoothing through the Use of a High-Speed Kinetic Buffer. Energies 2019, 12, 2196. [Google Scholar] [CrossRef]
- Yavuz, H. Modelling and simulation of a heaving wave energy converter based PEM hydrogen generation and storage system. Int. J. Hydrogen Energy 2020, 45, 26413–26425. [Google Scholar] [CrossRef]
- Li, B.; Miao, H.; Li, J. Multiple hydrogen-based hybrid storage systems operation for microgrids: A combined TOPSIS and model predictive control methodology. Appl. Energy 2021, 283, 116303. [Google Scholar] [CrossRef]
- Zhang, X.; Pei, W.; Mei, C.; Deng, W.; Tan, J.; Zhang, Q. Transform from gasoline stations to electric-hydrogen hybrid refueling stations: An islanding DC microgrid with electric-hydrogen hybrid energy storage system and its control strategy. Int. J. Elec. Power 2022, 136, 107684. [Google Scholar] [CrossRef]
- Han, Y.; Li, Q.; Wang, T.; Chen, W.; Ma, L. Multisource Coordination Energy Management Strategy Based on SOC Consensus for a PEMFC–Battery–Supercapacitor Hybrid Tramway. IEEE Trans. Veh. Technol. 2018, 67, 296–305. [Google Scholar] [CrossRef]
- He, H.; Xiong, R.; Zhao, K.; Liu, Z. Energy management strategy research on a hybrid power system by hardware-in-loop experiments. Appl. Energy 2013, 112, 1311–1317. [Google Scholar] [CrossRef]
- Hredzak, B.; Agelidis, G.V.; Demetriades, G. Application of explicit model predictive control to a hybrid battery-ultracapacitor power source. J. Power Source 2015, 277, 84–94. [Google Scholar] [CrossRef]
- Song, Z.; Hofmann, H.; Li, J. Energy management strategies comparison for electric vehicles with hybrid energy storage system. Appl. Energy 2014, 134, 321–331. [Google Scholar] [CrossRef]
- Sarma, U.; Ganguly, S. Determination of the component sizing for the PEM fuel cell-battery hybrid energy system for locomotive application using particle swarm optimization. J. Energy Storage 2018, 19, 247–259. [Google Scholar] [CrossRef]
- Chen, Y.; Lin, Y.; Wang, S. Optimal Control Strategy of Hybrid Energy Storage Based on Filter Allocation Method. Trans. China Electrotech. Soc. 2020, 35, 4009–4018. [Google Scholar]
- Wen, S.; Lan, H.; Yu, D.C.; Fu, Q.; Hong, Y.Y.; Yu, L.; Yang, R. Optimal sizing of hybrid energy storage sub-systems in PV/diesel ship power system using frequency analysis. Energy 2017, 140, 198–208. [Google Scholar] [CrossRef]
- Yuan, T.; Guo, J.; Yang, Z.; Feng, Y.; Wang, J. Optimal Allocation of Power Electric-Hydrogen Hybrid Energy Storage of Stabilizing Wind Power Fluctuation. Proc. CSEE, 2023; in press. [Google Scholar]
- Geng, X.; Li, Y.; Sun, Q. A Novel Short-Term Ship Motion Prediction Algorithm Based on EMD and Adaptive PSO–LSTM with the Sliding Window Approach. J. Mar. Sci. Eng. 2023, 11, 466. [Google Scholar] [CrossRef]
- Chen, X.; Zhao, X.; Liang, Y.; Luan, X. Ocean Turbulence Denoising and Analysis Using a Novel EMD-Based Denoising Method. J. Mar. Sci. Eng. 2022, 10, 663. [Google Scholar] [CrossRef]
- Zhou, T.; Francois, B.; Hadi Lebbal, M.; Lecoeuche, S. Real-Time Emulation of a Hydrogen-Production Process for Assessment of an Active Wind-Energy Conversion System. IEEE Trans. Ind. Electron. 2009, 56, 737–746. [Google Scholar] [CrossRef]
- Panahandeh, B.; Bard, J.; Outzourhit, A.; Zejli, D. Simulation of PV–Wind-hybrid systems combined with hydrogen storage for rural electrification. Int. J. Hydrogen Energy 2011, 36, 4185–4197. [Google Scholar] [CrossRef]
- Ursúa, A.; Barrios, E.L.; Pascual, J.; Martín, I.S.; Sanchis, P. Integration of commercial alkaline water electrolysers with renewable energies: Limitations and improvements. Int. J. Hydrogen Energy 2016, 41, 12852–12861. [Google Scholar] [CrossRef]
- Zhang, C.; Wang, J.; Ren, Z.; Yu, Z.; Wang, P. Wind-powered 250 kW electrolyzer for dynamic hydrogen production: A pilot study. Int. J. Hydrogen Energy 2021, 46, 34550–34564. [Google Scholar] [CrossRef]
- Liu, S.; Yu, Z.; Wang, T.; Chen, Y.; Zhang, Y.; Cai, Y. MPC-Based Collaborative Control of Sail and Rudder for Unmanned Sailboat. J. Mar. Sci. Eng. 2023, 11, 460. [Google Scholar] [CrossRef]
- Wu, F.; Ju, P.; Zhang, X. Modeling, Control Strategy, and Power Conditioning for Direct-Drive Wave Energy Conversion to Operate With Power Grid. Proc. IEEE 2013, 101, 925–941. [Google Scholar] [CrossRef]





















Disclaimer/Publisher’s Note: The statements, opinions and data contained in all publications are solely those of the individual author(s) and contributor(s) and not of MDPI and/or the editor(s). MDPI and/or the editor(s) disclaim responsibility for any injury to people or property resulting from any ideas, methods, instructions or products referred to in the content. |
© 2023 by the authors. Licensee MDPI, Basel, Switzerland. This article is an open access article distributed under the terms and conditions of the Creative Commons Attribution (CC BY) license (https://creativecommons.org/licenses/by/4.0/).
Share and Cite
Chang, X.; Huang, L.; Zhang, X.; Yang, J.; Liu, H. Study on the Dynamic Optimal Control Strategy of an Electric-Hydrogen Hybrid Energy Storage System for a Direct Drive Wave Power Generation System. J. Mar. Sci. Eng. 2023, 11, 1347. https://doi.org/10.3390/jmse11071347
Chang X, Huang L, Zhang X, Yang J, Liu H. Study on the Dynamic Optimal Control Strategy of an Electric-Hydrogen Hybrid Energy Storage System for a Direct Drive Wave Power Generation System. Journal of Marine Science and Engineering. 2023; 11(7):1347. https://doi.org/10.3390/jmse11071347
Chicago/Turabian StyleChang, Xinyue, Lei Huang, Xiaoyu Zhang, Jianlong Yang, and Haitao Liu. 2023. "Study on the Dynamic Optimal Control Strategy of an Electric-Hydrogen Hybrid Energy Storage System for a Direct Drive Wave Power Generation System" Journal of Marine Science and Engineering 11, no. 7: 1347. https://doi.org/10.3390/jmse11071347
APA StyleChang, X., Huang, L., Zhang, X., Yang, J., & Liu, H. (2023). Study on the Dynamic Optimal Control Strategy of an Electric-Hydrogen Hybrid Energy Storage System for a Direct Drive Wave Power Generation System. Journal of Marine Science and Engineering, 11(7), 1347. https://doi.org/10.3390/jmse11071347

