Multiphysics Co-Simulation and Experimental Study of Deep-Sea Hydrothermal Energy Generation System
Abstract
:1. Introduction
2. Thermoelectric Model of TEG under Pressure
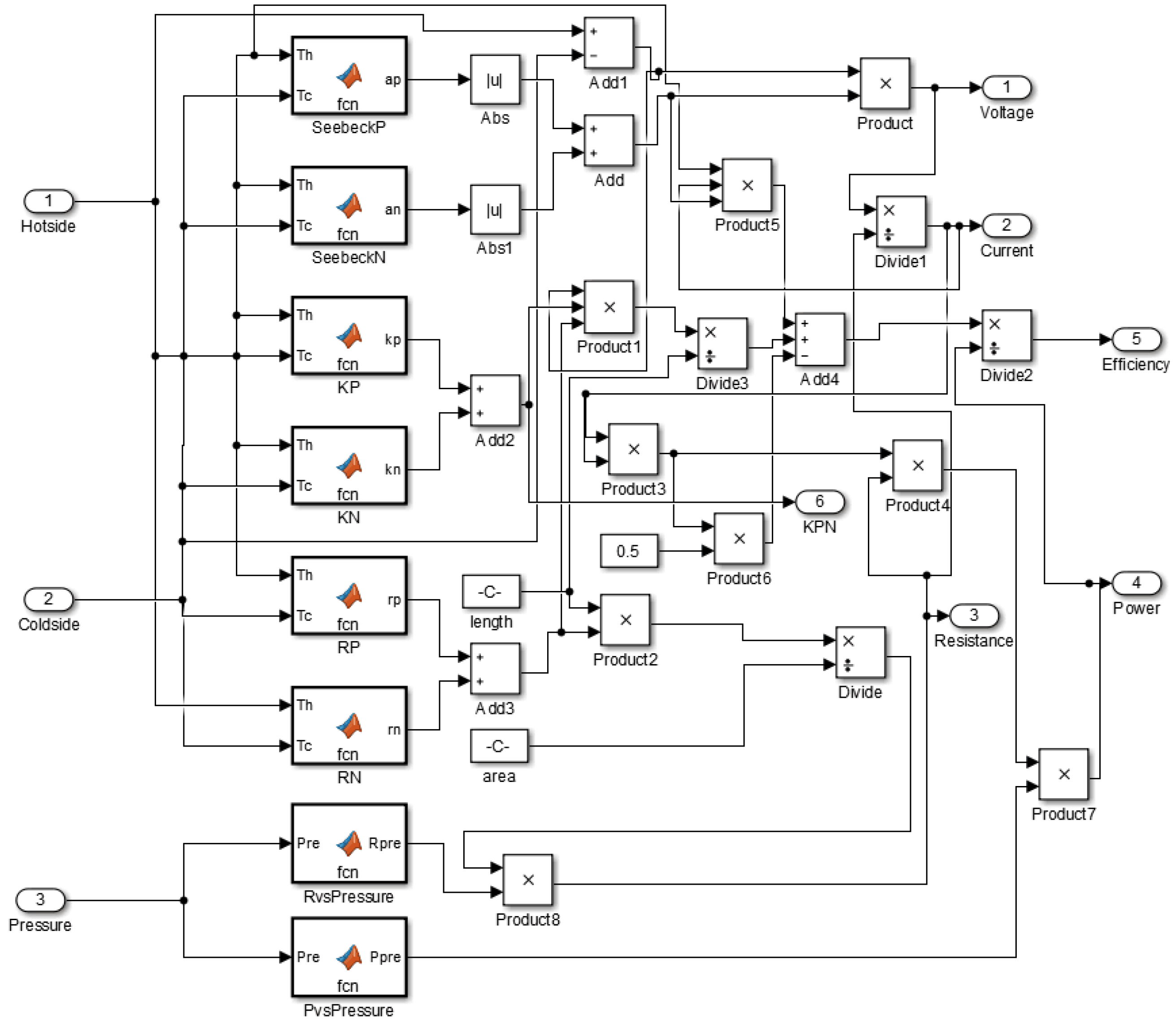
2.1. Thermoelectric Modeling Method
2.2. Pressure Experimental Research on TEG Output Characteristics
3. Multiphysics Co-Simulation of Hydrothermal Power Generation Process
3.1. Enhanced Heat Transfer Model of Hydrothermal Power Generation System
3.2. Fluent/Simulink Co-Simulation Scheme
3.3. Simulation Results
4. Experimental Results and Discussion
4.1. Test Platform and Scheme
4.2. Results and Analysis
5. Conclusions
Author Contributions
Funding
Institutional Review Board Statement
Informed Consent Statement
Data Availability Statement
Conflicts of Interest
References
- Eom, J.; Yoshimura, T.; Araoka, D.; Gamo, T.; Kawahata, H. Magnesium isotopic composition of submarine vent fluids from arc and back-arc hydrothermal systems in the western pacific. Chem. Geol. 2020, 551, 119767. [Google Scholar] [CrossRef]
- Diehl, A.; Bach, W. Marhys (marine hydrothermal solutions) database: A global compilation of marine hydrothermal vent fluid, end member and seawater compositions. Geochem. Geophys. Geosyst. 2020, 21, e2020GC009385. [Google Scholar] [CrossRef]
- Yang, B.; Wu, Y.; Wang, X.; Zhang, Y.; Cui, J.; Yu, M.; Dang, Y.; Shi, X.; Liu, J. Mineralogical and geochemical characteristics and ore-forming mechanism of hydrothermal sediments in the middle and southern Okinawa Trough. Mar. Geol. 2021, 437, 106501. [Google Scholar] [CrossRef]
- Zeng, Z.; Wang, X.; Yin, X.; Chen, S.; Qi, H.; Chen, C.-T.A. Strontium, Hydrogen and Oxygen Behavior in Vent Fluids and Plumes from the Kueishantao Hydrothermal Field Offshore Northeast Taiwan: Constrained by Fluid Processes. J. Mar. Sci. Eng. 2022, 10, 845. [Google Scholar] [CrossRef]
- Gartman, A.; Findlay, A.J. Impacts of hydrothermal plume processes on oceanic metal cycles and transport. Nat. Geosci. 2020, 13, 396–402. [Google Scholar] [CrossRef]
- Dick, G.J. The microbiomes of deep-sea hydrothermal vents: Distributed globally, shaped locally. Nat. Rev. Microbiol. 2019, 17, 271–283. [Google Scholar] [CrossRef] [PubMed]
- Cathalot, C.; Roussel, E.G.; Perhirin, A.; Creff, V.; Donval, J.P.; Guyader, V.; Roullet, G.; Gula, J.; Tamburini, C.; Garel, M.; et al. Hydrothermal plumes as hotspots for deep-ocean heterotrophic microbial biomass production. Nat. Commun. 2021, 12, 6861. [Google Scholar] [CrossRef] [PubMed]
- Pavia, F.J.; Anderson, R.F.; Black, E.E.; Kipp, L.E.; Vivancos, S.M.; Fleisher, M.Q.; Charette, M.A.; Sanial, V.; Moore, W.A.; Hult, M.; et al. Timescales of hydrothermal scavenging in the South Pacific Ocean from 234Th, 230Th, and 228Th. Earth Planet. Sci. Lett. 2019, 506, 146–156. [Google Scholar] [CrossRef]
- Adams, I.; Iorio, D.D. Turbulence Properties of a Deep-Sea Hydrothermal Plume in a Time-Variable Cross-Flow: Field and Model Comparisons for Dante in the Main Endeavour Field. J. Geophys. Res. Ocean. 2021, 126, e2020JC016638. [Google Scholar] [CrossRef]
- Zhang, X.; Lin, J.; Jiang, H. Time-dependent variations in vertical fluxes of hydrothermal plumes at mid-ocean ridges. Mar. Geophys. Res. 2018, 40, 245–260. [Google Scholar] [CrossRef]
- Qiu, Z.; Han, X.; Li, M.; Wang, Y.; Wang, L. The temporal variability of hydrothermal activity of Wocan hydrothermal field, Carlsberg Ridge, northwest Indian Ocean. Ore Geol. Rev. 2021, 132, 103999. [Google Scholar] [CrossRef]
- Dewan, A.; Ay, S.U.; Karim, M.N.; Beyenal, H. Alternative power sources for remote sensors: A review. J. Power Sources 2014, 245, 129–143. [Google Scholar] [CrossRef]
- Available online: http://www.marshallhydrothermal.com/works.htm (accessed on 26 April 2023).
- Chen, Y.; Yang, C.; Li, D.; Jin, B.; Chen, Y. Study on 10 kVDC powered junction box for a cabled ocean observatory system. China Ocean. Eng. 2013, 27, 265–275. [Google Scholar] [CrossRef]
- Zeng, Z.; Yin, X.; Wang, X.; Yan, Y.; Zhang, X. A Novel Device for the In Situ Enrichment of Gold from Submarine Venting Fluids. J. Mar. Sci. Eng. 2022, 10, 724. [Google Scholar] [CrossRef]
- Savani, I.; Waage, M.H.; Børset, M.; Kjelstrup, S.; Wilhelmsen, Ø. Harnessing thermoelectric power from transient heat sources: Waste heat recovery from silicon production. Energy Convers. Manag. 2017, 138, 171–182. [Google Scholar] [CrossRef]
- Xie, Y.; Wu, S.; Yang, C. Generation of electricity from deep-sea hydrothermal vents with a thermoelectric converter. Appl. Energy 2016, 164, 620–627. [Google Scholar] [CrossRef]
- Xie, Y.; Wu, S.; Yang, C. A thermoelectric cap for seafloor hydrothermal vents. Energy Convers. Manag. 2016, 109, 166–174. [Google Scholar] [CrossRef]
- Xie, K.; Wu, S.; Yang, C.; Ruan, Y.; Hong, Y. A new seafloor hydrothermal power generation device based on waterproof thermoelectric modules. IEEE Access 2020, 8, 70762–70772. [Google Scholar] [CrossRef]
- Zhao, L.D.; Lo, S.H.; Zhang, Y.; Sun, H.; Tan, G.; Uher, C.; Kanatzidis, M.G. Ultralow thermal conductivity and high thermoelectric figure of merit in SnSe crystals. Nature 2014, 508, 373–377. [Google Scholar] [CrossRef] [PubMed]
- Available online: https://ii-vi.com/product/thermoelectric-generator-teg-modules/ (accessed on 6 March 2023).
- Available online: https://data.oceannetworks.ca/DataSearch (accessed on 6 March 2023).























| Manufacturer | Equipment | Power |
|---|---|---|
| Seabird | Dissolved oxygen sensor | <100 mW |
| Seapoint | Turbidity meter | <100 mW |
| Valeport | Temperature, salinity, depth sensor | <300 mW |
| Seabird | pH sensor | <300 mW |
| Deepsea Power & Light | Underwater low-power camera | 1–6 W |
| Sidus | Underwater high-resolution camera | 48–96 W |
| Experimental Conditions | 1 | 2 | 3 | 4 | 5 |
|---|---|---|---|---|---|
| Hot end temperature (°C) | 101.8 | 144.8 | 184.4 | 232.5 | 255.2 |
| Cold end temperature (°C) | 43.7 | 53.0 | 71.3 | 85.5 | 100.2 |
| Temperature difference ΔΤ (°C) | 58.1 | 91.8 | 113.1 | 147.0 | 155.0 |
| Open circuit voltage (V) | 2.775 | 4.245 | 5.465 | 6.526 | 6.832 |
| Output power (W) | 0.43 | 0.84 | 1.34 | 1.69 | 1.89 |
| Condition | 1 | 2 | 3 | 4 | 5 | 6 |
|---|---|---|---|---|---|---|
| Oil velocity (m/s) | 0.13 | 0.16 | 0.19 | 0.22 | 0.25 | 0.28 |
| Oil temperature (°C) | 66.8 | 87.6 | 100.9 | 112.4 | 124.7 | 138.0 |
Disclaimer/Publisher’s Note: The statements, opinions and data contained in all publications are solely those of the individual author(s) and contributor(s) and not of MDPI and/or the editor(s). MDPI and/or the editor(s) disclaim responsibility for any injury to people or property resulting from any ideas, methods, instructions or products referred to in the content. |
© 2023 by the authors. Licensee MDPI, Basel, Switzerland. This article is an open access article distributed under the terms and conditions of the Creative Commons Attribution (CC BY) license (https://creativecommons.org/licenses/by/4.0/).
Share and Cite
Xie, K.; Li, T.; Zhang, Y.; Wu, S.; Yang, C. Multiphysics Co-Simulation and Experimental Study of Deep-Sea Hydrothermal Energy Generation System. J. Mar. Sci. Eng. 2023, 11, 994. https://doi.org/10.3390/jmse11050994
Xie K, Li T, Zhang Y, Wu S, Yang C. Multiphysics Co-Simulation and Experimental Study of Deep-Sea Hydrothermal Energy Generation System. Journal of Marine Science and Engineering. 2023; 11(5):994. https://doi.org/10.3390/jmse11050994
Chicago/Turabian StyleXie, Keren, Tiefeng Li, Yanyan Zhang, Shijun Wu, and Canjun Yang. 2023. "Multiphysics Co-Simulation and Experimental Study of Deep-Sea Hydrothermal Energy Generation System" Journal of Marine Science and Engineering 11, no. 5: 994. https://doi.org/10.3390/jmse11050994
APA StyleXie, K., Li, T., Zhang, Y., Wu, S., & Yang, C. (2023). Multiphysics Co-Simulation and Experimental Study of Deep-Sea Hydrothermal Energy Generation System. Journal of Marine Science and Engineering, 11(5), 994. https://doi.org/10.3390/jmse11050994

