Research on a Novel Combined Cooling and Power Scheme for LNG-Powered Ship
Abstract
:1. Introduction
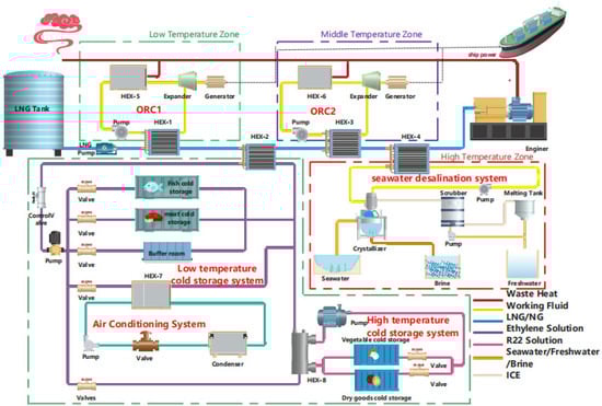
2. Configuration and Model
2.1. Target Vessel
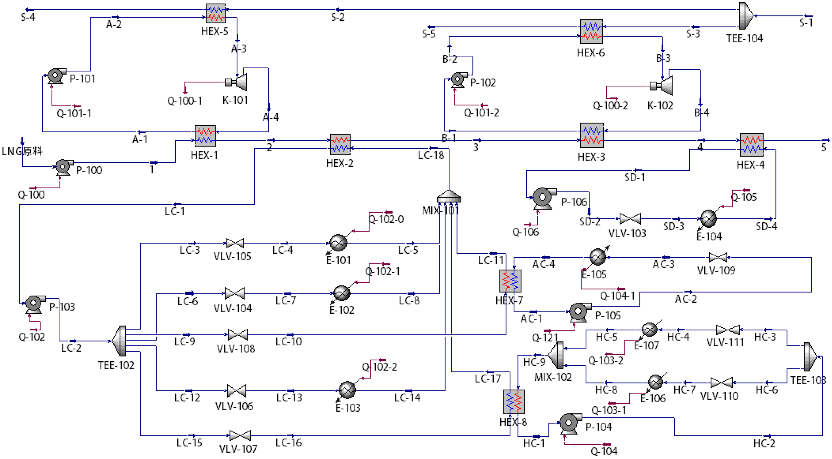
2.2. Scheme Design
- (1)
 - The design meets the requirements of the cold storage systems.
 - (2)
 - The flow rate is rationally arranged according to the corresponding temperature and step utilization.
 - (3)
 - The heat transfer details of the evaporators in seawater desalination, low-temperature cold storage, high-temperature cold storage and air conditioning module have not been further considered.
 - (4)
 - The system only considers the utilization of LNG and does not consider the vaporized gas.
 
2.3. System Analysis Model
2.3.1. Thermodynamic Analysis Model
2.3.2. Economic Model
3. System Simulation and Model Validation
3.1. Input Parameters
3.2. System Simulation
- The process was assumed to be in steady state;
 - The pressure drop loss in the heat exchangers and the pipelines was ignored;
 - The ambient condition was set to 101.33 kPa and 25 °C.
 
3.3. Model Validation
4. Results and Discussion
4.1. Working Fluid Selection
4.2. System Optimization
- Model the ORC-TCS-ACS-SDS system with Aspen Hysys software based on known conditions.
 - Connect Aspen Hysys with Matlab through Active X components to realize data interaction.
 - Use Matlab to read the simulation results in Hysys and optimize the decision variables with the net output power of the ORC-TCS-ACS-SDS system as the objective function.
 - Import optimized variables into Hysys for process simulation.
 - Repeat step 3 and use Matlab to calculate the system net power.
 - Determine whether the cycle converges. If not, repeat steps (4) and (5). If so, output the optimal decision variables.
 
4.3. Exergy Analysis of the System and Equipment
4.4. Economic Analysis of the Target Ship
5. Conclusions
- A comprehensive LNG cold energy utilization scheme ORC-TCS-ACS-SDS was established and simulated. The integrated scheme was capable of recovering both the waste heat of the main engine and the cold energy of LNG fuel simultaneously, and the cold energy utilization was divided into three temperature zones, i.e., high, middle and low temperature regions, to achieve a high exergy efficiency of cold energy
 - With the maximum net output power of the ORC system as the objective, the performance of the ORC-TCS-ACS-SDS scheme was optimized using the adaptive weighted particle swarm algorithm. The system has a maximum net output power of 725.78 kW, and its energy efficiency is 58.63%. The annual net interest rate is $115,300, and it takes around 10.8 years to repay the cost from an economic standpoint.
 - The economic performance of the scheme in different seasons was analyzed by referring to the running track and working conditions of the LNG-powered VLCC. The ORC-TCS-ACS-SDS scheme can bring substantial economic benefits, among which, the maximum economic benefit of electricity generated in January is up to $5308 and the system can provide fresh water for 11 days at the same time.
 
Author Contributions
Funding
Institutional Review Board Statement
Informed Consent Statement
Data Availability Statement
Conflicts of Interest
References
- Dale, S. BP Statistical Review of World Energy 2021; BP Plc: London, UK, 2021. [Google Scholar]
 - Huang, Z.; Soh, K.Y.; Wan, Y.; Islam, M.R.; Chua, K.J. Assessment of an intermediate working medium and cold energy storage (IWM-CES) system for LNG cold energy utilization under real regasification case. Energy 2022, 253, 124080. [Google Scholar] [CrossRef]
 - Bao, J.; Lin, Y.; Zhang, R.; Zhang, N.; He, G. Effects of stage number of condensing process on the power generation systems for LNG cold energy recovery. Appl. Therm. Eng. 2017, 126, 566–582. [Google Scholar] [CrossRef]
 - Lim, T.W.; Choi, Y.S.; Hwang, D.H. Optimal working fluids and economic estimation for both double stage organic Rankine cycle and added double stage organic Rankine cycle used for waste heat recovery from liquefied natural gas fueled ships. Energy Convers. Manag. 2021, 242, 114323. [Google Scholar] [CrossRef]
 - Esfilar, R.; Moosavian], S. Introducing a novel air separation process based on cold energy recovery of LNG integrated with coal gasification, transcritical carbon dioxide power cycle and cryogenic CO2 capture. J. Clean. Prod. 2017, 142, 1749–1764. [Google Scholar]
 - Shulga, R.N.; Petrov, A.Y.; Putilova, I.V. The Arctic: Ecology and hydrogen energy. Int. J. Hydrog. Energy 2020, 45, 7185–7198. [Google Scholar] [CrossRef]
 - Peng, X.; She, X.; Li, C.; Luo, Y.; Zhang, T.; Li, Y.; Ding, Y. Liquid air energy storage flexibly coupled with LNG regasification for improving air liquefaction. Appl. Energy 2019, 250, 1190–1201. [Google Scholar] [CrossRef]
 - Semaskaite, V.; Bogdevicius, M.; Paulauskiene, T.; Uebe, J.; Filina-Dawidowicz, L. Improvement of Regasification Process Efficiency for Floating Storage Regasification Unit. J. Mar. Sci. Eng. 2022, 10, 897. [Google Scholar] [CrossRef]
 - Mma, B.; Mmmsb, C.; Mar, D. Energy and exergy analyses of a novel power cycle using the cold of LNG (liquefied natural gas) and low-temperature solar energy. Energy 2016, 95, 324–345. [Google Scholar]
 - Ayou, D.S.; Eveloy, V. Energy, exergy and exergoeconomic analysis of an ultra low-grade heat-driven ammonia-water combined absorption power-cooling cycle for district space cooling, sub-zero refrigeration, power and LNG regasification. Energy Convers. Manag. 2020, 213, 112790. [Google Scholar] [CrossRef]
 - Li, S.; Ju, Y. Review of the LNG intermediate fluid vaporizer and its heat transfer characteristics. Front. Energy 2021, 247, 114706. [Google Scholar] [CrossRef]
 - Zhao, T.; Xu, M.; Xiao, X.; Ma, Y.; Li, Z.; Wang, Z.L. Recent progress in blue energy harvesting for powering distributed sensors in ocean. Nano Energy 2021, 88, 106199. [Google Scholar] [CrossRef]
 - Wu, J.; Qin, L.; Chen, N.; Qian, C.; Zheng, S. Investigation on a spring-integrated mechanical power take-off system for wave energy conversion purpose. Energy 2022, 245, 123318. [Google Scholar] [CrossRef]
 - He, T.; Ma, H.; Ma, J.; Mao, N.; Liu, Z. Effects of cooling and heating sources properties and working fluid selection on cryogenic organic Rankine cycle for LNG cold energy utilization. Energy Convers. Manag. 2021, 247, 114706. [Google Scholar] [CrossRef]
 - Chen, F.; Liu, L.; Peng, J.; Ge, Y.; Wu, H.; Liu, W. Theoretical and experimental research on the thermal performance of ocean thermal energy conversion system using the rankine cycle mode. Energy 2019, 183, 497–503. [Google Scholar] [CrossRef]
 - Sun, X.F.; Yao, S.G.; Xu, J.J.; Feng, G.Z.; Yan, L.K. Design and Optimization of a Full-Generation System for Marine LNG Cold Energy Cascade Utilization. J. Therm. Sci. 2020, 29, 587–596. [Google Scholar] [CrossRef]
 - Badami, M.; Carlos Bruno, J.; Coronas, A.; Fambri, G. Analysis of different combined cycles and working fluids for lng exergy recovery during regasification. Energy 2018, 159, 373–384. [Google Scholar] [CrossRef]
 - Joy, J.; Chowdhury, K. Enhancing generation of green power from the cold of vaporizing LNG at 30 bar by optimising heat exchanger surface area in a multi-staged organic Rankine cycle. Sustain. Energy Technol. Assess. 2021, 43, 100930. [Google Scholar] [CrossRef]
 - Sun, Z.; Lai, J.; Wang, S.; Wang, T. Thermodynamic optimization and comparative study of different ORC configurations utilizing the exergies of LNG and low grade heat of different temperatures. Energy 2018, 147, 688–700. [Google Scholar] [CrossRef]
 - Lee, H.Y.Y.; Ryu, B.; Anh, D.P.; Roh, G.; Lee, S.G.; Kang, H.K. Thermodynamic analysis and assessment of novel ORC- DEC integrated PEMFC system for liquid hydrogen fueled ship application. Int. J. Hydrog. Energy 2023, 48, 3135–3153. [Google Scholar] [CrossRef]
 - Sung, T.; Kim, K.C. Thermodynamic analysis of a novel dual-loop organic Rankine cycle for engine waste heat and LNG cold. Appl. Therm. Eng. 2016, 100, 1031–1041. [Google Scholar] [CrossRef]
 - Bao, J.J.; Zhang, R.X.; Lin, Y.; Zhang, N.; Zhang, X.P.; He, G.H. Simultaneous optimization of system structure and working fluid for the three-stage condensation Rankine cycle utilizing LNG cold energy. Appl. Therm. Eng. 2018, 140, 120–130. [Google Scholar] [CrossRef]
 - Zhao, L.; Zhang, J.; Wang, X.; Feng, J.; Kong, X. Dynamic exergy analysis of a novel LNG cold energy utilization system combined with cold, heat and power. Energy 2020, 212, 118649. [Google Scholar] [CrossRef]
 - Han, F.; Wang, Z.; Ji, Y.; Li, W.; Sunden, B. Energy analysis and multi-objective optimization of waste heat and cold energy recovery process in LNG-fueled vessels based on a triple organic Rankine cycle. Energy Convers. Manag. 2019, 195, 561–572. [Google Scholar] [CrossRef]
 - Yao, S.; Zhang, Z.; Huang, H.; Feng, G.; Xu, J. Exergetic design and optimization of LNG cold energy utilization system for dual-fuel main engine of a container ship. Int. J. Exergy 2021, 36, 1–29. [Google Scholar] [CrossRef]
 - Su, Z.X.; Ouyang, T.C.; Chen, J.X.; Xu, P.H.; Tan, J.Q.; Chen, N.; Huang, H.Z. Green and efficient configuration of integrated waste heat and cold energy recovery for marine natural gas/diesel dual-fuel engine. Energy Convers. Manag. 2020, 209, 112650. [Google Scholar] [CrossRef]
 - Ouyang, T.C.; Xie, S.T.; Tan, J.Q.; Wu, W.C.; Zhang, M.L. Optimization of energy-exergy efficiencies of an advanced cold energy utilization system in liquefied natural gas filling station. J. Nat. Gas Sci. Eng. 2021, 95, 104235. [Google Scholar] [CrossRef]
 - Yao, S.G.; Shen, X.Y.; Luo, J.G.S.; Shen, X.; Luo, J. Design and optimization of LNG cold energy utilization scheme for dual fuel main engine of 37000DWT asphalt ship. Int. J. Green Energy 2021, 18, 1291–1303. [Google Scholar] [CrossRef]
 - Liu, Z.; Hu, D.; Hao, M. Design and optimization of LNG ship combined power scheme based on HYSYS. Energy Chem. Ind. 2020, 41, 6. [Google Scholar]
 - Mavukkandy, M.O.; Chabib, C.M.; Mustafa, I.; Al Ghaferi, A.; AlMarzooqi, F. Brine management in desalination industry: From waste to resources generation. Desalination 2019, 472, 114187. [Google Scholar] [CrossRef]
 - Lin, W.; Huang, M.; Gu, A. A seawater freeze desalination prototype system utilizing LNG cold energy. Int. J. Hydrog. Energy 2017, 42, 18691–18698. [Google Scholar] [CrossRef]
 - Kelly, S.; Tsatsaronis, G.; Morosuk, T. Advanced exergetic analysis: Approaches for splitting the exergy destruction into endogenous and exogenous parts. Energy 2009, 34, 384–391. [Google Scholar] [CrossRef]
 - Zhang, H.T.; Janajreh, I.; Ali, M.I.H.; Askar, K. Freezing desalination: Heat and mass validated modeling and experimental parametric analyses. Case Stud. Therm. Eng. 2021, 26, 101189. [Google Scholar] [CrossRef]
 - Habibi, H.; Zoghi, M.; Chitsaz, A.; Javaherdeh, K.; Ayazpour, M. Thermo-economic analysis and optimization of combined PERC-ORC-LNG power system for diesel engine waste heat recovery. Energy Convers. Manag. 2018, 173, 613–625. [Google Scholar] [CrossRef]
 - Yang, F.; Cho, H.; Zhang, H.; Zhang, J. Thermoeconomic multi-objective optimization of a dual loop organic Rankine cycle (ORC) for CNG engine waste heat recovery. Appl. Energy 2017, 205, 1100–1118. [Google Scholar] [CrossRef]
 - Zhang, L.; Pan, Z.; Zhang, Z.E.; Shang, L.Y.; Wen, J.B.; Chen, S.J. Thermodynamic and Economic Analysis Between Organic Rankine Cycle and Kalina Cycle for Waste Heat Recovery from Steam-Assisted Gravity Drainage Process in Oilfield. J. Energy Resour. Technol. Trans. Asme 2018, 140, 122005. [Google Scholar] [CrossRef]
 - Gholizadeh, T.; Vajdi, M.; Mohammadkhani, F. Thermodynamic and thermoeconomic analysis of basic and modified power generation systems fueled by biogas. Energy Convers. Manag. 2019, 181, 463–475. [Google Scholar] [CrossRef]
 - Zareh, A.D.; Saray, R.K.; Mirmasoumi, S.; Bahlouli, K. Extensive thermodynamic and economic analysis of the cogeneration of heat and power system fueled by the blend of natural gas and biogas. Energy Convers. Manag. 2018, 164, 329–343. [Google Scholar] [CrossRef]
 - Gf, A.; Yg, A.; Hab, C.; Rm, D.; Yae, F.; Fjg, H.; Pg, A. Energy and exergy and economic (3E) analysis of a two-stage organic Rankine cycle for single flash geothermal power plant exhaust exergy recovery. Case Stud. Therm. Eng. 2021, 28, 101544. [Google Scholar]
 - Galloni, E.; Fontana, G.; Staccone, S. Design and experimental analysis of a mini ORC (organic Rankine cycle) power plant based on R245fa working fluid. Energy 2015, 90, 768–775. [Google Scholar] [CrossRef]
 - Han, Z.; Liu, Q.; Zhang, Y.; Zhang, S.; Liu, J.; Li, W. Feasibility Study on Novel Room Air Conditioner with Natural Cooling Capability. Appl. Therm. Eng. 2016, 108, 1310–1319. [Google Scholar] [CrossRef]
 - Zhang, X.; Zhang, Y.; Wang, J. Evaluation and Selection of Dry and Isentropic Working Fluids Based on Their Pump Performance in Small-Scale Organic Rankine Cycle. Appl. Therm. Eng. 2021, 191, 116919. [Google Scholar] [CrossRef]
 - Lemmon, E.W.; Huber, M.L.; Mclinden, M.O. NIST Standard Reference Database 23: Reference Fluid Thermodynamic and Transport Properties-REFPROP. 9.0.; NIST NSRDS; National Institute of Standards and Technology: Gaithersburg, Marylan, 2010. [Google Scholar]
 - Wang, X.M.; Wang, G.Q.; Wu, Y.X. An Adaptive Particle Swarm Optimization for Underwater Target Tracking in Forward Looking Sonar Image Sequences. IEEE Access 2018, 6, 46833–46843. [Google Scholar] [CrossRef]
 















| Parameter | Value | 
|---|---|
| Length of ship/m | 330 | 
| Width of ship/m | 60 | 
| Load/t | 296,600 | 
| Operating speed/kn | 15.6 | 
| Designed Load Draft/m | 21.5 | 
| Main engine power/kW | 25,480 | 
| Daily consumption of LNG/(t/d) | 70 | 
| The boiling point of LNG/°C | −160 | 
| Parameter | Value | 
|---|---|
| Pressure parameter of intake air/MPa | ≤1.6 | 
| Fuel consumption of the main engine/(kg/kW·h) | 170.7 | 
| Calorific value of the fuel oil/(kJ/kg) | 42,707 | 
| Exhaust temperature of the main engine/°C | 160 | 
| Exhaust capacity of the main engine/(kg/h) | 8000 | 
| Equipment | Formula | 
|---|---|
| Heat Exchanger | Exergy loss: | 
| Exergy efficiency: | |
| Evaporator | Exergy loss: | 
| Exergy efficiency: | |
| Booster pump | Exergy loss: | 
| Exergy efficiency: | |
| Expander | Exergy loss: | 
| Exergy efficiency: | 
| K1 | K2 | K3 | C1 | C2 | C3 | B1 | B2 | Fa | Fb | |
|---|---|---|---|---|---|---|---|---|---|---|
| Evaporator | 2.2853 | −0.303 | 0.1634 | 0.0388 | −0.113 | 0.0818 | 1.6300 | 1.6600 | 1.0000 | / | 
| Condenser | 4.3247 | −0.303 | 0.1634 | 0.0000 | 0.0000 | 0.0000 | 1.6300 | 1.6600 | 1.0000 | / | 
| Pump | 3.3892 | 0.0536 | 0.1538 | 0.0388 | −0.112 | 0.0818 | 1.6300 | 1.6600 | 1.4000 | / | 
| Heater | 4.6650 | 0.1550 | 0.1540 | 0.0000 | 0.0000 | 0.0000 | 0.9600 | 1.2100 | 1.0000 | / | 
| Expansion machine | 3.5140 | 0.589 | 0.0000 | 0 | 0.0000 | 0 | 0.0000 | 0 | 3.5000 | 
| Component | The Mole Fraction | 
|---|---|
| Methane | 91.46% | 
| Ethane | 4.70% | 
| Propane | 2.59% | 
| Butane | 0.51% | 
| CO | 0.05% | 
| CO2 | 0.06% | 
| N2 | 0.09% | 
| Component | Physical | Parameter | 
|---|---|---|
| Booster pump | Pressure ratio | 3280 kPa | 
| Adiabatic efficiency | 75.00% | |
| Expander | Isentropic efficiency | 75.00% | 
| Polytropic efficiency | 71.90% | |
| Inlet temperature of flue gas | 160.4 °C | |
| Inlet flow of flue gas | 5800 kg/h | |
| Import temperature of LNG | −160.2 °C | |
| Outlet temperature of LNG | 20 °C | |
| Stream | Fluid | T (°C) | P (kPa) | Stream | Fluid | T (°C) | P (kPa) | 
|---|---|---|---|---|---|---|---|
| LNG | LNG | −162 | 101 | LC-11 | 60% glycol solution | −25 | 470 | 
| 1 | LNG/NG | −160 | 4000 | LC-12 | 60% glycol solution | −60 | 500 | 
| 2 | NG | −130 | 4000 | LC-14 | 60% glycol solution | −20 | 470 | 
| 3 | NG | −80 | 4000 | LC-15 | 60% glycol solution | −60 | 500 | 
| 4 | NG | −40 | 4000 | LC-16 | 60% glycol solution | −59 | 470 | 
| 5 | NG | 20 | 4000 | LC-17 | 60% glycol solution | −15 | 470 | 
| A-1 | R32 | −78.9 | 20 | LC-18 | 60% glycol solution | −16.2 | 470 | 
| A-2 | R32 | −78.9 | 1728 | HC-1 | 40% glycol solution | −1.96 | 470 | 
| A-4 | R32 | −39.3 | 20 | HC-2 | 40% glycol solution | −1.96 | 500 | 
| B-1 | R134a | −15.5 | 300 | HC-4 | 40% glycol solution | −1.96 | 500 | 
| B-2 | R134a | −13.4 | 2000 | HC-5 | 40% glycol solution | −1.96 | 470 | 
| B-4 | R134a | −6.3 | 160 | HC-6 | 40% glycol solution | −1.96 | 470 | 
| LC-1 | 60% glycol solution | −60 | 470 | HC-8 | 40% glycol solution | 0 | 460 | 
| LC-2 | 60% glycol solution | −60 | 643 | HC-9 | 40% glycol solution | 0 | 460 | 
| LC-3 | 60% glycol solution | −60 | 500 | SD-1 | R601A | −30 | 300 | 
| LC-5 | 60% glycol solution | −25 | 470 | SD-2 | R601A | −29.9 | 500 | 
| LC-6 | 60% glycol solution | −60 | 500 | SD-4 | R601A | −63.8 | 300 | 
| LC-8 | 60% glycol solution | −25 | 470 | AC-1 | 40% glycol solution | −52.9 | 400 | 
| LC-9 | 60% glycol solution | −60 | 500 | AC-3 | 40% glycol solution | −29.8 | 320 | 
| LC-10 | 60% glycol solution | −59 | 470 | AC-4 | 40% glycol solution | 10 | 400 | 
| Stream | Parameters | Literature Value | Simulation Result | Error | 
|---|---|---|---|---|
| ORC [40] | Output work of expander | 1.170 kW | 1.147 kW | 1.91% | 
| Work consumed by pump | 0.160 kW | 0.158 kW | 1.25% | |
| Thermal efficiency | 9.280% | 9.280% | 0.03% | |
| ACS [41] (25 °C) | Temperature of condenser | 25.080 °C | 24.471 °C | 2.43% | 
| Temperature of evaporator | 25.910 °C | 25.172 °C | 2.86% | |
| Cooling capacity | 2.760 kW | 2.692 kW | 2.53% | |
| SDS [29] | Temperature of evaporation | −25.000 °C | −24.213 °C | 3.16% | 
| Outlet temperature of pump | −32.000 °C | −32.095 °C | 0.29% | 
| Form of Cold Energy Utilization | System Temperature (°C) | Refrigerant Temperature Range (°C) | 
|---|---|---|
| Low-temperature cold storage | Refrigerating temperature −23~−18  | −40~−20 | 
| High-temperature cold storage | Refrigerating temperature −5~0  | −15~−10 | 
| Air conditioning | Temperature in the room 22~24  | 0~10 | 
| Seawater desalination | Water condensation point −5~−2  | −20–30 | 
| Decision Variable | Variable Value Range | Optimization Result | |
|---|---|---|---|
| A-1 | P (kPa) | 0–3000 | 1728 | 
| A-2 | P (kPa) | 20–100 | 20 | 
| A-3 | T (°C) | 40–160 | 160 | 
| B-1 | P (kPa) | 0–3000 | 2000 | 
| B-2 | P (kPa) | 60–300 | 300 | 
| B-3 | T (°C) | 20–90 | 90 | 
| LC-2 | P (kPa) | 300–1000 | 643 | 
| AC-4 | T (°C) | 10–150 | 10 | 
| SD-2 | P (kPa) | 50–300 | 300 | 
| SD-4 | P (kPa) | 500–1000 | 500 | 
| Total Investment Cost of the System TIC ($)  | Cost Recovery Factor CRF  | Power Generation Cost PPC  | The Annual Net Interest Rate ATNI ($) | Investment Payback Period IPP (Years)  | 
|---|---|---|---|---|
| 1.25 × 107 | 0.096 | 0.0483 | 1.153 × 106 | 10.8 | 
| Operation State | L-TSS | H-TSS | ACS | 
|---|---|---|---|
| Low load in January/kW | 4.7 | 1.2 | 0 | 
| High load in January/kW | 11.7 | 8.6 | 97 | 
| Low load in April/kW | 6.7 | 2.6 | 0 | 
| High load in April/kW | 12.5 | 9.2 | 109 | 
| Low load in July/kW | 12.3 | 9.1 | 0 | 
| High load in July/kW | 13.3 | 9.7 | 120 | 
| Low load in October/kW | 11.5 | 8.6 | 0 | 
| High load in October/kW | 12.8 | 9.3 | 115 | 
| Month | TSS | ACS | ORC1 (kW)  | ORC2 (kW)  | Net Power (kW)  | 
|---|---|---|---|---|---|
| January | Low load | High load | 174.67 | 272.91 | 447.58 | 
| Low load | High load | 201.09 | 335.15 | 536.24 | |
| April | High load | High load | 267.12 | 417.32 | 684.44 | 
| High load | Low load | 203.37 | 372.87 | 576.24 | |
| July | Low load | Low load | 179.25 | 271.57 | 450.82 | 
| Low load | High load | 273.83 | 408.68 | 682.52 | |
| October | High load | High load | 261.14 | 564.28 | 825.42 | 
| High load | Low load | 280.65 | 445.47 | 726.12 | 
| Month | 1 | 4 | 7 | 10 | 
| Cooling load (kW) | 104 | 108 | 126 | 114 | 
Disclaimer/Publisher’s Note: The statements, opinions and data contained in all publications are solely those of the individual author(s) and contributor(s) and not of MDPI and/or the editor(s). MDPI and/or the editor(s) disclaim responsibility for any injury to people or property resulting from any ideas, methods, instructions or products referred to in the content.  | 
© 2023 by the authors. Licensee MDPI, Basel, Switzerland. This article is an open access article distributed under the terms and conditions of the Creative Commons Attribution (CC BY) license (https://creativecommons.org/licenses/by/4.0/).
Share and Cite
Xiao, X.; Xu, X.; Wang, Z.; Liu, C.; He, Y. Research on a Novel Combined Cooling and Power Scheme for LNG-Powered Ship. J. Mar. Sci. Eng. 2023, 11, 592. https://doi.org/10.3390/jmse11030592
Xiao X, Xu X, Wang Z, Liu C, He Y. Research on a Novel Combined Cooling and Power Scheme for LNG-Powered Ship. Journal of Marine Science and Engineering. 2023; 11(3):592. https://doi.org/10.3390/jmse11030592
Chicago/Turabian StyleXiao, Xiu, Xiaoqing Xu, Zhe Wang, Chenxi Liu, and Ying He. 2023. "Research on a Novel Combined Cooling and Power Scheme for LNG-Powered Ship" Journal of Marine Science and Engineering 11, no. 3: 592. https://doi.org/10.3390/jmse11030592
APA StyleXiao, X., Xu, X., Wang, Z., Liu, C., & He, Y. (2023). Research on a Novel Combined Cooling and Power Scheme for LNG-Powered Ship. Journal of Marine Science and Engineering, 11(3), 592. https://doi.org/10.3390/jmse11030592
        
