Design of Control System for Multistage Distillation Seawater Desalination Device Driven by Photovoltaic-Thermal
Abstract
1. Introduction
2. System Composition
2.1. Principle of Seawater Desalination Technology with HDH
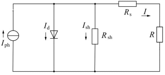
2.2. Principle of Photovoltaic Power Generation System
2.3. Power Generation Efficiency Optimization of PV Power Generation System
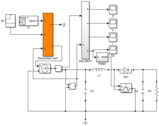
3. Control System Development
3.1. Overview of Control System Functions
3.2. Design of Startup and Shutdown Conditions
3.3. Design of Operation Control Method
3.4. PLC Program Design
3.5. System Programming
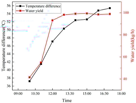
4. Experiment and Result Discussion
5. Conclusions
Author Contributions
Funding
Institutional Review Board Statement
Informed Consent Statement
Data Availability Statement
Conflicts of Interest
Nomenclature
| Specific heat capacity of seawater at constant pressure, kJ/(kg∙K) | |
| Capacitor, mF | |
| Switching frequency, kHz | |
| Latent heat of vaporization, kJ/kg | |
| Inductor, µH | |
| Diode reverse saturation current, A | |
| Photocurrent, A | |
| Diode reverse saturation current, A | |
| Current flowing through the inductor, A | |
| Short circuit current of PV module under standard conditions, A | |
| Optimum working current of PV module under standard conditions, A | |
| Actual short circuit current, A | |
| Actual optimum working current, A | |
| Freshwater flow rate, m3/h | |
| Seawater flow in the heat exchanger, kg/h | |
| Total energy for heating, kW | |
| Internal equivalent bypass resistance, Ω | |
| Actual value of irradiation intensity, W/m2 | |
| Difference between the actual value of irradiation intensity and the standard value of irradiation intensity, W/m2 | |
| Seawater temperature, °C | |
| Temperature of seawater flowing into the heat exchanger, °C | |
| Condensation temperature, °C | |
| PV module temperature under actual irradiation intensity and ambient temperature, °C | |
| Switch tube closing time, ms | |
| Switch tube closing time, ms | |
| Ambient temperature, °C | |
| Difference between the actual temperature value of PV module and the temperature under standard conditions, °C | |
| Maximum power point voltage under standard conditions, V | |
| Open circuit voltage of PV module under standard conditions, V | |
| Actual maximum power point voltage, V | |
| Actual open circuit voltage, V | |
| Input voltage, V | |
| Output voltage, V |
Abbreviation
| ED | Electrodialysis |
| HDH | Humidification and dehumidification |
| INC | Incremental conductance |
| MD | Membrane distillation |
| MED | Multi-effect distillation |
| MSF | Multistage flash |
| MPP | Maximum power point |
| MPPT | Maximum power point tracking |
| MVC | Vapor can be attained mechanically |
| TVC | Vapor can be attained thermally |
| P&O | Perturb and Observation |
| PV/T | Photovoltaic thermal |
| RO | Reverse osmosis |
| VCD | Vapor compression distillation |
| FLC | Fuzzy logic control |
| PSO | Particle swarm optimization |
| GA | Genetic algorithm |
References
- Song, W.; Liu, W.; Qiu, G.; Chu, X.; Wang, S.; Huang, P.; Liu, E. Water resources and seawater desalination technology in Chinese islands. Ocean Dev. Manag. 2016, 33, 28–33. [Google Scholar]
- Van Dyke, J.M.; Brooks, R.A. Uninhabited islands: Their impact on the ownership of the oceans’ resources. Ocean Dev. Int. Law 1983, 12, 265–300. [Google Scholar] [CrossRef]
- Adham, S.; Hussain, A.; Matar, J.M.; Dores, R.; Janson, A. Application of Membrane Distillation for desalting brines from thermal desalination plants. Desalination 2013, 314, 101–108. [Google Scholar] [CrossRef]
- Velmurugan, V.; Kumar, K.N.; Haq, T.N.; Srithar, K. Performance analysis in stepped solar still for effluent desalination. Energy 2009, 34, 1179–1186. [Google Scholar] [CrossRef]
- Kabeel, A.E.; Khairat Dawood, M.M.; Ramzy, K.; Nabil, T.; Elnaghi, B.; Elkassar, A. Enhancement of single solar still integrated with solar dishes: An experimental approach. Energy Convers. Manag. 2019, 196, 165–174. [Google Scholar] [CrossRef]
- Srithar, K.; Rajaseenivasan, T. Recent fresh water augmentation techniques in solar still and HDH desalination—A review. Renew. Sustain. Energy Rev. 2018, 82, 629–644. [Google Scholar] [CrossRef]
- Narayan, G.P.; John MGSt Zubair, S.M.; Lienhard, V.J.H. Thermal design of the humidification dehumidification desalination system: An experimental investigation. Int. J. Heat Mass Transf. 2013, 58, 740–748. [Google Scholar] [CrossRef]
- Ahmed, H.A.; Ismail, I.M.; Saleh, W.F.; Ahmed, M. Experimental investigation of humidification-dehumidification desalination system with corrugated packing in the humidifier. Desalination 2017, 410, 19–29. [Google Scholar] [CrossRef]
- Narayan, G.P.; Sharqawy, M.H.; Leinhard, V.J.H.; Zubair, S.M. Thermodynamic analysis of humidification dehumidification desalination cycles. Desalin. Water Treat. 2010, 16, 339–353. [Google Scholar] [CrossRef]
- Zubair, S.M.; Antar, M.A.; Elmutasim, S.M.; Lawal, D.U. Performance evaluation of humidification-dehumidification (HDH) desalination systems with and without heat recovery options: An experimental and theoretical investigation. Desalination 2018, 436, 161–175. [Google Scholar] [CrossRef]
- Qasem, N.; Imteyaz, B.; Antar, M.A. Investigation of the effect of the top and the bottom temperatures on the performance of humidification dehumidification desalination systems. In Proceedings of the ASME International Mechanical Engineering Congress and Exposition; American Society of Mechanical Engineers: New York, NY, USA, 2016. [Google Scholar] [CrossRef]
- Ahmed, M.A.; Qasem, N.A.A.; Zubair, S.M. Analytical and numerical schemes for thermodynamically balanced humidification-dehumidification desalination systems. Energy Convers. Manag. 2019, 200, 112052. [Google Scholar] [CrossRef]
- Park, I.S.; Park, S.M.; Ha, J.S. Design and application of thermal vapor compressor for multi-effect desalination plant. Desalination 2005, 182, 199–208. [Google Scholar] [CrossRef]
- Kazemian, M.E.; Behzadmehr, A.; Sarvari, S.M.H. Thermodynamic optimization of multi-effect desalination plant using the DoE method. Desalination 2010, 257, 195–205. [Google Scholar] [CrossRef]
- Datsgerdi, H.R.; Chua, H.T. Thermo-economic analysis of low-grade heat driven multi-effect distillation based desalination processes. Desalination 2018, 448, 36–48. [Google Scholar] [CrossRef]
- Zhang, F.; Xu, S.; Feng, D.; Chen, S.; Du, R.; Su, C.; Shen, B. A low-temperature multieffect desalination system powered by the cooling water of a diesel engine. Desalination 2017, 404, 112–120. [Google Scholar] [CrossRef]
- Baig, H.; Antar, M.A.; Zubair, S.M. Performance evaluation of a once-through multistage flash distillation system: Impact of brine heater fouling. Energy Convers. Manag. 2011, 52, 1414–1425. [Google Scholar] [CrossRef]
- Hanshik, C.; Jeong, H.; Jeong, K.-W.; Choi, S.-H. Improved productivity of the MSF (multi-stage flashing) desalination plant by increasing the TBT (top brine temperature). Energy 2016, 107, 683–692. [Google Scholar] [CrossRef]
- Silver, R.S. An assessment of multiple effect boiling distillation in relation to multistage flash distillation. Desalination 1971, 9, 235–243. [Google Scholar] [CrossRef]
- Jamil, M.A.; Zubair, S.M. On thermoeconomic analysis of a single-effect mechanical vapor compression desalination system. Desalination 2017, 420, 292–307. [Google Scholar] [CrossRef]
- Jamil, M.A.; Zubair, S.M. Design and analysis of a forward feed multi-effect mechanical vapor compression desalination system: An exergo-economic approach. Energy 2017, 140, 1107–1120. [Google Scholar] [CrossRef]
- He, W.F.; Ji, C.; Han, D.; Wu, Y.K.; Huang, L.; Zhang, X.K. Performance analysis of the mechanical vapor compression desalination system driven by an organic Rankine cycle. Energy 2017, 141, 1177–1186. [Google Scholar] [CrossRef]
- Samaké, O.; Galanis, N.; Sorin, M. Thermodynamic study of multi-effect thermal vapour-compression desalination systems. Energy 2014, 72, 69–79. [Google Scholar] [CrossRef]
- Zhou, S.; Gong, L.; Liu, X.; Shen, S. Mathematical modeling and performance analysis for multi-effect evaporation/multi-effect evaporation with thermal vapor compression desalination system. Appl. Eng. 2019, 159, 113759. [Google Scholar] [CrossRef]
- Ong, C.W.; Chen, C.-L. Technical and economic evaluation of seawater freezing desalination using liquefied natural gas. Energy 2019, 181, 429–439. [Google Scholar] [CrossRef]
- Xie, C.; Zhang, L.; Liu, Y.; Lv, Q.; Ruan, G.; Hosseini, S.S. A direct contact type ice generator for seawater freezing desalination using LNG cold energy. Desalination 2018, 435, 293–300. [Google Scholar] [CrossRef]
- Jayakody, H.; Al-Dadah, R.; Mahmoud, S. Numerical investigation of indirect freeze desalination using an ice maker machine. Energy Convers. Manag. 2018, 168, 407–420. [Google Scholar] [CrossRef]
- Zheng, J.; Cheng, F.; Li, Y.; Lü, X.; Yang, M. Progress and trends in hydrate based desalination (HBD) technology: A review. Chin. J. Chem. Eng. 2019, 27, 2037–2043. [Google Scholar] [CrossRef]
- Khan, M.N.; Peters, C.J.; Koh, C.A. Desalination using gas hydrates: The role of crystal nucleation, growth and separation. Desalination 2019, 468, 114049. [Google Scholar] [CrossRef]
- Yan, W.; Shi, M.; Wang, Z.; Zhou, Y.; Liu, L.; Zhao, S.; Ji, Y.; Wang, J.; Gao, C. Aminomodified hollow mesoporous silica nanospheres-incorporated reverse osmosis membrane with high performance. J. Membr. Sci. 2019, 581, 168–177. [Google Scholar] [CrossRef]
- Qasim, M.; Badrelzaman, M.; Darwish, N.N.; Darwish, N.A.; Hilal, N. Reverse osmosis desalination: A state-of-the-art review. Desalination 2019, 459, 59–104. [Google Scholar] [CrossRef]
- Kim, J.; Park, K.; Yang, D.R.; Hong, S. A comprehensive review of energy consumption of seawater reverse osmosis desalination plants. Appl. Energy 2019, 254, 113652. [Google Scholar] [CrossRef]
- Yun, T.I.; Gabelich, C.J.; Cox, M.R.; Mofidi, A.A.; Lesan, R. Reducing costs for large-scale desalting plants using large-diameter, reverse osmosis membranes. Desalination 2006, 189, 141–154. [Google Scholar] [CrossRef]
- Qasem, N.A.A.; Qureshi, B.A.; Zubair, S.M. Improvement in design of electrodialysis desalination plants by considering the Donnan potential. Desalination 2018, 441, 62–76. [Google Scholar] [CrossRef]
- Doornbusch, G.J.; Tedesco, M.; Post, J.W.; Borneman, Z.; Nijmeijer, K. Experimental investigation of multistage electrodialysis for seawater desalination. Desalination 2019, 464, 105–114. [Google Scholar] [CrossRef]
- Campione, A.; Cipollina, A.; Bogle, I.D.L.; Gurreri, L.; Tamburini, A.; Tedesco, M.; Micale, G. A hierarchical model for novel schemes of electrodialysis desalination. Desalination 2019, 465, 79–93. [Google Scholar] [CrossRef]
- Campione, A.; Gurreri, L.; Ciofalo, M.; Micale, G.; Tamburini, A.; Cipollina, A. Electrodialysis for water desalination: A critical assessment of recent developments on process fundamentals, models and applications. Desalination 2018, 434, 121–160. [Google Scholar] [CrossRef]
- Qasem, N.A.A.; Zubair, S.M.; Qureshi, B.A.; Generous, M.M. The impact of thermodynamic potentials on the design of electrodialysis desalination plants. Energy Convers. Manag. 2020, 205, 112448. [Google Scholar] [CrossRef]
- Khalifa, A.; Lawal, D.; Antar, M.; Khayet, M. Experimental and theoretical investigation on water desalination using air gap membrane distillation. Desalination 2015, 376, 94–108. [Google Scholar] [CrossRef]
- Gopi, G.; Arthanareeswaran, G.; Af, I. Perspective of renewable desalination by using membrane distillation. Chem. Eng. Res. Des. 2019, 144, 520–537. [Google Scholar] [CrossRef]
- González, D.; Amigo, J.; Suárez, F. Membrane distillation: Perspectives for sustainable and improved desalination. Renew. Sustain. Energy Rev. 2017, 80, 238–259. [Google Scholar] [CrossRef]
- Khalifa, A.E.; Imteyaz, B.A.; Lawal, D.U.; Abido, M.A. Heuristic optimization techniques for air gap membrane distillation system. Arab. J. Sci. Eng. 2017, 42, 1951–1965. [Google Scholar] [CrossRef]
- Khalifa, A.E.; Lawal, D.U. Application of response surface and Taguchi optimization techniques to air gap membrane distillation for water desalination—A comparative study. Desalination Water Treat. 2016, 57, 28513–28530. [Google Scholar] [CrossRef]
- Lawal, D.U.; Khalifa, A.E. Experimental investigation of an air gap membrane distillation unit with double-sided cooling channel. Desalination Water Treat. 2016, 57, 11066–11080. [Google Scholar] [CrossRef]
- Lawal, D.U.; Khalifa, A.E. Flux prediction in direct contact membrane distillation. Int. J. Mater. Mech. Manuf. 2014, 2, 302–308. [Google Scholar] [CrossRef]
- Khalifa, A.E.; Lawal, D.U. Performance and optimization of air gap membrane distillation system for water desalination. Arab. J. Sci. Eng. 2015, 40, 3627–3639. [Google Scholar] [CrossRef]
- Khalifa, A.E.; Lawal, D.U.; Antar, M.A. Performance of air gap membrane distillation unit for water desalination. In Proceedings of the ASME 2014 International Mechanical Engineering Congress and Exposition, Montreal, QC, Canada, 14–20 November 2014. [Google Scholar] [CrossRef]
- Alsaman, A.S.; Askalany, A.A.; Harby, K.; Ahmed, M.S. A state of the art of hybrid adsorption desalination-cooling systems. Renew. Sustain. Energy Rev. 2016, 58, 692–703. [Google Scholar] [CrossRef]
- Saha, B.B.; El-Sharkawy, I.I.; Shahzad, M.W.; Thu, K.; Ang, L.; Ng, K.C. Fundamental and application aspects of adsorption cooling and desalination. Appl. Eng. 2016, 97, 68–76. [Google Scholar] [CrossRef]
- Qasem, N.A.A.; Zubair, S.M. Performance evaluation of a novel hybrid humidification-dehumidification (air-heated) system with an adsorption desalination system. Desalination 2019, 461, 37–54. [Google Scholar] [CrossRef]
- Richter, T.; Landsgesell, J.; Košovan, P.; Holm, C. On the efficiency of a hydrogel-based desalination cycle. Desalination 2017, 414, 28–34. [Google Scholar] [CrossRef]
- Rud, O.; Borisov, O.; Košovan, P. Thermodynamic model for a reversible desalination cycle using weak polyelectrolyte hydrogels. Desalination 2018, 442, 32–43. [Google Scholar] [CrossRef]
- Subban, C.V.; Gadgil, A.J. Electrically regenerated ion-exchange technology for desalination of low-salinity water sources. Desalination 2019, 465, 38–43. [Google Scholar] [CrossRef]
- Tsiakis, P.; Papageorgiou, L.G. Optimal design of an electrodialysis brackish water desalination plant. Desalination 2005, 173, 173–186. [Google Scholar] [CrossRef]
- Lopez, A.M.; Williams, M.; Paiva, M.; Demydov, D.; Do, T.D.; Fairey, J.L.; Lin, Y.P.J.; Hestekin, J.A. Potential of electrodialytic techniques in brackish desalination and recovery of industrial process water for reuse. Desalination 2017, 409, 108–114. [Google Scholar] [CrossRef]
- Prajapati, M.; Shah, M.; Soni, B. A review of geothermal integrated desalination: A sustainable solution to overcome potential freshwater shortages. J. Clean. Prod. 2021, 326, 129412. [Google Scholar] [CrossRef]
- Sharqawy, M.H.; Antar, M.A.; Zubair, S.M.; Elbashir, A.M. Optimum thermal design of humidification dehumidification desalination systems. Desalination 2014, 349, 10–21. [Google Scholar] [CrossRef]
- Gang, W.; Zheng, H.; Kang, H.; Yang, Y.; Cheng, P.; Chang, Z. Experimental investigation of a multi-effect isothermal heat with tandem solar desalination system based on humidification-dehumidification processes. Desalination 2015, 1, 100–107. [Google Scholar] [CrossRef]
- Liu, Q.; Cao, F.; Zhu, T.; Liu, D. Experimental study on slope solar chimney humidification and dehumidification of seawater desalination system. Eng. Therm. Matter Acta Sci. Sin. 2019, 40, 2720–2724. [Google Scholar]
- Murtaza, A.; Chiaberge, M.; De Giuseppe, M.; Boero, D. A duty cycle optimization based hybrid maximum power point tracking technique for photovoltaic systems. Int. J. Electr. Power Energy Syst. 2014, 59, 141–154. [Google Scholar] [CrossRef]
- Murtaza, A.; Chiaberge, M.; Spertino, F.; Boero, D.; De Giuseppe, M. A maximum power point tracking technique based on bypass diode mechanism for PV arrays under partial shading. Energy Build. 2014, 73, 13–25. [Google Scholar] [CrossRef]
- Abdel-Salam, M.; EL-Mohandes, M.T. History of Maximum Power Point Tracking. In Modern Maximum Power Point Tracking Techniques for Photovoltaic Energy Systems; Springer: Cham, Switzerland, 2019; pp. 1–29. [Google Scholar]
- Islam, H.; Mekhilef, S.; Shah, N.B.M.; Soon, T.K.; Seyedmahmousian, M.; Horan, B.; Stojcevski, A. Performance Evaluation of Maximum Power Point Tracking Approaches and Photovoltaic Systems. Energies 2018, 11, 365. [Google Scholar] [CrossRef]
- Awasthi, A.; Shukla, A.K.; Murali Manohar, S.R.; Dondariya, C.; Shukla, K.N.; Porwal, D.; Richhariya, G. Review on sun tracking technology in solar PV system. Energy Rep. 2020, 6, 392–405. [Google Scholar] [CrossRef]
- Albalawi, H.; Zaid, S.A. An H5 Transformerless Inverter for Grid Connected PV Systems with Improved Utilization Factor and a Simple Maximum Power Point Algorithm. Energies 2018, 11, 2912. [Google Scholar] [CrossRef]
- Tan, Y.T.; Kirschen, D.S.; Jenkins, N. A model of PV generation suitable for stability analysis. IEEE Trans. Energy Convers. 2004, 19, 748–755. [Google Scholar] [CrossRef]
- Soto, W.D.; Klein, S.A.; Beckman, W. Improvement and validation of a model for photovoltaic array performance. Sol. Energy 2006, 80, 78–88. [Google Scholar] [CrossRef]
- Xiao, W.; Dunford, W.G.; Palmer, P.R.; Capel, A. Reg ulation of photovoltaic voltage. IEEE Trans. Ind. Electron. 2007, 54, 1365–1374. [Google Scholar] [CrossRef]
- Hohm, D.P.; Ropp, M.E. Comparative study of max imum power point tracking algorithms. Prog. Photovolt. Res. Appl. 2003, 11, 47–62. [Google Scholar] [CrossRef]
- Salas, V.; Olias, E.; Barrado, A.; Lazaro, A. Review of the maximum power point tracking algorithms for stand alone photovoltaic systems. Sol. Energy Mater. Sol. Cells 2006, 90, 1555–1578. [Google Scholar] [CrossRef]
- Esram, T.; Chapman, P.L. Comparison of photovoltaic array maximum power point tracking techniques. IEEE Trans. Energy Convers. 2007, 22, 439–449. [Google Scholar] [CrossRef]
- Oshaba, A.S.; Ali, E.S.; Elazin, S.A. MPPT con trol design of PV system supplied SRM using BAT search algorithm. Sust. Energy Grids Netw. 2015, 2, 51–60. [Google Scholar] [CrossRef]
- Oshaba, A.S.; Ali, E.S.; Elazin, S.A. PI controller design using ABC algorithm for MPPT of PV system sup pling DC motor pump load. Neural Comput. Appl. 2017, 28, 353–364. [Google Scholar] [CrossRef]
- Oshaba, A.S.; Ali, E.S. Bacteria foraging: A new tech niqye for speed control of DC series motor supplied by photovoltaic system. Int. J. WSEAS Trans. Power. Syst. 2014, 9, 185–195. [Google Scholar]
- Yildirim, M.A.; Nowak-Ocłoń, M. Modified Maximum Power Point Tracking Algorithm under Time-Varying Solar Irradiation. Energies 2020, 13, 6722. [Google Scholar] [CrossRef]
- Murtaza, A.F.; Sher, H.A.; Spertino, F.; Ciocia, A.; Noman, A.M.; Al-Shamma’a, A.A.; Alkuhayli, A. A Novel MPPT Technique Based on Mutual Coordination between Two PV Modules/Arrays. Energies 2021, 14, 6996. [Google Scholar] [CrossRef]
- Lee, H.S.; Yun, J.J. Advanced MPPT Algorithm for Distributed Photovoltaic Systems. Energies 2019, 12, 3576. [Google Scholar] [CrossRef]
- Louzazni, M.; Cotfas, D.T.; Cotfas, P.A. Management and Performance Control Analysis of Hybrid Photovoltaic Energy Storage System under Variable Solar Irradiation. Energies 2020, 13, 3043. [Google Scholar] [CrossRef]
- Aourir, J.; Locment, F. Limited Power Point Tracking for a Small-Scale Wind Turbine Intended to Be Integrated in a DC Microgrid. Appl. Sci. 2020, 10, 8030. [Google Scholar] [CrossRef]
- Mahmod Mohammad, A.N.; Mohd Radzi, M.A.; Azis, N.; Shafie, S.; Atiqi Mohd Zainuri, M.A. An Enhanced Adaptive Perturb and Observe Technique for Efficient Maximum Power Point Tracking Under Partial Shading Conditions. Appl. Sci. 2020, 10, 3912. [Google Scholar] [CrossRef]
- Gil-Antonio, L.; Saldivar, B.; Portillo-Rodríguez, O.; Ávila Vilchis, J.C.; Martínez-Rodríguez, P.R.; Martínez-Méndez, R. Flatness-Based Control for the Maximum Power Point Tracking in a Photovoltaic System. Energies 2019, 12, 1843. [Google Scholar] [CrossRef]
- Veerachary, M. Fourth-order buck converter for maximum power point tracking applications. IEEE Trans. Aerosp. Electron. Syst. 2011, 47, 896–911. [Google Scholar] [CrossRef]
- Singh, G.K. Solar power generation by PV (photovoltaic) technology: A review. Energy 2013, 53, 1–13. [Google Scholar] [CrossRef]
- Ishaque, K.; Salam, Z.; Lauss, G. The performance of perturb and observe and incremental conductance maximum power point tracking method under dynamic weather conditions. Appl. Energy 2014, 119, 228–236. [Google Scholar] [CrossRef]
- Li, C.; Chen, Y.; Zhou, D.; Liu, J.; Zeng, J. A High-Performance Adaptive Incremental Conductance MPPT Algorithm for Photovoltaic Systems. Energies 2016, 9, 288. [Google Scholar] [CrossRef]
- Mei, Q.; Shan, M.; Liu, L.; Guerrero, J.M. A Novel Improved Variable Step-Size Incremental-Resistance MPPT Method for PV Systems. IEEE Trans. Ind. Electron. 2011, 58, 2427–2434. [Google Scholar] [CrossRef]
- Jately, V.; Azzopardi, B.; Joshi, J.; Venkateswaran, V.B.; Sharma, A.; Arora, S. Experimental Analysis of hill-climbing MPPT algorithms under low irradiance levels. Renew. Sustain. Energy Rev. 2021, 150, 111467. [Google Scholar] [CrossRef]
- Raedani, R.; Hanif, M. Design, testing and comparison of P&O, IC and VSSIR MPPT techniques. In Proceedings of the 2014 International Conference on Renewable Energy Research and Application (ICRERA), Milwaukee, WI, USA, 19–22 October 2014; pp. 322–330. [Google Scholar]
- AHMED, E.; Shoyama, M. Scaling Factor Design Based Variable Step Size Incremental Resistance Maximum Power Point Tracking for PV Systems. J. Power Electron. 2012, 12, 164–171. [Google Scholar] [CrossRef]
- Larbes, C.; Aït Cheikh, S.; Obeidi, T.; Zerguerras, A. Genetic algorithms optimized fuzzy logic control for the maximum power point tracking in photovoltaic system. Renew. Energy 2009, 34, 2093–2100. [Google Scholar] [CrossRef]
- Miller, J.A.; John, H.; Lienhard, V. Impact of extraction on a humidification–dehumidification desalination system. Desalination 2013, 313, 87–96. [Google Scholar] [CrossRef]
- Zhani, K.; Bacha, H.B.; Damak, T. Modeling and experimental validation of a humidification–dehumidification desalination unit solar part. Energy 2011, 36, 3159–3169. [Google Scholar] [CrossRef]
- Koschikowski, J.; Wieghaus, M.; Rommel, M. Solar thermal-driven desalination plants based on membrane distillation. Desalination 2003, 156, 295–304. [Google Scholar] [CrossRef]
- Wu, G.; Zheng, H.-F.; Wang, F.; Chang, Z.-H. Parametric study of a tandem desalination system based on humidification-dehumidification process with 3-stage heat recovery. Appl. Therm. Eng. 2017, 112, 190–200. [Google Scholar] [CrossRef]
- El-Dessouky, H.T.; Ettouney, H.M. Fundamentals of Salt Water Desalination; Elsevier: Amsterdam, The Netherlands, 2002. [Google Scholar]
- Chang, Z.; Zheng, H.; Hou, J.; Wu, G.; Mao, J. Study on the performance of two-stage multi effect solar humidification and dehumidification brackish water desalination device. Trans. Beijing Inst. Technol. 2015, 35, 27–33. [Google Scholar] [CrossRef]
- Li, M. Research on MPPT algorithm and control of photovoltaic power generation. In Proceedings of the Anhui University of Science and Technology, 2020 The International Conference on Power Engineering (ICPE 2020), Energy Reports. Guangzhou, China, 19–21 December 2020. [Google Scholar]
- Singer, S.; Rozenshtein, B.; Surazi, S. Characterization of PV array output using a small number of measured parameters. Sol. Energy 1984, 32, 603–607. [Google Scholar] [CrossRef]
- Zhao, B.; Xue, M.; Ge, X.; Xu, W. Research on calculation method of output power of photovoltaic power generation system. Power Syst. Clean Energy 2010, 26, 19–24. [Google Scholar]
- AI, Y.; Wang, X.; Li, B.; Duan, J. Comparative analysis of power generation calculated in different statistical periods of photovoltaic power stations. Power Syst. Clean Energy 2012, 28, 85–89. [Google Scholar]
- Ma, T.; Yang, H.; Lu, L. Solar photovoltaic system modeling and performance prediction. Renew. Sustain. Energy Rev. 2014, 36, 304–315. [Google Scholar] [CrossRef]
- Meral, M.E.; Dinçer, F. A review of the factors affecting operation and efficiency of photovoltaic based electricity generation systems. Renew. Sustain. Energy Rev. 2011, 15, 2176–2184. [Google Scholar] [CrossRef]
- Pradhan, A.; Panda, B. Experimental Analysis of Factors Affecting the Power Output of the PV Module. Int. J. Electr. Comput. Eng. (IJECE) 2017, 7, 3190–3197. [Google Scholar] [CrossRef]
- Su, J.; Yu, S.; Zhao, W.; Wu, M.; Shen, Y.; He, H. Mathematical model for silicon solar cell engineering. Acta Energ. Sol. Sin. 2001, 22, 409–412. [Google Scholar]
- Zhang, X.; Cao, R. Solar Photovoltaic Grid Connected Power Generation and Its Inverter Control; China Machine Press: Beijing, China, 2011. [Google Scholar]
- He, W.; Tan, P. Simulation of Simplified Model of Photovoltaic Cell Based on Matlab. Commun. Power Sources Technol. 2019, 36, 31–34. [Google Scholar]
- Piegari, L.; Rizzo, R. Adaptive perturb and observe algorithm for photovoltaic maximum power point tracking. IET Renew. Power Gener 2010, 4, 317–328. [Google Scholar] [CrossRef]
- Abddelsalam, A.K.; Massoud, A.M.; Ahmed, S.; Enjeti, P.N. High-performance adaptive perturb and observe MPPT technique for photovoltaic-based microgrids. IEEE Trans. Power Electron. 2011, 26, 1010–1021. [Google Scholar] [CrossRef]
- Jiang, Y.; Qahouq, J.A.A.; Haskew, T.A. Adaptive step size with adaptive-perturbation-frequency digital MPPT controller for a singlesensor photovoltaic solar system. IEEE Trans. Power Electron. 2013, 28, 3195–3205. [Google Scholar] [CrossRef]
- Killi, M.; Samanta, S. Modified perturb and observe MPPT algorithm for drift avoidance in photovoltaic systems. IEEE Trans. Ind. Electron. 2015, 62, 5549–5559. [Google Scholar] [CrossRef]
- Ahmed, J.; Salam, Z. A modified P & O maximum power point tracking with reduced steady-state oscillation and improved tracking efficiency. IEEE Trans. Sust. Energy 2016, 7, 1506–1515. [Google Scholar]
- Rong, D. Improved Interference Observation Method for Photovoltaic Maximum Power Tracking. J. Electr. Power Syst. Autom. Chem. 2017, 29, 104–109. [Google Scholar]
- Li, X.; Xu, J. Maximum Power Point Tracking Control for Grid-Connected Power Supply of Photovoltaic Power Generation System. Comput. Simul. 2019, 36, 117–120. [Google Scholar]
- Alamir, M.; Pannocchia, G. A New Formulation of Economic Model Predictive Control without Terminal Constraint. Automatica 2021, 125, 189–197. [Google Scholar] [CrossRef]
- Zhang, W.; Wang, Y.; Ni, H.; Liang, Y. Study on Dual Fuzzy Adaptive Disturbance Observation Method for Photovoltaic System. Power Supply Technol. 2019, 43, 1520–1524. [Google Scholar]
- Li, S.; Li, K.; Chen, Y.; Yang, R.; Gao, X. Composite MPPT Algorithm Based on Improved Particle Swarm Optimization and Variable Step Size Perturbation. J. Chongqing Univ. Technol. Nat. Sci. 2019, 33, 207–213. [Google Scholar]
- Wang, S.; Zheng, J.; Zhang, G.; Zhang, L. Research on MPPT of Photovoltaic System Based on Improved Variable Step Size Perturbation Observation Method. J. Guangxi Univ. Nat. Sci. Ed. 2018, 4, 1032–1043. [Google Scholar]
- Yan, Y.T.; Yang, Y.; Yang, J.Q.; Zhang, B.W. Modeling and Simulation of MPPT Algorithm for PV Grid-Connected System. Adv. Mater. Res. 2014, 945, 3227. [Google Scholar] [CrossRef]
- Wang, J. Research on MPPT Control Technology of Solar Power Generation System; Harbin University of Technology: Harbin, China, 2017. [Google Scholar]
























| Maximum Power/W | Short Circuit Current | Open Circuit Voltage | Maximum Power Point Current | Maximum Power Point Voltage | Number of PV Panels /PCS |
|---|---|---|---|---|---|
| 270 | 9.06 | 37.2 | 8.65 | 31.2 | 6 |
| Input Voltage | Resistive Load /Ω | Inductor /µH | Capacitor /mF | Switching Frequency /KHz |
|---|---|---|---|---|
| 31.2 | 30 | 2 | 3 | 100 |
Disclaimer/Publisher’s Note: The statements, opinions and data contained in all publications are solely those of the individual author(s) and contributor(s) and not of MDPI and/or the editor(s). MDPI and/or the editor(s) disclaim responsibility for any injury to people or property resulting from any ideas, methods, instructions or products referred to in the content. |
© 2023 by the authors. Licensee MDPI, Basel, Switzerland. This article is an open access article distributed under the terms and conditions of the Creative Commons Attribution (CC BY) license (https://creativecommons.org/licenses/by/4.0/).
Share and Cite
Yan, J.; Qiu, C.; Wang, Y.; Wu, N.; Qu, W.; Zhuang, Y.; Yan, G.; Wang, P.; Zhang, R.; Yan, Y.; et al. Design of Control System for Multistage Distillation Seawater Desalination Device Driven by Photovoltaic-Thermal. J. Mar. Sci. Eng. 2023, 11, 222. https://doi.org/10.3390/jmse11010222
Yan J, Qiu C, Wang Y, Wu N, Qu W, Zhuang Y, Yan G, Wang P, Zhang R, Yan Y, et al. Design of Control System for Multistage Distillation Seawater Desalination Device Driven by Photovoltaic-Thermal. Journal of Marine Science and Engineering. 2023; 11(1):222. https://doi.org/10.3390/jmse11010222
Chicago/Turabian StyleYan, Jiaqi, Chengjun Qiu, Yuangan Wang, Ning Wu, Wei Qu, Yuan Zhuang, Guohui Yan, Ping Wang, Ruoyu Zhang, Yirou Yan, and et al. 2023. "Design of Control System for Multistage Distillation Seawater Desalination Device Driven by Photovoltaic-Thermal" Journal of Marine Science and Engineering 11, no. 1: 222. https://doi.org/10.3390/jmse11010222
APA StyleYan, J., Qiu, C., Wang, Y., Wu, N., Qu, W., Zhuang, Y., Yan, G., Wang, P., Zhang, R., Yan, Y., Deng, R., Luo, J., Gao, J., & Wu, Y. (2023). Design of Control System for Multistage Distillation Seawater Desalination Device Driven by Photovoltaic-Thermal. Journal of Marine Science and Engineering, 11(1), 222. https://doi.org/10.3390/jmse11010222

