Next Article in Journal
The Simulation of Stomatal Aperture Size on the Upper and Lower Epidermis of Gynura formosana Kitam Leaves Based on Cellular Automata
Next Article in Special Issue
Intelligent Path Tracking for Single-Track Agricultural Machinery Based on Variable Universe Fuzzy Control and PSO-SVR Steering Compensation
Previous Article in Journal
What Defines the Perfect Wine Tourism Experience? Evidence from a Best–Worst Approach
Previous Article in Special Issue
Design of Dynamic Deep Sowing System for Peanut Planter with Double-Loop Feedback Fuzzy PID Control
 
 
Font Type:
Arial Georgia Verdana
Font Size:
Aa Aa Aa
Line Spacing:
Column Width:
Background:
Article

Configurational Comparison of a Binary Logic Transmission Unit Applicable to Agricultural Tractor Hydro-Mechanical Continuously Variable Transmissions and Its Wet Clutch Optimization Design Based on an Improved General Regression Neural Network

College of Automobile and Traffic Engineering, Nanjing Forestry University, Nanjing 210037, China
*
Author to whom correspondence should be addressed.
Agriculture 2025, 15(8), 877; https://doi.org/10.3390/agriculture15080877
Submission received: 17 March 2025 / Revised: 1 April 2025 / Accepted: 16 April 2025 / Published: 17 April 2025

Abstract

Binary logic transmission (BLT), a stepped transmission system, has been utilized in military vehicles and heavy-duty commercial vehicles due to its high transmission efficiency, strong load-bearing capacity, and compact structure. Its adaptability to agricultural tractor operations is notable. This study modularizes BLT into a binary logic transmission unit (BLT-U) for application in agricultural tractor Hydro-Mechanical Continuously Variable Transmission (HMCVT), optimizing its wet clutch to enhance HMCVT shifting performance. This provides a basis for BLT-U’s application in other transmission systems and subsequent optimization. A wet clutch test bench was employed to validate the modeling approach. The optimal BLT-U configuration was selected using both light/heavy load conditions and subjective–objective evaluation criteria. The WOA improved the spread value in the GRNN algorithm, establishing a GRNN to predict the optimal range for wet clutch design values in BLT-U; the model validation showed an average correlation coefficient of 0.92 for speed curves and an average relative error of 5.58% for dynamic loads. Under light-load conditions, the optimal configuration improved average and maximum scores by 13.38% and 11.53%, respectively, while under heavy-load conditions, the corresponding improvements were 9.38% and 5.86%. Under light-load conditions, the optimized GRNN reduced total relative error by 39.6%, while under heavy-load conditions, it achieved a 61% reduction. This study confirms the rationality of the modeling method, identifies Configuration 1 as optimal, and determines the optimal range for clutch design values under light-load and heavy-load conditions, respectively.

1. Introduction

Tractors, as common agricultural vehicles, can undertake various tasks by mounting different agricultural equipment, such as rotary tillage, plowing, ditching, sowing, harvesting, and transportation. These agricultural operations impose specific requirements on the power and transmission systems of tractors. For instance, low speeds are needed for tillage, medium speeds for sowing and harvesting, and higher speeds for transportation. Therefore, the power sources and transmission systems of agricultural tractors are critical components for achieving their functions. Currently, single-power-source agricultural tractors on the market commonly adopt transmission schemes such as PST (Power Shift Transmission), HST (Hydrostatic Transmission), and HMCVT. For example, John Deere’s 8R series tractors use a 16–48 stage PST, while LCAG’s 4H series employs HMCVT. The described transmission system exhibits distinct technical trade-offs: Hydrostatic Transmission (HST) suffers from suboptimal drivetrain efficiency inherent to hydraulic power transfer, while Power Shift Transmission (PST), as a discrete-ratio gearbox, fundamentally lacks continuous speed regulation capability. Although the HMCVT achieves superior efficiency and true stepless operation, its structural complexity imposes design constraints—unlike the modular gear-stage configurability of PST systems, the HMCVT’s stage division options remain comparatively limited due to mechanical integration requirements. On the other hand, multi-power-source agricultural tractors often utilize hybrid power schemes. For instance, Dou Haishi’s team at Beijing Institute of Technology [1] proposed a coupled-split dynamic configuration with an engine and dual motors as power sources to reduce the impact of load shocks on tractor power. By optimizing the torque distribution strategy, the engine torque fluctuation range was minimized. Zhang Kai’s team at Nanjing Agricultural University [2] proposed an output-split electric continuously variable transmission (OS-ECVT) configuration based on planetary gears. By utilizing different power combinations for different operating conditions, they achieved power matching and improved economic efficiency. For the newly proposed hybrid powertrain solution, the coexistence of multiple power sources makes the coordination between them during power output the current research focus. Due to the complexity of this coordination, commercially available hybrid products remain rare. Furthermore, since planetary gear mechanisms typically serve as the power-coupling devices in hybrid systems, research on BLT-U can also advance hybrid powertrain development. From this perspective, the design and optimization of agricultural tractor transmission systems hold significant research importance.
HMCVT, as one of the more advanced transmission systems for agricultural tractors currently on the market, offers advantages such as strong load capacity, a wide speed regulation range, high transmission efficiency, continuous variable speed control, uninterrupted power during stage changes, and smooth power delivery. There has been some research progress on the configuration design and parameter optimization of HMCVT. For example, Macor Alarico [3] highlighted the need and necessity for optimizing the design of HMCVT. Sunghyun Ahn [4] proposed a comprehensive control algorithm for HMCVT systems, with a particular focus on transmission efficiency. This approach identified the optimal operating line for the system, improved overall efficiency, and developed a simulation model based on AME Sim-Simulink, ultimately achieving a 7.5% improvement in fuel economy. Zhun Cheng [5] introduced a geometric design method based on I-GA. The HMCVT design scheme proposed using this method effectively matches the required speed of tractors. Current research on HMCVT design emphasizes transmission economic performance, though the efficiency improvement remains limited due to inherent transmission characteristics. The study of stage change performance not only affects economic metrics but also significantly characterizes dynamic performance and ride comfort.
Binary logic transmission (BLT) is commonly used in military vehicles and heavy-duty commercial vehicles. This transmission system features high transmission efficiency, high power density, strong load-bearing capacity, and a compact structure, making it highly adaptable to the working conditions of agricultural tractors. However, due to its stepped characteristics, it has not yet been applied in the agricultural tractor sector. BLT was first detailed by Kerr [6], who explained its fundamental principles and explored its application value in pure electric vehicle transmission systems. Subsequently, the Ker-Train Research Institute was established, collaborating with the Toronto Transit Commission and the U.S. Army’s Tank-Automotive Research, Development, and Engineering Center (TARDEC) to provide BLT systems for buses [7] and military vehicles [8,9]. Additionally, the institute, along with Professors Ferguson and Morrison, conducted in-depth analyses of the efficiency of BLT systems based on experimental data, investigating the causes of shock during dynamic shifting and the impact of hydraulic system time delays on shift shock [10,11]. Apart from the Ker-Train Research Institute, Spain’s SAPA Placencia company is another key research institution in this field. Since 2002, it has been investing in the research and development of BLT-related technologies and has successfully commercialized mature products [12]. Wang Yanzhong’s team conducted exploratory research on BLT technology, proposing a “multi-state modular” concept that goes beyond “binary logic” [13]. The research on the BLT-U has been exclusively developed based on Kerr’s innovative design incorporating double intermeshing planetary gear sets [14] and concentric V-groove clutches [15]. While the double intermeshing planetary gear sets demonstrate superior efficiency characteristics, they inherently suffer from eccentric rotation dynamics and potential lock-up risks [16]. The corresponding V-groove clutch design presents significant structural complexity, exhibiting fundamental architectural differences from conventional wet clutch systems. These specialized planetary gear mechanisms and clutch configurations impose stringent manufacturing requirements and substantial production costs for equipment suppliers, consequently limiting their practical adoption in other transmission system applications. Chang Yile’s research [17] demonstrated that a binary logic transmission device composed of a single planetary gear mechanism can also function as a two-stage automatic transmission.
The core components for stage shifting in the aforementioned HMCVT and BLT systems are clutch devices. Therefore, the performance of wet clutches has a significant impact on the transmission system and even overall vehicle performance. Current research on wet clutches primarily focuses on thermal characteristics and control measurement studies. For example, Shin Seungin [18] proposed a thermal dynamics-based friction control modeling method for wet clutches with paper-based friction linings. This study thoroughly explored the maximum model uncertainty in sliding control clutch friction. The proposed model integrates the Coulomb friction coefficient and includes variables such as clamping force, friction speed, and friction surface temperature, with model validation conducted. Strobl Patrick [19] introduced a comprehensive measurement method for the friction behavior of wet clutches, which has broad applicability and provides in-depth insights into friction characteristics within the sliding speed range during brake shifting operations, including forced sliding operations up to static torque transfer. Existing research on wet clutches has predominantly focused on their intrinsic performance characteristics. However, as wet clutches serve as critical components for stage shifting and gear changing in many transmission systems, comprehensive investigation into their impact on overall system performance is equally essential.
Currently, research on HMCVT design often involves complex configurations. Expanding the transmission ratio range typically requires significant changes to the structure, and there is limited research on how configuration changes affect the system performance or on optimizing the wet clutch, a core component for stage shifting, based on the system performance. For binary logic transmission systems, the main challenges in experimental research and application lie in the high production and processing requirements for double intermeshing planetary gear sets and concentric V-groove clutches, as well as the associated high production costs.
To address the aforementioned issues, broaden the application scenarios of binary logic transmission systems, improve the performance of HMCVT, and optimize the parameters of wet clutches, this paper proposes a BLT-U applicable to a wide range of systems. This unit is applied to the HMCVT system to enhance the performance of the transmission system. Furthermore, based on the system’s performance, the WOA-GRNN optimization algorithm is utilized to optimize the wet clutch within the BLT-U. In addition, this paper utilizes Simulation X to build a simulation model and combines it with a wet clutch test bench to validate the actual oil pressure in the simulation model. The research presented in this paper provides valuable references for the applications of BLT-Us and the optimization of wet clutches within them.

2. Materials and Methods

The specific research process of this paper mainly includes three parts: modeling method validation, BLT-U configuration comparison, and wet clutch optimization design. The detailed workflow is shown in the Figure 1. The simulation models in this study were established using Simulation X software (Version 3.8), while data analysis and algorithm optimization were performed using MATLAB software (R2019b).

2.1. Modeling Method Validation

2.1.1. Wet Clutch Test Bench

The primary working principle of a wet clutch involves using the oil pressure in the hydraulic cylinder to compress the friction plates and steel plates within the wet clutch, eliminating the gap and causing them to engage. This process gradually transitions from sliding friction to static friction, thereby transmitting torque, speed, and power from one end of the wet clutch to the other. Therefore, the oil pressure curve of the wet clutch has a significant impact on its performance. Due to the numerous factors influencing the oil pressure curve, there are still some discrepancies in the descriptions of wet clutch oil pressure curve variations in the research of different scholars [20,21]. To avoid the influence of the oil pressure curve generated by the simulation program on the experimental results, this paper directly adopts the measured oil pressure curve of the wet clutch as the loading oil pressure for the simulation model.
To validate the feasibility of the modeling method and oil pressure loading approach adopted in this paper, the wet clutch engagement test bench shown in the Figure 2 was used:
The variable frequency drive motor used in this study was the YXVF315L2-4, which was selected from Delixi Electric Co., Ltd. and procured from Hangzhou, China, and the selected electromagnetic eddy current brake was the CW2000B, which was selected from Jiangsu Lanmec Technology Co., Ltd. and procured from Nantong, China. This test bench is equipped with two wet clutches, but only one clutch was utilized for the engagement tests in this paper.
For the aforementioned test bench, the following two sets of test parameters were selected to align with the low-speed, high-load operating conditions of agricultural tractors, as shown in Table 1:

2.1.2. Wet Clutch Simulation Model

The simulation model established based on the working principles of the aforementioned test bench is shown in the Figure 3:

2.2. BLT-U Configuration Comparison

2.2.1. Basic Parameters of the Tractor and HMCVT Used in This Study

The transmission system proposed in this study is designed for tractors with power sources of 90 horsepower (hp) and above. The basic parameters of the agricultural tractor adopted in this paper are shown in the Table 2 [22]:
The original HMCVT configuration adopted in this paper is shown in the Figure 4.
The HMCVT adopted in this paper consists of five forward stages: one pure hydraulic working stage, H0, and four hydraulic–mechanical power flow coupling working stages, H1 to H4. In the H0 stage, brake B1 locks the planet carrier of planetary gear P1. The engine’s output is transmitted through the hydraulic transmission part and then input to the sun gear of planetary gear P1. The power is then output through the gear ring of planetary gear P1 and a pair of gear sets. In the H1 to H4 stages, the wet clutch CV engages, allowing the engine’s power to be transmitted through a gear set to the planet carrier of P1 and the ring gear of P2. Another part of the engine’s power is input to the variable displacement pump and then transmitted through a fixed displacement motor to the sun gears of P1 and P2. The power is then output through the engagement and disengagement of wet clutches C1 or C2 and C3 or C4. Additionally, this HMCVT has five reverse stages with the same working principle as the forward stages; CV disengages and CR engages. The engagement status of clutches and brakes during operation is shown in Table 3:
The transmission ratio variation characteristics of the HMCVT adopted in this paper are shown in the Figure 5.
This study proposes replacing clutches C3 and C4 in Figure 4 with a BLT-U, followed by stage-shifting simulation tests and shift quality evaluation. Therefore, the selected stage-shifting conditions should align with the actuation requirements of the BLT-U’s brake-switching clutches. From Table 3, the applicable stage transition is HM2 to HM3, where from Figure 5 the displacement ratio during shifting is −0.511, and the transmission ratio change is 2.29. Combining these with the parameters in Table 2, the vehicle speed range during shifting should be 3.57–9.8 km/h. Subsequent operating conditions must be selected within this range.

2.2.2. Forming BLT-U Configurations

Currently, binary logic transmission devices often use double intermeshing planetary gear as the planetary gear set. Double intermeshing planetary gears differ from traditional planetary gear structures in that the planetary gears are eccentrically arranged. When designing the planet carrier, certain space must be reserved for adding or removing weight to achieve dynamic balance for the planet carrier and planetary gears as a whole. This increases the difficulty and cost of manufacturing. Although the dual internal meshing planetary gear set has advantages such as high efficiency and compact size, its structure results in significant meshing forces at the engagement points between the planetary gears and the central gears. This leads to efficiency reduction and potential self-locking issues under high transmission ratios [16].
This paper selects the NGW planetary gear mechanism as the planetary gear set, where the ring gear and planetary gears are internally meshed, and the planetary gears and sun gear are externally meshed. This mechanism transmits different gear ratios when different components are locked. The specific details are shown in the Table 4:
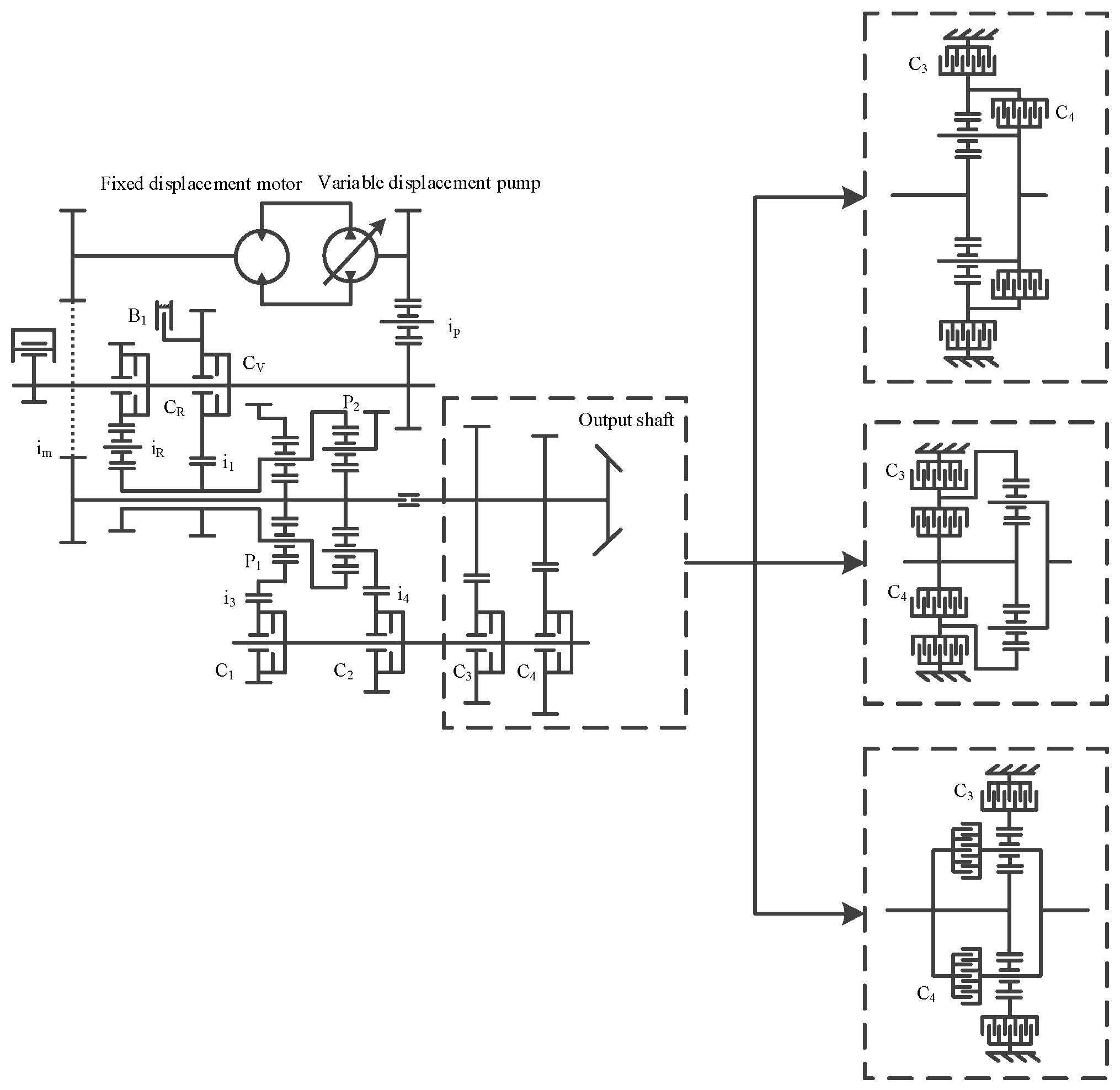
Considering the intervals between transmission ratios and the requirements for working conditions, this paper selected the sun gear as the input, the planet carrier as the output, and the locked ring gear as State 1. Engaging any two components was defined as State 2, resulting in the three configurations shown in the Figure 6:

2.2.3. Establishment of the Simulation Model

Based on the working principles of the HMCVT described above, the three configurations were integrated with the HMCVT without affecting its stage-shifting functionality, resulting in new configuration schemes. The new HMCVT schemes formed after replacement are shown in the Figure 7:
Based on the above schemes, Simulation X was used to build simulation models for the original scheme and the three new configuration schemes. The pump–motor system in the simulation model is shown in the Figure 8:
The oil pressure simulation system for the constant-pressure clutch and pressure-release clutch under simulation conditions in the simulation model is shown in the Figure 9:
The mechanical transmission part of the simulation model is shown in the Figure 10:
To compare the performance with the original HMCVT configuration, it is necessary to switch between C3 and C4. Therefore, the stage-shifting condition selected in this paper was shifted from the HM2 stage to the HM3 stage. The simulation was set to perform the stage shift at the 2 s mark, during which the wet clutches C2 and C4 need to engage. Since the other wet clutches were either constantly engaged or disengaged, and their impact on the overall system performance during stage shifting was minimal, the simulated oil pressure curve was used for engagement.

2.2.4. Selection of Influencing Factors and Establishment of the Evaluation System

Agricultural tractors are required to withstand heavy loads and frequently shift stages to meet power demands during operation. During stage shifting, issues such as jerking, impact, and power interruption leading to stalling often occur. Therefore, research on the shifting quality of tractors primarily focuses on these two aspects.
The stage shifting of HMCVT is achieved through the engagement and disengagement of wet clutches. Shifting quality refers to performing smooth and rapid stage shifts while ensuring vehicle driving power. During this process, the oil pressure chamber of the engaging clutch gradually fills with oil pressure, pushing the piston to perform axial movement. The piston gradually compresses the steel plates and friction plates connected to the driving end and driven end, respectively. As the gap between the steel plates and friction plates gradually decreases until they are fully in contact and rotate at the same speed, the driving end and driven end transmit torque T through the static friction of the steel plates and friction plates. The calculation formula is:
T = μ 1 Q R e Z K
where μ 1 is the friction coefficient of the friction plates, Q is the total clamping force provided by the oil pressure, R e is the equivalent friction radius of the friction plates, Z is the number of friction pairs, and K is the compression force loss coefficient.
To ensure that the clutch can reliably transmit torque, the outer diameter D of the friction plates must satisfy the following formula:
D = 16 α T e   m a x π μ Z K q 1 c 2 1 + c 3
where α is the reserve coefficient, c is the ratio of the inner to outer radius of the clutch, and q is the clamping oil pressure of the clutch.
Additionally, the outer diameter of the clutch must satisfy the following constraints:
D v 1 × 60 × 10 3 π × n e m a x
where v 1 represents the maximum permissible circumferential speed, and n e m a x denotes the maximum rotational speed of the friction plates.
Based on the above formula and adjustments in the simulation software, this paper selected D , c , Z , and q as the influencing factors.
The aforementioned influencing factors have different impacts on the performance of wet clutches. An excessively large outer diameter of the friction plates can cause significant centrifugal hydraulic pressure, leading to slower disengagement, while an excessively small outer diameter may result in insufficient friction to meet load requirements. Based on Equations (2) and (3) above, this study calculated the minimum non-slipping outer diameter for the original configuration under 20 bar oil pressure. Incorporating the clutch outer diameter constraints (Equation (4)) and the referenced literature, the permissible range for D was 280 mm to 330 mm [23]. The ratio of the inner to outer radius of the friction plates is an important parameter in friction plate design, affecting the service life of the friction plates and the overall performance of the clutch. A smaller c value results in a larger gap between the inner and outer radii. With a constant outer diameter, a smaller inner diameter is unfavorable for the overall design of the clutch and accelerates the wear and damage of the friction plates. If the inner diameter remains constant and c is too small, the equivalent friction radius of the friction plates decreases, reducing the torque transmission capacity. Conversely, if c is too large, the effective pressure area of the friction plates decreases, resulting in higher pressure that may exceed the allowable limit. The reasonable ratio of the inner to outer radius of the clutch friction plates is 0.4 to 0.8 [24,25]. Under the condition of meeting torque transmission requirements, the number of friction plates and steel plates should be minimized. A smaller number of plates results in a lighter clutch, higher transmission efficiency, faster cooling, and less wear. Additionally, fewer friction plates facilitate easier disengagement of the clutch. The reasonable number of clutch friction pairs Z is 5 to 14. The value of q should not be too large, as an excessively large q will cause the friction plates to generate heat that cannot be dissipated in time, leading to rapid temperature rise and damage to the friction plates. If q is too small, the clutch size will need to increase to meet operational requirements. The reasonable range for clutch clamping oil pressure q is 20 to 50 bar [20,21].
The HMCVT studied in this paper can effectively address the power interruption issue caused by stage shifting during operation. Therefore, the primary optimization goals are to resolve jerking and impact during stage shifting. The following evaluation metrics were selected: speed drop, dynamic load, sliding time, and maximum sliding power of the shifting clutches (C2, C4).
The speed drop refers to the fluctuation range of the transmission output shaft speed after the stage-shifting command is issued. The calculation formula is as follows:
β 1 = ω 0 ω m i n
where ω 0 represents the transmission output shaft speed under stable conditions, and ω m i n represents the minimum transmission output shaft speed during the stage-shifting process.
The dynamic load refers to the impact generated during the stage-shifting process when the clutch transitions from sliding friction to static friction and achieves speed synchronization in a short time. The calculation formula is shown in Equation (12).
The sliding time is the duration from when the stage-shifting command is issued until the transmission output shaft speed drops and recovers to 95% of its stable speed value. The maximum sliding power is the maximum instantaneous sliding power of the clutch from the start to the end of the stage-shifting process.
Among the above evaluation metrics, the speed drop and sliding time reflect the jerking and its duration during stage shifting, while the dynamic load reflects the impact generated during stage shifting. Minimizing the sliding time and maximum sliding power helps avoid thermal failure caused by excessive friction in the clutch.
To obtain a comprehensive optimization result, this paper used the Analytic Hierarchy Process (AHP) and variance analysis to establish a comprehensive evaluation index. For the two distinct load conditions, domain experts provided differentiated AHP judgment matrices based on simulation data analysis and empirical knowledge: under light-load operations, shift quality was prioritized, whereas under heavy-load conditions, system reliability—particularly clutch engagement performance—dominated the criteria. The judgment matrix provided by experts in the AHP is shown in the Table 5:
The consistency ratio (CR) of the Table 6 was 0.0172, which is acceptable. The AHP weights obtained were [0.1484, 0.1945, 0.2312, 0.4258]. Variance analysis involved normalizing all simulated values of Metric 1, Metric 2, Metric 3, and Metric 4 based on their respective maximum and minimum values, followed by single-factor variance analysis. The weights were then assigned based on the variance analysis results.

2.2.5. Establishment of Simulation Conditions and Test Tables

Based on the above, the stage-shifting transmission ratio from HM2 to HM3 was calculated as 2.29. At this ratio, the vehicle speed ranged from 3.57 km/h to 9.8 km/h, which aligns with the following:
(1)
Light-load operations: rotary tillage (selected: 5 km/h).
(2)
Heavy-load operations: plowing (selected: 8 km/h).
These conditions were adopted as the working scenarios for HMCVT stage-shifting simulation tests [26].
The driving resistance of the agricultural tractor in this paper is simplified as the sum of rolling resistance and tillage resistance. The calculation formula is as follows:
F t = F f + F T
F f = μ 2 × m g
where F t is the driving resistance, F f is the rolling resistance, F T is the tillage resistance, which includes rotary tillage resistance F R o and plowing resistance F P l , μ 2 is the rolling resistance coefficient of the farmland, with a value of 0.1 [27], and m is the total weight of the tillage implement weight and the agricultural tractor.
For light-load conditions, the rotary tillage resistance is calculated as follows [28]:
F R o = 10 k λ · k j · B R o · h R o
where k λ is the soil-specific correction factor for rotary tillage resistance, k j is the constant term of rotary tillage resistance, B R o is the working width of the rotary tiller, and h R o is the rotary tilling depth.
Based on the given formula, the required driving force of the vehicle was calculated to be 12,886.52 N at a speed of 5 km/h. The corresponding engine power demand was 23.52 hp.
The input speed of the HMCVT and the required output torque were ultimately calculated using the following equations:
n e = u a × i g × i 0 0.377 r d
T t q = F t i 0
where n e represents the input speed of the HMCVT, u a represents the vehicle speed under tillage conditions, i g represents the stage-shifting transmission ratio of the HMCVT, and T t q represents the required output torque of the HMCVT.
According to Table 2 and Equations (2) and (3), the driving wheel radius was 0.65 m. The following parameters were derived: transmission input speed was 1099.5 rpm, and the transmission output torque was 349.01 N·m.
For the measurement of plowing resistance under heavy-load conditions in tillage operations, this paper employed the test bench for data acquisition shown in the Figure 11:
In the above test bench, a speed of 8 km/h, a plowing depth of 50 mm, and a one-furrow plow were selected as the plowing conditions (due to the limitations of the test bench and field conditions). The plowing resistance obtained using this plowing resistance test bench is shown in the Figure 12 (the test bench experimental data were collected in July 2023):
Under these conditions, the calculated average plowing resistance is 2242.19 N. The empirical formula for calculating plowing resistance is as follows [2]:
F P l = Z P l · B P l · h P l · k 0
where k 0 is the specific soil resistance, Z P l is the number of plowshares, B P l is the working width of plowing, and h P l is the plowing depth.
According to the above equation, the plowing resistance is positively correlated with both working depth and the number of plowshares. This study selected a heavy-duty plowing condition with a 20 cm working depth, three-bottom plow, and a wheel speed of 8 km/h. Based on Equations (5)–(7), the required tractive force was calculated as 30,826.35 N at 8 km/h, requiring an engine power output of 91.86 HP. Field research on plowing resistance indicates that under a 20 cm working depth, the resistance for 3–5 bottom plows typically ranges between 16,000 N and 30,000 N [2,29,30]. The calculated plowing resistance in this study (26,906.35 N) falls within this expected range.
According to Table 2, Equations (2) and (3), the driving wheel radius is 0.65 m. The following parameters were derived: the transmission input speed was 1794.2 rpm, and the transmission output torque was 834.88 N·m.
This paper uses the Latin Hypercube Sampling (LHS) method for experiments. Latin Hypercube Sampling is an improved multidimensional stratified Monte Carlo sampling method. Compared to traditional Monte Carlo random sampling, LHS provides more uniform and extensive coverage of the sampling space with fewer samples, effectively utilizing sampled values to describe the distribution function of random variables.
The LHS method for sampling random variables involves dividing the range of the variable into x non-overlapping intervals. Then, for each of these intervals, a random value is sampled within the interval. Finally, the sampled values are shuffled to form the test groups. In this paper, x was selected as 10. Since q represents the actual oil pressure curve and cannot obtain so many groups within the value range, under light-load conditions, hydraulic pressure adjustment exhibited minimal impact on clutch failure. This allowed for the investigation of shift performance across varying pressures. Therefore, this study selected 20 bar, 25 bar, and 30 bar as the test pressures for light-load operation. For heavy-load conditions, pressure variation may induce clutch slippage, potentially leading to transmission system failure. To prevent this, a higher pressure of 50 bar was adopted for heavy-load testing. The experimental table obtained by applying the above sampling method to the remaining parameters is shown in the Table 7:

2.3. Wet Clutch Optimization

2.3.1. Establishment of Experimental Tables

To determine the optimal design values for the clutch under this HMCVT system, the oil pressure and configuration were fixed at 25 bar and Configuration 1, respectively. Since the value of Z was fixed during the configuration comparison, under the fixed oil pressure and configuration, LHS with x = 10 was performed again for Z = 5 , 7 , 9 , 11 , 13 , and D and c were resampled five times, resulting in five experimental groups. Simulation tests were conducted for these five groups, and the results were incorporated into the comprehensive evaluation system to obtain the final comprehensive evaluation scores.
After obtaining the comprehensive evaluation scores for the above 60 groups (including the experimental groups in Table 6), the 60 experimental datasets (the experimental data were obtained under light-load conditions) were randomly shuffled, with the first 48 sets allocated to the training set and the remaining 12 to the test set. Three neural network models were each trained 10 times under the following configurations: GRNN (Generalized Regression Neural Network): spread = 1; RBF (Radial Basis Function): spread = 1, 5 neurons, Gaussian basis function; BP (Backpropagation): 10 hidden-layer neurons, 1000 epochs, learning rate = 0.01. The total relative error (i.e., the mean relative error between predicted values and the training dataset) was calculated for each iteration, with results presented in the Table 8.
Based on the experimental results presented in the table above, the average total relative errors for GRNN, RBF, and BP networks were calculated as 1.055%, 1.454%, and 1.523%, respectively. Given that GRNN requires fewer adjustable parameters and demonstrates faster computational performance, this study selected the GRNN for subsequent optimization and modeling.

2.3.2. Optimizing GRNN Using WOA

GRNN is a variant of the Radial Basis Function (RBF) neural network. GRNN is based on non-parametric regression, using sample data for testing and performing Parzen non-parametric estimation. It calculates the output according to the principle of maximum probability. This algorithm has excellent nonlinear approximation capabilities and, compared to RBF, is more convenient for training, making it particularly suitable for solving curve-fitting problems [31].
The network structure of GRNN is similar to that of RBF, consisting of four layers: the input layer, pattern layer, summation layer, and output layer. The corresponding network input is X = x 1 , x 2 , x n T , and the output is Y = y 1 , y 2 , y k T . The specific structure is shown in the Figure 13:
In the process of building the GRNN, the only parameter that affects the accuracy of the model is the spread value of the Radial Basis Function. If this value is too large, the approximation process will be smoother, but the error will also increase accordingly. Conversely, if the value is too small, the function approximation will be more accurate, but the process will be less smooth, and it may easily lead to overfitting issues.
This paper used the Whale Optimization Algorithm (WOA) to optimize the spread value, thereby improving the accuracy of the established GRNN and ensuring the reliability of the prediction results.
The WOA is a heuristic optimization algorithm that simulates the hunting behavior of humpback whales. Its main features include using random or optimal search agents to simulate hunting behavior and mimicking the bubble-net feeding mechanism of humpback whales. This algorithm has the advantages of simple mechanisms, few parameters, and strong optimization capabilities. Its basic principle originates from the unique hunting method of humpback whales, known as bubble-net feeding, which mainly includes three stages: encircling prey, bubble-net attacking, and searching for prey [32].
Combining the above algorithm principles, the flowchart for optimizing the GRNN’s spread value using the WOA is shown in the Figure 14. (During the supplementary heavy-duty testing, 2 out of the 50 additional test groups were discarded due to clutch slippage-induced data loss, resulting in 58 valid test groups under high-load conditions. The dataset was partitioned into a 46-group training set and a 12-group validation set for subsequent analysis.)

2.3.3. Establishing a High-Precision GRNN for Prediction

After obtaining the optimal spread value, the optimized GRNN was established using the program shown in the Figure 15, and the NET of the GRNN at the minimum total relative error was recorded (for the heavy-load conditions, a total of 58 experimental datasets were obtained, with 46 datasets allocated to the test set and 12 datasets reserved for validation purposes).

3. Results

3.1. Modeling Method Validation

3.1.1. The Results of Wet Clutch Test Bench

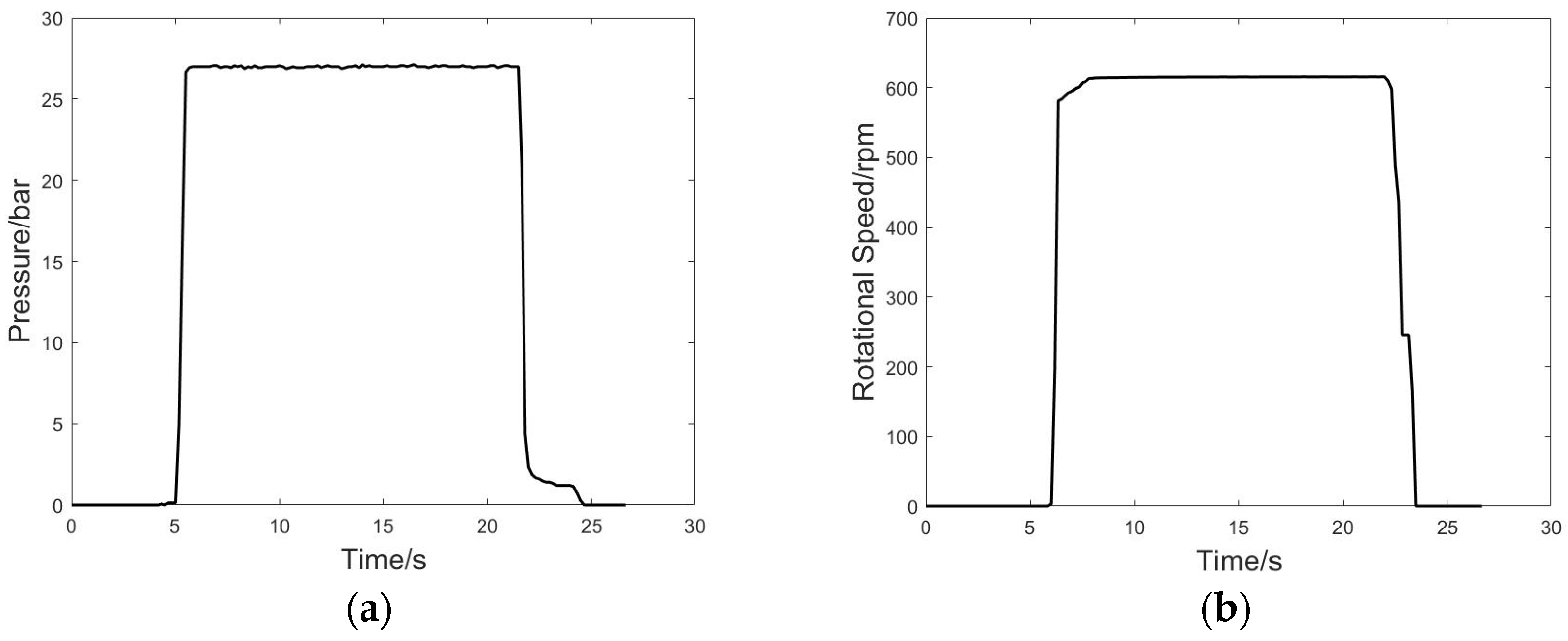
Based on the test parameters in Table 1, the test bench was adjusted, and the maximum output torques obtained were 1480 N·m and 1570.5 N·m, respectively. The corresponding oil pressure curves and speed curves are shown in the Figure 16 (the test bench experimental data were collected in December 2024):

3.1.2. Comparison of Experimental and Simulation Results

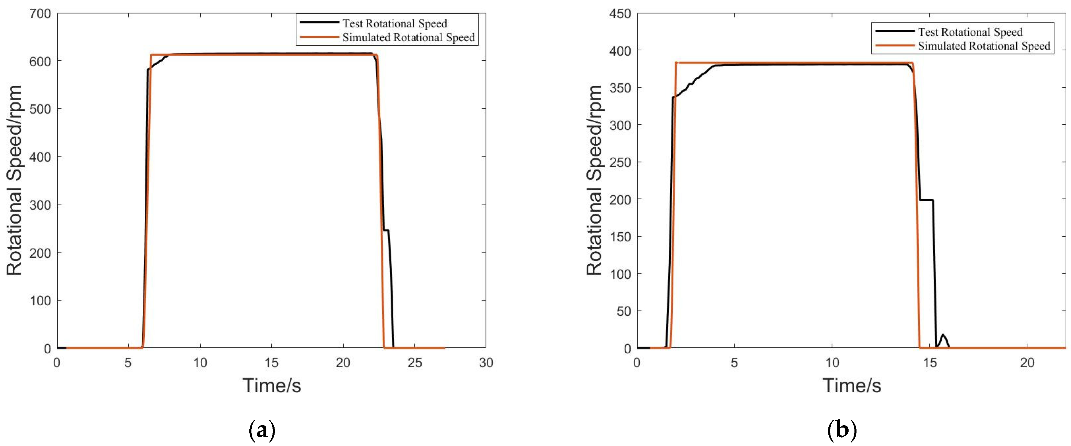
By inputting the test parameters from Table 1 into the simulation model and loading the experimentally obtained oil pressure into Curve 1 of the model, this paper only utilized Clutch 1 for the engagement tests. The maximum torque values obtained from the simulation results are 1335.56 N·m and 1548.479 N·m, respectively. The simulated speed curves were compared with the experimentally obtained speed curves, and the results are shown in the Figure 17:
A correlation analysis was conducted between the experimental and simulation results for the two test groups. To avoid affecting the analysis results, the parts of the curves where the speed was zero were removed. This paper uses the Pearson correlation coefficient to characterize the correlation between the two curves. For the torque analysis, the maximum torque was converted into dynamic load, which is one of the evaluation indicators mentioned below, for relative error analysis. The formulas for the Pearson correlation coefficient and dynamic load are as follows:
r X , Y = C o v X , Y V a r X V a r Y
β 2 = T m a x T s t o
where T m a x represents the maximum output torque, and T s t o represents the stable output torque.
The Pearson correlation coefficients for the speed curves and the relative errors of the dynamic loads for the two test groups are shown in the Table 9:
The average output speed correlation coefficient is 0.92, and the average relative error of the dynamic load is 5.58%, indicating that the modeling method and oil pressure loading approach have a small error range and meet the requirements.

3.2. BLT-U Configuration Comparison

3.2.1. Analysis of Raw Simulation Experiment Data

For light-load operations, according to the above experimental table, simulation tests were conducted for the original configuration, Configuration 1, Configuration 2, and Configuration 3 at clutch clamping oil pressures of 20 bar, 25 bar, and 30 bar (i.e., 12 test groups). Each group was tested according to the LHS experimental table. The results of these tests, totaling 120 sets, were converted into corresponding evaluation metrics. It was found that the average fluctuation range (i.e., the fluctuation range/average value) of the maximum slip power of Clutch 2 across the 12 test groups under various oil pressures and configurations was 1.22%. Therefore, this evaluation metric was excluded. The experimental results of 10 sets for four configurations under oil pressures of 20 bar, 25 bar, and 30 bar are shown in Figure 18, Figure 19 and Figure 20, respectively. In the figure, all four evaluation metrics indicate that lower values correspond to better performance. Values exceeding the upper limit in the figure indicate that C4 slipped during the simulation experiment under the corresponding oil pressure and experimental group.
As shown in Figure 18, Figure 19 and Figure 20, at 20 bar, except for Configuration 2, the other three configurations showed experimental groups with slippage. Configuration 2 is the least prone to slippage, with no slippage observed under all three oil pressures, while Configuration 3 is the most prone to slippage, with slippage still occurring at 30 bar. In terms of evaluation metrics, Configuration 2 has smaller speed drops and slip times but larger dynamic loads and maximum slip power. The trends of the four evaluation metrics for the original configuration and Configuration 1 are very similar under the three oil pressures, but Configuration 1 outperforms the original configuration in some aspects. Configuration 3 performs poorly in speed drop and slip time but performs well in dynamic load and maximum slip power. From the perspective of oil pressure, the speed drop and slip time of all four configurations are smaller at 25 bar. The overall dynamic load is better at 20 bar, and the maximum slip power is better at 30 bar.
Under heavy-load conditions, the analysis revealed that among the four configurations, clutch 2 exhibited an average fluctuation range (i.e., fluctuation range/mean value) of 1.52% for maximum slippage power. Consequently, the maximum slippage power of clutch 2 may also be excluded from the evaluation metrics under heavy-load operation. The corresponding test results at 50 bar are presented below.
As shown in Figure 21, under 50 bar pressure, all configurations except Configuration 3 exhibited no slippage incidents during testing, demonstrating that Configuration 3 remains the most susceptible to slippage under both light-load and heavy-load operating conditions. The evaluation metrics indicate that Configuration 2 continues to show optimal performance characteristics, including minimal speed reduction, shortest slippage duration, and maximum slippage power output, while also displaying improved dynamic load performance. Comparative analysis of the three light-load pressure conditions reveals significant improvements in three of the four key evaluation metrics (speed reduction, slippage duration, and maximum slippage power), though dynamic load performance showed only marginal improvement with some instances of slight degradation.

3.2.2. Analysis of Evaluation System Results

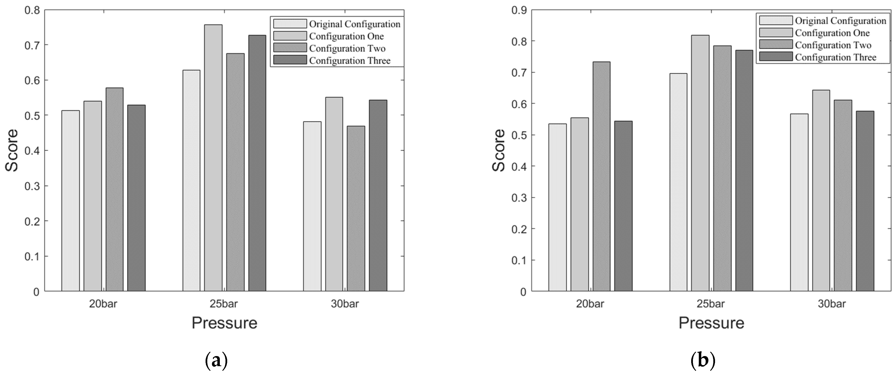
For the light-load operations, the ANOVA weights obtained from the 120 sets of experiments are [0.3912, 0.1057, 0.2655, 0.2376]. By assigning a weight coefficient of 1/2 to both the AHP weights and the ANOVA weights, the final weights become [0.3843, 0.1655, 0.2812, 0.1690]. Based on these weights, the highest scores and average scores for each experimental group are shown in the Figure 22.
As shown in Figure 22, the average and maximum scores of Configuration 1, Configuration 2, and Configuration 3 have improved compared to the original configuration. Under the three oil pressures, the average scores of Configuration 1, Configuration 2, and Configuration 3 increased by 13.38%, 5.94%, and 10.54%, respectively, compared to the original configuration. Under the three oil pressures, the average maximum scores of Configuration 1, Configuration 2, and Configuration 3 increased by 11.53%, 19.17%, and 4.64%, respectively, compared to the original configuration.
For the heavy-load operations, the ANOVA weights obtained from the 40 sets of experiments are [0.1736, 0.2225, 0.3603, 0.2435]. By assigning a weight coefficient of 1/2 to both the AHP weights and the ANOVA weights, the final weights become [0.1610, 0.2085, 0.2958, 0.3347]. Based on these weights, the highest scores and average scores for each experimental group are shown in the Figure 23.
Figure 23 demonstrates that at 50 bar operating pressure, Configuration 1 achieved comprehensive performance enhancements over the original configuration, showing improvements in both average and maximum evaluation scores. In contrast, Configuration 2 exhibited mixed results—while registering gains in average performance metrics, it failed to surpass the original configuration’s peak score capability. Configuration 3 displayed a similar but more pronounced performance degradation pattern compared to Configuration 2. Under 50 bar oil pressures, Configuration 1 delivered a 5.86% maximum score improvement and 9.38% average score increase, whereas Configurations 2 and 3 showed respective maximum score reductions of 1.50% and 3.87%, despite managing modest average score improvements of 2.63% and 0.27% over the original configuration.
Comprehensive testing results demonstrate that Configuration 1 delivered optimal performance across both operational regimes, achieving superior average and peak evaluation scores under light-load conditions at 25 bar pressure while maintaining this performance advantage in heavy-load scenarios. This empirical validation confirms Configuration 1 as the preferred design solution for both load conditions. The implementation of an optimized clutch mechanism within the BLT-U significantly enhances the Hydro-Mechanical Continuously Variable Transmission system’s overall efficiency, establishing the technical feasibility of modular BLT-U architectures for diverse transmission system applications. These findings substantiate the engineering value of standardized, unitized design approaches incorporating dual-mode logic control principles.

3.3. Wet Clutch Optimization

3.3.1. Analysis of Raw Simulation Experiment Data

For light-load conditions, under Configuration 1 and 25 bar, the five experimental groups with Z = 5 , 7 , 9 , 11 , 13 combined with the experimental group in Table 6 resulted in a total of 60 experimental results. These 60 results are represented in Figure 24, Figure 25 and Figure 26 based on D , c , and Z , respectively.
As shown in Figure 24, Figure 25 and Figure 26, the trends of speed drop and slip time are similar, and the trends of dynamic load and maximum slip power are also similar. Speed drop and slip time tend to decrease as D , c , and Z increase, while dynamic load and slip time tend to increase as Z increases. However, the above trends are weakly correlated with changes in D and c but strongly correlated with changes in Z .
For heavy-load conditions, under Configuration 1 and 25 bar, the five experimental groups with Z = 5 , 7 , 9 , 11 , 13 combined with the experimental group in Table 6 resulted in a total of 58 experimental results (2 out of the 50 additional test groups were discarded due to clutch slippage-induced data loss). These 58 results are represented in Figure 22, Figure 23 and Figure 24 based on D , c , and Z , respectively.
As shown in Figure 27, Figure 28 and Figure 29, under heavy-load conditions, the trends of speed reduction and slippage duration with parameter changes remain relatively consistent, while the trends of dynamic load and maximum slippage power differ significantly, even showing opposite patterns in certain parameter ranges. Under heavy load, the trends of the indicators with parameters D and c are not obvious, with reductions only occurring in some local parameter regions. For the parameter Z , speed reduction and slippage duration still gradually decrease as Z increases, dynamic load decreases somewhat with increasing Z , and maximum slippage power continues to increase with increasing Z .

3.3.2. GRNN Improvement Results

The optimization process illustrated in Figure 14 employed the Whale Optimization Algorithm (WOA) with a population size of 30 over 30 iterations. This achieved optimized dispersion values of 0.3416 for light-load conditions and 0.3108 for heavy-load conditions. Under these dispersion values, the minimum total relative error reached 0.7459% (light load) and 1.527% (heavy load). The recorded total relative error is shown in the Figure 30:
By incorporating the obtained spread values into the GRNN (Generalized Regression Neural Network) and conducting 200 iterations, the recorded minimum total relative errors were reduced to 0.4508% (light-load) and 0.5952% (heavy-load), representing 39.6% and 61% improvements, respectively, compared to the previously trained GRNN model.

3.3.3. Analysis of Results from the Evaluation System and Optimized GRNN

After obtaining the above GRNN’s NET, 100 points were linearly taken within the value ranges of D and c . Since Z can only take positive integers, 10 values within its range were still selected. This expanded the variables to 100,000 groups, which were then input into the recorded GRNN’s NET to predict the corresponding scores for the two distinct load conditions. The scores were fitted with D and Z parameters, and the c and Z parameters using a second-order polynomial, and the resulting fitted surfaces are shown in the Figure 31:
In the fitted surface plot, since there are 1000 scores for the same D and c values and 10,000 scores for the same Z value, it is difficult to observe and obtain the corresponding optimization results. Therefore, the predicted scores were analyzed based on the single factors D , c , and Z . The maximum, minimum, and average scores for each factor’s individual values were recorded, and the results for factor D are shown in the Figure 32:
From Figure 32, under light-load conditions, to achieve the optimal design results, the optimal range for D should be between (302, 305), combined with appropriate c and Z . To ensure a certain level of performance while other parameters vary, the range for D can be set to (287, 296). If a larger radius for D is required by design needs, (315, 316) can be chosen to ensure the system’s performance. Under heavy-load conditions, to achieve optimal design results, the parameter D should be set within the range of (297, 301) while determining corresponding values for parameters c and Z . To maintain certain performance levels when other parameters vary, an alternative range of (290, 298) may be adopted. For design requirements involving larger radii of D , the range (320, 324) can be selected to ensure system performance.
The results for factor c are shown in the Figure 33:
Figure 33 demonstrates that under both light-load and heavy-load conditions, the maximum and minimum scores remain consistently stable across different values of the parameter c . The overall trend of the average score is that it decreases as c increases, but the fluctuation range of the average score (i.e., the range of average scores divided by the minimum average score) is 0.1% and 0.8%. Therefore, it can be concluded that to achieve the optimal design results, an appropriate c value should be selected under the determined D and Z values. However, analyzing c alone shows that it has almost no impact on the overall system performance.
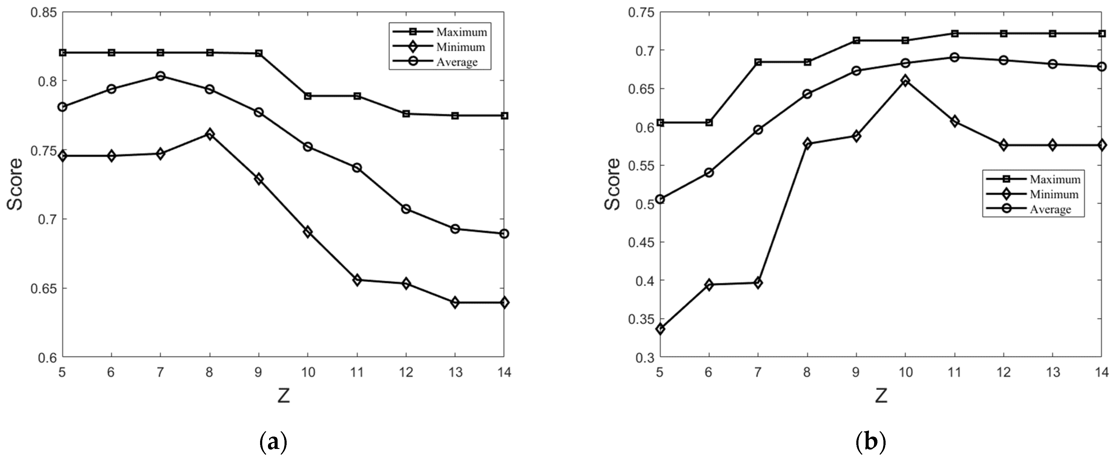
The results for factor Z are shown in the Figure 34:
From Figure 34, under light-load conditions, the scores show a clear pattern as Z changes, with scores gradually decreasing as Z increases. To achieve the optimal design results, the range for Z should be (7, 8). To ensure a certain level of performance while other parameters vary, the range for Z can be set to (5, 9). When Z exceeds 9, the score will significantly decline. Under heavy-load conditions, the scoring trend exhibits an inverse relationship compared to light-load operation, demonstrating gradual score improvement with increasing Z values. For optimal design outcomes, the parameter Z should be selected within the (11, 14) range. To maintain baseline performance stability during variations in other parameters, an alternative Z range of (9, 11) proves effective. Notably, when Z values fall below 8, significant score degradation occurs.

4. Discussion

The main problems addressed in this paper are the optimization of stage-shifting performance and structural design for the Hydro-Mechanical Continuously Variable Transmission (HMCVT) of agricultural tractors. Due to the complex operating conditions of agricultural tractors, optimizing stage-shifting performance can enhance their power performance, fuel economy, and comfort, and extend the transmission’s service life. For HMCVT, increasing the number of stages can effectively expand its working range and improve power performance and fuel economy. Therefore, introducing a transmission system that improves stage-shifting performance and increases the number of stages is essential. This paper selects the binary logic transmission system as the introduced transmission system, which is a stepped transmission with a compact structure, strong load-bearing capacity, and potential for modular and unitized design. When unitized, it can be connected in series to increase the number of gears and stages.
The first problem to be solved is conducting transmission system research without a complete transmission system test bench. For wet clutches and some transmission systems, building a complete test bench is costly and challenging. A hardware-in-the-loop and digital twin system development approach can address this issue by combining hardware and software, ensuring test accuracy while reducing costs. This method involves using test results from core components of the transmission system as inputs to the overall system simulation model.
The second problem is the unitization, modularization, and performance comparison of the binary logic transmission system. Currently, binary logic transmission systems in use often consist of planetary gear sets with different structural sizes, primarily using double intermeshing planetary gear sets and concentric V-groove clutches. These systems have high production and processing requirements, high costs, and issues with eccentric transmission. Therefore, this paper selects the simpler NGW planetary gear reducer and discusses different locking methods to achieve binary logic functionality. The final choice is to lock the ring gear and connect any two components with clutches, forming transmission ratios of 1 + k and 1 , which better match the transmission ratio intervals required for different stages of agricultural tractors. This results in three different configurations of the BLT-U. During configuration comparison, four evaluation metrics were selected, but the importance of these metrics and the principles for selecting configurations were unclear. Thus, an evaluation system combining expert-evaluated Analytic Hierarchy Process (AHP) and variance analysis was established, proposing a scoring standard that includes both subjective and data-driven characteristics. Future work can adapt different planetary gear mechanisms and locking/connection methods for various transmission systems. The transmission unit proposed in this paper has potential for application in other agricultural tractor transmission systems.
The third problem is how to improve the stage-shifting performance of the transmission after selecting the appropriate configuration and clutch charging pressure. To address this issue, considering the adjustable simulation parameters in Simulation X software for the BLT-U system—such as the planetary gear mechanism characteristic parameter k , clutch friction plate area, number of clutch friction pairs, and clutch engagement pressure—this paper optimizes stage-shifting performance by improving the design parameters of the engaging clutch. Since the oil pressure and planetary gear mechanism characteristic parameter k were determined earlier, the optimization focused on the engaging clutch’s design parameters. Specific metrics for clutch performance include speed drop and dynamic load to quantify jerking and impact, as well as slip time and maximum slip power to quantify clutch engagement performance. These metrics characterize the transmission’s stage-shifting performance. Future work can propose new evaluation metrics and analyze their relationships and differences.

5. Conclusions

This paper proposes an improved Hydro-Mechanical Continuously Variable Transmission (HMCVT) for agricultural tractors using a BLT-U. By integrating stage-shifting performance and clutch engagement performance, a corresponding evaluation system is established. A Whale Optimization Algorithm (WOA)-improved Generalized Regression Neural Network (GRNN) is employed for modeling and training, and a method for optimizing the wet clutch in the BLT-U is introduced.
The accuracy of the modeling method was validated using a clutch test bench. The average correlation coefficient between the simulated and experimental speed curves was 0.92, and the average relative error of the dynamic load was 5.58%. Comparative analysis revealed the clutch’s simulation data achieved peak rotational speed faster than bench test results, exhibiting a steeper acceleration curve, whereas bench tests showed gradual slope variations in the speed ascent profile. This finding suggests implementing controlled time delays for the simulated speed ramp-up phase to better approximate physical test conditions.
This paper proposes an improved HMCVT using a BLT-U. By comparing the new configurations with the original configuration, the performance of different configurations under the same oil pressure and the same configuration under different oil pressures is analyzed. The optimal configuration is determined using the evaluation system. Under two load conditions, the average and maximum scores of the selected optimal configuration increased by 13.38%, 11.53% and 9.38%,5.86%, respectively, compared to the original configuration. This demonstrates that a well-designed BLT-U can enhance the overall performance of the HMCVT system.
The analysis reveals that when any two components of the planetary gear mechanism engage at a 1:1 transmission ratio, different engagement combinations significantly impact overall system performance. In Configuration 1, the clutch essentially directly connects the input and output shafts, resulting in performance trends similar to the original configuration while substantially improving both speed drop during gear shifts and dynamic load capacity. This demonstrates that replacing conventional clutches with such planetary gear arrangements can offer distinct performance advantages for certain systems. Configuration 2 connects the ring gear and sun gear via clutch, requiring lower clamping force for equivalent torque transmission compared to the original configuration, albeit with slightly compromised shift quality. This design proves particularly advantageous for systems with strict clutch size limitations. Configuration 3 links the ring gear and planetary carrier, necessitating greater clamping force to ensure torque transfer while providing smoother engagement characteristics with reduced dynamic loads and slippage power—making it suitable for shock-sensitive applications. Notably, across four pressure levels in both light and heavy-load conditions, all four configurations exhibit fundamentally similar trends in evaluation metrics, suggesting Configuration 1 likely maintains its performance advantages at other pressure settings as well.
This study demonstrates that optimizing the GRNN model using the WOA significantly improves prediction accuracy, confirming the dual value of optimization algorithms in both model parameter tuning and post-model optimization. Experimental data reveal that under identical oil pressures and configurations, speed drop and slippage duration exhibit highly consistent variation trends across light-/heavy-load conditions, allowing these metrics to serve as interchangeable indicators. In contrast, peak slippage power and dynamic load display load-dependent discrepancies—particularly for parameter Z, which exerts completely opposite effects on dynamic load under different operating conditions due to strong load-case dependencies. Performance metrics show inherent trade-offs: improvements in speed drop/slippage duration often coincide with deterioration in dynamic load/peak slippage power, resulting in opposing Z-score evaluations across conditions. Optimization must balance these conflicting metrics. Parameter D shows cross-condition optimization potential with overlapping optimal range (301, 302), while parameter c, despite weaker influence, requires proper matching to avoid performance degradation. The determined optimal design space is as follows: D in the range (301, 302), and Z in the range (8, 10) with corresponding c-values—ensuring optimization feasibility while preventing significant system performance deterioration.

Author Contributions

Methodology, Z.C., W.L. and M.Y.; software, W.L.; validation, W.L. and Z.C.; investigation, W.L.; resources, Z.C.; writing—original draft preparation, W.L.; writing—review and editing, W.L. and M.Y.; supervision, Z.C.; and project administration, Z.C. All authors have read and agreed to the published version of the manuscript.

Funding

This research was funded by the China Postdoctoral Science Foundation (grant number: 2023T160780), the Postgraduate Research & Practice Innovation Program of Jiangsu Province (grant number: KYCX24_1348), and the National Natural Science Foundation of China (grant number: 52105063).

Institutional Review Board Statement

Not applicable.

Data Availability Statement

The data presented in this study are available on request from the corresponding author or first author.

Acknowledgments

We sincerely acknowledge the financial support from the aforementioned funding agencies. Our sincere thanks also go to Zhixiong Lu and his research team at Nanjing Agricultural University for their valuable assistance in the plow tillage resistance tests and wet clutch experiments. Additionally, we also thank the anonymous reviewers for providing critical comments and suggestions that improved the manuscript.

Conflicts of Interest

The authors declare no conflicts of interest.

References

  1. Dou, H.S.; Wei, H.Q.; Ai, Q.; Zhang, Y. Control Strategy for Rotary Tillage Condition of Hybrid Electric Tractor with Coupled-split Dynamic Configuration. Trans. Chin. Soc. Agric. Mach. 2024, 55, 393–400+414. [Google Scholar]
  2. Zhang, K.; Wang, L.; Deng, X.T.; Lu, Z. Research on energy-saving control strategy of OS-ECVT configuration of hybrid tractor based on improved ECMS. J. Nanjing Agric. Univ. 2025, 1–14. [Google Scholar]
  3. Macor, A.; Rossetti, A. Optimization of hydro-mechanical power split transmissions. Mech. Mach. Theory 2011, 46, 1901–1919. [Google Scholar] [CrossRef]
  4. Ahn, S.; Choi, J.; Kim, S.; Lee, J.; Choi, C.; Kim, H. Development of an integrated engine-hydro-mechanical transmission control algorithm for a tractor. Adv. Mech. Eng. 2015, 7, 1687814015593870. [Google Scholar] [CrossRef]
  5. Cheng, Z.; Chen, Y.; Li, W.; Zhou, P.; Liu, J.; Li, L.; Chang, W.; Qian, Y. Optimization Design Based on I-GA and Simulation Test Verification of 5-Stage Hydraulic Mechanical Continuously Variable Transmission Used for Tractor. Agriculture 2022, 12, 807. [Google Scholar] [CrossRef]
  6. Kerr, J.H.; Ferguson, R.J. The binary logic incremental transmission. Mech. Mach. Theory 1983, 18, 357–361. [Google Scholar] [CrossRef]
  7. Kerr, J.H. Development of a 64-speed binary logic transmission for transit buses. Transp. Can. Publ. 1994, 1–18. [Google Scholar]
  8. Marquardt, B.; Brown, M. Development of a Super Compact, High Efficiency, 32-Speed Transmission for Tracked Vehicles. In Proceedings of the 2016 Ground Vehicle Systems Engineering and Technology Symposium (NDIA), Michigan, MI, USA, 2–4 August 2016; pp. 1–6. [Google Scholar]
  9. Brown, M.; Marquardt, B. Ker-Train High Efficiency Drive-by-Wire Transmission Systems. In Proceedings of the 2017 Ground Vehicle Systems Engineering and Technology Symposium (NDIA), Michigan, MI, USA, 8–10 August 2017; pp. 1–7. [Google Scholar]
  10. Ferguson, R.J.; Morrison, J.R.G. The efficiency of the 64-ratio Ker-Train transmission. SAE Trans. 1986, 95, 61–68. [Google Scholar]
  11. Morrison, J.R.G.; Ferguson, R.J. Control of shift disturbances in the 64-ratio Ker-Train transmission. SAE Trans. 1986, 95, 69–77. [Google Scholar]
  12. Defense World. BAE Systems Selects SG 850C Automatic Transmission for Next Gen Bradley Fighting Vehicles. Available online: https://defensemirror.com/news/17293/BAE_Systems_Selects_SG_850C_Automatic_Transmission_For_Next_Gen_Bradley_Fighting_Vehicles (accessed on 25 September 2021).
  13. Wang, Y.Z.; Wang, D.P.; Li, Y.; Ren, S.Y.; Dou, D.L.; He, X.J. Simulation and test on shift process of multi-state modular automatic transmission. J. Harbin Inst. Technol. 2018, 50, 103–110. [Google Scholar]
  14. Kerr, J.H. Coplanar Reverted Gear Train Loop. US6669594, 30 December 2003. [Google Scholar]
  15. Kerr, J.H. Concentric V-Groove Coupling. US0053525, 26 February 2015. [Google Scholar]
  16. Wang, Y.Z.; Wang, P.K.; Li, Y.; Wang, D.P.; Jia, S. Design and Experimental Study of Double Intermeshing Planetary Gear Transmission. J. Mech. Transm. 2017, 41, 146–151. [Google Scholar]
  17. Chang, Y.L.; Yang, K.; Wang, J.; Chen, Y.; Wang, Y. Matching and Structure Design Verification for Planetary Gear Two Speed Transmission. J. Mech. Transm. 2021, 45, 106–113. [Google Scholar]
  18. Shin, S.; Choi, S.B. Control-oriented modeling of wet clutch friction considering thermal dynamics. Mechatronics 2024, 99, 103146. [Google Scholar] [CrossRef]
  19. Strobl, P.; Meingassner, G.J.; Pflaum, H.; Voelkel, K.; Schneider, T.; Stahl, K. Holistic Measurement of the Friction Behavior of Wet Clutches. Lubricants 2024, 12, 235. [Google Scholar] [CrossRef]
  20. Yang, Z.H.; Du, Y.H.; Tan, Y.Y.; Li, Q.H.; Chen, X.H. Analysis of the Influence of Continuous Variable Characteristic Parameters on the Quality of HMCVT Transition. J. Mech. Transm. 2025, 1–9. [Google Scholar]
  21. Wu, Z.G.; Wang, D.Q.; Zhang, Y.A.; Du, Y.F.; Gao, L.Y.; Guo, X.B. Modeling and Verification of Wet Clutch Hydraulic System for High-Power Tractor. Tract. Farm Transp. 2024, 51, 32–38. [Google Scholar]
  22. Ji, D.X.; Chen, X.; Yan, S.M. Calculation Method for Equivalent Moment of Inertia of Different Gear Trains in Gearbox. Automob. Applier Technol. 2024, 51, 32–38. [Google Scholar]
  23. Tang, P.X.; Liu, Y.F.; Wang, S.H.; Xu, X.Y. Optimal design of clutch in automatic transmission. J. Beijing Univ. Aeronaut. Astronaut. 2010, 36, 291–294. [Google Scholar] [CrossRef]
  24. Gong, R.; Shen, Z.Z.; Zhang, Y.D.; Zhan, C. Calculation method and experimental verification of centrifugal pressure in flow field of wet clutch cylinder. Agric. Equip. Veh. Eng. 2023, 61, 56–61. [Google Scholar]
  25. Jiang, K.; Li, H.; Chen, S.; Li, S.L.; Ren, R.Z. Multi-objective Optimization Design of Wet Friction Clutches. J. Mech. Transm. 2023, 61, 56–61. [Google Scholar]
  26. Cheng, S.M.; Zhong, Y.; Wang, Y. Working condition matching and gear shift optimization of intelligent agricultural machinery power system. J. Fujian Univ. Technol. 2023, 21, 55–62. [Google Scholar]
  27. Zhao, J.H.; Zhao, T.L.; Xu, L.Y.; Li, Y.Y.; Zhang, J.Y. General Model and Optimization Experiment on Traction Performance Prediction Based on APSO Algorithm. Trans. Chin. Soc. Agric. Mach. 2025, 1–11. [Google Scholar]
  28. Cheng, S.M. Research on AMT Shifting Strategy of Intelligent tractor Based on Working Condition Recognition. Master’s Thesis, Fujian University of Technology, Fujian, China, 2023. [Google Scholar]
  29. Wang, Q. Research on Plowing Drag-adaptive Operation Control Method of Electric Tractor. Master’s Thesis, Northwest A&F University, Shaanxi, China, 2023. [Google Scholar]
  30. Cheng, B.Y. Design and experimental study of tillage resistance acquisition system. Master’s Thesis, South China Agricultural University, Guangdong, China, 2019. [Google Scholar]
  31. Specht, D.F. A general regression neural network. IEEE Trans. Neural Netw. 1991, 2, 568–576. [Google Scholar] [CrossRef]
  32. Mirjalili, S.; Lewis, A. The Whale Optimization Algorithm. Adv. Eng. Softw. 2016, 95, 51–67. [Google Scholar] [CrossRef]
Figure 1. Workflow of this research.
Figure 1. Workflow of this research.
Agriculture 15 00877 g001
Figure 2. Wet clutch engagement test bench.
Figure 2. Wet clutch engagement test bench.
Agriculture 15 00877 g002
Figure 3. Simulation model of the wet clutch engagement test bench.
Figure 3. Simulation model of the wet clutch engagement test bench.
Agriculture 15 00877 g003
Figure 4. Five-stage HMCVT adopted in this paper.
Figure 4. Five-stage HMCVT adopted in this paper.
Agriculture 15 00877 g004
Figure 5. Transmission ratio variation characteristics of HMCVT.
Figure 5. Transmission ratio variation characteristics of HMCVT.
Agriculture 15 00877 g005
Figure 6. Configuration diagram of the BLT-U. (a) Configuration 1; (b) Configuration 2; (c) Configuration 3.
Figure 6. Configuration diagram of the BLT-U. (a) Configuration 1; (b) Configuration 2; (c) Configuration 3.
Agriculture 15 00877 g006
Figure 7. New HMCVT schemes integrated with BLT-U configurations.
Figure 7. New HMCVT schemes integrated with BLT-U configurations.
Agriculture 15 00877 g007
Figure 8. Pump–motor system in the simulation model.
Figure 8. Pump–motor system in the simulation model.
Agriculture 15 00877 g008
Figure 9. Oil pressure simulation system in the simulation model.
Figure 9. Oil pressure simulation system in the simulation model.
Agriculture 15 00877 g009
Figure 10. Mechanical transmission part of the simulation model.
Figure 10. Mechanical transmission part of the simulation model.
Agriculture 15 00877 g010
Figure 11. Plowing resistance test bench.
Figure 11. Plowing resistance test bench.
Agriculture 15 00877 g011
Figure 12. Plowing resistance.
Figure 12. Plowing resistance.
Agriculture 15 00877 g012
Figure 13. Network structure of GRNN.
Figure 13. Network structure of GRNN.
Agriculture 15 00877 g013
Figure 14. Flowchart of WOA optimizing GRNN spread value.
Figure 14. Flowchart of WOA optimizing GRNN spread value.
Agriculture 15 00877 g014
Figure 15. Flowchart for establishing GRNN.
Figure 15. Flowchart for establishing GRNN.
Agriculture 15 00877 g015
Figure 16. Oil pressure curves and output speed curves obtained from the test bench. (a) Oil pressure curve for test group 1; (b) output speed curve for test group 1; (c) oil pressure curve for test group 2; (d) output speed curve for test group 2.
Figure 16. Oil pressure curves and output speed curves obtained from the test bench. (a) Oil pressure curve for test group 1; (b) output speed curve for test group 1; (c) oil pressure curve for test group 2; (d) output speed curve for test group 2.
Agriculture 15 00877 g016aAgriculture 15 00877 g016b
Figure 17. Comparison of experimental and simulated output speed curves. (a) Comparison of output speed curves for test group 1; (b) comparison of output speed curves for test group 2.
Figure 17. Comparison of experimental and simulated output speed curves. (a) Comparison of output speed curves for test group 1; (b) comparison of output speed curves for test group 2.
Agriculture 15 00877 g017
Figure 18. Simulation experimental data table for 20 bar. (a) Speed drop; (b) sliding time; (c) dynamic load; (d) maximum sliding power of Clutch 4.
Figure 18. Simulation experimental data table for 20 bar. (a) Speed drop; (b) sliding time; (c) dynamic load; (d) maximum sliding power of Clutch 4.
Agriculture 15 00877 g018aAgriculture 15 00877 g018b
Figure 19. Simulation experimental data table for 25 bar. (a) Speed drop; (b) sliding time; (c) dynamic load; (d) maximum sliding power of Clutch 4.
Figure 19. Simulation experimental data table for 25 bar. (a) Speed drop; (b) sliding time; (c) dynamic load; (d) maximum sliding power of Clutch 4.
Agriculture 15 00877 g019
Figure 20. Simulation experimental data table for 25 bar. (a) Speed drop; (b) sliding time; (c) dynamic load; (d) maximum sliding power of Clutch 4.
Figure 20. Simulation experimental data table for 25 bar. (a) Speed drop; (b) sliding time; (c) dynamic load; (d) maximum sliding power of Clutch 4.
Agriculture 15 00877 g020
Figure 21. Simulation experimental data table for 50 bar. (a) Speed drop; (b) sliding time; (c) dynamic load; (d) maximum sliding power of Clutch 4.
Figure 21. Simulation experimental data table for 50 bar. (a) Speed drop; (b) sliding time; (c) dynamic load; (d) maximum sliding power of Clutch 4.
Agriculture 15 00877 g021
Figure 22. Scores of each experimental group. (a) Average scores of each experimental group; (b) maximum scores of each experimental group.
Figure 22. Scores of each experimental group. (a) Average scores of each experimental group; (b) maximum scores of each experimental group.
Agriculture 15 00877 g022
Figure 23. Scores of 50 bar experimental group.
Figure 23. Scores of 50 bar experimental group.
Agriculture 15 00877 g023
Figure 24. Simulation experimental data based on D . (a) Speed drop and sliding time; (b) dynamic load and maximum sliding power of Clutch 4.
Figure 24. Simulation experimental data based on D . (a) Speed drop and sliding time; (b) dynamic load and maximum sliding power of Clutch 4.
Agriculture 15 00877 g024
Figure 25. Simulation experimental data based on c . (a) Speed drop and sliding time; (b) dynamic load and maximum sliding power of Clutch 4.
Figure 25. Simulation experimental data based on c . (a) Speed drop and sliding time; (b) dynamic load and maximum sliding power of Clutch 4.
Agriculture 15 00877 g025
Figure 26. Simulation experimental data based on Z . (a) Speed drop and sliding time; (b) dynamic load and maximum sliding power of Clutch 4.
Figure 26. Simulation experimental data based on Z . (a) Speed drop and sliding time; (b) dynamic load and maximum sliding power of Clutch 4.
Agriculture 15 00877 g026
Figure 27. Simulation experimental data based on D . (a) Speed drop and sliding time; (b) dynamic load and maximum sliding power of Clutch 4.
Figure 27. Simulation experimental data based on D . (a) Speed drop and sliding time; (b) dynamic load and maximum sliding power of Clutch 4.
Agriculture 15 00877 g027
Figure 28. Simulation experimental data based on c . (a) Speed drop and sliding time; (b) dynamic load and maximum sliding power of Clutch 4.
Figure 28. Simulation experimental data based on c . (a) Speed drop and sliding time; (b) dynamic load and maximum sliding power of Clutch 4.
Agriculture 15 00877 g028
Figure 29. Simulation experimental data based on Z . (a) Speed drop and sliding time; (b) dynamic load and maximum sliding power of Clutch 4.
Figure 29. Simulation experimental data based on Z . (a) Speed drop and sliding time; (b) dynamic load and maximum sliding power of Clutch 4.
Agriculture 15 00877 g029
Figure 30. Curve of total relative error recorded by WOA. (a) Light-load conditions; (b) heavy-load conditions.
Figure 30. Curve of total relative error recorded by WOA. (a) Light-load conditions; (b) heavy-load conditions.
Agriculture 15 00877 g030
Figure 31. Fitted surfaces. (a) Second-order polynomial fitting of D and Z for the light-load conditions; (b) second-order polynomial fitting of c and Z for the light-load conditions; (c) second-order polynomial fitting of D and Z for the heavy-load conditions; (d) second-order polynomial fitting of c and Z for the heavy -load conditions.
Figure 31. Fitted surfaces. (a) Second-order polynomial fitting of D and Z for the light-load conditions; (b) second-order polynomial fitting of c and Z for the light-load conditions; (c) second-order polynomial fitting of D and Z for the heavy-load conditions; (d) second-order polynomial fitting of c and Z for the heavy -load conditions.
Agriculture 15 00877 g031aAgriculture 15 00877 g031b
Figure 32. Analysis results of factor D . (a) The light-load conditions; (b) the heavy-load conditions.
Figure 32. Analysis results of factor D . (a) The light-load conditions; (b) the heavy-load conditions.
Agriculture 15 00877 g032
Figure 33. Analysis results of factor c . (a) The light-load conditions; (b) the heavy-load conditions.
Figure 33. Analysis results of factor c . (a) The light-load conditions; (b) the heavy-load conditions.
Agriculture 15 00877 g033
Figure 34. Analysis results of factor Z . (a) The light-load conditions; (b) the heavy-load conditions.
Figure 34. Analysis results of factor Z . (a) The light-load conditions; (b) the heavy-load conditions.
Agriculture 15 00877 g034
Table 1. Test parameters for the wet clutch engagement test bench.
Table 1. Test parameters for the wet clutch engagement test bench.
Test GroupInput Speed (rpm)Load Torque (N·m)Oil Pressure (bar)Flow Rate (r)
1800800254
2500800304
Note: the flow rate adjustment on the test bench in this paper is controlled by a knob, where “r” represents the number of rotations.
Table 2. Basic parameters of the agricultural tractor.
Table 2. Basic parameters of the agricultural tractor.
Parameters Value
Vehicle dimension (mm)Length4600
Width1985
Height2764
Vehicle cross-sectional area (m2) 6.24
Coefficient of air resistance 0.6
Complete vehicle kerb mass (kg) 3640
Tire specificationDriving wheel13.6~24
Engine speed (rpm) 800~2200
Final driver ratio 24
Tire moment of inertia (kg·m2) 4
Differential shaft moment of inertia (kg·m2)Length0.01
Table 3. Engagement status of clutches and brakes.
Table 3. Engagement status of clutches and brakes.
StageBrakes and Wet Clutches
CVB1C1C2C3C4
H0
HM1
HM2
HM3
HM4
Note: ● represents that the wet clutch (or brake) is working, ✕ represents that the wet clutch (or brake) is out of working.
Table 4. Transmission ratios of NGW under different locking conditions.
Table 4. Transmission ratios of NGW under different locking conditions.
SchemeInput PartOutput PartLocked PartTransmission Ratio
1Sun GearPlanet CarrierRing Gear 1 + k
2Sun GearRing GearPlanet Carrier k
3Ring GearSun GearPlanet Carrier 1 / k
4Ring GearPlanet CarrierSun Gear ( 1 + k ) / k
5Planet CarrierSun GearRing Gear 1 / ( 1 + k )
6Planet CarrierRing GearSun Gear k / ( 1 + k )
7Any two components engaged 1
8Neither locked nor engagedFree
Note: k is the characteristic parameter of the planetary gear mechanism, defined as the ratio of the number of ring gear teeth to the number of sun gear teeth.
Table 5. AHP judgment matrix under light-load conditions.
Table 5. AHP judgment matrix under light-load conditions.
Metric 1Metric 2Metric 3Metric 4
Metric 11214
Metric 21/2112
Metric 31113
Metric 41/41/21/31
Note: Metric 1 represents speed drop, Metric 2 represents sliding time, Metric 3 represents dynamic load, and Metric 4 represents maximum sliding power. The consistency ratio (CR) of the above judgment matrix is 0.0172, which is acceptable. The AHP weights obtained are [0.3774, 0.2254, 0.2968, 0.1005].
Table 6. AHP judgment matrix for heavy-load conditions.
Table 6. AHP judgment matrix for heavy-load conditions.
Metric 1Metric 2Metric 3Metric 4
Metric 1111/21/3
Metric 21111/2
Metric 32111/2
Metric 43221
Table 7. Latin Hypercube experimental table.
Table 7. Latin Hypercube experimental table.
Test Group D (mm) c Z
1307.30.51114
2328.50.78613
3296.30.40710
4304.10.63912
5291.60.71811
6284.10.7535
7323.20.4548
8316.80.5716
9311.10.5347
10289.60.6629
Note: The Z value in the table represents the number of friction pairs, which must be an integer; it is obtained by rounding down the LHS sampled values.
Table 8. The total relative error of the model.
Table 8. The total relative error of the model.
12345678910
GRNN0.9161.2090.9181.1211.0301.5790.8591.1200.9900.806
RBF2.5421.5100.5682.2292.1801.1061.2920.6050.7581.753
BP1.8960.0661.9931.5920.9042.6231.4362.3131.6320.777
Note: The same serial number does not indicate identical experimental groups, as all 30 result sets were randomly generated.
Table 9. Comparison of results.
Table 9. Comparison of results.
Test GroupCorrelation CoefficientDynamic LoadRelative Error
ExperimentalSimulated
10.95191.851.679.76
20.88601.961.941.4
Disclaimer/Publisher’s Note: The statements, opinions and data contained in all publications are solely those of the individual author(s) and contributor(s) and not of MDPI and/or the editor(s). MDPI and/or the editor(s) disclaim responsibility for any injury to people or property resulting from any ideas, methods, instructions or products referred to in the content.

Share and Cite

MDPI and ACS Style

Li, W.; Cheng, Z.; Yang, M. Configurational Comparison of a Binary Logic Transmission Unit Applicable to Agricultural Tractor Hydro-Mechanical Continuously Variable Transmissions and Its Wet Clutch Optimization Design Based on an Improved General Regression Neural Network. Agriculture 2025, 15, 877. https://doi.org/10.3390/agriculture15080877

AMA Style

Li W, Cheng Z, Yang M. Configurational Comparison of a Binary Logic Transmission Unit Applicable to Agricultural Tractor Hydro-Mechanical Continuously Variable Transmissions and Its Wet Clutch Optimization Design Based on an Improved General Regression Neural Network. Agriculture. 2025; 15(8):877. https://doi.org/10.3390/agriculture15080877

Chicago/Turabian Style

Li, Wenjie, Zhun Cheng, and Mengchen Yang. 2025. "Configurational Comparison of a Binary Logic Transmission Unit Applicable to Agricultural Tractor Hydro-Mechanical Continuously Variable Transmissions and Its Wet Clutch Optimization Design Based on an Improved General Regression Neural Network" Agriculture 15, no. 8: 877. https://doi.org/10.3390/agriculture15080877

APA Style

Li, W., Cheng, Z., & Yang, M. (2025). Configurational Comparison of a Binary Logic Transmission Unit Applicable to Agricultural Tractor Hydro-Mechanical Continuously Variable Transmissions and Its Wet Clutch Optimization Design Based on an Improved General Regression Neural Network. Agriculture, 15(8), 877. https://doi.org/10.3390/agriculture15080877

Note that from the first issue of 2016, this journal uses article numbers instead of page numbers. See further details here.

Article Metrics

Back to TopTop