Next Article in Journal
Research on Efficiency Characteristics Modeling and Control Strategy of Dual Continuously Variable Transmission System with Series Combination of “Drive Motor-Hydrostatic Transmission Device-Wet Multi-Clutch Power Shift Transmission” for Agricultural Tractor
Previous Article in Journal
Agricultural Drought Early Warning in Hunan Province Based on VPD Spatiotemporal Characteristics and BEAST Detection
 
 
Font Type:
Arial Georgia Verdana
Font Size:
Aa Aa Aa
Line Spacing:
Column Width:
Background:
Article

Development of a Maize Precision Seed Metering Control System Based on Multi-Rate KF-RTS Fusion Speed Measurement

1
College of Engineering and Technology, Jilin Agricultural University, Changchun 130118, China
2
Key Laboratory of Bionics Engineering (Ministry of Education), Jilin University, Changchun 130022, China
3
College of Biological and Agricultural Engineering, Jilin University, Changchun 130022, China
*
Author to whom correspondence should be addressed.
Agriculture 2025, 15(24), 2582; https://doi.org/10.3390/agriculture15242582 (registering DOI)
Submission received: 14 November 2025 / Revised: 10 December 2025 / Accepted: 11 December 2025 / Published: 14 December 2025
(This article belongs to the Section Agricultural Technology)

Abstract

With the rapid development of precision seeding technology, which plays a vital role in promoting large-scale cultivation, reducing seed loss, increasing crop yield, and improving land use efficiency, a maize precision seed metering control system based on KF-RTS fusion speed measurement has been developed to address the issues of ground wheel slippage and chain bounce in Chinese precision planters during high-speed operation, as well as the problems of speed measurement delay, motor control lag, and susceptibility to interference in existing electric drive seeders. The system comprises an STM32 master controller, a speed acquisition unit, a seed metering drive unit, and a human–machine interaction interface. By employing a multi-rate KF-RTS (Kalman Filter-Rauch-Tung-Striebel Smoother) fusion algorithm that integrates RTK-GNSS and accelerometer data, it significantly enhances the accuracy and real-time performance of forward speed measurement. A control strategy combining Kalman filtering with a fuzzy PID controller, optimized by a particle swarm algorithm, enables the control system to converge rapidly within 0.10 s with a steady-state error below 0.55%, achieving precise and stable regulation of the seed metering shaft speed. Field test results demonstrate that the qualified index of seed spacing reaches no less than 94.11% under the fusion speed measurement method. Compared to the RTK-GNSS speed measurement alone, the coefficient of variation in seed spacing is reduced by 3.85% to 6.93%, effectively resolving seed spacing deviations caused by speed measurement delays and improving seeding uniformity.

1. Introduction

As one of the three major grain crops, maize accounted for approximately 43% of global cereal production in 2024, with China contributing 24% to the world’s total maize output [1]. Currently, China primarily relies on maize imports, facing a substantial domestic supply-demand gap and relatively high dependency on the international market, indicating a significant disparity between domestic production and demand [2]. Beyond yield increases from expanded planting area, enhancing yield per unit area remains crucial for substantially boosting maize production [3].
High-quality and efficient single-seed precision seeding is crucial for enhancing maize yield per unit area. Currently, domestic precision seeders primarily employ a seed metering mechanism driven by ground wheels via sprockets and chains; however, as operational speed increases, ground wheel slippage becomes more pronounced, significantly compromising seed spacing uniformity and severely limiting yield potential [4,5,6]. To address this issue, researchers have conducted in-depth studies on speed measurement technologies and drive methods for electric drive seeders, where the accuracy of forward speed monitoring and the dynamic response of seeding motor speed control fundamentally determine seed spacing uniformity [7,8]. While various speed measurement methods—such as ground wheel encoders, Hall effect sensors, satellite positioning modules, and ground speed radar—are currently available, each exhibits certain limitations in practical application, making it challenging to maintain measurement accuracy across diverse working conditions and operational states [9,10]. Consequently, electric drive seeding systems face challenges including hysteresis in motor speed control, excessive overshoot, and susceptibility to interference, posing significant obstacles to the broader adoption and application of electric drive seeding technology [11].
The core of speed acquisition lies in ensuring the real-time performance and accuracy of speed measurement to achieve real-time and accurate monitoring of the tractor’s forward speed [12]. Jafari et al. designed a motor closed-loop control system based on dual-encoder speed measurement, which acquires the seeder’s operational speed in real-time via a ground wheel encoder and improves seed spacing uniformity by utilizing motor speed feedback from an encoder installed on the output shaft of the seeding motor [13]. Liao et al. developed a speed-adaptive seeding control system for oilseed rape with switchable speed measurement modes, employing both a ground wheel encoder and a BeiDou receiver to obtain the forward speed during low- and medium-high-speed operations, respectively. Field tests showed that within an operational speed range of 1.44–7.99 km/h, the system achieved a seeding rate error of less than 3.9% and a qualified seed spacing index greater than 84%, meeting the requirements for speed-adaptive seeding [14]. The SeedstarsTM 2 seeding control system produced by John Deere in the United States integrates three speed measurement methods: GPS, radar, and photoelectric sensors. It utilizes photoelectric sensors to calibrate speed information provided by the radar or GPS, ensuring that the system can maintain normal operation for a short period in case of GPS or radar signal loss [15]. The ETR series intelligent electric drive pneumatic seeders manufactured by Zhengzhou Longfeng Company incorporate a dual speed measurement system combining the Global Navigation Satellite System (GNSS) and a speed radar. By dynamically adjusting the weighting of GNSS and speed radar data, the system achieves complementary advantages of the two methods; however, during low-speed turning maneuvers, coupling interference between GNSS carrier phase noise and the Doppler sensitivity threshold of the radar leads to significant fluctuation amplitude in the fused speed, thereby adversely affecting seed spacing uniformity [16]. XIE et al. compared and analyzed the effects of three speed measurement methods—GNSS receiver, Doppler radar, and incremental rotary encoder—on the monitoring accuracy of seed spacing. Experimental results indicated that the speed monitoring values from all three methods were strongly correlated with the real-time monitored seed spacing values (correlation coefficient R > 0.95), and considering the cost and installation requirements of the three speed measurement devices, they recommended prioritizing the use of a GNSS receiver as the speed measurement device for electric drive precision seeders [17]. Compared with sensor-based speed measurement methods, GNSS speed measurement remains unaffected by seeder structure or ground surface conditions, and its capability to provide multidimensional information including velocity, position, and time has led to its expanding applications in agricultural sectors such as variable-rate seeding, precision fertilization, and pest control [18,19]. RTK-GNSS, leveraging carrier phase differential technology, overcomes the accuracy limitations of conventional GNSS by effectively mitigating errors caused by multipath effects and ionospheric delay, achieving centimeter-level dynamic positioning accuracy. However, it still suffers from speed measurement lag due to update frequency constraints during maneuvering operations, with additional performance degradation under signal occlusion or adverse weather conditions [20,21,22]. Accelerometers can directly acquire implement acceleration data with advantages including stable performance and high sampling frequency. Comparative analysis of RTK-GNSS receivers and accelerometers reveals complementary strengths in absolute accuracy versus dynamic response. By implementing fusion algorithms to integrate real-time data from both sources—using high-frequency accelerometer readings to compensate for RTK-GNSS signal gaps—the latency issues inherent in RTK-GNSS speed measurement can be mitigated, thereby enhancing speed measurement precision under complex operating conditions.
The key to electric drive seeding technology lies in dynamically adjusting the rotational speed of the seeding motor in real-time based on the acquired forward speed of the tractor to ensure uniformity of seed spacing. Cay et al. utilized a brushless DC motor to drive the seed meter and completed command transmission between the Arduino master controller and individual seeding units via CAN bus; experimental results demonstrated that compared with the traditional ground wheel drive method, this system increased the qualified seed spacing index by 2.5% and reduced the coefficient of variation of qualified seed spacing by 0.18% [23,24]. Ranta et al. designed an electric drive seed meter based on a belt drive structure, where a laterally mounted seeding motor transmits power to the seed shaft through a synchronous belt. Test results indicated that this electric drive seed meter increased the operational speed of the seeder to 10 km/h while effectively eliminating the impact of ground wheel slippage on seeding quality, and additionally, each motor can be controlled independently, laying the foundation for the implementation of section control and variable-rate seeding technologies [25]. The Tempo R series trailed high-speed seeder produced by Sweden’s VADERSTAD Company, through the synergistic application of the E-Control system and ISOBUS terminal, enables precise section control and variable rate seeding functions, and during turning operations, the curve compensation function ensures uniform seed spacing, effectively improving seeding quality [26]. The 2160 no-till precision planter manufactured by the U.S. Case Company adopts the vSet air suction seed meter developed by Precision Planters in combination with the vDrive servo motor, driving the seed meter via gear engagement, which not only achieves independent control of individual seeding units but also effectively shortens the overall length of the drive chain and optimizes the structural layout [27]. HE et al. designed an electric drive control system for seed meters based on a PID control strategy, using Hall sensors to monitor the speed of the brushless DC motor and employing a trial-and-error method to tune the PID parameters to achieve closed-loop control of the motor speed. In a step response test where the motor speed increased from 0 r/min to 24 r/min, the system’s overshoot was 1.56%, verifying the superiority of the PID control strategy in enhancing the stability of motor speed control [28]. YU et al. designed an electronically controlled peanut seeding system based on a fuzzy PID control strategy, which uses a servo motor to drive the seed shaft and determines the initial values for the fuzzy PID control through a trial-and-error method; compared with traditional PID control, this system offers advantages in overshoot suppression [29].
Aiming at the problems of ground wheel slippage, drive chain skipping, and breakage that commonly occur in existing maize precision planters during high-speed operation, which make it difficult to meet the requirements of precision seeding at high speeds, an air-suction electric drive precision seeding control system was designed. This system constructs a multi-rate KF-RTS smoothing fusion algorithm that integrates RTK-GNSS and accelerometer data to provide more accurate speed information for the seeding operation. To enhance the dynamic response speed and steady-state accuracy of the seeding motor, a Kalman filter-based fuzzy PID motor control strategy is proposed, providing theoretical foundation and technical support for high-performance control of the seeding motor.

2. Materials and Methods

2.1. Precision Planter Structure and Operating Principle

During operation, the seeder is towed forward by the tractor, with the ground wheel transmitting power to the seed meter via chain drive. Simultaneously, the tractor’s rear power take-off shaft drives the seeder’s fan to rotate at high speed, generating negative pressure that firmly adheres seeds to the suction holes on the seed disk within the vacuum chamber. As the seed disk rotates and carries seeds out of the vacuum chamber, they no longer experience negative pressure and are released into the pre-opened seed furrow through the seed tube under the combined action of gravity and the seed scraper. Subsequently, the covering and press wheels complete the seeding process by covering the seeds with soil and compacting it. Additionally, the seeding depth adjustment handle achieves manual control over a sowing depth range of 1–12 cm, while the press wheel pressure handle provides adjustment across 7 grades to meet varying seeding operation requirements. The seeding process is accomplished by a corn air-suction seed metering device, with its operational schematic diagram shown in Figure 1.
During the operation of the seeder, an RTK-GNSS receiver mounted above the tractor’s left and right fenders utilizes its two quadrivial helix antennas to acquire the tractor’s forward speed data, while an accelerometer installed on the crossbeam behind the tractor seat synchronously collects acceleration data along the forward direction. The STM32 microcontroller integrates the speed and acceleration data to dynamically calculate the tractor’s forward speed. Based on the seeding parameters set by the operator and the tractor’s forward speed information, the STM32 microcontroller generates a PWM control signal with a corresponding duty cycle. The motor driver then actuates the motor according to this signal to execute the seeding operation. Furthermore, the real-time rotational speed of the seeding motor is monitored by a built-in incremental encoder, and a closed-loop control of the motor speed is implemented through a Kalman filter-based fuzzy PID motor control strategy, which adjusts the motor speed according to the deviation between the actual and theoretical rotational speeds, thereby achieving precision seeding.

2.2. Hardware Design of the Control System

The influencing factors on the operational quality of electric drive seeding are primarily reflected in two aspects: the real-time performance and accuracy of tractor speed acquisition, and the responsiveness and accuracy of the seed metering shaft speed in adapting to variations in tractor speed. Therefore, this study designed an air-suction electric drive precision seeding control system as shown in Figure 2, where the blue lines represent signal lines transmitting control commands and data, while the red lines represent power lines supplying electrical power to system components.
The pneumatic suction electric-driven precision seeding control system employs an STM32 Battleship V3 microcontroller as the main controller, comprising primarily a speed acquisition unit, a seed metering drive unit, a seeding fan, a through-beam laser sensor, a pressure transmitter, and a human–machine interface device. The speed acquisition unit, consisting of an RTK-GNSS receiver and an accelerometer, acquires the forward speed of the tractor during operation; the two quadrivial helix antennas of the RTK-GNSS receiver are symmetrically mounted on the top of the tractor to avoid signal blockage or interference, while the x-axis of the accelerometer is aligned with the tractor’s direction of travel. The seed metering drive unit includes a seeding motor, a motor driver, and a pneumatic seed meter; the motor is equipped with a built-in AB-phase incremental Hall encoder enabling closed-loop control of the motor speed, and enabling it to drive various types of seed meters via a coupling.

2.2.1. Design of the Speed Acquisition Unit

The core of speed acquisition lies in ensuring real-time performance and accuracy of speed measurement to achieve real-time and precise monitoring of the tractor’s forward speed, thereby providing accurate velocity data for the control system and ultimately improving seed spacing uniformity. This study employs the 4G network-enabled WTRTK-982 high-precision positioning and orientation module from Shenzhen Wit Intelligent Technology Co., Ltd. Shenzhen, The China. as the RTK-GNSS receiver, and the SINDT dual-axis tilt sensor from the same manufacturer as the accelerometer, allowing users to configure specified data reception parameters, acceleration update frequency, and serial port baud rate through PC-based host computer software.

2.2.2. Design of the Seed Metering Drive Unit

The seeding motor, as the core working component of the seed metering drive unit, directly influences the quality of the seeding operation. Since the motor must meet operational requirements such as rapid response and smooth speed variation to ensure both seeding quality and efficiency, this study selects a DC brushed motor as the drive device for the seed meter after comprehensively considering the performance characteristics of various motor types and actual operational demands, thereby fulfilling the requirements for high efficiency and stability in seeding operations. When selecting the motor, its output torque must be considered, which is determined based on the seed metering load of the seed meter. The calculation formula is given by Equation (1).
M c = K c M p i
where Mc is the motor driving torque (N·m); Kc is the motor drive safety factor; Mp is the load torque of the seed-metering device (N·m); and i is the gear ratio.
The operational torque of the seed metering device was measured as 2.52 N·m using a dynamic torque sensor. With a safety coefficient Kc of 1.5, Equation (1) indicates that the motor must supply a minimum driving torque of 3.78 N·m to meet the torque requirements of the seeding operation. Based on the seeder’s maximum operating speed of 14 km/h, minimum seed spacing of 14 cm, 26 cells on the seed plate, and a bevel gear reduction ratio of 2:1 in the seed metering device, substitution into Equation (4) determines that the motor must deliver a minimum rotational speed of 128 r/min to fulfill the speed demands of seeding. After comprehensive consideration of both torque and speed requirements for the seeding motor, this study selected the CHP-42GP-775 DC geared motor manufactured by CHIHAI Motor Co., Ltd. (Shenzhen, The China) and the AQMD6008NS-TBE DC motor driver developed by Chengdu Aikong Electronic Technology Co., Ltd. (Chengdu, The China), with the key motor parameters presented in Table 1.
During the operation of the seeder, to ensure consistency between the actual seed spacing and the preset value, the seeding motor must adjust its rotational speed in real time according to the tractor’s forward speed. The relationship between the travel distance of the seeder and the forward speed of the tractor is given by Equation (2).
Δ S 1 = 1000 v Δ t 3600
where ∆t is any time interval (s); ∆S1 is the travel distance of the planter during time ∆t (m); v is the forward speed of the tractor (km/h).
The relationship among seeding distance, motor speed, number of cells on the seed meter plate, and theoretical plant spacing is given by Equation (3).
Δ S 2 = n L N Δ t 6000 μ
where ∆S2 is the seeding distance over time ∆t (m); n is the motor speed (r/min); L is the theoretical plant spacing (cm); N is the number of seed plate holes; μ is the transmission ratio of the reduction gear set.
Based on the equivalence between the distance traveled by the seeder and the seeding distance per unit time, Equation (4) can be derived as follows:
n = 5000 v μ 3 L N
The relationship among the motor speed, the timer capture/compare register value, the auto-reload register value, and the motor speed at a 100% PWM duty cycle is given by Equation (5).
n = V C C R n max V A R R
where VCCR is the timer capture/compare register value; VARR is the timer auto-reload register value; nmax is the motor speed at a 100% PWM duty cycle (r/min).
From Equations (4) and (5), the relationship between the timer capture/compare register value VCCR and the tractor forward speed v is derived as shown in Equation (6):
V C C R = 5000 v μ V A R R 3 L N n max

2.3. Fusion Speed Measurement Algorithm Design

To integrate the low-frequency RTK-GNSS velocity data with high-frequency accelerometer data, this study proposes a multi-rate Kalman filter-Rauch-Tung-Striebel smoother (KF-RTS) algorithm, whose structure is illustrated in Figure 3. This algorithm performs data fusion through two sequential stages: forward Kalman filtering and backward RTS smoothing. The forward Kalman filtering executes the time update based on accelerometer data and performs the observation update upon receiving RTK-GNSS velocity data, thereby dynamically correcting the state estimation [30]. The backward RTS smoothing then recursively computes the smoothing gain in reverse over a fixed time interval, incorporating future information to optimize historical state estimates and eliminating the lag error inherent in the forward Kalman filtering process.
To evaluate the performance of the multi-rate KF-RTS fusion speed measurement algorithm, simulations were conducted using the MATLAB simulation platform to replicate the speed measurement process under various tractor motion states, including stationary, acceleration, uniform velocity, and deceleration, with comparative analysis performed against RTK-GNSS speed measurement results. The tractor motion parameters are set as presented in Table 2.
During the configuration of the simulation environment, an Analog Filter Design module was employed to filter the acceleration data, thereby removing high-frequency noise interference and improving data quality. The sampling frequencies of acceleration and velocity were set using a Rate Transition module, with the acceleration data sampling frequency set to 100 Hz and the velocity data sampling frequency set to 5 Hz, resulting in a sampling frequency ratio of 20:1 between them. To better align the simulated data with actual sensor-acquired data, a Three-axis Accelerometer module and a GNSS module from the Simulink library were utilized to simulate and introduce acceleration noise and velocity noise. The parameter settings for the Three-axis Accelerometer module and GNSS module are detailed in Table 3.
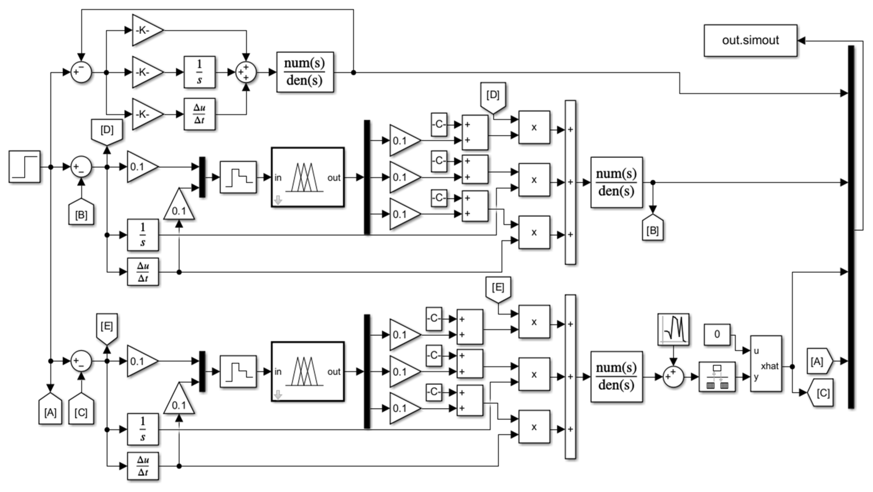
A multi-rate KF-RTS fusion speed measurement simulation model was constructed by implementing Kalman filtering and RTS smoothing functions within the MATLAB Function module and integrating them using Simulink tools, as illustrated in Figure 4.
During the Kalman filtering process, the values of the system noise covariance matrix Q and the measurement noise covariance matrix R directly influence the filtering performance. Based on the static test results of the RTK-GNSS receiver, the univariate method and a stepwise adjustment approach were employed to optimize matrices Q and R. By observing the changes in filtering performance of the simulation model after parameter adjustments, the final selected values were determined as Q = [ 10 7   0   ; 0   10 6 ] , R = 9 × 10−4.

2.4. Design of Kalman Filter-Based Fuzzy PID Controller

Conventional PID control often faces challenges such as difficulties in parameter tuning, poor control accuracy, and inadequate adaptability to sudden operational changes in nonlinear and time-varying systems, making it difficult to achieve desired control performance. Therefore, this study introduces a fuzzy PID control strategy, which dynamically adjusts PID parameters in real-time through fuzzy logic and optimizes the initial PID parameters using a particle swarm optimization algorithm to achieve excellent static and dynamic performance. Furthermore, due to the presence of noise and interference in the operating environment of the control object, which leads to significant system errors and poor stability, a Kalman filter algorithm is incorporated to effectively suppress measurement noise and signal interference during the control process, thereby achieving optimal control performance. As shown in Figure 5, the designed Kalman filter-based fuzzy PID controller in this study consists of a fuzzy controller, a PID controller, and a Kalman filter.

2.4.1. Design of Fuzzy Controller

The difference e(t) between the target speed and the actual speed of the motor, as well as its rate of change ec(t), are used as the input variables of the fuzzy controller. The adjustment amount ∆Kp of the proportional coefficient Kp, the adjustment amount ∆Ki of the integral coefficient Ki, and the adjustment amount ∆Kd of the differential coefficient Kd serve as the output variables of the fuzzy controller. The universe of discourse E for e(t) is [−6, 6], and the universe of discourse EC for the rate of change ec(t) of e(t) is [−8, 8]. The universes of discourse for the output variables ∆Kp, ∆Ki, and ∆Kd are all [−8, 8]. The fuzzy subsets for both the input and output variables of the fuzzy controller are divided into 7 levels: Negative Big (NB), Negative Medium (NM), Negative Small (NS), Zero (ZO), Positive Small (PS), Positive Medium (PM), and Positive Big (PB). The quantization factors ke and kec are 0.1. Based on the aforementioned control principles, fuzzy control rules were established as detailed in Table 4, Table 5 and Table 6.
The results of fuzzy inference cannot be directly applied to motor control, requiring defuzzification of the fuzzy control quantities ∆Kp, ∆Ki, and ∆Kd derived from the fuzzy control rules. Therefore, this study adopts the center of gravity method for defuzzification processing of the fuzzy quantities obtained through fuzzy inference. Assuming the membership function of fuzzy set A in the universe of discourse U is A(u), u ϵ U, the calculation formula for the abscissa ucen corresponding to the centroid area is calculated as shown in Equation (7).
u c e n = U u A ( u ) d u U A ( u ) d u

2.4.2. PID Controller

The deviation e(t) between the target and actual motor speeds serves as the input variable to the PID controller, while u(t) functions as the output control signal generated by the PID controller. Driven by the fuzzy logic controller, the proportional gain ∆Kp, integral gain ∆Ki, and derivative gain ∆Kd of the PID controller are dynamically adjusted based on the outputs from the fuzzy logic controller, with the adjusted values given in Equation (8):
K p = K p 1 + α p Δ K p K i = K i 1 + α i Δ K i K d = K d 1 + α d Δ K d
where αp = 0.1, αi = 0.1, and αd = 0.1 represent the scaling factors corresponding to ∆Kp, ∆Ki, and ∆Kd.
Currently commonly used PID parameter tuning methods include particle swarm optimization and neural network algorithms. Compared with neural network algorithms, particle swarm optimization features a simple model structure, ease of implementation, rapid convergence speed, and strong global search capability, making it suitable for rapidly solving approximate optimal solutions for complex problems [31]. Therefore, this study employs particle swarm optimization to optimize the PID control parameters, and the process is illustrated in Figure 6.

2.4.3. Kalman Filter

The motor speed measured by the encoder is processed using Kalman filtering to suppress measurement noise and signal interference during the control process. The state vector xk of the Kalman filter includes the velocity vk, as shown in Equation (9).
x k = v k
The state equation of the Kalman filter system is expressed as shown in Equation (10).
x k = A x k 1 + w k 1 , w k 1 N ( 0 , Q k 1 )
where the state transition matrix A = 1.
The observation equation of the Kalman filter system is given by Equation (11).
z k = H x k + v k , v k N ( 0 , R k )
where zk is the observation variable, namely the measured motor speed value, and the observation matrix H = 1

2.5. Performance Evaluation

2.5.1. Simulation and Test Validation

To evaluate the performance of the proposed Kalman filter-based fuzzy PID control strategy, comparative experiments were conducted between PID control and fuzzy PID control, as well as between fuzzy PID control and Kalman filter-based fuzzy PID control. A simulation model of the Kalman filter-based fuzzy PID control system was developed on the Simulink platform, as shown in Figure 7. During the construction of the simulation model, the Fuzzy Logic Controller module was employed to implement fuzzy control. To simulate the speed fluctuations of the motor during actual operation, a Random Number module was used to introduce noise with a mean of 0 and a variance of 0.01 into the motor speed signal, and the Kalman Filter module was applied to filter the noise-added motor speed signal, emulating the Kalman filtering process. The univariate method and the stepwise adjustment approach were used to determine the values of the system noise covariance matrix Q and the observation noise covariance matrix R for the Kalman filter. By observing the performance of the simulation model after parameter adjustments, the values Q = 10−6 and R = 0.01 were ultimately selected. To facilitate subsequent data analysis and processing, the To Workspace module was utilized to export the simulation results from the Simulink model to the MATLAB (R2023b) workspace.

2.5.2. Wind Pressure Test

(1)
Wind pressure test conditions
Working air pressure and operational speed are critical factors affecting the performance and efficiency of air-suction precision seeders. Therefore, it is essential to determine the optimal working air pressure for the seed metering device under varying operational speeds to ensure optimal seeding performance across different working conditions. The test was conducted from 5 to 12 July 2024, on a computer vision-based seed metering test rig at Jilin Agricultural University (125.41′ E, 43.81′ N), as shown in Figure 8.
The seed metering performance test was conducted using a JPS-12 test stand manufactured by Harbin Bona Technology Co., Ltd. (Harbin, The China), with a maximum operating speed of 12 km/h. The test bench enables real-time monitoring of evaluation indices including the qualified index, multiple index, and miss index, while providing a seed spacing measurement accuracy of 2 mm. The experimental material consisted of Jinyu 100 maize hybrid seeds produced by Jilin Jinyu Seed Industry Co., Ltd. (Songyuan, The China), characterized by a moisture content of 10.2% and a purity of 99.1%.
(2)
Wind pressure test plan
A two-factor test involving forward speed and operating air pressure was conducted to determine the optimal working air pressure for the seed meter across different operational speeds, with the test levels shown in Table 7. The target seed spacing was set at 25 cm. Following the GB/T 6973-2005 standard [32], the precision index, multiple index, and miss index were adopted as evaluation indicators. The test comprised 36 groups, each repeated three times, with no fewer than 500 seeds processed per test repetition.
In this test, the operating air pressure of the seed meter was regulated by adjusting the operating voltage of the blower to control its rotational speed, thus necessitating the determination of the relationship between the blower operating voltage and the seed meter operating air pressure. The test method was as follows: the conveyor belt speed of the test bench was set at 6 km/h. The operating air pressure of the seed meter was adjusted to the required test levels using a blower speed regulator, and after the seeding operation reached a stable state, the corresponding blower voltage value was recorded as shown in Table 8. Throughout the test, whenever adjustment of the seed meter operating air pressure was required, the operation was strictly performed according to the blower operating voltage values provided in the table to ensure test accuracy and reliability.

2.5.3. Motor Speed Regulation Test

The control accuracy and response time of the motor speed directly influence the seeding uniformity of electric-drive precision planters; therefore, the steady-state value, rise time, settling time, overshoot, and steady-state error of the motor speed are selected as key metrics for evaluating motor speed regulation performance.
For the motor speed regulation test, the same equipment utilized in the air pressure test was employed. The target seed spacing was set at 25 cm through the human–machine interface, and four operational speeds—6 km/h, 8 km/h, 10 km/h, and 12 km/h—were selected to comprehensively cover the conventional working range of the seeder. During the test, the sampling period for motor speed was configured at 20 ms, and the motor speed data were read and recorded in real-time via the computer serial port to ensure data accuracy and real-time performance.

2.5.4. Field Test

This study integrated the air-suction electric drive precision seeding control system into a precision seeder to conduct field tests, validating the effectiveness of the RTK-GNSS and accelerometer fusion-based speed measurement method in enhancing speed measurement accuracy, while evaluating the overall performance of the control system under actual field operating conditions.
(1)
Field test conditions
Field tests were conducted from 10 to 15 September 2024 in the experimental fields of Jilin Agricultural University (125.41′ E, 43.81′ N). The daily average temperature during the test period ranged from 16 °C to 24 °C, with no significant precipitation. Soil conditions in the experimental field, measured using a TYD-2 soil penetrometer, a TDR-300 soil moisture meter, and a soil thermometer, were determined as follows: soil compaction of 0.964 MPa, soil moisture content of 12.1%, and soil temperature of 18 °C.
The test utilized a KUBOTA-M7540R wheeled tractor from Kubota (Kubota Corporation. Osaka, The Japan). As shown in Figure 9, the two quadrivial helix antennas of the RTK-GNSS receiver were mounted above the tractor’s left and right fenders, respectively, while the accelerometer was secured to the crossbeam behind the tractor seat. A 220 V mobile power supply was positioned at the front of the tractor to provide electrical power to the seeding control system.
(2)
Field test plan
During the field test, an air-assisted electric drive precision seeding control system without the fusion speed measurement method was selected as the control group. Prior to the test, the sampling frequency of acceleration data was set to 100 Hz and the sampling frequency of speed data was set to 5 Hz via the host computer. The target seed spacing was configured as 25 cm through the human–machine interface, the seeding depth of the planter was adjusted to 3 cm, and the covering and press wheels were removed to facilitate subsequent measurement of the actual seed spacing. The field test adopted the forward speed as the test factor, with tractor operating speeds set at 6 km/h, 8 km/h, 10 km/h, and 12 km/h, respectively. The test field was divided into four independent test zones, each being 4 m wide and 150 m long, with 20 m acceleration and deceleration zones at both ends and a 110 m stable operation zone in the middle. Each test zone contained two seedbed strips, designated for testing the air-assisted electric drive precision seeding control system without the fusion speed measurement method and the system with the fusion speed measurement method, respectively. Data collection was performed throughout the entire test zone after test completion.
(3)
Field test evaluation indicators
According to the GB/T 6973-2005 standard, the seeding performance is evaluated based on four key indicators: the qualified spacing index, multiple index, miss index, and coefficient of variation of qualified seed spacing. The test section length was 150 m. During seed spacing measurement, the soil layer at sampling points was excavated vertically until the seeds were exposed, and the spacing between adjacent seeds was then measured using a steel tape measure, as shown in Figure 10.

3. Results and Discussion

3.1. Simulation Results and Analysis of the Fusion Algorithm

The results of KF-RTS fusion speed measurement and RTK-GNSS speed measurement obtained from simulation tests are shown in Figure 11, where Figure 11b,c corresponds to the acceleration phase and deceleration phase of the tractor’s travel.
As shown in Figure 11b, during the tractor acceleration phase, the RTK-GNSS measured values are lower than the true values. According to Figure 11c, during the tractor deceleration phase, the RTK-GNSS measured values exceed the true values. This indicates a significant lag phenomenon in RTK-GNSS speed measurement during tractor acceleration and deceleration processes, primarily caused by the low data update frequency of the RTK-GNSS receiver. In comparison, the KF-RTS fusion speed measurement results demonstrate closer alignment with the true velocity, confirming that the integrated approach using accelerometer and RTK-GNSS data effectively mitigates the speed measurement delay during variable-speed operations. Figure 12 presents the velocity errors between both KF-RTS fusion speed measurement and RTK-GNSS speed measurement relative to the true velocity.
Table 9 compares the speed measurement errors between RTK-GNSS and KF-RTS under three motion states: constant velocity, acceleration, and deceleration.
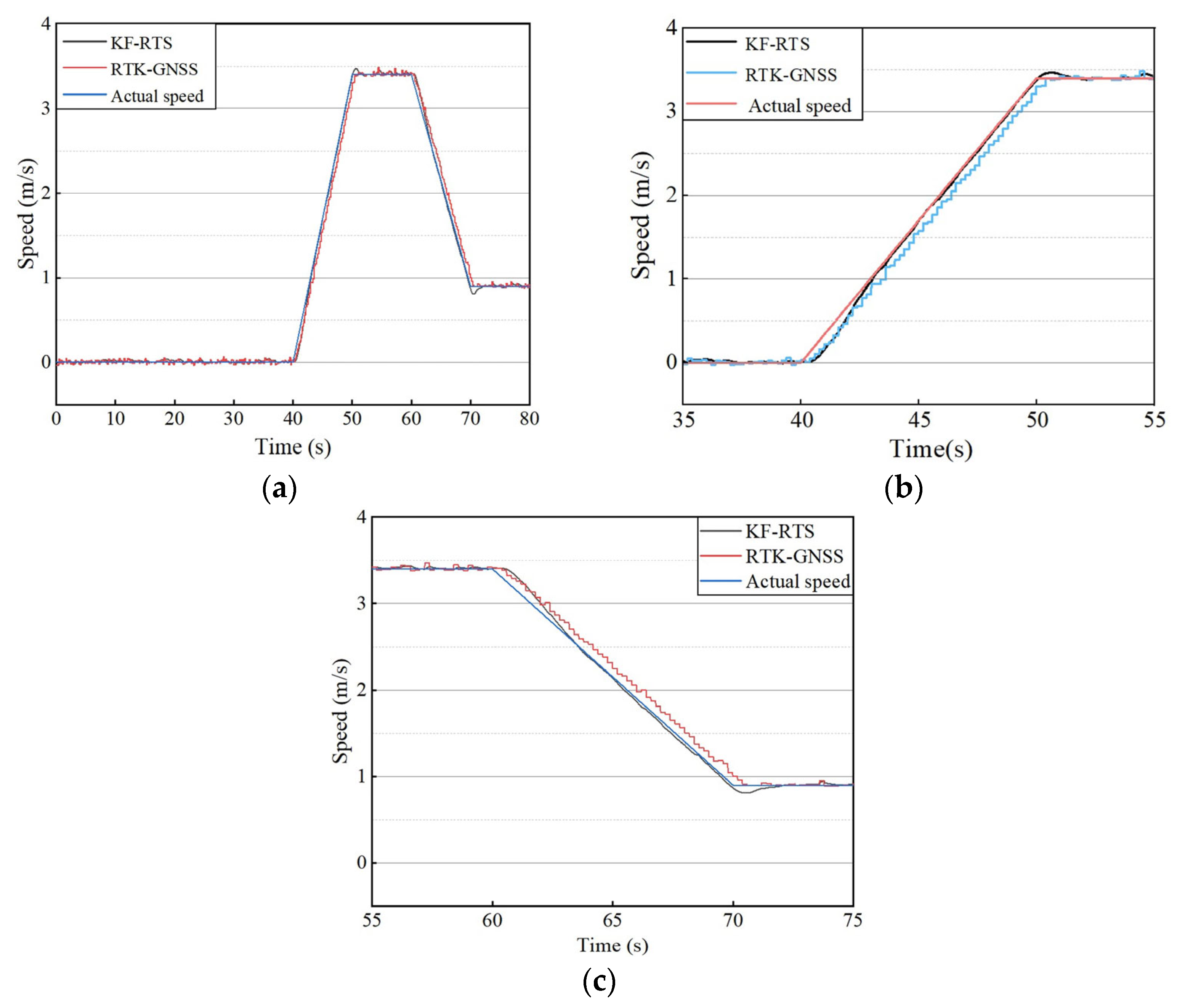
Under constant, accelerating, and decelerating motion conditions, the KF-RTS fusion speed measurement demonstrates significant optimization in speed measurement accuracy compared to RTK-GNSS speed measurement. During constant-speed conditions (50–60 s), KF-RTS reduced the mean error, standard deviation, and maximum error by 43.07%, 50.57%, and 72.65%, respectively, effectively suppressing the accumulation of random noise in steady-state motion and improving seed spacing uniformity. Under acceleration, abrupt changes in acceleration caused cumulative errors in RTK-GNSS due to speed measurement lag, while KF-RTS reduced the mean error, standard deviation, and maximum error by 83.68%, 62.87%, and 77.45%, respectively, effectively mitigating the speed measurement delay of RTK-GNSS and avoiding the issue of reduced seed spacing caused by speed underestimation during acceleration. During deceleration, abrupt changes in acceleration similarly led to cumulative errors in RTK-GNSS due to speed measurement lag, while KF-RTS reduced the mean error, standard deviation, and maximum error by 76.08%, 48.44%, and 34.77%, respectively, effectively alleviating the speed measurement delay of RTK-GNSS and preventing the issue of increased seed spacing resulting from speed overestimation during deceleration. Additionally, the reversal of error direction during deceleration indicates that the linear state model of the traditional Kalman filter struggles to accurately describe nonlinear dynamic processes.
The aforementioned test results demonstrate that under steady-state conditions, the KF-RTS fusion-based speed measurement effectively suppresses the influence of both random and systematic errors on speed measurement accuracy compared to RTK-GNSS speed measurement, yielding results closer to the true values. During acceleration and deceleration states, the KF-RTS fusion-based speed measurement responds more rapidly to speed variations, effectively reducing error accumulation caused by acceleration changes and thereby providing more accurate speed data. In summary, compared with RTK-GNSS speed measurement, the multi-rate KF-RTS fusion-based speed measurement effectively mitigates the latency inherent in RTK-GNSS speed measurement, significantly enhances speed measurement accuracy, and improves seed spacing uniformity.

3.2. Simulation Results and Analysis of the Kalman Filter-Based Fuzzy PID Control System

Figure 13 presents the system step response curves for both PID control and fuzzy PID control, where neither control method exhibited overshoot. However, the fuzzy PID control demonstrated significantly superior performance in dynamic response characteristics compared to conventional PID control. The response curve of the fuzzy PID controller rapidly converged to the target value within 0.1 s, whereas the PID control response curve required 1 s to reach the target value due to its fixed parameters—indicating that the fuzzy PID control reduced the convergence time to one-tenth of that required by PID control. Test results confirm that the fuzzy PID controller’s capability for dynamic parameter adjustment yields superior performance in both response speed and control accuracy. This makes fuzzy PID control particularly valuable for control systems requiring rapid response characteristics.
Figure 14 shows the step response curves of the fuzzy PID control system before and after implementing Kalman filtering. Without Kalman filtering, the response curve exhibited significant fluctuations with substantial noise interference, whereas with Kalman filtering, the steady-state error of the response curve was controlled within 0.55%. The test results demonstrate that Kalman filtering effectively suppresses noise interference in the fuzzy PID control system, significantly enhancing the system’s noise immunity.

3.3. Results and Analysis of Wind Pressure Test

The results of the two-factor test involving operational speed and working air pressure are presented in Table 10. To facilitate more intuitive analysis of the effects of operational speed and working air pressure on the test evaluation metrics, the test data were visualized using Origin (2022) software, with the results shown in Figure 15.
As shown in Figure 15, the miss index, multiple index, and precision index exhibit certain regularities with variations in operating air pressure and operating speed. At each level of operating air pressure, the precision index of the seed meter initially increases and then decreases as the operating speed rises, whereas the miss index demonstrates the opposite trend by first decreasing and then increasing, and the multiple index shows a continuous declining trend throughout.
When the working air pressure of the seed meter was set at 3 kPa and the operational speed reached 12 km/h, the qualified index decreased significantly with a sharp increase in the miss index. This phenomenon indicates that the current working air pressure is insufficient for the seed meter to effectively adsorb seeds, necessitating an increase in air pressure to ensure seeding quality. Test data demonstrated that at an operational speed of 12 km/h, as the working air pressure increased from 3 kPa to 5.5 kPa, the qualified index remarkably improved from 84.35% to 95.35%. When the working air pressure was maintained within the range of 4.5 to 5.5 kPa, the qualified index consistently remained above 90%, while the miss index and multiple index were controlled below 5% and 4%, respectively, indicating that the seed meter can maintain high seeding accuracy and stability within this air pressure range.
ANOVA was performed on the aforementioned test data to determine the effects of working air pressure, forward speed, and their interaction on each evaluation metric, with the results presented in Table 11.
ANOVA results indicated that both the operating air pressure and forward speed, as well as their interaction, had a highly significant effect on all evaluation indicators.
Based on experimental research investigating the effects of operating air pressure and forward speed on seeding quality, data analysis was conducted to determine the optimal control parameters for the precision index. Specifically, when the forward speed is determined, it should be matched with its corresponding operating air pressure to ensure the seeder operates under optimal working conditions. To quantify the relationship between operating air pressure and forward speed, a surface fitting analysis was performed on the experimental data using the Poly2D fitting model in Origin software, with the resulting fitted surface shown in Figure 16.
The multiple linear regression equation for the qualified index, constructed based on the Poly2D fitting model, is given as Equation (12).
z = 39.33 + 1.12 x + 22.8 y 0.09 x 2 2.72 y 2 + 0.18 x y
where x represents the forward speed and y denotes the operating air pressure, with a correlation coefficient of R = 0.81.
Based on Equation (12), the required operating air pressure values for the seed meter at different forward speeds were determined, as presented in Table 12.

3.4. Motor Speed Control Test Results and Analysis

The motor speed response curve obtained from the motor speed regulation test is shown in Figure 17.
The motor speed regulation performance indicators are presented in Table 13. Within the operational speed range of 6–12 km/h, the system demonstrated a rise time of 0.30–0.50 s and a settling time of 0.32–0.54 s, with the complete dynamic response consistently controlled within 0.54 s. These results indicate that the motor speed regulation system possesses rapid response capability, enabling quick adaptation to target speeds within short timeframes, which is crucial for enhancing the operational efficiency and seeding uniformity of electric-drive precision planters. Furthermore, across all tested operational speeds, the system overshoot remained below 0.36%, reflecting minimal deviation between peak and target speeds during regulation processes, thereby ensuring smooth convergence to desired operating conditions and effectively preventing speed fluctuations induced by excessive overshoot. Simultaneously, the steady-state error was maintained within 1.06%, showing a decreasing trend with increasing operational speed, confirming the system’s high control precision in stabilized conditions and its capability to meet the stringent speed control accuracy requirements for precision planting operations.

3.5. Field Test Results and Analysis

A statistical analysis was conducted on the seed spacing from eight seedbed strips following the operation of the air-suction electric drive precision seeding control system utilizing two speed measurement methods, and the corresponding seeding performance metrics under different speed measurement methods were calculated as presented in Table 14.
As shown in Table 14, when using the RTK-GNSS speed measurement method, the precision index of the seeder reaches no less than 90.12%, while with the KF-RTS fusion speed measurement method, the precision index increases to no less than 94.11%. Both speed measurement methods satisfy the requirement of achieving a precision index no less than 80% for maize planters. As the operating speed increases from 6 km/h to 12 km/h, the precision index of both speed measurement methods shows a declining trend. However, the KF-RTS fusion method demonstrates a reduction of only 2.58% (from 96.69% to 94.11%), which is significantly smaller than the 4.24% reduction observed with the RTK-GNSS method. These results indicate that the KF-RTS fusion speed measurement method exhibits better adaptability under high-speed operating conditions. At operating speeds of 6 km/h, 8 km/h, 10 km/h, and 12 km/h, the seeder equipped with the KF-RTS fusion method shows improvements in the precision index of 2.33%, 2.80%, 3.12%, and 3.99%, respectively, compared to the RTK-GNSS method. Additionally, the coefficient of variation of seed spacing is reduced by 3.85%, 4.36%, 6.63%, and 6.93%, respectively. These findings demonstrate that the air-suction electric drive precision seeding control system based on the KF-RTS fusion speed measurement method exhibits significant advantages in seeding performance compared to the system using RTK-GNSS speed measurement. This improvement can be attributed to the faster response of the KF-RTS fusion method to changes in tractor speed during acceleration and deceleration processes, which reduces the accumulation of speed measurement errors caused by acceleration fluctuations. By providing more accurate speed data for the control of the seeding motor speed, the fusion method enhances both the precision index and the uniformity of qualified seed spacing.

4. Conclusions

To address the unstable seeding performance of ground-wheel-driven planters caused by wheel slippage and chain bouncing during high-speed operation, this study developed a vacuum-type electric drive precision seeding control system suitable for high-speed operation. The system utilizes a multi-rate KF-RTS fusion speed measurement algorithm to acquire the tractor’s operating speed in real-time and employs a Kalman filter-integrated fuzzy PID control strategy for precise speed regulation of the seeding motor, effectively enhancing seeding stability and accuracy under high-speed conditions. The optimal operating air pressure at different working speeds was determined through bench tests, and the overall field performance of the system was validated via field experiments. Simulation and experimental results demonstrate that the fusion speed measurement method significantly improves speed measurement accuracy, and the motor control system exhibits fast response, minimal overshoot, and low steady-state error, leading to notable improvements in both the qualified seed spacing index and uniformity during field operation. This system achieves dynamic and precise matching between operating speed and seeding performance, thereby enhancing seeding quality and stability under high-speed working conditions. To further illustrate the advantages of the proposed control system, a comparative analysis was conducted with three different control systems commonly used in agricultural machinery, including: (1) traditional ground wheel driven seeders, (2) radar-based control systems, and (3) encoder-based control systems.
  • Traditional ground wheel driven seeders: The ground wheel driven seed metering system typically incorporates multiple stages of chain transmission with extended chain lengths, where the chains are subjected to substantial tension and impact forces during high-speed operation, often leading to chain bouncing and wheel slippage, thereby compromising seeding uniformity and accuracy. The integration of real-time kinematic global navigation satellite system with an accelerometer for fused speed measurement provides more precise velocity information for the seeding operation, significantly enhancing the operational quality of the seeder under high-speed working conditions.
  • The radar-based control system, known for its high real-time performance in speed measurement, is commonly employed in high-speed operations of modern agricultural machinery; however, it demands high ground flatness and its monitoring accuracy is susceptible to variations in surface conditions and installation angles [17]. In contrast, the speed measurement setup integrating an RTK-GNSS receiver and an accelerometer used in this study leverages the complementary advantages of both components in terms of absolute accuracy and dynamic response, thereby enhancing speed measurement precision under complex field conditions.
  • The encoder-based control system: encoders are primarily used for rotational speed measurement in agricultural machinery, and the motor speed feedback from an encoder installed on the output shaft of the seeding motor [23,24]. While offering advantages such as high real-time performance and algorithmic simplicity, it cannot avoid speed measurement errors caused by traction wheel slippage and tire pressure variations, thereby affecting the accuracy of speed measurement results. In contrast, the speed measurement device based on an RTK-GNSS receiver and an accelerometer employed in this study does not rely on traction wheels, effectively circumventing speed measurement errors induced by slippage and tire pressure changes, while providing higher measurement accuracy and stability.

Author Contributions

Conceptualization, S.W. and J.L.; methodology, S.W., F.S. and J.Y.; software, S.W. and X.Z.; validation, D.H.; formal analysis, F.S. and J.L.; investigation, X.Z. and D.H.; data curation, F.S.; writing—original draft preparation, S.W.; writing—review and editing, J.Y.; visualization, S.W.; supervision, J.Y.; project administration, J.Y.; funding acquisition, J.Y. All authors have read and agreed to the published version of the manuscript.

Funding

This research was funded by the “Natural Science Foundation of Jilin Province” (20230101219JC). We also thank the anonymous reviewers for their critical comments and suggestions to improve the manuscript.

Data Availability Statement

The data presented in this study are available on demand from the corresponding author at yuanjun@jlau.edu.cn.

Conflicts of Interest

The authors declare no conflicts of interest.

References

  1. Bulletin on the National Grain Production in 2024. Available online: https://www.stats.gov.cn/sj/zxfb/202412/t20241213_1957744.html (accessed on 13 December 2024).
  2. Analysis Brief on China’s Corn Industry in 2023. Available online: https://www.thepaper.cn/newsDetail_forward_26827315 (accessed on 15 October 2024).
  3. Ministry of Agriculture and Rural Affairs: Taking Large-Scale Yield per Unit Area Improvement as a Key Measure to Fulfill the Grain Production Target and Tasks for Next Year. Available online: https://news.cctv.cn/2024/12/24/ARTIVpRw4MTdQXoVoWnuQryf241224.shtml (accessed on 20 May 2023).
  4. Chen, J.C.; Zhang, H.; Pan, F.; Du, M.J.; Ji, C. Control System of a Motor-Driven Precision No-Tillage Maize Planter Based on the CAN open Protocol. Agriculture 2022, 12, 932. [Google Scholar] [CrossRef]
  5. He, X.T. Research and Experiment on Map-Based Control System of Variable Rate Seeding. Ph.D. Thesis, China Agricultural University, Beijing, China, 2018. [Google Scholar]
  6. Yang, L.; Yan, B.X.; Zhang, D.X.; Zhang, T.L.; Wang, Y.X.; Cui, T. Research Progress on Precision Planting Technology of Maize. Trans. Chin. Soc. Agric. Mach. 2016, 47, 38–48. [Google Scholar] [CrossRef]
  7. Lou, X.H. Controller for seed metering device used in precision drill. J. China Agric. Univ. 2004, 02, 15–17. [Google Scholar]
  8. Zhang, H.; Pan, F.; Ji, C.; Chen, J.C. Brief Analysis on Research Progress of Electric Drive Precision Seeder in China. China South. Agric. Mach. 2022, 53, 20–24. [Google Scholar] [CrossRef]
  9. Bai, X.F.; Chang, J.X.; Mo, G.W.; Zheng, W.; Lu, J.J. Study on Speed Measurement Methods in Tractor Testing and Evaluation. Jiangsu Agric. Mech. 2016, 5, 34–37. [Google Scholar] [CrossRef]
  10. Wu, C. Design and Experiment of Speed-Dependent Seeding Control System of Rapeseed Precision Combined Seeding Machine. Master’s Thesis, Huazhong Agricultural University, Wuhan, China, 2022. [Google Scholar]
  11. Wang, S.; Zhao, B.; Kuang, L.H.; Shi, L.; Liu, Z.Q.; Yi, S.J.; Li, A.C. Current Situation Analysis and Prospect of Electric Drive Seeding Technology. J. Agric. Mech. Res. 2022, 44, 1–7+21. [Google Scholar] [CrossRef]
  12. Cheng, W.D.; Zhang, G.H.; Ruan, P.Y.; Diao, P.S.; Jin, C.Q. Application review on electric-driven seed metering device of domestic precision seeder for maize or soybean. J. Chin. Agric. Mech. 2017, 38, 13–16. [Google Scholar] [CrossRef]
  13. Jafari, M.; Hemmat, A.; Sadeghi, M. Development and performance assessment of a DC electric variable-rate controller for use on grain drills. Comput. Electron. Agric. 2010, 73, 56–65. [Google Scholar] [CrossRef]
  14. Liao, Q.X.; Luo, Z.C.; Yang, H.; Li, M.L.; Shen, W.H.; Wang, L. Variable-rate Seeding Control System Based on RTK Speed Measurement for Rapeseed Direct Seeder. Trans. Chin. Soc. Agric. Mach. 2024, 55, 65–74. [Google Scholar] [CrossRef]
  15. John Deere Seedstar 2, Seedstar XP User Manual. Available online: https://manualmachine.com/johndeere/seedstar2/2527098-user-manual/ (accessed on 16 October 2024).
  16. Longfeng ETR 12/18 Intelligent Electric-Driven Pneumatic Seeder. Available online: https://www.nongjitong.com/product/longfeng_2bmq_12_feeder.html (accessed on 15 October 2024).
  17. Xie, C.J.; Zhang, D.X.; Yang, L.; Cui, T.; He, X.T.; Du, Z.H.; Xiao, T.P. Research and Analysis on the Influence of Different Speed Measurement Methods on the Monitoring Accuracy of Seed Spacing. Agriculture 2023, 13, 128. [Google Scholar] [CrossRef]
  18. Ding, Y.Q.; Yang, L.; Zhang, D.X.; Cui, T.; He, X.T.; Zhong, X.J. Control System of Motor-driving Maize Precision Planter Based on GPS Speed Measurement. Trans. Chin. Soc. Agric. Mach. 2018, 49, 42–49. [Google Scholar] [CrossRef]
  19. Ma, F.Y.; Zhang, M.Y.; Xu, W.L. Research on Speed Measurement Methods of Agricultural Machinery Based on Doppler Radar and BDS. J. Agric. Mech. Res. 2023, 45, 150–154. [Google Scholar] [CrossRef]
  20. Keskin, M.; Sekerli, Y.E.; Kahraman, S. Performance of two low-cost GPS receivers for ground speed measurement under varying speed conditions. Precis. Agric. 2017, 18, 264–277. [Google Scholar] [CrossRef]
  21. Vishwanathan, R.; Weckler, P.R.; Solie, J.B.; Stone, M.L. Evaluation of Ground Speed Sensing Devices Under Varying Ground Surface Conditions. In Proceedings of the 2005 ASAE Annual International Meeting, Tampa, FL, USA, 17–20 July 2005. [Google Scholar]
  22. Chen, J.; Yue, D.J.; Zhu, S.L. Performance Assessment of BDS/GPS Single-Epoch Positioning. Mod. Surv. Mapp. 2017, 40, 15–20. [Google Scholar]
  23. Cay, A.; Kocabiyik, H.; May, S. Development of an electro-mechanic control system for seed-metering unit of single seed corn planters Part I: Design and laboratory simulation. Comput. Electron. Agric. 2018, 144, 71–79. [Google Scholar] [CrossRef]
  24. Cay, A.; Kocabiyik, H.; May, S. Development of an electro-mechanic control system for seed-metering unit of single seed corn planters Part II: Field performance. Comput. Electron. Agric. 2018, 145, 11–17. [Google Scholar] [CrossRef]
  25. Ranta, O.; Drocaş, A.; STĂNILĂ, S.; MOLNAR, A.; Muntean, M.; Ovidiu, M. The Main Advantages of E-Drive System Used for Precision Seeding. Bull. Univ. Agric. Sci. Vet. Med. Cluj-Napoca Agric. 2012, 69, 6. [Google Scholar] [CrossRef] [PubMed]
  26. Vaderstad Tempo R4-6 High-Speed Planter. Available online: https://www.vaderstad.com/en/planting/tempo-planter/tempo-r-4-6/ (accessed on 12 October 2024).
  27. 2160 Large Fron. Available online: https://www.caseih.com/en-us/unitedstates/products/planting-seeding/2000-series-early-riser-planter/2160-large-front-fold-trailing (accessed on 12 October 2024).
  28. He, X.T.; Ding, Y.Q.; Zhang, D.X.; Yang, L.; Cui, T.; Wei, J.T.; Liu, Q.W.; Yan, B.X.; Zhao, D.Y. Design and evaluation of PID electronic control system for seed meters for maize precision planting. Trans. Chin. Soc. Agric. Eng. 2017, 33, 28–33. [Google Scholar] [CrossRef]
  29. Yu, Y.; Hu, Y.R.; Shang, S.Q.; Diao, L.S.; Ge, R.C.; Zhang, X. Design of motor-driven precision seed-metering device with improved fuzzy PID controller for small peanut planters. Int. J. Agric. Biol. Eng. 2023, 16, 136–144. [Google Scholar] [CrossRef]
  30. Kalman, R.E. A New Approach To Linear Filtering and Prediction Problems. J. Basic Eng. 1960, 82D, 35–45. [Google Scholar] [CrossRef]
  31. Grimaldi, E.A.; Grimaccia, F.; Mussetta, M.; Zich, R.E. PSO as an effective learning algorithm for neural network applications. In Proceedings of the International Conference on Computational Electromagnetics & Its Applications, Beijing, China, 1–4 November 2004. [Google Scholar]
  32. GB/T6973-2005; Testing Methods for Single-Seed (Precision) Seed Drills. Standards Press in China: Beijing, China, 2005.
Figure 1. Operational schematic diagram: 1. Control box; 2. Frame; 3. Seeding fan; 4. Pressure transmitter; 5. Pneumatic seed meter; 6. Coupling; 7. Seeding motor.
Figure 1. Operational schematic diagram: 1. Control box; 2. Frame; 3. Seeding fan; 4. Pressure transmitter; 5. Pneumatic seed meter; 6. Coupling; 7. Seeding motor.
Agriculture 15 02582 g001
Figure 2. Schematic diagram of the control system structure.
Figure 2. Schematic diagram of the control system structure.
Agriculture 15 02582 g002
Figure 3. Architecture diagram of the fusion speed measurement algorithm.
Figure 3. Architecture diagram of the fusion speed measurement algorithm.
Agriculture 15 02582 g003
Figure 4. Multi-rate KF-RTS fusion speed measurement simulation model.
Figure 4. Multi-rate KF-RTS fusion speed measurement simulation model.
Agriculture 15 02582 g004
Figure 5. Structure of Kalman Filter-based fuzzy PID controller.
Figure 5. Structure of Kalman Filter-based fuzzy PID controller.
Agriculture 15 02582 g005
Figure 6. Flowchart of PID controller parameter optimization.
Figure 6. Flowchart of PID controller parameter optimization.
Agriculture 15 02582 g006
Figure 7. Simulation model.
Figure 7. Simulation model.
Agriculture 15 02582 g007
Figure 8. Bench test setup: 1. 220 V to 36 V switching power supply, 2. 36 V to 24 V buck converter, 3. Through-beam Laser Sensor, 4. DC motor, 5. Coupling, 6. Pressure Transmitter, 7. pneumatic suction seed metering device, 8. Seeding fan, 9. motor speed and air pressure monitoring, 10. motor driver, 11. STM32.
Figure 8. Bench test setup: 1. 220 V to 36 V switching power supply, 2. 36 V to 24 V buck converter, 3. Through-beam Laser Sensor, 4. DC motor, 5. Coupling, 6. Pressure Transmitter, 7. pneumatic suction seed metering device, 8. Seeding fan, 9. motor speed and air pressure monitoring, 10. motor driver, 11. STM32.
Agriculture 15 02582 g008
Figure 9. Test equipment.
Figure 9. Test equipment.
Agriculture 15 02582 g009
Figure 10. Seed Spacing Measurement.
Figure 10. Seed Spacing Measurement.
Agriculture 15 02582 g010
Figure 11. Simulation results of KF-RTS fusion speed measurement and RTK-GNSS speed measurement: (a) Overall phase; (b) Acceleration phase; (c) Deceleration phase.
Figure 11. Simulation results of KF-RTS fusion speed measurement and RTK-GNSS speed measurement: (a) Overall phase; (b) Acceleration phase; (c) Deceleration phase.
Agriculture 15 02582 g011
Figure 12. Speed error.
Figure 12. Speed error.
Agriculture 15 02582 g012
Figure 13. System step response curves of PID control and fuzzy PID control.
Figure 13. System step response curves of PID control and fuzzy PID control.
Agriculture 15 02582 g013
Figure 14. System step response curves with and without Kalman Filter.
Figure 14. System step response curves with and without Kalman Filter.
Agriculture 15 02582 g014
Figure 15. Effects of operating air pressure and forward speed on seeding quality: (a) Variation in the miss index; (b) Variation in the multiple index; (c) Variation in the precision index.
Figure 15. Effects of operating air pressure and forward speed on seeding quality: (a) Variation in the miss index; (b) Variation in the multiple index; (c) Variation in the precision index.
Agriculture 15 02582 g015
Figure 16. Fitted surface (The blue area indicates the response surface fitted curve.).
Figure 16. Fitted surface (The blue area indicates the response surface fitted curve.).
Agriculture 15 02582 g016
Figure 17. Motor speed response curve: (a) Acceleration process; (b) Deceleration process.
Figure 17. Motor speed response curve: (a) Acceleration process; (b) Deceleration process.
Agriculture 15 02582 g017
Table 1. Internal motor parameters.
Table 1. Internal motor parameters.
Parameter NameValue
Armature resistance (Ra)2.2 Ω
Armature inductance (La)6.43 × 10−3 H
Moment of inertia (Jm)2.1 × 10−4 kg·m2
Back EMF constant (Ke)0.17
Torque constant (Kt)0.3
Table 2. Tractor kinematic parameters.
Table 2. Tractor kinematic parameters.
No.StateTime Period (s)Acceleration (m/s2)
1static0~400
2acceleration40~500.34
3uniform velocity50~600
4deceleration60~70−0.25
5uniform velocity70~800
Table 3. Simulation parameters of the Three-axis Accelerometer module and GNSS module.
Table 3. Simulation parameters of the Three-axis Accelerometer module and GNSS module.
ModuleParameter NameValue
Three-axis Accelerometerdamping ratio0.707
noise intensity0.001 g
update frequency100 Hz
GNSSspeed measurement accuracy0.03 m/s
update frequency5 Hz
Table 4. Fuzzy control rule table for ∆Kp.
Table 4. Fuzzy control rule table for ∆Kp.
KpEC
NBNMNSZOPSPMPB
ENBPBPBPMPMPSZOZO
NMPBPBPMPSPSZONS
NSPMPMPMPSZONSNS
ZOPMPMPSZONSNMNM
PSPSPSZONSNSNMNM
PMPSZONSNMNMNMNB
PBZOZONMNMNMNBNB
Table 5. Fuzzy control rule table for ∆Ki.
Table 5. Fuzzy control rule table for ∆Ki.
KiEC
NBNMNSZOPSPMPB
ENBNBNBNMNMNSZOZO
NMNBNBNMNSNSZOZO
NSNBNMNSNSZOPSPS
ZONMNMNSZOPSPMPM
PSNMNSZOPSPSPMPB
PMZOZOPSPSPMPBPB
PBZOZOPSPMPMPBPB
Table 6. Fuzzy control rule table for ∆Kd.
Table 6. Fuzzy control rule table for ∆Kd.
KdEC
NBNMNSZOPSPMPB
ENBPSNSNBNBNBNMPS
NMPSNSNBNMNMNSZO
NSZONSNMNMNSNSZO
ZOZONSNSNSNSNSZO
PSZOZOZOZOZOZOZO
PMPBNSPSPSPSPSPB
PBPBPMPMPMPSPSPB
Table 7. Levels of test factors.
Table 7. Levels of test factors.
LevelTest Factor
Working Air Pressure (kPa)Speed (km/h)
133
23.54
346
44.58
5510
65.512
Table 8. Comparison between operating wind pressure and operating voltage.
Table 8. Comparison between operating wind pressure and operating voltage.
Working Air Pressure (kPa)Operating Voltage (V)
322.9
3.524.7
426.3
4.527.7
529.3
5.530.8
Table 9. Comparison of speed measurement errors between RTK-GNSS and KF-RTS.
Table 9. Comparison of speed measurement errors between RTK-GNSS and KF-RTS.
StateParameterRTK-GNSS (m/s)KF-RTS (m/s)Reduction Compared to RTK-GNSS
(%)
Constant speedMean0.01370.007843.07
Standard deviation0.02630.013050.57
Maximum value0.02340.006472.65
AccelerationMean0.13850.022683.68
Standard deviation0.02720.010162.87
Maximum value0.22710.051277.45
DecelerationMean−0.12920.030976.08
Standard deviation0.02250.011648.44
Maximum value−0.07420.048434.77
Table 10. Results of the two-factor test on operational speed and working air pressure.
Table 10. Results of the two-factor test on operational speed and working air pressure.
Test IndicatorsOperating Wind Pressure (kPa)Speed (km/h)
34681012
Miss index (%)36.76 (±0.98)6.44 (±1.01)5.04 (±1.01)6.43 (±1.05)7.28 (±1.17)15.59 (±2.84)
3.57.63 (±1.11)6.52 (±0.67)5.45 (±0.88)4.49 (±0.79)5.91 (±1.21)9.89 (±1.00)
46.00 (±1.03)6.15 (±0.85)3.56 (±0.72)3.94 (±0.67)4.07 (±1.21)7.56 (±0.81)
4.55.26 (±0.88)3.09 (±0.80)3.05 (±0.70)1.59 (±0.57)4.02 (±0.90)6.57 (±0.66)
54.19 (±0.78)4.32 (±0.73)2.51 (±0.62)2.38 (±0.64)2.99 (±0.74)4.08 (±0.82)
5.55.56(±1.15)3.49 (±0.63)3.09 (±0.61)2.17 (±0.63)1.14 (±0.35)4.05 (±0.67)
Multiple index (%)34.50 (±0.65)3.92 (±0.61)1.48 (±0.60)0.84 (±0.16)0.47 (±0.20)0.06 (±0.02)
3.54.42 (±0.68)3.60 (±0.65)2.56 (±0.55)1.60 (±0.43)0.38 (±0.11)0.56 (±0.17)
44.57 (±0.66)3.56 (±0.90)2.01 (±0.66)0.72 (±0.43)0.33 (±0.10)0.06 (±0.01)
4.52.63 (±0.51)0.92 (±0.38)0.47 (±0.22)0.61 (±0.09)0.07 (±0.02)0.20 (±0.09)
53.72 (±0.57)2.16 (±0.53)0.94 (±0.41)0.83 (±0.10)0.58 (±0.16)0.25 (±0.07)
5.52.56 (±0.55)2.49 (±0.47)2.06 (±0.61)0.51 (±0.11)0.63 (±0.13)0.60 (±0.14)
Precision index (%)388.74 (±1.18)89.64 (±1.18)93.48 (±1.17)92.73 (±1.06)92.25 (±1.19)84.35 (±2.84)
3.587.95 (±1.30)89.88 (±0.93)91.99 (±1.04)93.91 (±0.90)93.71 (±1.22)89.55 (±1.02)
489.43 (±1.22)90.29 (±1.24)94.43 (±0.98)95.34 (±0.80)95.60 (±1.21)92.38 (±0.81)
4.592.11 (±1.02)95.99 (±0.89)96.48 (±0.73)97.80 (±0.58)95.91 (±0.90)93.23 (±0.67)
592.09 (±0.97)93.52 (±0.90)96.55 (±0.74)96.79 (±0.65)96.43 (±0.76)95.67 (±0.82)
5.591.88 (±1.28)94.02 (±0.79)94.84 (±0.86)97.32 (±0.64)98.23 (±0.37)95.35 (±0.68)
Table 11. Two-Factor rest ANOVA table for operating speed and working air pressure.
Table 11. Two-Factor rest ANOVA table for operating speed and working air pressure.
Test IndicatorsSource of VariationSum of SquaresDegrees of FreedomMean SquareFp
Miss indexoperating wind pressure249.014549.803264.955**
Speed324.232564.846344.988**
Interaction156.918256.27733.393**
Error13.534720.188
Total variation743.697107
Multiple indexoperating wind pressure173.171534.634929.063**
Speed20.89654.179112.107**
Interaction24.509250.98026.298**
Error2.684720.037
Total variation221.260107
Precision indexoperating wind pressure425.793585.159218.761**
Speed459.959591.992236.315**
Interaction143.634255.74514.759**
Error28.028720.389
Total variation1057.414107
Note: ** indicates a highly significant effect (p < 0.01).
Table 12. Speed–Wind pressure correlation table.
Table 12. Speed–Wind pressure correlation table.
Speed (km/h)Operating Wind Pressure (kPa)
44.31
64.39
84.46
104.50
124.60
Table 13. Performance indicators.
Table 13. Performance indicators.
Performance MetricsSpeed (km/h)
681012
Steady-state value (r/min)1491.661994.982492.062996.08
Rise time (s)0.300.380.500.48
Settling time (s)0.320.420.540.52
Overshoot (%)0.220.150.360.36
Steady-state error (%)1.060.760.830.64
Table 14. Seeding performance indicators under different speed measurement methods.
Table 14. Seeding performance indicators under different speed measurement methods.
Speed Measurement MethodSpeed (km/h)Precision Index (%)Miss Index (%)Multiple Index (%)Coefficient of Variation (%)
RTK-GNSS694.363.651.9916.51
894.353.781.8718.14
1092.605.691.7123.02
1290.127.062.8225.73
KF-RTS696.691.991.3212.66
897.152.240.6113.78
1095.723.131.1516.39
1294.114.920.9718.80
Disclaimer/Publisher’s Note: The statements, opinions and data contained in all publications are solely those of the individual author(s) and contributor(s) and not of MDPI and/or the editor(s). MDPI and/or the editor(s) disclaim responsibility for any injury to people or property resulting from any ideas, methods, instructions or products referred to in the content.

Share and Cite

MDPI and ACS Style

Wu, S.; Shi, F.; Zhang, X.; Liu, J.; Huang, D.; Yuan, J. Development of a Maize Precision Seed Metering Control System Based on Multi-Rate KF-RTS Fusion Speed Measurement. Agriculture 2025, 15, 2582. https://doi.org/10.3390/agriculture15242582

AMA Style

Wu S, Shi F, Zhang X, Liu J, Huang D, Yuan J. Development of a Maize Precision Seed Metering Control System Based on Multi-Rate KF-RTS Fusion Speed Measurement. Agriculture. 2025; 15(24):2582. https://doi.org/10.3390/agriculture15242582

Chicago/Turabian Style

Wu, Shengxian, Feng Shi, Xinbo Zhang, Jianhong Liu, Dongyan Huang, and Jun Yuan. 2025. "Development of a Maize Precision Seed Metering Control System Based on Multi-Rate KF-RTS Fusion Speed Measurement" Agriculture 15, no. 24: 2582. https://doi.org/10.3390/agriculture15242582

APA Style

Wu, S., Shi, F., Zhang, X., Liu, J., Huang, D., & Yuan, J. (2025). Development of a Maize Precision Seed Metering Control System Based on Multi-Rate KF-RTS Fusion Speed Measurement. Agriculture, 15(24), 2582. https://doi.org/10.3390/agriculture15242582

Note that from the first issue of 2016, this journal uses article numbers instead of page numbers. See further details here.

Article Metrics

Article metric data becomes available approximately 24 hours after publication online.
Back to TopTop