Next Article in Journal
Seed Priming as a Tool for Optimizing Sugar Beet Canopy Traits, Root Yield and Technological Sugar Yield
Previous Article in Journal
Determinants of Postharvest Quality in ‘Gala Schniga® SchniCo Red(s)’ Apples: The Role of Harvest Date, Storage Duration, and 1-MCP Application
 
 
Font Type:
Arial Georgia Verdana
Font Size:
Aa Aa Aa
Line Spacing:
Column Width:
Background:
Article

Optimization of a Low-Loss Peanut Mechanized Shelling Technology Based on Moisture Content, Flexible Materials, and Key Operating Parameters

1
Nanjing Institute of Agricultural Mechanization, Ministry of Agriculture and Rural Affairs, Nanjing 210014, China
2
Chinese Academy of Agricultural Sciences, Beijing 100081, China
3
Jiangsu Academy of Agricultural Sciences, Nanjing 210014, China
*
Authors to whom correspondence should be addressed.
Agriculture 2025, 15(22), 2365; https://doi.org/10.3390/agriculture15222365
Submission received: 29 September 2025 / Revised: 23 October 2025 / Accepted: 11 November 2025 / Published: 14 November 2025
(This article belongs to the Section Agricultural Technology)

Abstract

In order to address the problems of high mechanical damage rate (MDR) and poor variety adaptability in mechanical peanut shelling, this paper improves a small, flexible arc-plates drum–circular grid bar concave screen-type peanut-shelling device. Firstly, by combining the Hertz theory and the Weibull distribution model, the shelling and separation models of drums of rigid rods and flexible arc-plates were established. Through comparative analysis, it was verified that the latter has a lower MDR and energy consumption and has excellent shelling performance. Then, through single-factor experiments and an Analysis of Variance (ANOVA), the influence laws of peanut moisture content, drum speed, shelling spacing, and hardness of flexible material (silicone) on the MDR and shelling efficiency (SE) were explored. Subsequently, Box–Behnken’s four-factor three-level regression experiments were carried out, and the optimal shelling operation parameters were obtained by using the response surface multi-objective optimization method (RSM) and verified experiments. The results show that when moisture content is 11%, drum speed is 227 rpm, shelling spacing is 24 mm, and silicone hardness is 40 HA, the kernel’s MDR after shelling is 4.73%, which is reduced by 5.51% and the SE is 95.21%, which is increased by 3%. The R2 and the Root Mean Square Error (RMSE) of the actual value versus the predicted value of the model were 0.9921, 0.9624, 7.99 × 10−2, and 3.1 × 10−3, respectively. The relevant research provides references for reducing losses, improving quality, and applying new materials for components in mechanical peanut shelling.

1. Introduction

Peanuts (Arachis hypogaea L.), as a globally significant oilseed and cash crop, hold a pivotal position in the agricultural economy [1]. The global peanut planting area is approximately 3.11 × 107 hectares and the output reaches 5.42 × 107 tons, mainly distributed in regions such as China, India, and Africa [2]. As a major peanut producer, China has extensive planting areas and continuously increasing yields, with its output value showing a structural growth trend. The peanut industry plays a key role in ensuring the supply of edible oil, the demand for raw materials in food processing, and export earnings in China [3,4,5]. According to the latest official data from the FAO [6] in 2023, China’s peanut-planting area reached 4.85 × 106 hectares, accounting for 15.69% of the global total, ranking second in the world. The output was 1.93 × 107 tons, accounting for approximately 35.5% of the global total, ranking first in the world. Peanut production areas in China are spread all over the country and are widely scattered. They are mainly cultivated by a large number of small-scale farmers. Each region has its own specific peanut varieties, which are complex and have significant differences in physical–mechanical properties. The United States is one of the few developed countries that have achieved large-scale peanut cultivation. Its shelling and processing technology is relatively mature and highly compatible with the variety of types, and the operation quality can sufficiently meet domestic peanut processing needs. Although some Chinese enterprises have introduced its technology and equipment, the poor compatibility of the equipment and local peanut varieties has led to unsatisfactory operation quality. Therefore, China still needs to carry out independent innovation of technology in combination with local production experience models and variety characteristics [7]. Meanwhile, in 2025, the Chinese government explicitly stated that they would begin “exploiting the potential of peanut varieties expansion”, which also brings excellent development opportunities for the research on peanut shelling technology and the development of equipment.
The shelling stage is one of the core steps in the production and processing of peanuts to realize their value transformation. Peanuts are highly susceptible to aflatoxin infection. The exposure of tissues due to mechanical damage during shelling increases the risk of mold [8]. In addition, peanuts for sowing require that the kernels are undamaged, the seed coats have no cracks or shedding, and the process must be suitable for the low-damage shelling of multiple peanut varieties, with extremely high requirements for mechanical shelling technology. Therefore, high-quality and low-loss shelling technology and operation equipment have increasing significance for improving the quality of peanut products, reducing processing losses, ensuring the demand for edible oil, seed use, and food safety. In recent years, the optimization of peanut mechanical shelling technology has mainly focused on four major directions: (1) designing different shelling principle methods or improving the structure of the machinery [9,10,11,12,13]; (2) constantly improving the process parameters of shelling processing [14]; (3) studying the process-influencing factors such as the characteristics of peanut varieties, moisture content, and temperature [15,16,17,18,19,20]; and (4) reducing the damage to the kernels during processing by adopting flexible methods [21,22]. However, the existing shelling techniques and equipment still have certain limitations in practical applications. On the one hand, due to the inherent characteristics of mechanical structure, shelling materials, and action methods, the kernels still suffer from a relatively high MDR, which seriously affects the quality and commercial value of peanuts and reduces the economic benefits of farmers and processing enterprises [23,24]. On the other hand, there has been no systematic optimization of mechanical shelling processing in multiple aspects in combination with the characteristics of peanuts, process factors, equipment structure parameters, and component materials. The adaptability to different varieties, different moisture contents, and different maturity levels of peanuts during processing is poor, resulting in significant fluctuations in peanut processing quality, making it difficult to meet the high-quality shelling production requirements [17,25]. Therefore, it is of great significance to further optimize the comprehensive performance of peanut shelling technology.
Unlike the centralized peanut cultivation and industrialized shelling in developed countries like the United States, the production model of independent shelling by Chinese peanut growers determines that medium–small sized shellers with simple structures and lower costs are preferred by the vast number of small-scale farmers in China [26]. Accordingly, based on the small peanut shelling machine, this paper focuses on flexible shelling and loss reduction, and proposes an optimization scheme for the structure of key components by introducing the concept of a rigid–flexible combination. A set of arc-plate drum–circular grid bar-type peanut shelling machines with replaceable outer flexible components and adjustable parameters is improved. By establishing the shelling and separation models before and after component optimization, the superior performance of its structure is analyzed and verified. Furthermore, through systematic experimental research, the influence mechanisms of shelling quality and kernel damage were explored. Moreover, in combination with characteristics such as the moisture content of peanuts, multi-objective optimization of shelling process parameters was carried out. The overall optimization design flow is shown in Figure 1. The research results provide theoretical, technical, and equipment support for improving the shelling performance and loss reduction technology of peanuts and promoting the sustainable development of the peanut processing industry.

2. Materials and Methods

2.1. Structure and Working Principle of Peanut-Shelling Device

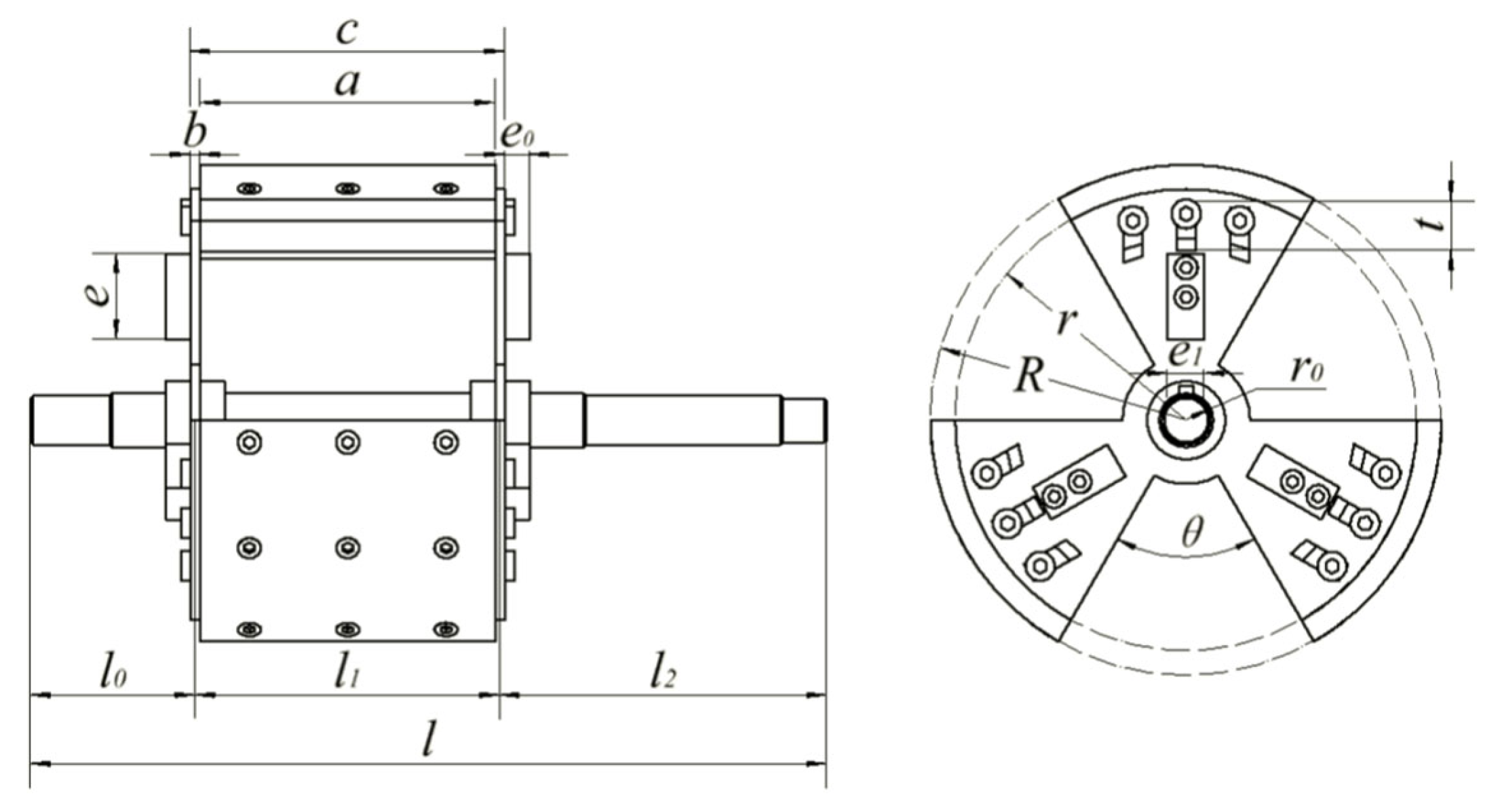
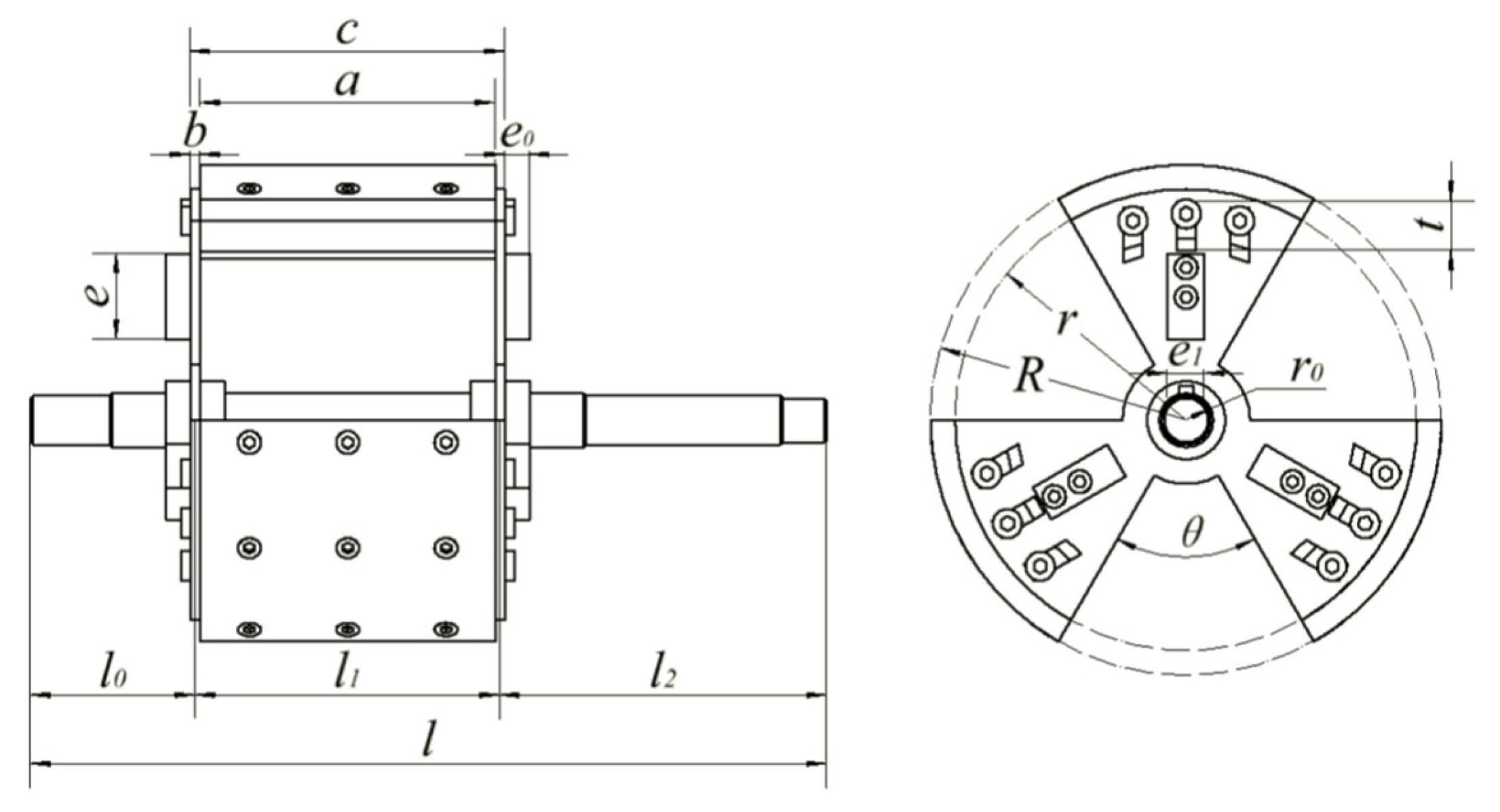
The small, flexible arc-plates drum-type peanut-shelling equipment mainly consists of a feeding hopper, shelling chamber, drive pulley, fan, impurity removal port, discharge outlet, motor, frequency converter, universal wheels, and machine frame. The overall structure and parameters of the machine are shown in Figure 2 and Table 1 below. The enlarged part in the figure is the shelling chamber, in which the shelling drum and the concave screen are the key components of the machine, having the greatest impact on the peanut-shelling effect and the damage to the kernels.
When the equipment is operating, the power system synchronously drives the shelling drum and the fan via the motor and the transmission pulley. The peanut pods awaiting processing are introduced into the shelling chamber through the feeding hopper. Under the interaction between the shelling drum and the concave screen, the shells are efficiently broken through the combined effects of impact shearing, squeezing, and rubbing, etc., by the flexible arc-plates. The drum’s side-strips rotate with the drum at high speeds to disturb the materials, enhancing the agitation effect within the cavity to improve shelling efficiency. After shelling, the mixture (kernels–shells–impurities) falls through the concave screen holes into the guiding chute. During this process, the impurity removal fan generates a directional airflow field. Pneumatic separation is achieved by utilizing the difference in suspension speed between the shell and kernel materials. Light impurities such as broken shells are blown away along the upper guiding chute through the impurity removal port, while the heavier intact kernels are collected via the lower guiding chute to the discharge port, completing the separation of kernels and shells. The structure and working principle of peanut shelling and shell–kernel separation are shown in Figure 3 below. After equipment optimization, the following can be achieved: (1) continuous and controllable feeding of the feed hopper, (2) linear adjustment of the drum/fan rotation speed as required, and (3) portable disassembly and replacement of flexible components and rapid cleaning and replacement of concave screens. These improvements significantly enhance the adaptability of the machine to different varieties and can meet the application scenarios of multi-variety shelling such as breeding. The optimized design details of the components are shown in Figure 4.

2.2. Design and Selection of Key Components for Flexible Arc-Plates Drum-Type Sheller

2.2.1. Selection Test for Low-Loss Shelling Structure

According to data retrieval and market research [27], the drum–concave screen-type sheller has been widely used. Its drum types usually include open rigid/elastic rods/plates type and closed rubber drum types, etc. The open rigid/elastic rods/plates-type drum is composed of three rods/plates evenly distributed at 120° intervals around the shaft. These rods/plates are rigidly connected to the shaft or elastically connected through high-ductility cold-rolled steel strips. When the drum rotates, it forms an incompletely closed circle, while the closed rubber drum type forms a completely closed circle. The main types of concave screens include woven mesh screens, punched screens, and grid bar screens, as shown in Figure 5a After years of market verification, woven screens have been phased out due to problems such as poor rigidity, easy deformability, and often resulting in a high MDR of the kernels. Although the punched screen has sufficient strength, the screen’s surface utilization coefficient is low and the shelling efficiency is not high, which has also led to a gradual decrease in its application rate. In contrast, the performance of the grid bar screen is superior. Therefore, we directly selected the grid bar screen as the concave screen type. In order to explore which drum type has better performance, the above three types of drums were installed in sequence on the same small peanut sheller and a comparative selection test was conducted on these three types of drums, as shown in Figure 5b. Shelling operations were carried out on three types of peanut varieties, namely “Suhua 0537”, “Suhua 0106”, and “Suhei Hua No. 1”, a total of 9 groups of tests were carried out, with each group repeated 3 times; after sampling inspection, the average values of the shelling indicators were recorded and the shelling quality was compared.

2.2.2. Design of Flexible Arc-Plates Shelling Drum

After the selection test, the basic shelling structure was determined to be the open rigid rods/plates drum–grid bar concave screen type. According to work experience, the rod components mainly act by means of impact, which may result in a relatively high energy output and damage probability to the peanuts. Meanwhile, the rods and the peanuts can be regarded as in linear contact, with a relatively small contact area and low shelling efficiency. It is assumed that if the drum is improved with rigid and flexible composite arc-plates with surface contact, it can not only increase the contact area with peanuts to improve the shelling efficiency but also reduce the impact to decrease the probability of kernel damage. In addition, it was also noted that the shelling rate on the side of the rods drum is low; therefore, flexible strips were added to improve efficiency. The overall structure and explosion view of the flexible arc-plates shelling drum designed according to the assumptions are shown in Figure 6.
The structure of the flexible arc-plates-type shelling drum is an open drum composed of three rigid–flexible composite arc-plates and two side plates evenly distributed around the shaft, among which the rigid arc-plates are externally attached with silicone plates. The side plates are formed by three sector plates evenly distributed around the shaft (θ = 60°), and the shaft is connected by welded shaft sleeves and keyways. Hole slots are reserved at the ends of the sector plates to connect the arc-plates and adjust the shelling spacing, while holes are drilled centrally for connecting side strips. Its dimensions were primarily optimized by referencing the original small sheller’s components. The specific structural parameters of this drum are listed in Table 2 and Figure 7 is a structural design view of the shelling drum.

2.2.3. Design and Selection of Concave Screen

(1)
Design of concave screen
The concave screen is composed of concave arc-shaped side edges, circular grid bars, and hanging ears. It mainly serves to cooperate with the shelling drum to rub and squeeze the pods in order to break the shells and separate the kernels from the shells. The concave screen adopts a semi-arc concave surface to increase the open space and reduce damage. The two sides of the screen surface are equipped with hanging ears to form a drawer type, which is convenient for portable replacement. The overall material is Q235 steel. The structural parameters of the concave screen are listed in Table 3 and Figure 8 is a structural design view of the circular grid bar concave screen.
(2)
Comparative test on performance of concave screen grid bar forms
Most of the mainstream peanut shelling equipment in the United States uses concave screens with “T”-shaped grid bars, while most of the concave screens in China are of the circular grid bar type. In order to comparatively explore the shelling performance of concave screens with different grid bar forms, concave screens with long grid bars, square grid bars, and horizontal grid bars were designed and fabricated (as shown in Figure 9). Combined with the circular grid bar sieve, these several grid bar forms of concave sieves were used to conduct peanut shelling experiments on three types of peanuts. For each experimental group, only the grid bar form was changed. The gap between the grid bars was set to 12 mm for all and other shelling parameter conditions remained unchanged. Each group repeated the experiment three times, and the mean value of the data was recorded after sampling and inspection.
(3)
Determination of the passing area of the concave screen
The arc length and passing area of the concave screen have a significant impact on the shelling and shell–kernel separation capacity of the equipment. There are two ways to calculate the passing area: projection along the arc surface and vertical projection (as shown in Figure 10). Here, taking the concave screen with a gap of x = 12 mm as an example, the number of bars is s = 20.
The formula for the passing area S 1 projected along the arc surface is as follows:
S 1 = S c S g = W c L c s L g d
where   S c is the concave area, m2; S g is the total area of the grid bars, m2; W c is the width of the concave surface, 0.174 m; L c is the arc length of the concave surface, 0.3165 m; L g is the length of a single grid bar, 0.174 m; and d is the width of a single grid bar, 0.005 m.
According to Equation (1), the projected area S 1 along the arc surface is determined to be 0.0377 m2.
When projected vertically, due to the concave curvature, the actual width of the grid bars and gaps will be reduced by the angle α tilt. The projected width is as follows:
d p   α = d · c o s α ,     x p   α = x · c o s α
where d p   α is the projection width of the grid bars at a certain angle, m; and x p   α is the projected width of the gap at a certain angle, m.
The total number of bars distributed along the concave surface is as follows:
s = 2 π R 0 d + s · α 2 π = α R 0 d + s
where α is the central angle of the concave surface, 138°; R 0 is the radius of curvature of the concave surface, 0.13 m; Here, s = 20.
The total projected area S g of the grid bars is
S g = s α 2 + α 2 d α · L g d α = 2 s d L g sin α 2
The formula for the passing area S 2 of the vertical projection is
S 2 = S c S g = W c L c 2 s d L g sin α 2
According to Equation (5), the vertical projection area S 2 is determined to be 0.0226 m2.
Figure 10. The passing area of the concave screen. (a) Projection along the arc surface; (b) vertical projection.
Figure 10. The passing area of the concave screen. (a) Projection along the arc surface; (b) vertical projection.
Agriculture 15 02365 g010

2.2.4. Creation of Predictive Model

According to the working principle of the peanut-shelling device, the working process can be divided into two stages. The first stage is shelling, which is the process of the pods breaking open and the internal kernels being released; the second stage is shell–kernel separation, that is, the kernels pass through the material layer and are separated by a concave screen. It is be known that the more unshelled pods there are in the chamber, the higher the probability of shelling. The more kernels that are separated, the greater the probability of separation through the concave screen. Therefore, the following model assumptions are made [28].
(1)
During the process of shelling and separation, the physical properties of the materials remain unchanged. The probability of pods breaking out of the shells and removing the kernels within the material pile is equal, and the probability of shell–kernel separation at any position is also equal. The peanuts are simplified into homogeneous ellipsoids, the contact area of the rods/arc-plates is simplified into regular shapes, and the gaps of the screen grid bars are evenly distributed.
(2)
The screen steel grid bars and the drum’s flexible materials are both regarded as isotropic linear elastomers. The plastic deformation, viscoelasticity, and strain rate effect are ignored and the material parameters are taken as the static values at room temperature. The compression deformation of the flexible material is much smaller than its thickness, and the bending deflection of the screen grid bars is less than 10% of the gap, which meets the principle of linear superposition.
(3)
The energy transfer during shelling is centered on a single impact by the rod or a single compression by the arc-plates, ignoring the cumulative effect of multiple repeated collisions within the drum. The elastic deformation of the screen and the flexible material is linearly superimposed through the series spring stiffness model, ignoring the friction at the contact interface and the synergistic impact effect.
Based on the above assumptions, the shelling model and the shell–kernel separation model were established for the rigid rods drum and the flexible arc-plates drum (as shown in Figure 11) [29,30]. In reality, peanut shelling is a multi-stage energy transfer process that occurs under the interaction between the shelling drum and the concave screen, including extrusion deformation, crack propagation, and shell fragmentation and peeling. Various situations such as the geometric shape of peanuts, the elastic deformation, elastic–plastic failure thresholds of the shell, and the influence of humidity on the toughness of the shell need to be considered. Stress–strain fracture criterion and the energy conservation equation were introduced to reflect on the cumulative effects during shelling.
The shelling stress threshold function is
σ b = σ 0 1 + k m m p b l 0.6
where σ b is the fracture stress threshold, MPa; σ 0 is the initial rupture stress of the dried pods, MPa; k m is the humidity sensitivity coefficient; m p is the moisture content of peanuts, %; and l / b are, respectively, peanut long/short diameter, mm.
Based on the Hertz contact theory [31,32], coupling the elastic deformation of the flexible material of drum and the concave screen, its comprehensive elastic modulus E e f f is
E e f f = 1 ν f 2 E f + 1 ν s 2 E s 1
where E f , E s and   ν f , ν s are, respectively, the elastic modulus and Poisson’s ratio of the drum’s flexible material and the concave screen, MPa.
The dynamic shelling coefficient is established according to the drum types as
μ r = C 1 r + C 2 r ( z r S r + z s S s ) u t u 0 u t A n + C 3 r E e f f ρ u t 2 t f q ε 2 σ b
μ c = C 1 c + C 2 c z c S c α u t A n u t 0.625 u 0 + C 3 c E e f f ρ u t t f q ε 2 σ b S c
where μ r is the dynamic shelling coefficient of the rods drum that mainly outputs the shear impact action; μ c is the dynamic shelling coefficient of the arc-plates drum that mainly outputs the extrusion and rubbing impact action; C 1 r and C 1 c are the basic shelling constants; C 2 r and C 2 c are the contact action coefficients; C 3 r and C 3 c are the energy coupling coefficients; z r , z c , and z s are the quantity densities of the rods, arc-plates, and screen grid bars and rods (plates)/m2; S r , S c , and S s are the effective contact areas of single rod, single arc-plate, and single bar, mm2; S r = w r l r , S c = r c l c θ c , S s = d s l s   ( l r , and w r are the length and width of the end face of the rod; l c , r c , and θ c are the axial length, curvature radius, and arc surface central angle of the arc-plate; l s and d s are the axial length and diameter of the grid bars, mm, θ c = π 3 rad); u 0 is the peanut conveying speed; u t = n π D / 60 is the linear speed of the drum, m/s ( n is the rotational speed of the drum, rpm, and D is the diameter of the drum, mm); A n = π b 2 / 4 is the normal contact area of the short axis of peanuts, mm2; α = 138 ° = 23 π / 30   r ad is the concave screen central angle; q is the feed flow rate, kg/s; t f is the thickness of the flexible material, mm; and ε is the spacing between the drum and the concave screen, mm.
The energy accumulation of the rods-type drum is
E t r = n z r α 120 π · m p u t 2 · S r π D L s · 1 1 + E e f f t f E f d s
where M p = ( π l b 2 / 6 ) ρ × 10 9 is the mass of a single peanut, kg and L s is the axial length of the concave screen, mm.
The energy accumulation of the arc-plates drum is
E t c = μ c · ρ q u 0 ε L s · r c S c α · 1 e t f ε e f f
where ρ q u 0 / ε L s represents the mass of the material passing through the drum within a unit of time; 1 e ( t f / ε e f f ) is the deformation factor, simulating the nonlinear compression characteristics of elastomers, ε e f f = ε + b .
Based on the Weibull distribution failure model [33], the probability of pod shells breaking and kernels releasing was determined as the shelling rate, and its formula is
x t r = 1 e E t r E c r 1.5 ,     x t c = 1 e E t c E c c 1.2
where x t r and x t c are the shelling rate of the rods/arc-plates drum. E c r and E c r are the critical breaking energies of peanut shells in the rods/arc-plates drum, J.
Shell–kernel separation is a process of sorting broken shells, kernels, etc., by utilizing the differences in physical properties of materials after shelling. Various situations such as screening by the geometric size of sieve holes, gas–solid two-phase separation, and the influence of flexible friction need to be considered. The reflux coefficient and the probability of false separation are introduced to indirectly reflect the cumulative effect of separation. The shell–kernel separation model is as follows (universal for the two types of shelling drum) [34,35]. The separation function is
β a = P 1 + P 2 π u t w s l b v a u t ρ · 6 M p q + P 3 x l l x b b x l x b
where β a is the separation coefficient; P 1 is the basic separation constant; P 2 is the separation coefficient of air flow movement; P 3 is the geometric sieving coefficient; w s is the width of the concave screen, mm; v a is the airflow velocity, m/s; ρ = ρ k ρ h is the density difference between the shell and the kernel ( ρ k is the density of the kernel, ρ h is the density of the broken shells, kg/m3); and x l and x b are the axial/circumferential gaps of the screen holes, mm.
The separation rate represents the probability that the kernels pass through the screen surface and are separated from the broken shells. The formula is
y f = x t 1 e β a a f 0 1.5 + k 1 x t γ
where y f is the separation rate; a f 0 is the coefficient of separation difficulty; k is the reflux coefficient; and γ is the probability of false separation.
The establishment of this theoretical model is based on contact mechanics, energy accumulation, and screening theory as the mechanism orients. The coefficients of the model have not been calibrated and the performance of the two types of drums can be compared through qualitative analysis. First, is an analysis of the aspects of the shelling mechanism, damage risk, and energy consumption. The impact of kinetic energy from the rotating rods in the drum induces brittle fracture of pods. The shelling performance of this system depends on high rotational speed and kinetic energy intensity. The shelling rate x t r and the kinetic energy E of this system are both u t 2 . In such circumstances, energy consumption is relatively high and the concentrated impact stress is prone to damage the kernels; it is more suitable for industrial-level high-power application scenarios such as oil manufacturing. The arc-plates drum causes fatigue fracture through rubbing, squeezing, and sliding friction against the concave screen. Its shelling performance relies on cumulative frictional work performed during pod compression; the shelling rate x t c and the frictional work W of this system are both u t . In such circumstances, the process operates at low speed and low energy consumption with uniform force applied to the material, making it suitable for fine processing applications with low-damage requirements such as breeding shelling. Furthermore, analyzing the key parameters, x t r is relatively less affected by the shelling spacing ε , while x t c 1 / ε 2 ; therefore, the arc-plates drum must precisely control the spacing to ensure shelling rate and prevent over-pressure damage to the kernels. When the screen hole gap x is small, it is prone to clogging, affecting the separation probability, and the arc-plates drum shelling is prone to producing half-open shells, with higher clogging risk when the shelling rate is low. The contact area S r of the rod is small, requiring high-frequency impacts to provide sufficient energy, whereas the arc-plate has a high single-action energy with a larger contact area S c and stronger flexible cushioning effect; as σ b increases with the rise in peanut moisture content k m , the efficiency of the rod’s impact decreases, but the large contact area S c of the arc-plate can compensate for the increase in σ b , making the arc-plate drum more suitable for high-humidity peanut shelling; since x t r and x t c α , a larger screen central angle is beneficial for both drums, but the arc-plate benefits more significantly due to its larger S c . In summary, the arc-plate drum is more suitable for small-scale, low-loss peanut-shelling devices, thus verifying the correctness of the structural optimization hypothesis.

2.3. Peanut Samples and Moisture Conditioning Treatment

The peanut samples used in the experiment were the national registered variety “Suhua 0537”, which was cultivated by the Institute of Economic Crops of Jiangsu Academy of Agricultural Sciences [36] and was widely planted in the Huainan region of Jiangsu Province. The parameters of the samples were determined in accordance with the Chinese standard GB/T 5262-2008 [37]; we randomly selected one hundred pods and kernels and for each of the samples the three-diameter dimensions and the hundred-grain weight, etc., were measured and the average values were taken. The peanuts were dried using the DGF30/7-IA electric heating blower drying oven (Nanjing Experimental Instrument Factory, Nanjing, China) in accordance with the Chinese standard GB/T 20264-2006 and “Moisture Measurement—Peanuts” [38,39], and the initial moisture content was calculated by the following formula:
M = m 0 m 1 m 0
where M is the moisture content of peanuts on a wet basis, % w.b.; m 0 / m 1 are the masses of the peanut sample before/after drying, g.
Using the Sansizongheng UTM6503 electronic universal (SUNS, Shenzhen, China) testing machine to compress peanuts 10 times at a loading speed of 20 mm/min, the average was taken to obtain the force required for the pods to break and kernels to damage. Table 4 below shows the biological characteristic parameters of the peanut samples.
Before the experiment, the peanut samples were subjected to impurity removal and grading treatment using the 5XY-0.3 peanut pods classifier (NIAM, Nanjing, China) to ensure uniform pod size and prevent impurities from aggravating the damage to the kernels during shelling and the uniformity difference from affecting the shelling effect.
The peanut’s moisture content is one of the important influencing factors affecting the shelling quality of peanuts [40]. As the moisture content of the pods increases, the shell undergoes plasticization due to hydration, with a significant decrease in hardness and brittleness of pods, resulting in a reduction in the resistance to shell breaking. After the kernels absorb moisture, the elastic modulus decreases and the fracture toughness increases, and the MDR decreases accordingly. However, when the moisture content exceeds the critical threshold, the shell becomes more resilient due to the plasticizing effect and the required breaking force increases significantly. Moreover, the high-humidity environment is prone to inducing mold infections and activating kernel’s metabolism to produce germination reactions [41]. Therefore, by using humidity adjustment pre-treatment to directionally control the moisture content of the kernels and supplementing it with sun-drying to enhance the brittleness of the shell, shelling efficiency can be synergistically optimized and damage can be inhibited. We calculated the mass of distilled water required for humidity adjustment by using the following formula [42]:
Q = W i M f M i 100 M f
where Q is the mass of distilled water added, kg; W i is the initial mass of the peanut sample, kg; and M i / M f are the initial/final moisture content of the peanut sample, % d.b.

2.4. Experimental Indicators

Referring to the industry standard NY/T 994-2006 [43], the MDR and the SE were taken as evaluation indicators, among which the MDR was the sum of the breakage rate and the damage rate. The grains collected from the shelling test were sampled in accordance with DG/T 128-2022 [44]. The sampled samples were inspected, sorted, and weighed according to intact kernels, broken kernels, damaged kernels, and unshelled pods. The testing methods for evaluation indicators are as follows, and the interrater agreement (kappa) was κ = (P0 − Pₑ)/(1 − Pₑ) = 0.7822 > 0.75, indicating good consistency in the evaluation.
MDR: When the shelling equipment operates continuously and stably, samples are taken from the discharge port. Three samples are taken for each group of tests, with each sample weighing no less than 1 kg. The broken and damaged kernels are manually sorted and weighed. B is the breakage rate and D is the damage rate. The calculation formula is
B = W p W w + W p + W s × 100 % ,   D = W s W w + W p + W s × 100 % ,   M D R = B + D
where W w / W p / W s are the mass of intact/broken/damaged kernels, g.
SE: Select the unshelled pods from the samples taken, peel them open, and weigh the internal kernels. The calculation formula is
S E = W w + W p + W s W w + W p + W s + W b × 100 %
where W b is the mass of the internal kernels of unshelled pods.

2.5. Experimental Schemes

2.5.1. Single-Factor Experiment

In order to test the feasibility of the component design, clarify the influence laws of each factor on the shelling performance of the device, and select the key working parameter intervals, a single-factor test was carried out on the device. Based on relevant research and actual operation conditions [45,46,47], the pods’ moisture content, the drum speed, the space between the drum, and the concave screen are the main factors affecting shelling operation performance. Meanwhile, according to the design analysis, the hardness of the flexible material attached to the arc-plates and the space between the drum side and the shelling chamber also have certain influences on the shelling quality and are taken as test factors. Referring to previous experience and the characteristics of peanut shelling, the level range of the drum speed is set at 150–270 rpm, the shelling spacing is set at 14–32 m, and the moisture content is set at 8–20%; the width of the shelling chamber is 190 mm and the length of the shelling drum is 128 mm; silicone side strips are installed on both sides of the drum; the change in the side space between the drum and the chamber is replaced by replacing the side strips of different lengths; the level range of the side strips’ length is set at 0–20 mm (that is, the adjustment range of the side space between the drum and the chamber is 11–31 mm). The hardness level range of the selected silicone is 10–70 HA.
The experiment was conducted in the laboratory of Nanjing Agricultural Mechanization Research Institute of the Ministry of Agriculture and Rural Affairs in early October 2024. The test material was “Suhua 0537” and the equipment was a flexible arc-plates drum shelling device. The experiment carried out 33 groups of tests at each level of the five factors, with each group of tests repeated three times, totaling 99 shelling tests. The parameter levels of the standard group are a drum speed of 190 rpm, silicone of 60 HA, side strip length of 0 mm, and initial moisture content; in addition, the pod feed rate is 30 ± 2 g/s, and fan speed is 9.85 ± 1.35 m/s. In the experimental group, except for changing the level of individual test factor, the levels of other factors remain the same as those of the standard group. The factor level table is Table 5. After checking the samples, the sample data were recorded. Figure 12 shows the single-factor test stage.

2.5.2. Parameter Optimization Experiment Based on BBD

Based on the Box–Behnken design and the results of the single-factor experiment, the peanuts’ moisture content A , the drum’s rotational speed B , the shelling spacing C , and the silicone hardness D were selected as the influencing factors, and the MDR  R 1 and the SE  R 2 were taken as the response values to carry out a multiple regression test with four-factors and three-levels. According to the effective influence range of each factor, the high, medium, and low values are, respectively, corresponding to levels 1, 0, and −1; the factor levels are shown in Table 6. The central group was set to repeat 5 groups as the zero-point error estimation. The specific experimental plan was generated in the Design-Expert software (as shown in Table 7) and 29 groups of tests were carried out, with each group repeated 3 times, totaling 87 tests.
Before the experiment, 6 bags of pods with moisture contents of 8% and 14%, and 12 bags of pods with a moisture content of 11% were prepared at a rate of 3 kg per bag; after moisture adjustment, they were sealed in plastic-sealed bags and homogenized at a constant temperature of 5 °C for 12 h. During the experiment, the equipment started and the drum ran smoothly; then, the material was continuously and uniformly fed at a rate of 30 ± 2 g/s to shelling and the fan speed is maintained 9.85 ± 1.35 m/s. After the output was stable, samples were taken; the mass of each sample taken was 300 g ± 20 g. After the experiment was completed, the samples were manually sorted and checked. The average values of each indicator were calculated and the data were statistically analyzed. The parameter optimization experiment process is shown in Figure 13 below.

3. Results and Discussion

3.1. Analysis of the Test Results for the Selection of Low-Loss Shelling Structures

The results of the shelling structural selection test are shown in Figure 14, from which it can be seen that the shelling quality difference in the three different types is obvious. The MDR of the closed rubber drum type is significantly higher than the other two; the main reason is that the closed structure is completely enclosed and occupies a large volume in the shelling chamber, the materials in the chamber such as pods, kernels, and broken shells, etc., do not have sufficient movement space; excessive squeezing leads to a sharp increase in the MDR, and when the feeding volume is increased, blockage and other situations are also prone to occur. The kernels’ MDR of the open elastic rods type is slightly higher than that of the open rigid rods type, this might be because the elastic rods vibrate under force during shelling, increasing the chance of rubbing between the kernels and thereby enhancing the damage. The SE of the open rigid rods type is the highest, followed by the closed rubber drum type, and the open elastic rods type. Overall, among the three, the open rigid rods-type drum has the best shelling performance, with the kernels’ MDR is approximately 5.56% to 10.24%; the SE is about 92.21% to 96.52% and the subsequent optimization of the machine is carried out on the basis of this type.
The test data can also compare the three peanut varieties’ machine-shelling suitability; from the point of view of the MDR, Suheihua No. 1 is superior to Suhua 0106, and Suhua 0537 is the worst; from the point of view of the SE, Suheihua No. 1 is superior to Suhua 0537, and Suhua 0106 is the worst. Overall, the Suheihua No. 1 is the most suitable for mechanical shelling; Suhua 0537 has high requirements for the variety adaptability of shelling equipment, subsequent optimization of the machine will be carried out on the Suhua 0537 variety to deeply enhance the adaptability of the sheller.

3.2. Results Analysis of the Performance Comparison Test of Concave Screen Grid Bar Forms

The results of performance comparison test of the concave screen grid bar forms are shown in Figure 15. Among them, the horizontal concave grid bar-type concave screen has insufficient structural support at the bottom of the grid bar and the pods are prone to fall out of the concave surface under compression, resulting in a relatively high missed shelling rate, so no data are recorded. It can be seen from Figure 15 that the shelling quality of the circular grid bar is the best and the overall MDR and SE are both better than the other two forms. The shelling quality of the long grid bar is moderate, among which the MDR is relatively high. The analysis of the reason is that the long grid bar is narrower and has a smaller force-bearing area, increasing the pressure on the kernels and thereby increasing the damage. The shelling quality of the square grid bar is relatively poor, and the SE is relatively low. The analysis of the reason is that as the force-bearing area of the square grid bar increases, the pressure on the kernels decreases, so the pods are difficult to break open. Therefore, the form of the concave screen grid bar is set as circular grid bar. The mechanical adaptability demonstrated by the three types of peanuts remains the best among Suheihua No. 1, followed by Suhua 0106 and Suhua 0537.

3.3. Results Analysis of the Single-Factor Experiment

According to the test results, the trend of the shelling indicators of each factor is shown in Figure 16 It can be seen from Figure 16a that with the increase in the drum speed, the MDR continuously increased from 8.57% to 13.78%, and the SE showed an inverted “v” trend; when the speed increased from 150 rpm to 210 rpm, the effect on the SE was obvious, it increased from 86.87% to 93.03% and then began to decrease slightly, the possible reason analyzed is that when the drum operates at an excessively high rotational speed, it will output a large force to squeeze some smaller pods to fall through the concave screen in the case of incomplete shelling, increasing the unshelled rate. Using IBM SPSS Statistics 26.0 for ANOVA and by conducting Tukey’s HSD post hoc inspection, the p-values for the MDR and the SE were 0.0161 and 0.0176, respectively, both of which were less than the significance level α = 0.05, indicating a significant difference between the groups, so this factor has a significant impact on the shelling quality and can be used as a key factor to continue studying the interaction among multiple factors, selecting the level range as 190 rpm to 250 rpm.
It can be seen from Figure 16b that both shelling indicators show a downward trend with the increase in the peanut moisture content. When the moisture content is at low level of 8% to 12%, the SE increases with the increase in the moisture content; at this time, water just begins to seep into the pods, the shell absorbs water and becomes soft but not completely soaked, the fibrous structure of shell starts to change from firm to loosen, making it easier to break the shell and remove the kernels. When the moisture content continuously rises to a high level, the pods completely absorb water and expand. The hemicellulose changes from a rigid state to a flexible body; the toughness of the shell increases, and it undergoes significant deformation under compression, making it less prone to break the shell, the SE drops rapidly to 86.06%. When the moisture content is 8%, the kernels’ MDR is relatively high at 11.79%, with the increase in the moisture content, the kernels’ water-absorbing expansion allowed the elastic modulus to gradually become smaller, then the MDR steadily drops. When the moisture content reaches a higher value of 20%, the MDR begins to rebound, this is because at this time, the SE is relatively low, and the pods fail to break out and be discharged in time; mixed materials such as kernels and broken shells are piled up in the shelling chamber for a long time and operate at high speeds, increasing the probability of the MDR. The ANOVA showed that the p-values were 0.0264 and 0.012, respectively, indicating that this factor had a significant impact on the shelling quality. When the moisture content was between 8% and 16%, the comprehensive shelling effect was better. However, considering that when the moisture content was 16%, the peanuts had higher humidity and were prone to mold contamination, the subsequent test level range was selected as 8% to 14%.
It can be seen from Figure 16c that the shelling indicators are significantly affected by the shelling spacing and the variation range is large. The SE decreased from 95.03% to 86.79% with the increase in spacing, showing a continuous linear decrease. With the increase in the spacing, the MDR decreased significantly at first and then increased slightly, showing a trend similar to an inclined “L” shape; when the spacing was 23 mm, the MDR reached the lowest point, which was 9.23%, the subsequent recovery of the MDR was most likely due to the gradual increase in the spacing, the space of the peanut rubbing layer became larger, and the pods were not squeezed out of the kernels efficiently and left the shelling chamber. The longer the kernels stay in the chamber, the greater the probability of damage, which leads to an increase in the MDR. The ANOVA showed that the p-values were 5.34 × 10−6 and 2.71 × 10−5, respectively, both less than 0.01, indicating that this factor had a very significant impact on the shelling quality and needed to be further studied as a key factor. The subsequent experimental level range was 20 mm to 26 mm.
It can be known from Figure 16d that the shelling indicators show increasing trends as the silicone hardness increases. The two indicators have a negative correlation, when the silicone hardness is low, the MDR increases slowly with the increase in hardness, while the SE increases significantly; when the hardness reaches 50 HA, the increment of the MDR becomes significantly larger, while the growth rate of the SE slows down; when the hardness level is in the middle range, the two indicators show a higher SE and a lower MDR, and at this time, the shelling quality is better. The ANOVA showed that the p-values were 0.0361 and 0.0424, respectively, indicating that this factor had a significant impact on the shelling effect. The subsequent test level range was selected as 20 HA–60 HA.
It can be seen from Figure 16e that the shelling indicators have no obvious change under different drum side spacings and the changing range is not large; the MDR is only 4.19% and the SE is only 3.19%. The ANOVA showed that the p-values were 0.1426 and 0.0788, respectively, both greater than 0.05, indicating that this factor had no significant effect on the shelling quality; so, no next research on this factor. The shelling quality is optimal when the length of the side strip is 10 mm; therefore, a 10 mm-long silicone strip is selected as the side strip, that is, the drum side distance is controlled at 21 mm.

3.4. Results Analysis of the Parameter Optimization Experiment

The recorded data results after completing the experiment based on the scheme generated by the Design-Expert 13.0 software are shown in Table 7 as follows. ANOVA analysis and multiple regression linear fitting were conducted on the data in the table to establish R 1 and R 2 multiple linear regression equations of A , B , C , and D .

3.4.1. Regression Model and Significance Analysis

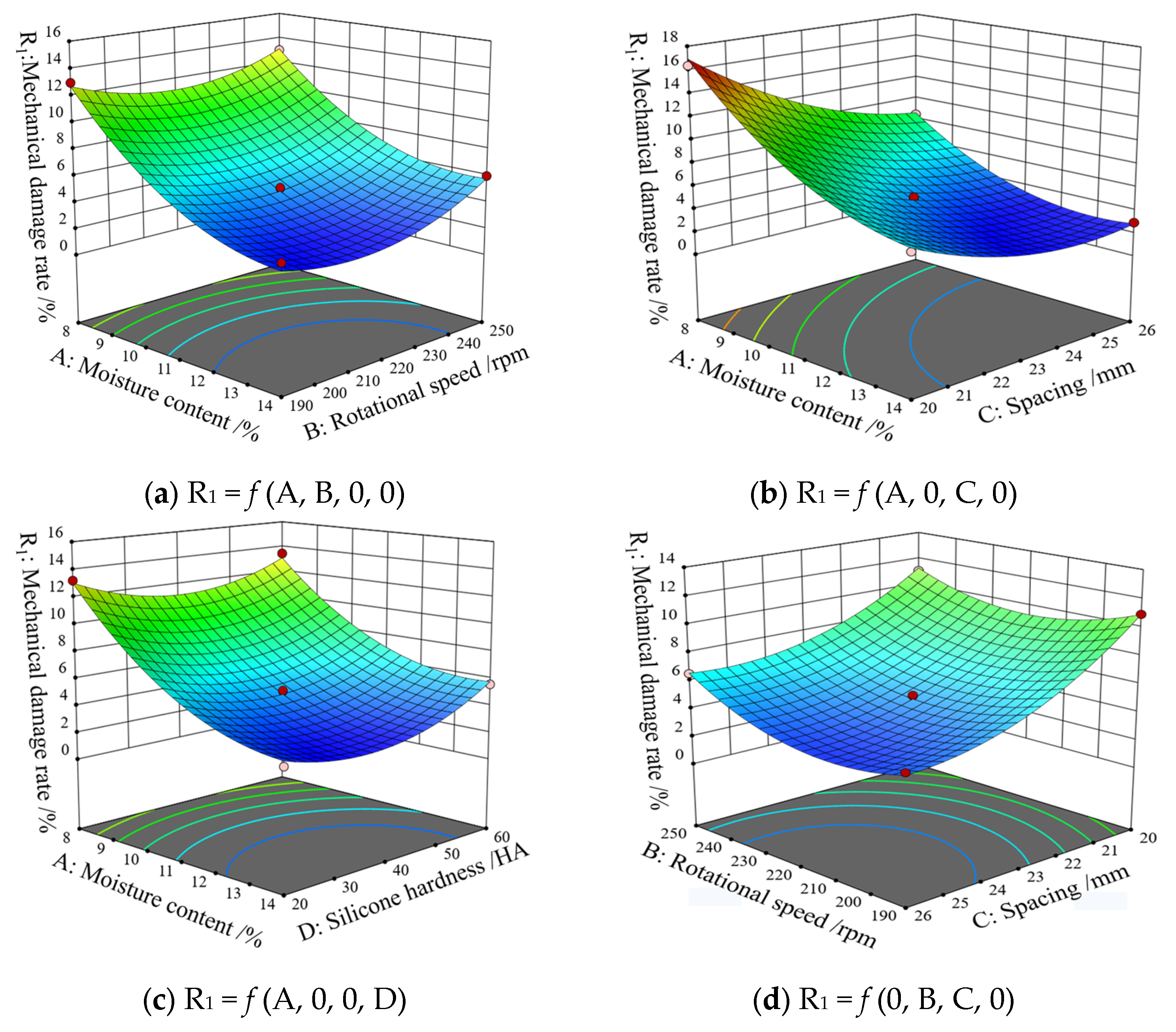
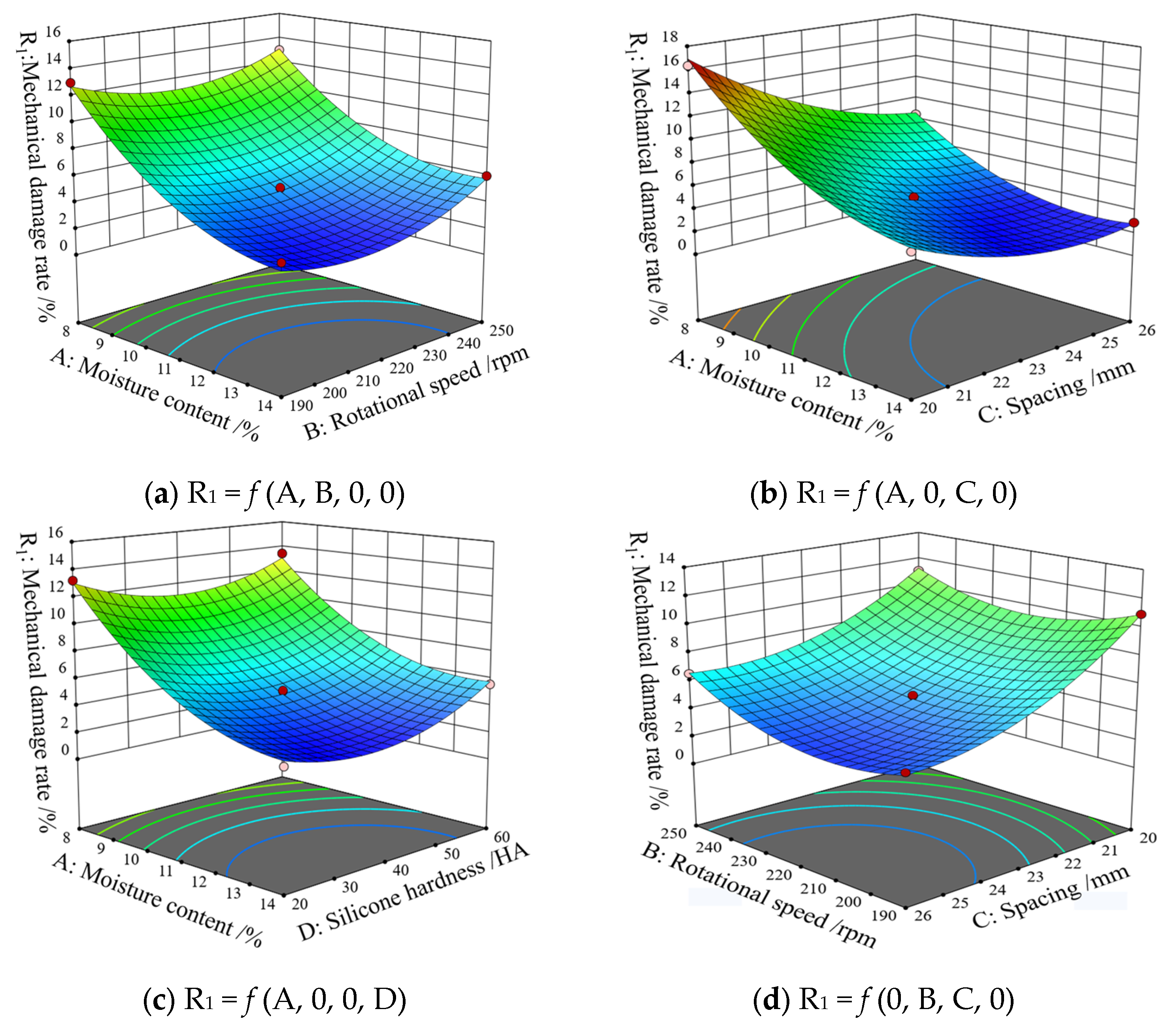
The ANOVA of the kernels’ MDR after shelling is shown in Table 8; the p-values of all variables except the B D and C D interaction terms were less than 0.05, which had a significant effect on the model, with the p-values of A , B , C , D , A C , A 2 , B 2 , C 2 , and D 2 being less than 0.01, which had a highly significant effect on the model. After standardizing the coefficients of each variable, the ranking of their significance on the model from largest to smallest is as follows: A > C > A 2 > D 2 > B 2 > C 2 > A C > B > D > B C > A D > A B > B D > C D .
The quadratic regression model was fitted on the data and the quadratic regression equation obtained is as follows:
R 1 = 341.3575 11.4369 A 1.0131 B 12.112 C 0.368 D + 0.0057 A B                                                     + 0.1406 A C + 0.0087 A D + 0.006 B C + 0.23 A 2 + 0.0019 B 2                                                     + 0.18 C 2 + 0.0047 D 2
The model p < 0.0001 indicates that the regression model of the kernels’ MDR is extremely significant, the model’s determination coefficient R2 = 0.9921, indicating that the model can reflect 99.21% of the response value changes. Its mismatch p > 0.05 is not significant, indicating that the obtained quadratic regression equation has a high degree of fit and a small experimental error; the fitting between the model predicted values and the experiment actual values is shown in Figure 17. The predicted R2 = 0.9568 is basically consistent with the adjusted R2 = 0.9841, and the difference between the two is less than 0.2; the coefficient of variation (C.V.) = 5.93%, indicating that the data stability of this model is relatively high. The adequate precision is 41.7817 4, indicating that the model has high reliability and can be used for result prediction and parameter optimization guidance.
The ANOVA of the pods’ SE after shelling is shown in Table 9. The p-values of variables A , B , C , A 2 , B 2 , and D 2 are less than 0.01, which has a very significant impact on the model; the p-values of variables A C and B C are within the range of 0.01–0.05, which has a significant impact on the model. The p-values of variables D , A B , A D , B D , C D , and C 2 are greater than 0.05, and their influence on the model is not significant. The descending order of the significance influence of the standardized coefficient of the variable is A > A 2   > C > B > D 2 > B 2 > A C > B C > A B > B D > D > C D > A D > C 2 .
The quadratic regression model was fitted on the data, and the quadratic regression equation obtained is as follows:
R 2 = 64.5638 + 3.6911 A + 0.2532 B 1.6746 C 0.1065 A C + 0.0101 B C 0.1712 A 2 + 0.0011 B 2 0.0026 D 2
The model p < 0.0001 indicates that the regression model of the pods’ SE is extremely significant, the model’s determination coefficient R2 = 0.9624, indicating that the model can reflect 96.24% of the response value changes. Its mismatch p > 0.1 is not significant, indicating that the obtained quadratic regression equation has a high degree of fit and a small experimental error. Figure 18 shows the fitting relationship between the predicted values and the actual values. The difference between the predicted R2 = 0.7990 and the adjusted R2 = 0.9248 is less than 0.2, and the adequate precision is 17.9848 4, indicating that the model has a high goodness of fit for the existing data and can be used to guide optimization. However, the C.V. = 70.96%, suggesting that there is a large degree of dispersion in the data. The prediction error of the model in practical applications may be relatively large, and its long-term reliability needs to be further verified and evaluated.

3.4.2. Response Surface Analysis and Parameter Optimization

(1)
Response surface analysis
The 3D response surfaces of the interaction terms were generated using Design-Expert 13.0 software. The interaction effects of four factors on the kernels’ MDR and pods’ SE after shelling were analyzed. Figure 19 and Figure 20, respectively, represent the 3D response surface diagrams of the interaction terms that have significant effects on R 1 and R 2 .
It can be seen from Figure 19a that the higher the R 1 when low-level A combines with high-level B , the lower the R 1 when high-level A combines with low-level B ; the degree of curve bending change in the direction of A is more obvious than that of B , indicating that A has a more significant influence on R 1 than B . In the figure, R 1 gradually decreases as the level of A increases, indicating that when B is fixed, the larger A is, the higher the humidity of the peanut increases; the cell wall of the kernels continuously hydrates and expands, forming a gel-like matrix to soften the kernels, and the elastic modulus of the kernels rapidly decreases, causing elastic deformation and increasing the deformation amount. At this time, the kernel loss factor rises, reducing the stress and impact energy caused by the collision and rubbing of the shelling drum on the kernels, thereby lowering the MDR; R 1 first decreases and then increases as the level of B increases, this is because when A is fixed and B begins to increase, the disturbance to the peanut material in the shelling chamber intensifies. After being rubbed and squeezed by the drum, the peanut material is rapidly shelled and discharged from the chamber, reducing the time the material stays in the chamber and the probability of damage, and lowering the MDR. As B continued to grow, the drum rotated too fast, constantly impacting and squeezing the peanut material, causing the damage to rise. It can be observed from Figure 19b that when low level A combines with low-level C , the higher the R 1 is, and when high level A combines with high-level C , the lower the R 1 is, the degree of curve bending change in the direction of A is more obvious than that of C , indicating that A has a more significant influence on R 1 than C . In the figure, when C is fixed, R 1 gradually decreases as the level of A increases, the reason is basically the same as (a), and no further analysis is needed; R 1 decreases as the level of C increases, this is because when A is fixed, the larger C is, the more space the peanuts have to move between the shelling drum and the concave screen, the less the squeezing and rubbing effect of the shelling drum on the peanuts, the lower the chance of peanuts squeezing and rubbing each other, and the lower the risk of kernel damage. It can be seen from Figure 19c that when low-level A combines with high-level D , the higher the R 1 is, and when high-level A combines with low-level D , the lower the R 1 is, the degree of curve bending change in the direction of A is more obvious than that of D , indicating that A has a more significant influence on R 1 than D . In the figure, when D is fixed, R 1 gradually decreases as the level of A increases, and the reason is basically the same as (a). R 1 first decreases and then increases as the level of D increases, this is because when A is fixed and D begins to increase, the hardness of the silicone plate attached to the outside of the shelling drum increases, which improves the pods’ shelling efficiency; after the shells and kernels are separated, they are quickly discharged from the shelling chamber, reducing the damage to the kernels caused by material retention. It can be seen from Figure 19d that the lower the R 1 when a low-level B combines with a high-level C , the higher the R 1 when a high-level B combines with a low-level C , the degree of curve bending change in the direction of C is more obvious than that of B , indicating that the influence of C on R 1 is more significant than that of B . In the figure, when C is fixed, R 1 first decreases and then increases as the level of B increases, and the reason is similar to (a); when B is fixed, R 1 decreases as the level of C increases, and the reason is similar to (b).
Figure 19. Response surface of significant items to the kernels’ MDR.
Figure 19. Response surface of significant items to the kernels’ MDR.
Agriculture 15 02365 g019
Figure 20. Response surface of significant items to the pods’ SE.
Figure 20. Response surface of significant items to the pods’ SE.
Agriculture 15 02365 g020
It can be seen from Figure 20a that the higher the R 2 when low-level A combines with low-level C , the lower the R 2 when high-level A combines with high-level C ; the degree of curve bending change in the direction of A is more obvious than that of C , indicating that a has a more significant influence on R 2 than C . In the figure, when C is fixed, R 2 first increases and then decreases as the level of A increases, this is because when A begins to increase, the pod gradually absorbs water and softens the shell, reducing the hardness of the shell and making the pod relatively easier to break the shell, which improves the pods’ SE. However, as A continues to increase, the lignified fibers of the shell absorb moisture and expand, strengthening the intermolecular hydrogen bonds, resulting in an increase in the toughness of the shell and a decrease in its brittleness, the increase in the compressive strength of the shell makes it more difficult for the shelling device to effectively crack the shell through impact and compression, resulting in a decrease in the SE. It can be seen from Figure 20b that when low-level B combines with high-level C , the smaller the R 2 is, and when high-level B combines with low-level C , the R 2 is larger, the curve in the direction of C changes in a straight line, and the degree is more obvious than that of A , indicating that C has a more significant influence on R 2 than A . In the figure, R 2 gradually increases as the level of B increases, indicating that when C is fixed, the larger B is, the more vigorously the peanuts rotate with the drum, the stronger the disturbance effect, and the peanuts are squeezed and rubbed, which makes the SE higher; R 2 gradually decreases as the level of C , when B is fixed, the larger C is, the greater the movement space of peanuts between the shelling drum and the concave screen will be, the squeezing and rubbing intensity of the shelling drum on peanuts will decrease, resulting in a decrease in the pods’ SE.
(2)
Parameter optimization analysis
In order to improve the operational performance of the device, further multi-objective optimization of the model is required to find an optimal set of factor parameter levels. The objective function and constraints for determining the combination of key parameters to obtain the best performance of this equipment are shown in Equation (21).
M in R 1 ( A , B , C , D ) M a x R 2 ( A , B , C , D ) s . t . 8 % A 14 % 190   rpm B 250   rpm 20   mm C 26   mm 20   HA D 60   HA
The results of theoretical parameter optimization are as follows: when the drum speed is 226.604 rpm, the spacing between the drum and the concave screen is 23.9142 mm; the silicone hardness is 39.9045 HA, and the peanut moisture content is 11.0104%; the kernels’ MDR is 4.39%, and the pods’ SE is 95.5239%.

3.5. Optimal Parameter Verification Test

In order to verify the practical feasibility of the optimal parameter combination and the reliability of the model’s prediction, the verification test of the optimal parameters of shelling was carried out. In order to conveniently adjust of the mechanism parameters and the actual operation of the test, the actual optimal parameters were adjusted as follows: the peanuts moisture content was adjusted from 11.0104% to 11%, the drum speed was rounded from 226.604 rpm to 227 rpm, the drum–concave screen spacing was rounded from 23.9142 mm to 24 mm, and the flexible components were made of a 40 HA silicone plate. The experiment was repeated five times for the mean value, and the results are shown in Table 10.
Through sample checking and statistics (as shown in Figure 21), the shelling quality of the device under the optimal parameters is obtained as the following: the kernels’ breakage rate was 1.91%, the kernels’ damage rate was 2.83%, the MDR was the sum of the two 4.73%, and the pods’ SE was 95.21%, reaching the expected values of this study. The average predicted values of the model were 4.38% for the MDR and 95.51% for the SE. The relative errors between the model and the actual values were 7.99% and 0.31%, respectively, and the errors did not exceed 10%; it is indicated that the obtained regression equation has a relatively high credibility and can be used to predict the shelling quality of the peanut-shelling device under different parameters. Meanwhile, the verification test results show that the improved design flexible arc-plates drum shelling device in this research can achieve low-loss and efficient shelling of peanuts under the optimal parameter group.

4. Discussion

To enhance the performance and loss reduction technology of peanut’s mechanized shelling, systematic process optimization of small-scale shellers is carried out on multiple aspects such as structural improvement, flexible shelling, process factors, and multi-parameter adjustment. After determining the basic shelling configuration of the open rigid-bars drum–circular grid bar concave screen through the selection tests, the open flexible arc-plates drum was improved on this basis, and the shelling and separation prediction models were established. Through model comparison, it was verified that the rigid and flexible combined arc-plates open-shelling drum can convert a large amount of impact effect on pods during operation into a friction-dominated rubbing effect. Supplemented by flexible material buffering, the open drum provides sufficient flow space to prevent excessive squeezing. The structural parameters can be conveniently adjusted to adapt to different varieties of peanuts, which can significantly reduce the probability of damage to the kernels.
The value ranges of four key parameters were determined through single-factor experiments and ANOVA: the drum speed was 190 rpm to 250 rpm, the moisture content was 8% to 14%, the shelling spacing was 20 mm to 26 mm, and the silicone hardness was 20 HA to 60 HA. The BBD test design and verification results show that when the moisture content is 11%, the drum speed is 227 rpm, the shelling spacing is 24 mm, and the silicone hardness is 40 HA; the shelling performance reaches the best when the MDR is 4.73% and the SE is 95.21%.
However, this study still has certain limitations and challenges. Firstly, when constructing the prediction model for peanut shelling and separation before and after optimization, the coefficients were not calibrated, the model can only be used for qualitative trend comparison analysis. It is necessary to conduct in-depth experiments to calibrate the coefficients and improve the model before precise quantitative analysis can be carried out. Secondly, although the regression model of SE has excellent fitting ability, its data stability is insufficient. It is necessary to reduce the C.V. by optimizing the experimental design (such as increasing the sample size) and then evaluating its long-term reliability. Furthermore, no experiments have been conducted on multiple types of peanuts for verification. The actual variety adaptability of the flexible shelling drum needs to be further tested. Moreover, the characteristics of peanut varieties vary greatly and there is a one-to-one relationship between the variety and the optimal shelling process parameters. To obtain the best shelling performance for each variety, targeted experiments need to be carried out. In addition, the kernels used for breeding require zero damage to the red skin. In reality, mechanical shelling methods cannot meet this requirement and kernels with internal damage are difficult to identify. In future research, it is expected to explore a new shelling method to solve this problem.

5. Conclusions

In this study, a method combining structural assumptions, predictive model verification, and experimental design was employed to improve small, flexible arc-plates drum–circular grid bar concave screen-type peanut shelling equipment. The optimal performance parameter combination for shelling was obtained as the following: when the moisture content of peanuts was 11%, the drum speed was 227 rpm, the spacing between drum and concave screen was 24 mm, and the flexible component was a 40 HA silicone plate; the kernels’ MDR after operation was 4.73%, a reduction of 5.51%, and the pods SE was 95.21%, an increase of 3%. This further reduced the shelling damage and achieved the expected goal.
This method provides solid theoretical and technical support for reducing losses and improving quality in the operation of small-scale peanut-shelling machines and also marks further exploration of peanut shelling and loss-reduction technology. Future applications can be extended to intelligent peanut-shelling systems. By establishing a variety, a process database and process parameters can be adjusted in real time according to the variety during operation to achieve full-process mechanized operation and adaptive regulation. Peanut-shelling and loss-reduction technology plays a crucial role in the post-processing industry of peanut production and is of great significance in reducing the loss of agricultural products and ensuring food safety.

Author Contributions

Conceptualization, J.W., M.L., and T.L.; methodology, X.L.; software, X.L.; validation, H.W., C.S., and T.L.; formal analysis, J.W., C.S., and T.L.; investigation, X.L., T.L., and J.A.; resources, M.L., and Y.S.; data curation, X.L.; writing—original draft preparation, X.L.; writing—review and editing, J.W.; visualization, X.L.; supervision, Z.H., and J.W.; project administration, M.L.; funding acquisition, H.X., and J.W. All authors have read and agreed to the published version of the manuscript.

Funding

This research was funded by the China Agriculture Research System (CARS-13) and the Chinese Academy of Agricultural Sciences Innovation Project.

Informed Consent Statement

Not applicable.

Data Availability Statement

Data will be provided by the corresponding author upon reasonable request.

Acknowledgments

The authors would like to thank their teacher and supervisor for their advice and help. We also appreciate the editor and anonymous reviewers for their valuable suggestions for improving this paper.

Conflicts of Interest

The authors declare no conflicts of interest.

References

  1. Liao, B. A review on progress and prospects of peanut industry in China. Chin. J. Oil Crop Sci. 2020, 42, 161–166. [Google Scholar] [CrossRef]
  2. FAO. FAOSTAT. Available online: https://www.fao.org/faostat/zh/#data (accessed on 7 March 2025).
  3. Feng, X.; Nie, J.; Peng, L.; Zang, H.; Yang, Y.; Zeng, Z. Spatio-temporal dynamics of global peanut production and trade. J. Peanut Sci. 2021, 50, 1–8. [Google Scholar] [CrossRef]
  4. Zhang, L.; Wang, L. Development status, existing problems and policy recommendations of peanut industry in China. China Oils Fats 2020, 45, 116–122. [Google Scholar] [CrossRef]
  5. Li, J.; Li, X.; Bai, Z. Evolution of global peanut trade pattern and policy implication. China Oils Fats 2022, 47, 8–15. [Google Scholar] [CrossRef]
  6. FAO. Production of Crops and Livestock Products. Available online: https://www.fao.org/faostat/zh/#data/QCL (accessed on 31 January 2025).
  7. Lu, R.; Gao, L.; Chen, C.; Butts, C.L. Technology and characteristics of peanut shelling of United States and enlightenment. Trans. Chin. Soc. Agric. Eng. 2019, 35, 287–298. [Google Scholar] [CrossRef]
  8. Jing, D.; Yue, X.; Bai, Y.; Ding, X.; Zhang, Q.; Li, P. Study on Aspergillus flavus infection in maize and peanut. Chin. J. Oil Crop Sci. 2022, 44, 442–450. [Google Scholar] [CrossRef]
  9. Gao, L.; Hui, Z.; Dong, H.; Xu, Z.; Liu, Z.; Li, H. Design and Experiment of Peanut Sheller with Three Drums for Plot Breeding. Trans. Chin. Soc. Agric. Mach. 2016, 47, 159–165. [Google Scholar] [CrossRef]
  10. Yi, K.; Li, L.; Li, H.; Gao, L. Performance test on double-roller peanut sheller with pneumatic circulating. J. Nanjing Agric. Univ. 2013, 36, 124–128. [Google Scholar] [CrossRef]
  11. Li, X.; Sun, Q.; Liu, L.; Liu, D.; Qian, K.; Chen, K.; Wang, D. Development and Test of Reciprocating Kneading Peanut Shelling Device. J. Agric. Mech. Res. 2024, 46, 125–130. [Google Scholar] [CrossRef]
  12. Lu, R.; Yang, D.; Gao, L.; Liu, Z.; Liu, M.; Shen, Y. Design and Test on Plot Peanut Sheller with Vertical Tapered Drum. Trans. Chin. Soc. Agric. Mach. 2019, 50, 114–123. [Google Scholar]
  13. Hao, J.; Nie, Q.; Ma, L.; Li, J.; Song, Y.; Long, S.; Zhang, H. Development of cone disc type shelling mechanism for peanut seeds. Trans. Chin. Soc. Agric. Eng. 2020, 36, 27–34. [Google Scholar] [CrossRef]
  14. Wang, J.; Xie, H.; Hu, Z.; Liu, M.; Wei, H.; Yan, J.; Wu, F. Experimental Study and Parameter Optimization of Key Components in a Drum-Concave Screen Peanut Sheller. Jiangsu Agric. Sci. 2018, 46, 191–196. [Google Scholar] [CrossRef]
  15. Baryeh, E.A. Physical properties of bambara groundnuts. J. Food Eng. 2001, 47, 321–326. [Google Scholar] [CrossRef]
  16. Ince, A.; Ugurluay, S.; Güzel, E.; Özcan, M.T. Mechanical behavior of hulled peanut and its kernel during the shelling process. Philipp. Agric. Sci. 2009, 92, 92–99. [Google Scholar]
  17. Chen, Z.; Shen, Y.; Liu, Y.; Shen, Y.; Liang, M.; Xie, H.; Wang, J.; Liu, M. Study on the Mechanical Shelling Characteristics of Different Peanut Varieties. Jiangsu Agric. Sci. 2023, 51, 91–95. [Google Scholar] [CrossRef]
  18. Payman, S.H.; Ajdadi, F.R.; Bagheri, I.; Alizadeh, M.R. Effect of moisture content on some engineering properties of peanut varieties. J. Food Agric. Environ. 2011, 9, 326–331. [Google Scholar]
  19. Navarro, S.; Donahaye, E.; Kleinerman, R.; Haham, H. The influence of temperature and moisture content on the germination of peanut seeds. Peanut Sci. 1989, 16, 6–9. [Google Scholar] [CrossRef]
  20. Ding, B.; Xie, J.; Feng, M.; Chen, Z.; Chang, L.; Jiang, Y. Effect of Moisture Content of Peanut Pod on the Efficiency and Quality of Mechanical Husking. J. Peanut Sci. 2021, 50, 47–54. [Google Scholar] [CrossRef]
  21. Liu, M.; Wang, J.; Wang, N.; You, Z.; Xie, H. Design and test of small peanut sheller. J. Chin. Agric. Mech. 2025, 46, 139–146. [Google Scholar] [CrossRef]
  22. Wang, J.; Xie, H.; Hu, Z.; Liu, M.; Peng, J.; Ding, Q.; Peng, B.; Ma, C. Optimization of Material for Key Components and Parameters of Peanut Sheller Based on Hertz Theory and Box–Behnken Design. Agriculture 2022, 12, 146. [Google Scholar] [CrossRef]
  23. Na, X.; Liu, M.; Zhang, W.; Li, F.; Du, X.; Gao, L. Damage characteristics and regularity of peanut kernels under mechanical shelling. Trans. Chin. Soc. Agric. Eng. 2010, 26, 117–121. [Google Scholar]
  24. Xie, H.; Peng, B.; Zhang, H.; Hu, Z.; Wu, F. General situation and development of peanut shelling technology and equipment in China. Jiangsu Agric. Sci. 2010, 38, 581–582. [Google Scholar]
  25. Ding, B.; Xie, J.; Feng, M.; Chen, Z.; Chang, L.; Jiang, Y. The influence of different types of peanut pods on the mechanical shelling effect. Jiangsu Agric. Sci. 2022, 50, 180–184. [Google Scholar] [CrossRef]
  26. Liao, X.; Xie, H.; Hu, Z.; Wang, J.; Liu, M.; An, J.; Wei, H.; Zhang, H. Peanut-shelling technologies and equipment: A review of recent developments. Agriculture 2024, 14, 1178. [Google Scholar] [CrossRef]
  27. Gao, X. Experimental Research and Optimization Design of Key Components on Peanut Sheller of Blowing and Rubbing; Chinese Academy of Agricultural Sciences: Beijing, China, 2012. [Google Scholar]
  28. Zhang, D.; Yi, S.; Zhang, J.; Bao, Y. Establishment of millet threshing and separating model and optimization of harvester parameters. Alex. Eng. J. 2022, 61, 11251–11265. [Google Scholar] [CrossRef]
  29. Vlăduț, N.; Biriş, S.; Cârdei, P.; Găgeanu, I.; Cujbescu, D.; Ungureanu, N.; Popa, L.; Perişoară, L.; Matei, G.; Teliban, G. Contributions to the Mathematical Modeling of the Threshing and Separation Process in An Axial Flow Combine. Agriculture 2022, 12, 1520. [Google Scholar] [CrossRef]
  30. Miu, P.I.; Kutzbach, H. Modeling and simulation of grain threshing and separation in threshing units—Part I. Comput. Electron. Agric. 2008, 60, 96–104. [Google Scholar] [CrossRef]
  31. Zhang, H.; Li, Y.; Xu, X.; Wei, W.; Shang, K.; Zhang, Y. Research on the Contact Dynamics of Binary Non-Spherical Particles Based on Hertz Theory. J. Food Process Eng. 2025, 48, e70070. [Google Scholar] [CrossRef]
  32. Liu, X.; Shi, Z.; Zhang, Y.; Li, H.; Zhou, J.; Yang, H. Study on the Damage Characteristics of Wheat Kernels under Continuous Compression Conditions. Foods 2024, 13, 2981. [Google Scholar] [CrossRef]
  33. Tang, J.; Zhang, Z.; Jiang, J.; Fu, J. The influence of size effect on the bending fatigue life of FRP composite. Acta Mater. Compos. Sin. 2025, 43, 7884–7895. [Google Scholar] [CrossRef]
  34. Ma, Q.; Lu, A.; Gao, L.; Wang, Z. Aerodynamic characteristics of lotus seed mixtures and test on pneumatic separating device for lotus seed and contaminants. Trans. Chin. Soc. Agric. Eng. 2015, 31, 297–303. [Google Scholar]
  35. Deng, C.; Tao, D.; Gao, J. Dynamic characteristics and factors affecting performance of air-stream cleaning windmill. Trans. Chin. Soc. Agric. Eng. 2006, 22, 121–125. [Google Scholar]
  36. Suhua 0537. China Peanut Data Center. RiceData—Chinese Peanut Varieties and Their Pedigree Database. Available online: http://peanut.cropdb.cn/variety/varis/602611.htm (accessed on 24 January 2025).
  37. GB/T 5262-2008; Measuring Methods for Agricultural Machinery Testing Conditions-General Rules. Standardization Administration of the People’s Republic of China: Beijing, China, 2008.
  38. American Society of Agricultural and Biological Engineers. Moisture Measurement—Peanuts; American Society of Agricultural and Biological Engineers: St Joseph, MI, USA, 2020. [Google Scholar]
  39. GB/T 20264-2006; Grain and Oilseed-Determination of Moisture Content-Twice Drying Method. Standardization Administration of China: Beijing, China, 2006.
  40. Blankenship, P.D.; Person, J.L. Effects of Restoring Peanut Moisture with Aeration Before Shelling. Peanut Sci. 1975, 2, 6–11. [Google Scholar] [CrossRef]
  41. Bowen, K.L.; Hagan, A.K. Temperature and Moisture Conditions That Affect Aflatoxin Contamination of Peanuts. Peanut Sci. 2015, 42, 121–127. [Google Scholar] [CrossRef]
  42. Sacilik, K.; Öztürk, R.; Keskin, R. Some Physical Properties of Hemp Seed. Biosyst. Eng. 2003, 86, 191–198. [Google Scholar] [CrossRef]
  43. NYT994-2006; Operating Quality for Peanut Shelling Machine. China Agriculture Press: Beijing, China, 2006.
  44. DG/T 128-2022; Peanut Sheller. Agricultural Mechanization General Station of the Ministry of Agriculture and Rural Affairs: Beijing, China, 2022.
  45. Wang, J.; Xie, H.; Liu, M.; Gao, X.; Hu, Z. Research on Cause and Counter measures of The Rub-style Peanut Shelling Equipment Effect. Chin. Agric. Mech. 2012, 64, 57–59. [Google Scholar] [CrossRef]
  46. Xie, H. Research on Key Technologies for Mechanized Peanut Shelling; China Agricultural Science and Technology Press: Beijing, China, 2020; pp. 39–79. [Google Scholar]
  47. Hu, Z. Key Technologies for Mechanization of Peanut Production; Jiangsu University Press: Zhenjiang, China, 2017; pp. 226–240. [Google Scholar]
Figure 1. Overall optimization design flow of the peanut-shelling device.
Figure 1. Overall optimization design flow of the peanut-shelling device.
Agriculture 15 02365 g001
Figure 2. Structural diagram of small, flexible arc-plates drum peanut sheller. Key: 1—universal wheels, 2—machine frame, 3—discharge outlet, 4—fan, 5—fan baffle, 6—drive pulley, 7—feed hopper, 8—shelling chamber, 9—concave screen, 10—shelling drum, 11—frequency changer, 12—impurity removal port, 13—power switch, 14—electric motor, and 15—side door switch.
Figure 2. Structural diagram of small, flexible arc-plates drum peanut sheller. Key: 1—universal wheels, 2—machine frame, 3—discharge outlet, 4—fan, 5—fan baffle, 6—drive pulley, 7—feed hopper, 8—shelling chamber, 9—concave screen, 10—shelling drum, 11—frequency changer, 12—impurity removal port, 13—power switch, 14—electric motor, and 15—side door switch.
Agriculture 15 02365 g002
Figure 3. Structure and principle of shelling and shell–kernel separation.
Figure 3. Structure and principle of shelling and shell–kernel separation.
Agriculture 15 02365 g003
Figure 4. Components’ detailed optimization design.
Figure 4. Components’ detailed optimization design.
Agriculture 15 02365 g004
Figure 5. Different structural forms of key shelling components. (a) Three types of concave screen-woven mesh/punched/grid bar types; (b) three types of shelling drum: open rigid/elastic rods/plates type and closed rubber drum type.
Figure 5. Different structural forms of key shelling components. (a) Three types of concave screen-woven mesh/punched/grid bar types; (b) three types of shelling drum: open rigid/elastic rods/plates type and closed rubber drum type.
Agriculture 15 02365 g005
Figure 6. Overall structure of flexible arc-plates shelling drum. (a) Flexible arc-plates drum; (b) structural explosion view.
Figure 6. Overall structure of flexible arc-plates shelling drum. (a) Flexible arc-plates drum; (b) structural explosion view.
Agriculture 15 02365 g006
Figure 7. Structural design view of flexible arc-plates shelling drum.
Figure 7. Structural design view of flexible arc-plates shelling drum.
Agriculture 15 02365 g007
Figure 8. Structural design diagram of circular grid bar concave screen.
Figure 8. Structural design diagram of circular grid bar concave screen.
Agriculture 15 02365 g008
Figure 9. Concave screens with different grid bar forms (long/square/horizontal concave grid bar type).
Figure 9. Concave screens with different grid bar forms (long/square/horizontal concave grid bar type).
Agriculture 15 02365 g009
Figure 11. Shelling component types of rigid rods and flexible arc-plates.
Figure 11. Shelling component types of rigid rods and flexible arc-plates.
Agriculture 15 02365 g011
Figure 12. Part of the single-factor experiment. (a) Multi-level moisture regulation of peanuts; (b) silicone rubber sheets of different hardnesses; (c) sampling samples for each group of tests.
Figure 12. Part of the single-factor experiment. (a) Multi-level moisture regulation of peanuts; (b) silicone rubber sheets of different hardnesses; (c) sampling samples for each group of tests.
Agriculture 15 02365 g012
Figure 13. Part of multiple regression optimization experiment. (a) Shelling test; (b) replace the shelling element; (c) moisture regulation; (d) sample inspection; (e) test sampling samples.
Figure 13. Part of multiple regression optimization experiment. (a) Shelling test; (b) replace the shelling element; (c) moisture regulation; (d) sample inspection; (e) test sampling samples.
Agriculture 15 02365 g013
Figure 14. Results of shelling indicators of three kinds of peanuts on different drum types.
Figure 14. Results of shelling indicators of three kinds of peanuts on different drum types.
Agriculture 15 02365 g014
Figure 15. Results of shelling indicators of three kinds of peanuts on different grid forms.
Figure 15. Results of shelling indicators of three kinds of peanuts on different grid forms.
Agriculture 15 02365 g015
Figure 16. Trend diagram of shelling indicators at various levels under different factors. (a) Different drum rotational speed; (b) different peanut moisture content; (c) different drum–concave screen spacing; (d) different silicone hardness; (e) different drum side distances.
Figure 16. Trend diagram of shelling indicators at various levels under different factors. (a) Different drum rotational speed; (b) different peanut moisture content; (c) different drum–concave screen spacing; (d) different silicone hardness; (e) different drum side distances.
Agriculture 15 02365 g016
Figure 17. Fitting graph of the predicted values of the MDR model and the actual test values.
Figure 17. Fitting graph of the predicted values of the MDR model and the actual test values.
Agriculture 15 02365 g017
Figure 18. Fitting graph of the predicted values of the SE model and the actual test values.
Figure 18. Fitting graph of the predicted values of the SE model and the actual test values.
Agriculture 15 02365 g018
Figure 21. Sample classification of shelling results.
Figure 21. Sample classification of shelling results.
Agriculture 15 02365 g021
Table 1. Parameters of small, flexible arc-plates drum peanut sheller.
Table 1. Parameters of small, flexible arc-plates drum peanut sheller.
ParametersValue
Overall dimensions (mm)1160 × 680 × 410
Motor power/Rated speed (kW/rpm)1.5/1400
Fan speed range (m/s)6–10
Shelling drum diameter/length (mm)208/148
Shelling drum rotational speed (rpm)0–275
Shelling chamber-drum side clearance (mm)21
Drum-concave screen gap adjustment range (mm)20–32
Concave screen grid bar spacing range (mm)7–12
Table 2. Structural dimensions of flexible arc-plates type shelling drum.
Table 2. Structural dimensions of flexible arc-plates type shelling drum.
ParametersValue
Shaft length l /radius r 0 (mm)324/11
Arc-plate width a (mm)120
Silicone plate thickness/hardness (mm/HA)10/40
Drum width c /radius R (mm)148/104
Side plate width b /radius r /hole slot length t (mm)4/94/20
Side strip length e 0 /width   e 1 /height   e (mm)10/35/15
Shaft sleeve length/thickness (mm)24/5
Positioning dimension   l 0 , l 1 , l 2 (mm)67/124/133
Table 3. Structural dimensions of circular grid bar-type concave screen.
Table 3. Structural dimensions of circular grid bar-type concave screen.
ParametersValue
Concave screen length m /width n /height h (mm)293/180/90
Concave screen central angle α (°)138
Arc-side inner r 1 /outer radius R 1 /length m 1 /width/thickness f (mm)125/135/255/10/3
Hanging ear length n 1 /thickness g (mm)174/3
Circular grid bar length n /diameter d (mm)180/5
Grid bar spacing range (mm)7~12
Table 4. Partial biological characteristic parameter of “Suhua 0537”.
Table 4. Partial biological characteristic parameter of “Suhua 0537”.
ParametersPodsKernels
Three-diameter dimension (mm)30.13 × 15.37 × 14.8914.36 × 10.30 × 9.14
Geometric mean diameter (mm)19.0311.06
Hundred-grain weight (g)196.4395.30
Initial moisture content (%)7.58%5.20%
Spherical degree0.630.77
Volume–weight (kg/m3)256678
Break/Damage force (N)61.2340.16
Table 5. Single-factor experiment factor level table.
Table 5. Single-factor experiment factor level table.
LevelRotational Speed/rpmShelling
Spacing/mm
Moisture
Content/%
Silicone
Hardness/HA
Side Strip Length/mm
1150148100
21701710205
319020123010
421023144015
523026165020
6250291860-
7270322070-
Table 6. Multiple regression test factor level table.
Table 6. Multiple regression test factor level table.
LevelMoisture Content A/%Rotational Speed B/rpmShelling Spacing C/mmSilicone Hardness D/HA
−181902020
0112202340
1142502660
Table 7. Multiple regression test scheme and indicator results.
Table 7. Multiple regression test scheme and indicator results.
No.Influence FactorsResponse
Indicators
No.Influence FactorsResponse
Indicators
A B C D R 1 R 2 A B C D R 1 R 2
1−1−10012.96%94.14%1601106.56%95.52%
21−1003.89%89.19%17−10−1016.37%97.33%
3−110013.01%95.95%1810−105.76%93.35%
411005.99%94.89%19−10108.47%96.37%
500−1−111.51%96.22%2010102.92%88.56%
6001−15.19%92.89%210−10−16.29%90.90%
700−1112.01%96.50%22010−18.74%94.14%
800115.70%93.56%230−1018.22%93.49%
9−100−113.20%96.25%2401019.80%94.98%
10100−13.27%90.27%2500005.07%95.89%
11−100113.43%96.15%2600004.81%95.22%
1210015.58%90.47%2700004.66%95.73%
130−1−1010.93%95.83%2800004.59%95.34%
1401−1011.07%96.63%2900005.13%96.19%
150−1104.25%91.09%
Table 8. ANOVA table of the response indicator of the MDR.
Table 8. ANOVA table of the response indicator of the MDR.
SourceSSDFMSF-Valuep-ValueSig.
Model385.34001427.5200125.0400<0.0001**
A208.57001208.5700947.4900<0.0001**
B6.180016.180028.08000.0001**
C99.5500199.5500452.2200<0.0001**
D3.550013.550016.13000.0013**
AB1.050011.05004.79000.0461*
AC6.400016.400029.0900<0.0001**
AD1.090011.09004.94000.0431*
BC1.180011.18005.34000.0366*
BD0.189410.18940.86060.3693
CD9.00 × 10−619.00 × 10−60.00000.9950
A229.4800129.4800133.9000<0.0001**
B219.6200119.620089.1300<0.0001**
C217.0200117.020077.3100<0.0001**
D223.2600123.2600105.6700<0.0001**
Residual3.0800140.2201
Lack of fit2.8500100.28555.03000.0666
Error0.226940.0567
Total388.430028
R20.9921
** indicates high significance, that is p < 0.01; * indicates significance, that is p < 0.05; p > 0.05 represent no significant, no denoted.
Table 9. ANOVA table of the response indicator of the SE.
Table 9. ANOVA table of the response indicator of the SE.
SourceSSDFMSF-Valuep-ValueSig.
Model159.95001411.430025.5800<0.0001**
A75.7400175.7400169.5700<0.0001**
B22.4000122.400050.1500<0.0001**
C26.5900126.590059.5300<0.0001**
D1.970011.97004.42000.0541
AB1.940011.94004.35000.0557
AC3.680013.68008.23000.0124*
AD0.002110.00210.00480.9457
BC3.310013.31007.41000.0165*
BD0.768010.76801.72000.2109
CD0.038910.03890.08720.7722
A215.4100115.410034.4900<0.0001**
B26.680016.680014.95000.0017**
C20.000910.00090.00210.9641
D27.040017.040015.76000.0014**
Residual6.2500140.4467
Lack of fit5.6300100.56303.61000.1137
Error0.623540.1559
Total166.210028
R20.9624
** indicates high significance, that is p < 0.01; * indicates significance, that is p < 0.05; p > 0.05 represent no significant, no denoted.
Table 10. Verification test data of the optimal shelling parameters.
Table 10. Verification test data of the optimal shelling parameters.
No.Breakage Rate%Damage Rate%MDR%SE%
11.862.554.4195.84
22.213.866.0794.76
31.952.174.1296.39
41.152.693.8493.83
52.372.865.2395.21
Mean value1.912.834.7395.21
Disclaimer/Publisher’s Note: The statements, opinions and data contained in all publications are solely those of the individual author(s) and contributor(s) and not of MDPI and/or the editor(s). MDPI and/or the editor(s) disclaim responsibility for any injury to people or property resulting from any ideas, methods, instructions or products referred to in the content.

Share and Cite

MDPI and ACS Style

Liao, X.; Liu, T.; Wang, J.; Liu, M.; Sun, C.; An, J.; Xie, H.; Hu, Z.; Shen, Y.; Wei, H. Optimization of a Low-Loss Peanut Mechanized Shelling Technology Based on Moisture Content, Flexible Materials, and Key Operating Parameters. Agriculture 2025, 15, 2365. https://doi.org/10.3390/agriculture15222365

AMA Style

Liao X, Liu T, Wang J, Liu M, Sun C, An J, Xie H, Hu Z, Shen Y, Wei H. Optimization of a Low-Loss Peanut Mechanized Shelling Technology Based on Moisture Content, Flexible Materials, and Key Operating Parameters. Agriculture. 2025; 15(22):2365. https://doi.org/10.3390/agriculture15222365

Chicago/Turabian Style

Liao, Xuan, Tao Liu, Jiannan Wang, Minji Liu, Chenyang Sun, Jiyou An, Huanxiong Xie, Zhichao Hu, Yi Shen, and Hai Wei. 2025. "Optimization of a Low-Loss Peanut Mechanized Shelling Technology Based on Moisture Content, Flexible Materials, and Key Operating Parameters" Agriculture 15, no. 22: 2365. https://doi.org/10.3390/agriculture15222365

APA Style

Liao, X., Liu, T., Wang, J., Liu, M., Sun, C., An, J., Xie, H., Hu, Z., Shen, Y., & Wei, H. (2025). Optimization of a Low-Loss Peanut Mechanized Shelling Technology Based on Moisture Content, Flexible Materials, and Key Operating Parameters. Agriculture, 15(22), 2365. https://doi.org/10.3390/agriculture15222365

Note that from the first issue of 2016, this journal uses article numbers instead of page numbers. See further details here.

Article Metrics

Back to TopTop