Design and Testing of a Whole-Row Top-Loosening Stem-Clamping Seedling Extraction Device for Hole Tray Seedlings
Abstract
1. Introduction
2. Materials and Methods
2.1. Mechanical Properties of Hole Tray Seedlings
2.1.1. Stem Tensile Characterization Test
2.1.2. Stem Compression Characterization Test
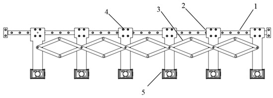
2.2. Structure and Working Principle of the Whole Machine
2.2.1. Structure of the Whole Machine
2.2.2. Working Principle
- (1)
- Seedling Lifting: After the tray is accurately positioned, the drainage holes align with the push rod. The position sensor detects the tray and sends a signal to the lifting cylinder, which extends and ejects the seedlings by a specified displacement;
- (2)
- Seedling Gripping: The lifting pneumatic cylinder descends to the gripping position (point K1), aligning with the seedling tray. The end effector of the seedling extraction mechanism closes, gripping the seedling’s stem;
- (3)
- Seedling Extraction: Once the seedling is gripped, the lifting pneumatic cylinder ascends, pulling the seedling out of the tray. The movement follows the trajectory from K1 to K2;
- (4)
- Seedling Spacing: The sliding pneumatic cylinder moves horizontally, and the spacing mechanism extends to distribute the seedlings above the corresponding seedling cups. The movement follows the trajectory from K2 to K3;
- (5)
- Seedling Placement: The end effector opens, and the seedling falls under gravity into the seedling cup, completing the extraction process. Subsequently, all cylinders return to their original positions. During this process, the stepper motor operates to move the seedling tray forward to the sensor’s position. The end effector then returns to point K1, and the movement follows the trajectory from K3 to K4 and back to K1. This cycle repeats to complete the automated seedling extraction.
2.3. Key Component Design and Optimization Analysis
2.3.1. Design of the Shear Mechanism
Motion Analysis of the Shear Mechanism
2.3.2. Seedling Clamping Device
Seedling Clamping Device Design
Mechanical Analysis of the Stem Clamping Process
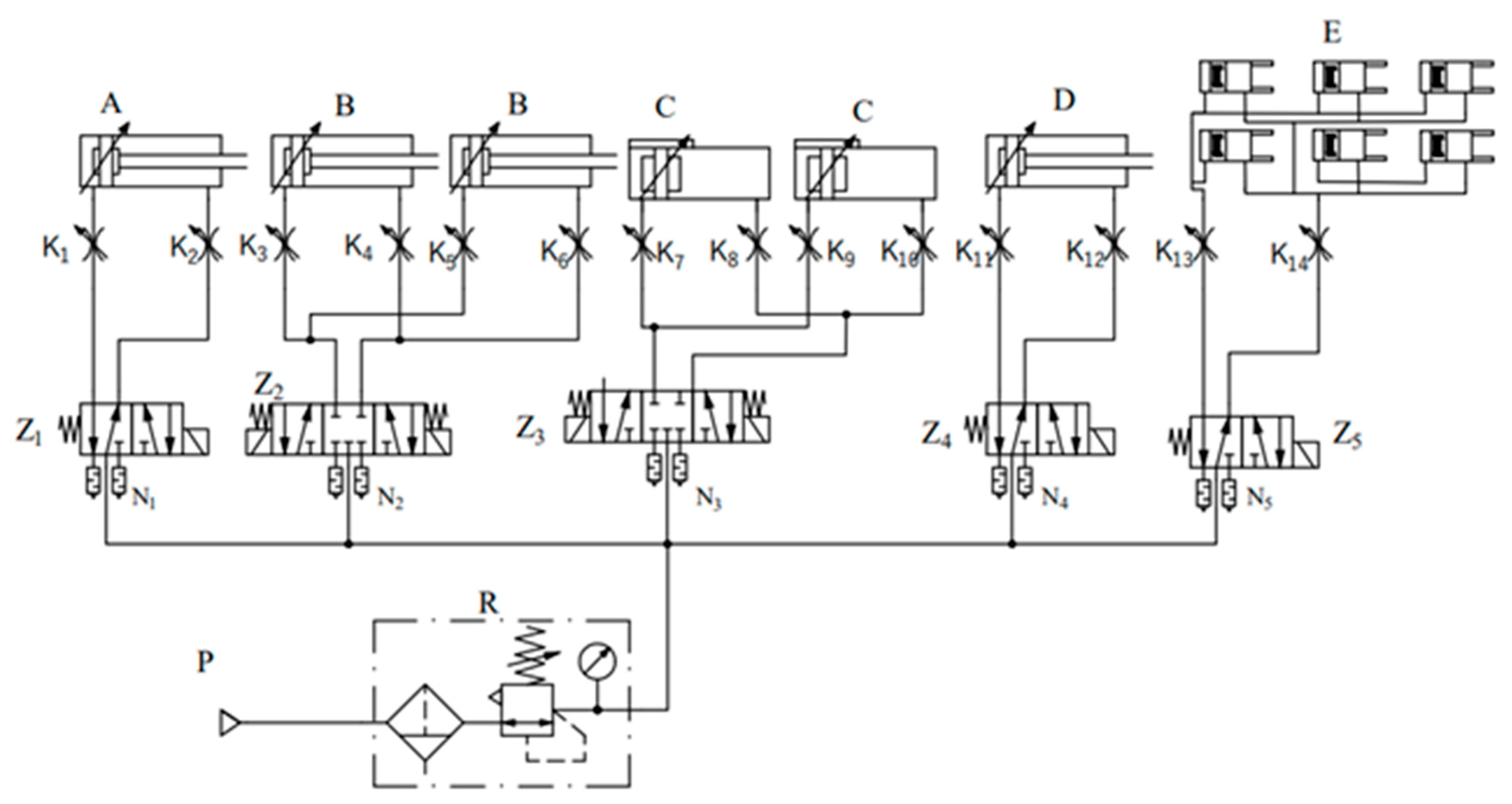
3. Control and Pneumatic Systems
3.1. Pneumatic System Design
Calculation of Air Consumption in Pneumatic Systems
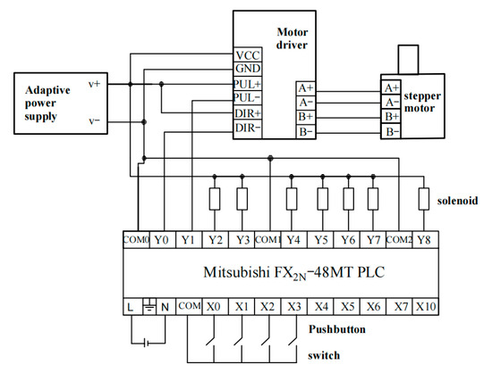
3.2. Control System Design
3.2.1. Programmatic Design
3.2.2. PLC Control System Lines
3.2.3. Software Design
4. Test Stand Experiment
4.1. Test Conditions
4.2. Experimental Design
4.3. Test Methods and Evaluation Indicators
5. Test Results and Discussion
5.1. Response Surface Analysis
5.2. Optimization and Validation of Seedling Extraction Parameters
6. Conclusions
Author Contributions
Funding
Institutional Review Board Statement
Data Availability Statement
Acknowledgments
Conflicts of Interest
References
- Liu, W.; Tian, S.J.; Wang, Q.Y.; Jiang, H.Y. Key Technologies of Plug Tray Seedling Transplanters in Protected Agriculture: A Review. J. Agric. 2023, 13, 1488. [Google Scholar] [CrossRef]
- Cheng, B.; Wu, H.; Zhu, H.; Liang, J.; Miao, Y.; Cui, Y.; Song, W. Current Status and Analysis of Key Technologies in Automatic Transplanters for Vegetables in China. Agriculture 2024, 14, 2168. [Google Scholar] [CrossRef]
- Liao, Q.X.; Zhang, Z.; Hu, Q.L. Design and trajectory analysis of pneumatic picking-up mechanism for rape paper pot seedling. Trans. Chin. Soc. Agric. Mach. 2017, 48, 70–78. [Google Scholar]
- Ye, B.; Zeng, G.J.; Deng, B.; Yang, C.L.; Liu, J.K.; Yu, G.H. Design and tests of a rotary plug seedling pick-up mechanism for vegetable automatic transplanter. J. Int. J. Agric. Biol. Eng. 2020, 13, 70–78. [Google Scholar] [CrossRef]
- Sharma, A.; Khar, S. Current developments in vegetable transplanters in developing countries: A comprehensive review. Int. J. Veg. Sci. 2022, 28, 417–440. [Google Scholar] [CrossRef]
- Jin, X.; Zhang, B.; Suo, H.; Lin, C.; Ji, J.; Xie, X. Design and Mechanical Analysis of a Cam-Linked Planetary Gear System Seedling Picking Mechanism. Agriculture 2023, 13, 810. [Google Scholar] [CrossRef]
- Li, P.; Yun, Z.; Gao, K.; Si, L.; Du, X. Design and Test of a Force Feedback Seedling Pick-Up Gripper for an Automatic Transplanter. Agriculture 2022, 12, 1889. [Google Scholar] [CrossRef]
- Abhijit, K.; Mathur, S.M.; Gaikwad, B.B. Automation in Transplanting: A Smart Way of Vegetable Cultivation. J. Curr. Sci. 2018, 115, 1884–1892. [Google Scholar] [CrossRef]
- Islam, M.N.; Iqbal, M.Z.; Chowdhury, M.; Ali, M.; Shafik, K.; Kabir, M.S.N.; Lee, D.-H.; Chung, S.-O. Stress and Fatigue Analysis of Picking Device Gears for a 2.6 kW Automatic Pepper Transplanter. Appl. Sci. 2021, 11, 2241. [Google Scholar] [CrossRef]
- Ma, G.X.; Chen, X.; Liu, Y.; Han, L.H.; Mao, H.P.; Hu, J.P. Airflow ejection-wrapped clamping type seedling picking method and parameter optimization. J. Front. Plant Sci. 2023, 13, 1084563. [Google Scholar] [CrossRef]
- Jiang, L.; Zhu, T.W.; Tang, Q.; Wu, J.; Jiang, D.; Huang, M.H. Mechanical Characteristics Testing and Parameter Optimization of Rapeseed Blanket Seedling Conveying for Transplanters. Agriculture 2024, 14, 699. [Google Scholar] [CrossRef]
- Islam, M.N.; Iqbal, M.Z.; Ali, M.; Chowdhury, M.; Kabir, M.S.N.; Park, T.; Kim, Y.-J.; Chung, S.-O. Kinematic Analysis of a Clamp-Type Picking Device for an Automatic Pepper Transplanter. Agriculture 2020, 10, 627. [Google Scholar] [CrossRef]
- Yang, Q.Z.; Xu, L.; Shi, X.Y.; Ibrar, A.; Mao, H.P.; Hu, J.P.; Han, L.H. Design of seedlings separation device with reciprocating movement seedling cups and its controlling system of the full-automatic plug seedling transplanter. J. Comput. Electon. Agric. 2018, 147, 131–145. [Google Scholar] [CrossRef]
- Yue, R.; Hu, J.P.; Liu, Y.J.; Yao, M.J.; Zhang, T.F.; Shi, J.W. Design and Working Parameter Optimization of Pneumatic Reciprocating Seedling-Picking Device of Automatic Transplanter. Agriculture 2022, 12, 1989. [Google Scholar] [CrossRef]
- Jin, X.; Zhao, K.X.; Ji, J.T.; Ma, H.; Pang, J.; Qiu, Z.M. Design and experiment of automatic transplanting device for potted tomato seedlings. J. Proc. Inst. Mech. Eng. Part C J. Mech. Eng. Sci. 2019, 233, 1045–1054. [Google Scholar] [CrossRef]
- Khadatkar, A.; Magar, A.P.; Sawant, C.P.; Modi, R.U. Development and testing of automatic seedling extractor in robotic transplanter using mechatronics for nursery seedlings. Discov. Appl. Sci. 2024, 6, 51. [Google Scholar] [CrossRef]
- Liu, Z.C.; Shi, L.; Liu, Z.Y.; Xing, J.F.; Hu, C.; Wang, X.F.; Wang, L. Design and Testing of a Seedling Pick-Up Device for a Facility Tomato Automatic Transplanting Machine. Sensors 2024, 24, 6700. [Google Scholar] [CrossRef]
- Zhou, M.L.; Sun, H.; Xu, X.; Yang, J.J.; Wang, G.B.; Wei, Z.X.; Xu, T.B.; Yin, J.J. Study on the Method and Mechanism of Seedling Picking for Pepper (Capsicum annuum L.) Plug Seedlings. Agriculture 2024, 14, 11. [Google Scholar] [CrossRef]
- Rahul, K.; Raheman, H.; Paradkar, V. Design and development of a 5R 2DOF parallel robot arm for handling paper pot seedlings in a vegetable transplanter. J. Comput. Electron. Agric. 2019, 166, 105014. [Google Scholar] [CrossRef]
- Zhou, B.; Miao, H.; Guan, C.S.; Ji, X.; Wang, X.C. Design and Test of Seedling-Picking Mechanism of Fully Automatic Transplanting Machine. Appl. Sci. 2024, 14, 9235. [Google Scholar] [CrossRef]
- Hu, S.Y.; Hu, M.J.; Yan, W.; Zhang, W.Y. Design and Experiment of an Integrated Automatic Transplanting Mechanism for Picking and Planting Pepper Hole Tray Seedlings. Agriculture 2022, 12, 557. [Google Scholar] [CrossRef]
- Wang, X.; Liu, M.Z.; Zhai, C.Y.; Han, C.J.; Yang, S.; Gao, Y.Y. Design and test of a stem clamping type seedling extraction device for vegetable transplanting. J. Trans. Chin. Soc. Agric. Mach. 2023, 54, 122–132. [Google Scholar]
- Zhang, N. Design and Test of Key Components of Automatic Transplanting Machine for Pepper Hole Tray Seedlings; Huazhong Agricultural University: Wuhan, China, 2023. [Google Scholar]
- Hu, S.Y.; Hu, M.J.; Zhang, W.Y.; Jiang, Z. Experimental and simulation studies on the mechanical characteristics of stem of chili pepper hole tray seedlings. J. J. Chin. Agric. Mech. 2022, 43, 9–18. [Google Scholar]
- Li, M.Y.; Xiao, L.Q.; Ma, X.Q.; Yang, F.; Jin, X.; Ji, J.T. Vision-Based a Seedling Selective Planting Control System for Vegetable Transplanter. Agriculture 2022, 12, 2064. [Google Scholar] [CrossRef]




















| Morphological Parameters | Numerical Value | Average Value |
|---|---|---|
| Total height of hole tray seedlings Hx/(mm) | 129~163 | 141 |
| Leaf surface width kx/(mm) | 93~148 | 122.63 |
| Stem diameter dx/(mm) | 2.82~3.44 | 3.21 |
| Distance from mantle to first blade lbi/(mm) | 29~52 | 42.12 |
| Stem offset from centerline δ/(mm) | 2.1~12.6 | 8.13 |
| Mantle height Hb/(mm) Individual hole tray seedling mass m/(g) | 32.4~37.5 9.3~16.2 | 35.05 12.5 |
| Cylinder Type | Model Number | Frequency (Times/min) | Cylinder Diameter Dq/(mm) | Stroke Lq/(mm) | Quantity | Gas Consumption Q (L/min) |
|---|---|---|---|---|---|---|
| Top Cylinder | CDQSB16-30DM | 15 | 16 | 30 | 1 | 1.09 |
| Lift Cylinder | TN20 × 100 s | 15 | 20 | 100 | 2 | 11.31 |
| Slide shift cylinders | MY1B25G-400 | 15 | 25 | 400 | 2 | 70.70 |
| Split Cylinder | MAL20-450 | 15 | 20 | 450 | 1 | 25.45 |
| Clamp cylinder | MHZ2-16D | 15 | 16 | 6 | 6 | 1.30 |
| Total | 109.85 |
| Input Point | Description of Controls | Output Point | Description of Controls |
|---|---|---|---|
| M0 | activation button | Y0 | Direction of motor rotation |
| M1 | Pause button | Y1 | Motor pulses |
| X2 | emergency stop button | Y2 | Cylinder extension of top seedling |
| X3 | Photoelectric sensors | Y3 | Lift Cylinder Rise |
| Y4 | Lift Cylinder Lowering | ||
| Y5 | Shift cylinder left | ||
| Y6 | Shift cylinder right | ||
| Y7 | Seedling cylinder elongation | ||
| Y10 | Cylinder clamping |
| Level | Test Factor | ||
|---|---|---|---|
| Water Content A/(%) | Seedling Age B/(d) | Seedling Extraction Frequency C/(Plant/min) | |
| −1 | 30 | 30 | 60 |
| 0 | 45 | 35 | 72 |
| 1 | 60 | 40 | 84 |
| Serial Number | Water Content (%) | Seedling Age (d) | Frequency of Seedling Collection (Plants/min) | Success Rate of Seedling Retrieval (%) | Substrate Loss Rate (%) | Potato Seedling Damage Rate (%) |
|---|---|---|---|---|---|---|
| 1 | 45 | 35 | 72 | 95.24 | 8.59 | 3.57 |
| 2 | 30 | 30 | 72 | 92.67 | 15.8 | 5.95 |
| 3 | 30 | 35 | 60 | 96.67 | 13.65 | 4.17 |
| 4 | 30 | 40 | 72 | 91.67 | 15.28 | 3.57 |
| 5 | 60 | 35 | 60 | 93.06 | 8.65 | 1.39 |
| 6 | 30 | 35 | 84 | 90.48 | 13.87 | 5.56 |
| 7 | 60 | 40 | 72 | 93.06 | 9.86 | 2.38 |
| 8 | 45 | 30 | 60 | 95.83 | 9.6 | 5.56 |
| 9 | 60 | 30 | 72 | 93.06 | 14.63 | 5.95 |
| 10 | 60 | 35 | 84 | 93.33 | 12.68 | 4.44 |
| 11 | 45 | 30 | 84 | 93.25 | 10.84 | 7.78 |
| 12 | 45 | 35 | 72 | 96.43 | 9.68 | 3.57 |
| 13 | 45 | 40 | 84 | 91.67 | 6.85 | 3.33 |
| 14 | 45 | 35 | 72 | 93.16 | 5.87 | 4.44 |
| 15 | 45 | 40 | 60 | 95.83 | 3.37 | 2.78 |
| 16 | 45 | 35 | 72 | 94.44 | 6.68 | 3.57 |
| 17 | 45 | 35 | 72 | 95.24 | 7.52 | 3.57 |
| Evaluation Indicators | Source | Sum of Squares | F | p |
|---|---|---|---|---|
| Success rate of seedling retrieval | model | 45.14 | 5.21 | 0.0204 |
| A | 0.1301 | 0.135 | 0.7242 | |
| B | 0.832 | 0.8637 | 0.3836 | |
| C | 20.03 | 20.8 | 0.0026 | |
| lost proposal | 0.9326 | 0.214 | 0.8821 | |
| R2 | 0.8700 | |||
| Substrate loss rate | model | 198.44 | 12.64 | 0.0015 |
| A | 20.42 | 11.7 | 0.0111 | |
| B | 30.07 | 17.23 | 0.0043 | |
| C | 10.06 | 5.76 | 0.0474 | |
| lost proposal | 3.09 | 0.4507 | 0.7307 | |
| R2 | 0.9420 | |||
| Potato seedling damage rate | model | 36.64 | 13.72 | 0.0011 |
| A | 3.24 | 10.91 | 0.0131 | |
| B | 21.71 | 73.18 | <0.0001 | |
| C | 6.5 | 21.9 | 0.0023 | |
| lost proposal | 1.47 | 3.24 | 0.1429 | |
| R2 | 0.9464 | |||
Disclaimer/Publisher’s Note: The statements, opinions and data contained in all publications are solely those of the individual author(s) and contributor(s) and not of MDPI and/or the editor(s). MDPI and/or the editor(s) disclaim responsibility for any injury to people or property resulting from any ideas, methods, instructions or products referred to in the content. |
© 2025 by the authors. Licensee MDPI, Basel, Switzerland. This article is an open access article distributed under the terms and conditions of the Creative Commons Attribution (CC BY) license (https://creativecommons.org/licenses/by/4.0/).
Share and Cite
Peng, Z.; Yang, F.; Li, Y.; Li, X.; Li, B.; Xu, G. Design and Testing of a Whole-Row Top-Loosening Stem-Clamping Seedling Extraction Device for Hole Tray Seedlings. Agriculture 2025, 15, 165. https://doi.org/10.3390/agriculture15020165
Peng Z, Yang F, Li Y, Li X, Li B, Xu G. Design and Testing of a Whole-Row Top-Loosening Stem-Clamping Seedling Extraction Device for Hole Tray Seedlings. Agriculture. 2025; 15(2):165. https://doi.org/10.3390/agriculture15020165
Chicago/Turabian StylePeng, Zehui, Fazhan Yang, Yuhuan Li, Xiang Li, Baogang Li, and Guoli Xu. 2025. "Design and Testing of a Whole-Row Top-Loosening Stem-Clamping Seedling Extraction Device for Hole Tray Seedlings" Agriculture 15, no. 2: 165. https://doi.org/10.3390/agriculture15020165
APA StylePeng, Z., Yang, F., Li, Y., Li, X., Li, B., & Xu, G. (2025). Design and Testing of a Whole-Row Top-Loosening Stem-Clamping Seedling Extraction Device for Hole Tray Seedlings. Agriculture, 15(2), 165. https://doi.org/10.3390/agriculture15020165

