Transmission Characteristics and Experiment of Hydraulic–Mechanical Transmission of Cotton Picker
Abstract
1. Introduction
2. Materials and Methods
2.1. Cotton Picker Driving System and Travelling Parameters
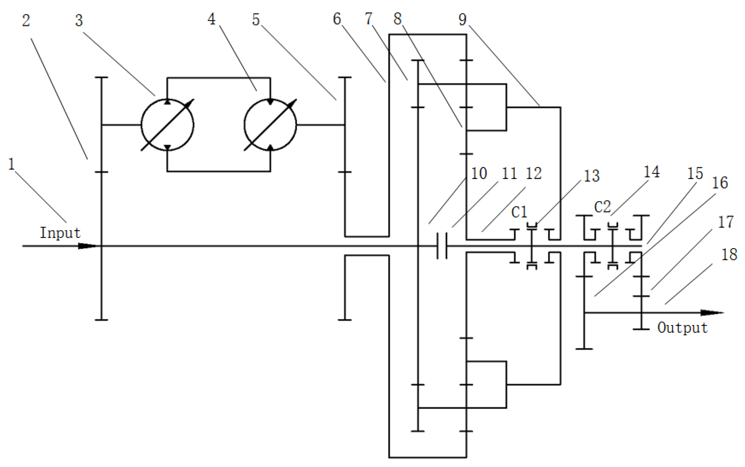
2.2. Cotton Picker Hydro-Mechanical Gearbox Transmission Program
2.3. HMT Ratio Matching
2.3.1. Logic of Changing Segments in Each Zone
2.3.2. HMT Speed Ratio Parameter Matching
2.4. Characterization of HMT Speed Ratio Matching
2.4.1. Transmission Ratio with Displacement Ratio Change Characteristics
2.4.2. Driving Speed with Displacement Ratio Change Characteristic Analysis
2.4.3. Torque Characterization
2.4.4. Characteristic Analysis of Hydraulic Power Shunt Ratio
2.5. HMT Bench Test
2.5.1. Speed Ratio Continuity Test
2.5.2. Shift Smoothness Test
- (1)
- Speed drop
- (2)
- Dynamic load factor
- (3)
- Shift jerk
- (4)
- Slip work
3. Results and Discussion
3.1. Analysis of Speed Ratio Continuity Results
3.1.1. Analysis of Unloading Test Results
3.1.2. Analysis of Loading Test Results
3.2. HMT Section Change Test
3.2.1. Effects of Different Engine Speeds on the HMT Changeover Process
3.2.2. The Effect of Different Load Torques on the Segment Change Process
3.2.3. Effect of Different Main Circuit Oil Pressures on the Changeover Process
3.2.4. Effect of Different Regulator Valve Flow Rates on the Changeover Process
4. Conclusions
- (1)
- The analysis of the HMT speed ratio matching scheme for the cotton picker, including the speed ratio matching logic and specific matching parameters, has confirmed the transmission ratio, output speed, output torque, and power split ratio characteristics through calculation. The cotton picker operates within a speed range of 3–10 km/h in the HM1 forward and backward low-speed sections and 10–30 km/h in the HM2 forward section, which is suitable for both field harvesting and road transportation states.
- (2)
- Continuous tests on the test bench have verified that the HMT speed ratio of the cotton picker is continuously controllable, with the output speed adhering to the law of proportional change. However, the load torque significantly affects the transition process between different sections, particularly from HM1 to HM2, where an increase in load torque leads to greater fluctuations in output speed and a longer response time to reach the target speed.
- (3)
- The stable output speed of different engines has a minimal impact on the evaluation indices of each HMT stage. However, the flow rate of the main oil circuit and load torque are crucial factors affecting speed drop, dynamic load coefficient, impact degree, and slip friction work.
Author Contributions
Funding
Institutional Review Board Statement
Data Availability Statement
Acknowledgments
Conflicts of Interest
References
- Wu, Q.; Zhu, J. Factor substitution and regional differences of cotton production in China. J. China Agric. Univ. 2019, 29, 221–230. [Google Scholar]
- Zhang, R.; Chen, Y.; Zhao, D. Development status and suggestions of the cotton industry in Xinjiang. J. Smart Agric. 2023, 3, 5. [Google Scholar]
- Zhao, Y.; Chen, X. Problems and prospects of high quality cotton production in China. J. Tarim Univ. 2023, 35, 8. [Google Scholar]
- Mishra, P.K.; Sharma, A.; Prakash, A. Current research and development in cotton harvesters: A review with application to Indian cotton production systems. Heliyon 2023, 9, e16124. [Google Scholar] [CrossRef] [PubMed]
- Yuan, Y.; Bai, S.; Niu, K.; Zhou, L.; Zhao, B.; Wei, L.; Liu, L. Research progress in the key technologies and equipment for cotton planting mechanization. Trans. Chin. Soc. Agric. Eng. 2023, 39, 11. [Google Scholar]
- Li, H.; Fu, X.; Wang, H.; Zhang, H.; Gu, Y.; Du, X.; Tao, Y.; Li, J. Research on the Wear Characteristics of the Hook Teeth of Cotton Pickers. Coatings 2022, 12, 762. [Google Scholar] [CrossRef]
- Niu, G.; Li, B.; Liu, Y.; Li, Y.; Wang, T.; Wang, S. Development and research status of cotton picker in China. J. Chin. Agric. Mech. 2020, 41, 7. [Google Scholar]
- Chen, T.; Zhang, H.; Wang, L.; Wang, Y.; Zhang, L.; Li, X. Research and experiment on movement characteristies ofpicking mechanism of horizontal picking cotton picker. J. Chin. Agric. Mech. 2020, 41, 19–25. [Google Scholar] [CrossRef]
- He, X.; Gong, L.; Miao, Z.; Miao, Z.; Han, K.; Hao, F.; Han, Z. Automatic alignment control method of cotton picker based on parallel trajectory navigation. J. Trans. Chin. Soc. Agric. Mach. 2024, 55, 34–41. [Google Scholar]
- Miao, Z.; Li, C.; Han, K.; Hao, F.; Han, Z.; Zeng, L. Optimal Control Algorithm and Experiment of Working Speed of Cotton-picking Machine Based on Fuzzy PID. Trans. Chin. Soc. Agric. Mach. 2015, 46, 9–14+27. [Google Scholar]
- Zhu, C.; Zhang, H.; Wang, W.; Li, K.; Liu, W. Robust control of hydraulic tracked vehicle drive system based on quantitative feedback theory. Int. J. Distrib. Sens. Netw. 2020, 16, 155014772090783. [Google Scholar] [CrossRef]
- Zhang, G.; Wang, K.; Xiao, M.; Tang, M. Research on Steady-state Transmission Efficiency of HMCVT Based on Hydraulic Mechanical Transmission Torque Ratio. J. Trans. Chin. Soc. Agric. Mach. 2023, 201, 533–541. [Google Scholar]
- Cheng, Z.; Lu, Z. System response modeling of HMCVT for tractors and the comparative research on system identification methods. Comput. Electron. Agric. 2022, 202, 107386. [Google Scholar] [CrossRef]
- Mattetti, M.; Michielan, E.; Mantovani, G.; Varani, M. Objective evaluation of gearshift process of agricultural tractors. Biosyst. Eng. 2022, 224, 324–335. [Google Scholar] [CrossRef]
- Baek, S.-M.; Kim, W.-S.; Kim, Y.-S.; Baek, S.-Y.; Kim, Y.-J. Development of a Simulation Model for HMT of a 50 kW Class Agricultural Tractor. Appl. Sci. 2020, 10, 4064. [Google Scholar] [CrossRef]
- Park, Y.-J.; Kim, S.-C.; Kim, J.-G. Analysis and verification of power transmission characteristics of the hydromechanical transmission for agricultural tractors. J. Mech. Sci. Technol. 2016, 30, 5063–5072. [Google Scholar] [CrossRef]
- Ahn, H.-J.; Park, Y.-J.; Kim, S.-C.; Choi, C. Theoretical Calculations and Experimental Studies of Power Loss in Dual-Clutch Transmission of Agricultural Tractors. Agriculture 2023, 13, 1225. [Google Scholar] [CrossRef]
- Wan Soo, K.; Yeon Soo, K.; Taek Jin, K.; Seong Un, P.; Yong, C.; Il Su, C.; Young Keun, K.; Yong Joo, K. Analysis of Power Requirement of 78 kW Class Agricultural Tractor According to the Major Field Operation. Trans. Korean Soc. Mech. Eng. A 2019, 43, 911–922. [Google Scholar]
- Siddique, M.A.A.; Baek, S.-M.; Baek, S.-Y.; Kim, Y.-J.; Lim, R.-G. Development, Validation, and Evaluation of Partial PST Tractor Simulation Model for Different Engine Modes during Field Operations. Agriculture 2023, 13, 44. [Google Scholar] [CrossRef]
- İnce, E.; Güler, M.A. Design and Analysis of a Novel Power-Split Infinitely Variable Power Transmission System. J. Mech. Des. 2019, 141, 54501. [Google Scholar] [CrossRef]
- Chen, T.; Zhang, H.; Wang, L.; Zhang, L.; Wang, J.; Li, J.; Gu, Y. Optimization and experiments of picking head transmission system of horizontal spindle type cotton picker. Trans. Chin. Soc. Agric. Eng. 2020, 36, 18–26. [Google Scholar]
- Liu, C.; Hu, Z.; Yang, B.; Liu, X. Design and Finite Element Analysis of Travelling Transmission of Six-row Cotton Picking and Packing Machine. J. Tract. Agric. Transp. 2024, 51, 25–29. [Google Scholar]
- Wang, X.; Huang, K.; Huang, J.; Wang, H.; Gong, P. Development and experiment of 4MZ-4 Self-propelled box type cotton picker. J. Xinjiang Agric. Mech. 2024, 2, 32–34+54. [Google Scholar]
- Chen, W.; Cao, Y.; Ni, X.; Han, S.; Wang, G.; Xiao, M. Study on transmission characteristics of hydrostatic power split CVT of cotton picker. J. Chin. Agric. Mech. 2020, 41, 7. [Google Scholar] [CrossRef]
- Chen, W.; Xu, Z.; Wu, Y.; Zhao, Y.; Wang, G.; Xiao, M. Analysis of the shift quality of a hydrostatic power split continuously variable cotton picker. Mech. Sci. 2021, 12, 589–601. [Google Scholar] [CrossRef]
- Ni, X.; Bao, M. Dynamic Test of Hydro Mechanical Composite Transmission for Cotton Picker. J. Beijing Inst. Technol. 2020, 29, 366–378. [Google Scholar]
- Bao, M.; Ni, X.; Zhao, X.; Li, S. Research on the HMCVT gear shifting smoothness of the four-speed self-propelled cotton picker. Mech. Sci. 2020, 11, 267–283. [Google Scholar] [CrossRef]
- Zhong, C.; Ni, X.; Han, S.; Zhao, X.; Li, S.; Wei, X. Design and Test of Power Shift Driving Transmission System of Cotton Picker. Mach. Tool Hydraul. 2022, 10, 19. [Google Scholar]














| Brand | CRCHI 1 | SSCIM 2 | John Deere | Case | |
|---|---|---|---|---|---|
| Type | 4MZD-6 | 4MZD-6 | CP690 | CP770 | CE 635 |
| Engine rated power (kW) | 570 | 566 | 418 | 414 | 298 |
| Initial picking maximum speed (km/h) | 7.1 | 7.1 | 7.1 | 7.4 | 6.8 |
| Repeat picking Maximum speed (km/h) | 8.5 | 8.5 | 8.5 | 9 | 7.9 |
| Transportation maximum speed (km/h) | 27 | 27 | 27.4 | 32.2 | 24.1 |
| Working Condition | Segment | Clutch Serial Number and Status | |
|---|---|---|---|
| C1 | C2 | ||
| Forward | HM1 | Right engagement | Left engagement |
| HM2 | Left engagement | Right engagement | |
| Backward | HM1 | Right engagement | Right engagement |
| Segment | HM1 | HM2 |
|---|---|---|
| Forward working condition | ||
| Backward working condition | ---- |
| Number | Code | Name | Quantity | Specification |
|---|---|---|---|---|
| 1 | 4045HYC11 | Engine | 1 | 2400 rpm; 130 kW |
| 2 | ZJ 2000 series | Speed and torque sensors | 2 | 0~3000 rpm; 2000 N· |
| 3 | HPV series | Pump | 1 | 54.7 cc/rev |
| 4 | HPV series | Motor | 1 | 51.3 cc/rev |
| 5 | 3144E | Solenoid relief valves | 3 | 3~3.5 V |
| 6 | YW Series | Pressure sensors | 4 | 10 MPa |
| 7 | DG series | Flow Meters | 6 | M20 × 1.5 |
| 8 | DN25 Series | Turbine Flow Sensor | 2 | 170 L/min |
| 9 | LWGY-DN15 | Magnetic particle brakes | 2 | 0.6~10 m3/h |
Disclaimer/Publisher’s Note: The statements, opinions and data contained in all publications are solely those of the individual author(s) and contributor(s) and not of MDPI and/or the editor(s). MDPI and/or the editor(s) disclaim responsibility for any injury to people or property resulting from any ideas, methods, instructions or products referred to in the content. |
© 2024 by the authors. Licensee MDPI, Basel, Switzerland. This article is an open access article distributed under the terms and conditions of the Creative Commons Attribution (CC BY) license (https://creativecommons.org/licenses/by/4.0/).
Share and Cite
Chen, H.; Wang, M.; Ni, X.; Meng, X.; Cai, W.; Li, Y.; Zhai, B.; He, H.; Wang, Y. Transmission Characteristics and Experiment of Hydraulic–Mechanical Transmission of Cotton Picker. Agriculture 2024, 14, 1250. https://doi.org/10.3390/agriculture14081250
Chen H, Wang M, Ni X, Meng X, Cai W, Li Y, Zhai B, He H, Wang Y. Transmission Characteristics and Experiment of Hydraulic–Mechanical Transmission of Cotton Picker. Agriculture. 2024; 14(8):1250. https://doi.org/10.3390/agriculture14081250
Chicago/Turabian StyleChen, Huajun, Meng Wang, Xiangdong Ni, Xiangchao Meng, Wenqing Cai, Yiqing Li, Baoyu Zhai, Hongbin He, and Yuyang Wang. 2024. "Transmission Characteristics and Experiment of Hydraulic–Mechanical Transmission of Cotton Picker" Agriculture 14, no. 8: 1250. https://doi.org/10.3390/agriculture14081250
APA StyleChen, H., Wang, M., Ni, X., Meng, X., Cai, W., Li, Y., Zhai, B., He, H., & Wang, Y. (2024). Transmission Characteristics and Experiment of Hydraulic–Mechanical Transmission of Cotton Picker. Agriculture, 14(8), 1250. https://doi.org/10.3390/agriculture14081250

