Design and Experiment of a Film-Drilling Potato Seeder with Eccentric Coupling
Abstract
1. Introduction
2. Overall Structure and Technical Parameters
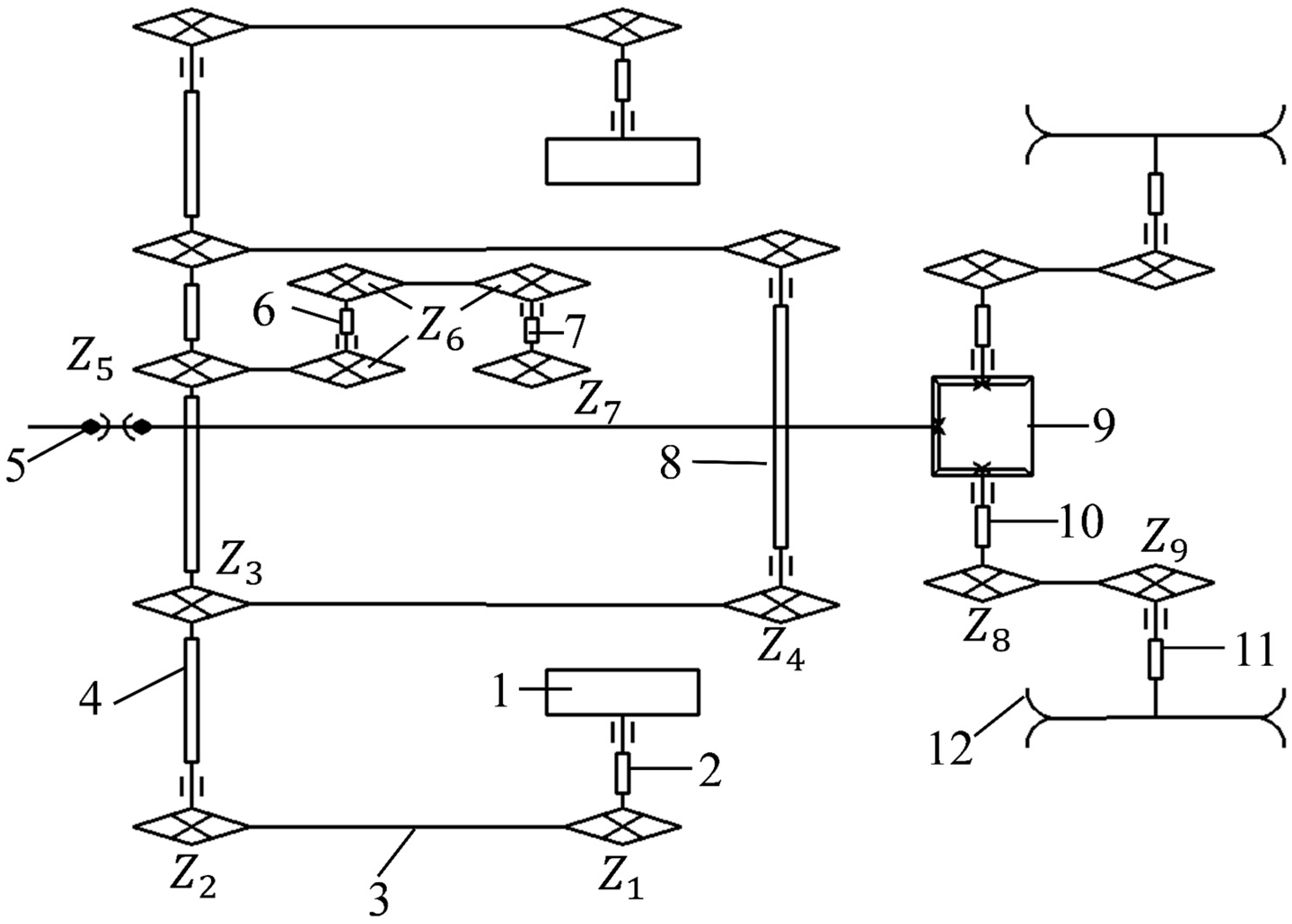
2.1. Whole Machine Structure
2.2. Working Principle
2.3. Technical Requirements
3. The Design of the Seeder’s Main Working Components
3.1. Seeding System
3.2. Eccentric Coupling Device
3.2.1. Simulation and Motion Characteristic Analysis of Eccentric Coupling Mechanism
3.2.2. Analysis of the Soil Entry by the Eccentric Coupling
3.2.3. Hole Size Analysis
3.3. Hole-Drilling and Seeding Device
3.3.1. Constraint Analysis of Hole-Drilling and Seeding Device
3.3.2. Design of the Opening and Closing Mechanism of the Seeding Valve
3.4. Simulation Analysis of Hole Formation Process
3.5. Device for Soil Covering of Membrane
3.5.1. Analysis of Soil Coverage by Rotary Tillers
3.5.2. Analysis of Cutting Area of Rotary Tiller Blades
3.6. Transmission System
3.7. Simulation of the Plastic Film Breaking and Hole Formation by the Hole Seeding Device
3.7.1. Smoothed Particle Hydrodynamics Model
3.7.2. Simulation Model Establishment
3.7.3. Soil-Cutting Simulation Results
4. Field Trials
4.1. Test Conditions and Methods
4.2. Experimental Results and Analysis
5. Conclusions
Author Contributions
Funding
Institutional Review Board Statement
Data Availability Statement
Conflicts of Interest
References
- Xia, M. Glimo launches a new traction potato planter. Agric. Mach. Mark. 2024, 53. [Google Scholar]
- Zhang, T. Design and experiment of combined micro-potatoes precision seed metering device with pneumatic scoop. Shandong Agric. Univ. 2022, 2024, 53. [Google Scholar]
- Li, P.; Tian, B.; Sun, W.; Zhang, H.; Liu, X.; Li, H. Development Status and Prospects of Potato Precision Planting Technology. Agric. Equip. Veh. Eng. 2024, 62, 29–33. [Google Scholar]
- Zhao, S. Development of 2BSL-2 Potato Ridge Planter; Mongolia Autonomous Region; Inner Mongolia Agricultural University Agricultural Engineering Complete Equipment Research Institute: Huhhot, China, 2003. [Google Scholar]
- Zhao, J.; Zhang, Y.; Shen, L. Design of 2CMF-2 Potato Planter. Mod. Agric. 2009, 4, 37. [Google Scholar]
- Li, C.; Feng, Y.; Kan, Z.; Liang, R. Development of a single row hanging potato fertilizer planting machine. Jiangsu Agric. Sci. 2013, 41, 369–371. [Google Scholar]
- Liu, W.; He, J.; Li, H.; Li, X.; Liu, P. Design and Experiment of Vibration arranging based seeder for potato microseed. Trans. Chin. Soc. Agric. Mach. 2019, 50, 70–80. [Google Scholar]
- Niu, K.; Fan, Y.; Luo, M.; Liu, Y.; Lv, C.; Fang, X. Design and Experiment of potato metering device with double-deck seed tank. Trans. Chin. Soc. Agric. Eng. 2016, 32, 32–39. [Google Scholar]
- Yang, Y. Design and Experimental Research on Air-Suction. Master’s Thesis, Northeast Agricultural University, Harbin, China, 2017. [Google Scholar]
- Hou, J.; Liu, W.; Zhang, W.; Lv, J.; Lv, Z.; Zhang, Z. Design of Pneumatic cup seed-metering device for Potato. Trans. Chin. Soc. Agric. Eng. 2018, 34, 18–28. [Google Scholar]
- Wang, G.; Sun, W.; Zhang, H. Research on a kind of seeding-monitoring and compensating control system for potato planter without additional seed-metering channel. J. Comput. Electron. Agric. 2020, 177, 105681. [Google Scholar] [CrossRef]
- Sun, W.; Wang, G.; Wu, J. Design and experiment on loss sowing testing and compensation system of spoon-chain potato metering device. J. Trans. Chin. Soc. Agric. Eng. 2016, 32, 8–15. [Google Scholar] [CrossRef]
- Wang, G.; Sun, W. Development of a kind of potato loss sowing detection and compensation device. J. Res. Agric. Mod. 2016, 37, 1008–1014. [Google Scholar]
- Shi, L.; Wu, J.; Zhao, W.; Sun, W.; Zhang, F.; Sun, B. Establishment and parameter verification of farmland soil model in uniaxial compression based on discrete element method. J. China Agric. Univ. 2015, 20, 174–182. [Google Scholar]
- Niu, L.; Zhou, L.; Yuan, Y. Design and experiment on automatic compensation system of spoon-chain potato metering device. J. Trans. Chin. Soc. Agric. Mach. 2016, 47, 76–83. [Google Scholar]
- Wang, G.; Sun, W.; Chen, D. Realization of an integrated seeding and compensating potato planter based on one-way clutch. J. Int. J. Agric. Biol. Eng. 2020, 13, 79–87. [Google Scholar] [CrossRef]
- Lv, J.; Yang, Y.; Li, Z. Design and experiment of cup-belt type potato seed-metering device. J. Trans. Chin. Soc. Agric. Eng. 2016, 32, 17–25. [Google Scholar]
- Dai, F.; Xin, S.; Zhao, W.; Liu, F.; Xin, B.; Ma, M. Design and experiment of combined potato planting machine for covering soil on top of full surface. J. Trans. Chin. Soc. Agric. Mach. 2017, 48, 76–83. [Google Scholar]
- Wang, Y.; Yang, Z.; Li, X.; Yang, H.; Kou, M. Design and experiment of vertical submerged corn hole seeder based on parallel four-bar linkage mechanism. J. Chin. Agric. Mech. 2022, 43, 18–24. [Google Scholar] [CrossRef]
- Cui, R.; Jian, S.; Xv, W.; Ma, J.; Wang, X. Design and test of garlic upright plant. J. Agric. Mech. Res. 2016, 38, 201–205. [Google Scholar] [CrossRef]
- Cui, R.; Zhang, H.; Xv, W. Discussion on the present situation and development of garlic mechanized production in China. J. Agric. Mech. Res. 2015, 37, 83–86. [Google Scholar] [CrossRef]
- Shi, F.; Sun, S.; Deng, X.; Wang, J. Trajectory analysis of planting device of eccentric disc and finger clip pattern seedling planting machine. J. Hunan Agric. Univ. 2012, 38, 333–336. [Google Scholar] [CrossRef]
- Cui, R.; Wang, X.; Xin, J.; Sun, L.; Wu, C. Desing and test of arc duck-billed garlic seed planter. J. Int. J. Agric. Biol. Eng. 2022, 53, 120–130. [Google Scholar]
- Sun, W.; Liu, X.; Wang, H.; Zhang, H.; Wu, J.; Yang, X.; Wang, G. Design and test of double crank multi-rod hill-drop potato planter on plastic film. J. Trans. Chin. Soc. Agric. Eng. 2018, 34, 34–42. (In Chinese) [Google Scholar] [CrossRef]
- Li, Y.; Liu, M.; Duan, R. Design of complete machine and key components of potato planter. J. Agric. Eng. 2022, 12, 95–102. [Google Scholar] [CrossRef]
- Fang, H.; Ji, C.; Farman, A.; Guo, J.; Zhang, Q.; Chaudhry, A. Analysis of soil dynamic behavior during rotary tillage based on distinct element method. J. Trans. Chin. Soc. Agric. Mach. 2016, 47, 22–28. [Google Scholar]
- Tan, H.; Xv, L.; Ma, S.; Niu, C.; Yan, C.; Shen, C. Design and experiment of scraper organic fertilizer strip spreading and rotary tillage mixed fertilizer applicator. Trans. Chin. Soc. Agric. Mach. 2022, 11, 163–175. [Google Scholar]
- Liao, Q.; Du, W.; Zhang, Q.; Lin, J.; Chen, Z.; Zhang, J. Design and experiment of cigar tobacco adjustable seed-plot ridging and film spreading machine. Trans. Chin. Soc. Agric. Mach. 2022, 11, 116–126. [Google Scholar]
- Sun, J.; Liu, Q.; Luo, P.; Yang, F.; Liu, Z.; Wang, Z. Soil erosion law of contour rotary tillage of hillside tractor on sloping land. J. Trans. Chin. Soc. Agric. Mach. 2022, 53, 44–56. [Google Scholar]
- Chen, B.; Chen, X.; Chen, X.; Zhu, J.; Yu, Q.; Miao, Y.; Liu, Y. Design and experiment of crawler self-propelled ridging and fertilization combined machine for strawberry. J. Chin. Agric. Mech. 2022, 43, 55–60. [Google Scholar]
- Shi, B.; Sun, W.; Zhao, Z. Design and experiment of the combined machine for transplanting outcrop of codonopsis with micro ridge covered with film. J. Appl. Sci. 2023, 13, 9149. [Google Scholar] [CrossRef]
- Jing, W.; Wang, S.; Qian, H. Simulation analysis of cutting soil by weeding claws between plants in paddy field based on LS-DYNA. J. Agric. Mech. Res. 2023, 45, 203–209. [Google Scholar] [CrossRef]
- GB/T 25417-2010; Potato planting machine-Specifications. Standards of China: Beijing, China, 2010.
- NY/T 1415-2007; Technical Specification for Quality Evaluation of Potato Planter. Standards of China: Beijing, China, 2007.
- NY/T 987-2006; Operation Quality of Film Mulching Hole Seeder. Standards of China: Beijing, China, 2006.




























| Parameter | Numerical Value |
|---|---|
| length × wide × high (mm) | 2018 × 1959 × 2075 |
| auxiliary power (kW) | 29.42 |
| overall mass (kg) | 510 |
| seeding method | spoon-chain seeding |
| row spacing (mm) | 320 |
| number of seeding rows | 2 |
| forward speed (m/s) | 0.5 |
| Soil Parameters | Numeric Value |
|---|---|
| soil density/(kg·m−3) | 2100 |
| cohesion/Pa | 1.00 × 104 |
| water content/% | 12.8 |
| bulk modulus/Pa | 6.57 × 106 |
| shear modulus/Pa | 2.10 × 106 |
| internal friction angle/(°) | 21 |
| relative density of soil particles | 2.1 |
| Ahyp yield surface coefficient/Pa | 100 |
| Group Sample | Blocks | Statistics/(Piece) | Ε/(%) | ξ/(%) | Q/(%) | M/(%) | |||||||
|---|---|---|---|---|---|---|---|---|---|---|---|---|---|
| d1 | d2 | d3 | D1 | D2 | D3 | n0 | n2 | ||||||
| Sample plot 1 | 1 | 1 | 9 | 1 | 0 | 9 | 1 | 0 | 0 | 90 | 90 | 100 | 100 |
| 2 | 0 | 9 | 1 | 1 | 8 | 1 | 0 | 0 | 90 | 80 | 100 | 0 | |
| 3 | 1 | 9 | 0 | 0 | 9 | 1 | 0 | 0 | 90 | 90 | 100 | 1 | |
| 4 | 1 | 9 | 0 | 1 | 8 | 1 | 1 | 1 | 90 | 80 | 90 | 1 | |
| 5 | 0 | 10 | 0 | 1 | 9 | 0 | 0 | 0 | 100 | 90 | 100 | 0 | |
| Sample plot 2 | 1 | 0 | 9 | 1 | 0 | 9 | 1 | 0 | 0 | 90 | 90 | 100 | 0 |
| 2 | 0 | 9 | 1 | 1 | 9 | 0 | 0 | 0 | 90 | 90 | 100 | 0 | |
| 3 | 1 | 9 | 0 | 0 | 9 | 1 | 0 | 0 | 90 | 90 | 100 | 1 | |
| 4 | 0 | 10 | 0 | 0 | 9 | 1 | 1 | 0 | 100 | 90 | 90 | 0 | |
| 5 | 1 | 9 | 0 | 0 | 9 | 1 | 0 | 0 | 90 | 90 | 100 | 1 | |
| Mean value | 0.6 | 0.6 | 0.5 | 9.2 | 0.4 | 0.4 | 8.8 | 0.8 | 0.2 | 0.1 | 92 | 88 | |
| Index | Test Mean | Technical Requirement |
|---|---|---|
| Qualification rate of sowing depth under film, | 92% | ≥85% |
| Qualification rate of acupoint distance | 88% | ≥80% |
| Qualification rate of replanting | 98% | ≥87% |
| Missing seed qualification rate | 99% | ≥90% |
Disclaimer/Publisher’s Note: The statements, opinions and data contained in all publications are solely those of the individual author(s) and contributor(s) and not of MDPI and/or the editor(s). MDPI and/or the editor(s) disclaim responsibility for any injury to people or property resulting from any ideas, methods, instructions or products referred to in the content. |
© 2024 by the authors. Licensee MDPI, Basel, Switzerland. This article is an open access article distributed under the terms and conditions of the Creative Commons Attribution (CC BY) license (https://creativecommons.org/licenses/by/4.0/).
Share and Cite
Pei, L.; Sun, W.; Wang, J.; Simionescu, P.A. Design and Experiment of a Film-Drilling Potato Seeder with Eccentric Coupling. Agriculture 2024, 14, 933. https://doi.org/10.3390/agriculture14060933
Pei L, Sun W, Wang J, Simionescu PA. Design and Experiment of a Film-Drilling Potato Seeder with Eccentric Coupling. Agriculture. 2024; 14(6):933. https://doi.org/10.3390/agriculture14060933
Chicago/Turabian StylePei, Liangqi, Wei Sun, Juanling Wang, and Petru A. Simionescu. 2024. "Design and Experiment of a Film-Drilling Potato Seeder with Eccentric Coupling" Agriculture 14, no. 6: 933. https://doi.org/10.3390/agriculture14060933
APA StylePei, L., Sun, W., Wang, J., & Simionescu, P. A. (2024). Design and Experiment of a Film-Drilling Potato Seeder with Eccentric Coupling. Agriculture, 14(6), 933. https://doi.org/10.3390/agriculture14060933

