Simulation and Optimization of a Pendulum-Lever-Type Hole-Seeding Device
Abstract
1. Introduction
2. Materials and Methods
2.1. Machine Structure and Working Principle
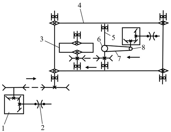
2.1.1. Machine Structure
2.1.2. Working Principle
2.2. Design of Key Components for Hole-Seeding Devices
2.2.1. Design of the Hole-Forming Mechanism
2.2.2. Design of Pendulum Mechanism
2.3. Design of the Adjustment Mechanism and Test Bench
2.3.1. Design of Adjustment Device
2.3.2. Structure of the Test Bench
3. Seeding Process Simulation
3.1. Discrete Elemental Modeling of Corn Kernels
3.2. Modeling of Hole-Seeding Applicator Rows
3.3. Single-Factor Simulation Test
3.3.1. Determination of Rotating Speed of Rotating Disc
3.3.2. Determination of the Angle of the Lever
3.3.3. Determination of the Number of Pendulum Bearings
3.4. Box–Behnken Experimental Design
4. Results and Analysis
4.1. Simulation Test Results
4.1.1. Regression Modeling and Testing
- (1)
- Qualification index regression model
- (2)
- Miss-seeding index regression model
- (3)
- Reseeding index regression model
4.1.2. Analysis of Model Interaction Terms
- (1)
- Interaction of rotational speed of the rotating disc and angle of the lever
- (2)
- Interaction between the rotational speed of the rotating disc and the number of pendulum bearings
4.1.3. Determination of Optimal Operating Parameters
4.2. Bench Test Results
4.3. Field Test Results
5. Discussion
6. Conclusions
- We designed a pendulum plate and lever-type hole-seeding device, mainly composed of a fixed plate, a movable shaft, an electric actuator, a rotating disc, a connecting bracket, a fixed disc cover, a pendulum plate, a hole-former, and its structure. Bench testing of the hole seeder was conducted to meet different seed size requirements. By analyzing the working principle of the hole seeder, the structural parameters of the hole-forming device were optimized. A height-adjustment device suitable for hole seeders of different sizes was proposed and applied on an experimental bench. The device improved the operational performance of the hole seeder and reduced the rate of empty holes so as to achieve the purpose of improving operational efficiency and increasing production and income.
- Utilizing Box–Behnken experimental design principles, we employed a three-factor, three-level response surface analysis method to conduct simulation experiments pf the seeding performance of the hole seeder under various combinations of operational parameters. With the aid of Design-Expert 12, we derived quadratic regression models for the qualification index, miss-seeding index, and reseeding index of the seeding process. We investigated the impact of the hole seeder’s disc’s rotational speed, the lever angle of the movable hole-former, and the number of bearings on the response values of these three indices. The optimal parameter combination identified was a rotating disc rotational speed of 49 r/min for the hole seeder (equating a forward speed of 5.76 km/h), a lever angle of 131° for the movable hole-former, and four bearings for the pendulum plate.
- Under the optimal working parameters, field test results showed that the qualification index of the pendulum-lever-type hole seeder was 89.13%, the miss-seeding index was 5.46%, and the reseeding index was 6.41%. Compared to the simulation test, the relative errors of the qualification index, reseeding index, and miss-seeding index were 2.57%, 0.89%, and 2.68%, respectively. The small discrepancies between the actual results and the optimized values (<5%) demonstrate the reliability of the obtained working parameters of the pendulum-lever-type hole seeder.
Author Contributions
Funding
Institutional Review Board Statement
Data Availability Statement
Acknowledgments
Conflicts of Interest
References
- Dai, F.; Song, X.F.; Zhao, W.Y.; Sun, B.G.; Shi, R.J.; Zhang, Y. Numerical simulation and analysis of mechanized suppression process of seedbed with whole plastic film mulching on double ridges. Int. J. Agric. Biol. Eng. 2021, 14, 142–150. [Google Scholar] [CrossRef]
- Dai, F.; Guo, W.; Song, X.; Shi, R.; Zhao, W.; Zhang, F. Design and field test of crosswise belt type whole plastic-film ridging-mulching corn seeder on double ridges. Int. J. Agric. Biol. Eng. 2019, 12, 88–96. [Google Scholar] [CrossRef]
- Dai, F.; Zhao, W.Y.; Zhang, F.W.; Ma, H.J.; Xin, S.L.; Ma, M.Y. Research Progress Analysis of Furrow Sowing with Whole Plastic-film Mulching on Double Ridges Technology and Machine in Northwest Rainfed Area. Trans. Chin. Soc. Agric. Mach. 2019, 50, 1–16. [Google Scholar] [CrossRef]
- Xie, J.H.; Zhang, R.Z.; Li, L.L.; Chai, Q.; Luo, Z.Z.; Cai, L.Q.; Qi, P. Effects of plastic film mulching patterns on maize grain yield, water use efficiency, and soil water balance in the farming system with one film used two years. J. Appl. Ecol. 2018, 29, 1935–1942. [Google Scholar] [CrossRef] [PubMed]
- Zhao, W.Y.; Dai, F.; Yang, J.; Shi, Z.L.; Yang, Z.; Shi, L.R. Design and Experiment of direct insert precision hill-seeder with corn whole plastic-film mulching on double ridges. Trans. Chin. Soc. Agric. Mach. 2013, 44, 91–97. [Google Scholar] [CrossRef]
- Dong, J.X.; Gao, X.J.; Zhang, S.L.; Liu, Y.; Chen, X.H.; Huang, Y.X. Design and Test of Maize Posture Control and Driving Precision Metering Device for High-speed Seeder. Trans. Chin. Soc. Agric. Mach. 2022, 53, 108–119. [Google Scholar] [CrossRef]
- Gao, X.J.; Xie, G.F.; Li, J.; Shi, G.S.; Lai, Q.H.; Huang, Y.X. Design and validation of a centrifugal variable-diameter pneumatic high-speed precision seed-metering device for maize. Biosyst. Eng. 2023, 227, 161–181. [Google Scholar] [CrossRef]
- Han, D. Optimization Simulation and Experimental Research of Inside Filling Air-Blowing Maize Precision Seed-Metering Device. Ph.D. Thesis, China Agricultural University, Beijing, China, 2018. [Google Scholar]
- Zhang, C.; Xie, X.; Zheng, Z.; Wu, X.; Wang, W.; Chen, L. A Plant Unit Relates to Missing Seeding Detection and Reseeding for Maize Precision Seeding. Agriculture 2022, 12, 1634. [Google Scholar] [CrossRef]
- Gao, X.J.; Cui, T.; Zhou, Z.Y.; Yu, Y.B.; Xu, Y.; Zhang, D.X.; Song, W. DEM study of particle motion in novel high-speed seed metering device. Adv. Powder Technol. 2021, 32, 1438–1449. [Google Scholar] [CrossRef]
- Gao, X.J.; Zhao, P.F.; Li, J.; Xu, Y.; Huang, Y.X.; Wang, L. Design and Experiment of Quantitative Seed Feeding Wheel of Air-Assisted High-Speed Precision Seed Metering Device. Agriculture 2022, 12, 1951. [Google Scholar] [CrossRef]
- Dong, J.X.; Gao, X.J.; Zhang, S.L.; Huang, Y.X.; Zhang, C.Q.; Shi, J.T. Design and Test of Guiding Seed Throwing Mechanism for Maize Posture Control and Driving Metering Device. Trans. Chin. Soc. Agric. Mach. 2023, 54, 25–34. [Google Scholar] [CrossRef]
- Ma, J.; Sun, S.; Wang, J.; Hu, B.; Luo, X.; Xu, X. An Experimental Analysis of the Seed-Filling Mechanism of Maize-Precision Hole-Planter Clamping. Agriculture 2024, 14, 398. [Google Scholar] [CrossRef]
- Wang, K.Y. Optimization Study of Self-Propelled Sunflower Coated Seeder Cavitator. Master’s Thesis, Inner Mongolia Agricultural University, Hohhot, China, 2023. [Google Scholar]
- Gu, L.L.; Zhang, W.Q.; Liu, M.J. The design and Experiment of the forced opening mechanism on the peanut dibbler. J. Hunan Agric. Univ. (Nat. Sci.) 2017, 43, 676–679. [Google Scholar] [CrossRef]
- Adilet, S.; Zhao, J.; Sayakhat, N.; Chen, J.; Nikolay, Z.; Bu, L.; Sugirbayeva, Z.; Hu, G.; Marat, M.; Wang, Z. Calibration Strategy to Determine the Interaction Properties of Fertilizer Particles Using Two Laboratory Tests and DEM. Agriculture 2021, 11, 592. [Google Scholar] [CrossRef]
- Gummer, A.; Sauer, B. Modeling planar slider-crank mechanisms with clearance joints in RecurDyn. Multibody Syst. Dyn. 2012, 31, 127–145. [Google Scholar] [CrossRef]
- Liu, Q.F.; Chen, Y.; Liu, Y.; Wen, X.X.; Liao, Y.C. Coupling effects of plastic film mulching and urea types on water use efficiency and grain yield of maize in the Loess Plateau, China. Soil Tillage Res. 2016, 157, 1–10. [Google Scholar] [CrossRef]
- Lu, H.D.; Xia, Z.Q.; Fu, Y.F.; Wang, Q.; Xue, J.Q.; Chu, J. Response of Soil Temperature, Moisture, and Spring Maize (Zea mays L.) Root/Shoot Growth to Different Mulching Materials in Semi-Arid Areas of Northwest China. Agronomy 2020, 10, 453. [Google Scholar] [CrossRef]
- Wei, W.C.; Dai, F.; Zhang, F.W.; Zhang, S.L.; Shi, R.J.; Liu, Y.X. Numerical simulation on soil water-thermal effect under different film mulching methods of maize in the arid of North-west China. Agric. Res. Arid Areas 2020, 38, 13–21. [Google Scholar] [CrossRef]
- Dai, F.; Gao, A.M.; Zhang, F.W.; Zhao, W.Y.; Han, Z.S.; Wang, S.L. Design and simulation of pneumatic direct insert hill-seeder with corn whole plastic film on double ridges. Agric. Res. Arid Areas 2018, 36, 284–289. [Google Scholar] [CrossRef]
- Wang, G. Design and Test of Duckbill Seed-Metering Device for Rice Film Spreading and Hole Sowing Machine. Master’s Thesis, Anhui Agricultural University, Hefei, China, 2023. [Google Scholar]
- Shi, L.R.; Zhao, W.Y. Design and test of a rolling spoon type precision hole sower for caraway in northwest cold and arid agricultural region. J. Jilin Univ. (Eng. Technol. Ed.) 2023, 53, 2706–2717. [Google Scholar] [CrossRef]
- Gu, L.L. Desing and Experimental Research on Peanut Dibbling Machine. Master’s Thesis, Nanjing Agricultural University, Nanjing, China, 2019. [Google Scholar]
- Li, H.; He, T.F.; Liu, H.; Shi, S.; Zhou, J.L.; Liu, X.C.; Wang, B.Q. Development of the profiling up-film transplanter for sweet potato in hilly and mountainous region. Trans. Chin. Soc. Agric. Eng. 2023, 39, 26–35. [Google Scholar] [CrossRef]
- Qu, H.; Shi, L.R.; Xin, S.L.; Zhao, W.Y.; Guo, J.H.; Yang, T.; Liu, F.J. Design and experiment of flax precision hole-seeding combined operation machine with soil storage device. J. Chin. Agric. Univ. 2022, 27, 186–197. [Google Scholar] [CrossRef]
- Shi, L.R.; Wu, J.M.; Sun, W.; Zhang, F.W.; Sun, B.G.; Liu, Q.W.; Zhao, W.Y. Simulation test for metering process of horizontal disc precision metering device based on discrete element method. Trans. Chin. Soc. Agric. Eng. 2014, 30, 40–48. [Google Scholar] [CrossRef]
- Jin, X.N.; Zhang, J.C.; Xue, J.F.; Gou, C.C.; He, C.X.; Lu, L.Q. Calibration of Discrete Element Contact Parameters of Maize Seed and Rubber Belt. J. Agric. Mach. Res. 2022, 44, 39–43. [Google Scholar] [CrossRef]
- Lu, B.; Ni, X.D.; Li, S.F.; Li, K.Z.; Qi, Q.Z. Simulation and Experimental Study of a Split High-Speed Precision Seeding System. Agriculture 2022, 12, 1037. [Google Scholar] [CrossRef]
- GB/T 6973-2005; Testing Methods of Single Seed Drills. Standardization Administration of the P.R.C.: Beijing, China, 2005.
- Zhang, B.; Chen, X.; Liang, R.; Wang, X.; Meng, H.; Kan, Z. Calibration and Test of Contact Parameters between Chopped Cotton Stalks Using Response Surface Methodology. Agriculture 2022, 12, 1851. [Google Scholar] [CrossRef]
- Wang, J.; Yao, Z.; Xu, Y.; Guo, F.; Guan, R.; Li, H.; Tang, H.; Wang, Q. Mechanism Analysis and Experimental Verification of Side-Filled Rice Precision Hole Direct Seed-Metering Device Based on MBD-DEM Simulations. Agriculture 2024, 14, 184. [Google Scholar] [CrossRef]
- Zhang, C.L.; Liu, T.; Zhang, Z.H.; Fang, J.; Xie, X.D.; Chen, L.Q. Design and test of the precision seeding dispenser with the staggered convex teeth for wheat sowing with wide seedling belt. Trans. Chin. Soc. Agric. Eng. 2024, 40, 47–59. [Google Scholar] [CrossRef]
- Zhang, S.; He, H.L.; Yuan, Y.W.; Kuang, F.M.; Xiaog, W.; Li, Z.D.; Zhu, D.Q. Design and experiment of the orifice-groove combined hole of the oriented filling type precision hill-drop seed-metering device for rice. Trans. Chin. Soc. Agric. Eng. 2023, 39, 39–50. [Google Scholar] [CrossRef]
- Yang, L.; Li, Z.M.; Zhang, D.X.; Li, C.; Cui, T.; He, X.T. Design and test of the T-shaped hole of centrifugal high-speed maize precision seed metering device. Trans. Chin. Soc. Agric. Eng. 2024, 40, 50–60. [Google Scholar] [CrossRef]
- Gao, X.J.; Xu, Y.; Zhang, D.X.; Yang, L.; Lu, B.; Su, Y.; Xia, G.Y.; Cui, T. Design and experiment of air-assisted high speed precision maize seed metering device. Trans. Chin. Soc. Agric. Eng. 2019, 35, 9–20. [Google Scholar] [CrossRef]



















| Shape | Average Length L/mm | Average Width W/mm | Average Thickness T/mm | Proportion |
|---|---|---|---|---|
| Flattened | 11.65 | 7.62 | 4.85 | 77.4% |
| Orbicular | 10.73 | 7.68 | 5.87 | 22.6% |
| Material | Poisson’s Ratio | Shear Modulus/MPa | Density/(kg·m−3) |
|---|---|---|---|
| Corn | 0.357 | 2.17 × 102 | 1250 |
| Steel | 0.28 | 3.5 × 104 | 7850 |
| Seed brush | 0.40 | 1 × 102 | 1150 |
| Rubber band | 0.48 | 1 × 103 | 1380 |
| Form of Contact | Coefficient of Restitution | Coefficient of Static Friction | Coefficient of Rolling Friction |
|---|---|---|---|
| Corn–Corn | 0.60 | 0.50 | 0.10 |
| Steel–Corn | 0.60 | 0.30 | 0.01 |
| Seed Brush–Corn | 0.45 | 0.50 | 0.01 |
| Rubber Belt–Corn | 0.711 | 0.784 | 0.035 |
| Levels | Test Factors | ||
|---|---|---|---|
| Rotational Speed of Rotating Disc X1/(r·min−1) | Lever Angle X2/(°) | Pendulum Bearings X3/(Number) | |
| −1 | 40 | 110 | 3 |
| 0 | 60 | 125 | 4 |
| 1 | 80 | 140 | 5 |
| Test No. | Factors | Response Values | ||||
|---|---|---|---|---|---|---|
| X1 | X2 | X3 | Y1/% | Y2/% | Y3/% | |
| 1 | −1 | 1 | 0 | 89.26 | 5.42 | 5.32 |
| 2 | −1 | 0 | 1 | 90.4 | 4.54 | 5.06 |
| 3 | −1 | 0 | −1 | 89.98 | 5.29 | 4.73 |
| 4 | −1 | −1 | 0 | 72.49 | 25.23 | 2.28 |
| 5 | 0 | 1 | 1 | 88.02 | 7.73 | 4.25 |
| 6 | 0 | 1 | −1 | 85.03 | 11.32 | 3.65 |
| 7 | 0 | 0 | 0 | 87.52 | 8.73 | 3.75 |
| 8 | 0 | 0 | 0 | 87.41 | 9.41 | 3.18 |
| 9 | 0 | 0 | 0 | 86.61 | 9.47 | 3.92 |
| 10 | 0 | 0 | 0 | 86.66 | 9.57 | 3.77 |
| 11 | 0 | 0 | 0 | 84.56 | 11.63 | 3.81 |
| 12 | 0 | −1 | 1 | 67.5 | 29.59 | 2.91 |
| 13 | 0 | −1 | −1 | 64.62 | 32.73 | 2.65 |
| 14 | 1 | 1 | 0 | 79.68 | 17.97 | 2.35 |
| 15 | 1 | 0 | −1 | 77.6 | 20.26 | 2.14 |
| 16 | 1 | 0 | 1 | 72.56 | 25.68 | 1.76 |
| 17 | 1 | −1 | 0 | 54.33 | 44.04 | 1.63 |
| Test Index | Sources of Variance | Square of Sum | Degree of Freedom | Mean Square | F-Value | p-Value |
|---|---|---|---|---|---|---|
| Qualification index | Model | 1765.11 | 9 | 196.12 | 207.28 | <0.0001 ** |
| X1 | 99.94 | 1 | 99.94 | 105.62 | <0.0001 ** | |
| X2 | 6.54 | 1 | 6.54 | 6.91 | 0.0340 * | |
| X3 | 7.58 | 1 | 7.58 | 8.01 | 0.0254 * | |
| X1X2 | 18.40 | 1 | 18.40 | 19.45 | 0.0031 ** | |
| X1X3 | 5.34 | 1 | 5.34 | 5.64 | 0.0493 * | |
| X2X3 | 0.0030 | 1 | 0.0030 | 0.0032 | 0.9565 | |
| X12 | 41.38 | 1 | 41.38 | 43.73 | 0.0003 ** | |
| X22 | 378.18 | 1 | 378.18 | 399.70 | <0.0001 * | |
| X32 | 2.58 | 1 | 2.58 | 2.72 | 0.1429 | |
| Residual error | 6.62 | 7 | 0.9462 | |||
| Lack-of-fit | 0.9668 | 3 | 0.3223 | 0.2279 | 0.8728 | |
| Error | 5.66 | 4 | 1.41 | |||
| Sum | 1771.74 | 16 | ||||
| Miss-seeding index | Model | 2088.30 | 9 | 232.03 | 190.83 | <0.0001 ** |
| X1 | 150.66 | 1 | 150.66 | 123.91 | <0.0001 ** | |
| X2 | 5.91 | 1 | 5.91 | 4.86 | <0.0001 ** | |
| X3 | 7.82 | 1 | 7.82 | 6.43 | 0.0044 ** | |
| X1X2 | 9.80 | 1 | 9.80 | 8.06 | 0.0251 * | |
| X1X3 | 5.45 | 1 | 5.45 | 4.48 | 0.0720 | |
| X2X3 | 0.0506 | 1 | 0.0506 | 0.0416 | 0.8441 | |
| X12 | 51.62 | 1 | 51.62 | 42.46 | 0.0003 ** | |
| X22 | 412.80 | 1 | 412.80 | 339.49 | <0.0001 ** | |
| X32 | 1.94 | 1 | 1.94 | 1.60 | 0.2469 | |
| Residual error | 8.51 | 7 | 1.22 | |||
| Lack-of-fit | 3.71 | 3 | 1.24 | 1.03 | 0.4685 | |
| Error | 4.80 | 4 | 232.03 | |||
| Sum | 2096.81 | 16 | 2.12 | |||
| Reseeding index | Model | 19.05 | 9 | 5.19 | 11.99 | 0.0018 ** |
| X1 | 5.19 | 1 | 0.0157 | 29.37 | <0.0001 ** | |
| X2 | 0.0157 | 1 | 0.0018 | 0.0888 | 0.0014 ** | |
| X3 | 0.0018 | 1 | 1.35 | 0.0103 | 0.2281 | |
| X1X2 | 1.35 | 1 | 0.0006 | 7.62 | 0.0281 * | |
| X1X3 | 0.0006 | 1 | 0.0289 | 0.0035 | 0.9542 | |
| X2X3 | 0.0289 | 1 | 0.5663 | 0.1636 | 0.6979 | |
| X12 | 0.5663 | 1 | 0.7578 | 3.21 | 0.1165 | |
| X22 | 0.7578 | 1 | 0.0449 | 4.29 | 0.0770 | |
| X32 | 0.0449 | 1 | 0.1766 | 0.2542 | 0.6296 | |
| Residual error | 1.24 | 7 | 0.2997 | |||
| Lack-of-fit | 0.8990 | 3 | 0.0843 | 3.55 | 0.1262 | |
| Error | 0.3373 | 4 | 2.12 | |||
| Sum | 20.29 | 16 |
| Number | Qualification Index | Miss-Seeding Index | Reseeding Index |
|---|---|---|---|
| 1 | 87.60% | 7.60% | 4.80% |
| 2 | 92.40% | 4.00% | 3.60% |
| 3 | 91.60% | 5.20% | 3.20% |
| Average | 90.53% | 5.60% | 3.87% |
Disclaimer/Publisher’s Note: The statements, opinions and data contained in all publications are solely those of the individual author(s) and contributor(s) and not of MDPI and/or the editor(s). MDPI and/or the editor(s) disclaim responsibility for any injury to people or property resulting from any ideas, methods, instructions or products referred to in the content. |
© 2024 by the authors. Licensee MDPI, Basel, Switzerland. This article is an open access article distributed under the terms and conditions of the Creative Commons Attribution (CC BY) license (https://creativecommons.org/licenses/by/4.0/).
Share and Cite
Zhou, H.; Dai, F.; Shi, R.; Zhao, C.; Deng, H.; Pan, H.; Zhao, Q. Simulation and Optimization of a Pendulum-Lever-Type Hole-Seeding Device. Agriculture 2024, 14, 750. https://doi.org/10.3390/agriculture14050750
Zhou H, Dai F, Shi R, Zhao C, Deng H, Pan H, Zhao Q. Simulation and Optimization of a Pendulum-Lever-Type Hole-Seeding Device. Agriculture. 2024; 14(5):750. https://doi.org/10.3390/agriculture14050750
Chicago/Turabian StyleZhou, Hengshan, Fei Dai, Ruijie Shi, Cai Zhao, Huan Deng, Haifu Pan, and Qinxue Zhao. 2024. "Simulation and Optimization of a Pendulum-Lever-Type Hole-Seeding Device" Agriculture 14, no. 5: 750. https://doi.org/10.3390/agriculture14050750
APA StyleZhou, H., Dai, F., Shi, R., Zhao, C., Deng, H., Pan, H., & Zhao, Q. (2024). Simulation and Optimization of a Pendulum-Lever-Type Hole-Seeding Device. Agriculture, 14(5), 750. https://doi.org/10.3390/agriculture14050750
