Research on Transmission Efficiency Prediction of Heavy-Duty Tractors HMCVT Based on VMD and PSO–BP
Abstract
1. Introduction
2. Materials and Methods
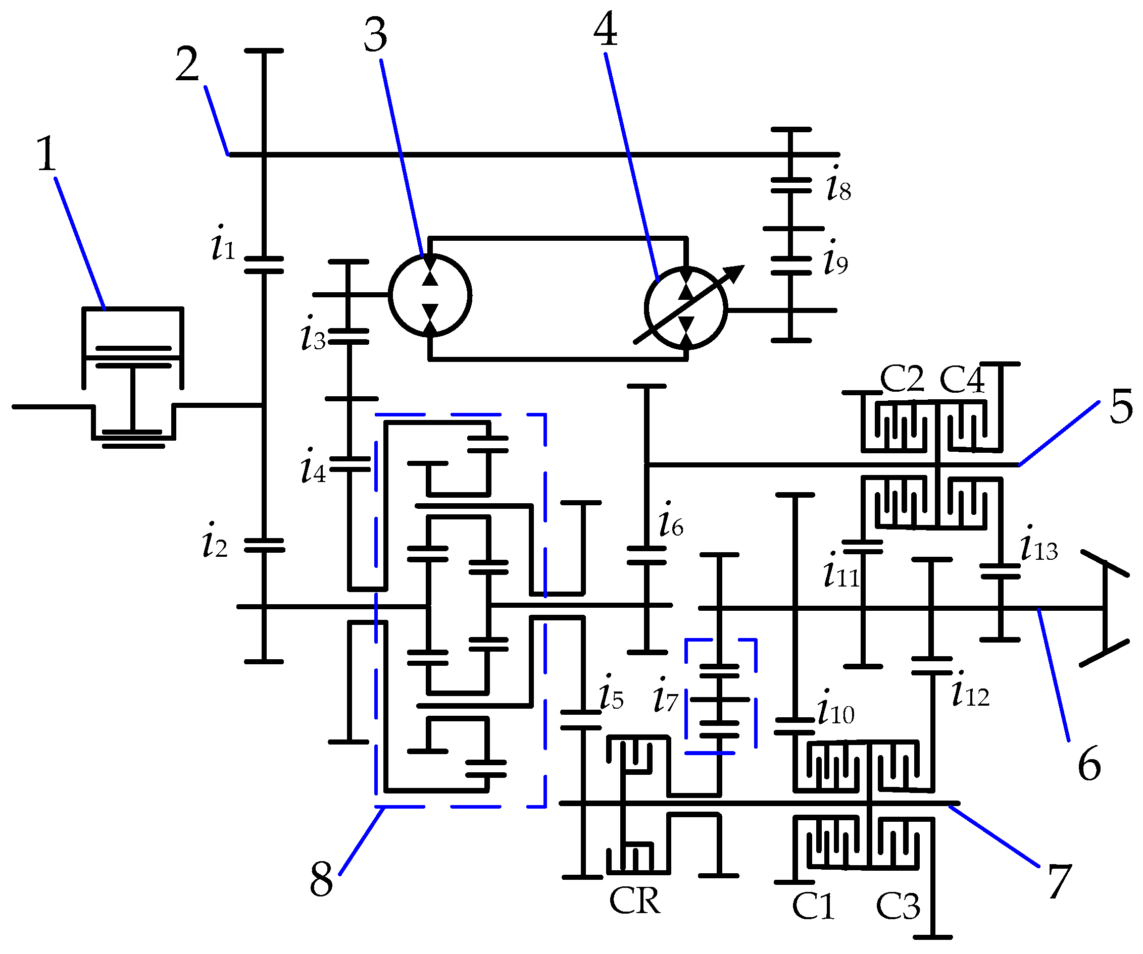
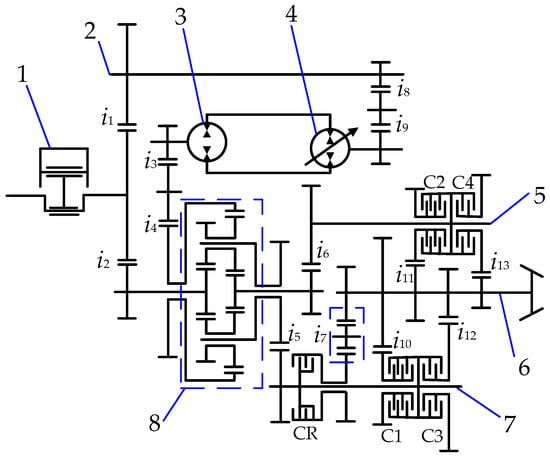
2.1. HMCVT Transmission Principle
- HM1 segment speed range is 0.01~11.6 km/h, corresponding to a displacement ratio of 0.8~−0.84;
- HM2 segment speed range is 11.6~17.4 km/h, corresponding to a displacement ratio of −0.84~0.02;
- HM3 segment speed range is 17.4~35 km/h, corresponding to a displacement ratio of 0.02~−0.76;
- HM4 segment speed range is 35~49.7 km/h, corresponding to a displacement ratio of −0.76~0.
2.2. Simplified Model of Transmission Efficiency
2.3. HMCVT Test Bench
2.4. Data Denoising Method Based on VMD
2.5. Transmission Efficiency Prediction Model Based on PSO–BP
2.6. Analysis of the Importance of Factors on the Transmission Efficiency Based on PLS
3. Results and Discussion
3.1. Transmission Efficiency Characteristics of HMCVT
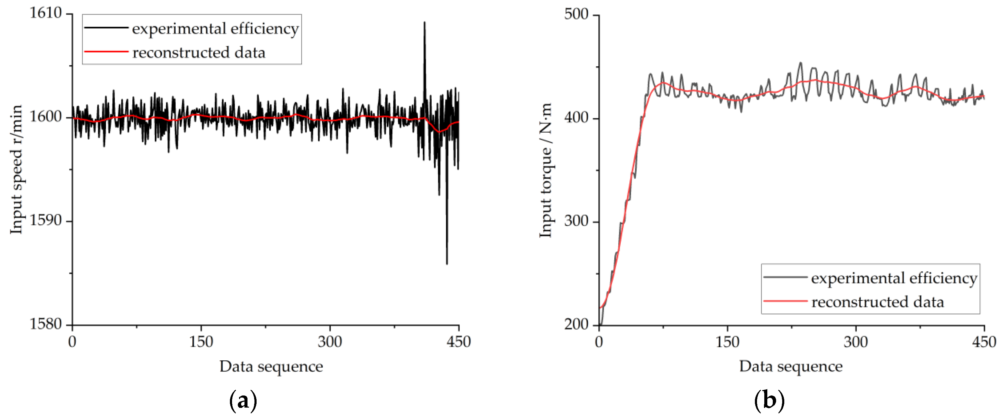
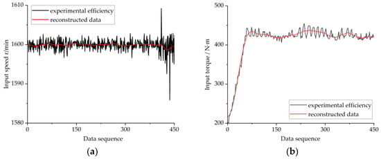
3.2. Denoising Results and Analysis of Test Data Based on VMD
3.3. Transmission Efficiency Prediction Results and Analysis
4. Conclusions
Author Contributions
Funding
Institutional Review Board Statement
Informed Consent Statement
Data Availability Statement
Acknowledgments
Conflicts of Interest
References
- Xie, B.; Wu, Z.B.; Mao, E.R. Development and prospect of key technologies on agricultural tractor. Trans. Chin. Soc. Agric. Mach. 2018, 49, 1–17. [Google Scholar]
- Lu, K.; Lu, Z.X. Analysis of HMCVT shift quality based on the engagement characteristics of wet clutch. Agriculture 2022, 12, 2012. [Google Scholar] [CrossRef]
- Lu, K.; Lu, Y.; Deng, X.T.; Wang, L.; Zhao, Y.R.; Lu, Z.X. Torque handover and control of the HMCVT shift clutches under the theoretical shift condition. Trans. Chin. Soc. Agric. Eng. 2023, 38, 23–32. [Google Scholar]
- Lu, K.; Wang, L.; Lu, Z.X.; Zhou, H.D.; Qian, J.; Zhao, Y.R. Sliddng mode control for HMCVT shifting clutch pressure tracking based on expanded observer. Trans. Chin. Soc. Agric. Mach. 2022, 54, 410–418. [Google Scholar]
- Linares, P.; Méndez, V.; Catalán, H. Design parameters for continuously variable power-split transmissions using planetaries with 3 active shafts. J. Terramech. 2010, 47, 325–335. [Google Scholar] [CrossRef]
- Yu, J.; Dong, X.H.; Song, Y.R. Energy efficiency optimization of a compound coupled hydro-mechanical transmission for heavy-duty vehicles. Energy 2022, 252, 123937. [Google Scholar] [CrossRef]
- Wang, C. Determination of power flow and calculation of transmission efficiency for 2K-H closed epicyclic gear train. J. Mech. Eng. 2023, 59, 59–67. [Google Scholar]
- Wang, W.J.; Yang, G.L.; Du, Q.H.; Chen, Q.Y. Design of 3K planetary gear reducer with no backlash. Chin. Mech. Eng. 2024, 35, 36–44. [Google Scholar]
- Cui, L.; Qin, D.T.; Shi, W.K. Reference efficiency of planetary gear train. J. Chongqing Univ. Nat. Sci. Ed. 2006, 29, 11–14. [Google Scholar]
- Geng, B.L.; Gu, L.C.; Liu, J.M. Novel methods for modeling and online measurement of effective bulk modulus of flowing oil. IEEE Access 2020, 8, 20805–20817. [Google Scholar] [CrossRef]
- Xu, R.; Gu, L.C. Semi-empirical Parametric modeling for efficiency characteristics of axial piston pump. Trans. Chin. Soc. Agric. Mach. 2016, 47, 382–390. [Google Scholar]
- İnce, E.; Güler, M.A. On the advantages of the new power-split infinitely variable transmission over conventional mechanical transmissions based on fuel consumption analysis. J. Cleaner Prod. 2020, 244, 118795. [Google Scholar] [CrossRef]
- Huang, X.K.; Lu, Z.X.; Qian, J.; An, Y.H. Optimization of tractor HMCVT target speed ratio and control simulation based on machine economy. J. Nanjing Agric. Univ. 2022, 45, 777–787. [Google Scholar]
- Zhang, M.Z.; Wang, J.Z.; Wang, J.H.; Guo, Z.Z.; Guo, F.Q.; Xi, Z.Q.; Xu, J.J. Speed changing control strategy for improving tractor fuel economy. Trans. Chin. Soc. Agric. Eng. 2020, 36, 82–89. [Google Scholar]
- Blake, C.; Monika, I.; Kyle, W. Comparison of Operational Characteristics in Power Split Continuously Variable Transmissions. In Proceedings of the Commercial Vehicle Engineering Congress and Exhibition, Chicago, IL, USA, 31 October 2006. [Google Scholar]
- Zhang, G.Q.; Wang, K.X.; Xiao, M.H.; Zhou, M.H. HMCVT steady state transmission efficiency based on HST-EGT torque ratio. Trans. Chin. Soc. Agric. Mach. 2021, 52, 533–541. [Google Scholar]
- Liang, L.; Li, Q.T.; Tan, Y.Y.; Yang, Z.H. Multi-parameter optimization of HMCVT fuel economy using parameter cyclic aigorithm. Trans. Chin. Soc. Agric. Eng. 2023, 39, 48–55. [Google Scholar]
- Wang, G.M.; Zhu, S.H.; Shi, L.X.; Ni, X.D.; Ruan, W.S.; Ouyang, D.Y. Simulation and experiment on efficiency characteristics of hydraulic mechanical continuously variable transmission for tractor. Trans. Chin. Soc. Agric. Eng. 2013, 15, 42–48. [Google Scholar]
- Zhu, Z.; Gao, X.; Cao, L.L.; Pan, D.Y.; Zhu, Y.; Guo, J. Research on response characteristic and efficiency characteristic of pump-control-motor system. Mach. Tool Hdy. 2016, 44, 87–92. [Google Scholar]
- Cheng, Z.; Lu, Z.X.; Qian, J. A new non-geometric transmission parameter optimization design method. Comput. Electron. Agric. 2019, 167, 105034. [Google Scholar] [CrossRef]
- Cheng, Z.; Lu, Z.X. Model modification and parameter identification of tractor hydraulic transmission system characteristics. Trans. Chin. Soc. Agric. Eng. 2023, 38, 33–41. [Google Scholar]
- Cheng, Z.; Xing, J.; Li, W.J. Efficiency modeling and reducer ratio analysis of hydrostatic transmission system for agricultural and forestry machinery. J. Mech. Electr. Eng. 2024, 41, 99–106. [Google Scholar]
- Dragomiretskiy, K.; Zosso, D. Variational Mode Decomposition. IEEE Trans. Signal. Process. 2014, 62, 531–544. [Google Scholar] [CrossRef]
- Liu, B.X.; Zhang, Y.M.; Jiang, Z. Noise reduction method of pipeline leakage signal based on variational mode decomposition. J. Vibra. Meas. Diagn. 2023, 43, 397–403. [Google Scholar]
- Gao, H.T.; Kang, J.H.; Zhang, Z.; Wu, B. Enhancement of signal-to-noise ratio based on variational mode decomposition for phase-sensitive optical time domain reflectometry. Acta Opt. Sin. 2023, 43, 49–58. [Google Scholar]
- Li, B.; Li, X.; Rui, H.; Liang, Y. Displacement prediction of tunnel entrance slope based on variational modal decomposition and grey wolf optimized extreme learning machine. J. Jilin Univ. Eng. Technol. Ed. 2023, 53, 1853–1860. [Google Scholar]
- Wang, J.H.; Li, H.G.; Zhang, W.D.; Chen, Y.N. Adaptive modal total variational mode decomposition method and its performance evaluation. J. Vibr. Shock 2023, 42, 251–262. [Google Scholar]
- Xia, L. Analysis of partial least squares modeling and multi-collinearity ability. Agro Food Ind. Hi-Tech 2017, 28, 885–889. [Google Scholar]
- Xu, Q.S.; Liang, Y.Z.; Shen, H.L. Generalized PLS regression. J. Chemom. 2001, 15, 135–148. [Google Scholar] [CrossRef]











| Working Conditions | Type of Error | Model | Prediction Error Value | Error Mean | ||
|---|---|---|---|---|---|---|
| 1 | 2 | 3 | ||||
| 75% load at 1600 r/min | MAE | BP | 0.013 | 0.017 | 0.014 | 0.015 |
| PSO–BP | 0.012 | 0.010 | 0.012 | 0.011 | ||
| MAPE/% | BP | 1.969 | 2.366 | 1.985 | 2.107 | |
| PSO–BP | 1.370 | 1.812 | 1.809 | 1.664 | ||
| RMSE | BP | 0.020 | 0.021 | 0.019 | 0.020 | |
| PSO–BP | 0.015 | 0.012 | 0.016 | 0.014 | ||
| 100% load at 1900 r/min | MAE | BP | 0.014 | 0.017 | 0.014 | 0.015 |
| PSO–BP | 0.009 | 0.011 | 0.009 | 0.010 | ||
| MAPE/% | BP | 2.018 | 2.393 | 1.940 | 2.117 | |
| PSO–BP | 1.239 | 1.443 | 1.214 | 1.299 | ||
| RMSE | BP | 0.019 | 0.020 | 0.015 | 0.018 | |
| PSO–BP | 0.010 | 0.011 | 0.010 | 0.010 | ||
| 50% load at 2200 r/min | MAE | BP | 0.019 | 0.011 | 0.016 | 0.015 |
| PSO–BP | 0.008 | 0.009 | 0.008 | 0.008 | ||
| MAPE/% | BP | 3.116 | 1.857 | 2.843 | 2.605 | |
| PSO–BP | 1.519 | 1.056 | 1.363 | 1.313 | ||
| RMSE | BP | 0.024 | 0.017 | 0.021 | 0.021 | |
| PSO–BP | 0.013 | 0.009 | 0.011 | 0.011 | ||
Disclaimer/Publisher’s Note: The statements, opinions and data contained in all publications are solely those of the individual author(s) and contributor(s) and not of MDPI and/or the editor(s). MDPI and/or the editor(s) disclaim responsibility for any injury to people or property resulting from any ideas, methods, instructions or products referred to in the content. |
© 2024 by the authors. Licensee MDPI, Basel, Switzerland. This article is an open access article distributed under the terms and conditions of the Creative Commons Attribution (CC BY) license (https://creativecommons.org/licenses/by/4.0/).
Share and Cite
Lu, K.; Liang, J.; Liu, M.; Lu, Z.; Shi, J.; Xing, P.; Wang, L. Research on Transmission Efficiency Prediction of Heavy-Duty Tractors HMCVT Based on VMD and PSO–BP. Agriculture 2024, 14, 539. https://doi.org/10.3390/agriculture14040539
Lu K, Liang J, Liu M, Lu Z, Shi J, Xing P, Wang L. Research on Transmission Efficiency Prediction of Heavy-Duty Tractors HMCVT Based on VMD and PSO–BP. Agriculture. 2024; 14(4):539. https://doi.org/10.3390/agriculture14040539
Chicago/Turabian StyleLu, Kai, Jing Liang, Mengnan Liu, Zhixiong Lu, Jinzhong Shi, Pengfei Xing, and Lin Wang. 2024. "Research on Transmission Efficiency Prediction of Heavy-Duty Tractors HMCVT Based on VMD and PSO–BP" Agriculture 14, no. 4: 539. https://doi.org/10.3390/agriculture14040539
APA StyleLu, K., Liang, J., Liu, M., Lu, Z., Shi, J., Xing, P., & Wang, L. (2024). Research on Transmission Efficiency Prediction of Heavy-Duty Tractors HMCVT Based on VMD and PSO–BP. Agriculture, 14(4), 539. https://doi.org/10.3390/agriculture14040539

