Design of Hydrostatic Power Shift Compound Drive System for Cotton Picker Experiment
Abstract
:1. Introduction
2. Design and Selection of Compound Drive System for Cotton Picker
2.1. Analysis of Cotton Picker System and Driving Parameters
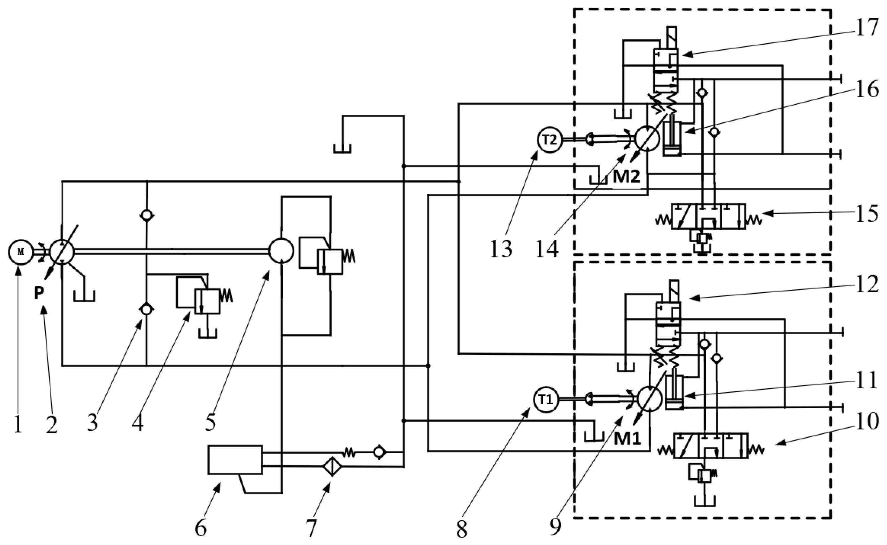
2.2. Overall Design of Chassis Compound Drive System
2.3. Overall Design of Chassis Compound Drive System
2.3.1. Cotton Picker Drive-Related Power Calculation
Traveling Power Calculation
Climbing Power Calculation
Cotton Picker Angle Power
2.3.2. Selection of Key Components
Engine Selection
Variable Motor Selection
Variable Pump Selection
3. Simulation and Experimentation
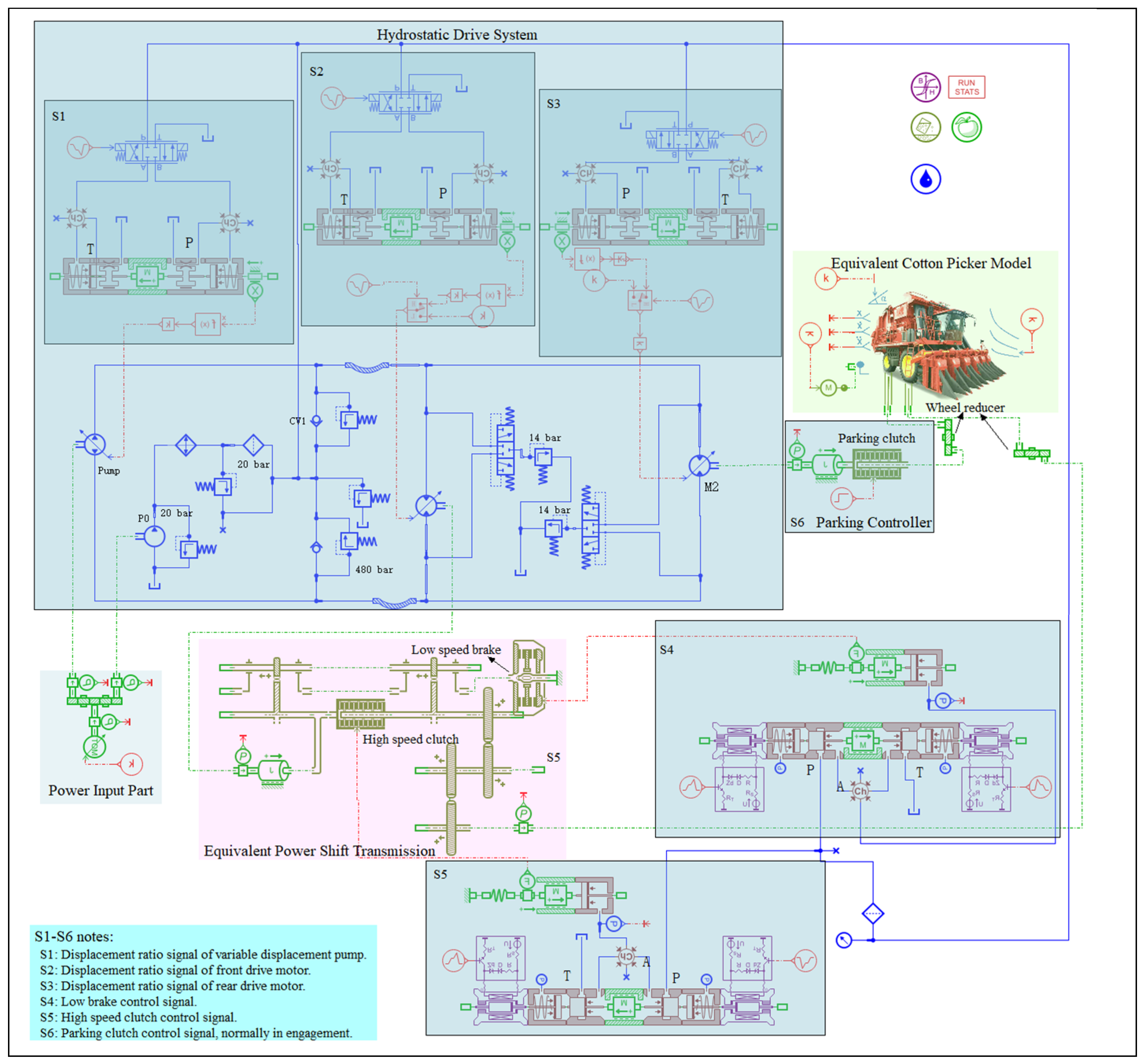
3.1. Modeling of Compound Drive System of Cotton Picker
3.2. Simulation Setup and Experiment Methods
3.2.1. Simulation Setup
3.2.2. Experiment Methods
4. Results and Discussion
4.1. Simulation Results and Analysis
4.2. Experimental Results and Analysis
4.2.1. Experimental Results
4.2.2. Speed Ratio Analysis
5. Conclusions
Author Contributions
Funding
Institutional Review Board Statement
Data Availability Statement
Acknowledgments
Conflicts of Interest
References
- Zhang, R.; Chen, Y.; Zhao, D. Development status and suggestions of the cotton industry in Xinjiang. J. Smart Agric. 2023, 3, 5. [Google Scholar]
- Zhao, Y.; Chen, X. Problems and prospects of high quality cotton production in China. J. Tarim Univ. 2023, 35, 8. [Google Scholar]
- Niu, G.; Li, B.; Liu, Y.; Li, Y.; Wang, T.; Wang, S. Development and research status of cotton picker in China. J. Chin. Agric. Mech. 2020, 41, 7. [Google Scholar]
- Wu, J.; Chen, X. Present situation, problems and countermeasures of cotton production mechanization development in Xinjiang Production and Constuction Corps. Trans. Chin. Soc. Agric. Eng. 2015, 31, 6. [Google Scholar]
- Yuan, Y.; Bai, S.; Niu, K.; Zhou, L.; Zhao, B.; Wei, L.; Liu, L. Research progress in the key technologies and equipment for cotton planting mechanization. Trans. Chin. Soc. Agric. Eng. 2023, 39, 11. [Google Scholar]
- Li, H.; Fu, X.; Wang, H.; Zhang, H.; Gu, Y.; Du, X.; Tao, Y.; Li, J. Research on the Wear Characteristics of the Hook Teeth of Cotton Pickers. Coatings 2022, 12, 762. [Google Scholar] [CrossRef]
- Zhong, C.; Ni, X.; Han, S.; Zhao, X.; Li, S.; Wei, X. Design and Test of Power Shift Driving Transmission System of Cotton Picker. Mach. Tool Hydraul. 2022, 10, 19. [Google Scholar] [CrossRef]
- Li, Z.; Cai, Y.; Zhao, P.; Zhang, H. Development of 4MZ-3A Self-propelled Cotton Harvester. J. Agric. Mech. Res. 2020, 3, 2. [Google Scholar] [CrossRef]
- Zhong, C.; Ni, X.; Han, S.; Wei, X.; Chen, H.; Ye, H. Speed Control and Simulation Analysis of Cotton Picker Based on Machine Vision. Chin. Hydraul. Pneum. 2022, 46, 72–81. [Google Scholar]
- Wang, J.; Zhang, H.; Wang, L.; Wei, X.; Wang, M.; Gu, Y.; Cai, Y. Experimental Study and Simulation of the Stress Relaxation Characteristics of Machine-Harvested Seed Cotton. Appl. Sci. 2021, 11, 9959. [Google Scholar] [CrossRef]
- Miao, Z.; Li, C.; Han, K.; Hao, F.; Han, Z.; Zeng, L. Optimal Control Algorithm and Experiment of Working Speed of Cotton-picking Machine Based on Fuzzy PID. Trans. Chin. Soc. Agric. Mach. 2015, 46, 9–14. [Google Scholar]
- Pan, W.; Wang, L.; Ni, X.; Cai, W.; Zhao, Y.; Chen, H.; Lin, Y.; Zhou, Y. Optimisation of Control Strategies for Power Shift Gearboxes. Agriculture 2023, 13, 1266. [Google Scholar] [CrossRef]
- Zhang, P.; Ni, X.; Mei, W. Design and Characteristic Analysis of Hydro-Mechanical Continuous Variable Transmission of Cotton Picker. Mach. Des. Manuf. 2017, 10, 64–66. [Google Scholar]
- Mattetti, M.; Michielan, E.; Mantovani, G.; Varani, M. Objective evaluation of gearshift process of agricultural tractors. Biosyst. Eng. 2022, 224, 324–335. [Google Scholar] [CrossRef]
- Ahn, H.-J.; Park, Y.-J.; Kim, S.-C.; Choi, C. Theoretical Calculations and Experimental Studies of Power Loss in Dual-Clutch Transmission of Agricultural Tractors. Agriculture 2023, 13, 1225. [Google Scholar] [CrossRef]
- Baek, S.-M.; Kim, W.-S.; Kim, Y.-S.; Baek, S.-Y.; Kim, Y.-J. Development of a Simulation Model for HMT of a 50 kW Class Agricultural Tractor. Appl. Sci. 2020, 10, 4064. [Google Scholar] [CrossRef]
- Park, Y.-J.; Kim, S.-C.; Kim, J.-G. Analysis and verification of power transmission characteristics of the hydromechanical transmission for agricultural tractors. J. Mech. Sci. Technol. 2016, 30, 5063–5072. [Google Scholar] [CrossRef]
- Baek, S.; Kim, W.-S.; Kim, Y.-S.; Kim, Y.-J.; Park, C.-G.; An, S.-C.; Moon, H.-C.; Kim, B.-S. Development of a Simulation Model for an 80 kW-class Electric All-Wheel-Drive (AWD) Tractor using Agricultural Workload. J. Drive Control 2020, 17, 27–36. [Google Scholar] [CrossRef]
- Baek, S.Y.; Kim, Y.S.; Kim, W.S.; Baek, S.M.; Kim, Y.J. Development and Verification of a Simulation Model for 120 kW Class Electric AWD (All-Wheel-Drive) Tractor during Driving Operation. Energies 2020, 13, 2422. [Google Scholar] [CrossRef]
- Wan Soo, K.; Yeon Soo, K.; Taek Jin, K.; Seong Un, P.; Yong, C.; Il Su, C.; Young Keun, K.; Yong Joo, K. Analysis of Power Requirement of 78 kW Class Agricultural Tractor According to the Major Field Operation. Trans. Korean Soc. Mech. Eng.-A 2019, 43, 911–922. [Google Scholar] [CrossRef]
- Siddique, M.A.A.; Baek, S.-M.; Baek, S.-Y.; Kim, Y.-J.; Lim, R.-G. Development, Validation, and Evaluation of Partial PST Tractor Simulation Model for Different Engine Modes during Field Operations. Agriculture 2023, 13, 44. [Google Scholar] [CrossRef]
- Bi, X. Hydrostatic Drive System of 2555 Series Cotton Picker. Chin. Hydraul. Pneum. 2003, 2, 21–23. [Google Scholar]
- Bi, X.; Wang, L.; Li, P.; Liu, J. Application of Hydrostatic Transmission in Cotton Picker. J. Agric. Mech. Res. 2009, 31, 4. [Google Scholar]
- İnce, E.; Güler, M.A. Design and Analysis of a Novel Power-Split Infinitely Variable Power Transmission System. J. Mech. Des. 2019, 141, 54501. [Google Scholar] [CrossRef]
- Chen, F.; Wang, X.; Sun, y.; Zhuang, L. Analysis and Determination of Powertrain Scheme of Self Propelled 4MZ-2/3 Cotton Picker. Trans. Chin. Soc. Agric. Eng. 2001, 17, 5. [Google Scholar]
- Ding, L.; Chen, Y.; Zhang, M.; Wang, L. Wheeled High Clearance Sprayer Walking Hydraulic Drive System Design Research. J. Agric. Mech. Res. 2015, 12, 24–106. [Google Scholar] [CrossRef]
- Zhu, C.; Zhang, H.; Wang, W.; Li, K.; Liu, W. Robust control of hydraulic tracked vehicle drive system based on quantitative feedback theory. Int. J. Distrib. Sens. Netw. 2020, 16, 155014772090783. [Google Scholar] [CrossRef]
- Zhu, C.; Li, L.; Wang, W.; Zhang, H.; Zhao, M. Design and Test of Automatic Walking Control System for High Clearance Hydraulic Tracked Vehicle. Trans. Chin. Soc. Agric. Mach. 2018, 49, 456–462. [Google Scholar]
- Chen, W.; Xu, Z.; Wu, Y.; Zhao, Y.; Wang, G.; Xiao, M. Analysis of the shift quality of a hydrostatic power split continuously variable cotton picker. Mech. Sci. 2021, 12, 589–601. [Google Scholar] [CrossRef]
- Zhao, X.; Ni, X.; Wang, Q.; Bao, M.; Li, S.; Han, S. Research on adaptive control strategy of hydraulic mechanical continuously variable transmission of a cotton picker. Proc. Inst. Mech. Eng. Part C J. Mech. Eng. Sci. 2020, 234, 3335–3345. [Google Scholar] [CrossRef]
- Chen, W.; Cao, Y.; Ni, X.; Han, S.; Wang, G.; Xiao, M. Study on transmission characteristics of hydrostatic power split CVT of cotton picker. J. Chin. Agric. Mech. 2020, 41, 7. [Google Scholar] [CrossRef]
- Li, S.; Ni, X.; Bao, M.; Zhao, X.; Han, S. Design and Test of the Hydraulic Mechanical Stepless Transmission Test Bench for Cotton Picker. J. Agric. Mech. Res. 2022, 44, 7. [Google Scholar]
- Zhao, X.; Ni, X.; Bao, M.; Li, S.; Han, S. Coordinated Control of Picking and Walking Constant Speed of New Cotton Picker Based on AMESim-Simulink. Chin. Hydraul. Pneum. 2020, 5, 46. [Google Scholar]
- Xiao, Y. The Development of Integrated Performance Testbed for Horizontal Spindle-Type Cotton Picking Units. Master’s Thesis, Shihezi University, Shihezi, China, 2017. [Google Scholar]

















| Driving Parameters | Cotton Picker Model | ||
|---|---|---|---|
| John Deere CP690 | SSCIM 4MZD-6 | CRCHI 4MZD-6 | |
| Engine rated power (kW) | 418 | 410 | 298 |
| Speed of initial mining in field (km/h) | 7.1 | 7.1 | 6.8 |
| Speed of picking cotton (km/h) | 8.5 | 8.5 | 8 |
| Speed of field transportation (km/h) | 14.5 | 15 | 14.5 |
| Speed of highway transportation (km/h) | 27.4 | 27 | 27.4 |
| Working Mode of Cotton Picker | Transmission Status | Brake | Clutch |
|---|---|---|---|
| -- | Neutral | 0 | 0 |
| Field mode | Low-speed Gear | 1 | 0 |
| Highway mode | High-speed Gear | 0 | 1 |
| -- | Locked | 1 | 1 |
| Parameters | Front Drive Motor | Rear Drive Motor | Variable Displacement Pump |
|---|---|---|---|
| Maximum Displacement/mL∙r−1 | 165 | 105 | 105 |
| Maximum working pressure/MPa | 45 | 45 | 45 |
| Continuous work stress/MPa | 25 | 25 | 25 |
| Maximum operating speed/r∙min−1 | 3900 | 4700 | 4700 |
| Continuous working power/kW | 214 | 153 | 153 |
| Component Name | Numerical Value and Unit | Component Name | Numerical Value and Unit |
|---|---|---|---|
| Engine speed | 1900 r/min | Load viscous damping factor | 0.5 |
| Displacement of the pump | 210 mL/r | Displacement of charge pump | 38 mL/r |
| Power shift transmission ratio | 2.38 | Wheel side reduction ratio | 16 |
| Displacement of the front motor Picker mass | 165 mL/r | Displacement of rear motor | 105 mL/r |
| 33,000 kg | Full load mass | 37,000 kg | |
| Safety valve opening pressure | 42 MPa | Flushing relief valve opening pressure | 1.4 MPa |
| Charge relief valve opening pressure | 2 MPa | One-way valve opening pressure | 0.01 MPa |
| Front wheel radius | 0.53 m | Rear wheel radius | 0.43 m |
| Engine speed | 1900 r/min | Load viscous damping factor | 0.5 |
| Displacement of the pump | 210 mL/r | Displacement of charge pump | 38 mL/r |
| Power shift transmission ratio | 2.38 | Wheel side reduction ratio | 16 |
| Working Mode | Field Picking | Field Re-Picking | Field Transport | Road Transport |
|---|---|---|---|---|
| ∆t1/s | 10.32 | 8.51 | 5.08 | 2.68 |
| ∆t2/s | 10.42 | 8.58 | 5.10 | 2.56 |
| ∆t3/s | 10.16 | 8.56 | 4.82 | 2.66 |
| Experiment speed/km∙h−1 Theoretical speed/km∙h−1 | 6.99 | 8.42 | 14.40 | 27.34 |
| 7.00 | 8.50 | 14.50 | 27.50 | |
| Speed relative error | 0.14% | 0.94% | 0.69% | 0.58% |
Disclaimer/Publisher’s Note: The statements, opinions and data contained in all publications are solely those of the individual author(s) and contributor(s) and not of MDPI and/or the editor(s). MDPI and/or the editor(s) disclaim responsibility for any injury to people or property resulting from any ideas, methods, instructions or products referred to in the content. |
© 2023 by the authors. Licensee MDPI, Basel, Switzerland. This article is an open access article distributed under the terms and conditions of the Creative Commons Attribution (CC BY) license (https://creativecommons.org/licenses/by/4.0/).
Share and Cite
Chen, H.; Wang, M.; Ni, X.; Cai, W.; Zhong, C.; Ye, H.; Zhao, Y.; Pan, W.; Lin, Y. Design of Hydrostatic Power Shift Compound Drive System for Cotton Picker Experiment. Agriculture 2023, 13, 1591. https://doi.org/10.3390/agriculture13081591
Chen H, Wang M, Ni X, Cai W, Zhong C, Ye H, Zhao Y, Pan W, Lin Y. Design of Hydrostatic Power Shift Compound Drive System for Cotton Picker Experiment. Agriculture. 2023; 13(8):1591. https://doi.org/10.3390/agriculture13081591
Chicago/Turabian StyleChen, Huajun, Meng Wang, Xiangdong Ni, Wenqing Cai, Chunfa Zhong, Haoyun Ye, Yongqiang Zhao, Wenlong Pan, and Yuangang Lin. 2023. "Design of Hydrostatic Power Shift Compound Drive System for Cotton Picker Experiment" Agriculture 13, no. 8: 1591. https://doi.org/10.3390/agriculture13081591
APA StyleChen, H., Wang, M., Ni, X., Cai, W., Zhong, C., Ye, H., Zhao, Y., Pan, W., & Lin, Y. (2023). Design of Hydrostatic Power Shift Compound Drive System for Cotton Picker Experiment. Agriculture, 13(8), 1591. https://doi.org/10.3390/agriculture13081591

