Supervised Physiotherapy Improves Three-Dimensional (3D) Gait Parameters in Patients after Surgical Suturing of the Achilles Tendon Using an Open Method (SSATOM)
Abstract
:1. Introduction
2. Materials and Methods
2.1. Participants
2.2. Supervised Postoperative Physiotherapy (SVPh)
| Stage of SVPh | Weeks after SSATOM | Short Protocol of SVPh [11] |
|---|---|---|
| I | Up to 2 weeks after the surgery | Exercises for shank and foot muscles:
|
Exercises for other parts of the body:
| ||
Physical therapy treatment:
| ||
| II | 3 to 4 weeks after the surgery | The physiotherapeutic procedure from the previous stage was continued and additionally: Exercises for shank and foot muscles:
Additionally, the physiotherapist instructed the patient on how to perform the exercises at home and cool the Achilles tendon area every 6 h. |
Exercises for other parts of the body:
| ||
Physical therapy treatment:
| ||
Manual therapy:
| ||
| 5 to 6 weeks after the surgery | The physiotherapeutic procedure from the previous stage was continued and additionally: Exercises for shank and foot muscles:
| |
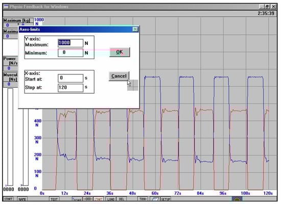
| III | 7 to 12 weeks after the surgery | The physiotherapeutic procedure from the previous stage was continued and additionally: Exercises for shank and foot muscles: Progressive pressure of the foot on the ground, with a load on the operated lower limb during exercises on platforms up to 80% of the bodyweight value. Successively, the load was gradually increased up to 100% of bodyweight values (without an orthopedic shoe) between 8 and 9 weeks after surgery. For example, if the patient’s bodyweight value is 67 kg, then when standing on one leg on the platform the value of the reaction force of the vertical component of the platform of about 670 N (Figure 7) is triggered (the word concerning results from the unstable equilibrium state in humans). It should be hypothesized that a value of 670 N corresponds to a bodyweight of 67 kg (1.0 bodyweight). Successively, the load was gradually increased every 3–4 days with a value of 0.1 bodyweight without a shoe,
|
Exercises for other parts of the body:
| ||
| Physical therapy treatment: Electrodiagnostic and electrostimulation of the triceps surae muscles of the injured leg. | ||
Manual therapy of injured tissues:
| ||
| Additional comments: The physiotherapist instructed the patient on how to perform the exercises at home. | ||
| 13 to 16 weeks after the surgery | The physiotherapeutic procedure from the previous stage was continued and additionally: Exercises for shank and foot muscles:
| |
Exercises for other parts of the body:
| ||
| IV | 17 to 24 weeks after SSATOM | The physiotherapeutic procedure from the previous stage was continued and additionally: Exercises for shank and foot muscles:
|
Exercises for other parts of body:
| ||
| Additional comments: The physiotherapeutic procedure from the previous stage was continued. | ||
| V | 24 to 28 weeks after SSATOM | Exercises for shank and foot muscles: The physiotherapist performed and supervised the patient’s exercises including running with maximum speed, changing movement directions, and specific exercises aimed at improving power, speed, and agility, adapted for a particular sport and the individual patient’s capabilities. Additional comments:
|
2.3. Orthopedic Examination
2.4. Three-Dimensional Gait Analysis Registration of Kinematic and Spatiotemporal Parameter Values
2.5. Test of the Covered Distance When Walking on Unstable Treadmill Ground
2.6. Statistical Analysis
3. Results
3.1. Evaluation of Kinematic and Spatiotemporal Parameter Values Using a Three-Dimensional Gait Analysis (3D) System
3.2. Test of the Covered Distance When Walking on Unstable Treadmill Ground
3.3. Last Orthopedic Examination Results
3.4. Association of Number of Supervised Postoperative Physiotherapy Visits with Kinematic and Spatiotemporal Parameter Values
4. Discussion
5. Conclusions
Author Contributions
Funding
Institutional Review Board Statement
Informed Consent Statement
Data Availability Statement
Conflicts of Interest
References
- Zelik, K.E.; Adamczyk, P. A unified perspective on ankle push-off in human walking. J. Exp. Biol. 2016, 219, 3676–3683. [Google Scholar] [CrossRef] [PubMed] [Green Version]
- Lerch, T.D.; Schwinghammer, A.; Schmaranzer, F.; Anwander, H.; Ecker, T.M.; Schmid, T.; Weber, M.; Krause, F. Return to Sport and Patient Satisfaction at 5-Year Follow-up after Nonoperative Treatment for Acute Achilles Tendon Rupture. Foot Ankle Int. 2020, 41, 784–792. [Google Scholar] [CrossRef] [PubMed]
- Huttunen, T.; Kannus, P.; Rolf, C.; Felländer-Tsai, L.; Mattila, V.M. Acute Achilles Tendon Ruptures: Incidence of injury and sur-gery in Sweden between 2001 and 2012. Am. J. Sports Med. 2014, 42, 2419–2423. [Google Scholar] [CrossRef] [PubMed]
- Thevendran, G.; Sarraf, K.M.; Patel, N.K.; Sadri, A.; Rosenfeld, P. The ruptured Achilles tendon: A current overview from biology of rupture to treatment. Musculoskelet. Surg. 2013, 97, 9–20. [Google Scholar] [CrossRef] [PubMed] [Green Version]
- Biz, C.; Cerchiaro, M.; Belluzzi, E.; Bragazzi, N.L.; De Guttry, G.; Ruggieri, P. Long Term Clinical–Functional and Ultrasound Outcomes in Recreational Athletes after Achilles Tendon Rupture: Ma and Griffith versus Tenolig. Med. Kaunas 2021, 57, 1073. [Google Scholar] [CrossRef] [PubMed]
- Romero-Morales, C.; Bravo-Aguilar, M.; Ruiz-Ruiz, B.; Almazán-Polo, J.; López-López, D.; Blanco-Morales, M.; Téllez-González, P.; Lobo, C.C. Current advances and research in ultrasound imaging to the assessment and management of musculoskeletal disorders. Dis. Mon. 2020, 67, 101050. [Google Scholar] [CrossRef]
- Lantto, I.; Heikkinen, J.; Flinkkila, T.; Ohtonen, P.; Siira, P.; Laine, V.; Leppilahti, J. A Prospective Randomized Trial Comparing Surgical and Nonsurgical Treatments of Acute Achilles Tendon Ruptures. Am. J. Sports Med. 2016, 44, 2406–2414. [Google Scholar] [CrossRef]
- Deng, S.; Sun, Z.; Zhang, C.; Chen, G.; Li, J. Surgical Treatment versus Conservative Management for Acute Achilles Tendon Rupture: A Systematic Review and Meta-Analysis of Randomized Controlled Trials. J. Foot Ankle Surg. 2017, 56, 1236–1243. [Google Scholar] [CrossRef]
- Maffulli, G.; Del Buono, A.; Richards, P.; Oliva, F.; Maffulli, N. Conservative, minimally invasive and open surgical repair for management of acute ruptures of the Achilles tendon: A clinical and functional retrospective study. Muscle Ligaments Tendons J. 2017, 7, 46–52. [Google Scholar] [CrossRef]
- Meulenkamp, B.; Woolnough, T.; Cheng, W.; Shorr, R.; Stacey, D.; Richards, M.; Gupta, A.; Fergusson, D.; Graham, I.D. What Is the Best Evidence to Guide Management of Acute Achilles Tendon Ruptures? A Systematic Review and Network Meta-Analysis of Randomized Controlled Trials. Clin. Orthop. Relat. Res. 2021, 479, 2119–2131. [Google Scholar] [CrossRef]
- Czamara, A. Physiotherapeutic treatments after surgery of total Achilles tendon rupture. J. Ortopaedics Trauma Surg. Relat. Res. 2007, 1, 75–93. [Google Scholar]
- Pt, S.A.; Naili, J.E.; Silbernagel, K.G.; Ackermann, P.W. No effects of early functional mobilization on gait patterns after acute Achilles tendon rupture repair. J. Orthop. Res. 2021. [Google Scholar] [CrossRef]
- Agres, A.N.; Gehlen, T.J.; Arampatzis, A.; Taylor, W.R.; Duda, G.N.; Manegold, S. Short-term functional assessment of gait, plantarflexor strength, and tendon properties after Achilles tendon rupture. Gait Posture 2018, 62, 179–185. [Google Scholar] [CrossRef] [PubMed]
- Don, R.; Ranavolo, A.; Cacchio, A.; Serrao, M.; Costabile, F.; Iachelli, M.; Camerota, F.; Frascarelli, M.; Santilli, V. Relationship between recovery of calf-muscle biomechanical properties and gait pattern following surgery for achilles tendon rupture. Clin. Biomech. 2007, 22, 211–220. [Google Scholar] [CrossRef]
- Xu, X.Y.; Gao, S.; Lv, Y.; Zhou, F.; Jiao, C.; Fan, J.X.; Zhu, T.J. Duration of immobilisation after Achilles tendon rupture repair by open surgery: A retrospective cohort study. J. Orthop. Surg. Res. 2021, 16, 1–10. [Google Scholar] [CrossRef]
- Sikorski, Ł.; Czamara, A. Ground Reaction Forces during Vertical Hops Are Correlated with the Number of Supervised Physiotherapy Visits after Achilles Tendon Surgery. J. Clin. Med. 2021, 10, 5299. [Google Scholar] [CrossRef]
- Lightsey, H.M.; Noback, P.C.; Caldwell, J.-M.E.; Trofa, D.P.; Greisberg, J.K.; Vosseller, J.T. Online Physical Therapy Protocol Quality, Variability, and Availability in Achilles Tendon Repair. Foot Ankle Spéc. 2018, 12, 16–24. [Google Scholar] [CrossRef]
- Frankewycz, B.; Krutsch, W.; Weber, J.; Ernstberger, A.; Nerlich, M.; Pfeifer, C.G. Rehabilitation of Achilles tendon ruptures: Is early functional rehabilitation daily routine? Arch. Orthop. Trauma. Surg. 2017, 137, 333–340. [Google Scholar] [CrossRef]
- Christensen, P.M.; Zellers, D.J.A.; Kjær, I.L.; Silbernagel, P.K.G.; Rathleff, P.M.S. Resistance Exercises in Early Functional Rehabilitation for Achilles Tendon Ruptures Are Poorly Described: A Scoping Review. J. Orthop. Sports Phys. Ther. 2020, 50, 681–690. [Google Scholar] [CrossRef]
- Porter, M.D.; Shadbolt, B. Randomized controlled trial of accelerated rehabilitation versus standard protocol following surgical repair of ruptured Achilles tendon. ANZ J. Surg. 2014, 85, 373–377. [Google Scholar] [CrossRef]
- Lins, C.; Ninomya, A.F.; Bittar, C.K.; de Carvalho, A.E.; Cliquet, A. Kinetic and Kinematic Evaluation of the Ankle Joint After Achilles Tendon Reconstruction with Free Semitendinosus Tendon Graft: Preliminary Results. Artif. Organs 2013, 37, 291–297. [Google Scholar] [CrossRef] [PubMed]
- Tengman, T.; Riad, J. Three-Dimensional Gait Analysis Following Achilles Tendon Rupture with Nonsurgical Treatment Reveals Long-Term Deficiencies in Muscle Strength and Function. Orthop. J. Sports Med. 2013, 1. [Google Scholar] [CrossRef] [PubMed] [Green Version]
- Sun, D.; Fekete, G.; Baker, J.S.; Mei, Q.; István, B.; Zhang, Y.; Gu, Y. A Pilot Study of Musculoskeletal Abnormalities in Patients in Recovery from a Unilateral Rupture-Repaired Achilles Tendon. Int. J. Environ. Res. Public Health 2020, 17, 4642. [Google Scholar] [CrossRef] [PubMed]
- Jandacka, D.; Silvernail, J.F.; Uchytil, J.; Zahradnik, D.; Farana, R.; Hamill, J. Do athletes alter their running mechanics after an Achilles tendon rupture? J. Foot Ankle Res. 2017, 10, 53. [Google Scholar] [CrossRef] [Green Version]
- Heikkinen, J.; Lantto, I.; Flinkkila, T.; Ohtonen, P.; Niinimäki, J.; Siira, P.; Laine, V.; Leppilahti, J. Soleus Atrophy Is Common after the Nonsurgical Treatment of Acute Achilles Tendon Ruptures: A Randomized Clinical Trial Comparing Surgical and Nonsurgical Functional Treatments. Am. J. Sports Med. 2017, 45, 1395–1404. [Google Scholar] [CrossRef]
- Speedtsberg, M.B.; Kastoft, R.; Barfod, K.W.; Penny, J.; Bencke, J. Gait Function and Postural Control 4.5 Years after Nonoperative Dynamic Treatment of Acute Achilles Tendon Ruptures. Orthop. J. Sports Med. 2019, 7, 2325967119854324. [Google Scholar] [CrossRef] [Green Version]
- Nordenholm, A.; Senorski, E.H.; Westin, O.; Helander, K.N.; Möller, M.; Karlsson, J.; Zügner, R. Surgical treatment of chronic Achilles tendon rupture results in improved gait biomechanics. J. Orthop. Surg. Res. 2022, 17, 1–8. [Google Scholar] [CrossRef]
- Chan, A.P.-H.; Chan, Y.-Y.; Fong, D.T.-P.; Wong, P.Y.-K.; Lam, H.-Y.; Lo, C.-K.; Yung, P.S.-H.; Fung, K.-Y.; Chan, K.-M. Clinical and biomechanical outcome of minimal invasive and open repair of the Achilles tendon. Sports Med. Arthrosc. Rehabil. Ther. Technol. 2011, 3, 32–38. [Google Scholar] [CrossRef] [Green Version]
- Alviti, F.; Gurzì, M.; Santilli, V.; Paoloni, M.; Padua, R.; Bernetti, A.; Bernardi, M.; Mangone, M. Achilles Tendon Open Surgical Treatment with Platelet-Rich Fibrin Matrix Augmentation: Biomechanical Evaluation. J. Foot Ankle Surg. 2017, 56, 581–585. [Google Scholar] [CrossRef]
- Czamara, A.; Krzemińska, K.; Widuchowski, W.; Dragan, S.L. The Muscle Strength of the Knee Joint after ACL Reconstruction Depends on the Number and Frequency of Supervised Physiotherapy Visits. Int. J. Environ. Res. Public Health 2021, 18, 10588. [Google Scholar] [CrossRef]
- Czamara, A. Evaluation of physiotherapeutic procedures after ACL reconstruction in males. Arch. Budo. 2010, 6, 73–81. [Google Scholar]
- Sebastin, S.J.; Ho, A.; Karjalainen, T.; Chung, K.C. History and Evolution of the Kessler Repair. J. Hand Surg. 2013, 38, 552–561. [Google Scholar] [CrossRef] [PubMed] [Green Version]
- Chiodo, C.P.; Glazebrook, M.; Bluman, E.M.; Cohen, B.E.; Femino, J.E.; Giza, E.; Watters, W.C.; Goldberg, M.J.; Keith, M.; Haralson, R.H.; et al. Diagnosis and Treatment of Acute Achilles Tendon Rupture. J. Am. Acad. Orthop. Surg. 2010, 18, 503–510. [Google Scholar] [CrossRef] [PubMed]
- BTS Bioengeneering. BTS Capture User’s Guide; BTS Capture: Milan, Italy, 2006. [Google Scholar]
- Davis, R.B.; Õunpuu, S.; Tyburski, D.; Gage, J.R. A gait analysis data collection and reduction technique. Hum. Mov. Sci. 1991, 10, 575–587. [Google Scholar] [CrossRef]
- Czamara, A.; Markowska, I.; Królikowska, A.; Szopa, A.; Szopa, M.D. Kinematics of Rotation in Joints of the Lower Limbs and Pelvis during Gait: Early Results—SB ACLR Approach versus DB ACLR Approach. BioMed Res. Int. 2015, 2015, 1–13. [Google Scholar] [CrossRef]
- Kuo, A.D. The six determinants of gait and the inverted pendulum analogy: A dynamic walking perspective. Hum. Mov. Sci. 2007, 26, 617–656. [Google Scholar] [CrossRef]
- Lobelo, F.; Rohm Young, D.; Sallis, R.; Garber, M.D.; Billinger, S.A.; Duperly, J.; Hutber, A.; Pate, R.R.; Thomas, R.J.; Widlansky, M.E.; et al. Routine Assessment and Promotion of Physical Activity in Healthcare Settings: A Scientific Statement from the American Heart Association. Circulation 2018, 137, e495–e522. [Google Scholar] [CrossRef]
- Mukaka, M.M. Statistics corner: A guide to appropriate use of correlation coefficient in medical research. Malawi. Med. J. 2012, 24, 69–71. [Google Scholar]
- Kastoft, R.; Barfod, K.; Bencke, J.; Speedtsberg, M.B.; Hansen, S.B.; Penny, J. 1.7 cm elongated Achilles tendon did not alter walking gait kinematics 4.5 years after non-surgical treatment. Knee Surg. Sports Traumatol. Arthrosc. 2022. [Google Scholar] [CrossRef]
- Karaaslan, F.; Mermerkaya, M.U.; Çıraklı, A.; Karaoğlu, S.; Duygulu, F. Surgical versus conservative treatment following acute rupture of the Achilles tendon: Is there a pedobarographic difference? Ther. Clin. Risk Manag. 2016, 12, 1311–1315. [Google Scholar] [CrossRef] [Green Version]
- Mccomis, G.P.; Nawoczenski, D.A.; Dehaven, K.E. Functional Bracing for Rupture of the Achilles Tendon. Clinical Results and Analysis of Ground-Reaction Forces and Temporal Data. J. Bone Jt. Surg. 1997, 79, 1799–1808. [Google Scholar] [CrossRef]
- Stäudle, B.; Seynnes, O.; Laps, G.; Brüggemann, G.-P.; Albracht, K. Altered Gastrocnemius Contractile Behavior in Former Achilles Tendon Rupture Patients During Walking. Front. Physiol. 2022, 13, 792576. [Google Scholar] [CrossRef] [PubMed]
- Park, S.-H.; Lee, H.S.; Young, K.W.; Seo, S.G. Treatment of Acute Achilles Tendon Rupture. Clin. Orthop. Surg. 2020, 12, 1–8. [Google Scholar] [CrossRef] [PubMed]
- Maffulli, N.; Oliva, F.; Maffulli, G.D.; Del Buono, A.; Gougoulias, N. Surgical management of chronic Achilles tendon ruptures using less invasive techniques. Foot Ankle Surg. 2017, 24, 164–170. [Google Scholar] [CrossRef] [PubMed]
- Maffulli, N.; D’Addona, A.; Maffulli, G.D.; Gougoulias, N.; Oliva, F. Delayed (14–30 Days) Percutaneous Repair of Achilles Tendon Ruptures Offers Equally Good Results As Compared with Acute Repair. Am. J. Sports Med. 2020, 48, 1181–1188. [Google Scholar] [CrossRef]
- Meulenkamp, B.; Stacey, D.; Fergusson, D.; Hutton, B.; Mlis, R.S.; Graham, I.D. Protocol for treatment of Achilles tendon ruptures; a systematic review with network meta-analysis. Syst. Rev. 2018, 7, 1–7. [Google Scholar] [CrossRef] [PubMed] [Green Version]
- Paczesny, Ł.; Zabrzyński, J.; Domżalski, M.; Gagat, M.; Termanowski, M.; Szwedowski, D.; Łapaj, Ł.; Kruczyński, J. Mini-Invasive, Ultrasound Guided Repair of the Achilles Tendon Rupture—A Pilot Study. J. Clin. Med. 2021, 10, 2370. [Google Scholar] [CrossRef]
- Silbernagel, K.G.; Brorsson, A.; Olsson, N.; Eriksson, B.I.; Karlsson, J.; Nilsson-Helander, K. Sex Differences in Outcome After an Acute Achilles Tendon Rupture. Orthop. J. Sports Med. 2015, 3, 2325967115586768. [Google Scholar] [CrossRef] [Green Version]








| Group I (n = 22) (M ± SD) | Group II (Control) (n = 22) (M ± SD) | p-Value | |
|---|---|---|---|
| Age (years) | 36.82 ± 7.4 | 36.68 ± 6.14 | 0.947 † |
| Body weight (kg) | 88.32 ± 10.04 | 86.27 ± 13.22 | 0.566 † |
| Body height (cm) | 183.18 ± 8.4 | 181.36 ± 6.4 | 0.424 † |
| Dominated limb | P = 21; L = 1 | P = 20; L = 2 | - |
| Injured limb | P = 10; L = 12 | P = 0; L = 0 | - |
| Duration of SVPh (weeks) | 20 | n/a | - |
| Number of SVPh sessions from 1 to 10 weeks after SSATOM | 13.64 ± 9.39 (individually from 1 to 32 visits) | n/a | - |
| Number of SVPh sessions from 1 to 20 weeks after SSATOM | 37.82 ± 16.79 (individually from 13 to 77 visits) | n/a | - |
| Mean time to start SVPh after SSATOM | 5.14 ± 2.14 (individually from 1 to 8 weeks after SSATOM) | n/a | -- |
| Average weekly frequency of SVPh visits from 1 to 10 weeks after SSATOM | 1.36 ± 0.94 (visits per week) | n/a | - |
| Average weekly frequency of SVPh visits from 1 to 20 weeks after SSATOM | 1.89 ± 0.84 (visits per week) | n/a | - |
| Parameters | Limb/Leg | Weeks | p-Value † Weeks | p-Value † Limb | p-Value † Weeks × Limb | |
|---|---|---|---|---|---|---|
| 10 Weeks after SSATOM (M ± SD) | 20 Weeks after SSATOM (M ± SD) | |||||
| Step Length (cm) | Involved | 41.95 ± 11.98 a,b | 60.5 ± 7.89 | p ≤ 0.001 | p ≤ 0.001 | p = 0.014 |
| Uninvolved | 25.50 ± 14.73 b | 55.95 ± 8.4 | ||||
| Stride Length (cm) | Involved | 75.27 ± 28.89 b | 129.14 ± 13.82 | p ≤ 0.001 | p = 0.96 | p = 0.87 |
| Uninvolved | 76.32 ± 28.30 b | 128.55 ± 14.13 | ||||
| Step Width (cm) | Involved | 21.77 ± 3.99 | 19.73 ± 3.12 | p = 0.009 | p = 1.00 | p = 1.00 |
| Uninvolved | 21.77 ± 3.99 | 19.73 ± 3.12 | ||||
| Stance Phase (%) | Involved | 60.08 ± 5.26 | 60.43 ± 4.02 | p ≤ 0.001 | p ≤ 0.001 | p ≤ 0.001 |
| Uninvolved | 72.81 ± 8.28 a,b | 61.83 ± 1.99 | ||||
| Swing Phase (%) | Involved | 39.73 ± 5.20 | 38.17 ± 2.89 | p ≤ 0.001 | p ≤ 0.001 | p ≤ 0.001 |
| Uninvolved | 26.02 ± 7.99 a,b | 40.65 ± 11.93 | ||||
| Double Support (%) | Involved | 27.55 ± 31.08 b | 10.91 ± 1.7 | p ≤ 0.001 | p = 0.38 | p = 0.044 |
| Uninvolved | 19.38 ± 20.50 | 12.7 ± 3.17 | ||||
| Gait Velocity (m/s) | Involved | 0.54 ± 0.28 b | 1.11 ± 0.21 | p ≤ 0.001 | p = 1.00 | p = 0.88 |
| Uninvolved | 0.55 ± 0.28 b | 1.1 ± 0.21 | ||||
| Walking Frequency (step/min) | Both legs | 83.31 ± 13.45 | 102.4 ± 10.06 | p ≤ 0.001ǂ | ||
| Group I 20 Weeks after SSATOM (M ± SD | Group II (Control) (M ± SD) | p-Value † | p-Value ǂ | ||
|---|---|---|---|---|---|
| Involved (IL) | Right (RL) | Left (LL) | |||
| Step Length (cm) | 60.5 ± 7.89 | 58.59 ± 5.84 | 61.23 ± 7.89 | 0.467 | |
| Stride Length (cm) | 129.14 ± 13.82 | 140.68 ± 9.86 | 139.36 ± 9.0 | 0.002 | IL: RL—p = 0.003 IL: LL—p = 0.009 RL: LL—p = 0.918 |
| Step Width (cm) | 19.73 ± 3.12 | 20.86 ± 5.11 | 20.86 ± 5.11 | 0.634 | |
| Stance Phase (%) | 60.43 ± 4.02 | 60.13 ± 1.53 | 60.51 ± 2.81 | 0.903 | |
| Swing Phase (%) | 38.17 ± 2.89 | 39.8 ± 1.43 | 39.94 ± 1.88 | 0.014 | IL: RL—p = 0.039 IL: LL—p = 0.023 RL: LL—p = 0.976 |
| Double Support (%) | 10.91 ± 1.7 | 10.8 ± 1.63 | 10.28 ± 1.62 | 0.401 | |
| Gait Velocity (m/s) | 1.11 ± 0.21 | 1.35 ± 0.14 | 1.36 ± 0.14 | p ≤ 0.001 | IL: RL—p ≤ 0.001 IL: LL—p ≤ 0.001 RL: LL—p = 0.950 |
| Supervised Physiotherapy | Number of SVPh Visits from 1 to 10 Weeks Compared with Values Obtained in 10 Weeks after SSATOM | |
|---|---|---|
| Stance Phase (%) | Involved | r = −0.129; p = 0.566 |
| Uninvolved | r = −0.430; p = 0.046 | |
| Swing Phase (%) | Involved | r = 0.129; p = 0.569 |
| Uninvolved | r = 0.503; p = 0.017 | |
| Double Support (%) | Involved | r = −0.319; p = 0.148 |
| Uninvolved | r = −0.207; p = 0.355 | |
| Step Length (cm) | Involved | r = 0.314; p = 0.154 |
| Uninvolved | r = 0.344; p = 0.117 | |
| Gait Velocity (m/s) | Involved | r = 0.581; p = 0.005 |
| Uninvolved | r = 0.542; p = 0.009 | |
| Stride Length (cm) | Involved | r = 0.544; p = 0.009 |
| Uninvolved | r = 0.531; p = 0.011 | |
| Step Width (cm) | Involved | r = −0.475; p = 0.025 |
| Uninvolved | r = −0.475; p = 0.025 | |
| Walking Frequence (step/min) | r = 0.382; p = 0.08 | |
Publisher’s Note: MDPI stays neutral with regard to jurisdictional claims in published maps and institutional affiliations. |
© 2022 by the authors. Licensee MDPI, Basel, Switzerland. This article is an open access article distributed under the terms and conditions of the Creative Commons Attribution (CC BY) license (https://creativecommons.org/licenses/by/4.0/).
Share and Cite
Czamara, A.; Sikorski, Ł. Supervised Physiotherapy Improves Three-Dimensional (3D) Gait Parameters in Patients after Surgical Suturing of the Achilles Tendon Using an Open Method (SSATOM). J. Clin. Med. 2022, 11, 3335. https://doi.org/10.3390/jcm11123335
Czamara A, Sikorski Ł. Supervised Physiotherapy Improves Three-Dimensional (3D) Gait Parameters in Patients after Surgical Suturing of the Achilles Tendon Using an Open Method (SSATOM). Journal of Clinical Medicine. 2022; 11(12):3335. https://doi.org/10.3390/jcm11123335
Chicago/Turabian StyleCzamara, Andrzej, and Łukasz Sikorski. 2022. "Supervised Physiotherapy Improves Three-Dimensional (3D) Gait Parameters in Patients after Surgical Suturing of the Achilles Tendon Using an Open Method (SSATOM)" Journal of Clinical Medicine 11, no. 12: 3335. https://doi.org/10.3390/jcm11123335
APA StyleCzamara, A., & Sikorski, Ł. (2022). Supervised Physiotherapy Improves Three-Dimensional (3D) Gait Parameters in Patients after Surgical Suturing of the Achilles Tendon Using an Open Method (SSATOM). Journal of Clinical Medicine, 11(12), 3335. https://doi.org/10.3390/jcm11123335

