On-Line NIR to Regulate Pervaporation Process: Application for Dehydration
Abstract
:1. Introduction
2. Materials and Methods
2.1. Chemical Products and Membranes
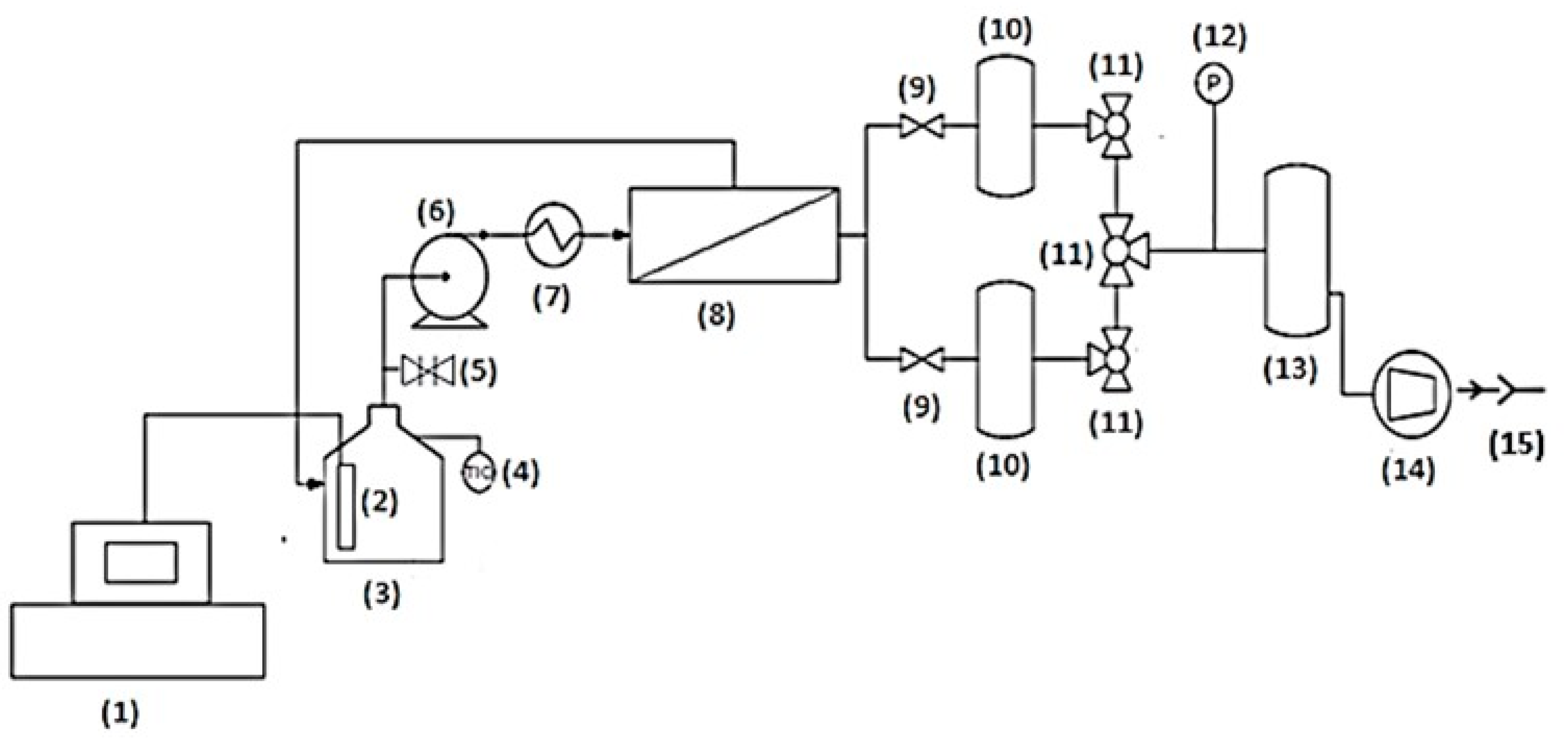
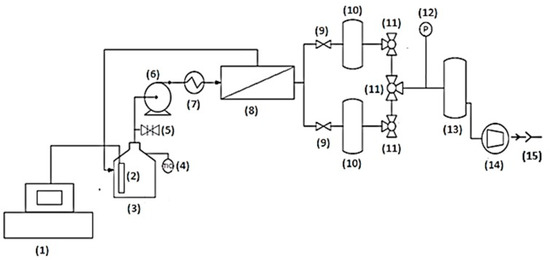
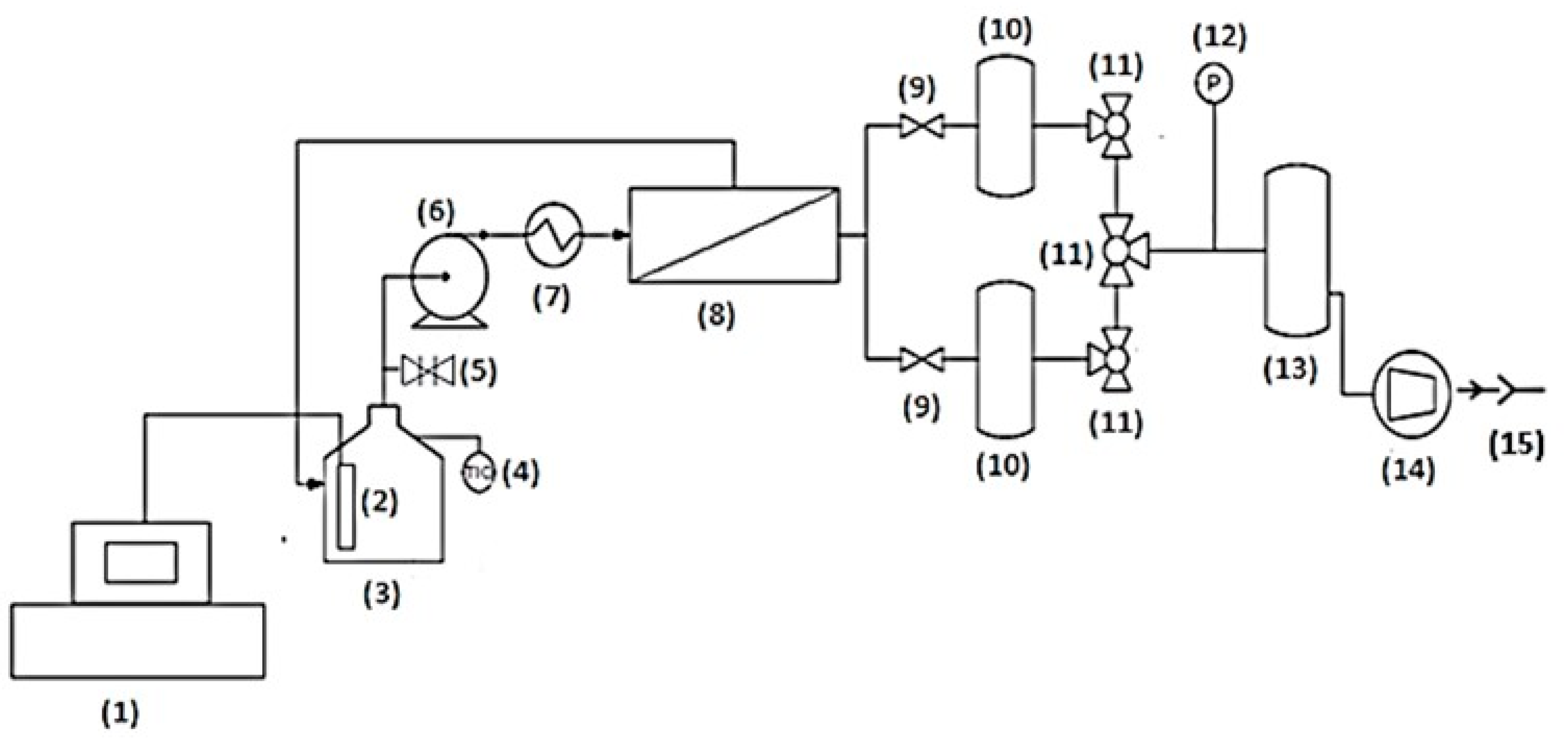
2.2. Experimental Set-up
2.3. Near-Infrared Spectroscopy Monitoring
2.4. Methods
2.5. Operational Conditions
3. Results and Discussion
3.1. Effect of Operating Temperature
3.2. On-Line Nir Control
4. Conclusions
Author Contributions
Funding
Acknowledgments
Conflicts of Interest
References
- Ramaiah, K.P.; Satyasri, D.; Sridhar, S.; Krishnaiah, A. Removal of hazardous chlorinated VOCs from aqueous solutions using novel ZSM-5 loaded PDMS/PVDF composite membrane consisting of three hydrophobic layers. J. Hazard. Mater. 2013, 261, 362–371. [Google Scholar] [CrossRef]
- Peng, F.; Jiang, Z.; Hu, C.; Wang, Y.; Xu, H.; Liu, J. Removing benzene from aqueous solution using CMS-filled PDMS pervaporation membranes. Sep. Purif. Technol. 2006, 48, 229–234. [Google Scholar] [CrossRef]
- Cetin, E.; Odabasi, M.; Seyfioglu, R. Ambient volatile organic compound (VOC) concentrations around a petrochemical complex and a petroleum refinery. Sci. Total Environ. 2003, 312, 103–112. [Google Scholar] [CrossRef]
- García, S.M.J.; Martínez, O.V.M.; Fernández, H.F.J.; de los Ríos, A.P.; Quesada, M.J. Ionic liquid technology to recover volatile organic compounds (VOCs). J. Hazard. Mater. 2017, 321, 484–499. [Google Scholar] [CrossRef]
- Geldermann, J.; Schollenberger, M.; Rentz, O. Evaluation of VOC recovery strategies. OR Spectrum. 2006, 28, 3–20. [Google Scholar] [CrossRef]
- Akberov, R.R.; Fazlyev, A.R.; Klinov, A.V.; Malygin, A.V.; Farakhov, M.I.; Maryakhina, V.A. Pervaporation technology for regeneration of diethylene glycol at Russian complex gas treatment plants with the use of ceramic membranes HybSi. J. Nat. Gas Sci. Eng. 2015, 26, 670–682. [Google Scholar] [CrossRef]
- Crespo, J.; Brazinha, C. 1-Fundamentals of pervaporation. In Pervaporation, Vapour Permeation and Membrane Distillation; Woodhead Publishing: Oxford, UK, 2015; pp. 3–15. ISBN -978-1-78242-246-4. [Google Scholar]
- Roizard, D.; Favre, E. Trends in design and preparation of polymeric membranes for pervaporation. In Advanced Materials for Membrane Preparation; Bentham Science Publishers: Bussum, The Netherlands, 2012; pp. 163–204. ISBN -978-1-60805-308-7. [Google Scholar]
- Van der Bruggen, B.; Luis, P. Pervaporation. In Progress in Filtration and Separation; Elsevier: Leuven, Belgium, 2015; pp. 101–154. ISBN -978–0-12-384746-1. [Google Scholar]
- Ji, W.; Sikdar, S.K.; Hwang, S.T. Modeling of multicomponent pervaporation for removal of volatile organic compounds from water. J. Membr. Sci. 1994, 93, 1–19. [Google Scholar] [CrossRef]
- Kujawa, J.; Cerneaux, S.; Kujawski, W. Removal of hazardous volatile organic compounds from water by vacuum pervaporation with hydrophobic ceramic membranes. J. Membr. Sci. 2015, 474, 11–19. [Google Scholar] [CrossRef]
- Bettens, B.; Verhoef, A.; van Veen, H.M.; Vandecasteele, C.; Degrève, J.; van der Bruggen, B. Pervaporation of binary water–alcohol and methanol–alcohol mixtures through microporous methylated silica membranes: Maxwell–Stefan modeling. Comput. Chem. Eng. 2010, 34, 1775–1788. [Google Scholar] [CrossRef]
- Chapman, P.D.; Oliveira, T.; Livingston, A.G.; Li, K. Membranes for the dehydration of solvents by pervaporation. J. Membr. Sci. 2008, 318, 5–37. [Google Scholar] [CrossRef]
- Smitha, B.; Suhanya, D.; Sridhar, S.; Ramakrishna, M. Separation of organic–organic mixtures by pervaporation—A review. J. Membr. Sci. 2004, 241, 1–21. [Google Scholar] [CrossRef]
- Babalou, A.; Rafia, N.; Ghasemzadeh, K. 3-Integrated systems involving pervaporation and applications. In Pervaporation Vapour Permeation and Membrane Distillation; Woodhead Publishing: Oxford, UK, 2015; pp. 65–86. ISBN -978-1-78242-246-4. [Google Scholar]
- Peng, M.; Vane, L.M.; Liu, S.X. Recent advances in VOCs removal from water by pervaporation. J. Hazard. Mater. 2003, 98, 69–90. [Google Scholar] [CrossRef]
- Figoli, A.; Santoro, S.; Galiano, F.; Basile, A. 2-Pervaporation membranes: Preparation, characterization, and application. In Pervaporation, Vapour Permeation and Membrane Distillation; Woodhead Publishing: Oxford, UK, 2015; pp. 19–63. ISBN -978-1-78242-246-4. [Google Scholar]
- García, V.; Pongrácz, E.; Muurinen, E.; Keiski, R.L. Pervaporation of dichloromethane from multicomponent aqueous systems containing n-butanol and sodium chloride. J. Membr. Sci. 2009, 326, 92–102. [Google Scholar] [CrossRef]
- Yeom, C.K.; Kim, H.K.; Rhim, J.W. Removal of trace VOCs from water through PDMS membranes and analysis of their permeation behaviors. J. Appl. Polym. Sci. 1999, 73, 601–611. [Google Scholar] [CrossRef]
- Konieczny, K.; Bodzek, M.; Panek, D. Removal of volatile compounds from the wastewaters by use of pervaporation. Desalination 2008, 223, 344–348. [Google Scholar] [CrossRef]
- Yeom, C.K.; Kim, B.S.; Lee, J.M. Precise on-line measurements of permeation transients through dense polymeric membranes using a new permeation apparatus. J. Membr. Sci. 1999, 161, 55–66. [Google Scholar] [CrossRef]
- Fraga, S.C.; Trabucho, L.; Brazinha, C.; Crespo, J.G. Characterisation and modelling of transient transport through dense membranes using on-line mass spectroscopy. J. Membr. Sci. 2015, 479, 213–222. [Google Scholar] [CrossRef]
- Schäfer, T.; Vital, J.; Crespo, J.G. Coupled pervaporation/mass spectrometry for investigating membrane mass transport phenomena. J. Membr. Sci. 2004, 241, 197–205. [Google Scholar] [CrossRef]
- Brazinha, C.; Fonseca, A.P.; Teodoro, O.M.N.D.; Crespo, J.G. On-line and real-time monitoring of organophilic pervaporation by mass spectrometry. J. Memb. Sci. 2010, 347, 83–92. [Google Scholar] [CrossRef]
- Toudji, S.A.; Bonnet, J.P.; Gardarein, J.L.; Carretier, E. New experimental setup for continuous mass flux measurement in pervaporation. Chem. Eng. Res. Des. 2017, 124, 252–259. [Google Scholar] [CrossRef]
- Guillemain, A.; Dégardin, K.; Roggo, Y. Performance of NIR handheld spectrometers for the detection of counterfeit tablets. Talanta 2017, 165, 632–640. [Google Scholar] [CrossRef]
- Shafiee, S.; Minaei, S. Combined date mining/NIR spectroscopy for purity assessment of lime juice. Infrared Phys. Technol. 2018, 91, 193–199. [Google Scholar] [CrossRef]
- van Veen, H.M.; Rietkerk, M.D.A.; Shanahan, D.P.; van Tuel, M.M.A.; Kreiter, R.; Castricum, H.L.; Elshof, J.E.T.; Vente, J.F. Pushing membrane stability boundaries with HybSi® pervaporation membranes. J. Membr. Sci. 2011, 380, 124–131. [Google Scholar] [CrossRef]
- Paradis, G.G.; Shanahan, D.P.; Kreiter, R.; van Veen, H.M.; Castricum, H.L.; Nijmeijer, A.; Ventea, J.F. From hydrophilic to hydrophobic HybSi® membranes: A change of affinity and applicability. J. Membr. Sci. 2013, 428, 157–162. [Google Scholar] [CrossRef]
- Klinov, A.V.; Akberov, R.R.; Fazlyev, A.R.; Farakhov, M.I. Experimental investigation and modeling through using the solution-diffusion concept of pervaporation dehydration of ethanol and isopropanol by ceramic membranes HybSi. J. Membr. Sci. 2017, 524, 321–333. [Google Scholar] [CrossRef]
- Mah, S.K.; Chai, S.P.; Wu, T.Y. Dehydration of glycerin solution using pervaporation: HybSi and polydimethylsiloxane membranes. J. Membr. Sci. 2014, 450, 440–446. [Google Scholar] [CrossRef]
- Chen, X.; Lin, X.; Chen, P.; Kita, H. Pervaporation of ketone/water mixtures through silicalite membrane. Desalination 2008, 234, 286–292. [Google Scholar] [CrossRef]
- Luis, P.; van der Brugen, B. The driving force as key element to evaluate the pervaporation performance of multicomponent mixtures. Sep. Purif. Technol. 2015, 148, 94–102. [Google Scholar] [CrossRef]
- Vrentas, J.S.; Duda, J.L. Diffusion in polymer-solvent systems. I. Reexamination of the free volume theory. J. Polym. Sci. Polym. Phys. Ed. 1977, 15, 403–416. [Google Scholar]
- Karlsson, H.O.E.; Trägårdh, G. Heat transfer in pervaporation. J. Membr. Sci. 1996, 119, 295–306. [Google Scholar] [CrossRef]
- Truong, T.; Larocca, T.; Louradour, E.; Carretier, E.; Dhaler, D.; Moulin, P. A new pilot plant to pervaporation scale-up. In Proceedings of the Euromembrane, Valence, Spain, 9–13 July 2018. [Google Scholar]






| Mixture | Mass Fraction of Water (wt %) | Water Mass (kg) | Temperature (°C) |
|---|---|---|---|
| M1 | 9.8 | 0.19 | 20 |
| M2 | 9.3 | 0.18 | 30 |
| M3 | 9.4 | 0.16 | 30 |
| M4 | 8.8 | 0.17 | 40 |
| Mixture | Initial/Final Mass Fraction of Water (wt %) | Purification Time (min) | Temperature (°C) |
|---|---|---|---|
| M1 | 9.8/0.93 | 265 | 20 |
| M2 | 9.3/0.73 | 185 | 30 |
| M4 | 8.8/0 | 155 | 40 |
© 2018 by the authors. Licensee MDPI, Basel, Switzerland. This article is an open access article distributed under the terms and conditions of the Creative Commons Attribution (CC BY) license (http://creativecommons.org/licenses/by/4.0/).
Share and Cite
La Rocca, T.; Carretier, E.; Clair, T.; Etienne, M.; Moulin, P. On-Line NIR to Regulate Pervaporation Process: Application for Dehydration. Membranes 2018, 8, 74. https://doi.org/10.3390/membranes8030074
La Rocca T, Carretier E, Clair T, Etienne M, Moulin P. On-Line NIR to Regulate Pervaporation Process: Application for Dehydration. Membranes. 2018; 8(3):74. https://doi.org/10.3390/membranes8030074
Chicago/Turabian StyleLa Rocca, Thomas, Emilie Carretier, Thomas Clair, Martial Etienne, and Philippe Moulin. 2018. "On-Line NIR to Regulate Pervaporation Process: Application for Dehydration" Membranes 8, no. 3: 74. https://doi.org/10.3390/membranes8030074
APA StyleLa Rocca, T., Carretier, E., Clair, T., Etienne, M., & Moulin, P. (2018). On-Line NIR to Regulate Pervaporation Process: Application for Dehydration. Membranes, 8(3), 74. https://doi.org/10.3390/membranes8030074

