Tailor-Made Modification of Commercial Ceramic Membranes for Environmental and Energy-Oriented Gas Separation Applications
Abstract
:1. Introduction
2. Materials and Methods
2.1. Materials
2.2. Methods
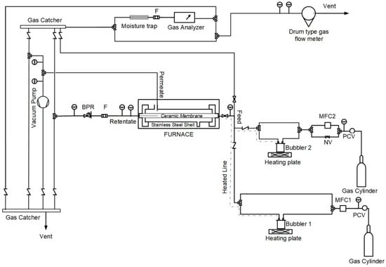
2.2.1. Experimental Apparatus
2.2.2. Membrane Performance Evaluation
2.2.3. Membrane Modification by Chemical Vapor Deposition (CVD)
2.2.4. Characterization of Modified Membranes by Scanning Electron Microscopy (SEM)
3. Results
3.1. HybSi®Commercial Membrane Characterization by Single Gas Permeation Tests
3.2. CO2/N2 Separation Performance before and after CVD Modification
3.3. H2/CH4 Separation Performance before and after CVD Modification
3.4. Scanning Electron Microscopy (SEM) on Modified Membranes M-A180 and M-B180
4. Discussion
5. Conclusions
Author Contributions
Funding
Institutional Review Board Statement
Informed Consent Statement
Data Availability Statement
Conflicts of Interest
References
- World Economic Forum. Scaling Technologies to Decarbonize Energy, Int. Secur. Progr. United Kingdom. 2015. Available online: http://www3.weforum.org/docs/WEF_GAC_Decarbonizing_Energy_White_Paper.pdf (accessed on 12 January 2022).
- Lu, H.T.; Li, W.; Miandoab, E.S.; Kanehashi, S.; Hu, G. The opportunity of membrane technology for hydrogen purification in the power to hydrogen (P2H) roadmap: A review. Front. Chem. Sci. Eng. 2021, 15, 464–482. [Google Scholar] [CrossRef] [PubMed]
- von der Grün, G.T.M.; Hotopp, S.; Müller-Kirchenbauer, J. Transport and Usage of Hydrogen via Natural Gas Pipeline Systems. In Clean Energy Systems in the Subsurface: Production, Storage and Conversion; Springer Series in Geomechanics and Geoengineering; Springer: Berlin/Heidelberg, Germany, 2013; pp. 421–436. ISBN 978-3-642-37848-5. [Google Scholar] [CrossRef]
- Gao, Y.; Gao, X.; Zhang, X. The 2 °C Global Temperature Target and the Evolution of the Long-Term Goal of Addressing Climate Change—From the United Nations Framework Convention on Climate Change to the Paris Agreement. Engineering 2017, 3, 272–278. [Google Scholar] [CrossRef]
- Foster, S.; Elzinga, D. The role of fossil fuels in a sustainable energy system. UN Chron. 2013, 52, 17–19. [Google Scholar] [CrossRef]
- Wang, Y.; Zhao, L.; Otto, A.; Robinius, M.; Stolten, D. A Review of Post-combustion CO2 Capture Technologies from Coal-fired Power Plants. Energy Procedia 2017, 114, 650–665. [Google Scholar] [CrossRef]
- Olajire, A.A. CO2 capture and separation technologies for end-of-pipe applications—A review. Energy 2010, 35, 2610–2628. [Google Scholar] [CrossRef]
- Petrovic, B.; Gorbounov, M.; Masoudi Soltani, S. Influence of surface modification on selective CO2 adsorption: A technical review on mechanisms and methods. Microporous Mesoporous Mater. 2021, 312, 110751. [Google Scholar] [CrossRef]
- Baker, R.W. Membrane Technology and Applications; John Wiley & Sons: Hoboken, NJ, USA, 2012; ISBN 9780470743720. [Google Scholar] [CrossRef]
- Van Veen, H.M.; Rietkerk, M.D.A.; Shanahan, D.P.; Van Tuel, M.M.A.; Kreiter, R.; Castricum, H.L.; Johan, E.; Vente, J.F. Pushing membrane stability boundaries with HybSi ® pervaporation membranes Methyl terminating group. J. Membr. Sci. 2011, 380, 124–131. [Google Scholar] [CrossRef]
- McCool, B.A.; DeSisto, W.J. Amino-functionalized silica membranes for enhanced carbon dioxide permeation. Adv. Funct. Mater. 2005, 15, 1635–1640. [Google Scholar] [CrossRef]
- Suzuki, S.; Messaoud, S.B.; Takagaki, A.; Sugawara, T.; Kikuchi, R.; Oyama, S.T. Development of inorganic–organic hybrid membranes for carbon dioxide/methane separation. J. Membr. Sci. 2014, 471, 402–411. [Google Scholar] [CrossRef]
- Messaoud, S.B.; Takagaki, A.; Sugawara, T.; Kikuchi, R.; Oyama, S.T. Alkylamine–silica hybrid membranes for carbon dioxide/methane separation. J. Membr. Sci. 2015, 477, 161–171. [Google Scholar] [CrossRef]
- Guo, M.; Kanezashi, M.; Nagasawa, H.; Yu, L.; Ohshita, J.; Tsuru, T. Amino-decorated organosilica membranes for highly permeable CO2 capture. J. Membr. Sci. 2020, 611, 118328. [Google Scholar] [CrossRef]
- Ostwal, M.; Singh, R.P.; Dec, S.F.; Lusk, M.T.; Way, J.D. 3-Aminopropyltriethoxysilane functionalized inorganic membranes for high temperature CO2/N2 separation. J. Membr. Sci. 2011, 369, 139–147. [Google Scholar] [CrossRef]
- Sakamoto, Y.; Nagata, K.; Yogo, K.; Yamada, K. Preparation and CO2 separation properties of amine-modified mesoporous silica membranes. Microporous Mesoporous Mater. 2007, 101, 303–311. [Google Scholar] [CrossRef]
- Paradis, G.G.; Kreiter, R.; van Tuel, M.M.A.; Nijmeijer, A.; Vente, J.F. Amino-functionalized microporous hybrid silica membranes. J. Mater. Chem. 2012, 22, 7258. [Google Scholar] [CrossRef] [Green Version]
- Agirre, I.; Arias, P.L.; Castricum, H.L.; Creatore, M.; Johan, E.; Paradis, G.G.; Ngamou, P.H.T.; Van Veen, H.M.; Vente, J.F. Hybrid organosilica membranes and processes: Status and outlook. Sep. Purif. Technol. 2014, 121, 2–12. [Google Scholar] [CrossRef] [Green Version]
- Lee, D.; Zhang, L.; Oyama, S.T.; Niu, S.; Saraf, R.F. Synthesis, characterization, and gas permeation properties of a hydrogen permeable silica membrane supported on porous alumina. J. Membr. Sci. 2004, 231, 117–126. [Google Scholar] [CrossRef]
- Moon, J.-H.; Bae, J.-H.; Bae, Y.-S.; Chung, J.-T.; Lee, C.-H. Hydrogen separation from reforming gas using organic templating silica/alumina composite membrane. J. Membr. Sci. 2008, 318, 45–55. [Google Scholar] [CrossRef]
- Gu, Y.; Ted Oyama, S. Ultrathin, hydrogen-selective silica membranes deposited on alumina-graded structures prepared from size-controlled boehmite sols. J. Membr. Sci. 2007, 306, 216–227. [Google Scholar] [CrossRef]
- Prabhu, A.K.; Oyama, S.T. Highly hydrogen selective ceramic membranes: Application to the transformation of greenhouse gases. J. Membr. Sci. 2000, 176, 233–248. [Google Scholar] [CrossRef]
- Xomeritakis, G.; Tsai, C.Y.; Jiang, Y.B.; Brinker, C.J. Tubular ceramic-supported sol–gel silica-based membranes for flue gas carbon dioxide capture and sequestration. J. Membr. Sci. 2009, 341, 30–36. [Google Scholar] [CrossRef]
- Koutsonikolas, D.; Kaldis, S.; Sakellaropoulos, G.P. A low-temperature CVI method for pore modification of sol–gel silica membranes. J. Membr. Sci. 2009, 342, 131–137. [Google Scholar] [CrossRef]
- Koutsonikolas, D.; Kaldis, S.; Sakellaropoulos, G.P.; van Loon, M.H.; Dirrix, R.W.J.; Terpstra, R.A. Defects in microporous silica membranes: Analysis and repair. Sep. Purif. Technol. 2010, 73, 20–24. [Google Scholar] [CrossRef]
- Koutsonikolas, D.E.; Pantoleontos, G.; Karagiannakis, G.; Konstandopoulos, A.G. Development of H2 selective silica membranes: Performance evaluation through single gas permeation and gas separation tests. Sep. Purif. Technol. 2021, 264, 118432. [Google Scholar] [CrossRef]
- CEER. Ceer Benchmarking Report on the Quality of Electricity and Gas Supply-2016: Gas-Technical Operational Quality; Council of European Energy Regulators: Brussels, Belgium, 2016. [Google Scholar]
- Burggraaf, A.J. Chapter 9 Transport and separation properties of membranes with gases and vapours. Membr. Sci. Technol. 1996, 4, 331–433. [Google Scholar] [CrossRef]
- Yu, L.; Kanezashi, M.; Nagasawa, H.; Oshita, J.; Naka, A.; Tsuru, T. Pyrimidine-bridged organoalkoxysilane membrane for high-efficiency CO2 transport via mild affinity. Sep. Purif. Technol. 2017, 178, 232–241. [Google Scholar] [CrossRef]
- Gilron, J.; Soffer, A. Knudsen diffusion in microporous carbon membranes with molecular sieving character. J. Membr. Sci. 2002, 209, 339–352. [Google Scholar] [CrossRef]
- Yu, L.; Kanezashi, M.; Nagasawa, H.; Tsuru, T. Role of Amine Type in CO2 Separation Performance within Amine Functionalized Silica/Organosilica Membranes: A Review. Appl. Sci. 2018, 8, 1032. [Google Scholar] [CrossRef] [Green Version]
- Krishna, R.; Van Baten, J.M. Investigating the relative influences of molecular dimensions and binding energies on diffusivities of guest species inside nanoporous crystalline materials. J. Phys. Chem. C 2012, 116, 23556–23568. [Google Scholar] [CrossRef]
- Castricum, H.L.; Qureshi, H.F.; Nijmeijer, A.; Winnubst, L. Hybrid silica membranes with enhanced hydrogen and CO2 separation properties. J. Membr. Sci. 2015, 488, 121–128. [Google Scholar] [CrossRef]
- Maroufmashat, A.; Fowler, M. Transition of future energy system infrastructure; through power-to-gas pathways. Energies 2017, 10, 1089. [Google Scholar] [CrossRef] [Green Version]
- Adhikari, S.; Fernando, S. Hydrogen membrane separation techniques. Ind. Eng. Chem. Res. 2006, 45, 875–881. [Google Scholar] [CrossRef]








| Permselectivity | |||||
|---|---|---|---|---|---|
| Tm (°C) | H2/N2 | H2/CH4 | H2/SF6 | H2/CO2 | CO2/N2 |
| Theoretical Knudsen | 3.74 | 2.83 | 8.54 | 4.69 | 0.80 |
| 25 | 4.5 | 3.5 | 7.5 | 1.3 | 3.5 |
| 60 | 7.9 | 7.3 | 24.5 | 1.9 | 4.3 |
| 100 | 10.0 | 9.8 | 44.3 | 2.5 | 4.0 |
| 150 | 11.3 | 10.9 | 58.6 | 3.0 | 3.7 |
| 250 | 12.2 | 11.3 | 109.8 | 4.6 | 2.6 |
| Permselectivity | |||||
|---|---|---|---|---|---|
| Membrane at 250 °C | H2/N2 | H2/CH4 | H2/SF6 | H2/CO2 | CO2/N2 |
| Theoretical Knudsen | 3.74 | 2.83 | 8.54 | 4.69 | 0.80 |
| Commercial HybSi M-B | 13.2 | 12.8 | 188.5 | 4.6 | 2.9 |
| Modified HybSi M-B180 | 31.0 | 45.6 | 177.8 | 8.7 | 3.6 |
Publisher’s Note: MDPI stays neutral with regard to jurisdictional claims in published maps and institutional affiliations. |
© 2022 by the authors. Licensee MDPI, Basel, Switzerland. This article is an open access article distributed under the terms and conditions of the Creative Commons Attribution (CC BY) license (https://creativecommons.org/licenses/by/4.0/).
Share and Cite
Grekou, T.K.; Koutsonikolas, D.E.; Karagiannakis, G.; Kikkinides, E.S. Tailor-Made Modification of Commercial Ceramic Membranes for Environmental and Energy-Oriented Gas Separation Applications. Membranes 2022, 12, 307. https://doi.org/10.3390/membranes12030307
Grekou TK, Koutsonikolas DE, Karagiannakis G, Kikkinides ES. Tailor-Made Modification of Commercial Ceramic Membranes for Environmental and Energy-Oriented Gas Separation Applications. Membranes. 2022; 12(3):307. https://doi.org/10.3390/membranes12030307
Chicago/Turabian StyleGrekou, Triantafyllia K., Dimitris E. Koutsonikolas, George Karagiannakis, and Eustathios S. Kikkinides. 2022. "Tailor-Made Modification of Commercial Ceramic Membranes for Environmental and Energy-Oriented Gas Separation Applications" Membranes 12, no. 3: 307. https://doi.org/10.3390/membranes12030307
APA StyleGrekou, T. K., Koutsonikolas, D. E., Karagiannakis, G., & Kikkinides, E. S. (2022). Tailor-Made Modification of Commercial Ceramic Membranes for Environmental and Energy-Oriented Gas Separation Applications. Membranes, 12(3), 307. https://doi.org/10.3390/membranes12030307

