Clarification of Limed Sugarcane Juice by Stainless Steel Membranes and Membrane Fouling Analysis
Abstract
1. Introduction
2. Materials and Methods
2.1. Sugarcane Juice and Chemicals
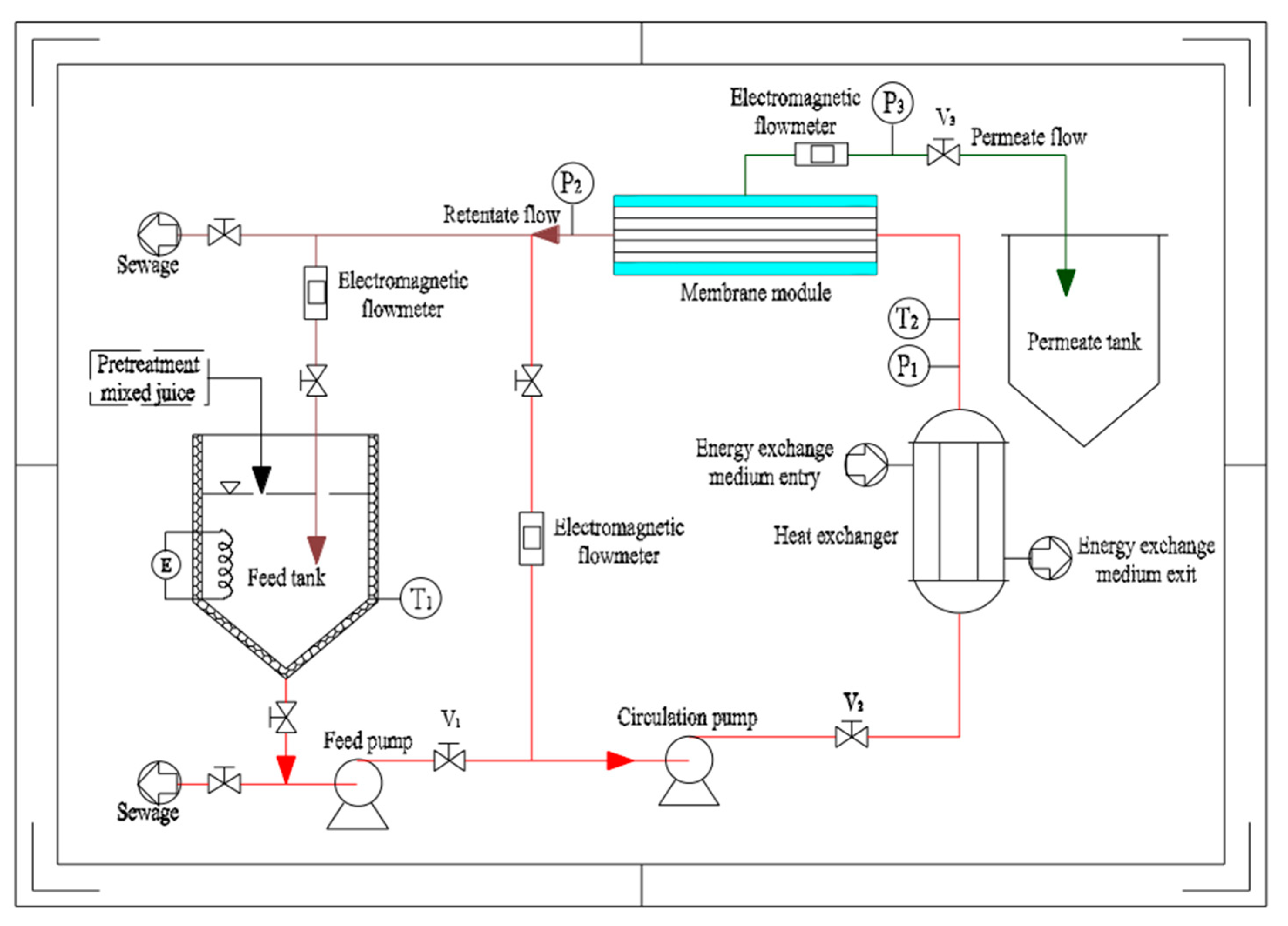
2.2. Membrane Modules and Equipment
2.3. Experimental Procedure
2.4. Analytic Methods
2.5. Fouling Mechanism
3. Results
3.1. Flux
3.1.1. Effect of Membrane Microstructure
3.1.2. Effect of Operating Conditions
TMP
CFV
Temperature
3.2. Clarified Sugarcane Juice Quality
3.3. Analysis of Membrane Fouling Models
3.3.1. Effect of TMP
3.3.2. Effect of CFV
3.3.3. Effect of Temperature
3.4. Fouling Analysis
4. Conclusions
- (1)
- The soft water flux was better in the 20 nm stainless steel membrane than in the 100 nm stainless steel membrane. The flux of the 20 nm stainless steel membrane also demonstrated excellent performance when handling sugarcane mixed juice.
- (2)
- For the 20 nm membrane, the increase in TMP from 2 to 5 bar increased the initial flux from 185.1 Lm−2 h−1 to 277.7 Lm−2 h−1 (approximately 9 h) and increased the average flux from 146.6 Lm−2 h−1 to 187.8 Lm−2 h−1 (approximately 9 h). The increase in CFV from 2 to 5 m/s also increased the average flux from 111.9 Lm−2 h−1 to 158.1 Lm−2 h−1 (approximately 9 h). In addition, the increase in temperature from 70 °C to 90 °C increased the average flux from 132.8 Lm−2 h−1 to 148.6 Lm−2 h−1 (11.9% increase).
- (3)
- The test produced high-quality filtered juice with an average of 1.26 units of purity rise, and the purity increased with time. A 99.99% reduction in turbidity and an average 29.3% reduction in colour were observed. The colour of the filtered juice improved with time, like the purity.
- (4)
- Among the four fouling models used to fit the experimental data, the cake filtration model fitted the performance under all operating conditions. Thus, cake filtration fouling was the dominant phenomenon.
- (5)
- The results of FTIR and EDX analyses showed that organic fouling played the most significant role as a foulant. The results revealed that polysaccharides, esters, proteins, phenols, and sucrose likely caused membrane fouling. Inorganic elements (e.g., Al, Si, P, S, and K) also played a key role in the formation of fouling layers. The determination of foulant components is thus beneficial for identifying the suitable cleaning solution.
Author Contributions
Funding
Institutional Review Board Statement
Data Availability Statement
Conflicts of Interest
References
- Jegatheesan, V.; Phong, D.D.; Shu, L.; Ben Aim, R. Performance of ceramic micro- and ultrafiltration membranes treating limed and partially clarified sugar cane juice. J. Membr. Sci. 2009, 327, 69–77. [Google Scholar] [CrossRef]
- Ghosh, A.M.; Balakrishnan, M.; Dua, M.; Bhagat, J.J. Ultrafiltration of sugarcane juice with spiral wound modules: On-site pilot trials. J. Membr. Sci. 2000, 174, 205–216. [Google Scholar] [CrossRef]
- Jansen, T.M. Raw sugar quality from a refiner’s perspective. Int. Sugar. J. 2010, 112, 250–256. [Google Scholar]
- Jegatheesan, V.; Shu, L.; Keir, G.; Phong, D.D. Evaluating membrane technology for clarification of sugarcane juice. Rev. Environ. Sci. Bio/Technol. 2012, 11, 109–124. [Google Scholar] [CrossRef]
- Jegatheesan, V.; Shu, L.; Diep, D.P.; Navaratna, D.; Neilly, A. Clarification and concentration of sugar cane juice through ultra, nano and reverse osmosis membranes. Membr. Water. Treat. 2012, 3, 99–111. [Google Scholar] [CrossRef][Green Version]
- Mohammad, A.W.; Ng, C.Y.; Lim, Y.P.; Ng, G.H. Ultrafiltration in Food Processing Industry: Review on Application, Membrane Fouling, and Fouling Control. Food Bioprocess Tech 2012, 5, 1143–1156. [Google Scholar] [CrossRef]
- Qiangbing, W.; Huiping, T.; Zhengping, X.; Baojun, Y.; Yuan, G. Study on Asymmetry Stainless Steel Filtration Membrane Used in Juice Industry. Rare Metal Mater. Eng. 2015, 44, 544–547. [Google Scholar] [CrossRef]
- Hamachi, M.; Gupta, B.B.; Ben Aim, R. Ultrafiltration: A means for decolorization of cane sugar solution. Sep. Purif. Technol. 2003, 30, 229–239. [Google Scholar] [CrossRef]
- Li, W.; Ling, G.; Shi, C.; Li, K.; Lu, H.; Hang, F.; Zhang, Y.; Xie, C.; Lu, D.; Li, H. Pilot Demonstration of Ceramic Membrane Ultrafiltration of Sugarcane Juice for Raw Sugar Production. Sugar Tech Int. J. Sugar Crops Relat. Ind. 2016, 19, 83–88. [Google Scholar] [CrossRef]
- Sandhya Rani, S.L.; Kumar, R.V. Insights on applications of low-cost ceramic membranes in wastewater treatment: A mini-review. Case Stud. Chem. Environ. Eng. 2021, 4, 100149. [Google Scholar] [CrossRef]
- Asif, M.B.; Zhang, Z. Ceramic membrane technology for water and wastewater treatment: A critical review of performance, full-scale applications, membrane fouling and prospects. Chem. Eng. J. 2021, 418, 129481. [Google Scholar] [CrossRef]
- Liang, D.; Huang, J.; Zhang, H.; Fu, H.; Zhang, Y.; Chen, H. Influencing factors on the performance of tubular ceramic membrane supports prepared by extrusion. Ceram Int. 2021, 47, 10464–10477. [Google Scholar] [CrossRef]
- Luo, J.; Hang, X.; Zhai, W.; Qi, B.; Song, W.; Chen, X.; Wan, Y. Refining sugarcane juice by an integrated membrane process: Filtration behavior of polymeric membrane at high temperature. J. Membr. Sci. 2016, 509, 105–115. [Google Scholar] [CrossRef]
- Samaei, S.M.; Gato-Trinidad, S.; Altaee, A. The application of pressure-driven ceramic membrane technology for the treatment of industrial wastewaters—A review. Sep. Purif. Technol. 2018, 200, 198–220. [Google Scholar] [CrossRef]
- Zhu, X.; Tang, X.; Luo, X.; Yang, Z.; Cheng, X.; Gan, Z.; Xu, D.; Li, G.; Liang, H. Stainless steel mesh supported thin-film composite nanofiltration membranes for enhanced permeability and regeneration potential. J. Membr. Sci. 2021, 618, 118738. [Google Scholar] [CrossRef]
- Ryi, S.; Park, J.; Choi, S.; Cho, S.; Kim, S. Fabrication and characterization of metal porous membrane made of Ni powder for hydrogen separation. Sep. Purif. Technol. 2006, 47, 148–155. [Google Scholar] [CrossRef]
- Michielsen, B.; Chen, H.; Jacobs, M.; Middelkoop, V.; Mullens, S.; Thijs, I.; Buekenhoudt, A.; Snijkers, F. Preparation of porous stainless steel hollow fibers by robotic fiber deposition. J. Membr. Sci. 2013, 437, 17–24. [Google Scholar] [CrossRef]
- Bowen, W.R.; Calvo, J.I.; Hernández, A. Steps of membrane blocking in flux decline during protein microfiltration. J. Membr. Sci. 1995, 101, 153–165. [Google Scholar] [CrossRef]
- Bolton, G.; LaCasse, D.; Kuriyel, R. Combined models of membrane fouling: Development and application to microfiltration and ultrafiltration of biological fluids. J. Membr. Sci. 2006, 277, 75–84. [Google Scholar] [CrossRef]
- Vincent Vela, M.C.; Álvarez Blanco, S.; Lora García, J.; Bergantiños Rodríguez, E. Analysis of membrane pore blocking models adapted to crossflow ultrafiltration in the ultrafiltration of PEG. Chem. Eng. J. 2009, 149, 232–241. [Google Scholar] [CrossRef]
- Sim, L.; Shu, L.; Jegatheesan, V.; Phong, D.D. Effect of Operating Parameters and Cleaning on the Performance of Ceramic Membranes Treating Partially Clarified Sugar Cane Juice. Sep. Sci. Technol. 2009, 44, 3506–3537. [Google Scholar] [CrossRef]
- Qu, F.; Liang, H.; Wang, Z.; Wang, H.; Yu, H.; Li, G. Ultrafiltration membrane fouling by extracellular organic matters (EOM) of Microcystis aeruginosa in stationary phase: Influences of interfacial characteristics of foulants and fouling mechanisms. Water Res. 2012, 46, 1490–1500. [Google Scholar] [CrossRef] [PubMed]
- Susanto, H.; Roihatin, A.; Widiasa, I.N. Production of colorless liquid sugar by ultrafiltration coupled with ion exchange. Food Bioprod. Process 2016, 98, 11–20. [Google Scholar] [CrossRef]
- Hwang, K.; Liao, C.; Tung, K. Effect of membrane pore size on the particle fouling in membrane filtration. Desalination 2008, 234, 16–23. [Google Scholar] [CrossRef]
- Li, M.; Zhao, Y.; Zhou, S.; Xing, W. Clarification of raw rice wine by ceramic microfiltration membranes and membrane fouling analysis. Desalination 2010, 256, 166–173. [Google Scholar] [CrossRef]
- Thomassen, J.K.; Faraday, D.B.F.; Underwood, B.O.; Cleaver, J.A.S. The effect of varying transmembrane pressure and crossflow velocity on the microfiltration fouling of a model beer. Sep. Purif. Technol. 2005, 41, 91–100. [Google Scholar] [CrossRef]
- Nene, S.; Kaur, S.; Sumod, K.; Joshi, B.; Raghavarao, K.S.M.S. Membrane distillation for the concentration of raw cane-sugar syrup and membrane clarified sugarcane juice. Desalination 2002, 147, 157–160. [Google Scholar] [CrossRef]
- Li, W.; Ling, G.; Huang, P.; Li, K.; Lu, H.; Hang, F.; Zhang, Y.; Xie, C.; Lu, D.; Li, H.; et al. Performance of ceramic microfiltration membranes for treating carbonated and filtered remelt syrup in sugar refinery. J. Food. Eng. 2016, 170, 41–49. [Google Scholar] [CrossRef]
- Cai, M.; Hou, W.; Li, Z.; Lv, Y.; Sun, P. Understanding Nanofiltration Fouling of Phenolic Compounds in Model Juice Solution with Two Membranes. Food Bioprocess Technol. 2017, 10, 2123–2131. [Google Scholar] [CrossRef]
- Hwang, K.; Liao, C.; Tung, K. Analysis of particle fouling during microfiltration by use of blocking models. J. Membr. Sci. 2007, 287, 287–293. [Google Scholar] [CrossRef]
- Her, N.; Amy, G.; Park, H.; Song, M. Characterizing algogenic organic matter (AOM) and evaluating associated NF membrane fouling. Water Res. 2004, 38, 1427–1438. [Google Scholar] [CrossRef] [PubMed]
- Meng, F.; Zhang, H.; Yang, F.; Liu, L. Characterization of Cake Layer in Submerged Membrane Bioreactor. Environ. Sci. Technol. 2007, 41, 4065–4070. [Google Scholar] [CrossRef] [PubMed]
- Zhu, X.; Wang, Z.; Wu, Z. Characterization of membrane foulants in a full-scale membrane bioreactor for supermarket wastewater treatment. Process Biochem. 2011, 46, 1001–1009. [Google Scholar] [CrossRef]
- Gao, W.J.; Lin, H.J.; Leung, K.T.; Schraft, H.; Liao, B.Q. Structure of cake layer in a submerged anaerobic membrane bioreactor. J. Membr. Sci. 2011, 374, 110–120. [Google Scholar] [CrossRef]










| Reagent | Specification | Manufacturer |
|---|---|---|
| Calcium oxide | AR | Shanghai Sinopharm Chemical Reagent Co., Ltd. |
| Lead acetate | AR | Guangzhou Gangxin Chemical Co., Ltd. |
| Sodium hydroxide | AR | Tianjin Bodi Chemical Co., Ltd. |
| Hydrochloric acid | AR | Sinopharm Chemical Reagent Co., Ltd. |
| Characteristics | Description |
|---|---|
| Manufacturer | Graver Technologies, LLC |
| Membrane type | Tubular |
| Membrane material | TiO2 |
| Membrane support material | Porous 316 L stainless steel |
| Nominal pore size (nm) | 100 nm, 20 nm |
| Length (cm) | 1500 |
| Number of channels | 4 |
| Channel diameter (mm) | 18 |
| Membrane area (m2) | 0.35 |
| Run No. | Membrane Pore Size (nm) | TMP (bar) | CFV (m/s) | Temperature (°C) |
|---|---|---|---|---|
| 1 | 100 | 3.0 | 3 | 70 |
| 2 | 20 | 3.0 | 3 | 70 |
| 3 | 20 | 3.0 | 3 | 90 |
| 4 | 20 | 3.0 | 5 | 90 |
| 5 | 20 | 3.0 | 2 | 90 |
| 6 | 20 | 3.0 | 3 | 90 |
| 7 | 20 | 5.0 | 3 | 90 |
| 8 | 20 | 2.0 | 3 | 90 |
| 9 | 20 | 3.0 | 3 | 80 |
| 10 | 20 | 3.0 | 3 | 70 |
| Models | Equation |
|---|---|
| Cake filtration | |
| Pore narrowing | |
| Combination of external and progressive internal | |
| Complete pore blocking |
| Material | Time (h) | pH | Purity (%) | Turbidity (NTU) | Color (IU560) | Conductivity Ash (%) |
|---|---|---|---|---|---|---|
| Feed | 0 | 7.20 | 80.20 | 2657 | 1789 | 1.85 |
| Filtered | 0 | 7.17 | 81.20 | 1.00 | 1352 | 1.86 |
| 0.5 | 7.12 | 81.37 | 1.02 | 1265 | 1.79 | |
| 1 | 7.04 | 81.81 | 0.94 | 1178 | 1.82 | |
| Retentate | 1 | 7.12 | 78.10 | / | 1940 | 1.77 |
| TMP/bar | Cake Filtration | Pore Narrowing | Combination of External and Progressive Internal Fouling | Complete Pore Blocking |
|---|---|---|---|---|
| 2 | 0.9418 | 0.8004 | 0.7916 | 0.7958 |
| 3 | 0.9780 | 0.9091 | 0.8545 | 0.9168 |
| 5 | 0.9259 | 0.8852 | 0.8697 | 0.8754 |
| CFV/(m/s) | Cake Filtration | Pore Narrowing | Combination of External and Progressive Internal Fouling | Complete Pore Blocking |
|---|---|---|---|---|
| 2 | 0.9721 | 0.9176 | 0.9601 | 0.8899 |
| 3 | 0.9780 | 0.9091 | 0.8545 | 0.9168 |
| 5 | 0.9946 | 0.9346 | 0.9547 | 0.9168 |
| Temperature/°C | Cake Filtration | Pore Narrowing | Combination of External and Progressive Internal Fouling | Complete Pore Blocking |
|---|---|---|---|---|
| 70 | 0.9948 | 0.9805 | 0.9620 | 0.9782 |
| 80 | 0.9763 | 0.9605 | 0.9420 | 0.9569 |
| 90 | 0.9780 | 0.9091 | 0.8545 | 0.9168 |
| Element | C | N | O | Al | Si | P | S | K | Ca | Ti | Fe |
|---|---|---|---|---|---|---|---|---|---|---|---|
| Wt% | 28.57 | 2.65 | 43.06 | 0.33 | 1.64 | 3.89 | 0.89 | 1.81 | 8.31 | 2.41 | 6.44 |
Publisher’s Note: MDPI stays neutral with regard to jurisdictional claims in published maps and institutional affiliations. |
© 2022 by the authors. Licensee MDPI, Basel, Switzerland. This article is an open access article distributed under the terms and conditions of the Creative Commons Attribution (CC BY) license (https://creativecommons.org/licenses/by/4.0/).
Share and Cite
Du, N.; Pan, L.; Liu, J.; Wang, L.; Li, H.; Li, K.; Xie, C.; Hang, F.; Lu, H.; Li, W. Clarification of Limed Sugarcane Juice by Stainless Steel Membranes and Membrane Fouling Analysis. Membranes 2022, 12, 910. https://doi.org/10.3390/membranes12100910
Du N, Pan L, Liu J, Wang L, Li H, Li K, Xie C, Hang F, Lu H, Li W. Clarification of Limed Sugarcane Juice by Stainless Steel Membranes and Membrane Fouling Analysis. Membranes. 2022; 12(10):910. https://doi.org/10.3390/membranes12100910
Chicago/Turabian StyleDu, Nan, Lili Pan, Jidong Liu, Lijun Wang, Hong Li, Kai Li, Caifeng Xie, Fangxue Hang, Haiqin Lu, and Wen Li. 2022. "Clarification of Limed Sugarcane Juice by Stainless Steel Membranes and Membrane Fouling Analysis" Membranes 12, no. 10: 910. https://doi.org/10.3390/membranes12100910
APA StyleDu, N., Pan, L., Liu, J., Wang, L., Li, H., Li, K., Xie, C., Hang, F., Lu, H., & Li, W. (2022). Clarification of Limed Sugarcane Juice by Stainless Steel Membranes and Membrane Fouling Analysis. Membranes, 12(10), 910. https://doi.org/10.3390/membranes12100910

