Enhanced Fault Current-Limiting Circuit Design for a DC Fault in a Modular Multilevel Converter-Based High-Voltage Direct Current System
Abstract
1. Introduction
2. DC Fault Current Analysis
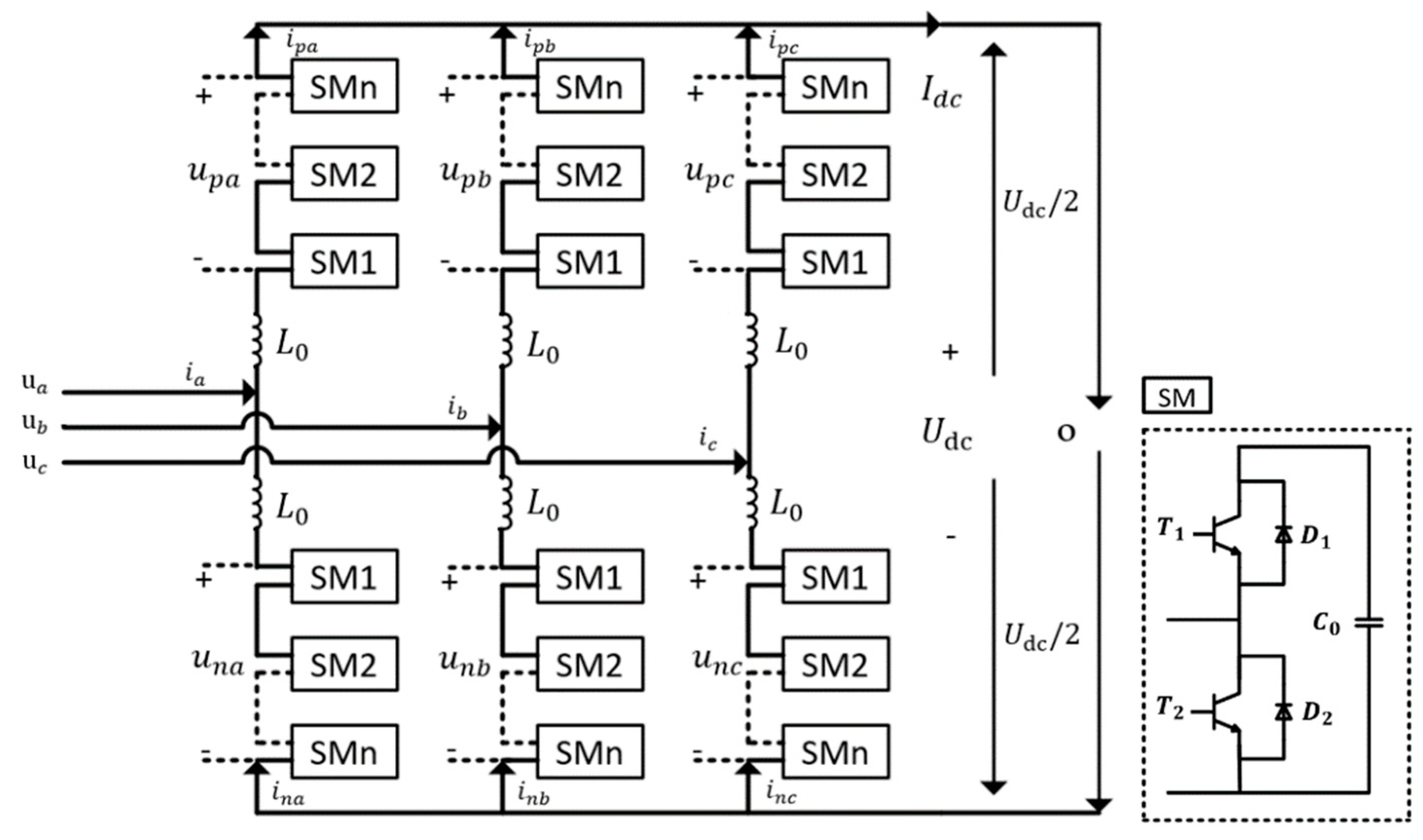
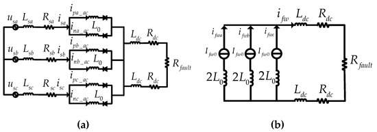
2.1. Test System Introduction
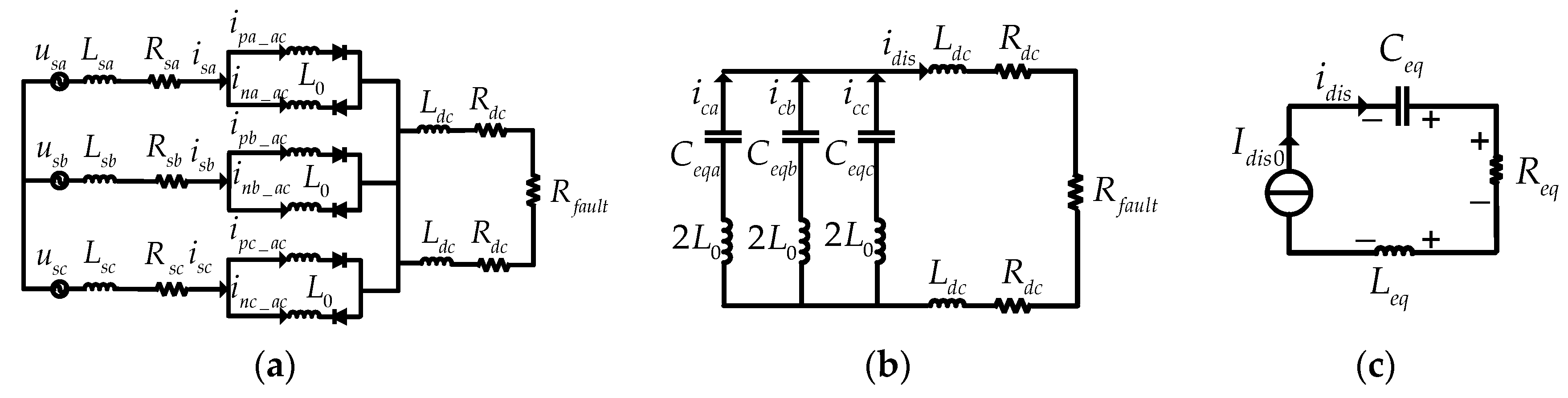
2.2. DC Fault Analysis of the Test System
2.2.1. Submodule Capacitor Discharging Period
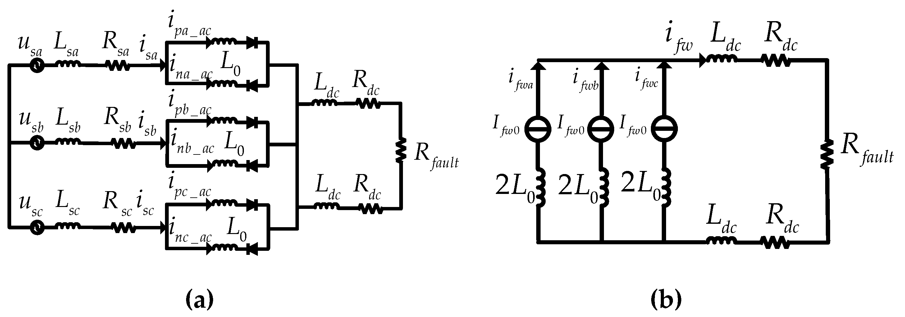
2.2.2. Freewheeling Current and AC Feeding Current Period
2.3. Simulation Verification
2.4. Protection Demand
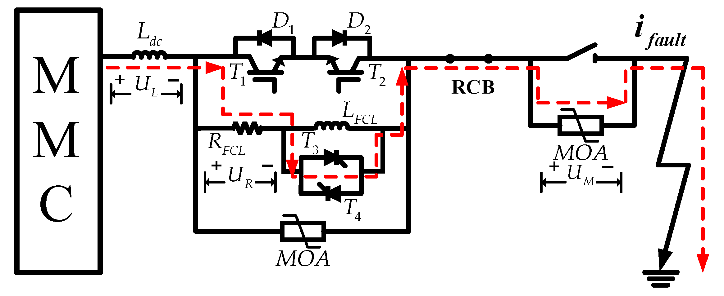
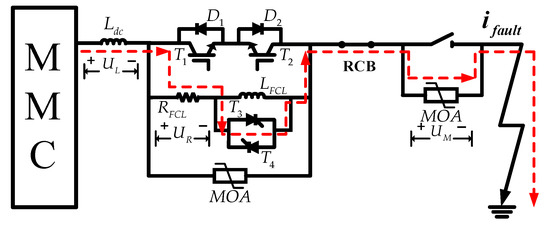
3. Enhanced Fault Current Limiting Circuit
3.1. Fault Current-Limiting Characteristics
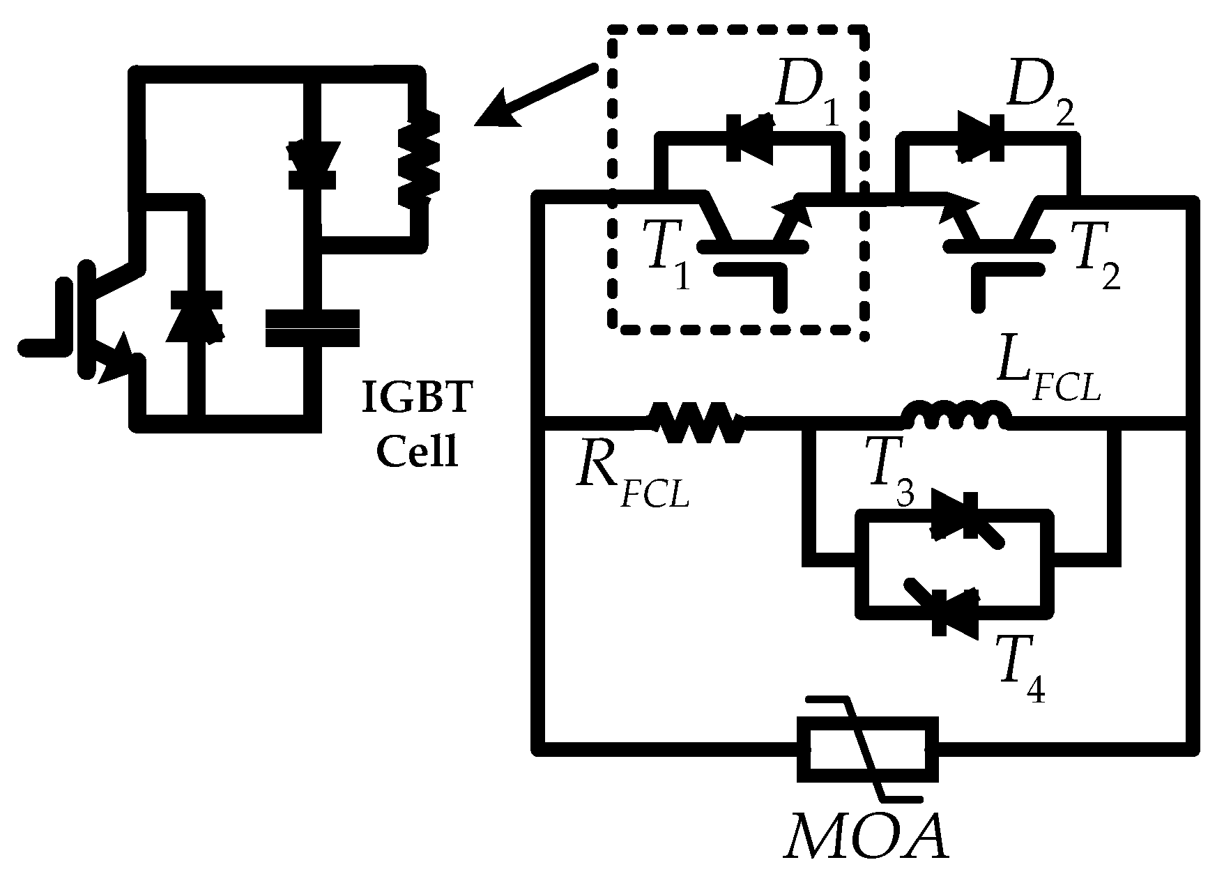
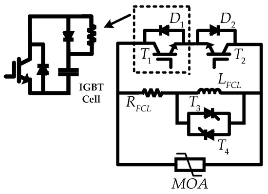
3.2. Basic Topology
3.3. Fault Current Interruption with DC Circuit Breaker
4. Design of the Enhanced Fault Current Limiting Circuit
4.1. Design Objective
- The peak value of the DC line current must be limited under the maximum breaking current of the DCCB when the main breaker opens.
- The fault current rising speed () must be lower than the largest rate of the current change withstood by the DCCB ().
- In accordance with the fault current through the converter arms displayed in Figure 10, the freewheeling diodes still withstand overcurrent after blocking IGBTs. Thus, the DCCB is required to operate before the fault current reaches its maximum value. That is, the main breaker must open before the IGBT is blocked, thereby benefiting the system recovery and restart. The time period from fault occurrence to the DCCB operation () must be shorter than the time consumed from fault occurrence to blocking IGBTs (). Specifically, involves the fault detection time and DCCB operation time (Figure 15). In accordance with the aforementioned points, the following condition can be obtained:
4.2. Determination of Boundary Condition
4.3. Parametric Design
5. Discussion
5.1. Fault Current-Limiting Ability Comparison
5.2. Cost
5.3. Power Loss
5.4. Influence on Fault Current
5.5. Influence on Energy Absorption
5.6. Influence on Fault Interruption Time
5.7. Practicality and Necessity of Proposed Circuit
5.8. Effectiveness of the Proposed Circuit
6. Conclusions
Author Contributions
Funding
Conflicts of Interest
References
- Deng, F.; Tian, Y.; Zhu, R.; Chen, Z. Fault-tolerant approach for modular multilevel converters under submodule faults. IEEE Trans. Ind. Electron. 2016, 63, 7253–7263. [Google Scholar] [CrossRef]
- Cui, S.; Sul, S.K. A comprehensive DC short-circuit fault ride through strategy of hybrid modular multilevel converters (MMCs) for overhead line transmission. IEEE Trans. Power Electron. 2016, 31, 7780–7796. [Google Scholar] [CrossRef]
- Farhadi, M.; Mohammed, O.A. Protection of multi-terminal and distributed DC systems: Design challenges and techniques. Electr. Power Syst. Res. 2017, 143, 715–727. [Google Scholar] [CrossRef]
- Yang, J.; Fletcher, J.E.; O’Reilly, J. Short-circuit fault and grounded fault analyses and location in VSC-based DC network cables. IEEE Trans. Ind. Electron. 2012, 59, 3827–3837. [Google Scholar] [CrossRef]
- Belda, N.A.; Plet, C.A.; Smeets, R.P. Analysis of faults in multiterminal HVDC grid for definition of test requirements of HVDC circuit breakers. IEEE Trans Power Deliv. 2018, 33, 403–411. [Google Scholar] [CrossRef]
- Mitra, B.; Chowdhury, B.; Manjrekar, M. HVDC transmission for access to off-shore renewable energy: A review of technology and fault detection techniques. IET Renew. Power Gen. 2018, 12, 1563–1571. [Google Scholar] [CrossRef]
- Tang, G.; Xu, Z.; Zhou, Y. Impacts of three MMC-HVDC configurations on AC system stability under DC line faults. IEEE Trans. Power Syst. 2014, 29, 3030–3040. [Google Scholar] [CrossRef]
- Dorn, J.; Gambach, H.; Strauss, J.; Westerweller, T.; Alligan, J. Trans Bay Cable—A breakthrough of VSC multilevel converters in HVDC transmission. In Proceedings of the CIGRE Colloquium, San Francisco, CA, USA, 7–9 March 2012. [Google Scholar]
- Marquardt, R. Modular multilevel converter topologies with DC-short circuit current limitation. In Proceedings of the 8th International Conference on Power Electronics (ECCE Asia), Jeju, South Korea, 30 May–3 June 2011; pp. 1425–1431. [Google Scholar]
- Zeng, R.; Xu, L.; Yao, L.; Williams, B.W. Design and operation of a hybrid modular multilevel converter. IEEE Trans. Power Electron. 2014, 30, 1137–1146. [Google Scholar]
- Dorn, J.; Pohl, M.; Retzmann, D.; Schettler, F. Transformation of the energy systems in Germany—Enhancement of system stability by integration of innovative multilevel HVDC in the AC grid. In Proceedings of the IInternational ETG-Congress 2013; Symposium 1: Security in Critical Infrastructures Today, Berlin, Germany, 5–6 November 2013; pp. 1–6. [Google Scholar]
- Zeng, R.; Xu, L.; Yao, L.; Morrow, D.J. Precharging and DC fault ride-through of hybrid MMC-based HVDC systems. IEEE Trans. Power Deliv. 2015, 30, 1298–1306. [Google Scholar] [CrossRef]
- Liu, J.; Tai, N.; Fan, C.; Chen, S. A hybrid current-limiting circuit for DC line fault in multi-terminal VSC-HVDC system. IEEE Trans. Ind. Electron. 2017, 64, 5595–5607. [Google Scholar] [CrossRef]
- He, J.; Li, B.; Li, Y. Analysis of the fault current limiting requirement and design of the bridge-type FCL in the multi-terminal DC grid. IET Power Electr. 2018, 11, 968–976. [Google Scholar] [CrossRef]
- Li, J.; Ding, B.; Liu, S.; Chen, Z.; Li, Z. DC fault current-limiting and isolating technique for the MMC-based DC system. In Proceedings of the International Electrical and Energy Conference, Beijing, China, 25–27 October 2017; pp. 543–548. [Google Scholar]
- Yang, X.; Xue, Y.; Chen, B.; Lin, Z.; Mu, Y.; Zheng, T.Q.; Igarashi, S.; Li, Y. An enhanced reverse blocking MMC with DC fault handling capability for HVDC applications. Electr. Power Syst. Res. 2017. [Google Scholar] [CrossRef]
- Ding, G.; Tang, G.; He, Z.; Ding, M. New technologies of voltage source converter (VSC) for HVDC transmission system based on VSC. In Proceedings of the 2008 IEEE Power and Energy Society General Meeting—Conversion and Delivery of Electrical Energy in the 21st Century, Pittsburgh, PA, USA, 20–24 June 2008; pp. 1–8. [Google Scholar]
- Candelaria, J.; Park, J.-D. VSC-HVDC system protection: A review of current methods. In Proceedings of the 2011 IEEE/PES Power Systems Conference and Exposition, Phoenix, AZ, USA, 23 May 2011; pp. 1–7. [Google Scholar]
- Friedrich, K. Modern HVDC PLUS application of VSC in modular multilevel converter topology. In Proceedings of the 2010 IEEE International Symposium on Industrial Electronics, Bari, Italy, 4–7 July 2010; pp. 3807–3810. [Google Scholar]
- Li, X.; Song, Q.; Liu, W.; Rao, H.; Xu, S.; Li, L. Protection of nonpermanent faults on DC overhead lines in MMC-based HVDC systems. IEEE Trans. Power Deliv. 2013, 28, 483–490. [Google Scholar] [CrossRef]
- Wheeler, K.; Elsamahy, M.; Faried, S. Use of superconducting fault current limiters for mitigation of distributed generation influences in radial distribution network fuse-recloser protection systems. IET Gener. Transm. Distrib. 2017, 11, 1065–1612. [Google Scholar] [CrossRef]
- Wang, C.; Lin, B.; He, J.; Xin, Y. Design and application of the SFCL in the modular multilevel converter based DC system. IEEE Trans. Appl. Supercond. 2017, 27, 3800504. [Google Scholar] [CrossRef]
- Li, B.; He, J. Studies on the application of R-SFCL in the VSC-based DC distribution system. IEEE Trans. Appl. Suppercond. 2016, 26, 5601005. [Google Scholar] [CrossRef]
- Khan, U.A.; Lee, J.; Amir, F.; Lee, B. A novel model of HVDC hybrid-type superconducting circuit breaker and its performance analysis for limiting and breaking DC fault currents. IEEE Trans. Appl. Superconduct. 2015, 25, 5603009. [Google Scholar]
- Mokhberdoran, A.; Carvalho, A.; Silva, N.; Leite, H. Application study of superconducting fault current limiters in meshed HVDC grids protected by fast protection relays. Electr. Power Syst. Res. 2017, 143, 292–302. [Google Scholar] [CrossRef]
- Elserougi, A.A.; Abdel-Khalik, A.S.; Massoud, A.M.; Ahmed, S. A new protection scheme for HVDC converters against DC-side faults with current suppression capability. IEEE Trans. Power Deliv. 2014, 29, 1569–1577. [Google Scholar] [CrossRef]
- Elshieskh, M.E.; Mansour, D.A.; Zhang, M.; Yuan, W.; Wang, H.; Xie, M. New technique for using SMES to limit fault currents in wind power systems. IEEE Trans. Appl. Suppercond. 2018, 28, 5602005. [Google Scholar]
- Masood, H.; Lu, Z.; Dragan, J. DC Transmission Grid with Low-Speed Protection Using Mechanical DC Circuit Breakers. IEEE Trans. Power Deliv. 2015, 30, 1383–1391. [Google Scholar]
- Hafner, J.; Jacobson, B. Proactive hybrid HVDC breakers—A key innovation for reliable HVDC grids. In Proceedings of the Electric Power System of the Future: Integrating Supergrids and Microgrids, CIGRE Symposium, Bologna, Italy, 13–15 September 2011; pp. 1–9. [Google Scholar]
- Ahmed, N.; Angquist, L.; Mehmood, S.; Antonopoulos, A.; Harnefors, L.; Norrga, S.; Nee, H.P. Efficient modeling of an MMC-based multiterminal DC system employing hybrid HVDC breakers. IEEE Trans. Power Deliv. 2015, 30, 1792–1801. [Google Scholar] [CrossRef]
- Callavik, M.; Blomberg, A.; Hafner, J.; Jacobson, B. Breakthrough! ABB’s hybrid HVDC breaker, an innovation breakthrough enabling reliable HVDC grids. ABB Rev. 2013, 2, 7–13. [Google Scholar]
- Martinez-Velasco, J.A.; Magnusson, J. Parametric analysis of the hybrid HVDC circuit breaker. Electr. Power Syst. Res. 2017, 84, 284–295. [Google Scholar] [CrossRef]
- Li, C.; Liang, J.; Wang, S. Interlink hybrid DC circuit breaker. IEEE Trans. Ind. Electron. 2018, 65, 8677–8686. [Google Scholar] [CrossRef]
- Li, B.; He, J.; Li, Y.; Li, R. A novel solid-state circuit breaker with self-adapt fault current limiting capability for LVDC distribution network. IEEE Trans. Power Electron. 2019, 4, 3516–3529. [Google Scholar] [CrossRef]
- Hu, J.; Zeng, R.; He, Z. DC fault ride-through of MMCs for HVDC systems: A review. J. Eng. 2016, 9, 321–331. [Google Scholar] [CrossRef]
- Leterme, W.; Beerte, J.; Hertem, D. Equivalent circuit for half-bridge MMC dc fault current contribution. In Proceedings of the 2016 IEEE International Energy Conference (ENERGYCON), Leuven, Belgium, 4–8 April 2016; pp. 1–6. [Google Scholar]
- Jiang, B.; Gong, Y.; Cao, J.; Wang, H. Fault current analysis of MMC based HVDC system under DC pole-to-pole fault condition. In Proceedings of the International Conference on Renewable Power Generation (RPG), Beijing, China, 17–18 October 2015; pp. 1–5. [Google Scholar]
- Duan, G.; Wang, Y.; Yin, T.; Yin, S.; Li, G.; Sun, S. DC Short Circuit Current Calculation for Modular Multilevel Converter. Power Syst. Technol. 2018, 1, 2145–2152. (In Chinese) [Google Scholar]
- Bucher, M.K.; Franck, C.M. Fault current interruption in multiterminal HVDC networks. IEEE Trans. Power Deliv. 2016, 31, 81–95. [Google Scholar] [CrossRef]
- De Kerf, K.; Srivastava, K.; Reza, M.; Bekaert, D.; Cole, S.; Van Hertem, D.; Belmans, R. Wavelet-based protection strategy for DC faults in multi-terminal VSC HVDC systems. IET Gener. Transm. Distrib. 2011, 5, 496–503. [Google Scholar] [CrossRef]
- Wang, J.; Wang, X.; Ma, J.; Zhou, Z. Research on Fault Current Limiting and Fast Restart Strategy for the Bipolar MMC-HVDC System. Proc. CSEE 2017, 37, 21–29. (In Chinese) [Google Scholar]
- Li, R.; Xu, L.; Yao, L. DC fault detection and location in meshed multiterminal HVDC systems based on DC reactor voltage change rate. IEEE Trans. Power Deliv. 2017, 32, 1516–1526. [Google Scholar] [CrossRef]
- Xue, S.; Lian, J.; Qi, J.; Fan, B. Pole-to-Ground Analysis and Fast Protection Scheme for HVDC Based on Overhead Transmission line. Energies 2017, 10, 1059. [Google Scholar] [CrossRef]
- Haleem, N.M.; Rajapakse, A.D. Application of new directional logic to improve DC side fault discrimination for high resistance faults in HVDC grids. J. Mod. Power Syst. Clean. Energy 2017, 5, 560–573. [Google Scholar] [CrossRef]






















| System Parameters | |||
|---|---|---|---|
| DC voltage | ±420 kV | SM number (2 N) | 60 |
| Rated power | 1250 MW | Arm inductance | 140 mH |
| Short-circuit ratio | 20 | Internal grounding | Yg |
| AC voltage | 450 kV | AC line length | 10 km |
| Frequency | 50 Hz | Line resistance | 12.73 mΩ/km |
| Transformer voltage | 525 kV/450 kV | Line inductance | 0.9937 mH |
| Transformer grounding | Yn/yn | Line capacitance | 12.74 nF/km |
| Smoothing inductance | 20 mH | DC line length | 200 km |
| Time Point | Label | Fault Occurred | Fault Detected | IGBT Blocked |
|---|---|---|---|---|
| Resistance-related condition | a | ✓ | ✓ | |
| b | ✓ | |||
| c | ||||
| Reactor-related condition | d | ✓ | ✓ | |
| e | ✓ | ✓ | ||
| f | ✓ | |||
| g | ||||
| h | ✓ | ✓ | ✓ |
| Phase-A upper arm current | 1712.7 A | Phase-A upper arm current | 1668.3 A |
| Phase-A lower arm current | 2023.4 A | Phase-A lower arm current | 1999.2 A |
| Phase-B upper arm current | 2023.5 A | Phase-B upper arm current | 1999.1 A |
| Phase-B lower arm current | 1704.4 A | Phase-B lower arm current | 1680.2 A |
| Phase-C upper arm current | 1876.5 A | Phase-C upper arm current | 1834.3 A |
| Phase-C lower arm current | 1858.7 A | Phase-C lower arm current | 1852.3 A |
| Term | Requirement of Fault Current Interruption | Fault Interruption Time |
|---|---|---|
| Without EFCLC | 12.4 kA | 34.8 ms |
| With EFCLC | 5.1 kA | 13.6 ms |
| Improvement | 41.1% | 39.1% |
© 2019 by the authors. Licensee MDPI, Basel, Switzerland. This article is an open access article distributed under the terms and conditions of the Creative Commons Attribution (CC BY) license (http://creativecommons.org/licenses/by/4.0/).
Share and Cite
Liu, K.; Huai, Q.; Qin, L.; Zhu, S.; Liao, X.; Li, Y.; Ding, H. Enhanced Fault Current-Limiting Circuit Design for a DC Fault in a Modular Multilevel Converter-Based High-Voltage Direct Current System. Appl. Sci. 2019, 9, 1661. https://doi.org/10.3390/app9081661
Liu K, Huai Q, Qin L, Zhu S, Liao X, Li Y, Ding H. Enhanced Fault Current-Limiting Circuit Design for a DC Fault in a Modular Multilevel Converter-Based High-Voltage Direct Current System. Applied Sciences. 2019; 9(8):1661. https://doi.org/10.3390/app9081661
Chicago/Turabian StyleLiu, Kaipei, Qing Huai, Liang Qin, Shu Zhu, Xiaobing Liao, Yuye Li, and Hua Ding. 2019. "Enhanced Fault Current-Limiting Circuit Design for a DC Fault in a Modular Multilevel Converter-Based High-Voltage Direct Current System" Applied Sciences 9, no. 8: 1661. https://doi.org/10.3390/app9081661
APA StyleLiu, K., Huai, Q., Qin, L., Zhu, S., Liao, X., Li, Y., & Ding, H. (2019). Enhanced Fault Current-Limiting Circuit Design for a DC Fault in a Modular Multilevel Converter-Based High-Voltage Direct Current System. Applied Sciences, 9(8), 1661. https://doi.org/10.3390/app9081661

