Thermoeconomic Optimization of a Hybrid Photovoltaic-Solid Oxide Fuel Cell System for Decentralized Application
Abstract
1. Introduction
2. Modeling and Optimization Methodology
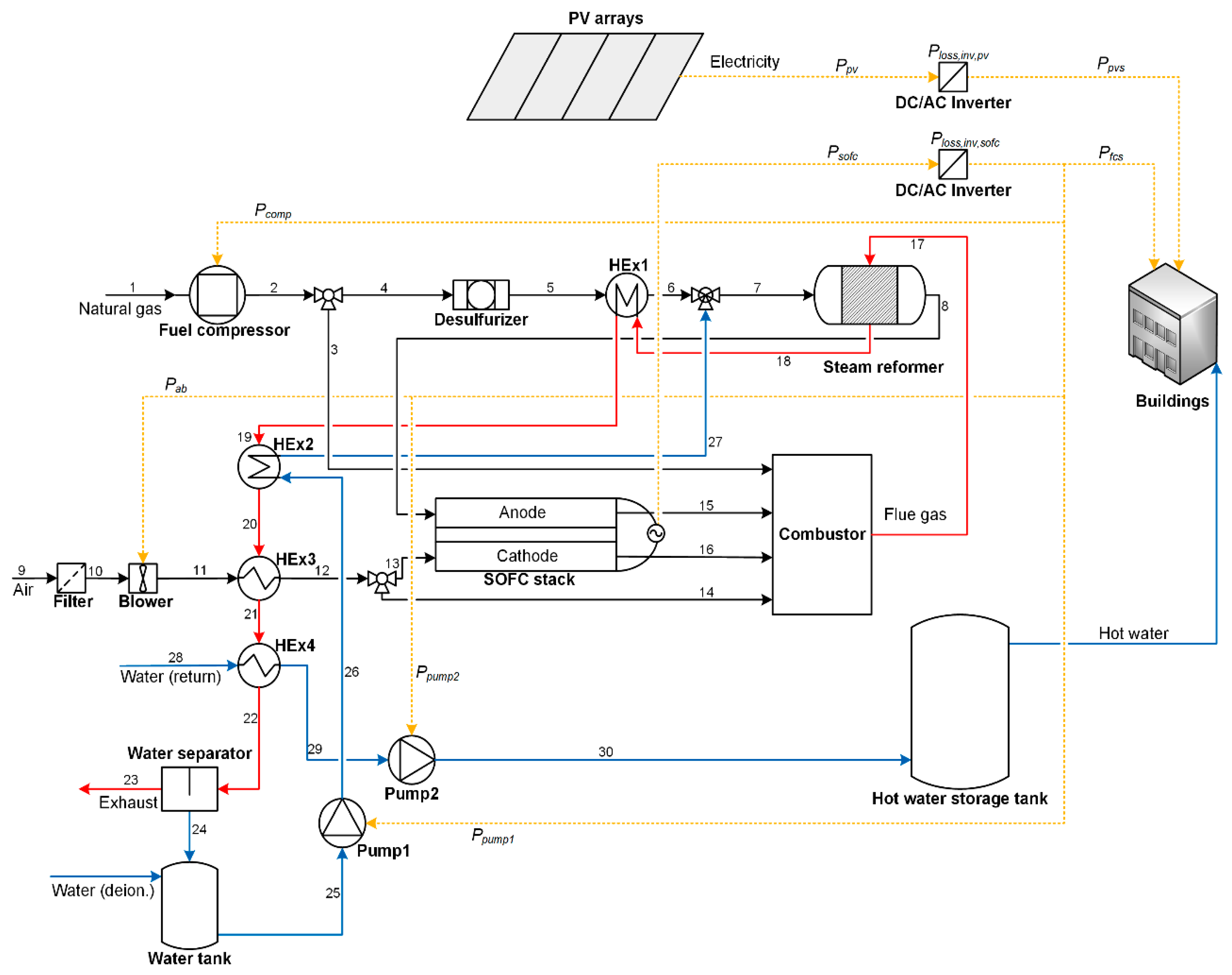
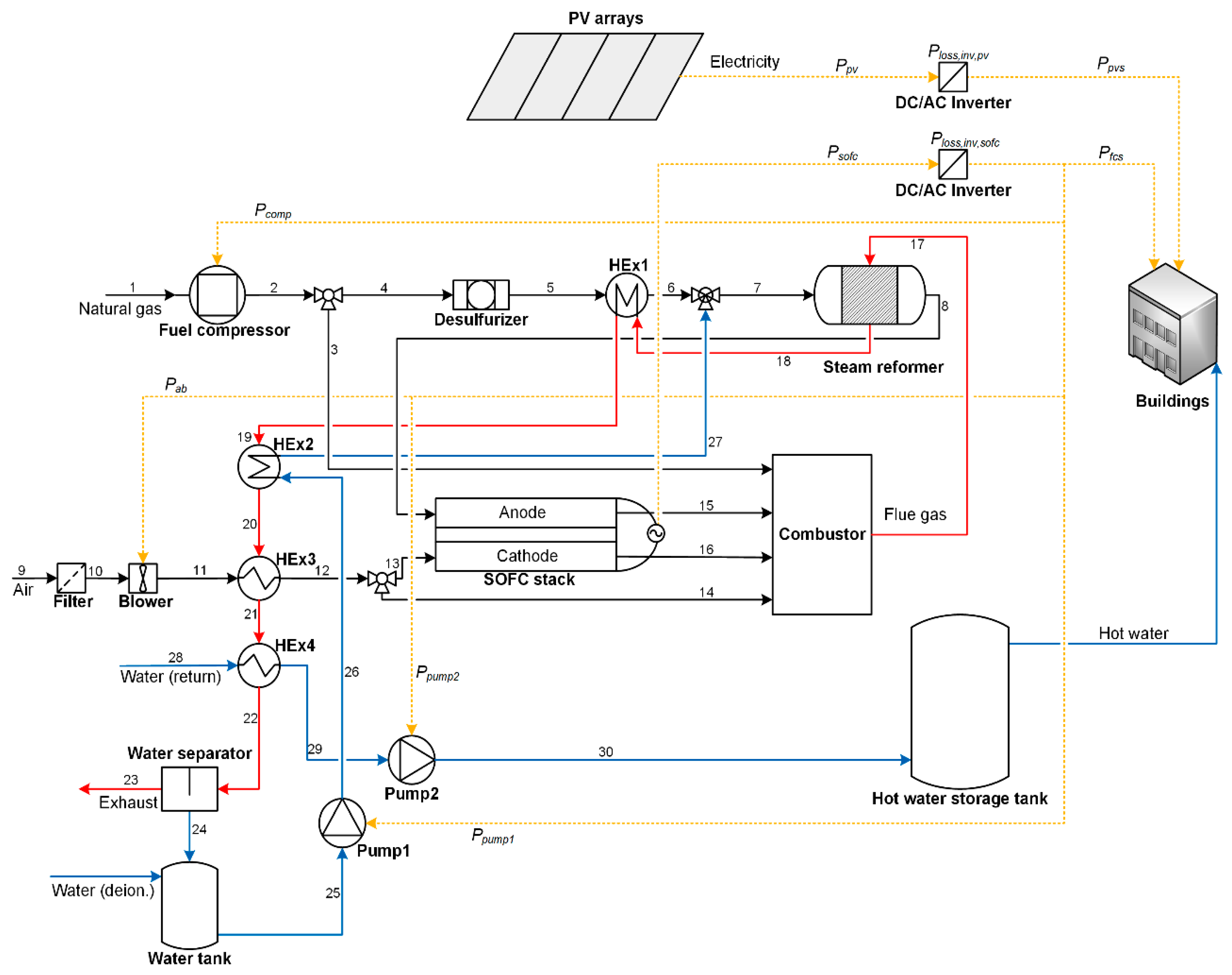
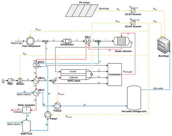
2.1. Configuration of the Hybrid PV-SOFC System
2.2. System Modeling
2.2.1. SOFC Subsystem
2.2.2. Optimization Strategy
3. Results
3.1. Model Validation
3.2. Thermoeconomic Optimization: Application to the Hybrid PV-SOFC System
4. Discussion
5. Conclusions
Author Contributions
Funding
Conflicts of Interest
References
- Autissier, N.; Palazzi, F.; Marechal, F.; van Herle, J.; Favrat, D. Thermo-economic optimization of a solid oxide fuel cell, gas turbine hybrid system. J. Fuel Cell Sci. Technol. 2007, 4, 123–129. [Google Scholar] [CrossRef][Green Version]
- Bilodeau, A.; Agbossou, K. Control analysis of renewable energy system with hydrogen storage for residential applications. J. Power Sources 2006, 162, 757–764. [Google Scholar] [CrossRef]
- Farhad, S.; Hamdullahpur, F.; Yoo, Y. Performance evaluation of different configurations of biogas-fuelled SOFC micro-CHP systems for residential applications. Int. J. Hydrog. Energy 2010, 35, 3758–3768. [Google Scholar] [CrossRef]
- Jochem, P.; Schönfelder, M.; Fichtner, W. An efficient two-stage algorithm for decentralized scheduling of micro-CHP units. Eur. J. Oper. Res. 2015, 245, 862–874. [Google Scholar] [CrossRef]
- Arsalis, A.; Alexandrou, A.N.; Georghiou, G.E. Thermoeconomic Modeling and Parametric Study of a Photovoltaic-Assisted 1 MWe Combined Cooling, Heating, and Power System. Energies 2016, 9, 663. [Google Scholar] [CrossRef]
- Arsalis, A.; Alexandrou, A.N.; Georghiou, G.E. Thermoeconomic modeling of a small-scale gas turbine-photovoltaic-electrolyzer combined-cooling-heating-and-power system for distributed energy applications. J. Clean. Prod. 2018, 188, 443–455. [Google Scholar] [CrossRef]
- Kalogirou, S.A. Solar Energy Engineering: Processes and Systems, 2nd ed.; Academic Press: Oxford, UK, 2014; ISBN 978-0-12-397270-5. [Google Scholar]
- Smets, A.; Jager, K.; Isabella, O.; van Swaaij, R.; Zeman, M. Solar Energy: The Physics and Engineering of Photovoltaic Conversion, Technologies and Systems; UIT Cambridge: Cambridge, UK, 2016; ISBN 9780128095973. [Google Scholar]
- Arsalis, A.; Alexandrou, A.N.; Georghiou, G.E. Thermoeconomic modeling of a completely autonomous, zero-emission photovoltaic system with hydrogen storage for residential applications. Renew. Energy 2018, 126, 354–369. [Google Scholar] [CrossRef]
- Antonucci, V.; Branchini, L.; Brunaccini, G.; De Pascale, A.; Ferraro, M.; Melino, F.; Orlandini, V.; Sergi, F. Thermal integration of a SOFC power generator and a Na—NiCl2 battery for CHP domestic application. Appl. Energy 2017, 185, 1256–1267. [Google Scholar] [CrossRef]
- Hosseini, M.; Dincer, I.; Rosen, M.A. Hybrid solar-fuel cell combined heat and power systems for residential applications: Energy and exergy analyses. J. Power Sources 2013, 221, 372–380. [Google Scholar] [CrossRef]
- Javed, H.; Sabato, A.G.; Herbrig, K.; Ferrero, D.; Walter, C.; Salvo, M.; Smeacetto, F. Design and characterization of novel glass-ceramic sealants for solid oxide electrolysis cell (SOEC) applications. Int. J. Appl. Ceram. Technol. 2018, 15, 999–1010. [Google Scholar] [CrossRef]
- Cano, M.H.; Kelouwani, S.; Agbossou, K.; Dubé, Y. Power management system for off-grid hydrogen production based on uncertainty. Int. J. Hydrog. Energy 2015, 40, 7260–7272. [Google Scholar] [CrossRef]
- Li, C.-H.; Zhu, X.-J.; Cao, G.-Y.; Sui, S.; Hu, M.-R. Dynamic modeling and sizing optimization of stand-alone photovoltaic power systems using hybrid energy storage technology. Renew. Energy 2009, 34, 815–826. [Google Scholar] [CrossRef]
- Arsalis, A.; Georghiou, G.E. A Decentralized, Hybrid Photovoltaic-Solid Oxide Fuel Cell System for Application to a Commercial Building. Energies 2018, 11, 3512. [Google Scholar] [CrossRef]
- Li, X.; Shi, W.; Han, M. Optimization of interconnect flow channels width in a planar solid oxide fuel cell. Int. J. Hydrog. Energy 2018, 43, 21524–21534. [Google Scholar] [CrossRef]
- Zhao, Y.; Sadhukhan, J.; Lanzini, A.; Brandon, N.; Shah, N. Optimal integration strategies for a syngas fuelled SOFC and gas turbine hybrid. J. Power Sources 2011, 196, 9516–9527. [Google Scholar] [CrossRef]
- Tarroja, B.; Mueller, F.; Maclay, J.; Brouwer, J. Parametric Thermodynamic Analysis of a Solid Oxide Fuel Cell Gas Turbine System Design Space. J. Eng. Gas Turbines Power 2010, 132, 072301. [Google Scholar] [CrossRef]
- Zeng, S.; Xu, M.; Parbey, J.; Yu, G.; Andersson, M.; Li, Q.; Li, B.; Li, T. Thermal stress analysis of a planar anode-supported solid oxide fuel cell: Effects of anode porosity. Int. J. Hydrog. Energy 2017, 42, 20239–20248. [Google Scholar] [CrossRef]
- Liso, V.; Olesen, A.C.; Nielsen, M.P.; Kær, S.K. Performance comparison between partial oxidation and methane steam reforming processes for solid oxide fuel cell (SOFC) micro combined heat and power (CHP) system. Energy 2011, 36, 4216–4226. [Google Scholar] [CrossRef]
- Braun, R.J.; Klein, S.A.; Reindl, D.T. Evaluation of system configurations for solid oxide fuel cell-based micro-combined heat and power generators in residential applications. J. Power Sources 2006, 158, 1290–1305. [Google Scholar] [CrossRef]
- O’Hayre, R.; Colella, W.; Cha, S.-W.; Prinz, F.B. Fuel Cell Fundamentals, 2nd ed.; Wiley: Hoboken, NJ, USA, 2009. [Google Scholar]
- Larminie, J.; Dicks, A.L. Fuel Cell Systems Explained, 2nd ed.; Wiley: Chichester, UK, 2003. [Google Scholar]
- Arsalis, A.; Nielsen, M.P.; Kær, S.K. Optimization of a high temperature PEMFC micro-CHP system by formulation and application of a process integration methodology. Fuel Cells 2013, 13, 238–248. [Google Scholar] [CrossRef]
- Marechal, F.; Palazzi, F.; Godat, J.; Favrat, D. Thermo-Economic Modelling and Optimisation of Fuel Cell Systems. Fuel Cells 2005, 5, 5–24. [Google Scholar] [CrossRef]
- Palazzi, F.; Autissier, N.; Marechal, F.M.A.; Favrat, D. A methodology for thermo-economic modeling and optimization of solid oxide fuel cell systems. Appl. Therm. Eng. 2007, 27, 2703–2712. [Google Scholar] [CrossRef]
- Man Baek, S.; Jeong, A.; Hyun, J.; Kim, C. Three-dimensional micro/macroscale simulation of planar, anode-supported, intermediatetemperature solid oxide fuel cells: I. Model development for hydrogen fueled operation. Int. J. Hydrog. Energy 2019, 44, 15456–15481. [Google Scholar] [CrossRef]
| 1 | The values of cost parameters are given in US dollars (USD). |







| Parameter Description | Value | |
|---|---|---|
| Fuel cell effective cross-sectional area | 100 cm2 | |
| Fuel utilization factor | 0.9 | |
| Fuel cell operating temperature | 800 °C | |
| Temperature at fuel preheater exit | 450 °C | |
| Temperature of flue gas at HEx4 exit | 55 °C | |
| Temperature at water pump 1 inlet | 40 °C | |
| Return temperature in hot water storage tank | 40 °C | |
| Supply temperature in hot water storage tank | 65 °C | |
| Parameter Description | Value | |||
|---|---|---|---|---|
| Minimum | Maximum | Initial | ||
| Temperature at anode inlet | 700 °C | 800 °C | 750 °C | |
| Temperature at cathode inlet | 700 °C | 800 °C | 750 °C | |
| Temperature at combustor exit | 950 °C | 1050 °C | 1005 °C | |
| Steam-to-carbon ratio | 2.5 | 4.0 | 2.5 | |
| Parameter Description | Optimum Value | |
|---|---|---|
| Temperature at anode inlet | 700 °C | |
| Temperature at cathode inlet | 730 °C | |
| Temperature at combustor exit | 985 °C | |
| Steam-to-carbon ratio | 4.0 | |
| Lifecycle cost | 2,744,653 USD | |
| Node | (kmol/s) | |||||||||
|---|---|---|---|---|---|---|---|---|---|---|
| 1 | 0.0006 | 101,325 | 298 | 1.000 | 0.000 | 0.000 | 0.000 | 0.000 | 0.000 | 0.000 |
| 2 | 0.0006 | 119,419 | 313 | 1.000 | 0.000 | 0.000 | 0.000 | 0.000 | 0.000 | 0.000 |
| 3 | 0.0002 | 119,419 | 313 | 1.000 | 0.000 | 0.000 | 0.000 | 0.000 | 0.000 | 0.000 |
| 4 | 0.0004 | 119,419 | 313 | 1.000 | 0.000 | 0.000 | 0.000 | 0.000 | 0.000 | 0.000 |
| 5 | 0.0004 | 109,419 | 313 | 1.000 | 0.000 | 0.000 | 0.000 | 0.000 | 0.000 | 0.000 |
| 6 | 0.0004 | 108,325 | 723 | 1.000 | 0.000 | 0.000 | 0.000 | 0.000 | 0.000 | 0.000 |
| 7 | 0.0020 | 108,325 | 723 | 0.200 | 0.000 | 0.000 | 0.000 | 0.800 | 0.000 | 0.000 |
| 8 | 0.0020 | 103,325 | 974 | 0.002 | 0.066 | 0.075 | 0.500 | 0.357 | 0.000 | 0.000 |
| 9 | 0.0300 | 101,325 | 298 | 0.000 | 0.000 | 0.000 | 0.000 | 0.000 | 0.790 | 0.210 |
| 10 | 0.0300 | 101,325 | 298 | 0.000 | 0.000 | 0.000 | 0.000 | 0.000 | 0.790 | 0.210 |
| 11 | 0.0300 | 105,379 | 302 | 0.000 | 0.000 | 0.000 | 0.000 | 0.000 | 0.790 | 0.210 |
| 12 | 0.0300 | 104,325 | 1003 | 0.000 | 0.000 | 0.000 | 0.000 | 0.000 | 0.790 | 0.210 |
| 13 | 0.0300 | 104,325 | 1003 | 0.000 | 0.000 | 0.000 | 0.000 | 0.000 | 0.790 | 0.210 |
| 14 | 0.0000 | 104,325 | 1003 | 0.000 | 0.000 | 0.000 | 0.000 | 0.000 | 0.790 | 0.210 |
| 15 | 0.0020 | 101,325 | 1073 | 0.000 | 0.024 | 0.119 | 0.055 | 0.802 | 0.000 | 0.000 |
| 16 | 0.0295 | 101,325 | 1073 | 0.000 | 0.000 | 0.000 | 0.000 | 0.000 | 0.803 | 0.197 |
| 17 | 0.0316 | 101,325 | 1258 | 0.000 | 0.000 | 0.016 | 0.000 | 0.067 | 0.749 | 0.167 |
| 18 | 0.0316 | 101,325 | 1164 | 0.000 | 0.000 | 0.016 | 0.000 | 0.067 | 0.749 | 0.167 |
| 19 | 0.0316 | 101,325 | 1157 | 0.000 | 0.000 | 0.016 | 0.000 | 0.067 | 0.749 | 0.167 |
| 20 | 0.0316 | 101,325 | 1074 | 0.000 | 0.000 | 0.016 | 0.000 | 0.067 | 0.749 | 0.167 |
| 21 | 0.0316 | 101,325 | 438 | 0.000 | 0.000 | 0.016 | 0.000 | 0.067 | 0.749 | 0.167 |
| 22 | 0.0316 | 101,325 | 328 | 0.000 | 0.000 | 0.016 | 0.000 | 0.067 | 0.749 | 0.167 |
| 23 | 0.0295 | 101,325 | 328 | 0.000 | 0.000 | 0.017 | 0.000 | 0.000 | 0.803 | 0.179 |
| 24 | 0.0021 | 101,325 | 328 | 0.000 | 0.000 | 0.000 | 0.000 | 1.000 | 0.000 | 0.000 |
| 25 | 0.0016 | 101,325 | 313 | 0.000 | 0.000 | 0.000 | 0.000 | 1.000 | 0.000 | 0.000 |
| 26 | 0.0016 | 109,419 | 313 | 0.000 | 0.000 | 0.000 | 0.000 | 1.000 | 0.000 | 0.000 |
| 27 | 0.0016 | 108,325 | 723 | 0.000 | 0.000 | 0.000 | 0.000 | 1.000 | 0.000 | 0.000 |
| 28 | 0.1036 | 110,000 | 313 | 0.000 | 0.000 | 0.000 | 0.000 | 1.000 | 0.000 | 0.000 |
| 29 | 0.1036 | 108,900 | 338 | 0.000 | 0.000 | 0.000 | 0.000 | 1.000 | 0.000 | 0.000 |
| 30 | 0.1036 | 120,000 | 338 | 0.000 | 0.000 | 0.000 | 0.000 | 1.000 | 0.000 | 0.000 |
| Parameter Description | Value | |||
|---|---|---|---|---|
| Before | After | Improvement | ||
| LCC | Lifecycle cost | 1,203,266 USD | 1,049,984 USD | 12.7% |
| Total worth of capital | 626,264 USD | 623,336 USD | 0.5% | |
| Tax paid on property | 68,026 USD | 67,708 USD | 0.5% | |
| Operation, maintenance and insurance cost | 67,820 USD | 67,503 USD | 0.5% | |
| Total fuel cost | 877,888 USD | 726,127 USD | 17.3% | |
| Linear depreciation of capital | 226,066 USD | 225,010 USD | −0.5% | |
| Tax credit | 18,140 USD | 18,055 USD | −0.5% | |
| Salvage worth | 192,525 USD | 191,625 USD | −0.5% | |
| Maximum net electrical efficiency | 31.6% | 38.2% | 6.6% | |
| Minimum net electrical efficiency | 25.0% | 30.6% | 5.6% | |
| Average net electrical efficiency | 29.2% | 35.4% | 6.2% | |
© 2019 by the authors. Licensee MDPI, Basel, Switzerland. This article is an open access article distributed under the terms and conditions of the Creative Commons Attribution (CC BY) license (http://creativecommons.org/licenses/by/4.0/).
Share and Cite
Arsalis, A.; Georghiou, G.E. Thermoeconomic Optimization of a Hybrid Photovoltaic-Solid Oxide Fuel Cell System for Decentralized Application. Appl. Sci. 2019, 9, 5450. https://doi.org/10.3390/app9245450
Arsalis A, Georghiou GE. Thermoeconomic Optimization of a Hybrid Photovoltaic-Solid Oxide Fuel Cell System for Decentralized Application. Applied Sciences. 2019; 9(24):5450. https://doi.org/10.3390/app9245450
Chicago/Turabian StyleArsalis, Alexandros, and George E. Georghiou. 2019. "Thermoeconomic Optimization of a Hybrid Photovoltaic-Solid Oxide Fuel Cell System for Decentralized Application" Applied Sciences 9, no. 24: 5450. https://doi.org/10.3390/app9245450
APA StyleArsalis, A., & Georghiou, G. E. (2019). Thermoeconomic Optimization of a Hybrid Photovoltaic-Solid Oxide Fuel Cell System for Decentralized Application. Applied Sciences, 9(24), 5450. https://doi.org/10.3390/app9245450
