Abstract
This communication presents the design of a two-port electronically tunable phase shifter at K band. The phase shifter consists of a 3 dB hybrid coupler loaded with reflective phase-controllable circuits. The reflective circuits are formed by varactors and non-sequential impedance transformers which increase the operational bandwidth and the provided phase shift. The final phase shifter design is formed by two loaded-coupler stages of phase shifting to guarantee a complete phase turn. An 18 GHz phase shifter design with dynamic range of 600 degrees of phase shift is depicted in this document. The prototype is manufactured and validated through measurements showing good agreement with the simulation results.
1. Introduction
Antenna arrays have been one of the most used structural strategies for the design of directive antennas in microwave ranges with demanding radiation requirements [1]. In the last years, planar substrate-based antennas have been present in many phased array designs due to the low manufacturing costs, easy integration, and low weight and profile [2,3]. This is particularly of interest in array structures such as reflectarrays and transmitarrays. In the case of the reflectarrays, the conformed reflectors are replaced by planar array structures that introduce at each array cell the desired phase shift, whose value is the one provided by the corresponding point of the equivalent reflector [4]. The transmitarrays are based on the same working principle, but the structure replaced by the periodic array is a lens instead of a reflector [5]. Both options have become a real alternative in reception/transmission systems whose specifications imply demanding requirements in terms of matching, directivity, gain, radiation pattern, or aperture efficiency [6]. The phase shifting strategy for both reflectarray- and transmitarray-based antennas depends on the system architecture and is typically obtained by a phase-delay circuit at each radiating cell of the array [7,8]. This phase shift can be fixed in design, yielding a passive device, or tunable, yielding an active antenna. The tunable nature of the phase shifter can be provided either mechanically or electronically [6,9]. Many of the designs of electronically controllable phase shifters are based on reflective inductance-capacitance (LC) tunable circuits [10], most of them focused on frequencies up to 3 GHz [11,12,13,14]. This latter approach is the one that guides this work, leading to the design of electronically reconfigurable phase shifters at higher microwave ranges [10]. In this paper we present a K band electronically tunable phase shifter based on reflective circuits with progressive impedance transformers and varactors. These impedance transformers provide an enhanced frequency bandwidth and an increase in the phase variation produced in the phase shifter [15].
The relevance of our work is based on the combination of three main aspects, which are: the use of impedance transformers for increasing the phase variation range, the unitary phase shifter cascading, and the high operating frequency (18 GHz). These three elements combined confer interest to our work and provide a significant contribution related to previous works, such as [10] and [15]. In particular, the idea of using of impedance transformers proposed in [15] is now validated through prototypes. The document is organized as follows: Section 2 depicts the phase shifter working principle and presents the shifter design, while Section 3 presents the validation through the manufacture and measurement of a prototype. Finally, conclusions are outlined in Section 4.
2. Materials and Methods: Phase Shifter Working Principle and Design
The working principle of the device is based on the combination of two microwave elements: a 3 dB/90 hybrid coupler and a couple of reflective tunable circuits. The reflective circuits are connected to the −3 dB/90° and −3 dB/180° output ports (ports 3 and 4, respectively), while the isolated port of the 3 dB/90° coupler becomes the output port (port 2). Figure 1 shows the connection scheme. The input signal (port 1) is conducted through the coupler to ports 3 and 4 with a phase difference of 90° between them. The signal reflections in ports 3 and 4 steer both signals again towards the coupler, adding the reflective circuit tunable phase variation (Δφ). As a result, port 1 receives no signal (opposite phase summation of identical signals) and all the available power is routed to port 2 with a phase shift of Δφ. For the reflective circuits, we propose the use of a progressive impedance transformation, for enlarging the achievable phase range.
Figure 1.
Scheme of the reflection-based phase shifter.
2.1. Baseline 3 dB/90° Coupler
The basic element of the phase shifter is a conventional 3 dB/90° coupler. The coupler is designed for a working frequency of 18 GHz with a bandwidth higher than 2 GHz considering −20dB in the |S11| level. The coupler symmetry imposes identical amplitude values levels at ports 3 and 4, with an accurate 90° phase difference between these ports. Figure 2 provides the model of the microstrip coupler, along with its performance results.
Figure 2.
Three decibel hybrid coupler: (a) microstrip design; (b) design performance (|SXX| values).
2.2. Reflective LC Circuit with Progressive Impedance Transformation
The key element of the phase shifter that provides its reconfigurability is a reflective circuit. It is composed of a LC circuit with a short-circuit to the ground plane at the end. The capacitive effect is provided by a varactor while the inductive effect is provided by narrowing a section in the microstrip line (high impedance section). The varactor used for this design is the MA46585 varactor, with a capacity range of 0.13 pF to 2.2 pF. The connection to the ground plane is made with a metallic via. Due to the low resistive value of the varactors (~9 Ω), it is necessary to add a progressive impedance transformation to the reflective circuit, in order to improve the performance of the reflective element. For the 9-to-50 Ω transformation an impedance conversion based on two cascaded quarter-wavelength transformers is designed. The sequential transformation of the impedance in two steps impedance (i.e., transformation of 50 Ω to 25 Ω and 25 Ω to 9 Ω) requires higher microstrip widths. These widths are impracticable in a size-reduced device. The alternative is a non-sequential transformation in two steps: to avoid low line impedances, a new relation between impedances can be set up, according to Equation (1). This principle of impedance transformation is illustrated in Figure 3, where Zx are the characteristic impedances of the microstrip sections.
Figure 3.
Non-sequential cascaded λ/4 impedance transformers according to Equation (1).
The non-sequential transformation requires a quarter-wavelength section of impedance Z1 of 118 Ω, which means a thinner microstrip section. Therefore, two cascaded quarter-wave impedance transformers with characteristic impedance of 118 Ω and 50 Ω, respectively, are used to transform the circuit impedance from 50 Ω to 9 Ω along a width bandwidth. Figure 4 provides the circuit model of the non sequential transformer, and its design outcomes.
Figure 4.
Design results of the reflective LC circuit with progressive impedance transformation: (a) simulation design; (b) phase shift produced.
The total phase variation is of around 290° for the complete capacity range [0.13–2.2 pF], but with a non-linear behavior. However, this non-linearity is compensated by the DC-voltage/capacity relation. Compared to the case without progressive impedance transformation, the latter provides a phase shift of around 220°. This means an improvement of at least 70° due to the progressive impedance transformation, for the same capacity range.
2.3. Complete Phase Shifter Design and Performance
The phase shift provided by a loaded coupler is not enough to guarantee a phase variation higher than 360°. Therefore, in the complete device, two cascaded sets are connected. Figure 5 provides the complete phase shifter model, together with its performance results. The desired band in the design is at least of 1.5 GHz, centered at 18 GHz.

Figure 5.
Simulation results of the 18 GHz phase shifter, (a) design; (b) arg(S21); (c) Δarg(S21) (related to min arg(S21) value, 2.2 pF); (d) |S21|; (e) |S11|.
The shifter design presents proper matching in the desired band and a loss level of around 6 dB in the worst case. Considering that the working band is centered at 18 GHz, this loss level can be considered an appropriate value, if compared to commercially available devices. The phase shifting capability of the shifter is around 600°, almost twice the phase variation obtained for the reflective circuit, as expected.
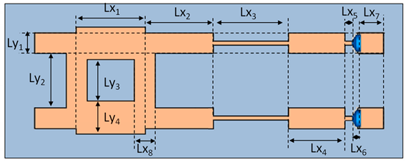
The high operating frequency band (central frequency 18 GHz) is highly demanding and limiting in terms of design and manufacturing. In our work, best efforts are concentrated in having an easy-manufacturing device with reasonable performance results. Thus, the device is based on planar microstrip technology, which is almost in its frequency limit of operation. All the manufacturing and mounting has been carried out in our laboratory. The photolithography manufacturing process introduces a manufacturing size uncertainty of around 100 microns. The substrate is a Neltec N9217 (0.508 mm thickness, relative permittivity of 2.17, and <0.0008 loss tangent). The lumped elements (the MA46585 varactors) are welded by means of conductive epoxy. The device circuit design dimensions are provided in Table 1.
Table 1.
Device circuit design dimensions (mm).
3. Results: Phase Shifter Prototype Performance
The design has been validated through a prototype. Figure 6.a yields some details of the shifter prototype, and the TRL (transmission-reflection-line) kit for the calibration prior to the measuring process. The measurement results are provided in the rest of the figures in Figure 6, in order to validate its proper functioning and performance.


Figure 6.
Prototype results of the 18 GHz phase shifter: (a) prototype and TRL kit (central image corresponds to a microscope zoom view); (b) arg(S21); (c) Δarg(S21) (related to min arg(S21) value, 0 v); (d) |S21|; (e) |S11|.
As it can be noticed, there is a good agreement between the design performance and the prototype measurements. The insertion loss levels of the prototype are higher than the expected ones in the design. There exists a variety of possible causes for that: parasitic components of the varactor, conductive epoxy resistance, and roughness of the shifter printed line limits. For the sake of completeness, Figure 7 compares the simulation phase results with the experimental ones (Figure 7a), and provides an insight of the linearity of the device in terms of phase/voltage relation (Figure 7b).
Figure 7.
Phase shifting performance: (a) comparison between simulation and measurement phase results of the 18 GHz phase shifter; (b) phase/voltage relation (the dashed line is the linear reference and the grey zone is the one that provides at least 360° variation).
Notice that the simulation results in Figure 7a are in terms of capacitance and the experimental ones are in terms of voltage. It must be noticed that there is a non-negligible difference between pairs of simulation and experimental curves. However, the phase range of variation is preserved and the phase shifter prototype is fully functional, only needing a voltage/phase conversion table. In addition, it must be pointed out that, although the phase/capacitance relation is not linear, it is compensated by additional non-linear behavior of the capacitance/voltage relation. It is worth mentioning that, although the device provides a quasi linear phase/voltage response at the central frequency, this linearity is strongly degraded at the band limits, as it can be seen in Figure 7b. However, since the prototype provides a complete phase shift of around 600°, part of this possible variation can be sacrificed in order to increase the linearity of the device, as detailed in Figure 7b, where the grey region is the one that provides at least 360° phase variation.
For the sake of completeness, the next table (Table 2) provides a comparison of the performance of our device with the previously referenced literature works [10,11,12,13,14,15].
Table 2.
Performance comparison of our device with the previously referenced literature works.
4. Conclusions
This communication presents the design and validation through prototyping of a microstrip phase shifter at 18 GHz for K band applications, with electronically controllable phase shift. The design is based on the use of loaded 3 dB/90° couplers. The performance of the reflective loads is improved due to the use of non-sequential impedance transformers. This design is particularly useful for reconfigurable phased arrays such as transmitarrays or reflectarrays, being fully integrable in such designs because of the reduced footprint. Furthermore, the shifter architecture is suitable for miniaturization, increasing the permittivity of the substrate. The dynamic phase range of the phase shifter is higher than 600° for the entire shifter bandwidth (>1.5 GHz). This phase range is higher than a complete phase turn of 360°, which allows the introduction of phase wrapping. The device losses are lower than 8 dB.
Author Contributions
M.T.E., A.P.-C., and A.A.-A. designed and simulated the phase shifter. P.E., C.S.-G., and P.P. manufactured and measured the prototype. A.P.-C. and P.P. wrote the document. J.F.V.-V. and P.P. supervised the whole study. All the authors participated in revising the article.
Funding
This work has been partially supported by the TIN2016-75097-P, RTI2018-102002-A-I00, and EQC2018-004988-P projects of the Spanish National Program of Research, Development, and Innovation and project B-TIC-402-UGR18 of Junta de Andalucía.
Conflicts of Interest
The authors declare no conflict of interest.
References
- Bhattacharyya, A.K. Phased Array Antennas: Floquet Analysis, Synthesis, BFNs and Active Array Systems, 1st ed.; Wiley-Interscience: Newark, NJ, USA, 2006. [Google Scholar]
- Bhartia, P.; Bahl, I.; Garg, R.; Ittipiboon, A. Microstrip Antenna Design Handbook; Artech House Publishers: Norwood, MA, USA, 2000. [Google Scholar]
- Lee, K.; Tong, K. Microstrip Patch Antennas—Basic Characteristics and Some Recent Advances. Proc. IEEE 2012, 100, 2169–2180. [Google Scholar]
- Carrasco, E.; Barba, M.; Encinar, J.A. Aperture-coupled reflectarray element with wide range of phase delay. Electron. Lett. 2006, 42, 667–668. [Google Scholar] [CrossRef]
- Padilla, P.; Muñoz-Acevedo, A.; Sierra-Castañer, M.; Sierra-Pérez, M. Electronically reconfigurable transmitarray at Ku band for microwave applications. IEEE Trans. Antennas Propag. 2010, 58, 2571–2579. [Google Scholar] [CrossRef]
- Hum, S.V.; Perruisseau-Carrier, J. Reconfigurable Reflectarrays and Array Lenses for Dynamic Antenna Beam Control: A Review. IEEE Trans. Antennas Propag. 2014, 62, 183–198. [Google Scholar] [CrossRef]
- Lau, J.Y.; Hum, S.V. A Planar Reconfigurable Aperture With Lens and Reflectarray Modes of Operation. IEEE Trans. Microw. Theory Tech. 2010, 58, 3547–3555. [Google Scholar] [CrossRef]
- Padilla, J.L.; Padilla, P.; Valenzuela-Valdés, J.F.; Fernández, J.M. High-frequency radiating element and modified 3dB/90° electronic shifting circuit with circular polarization for broadband reflectarray device cells. Electron. Lett. 2014, 50, 1042–1043. [Google Scholar] [CrossRef]
- Silva, J.S.; Lima, E.B.; Costa, J.R.; Fernandes, C.A.; Mosig, J.R. Tx-Rx Lens-Based Satellite-on-the-Move Ka-Band Antenna. IEEE Antennas Wirel. Propag. Lett. 2015, 14, 1408–1411. [Google Scholar] [CrossRef]
- Padilla, P.; Valenzuela-Valdés, J.F.; Padilla, J.L.; Fernández-González, J.M.; Sierra-Castañer, M. Electronically Reconfigurable Reflective Phase Shifter for Circularly Polarized Reflectarray Systems. IEEE Microw. Wirel. Compon. Lett. 2016, 26, 705–707. [Google Scholar] [CrossRef]
- Lin, C.; Chang, S.; Chang, C.; Shu, Y. Design of a Reflection-Type Phase Shifter With Wide Relative Phase Shift and Constant Insertion Loss. IEEE Trans. Microw. Theory Tech. 2007, 55, 1862–1868. [Google Scholar] [CrossRef]
- Burdin, F.; Iskandar, Z.; Podevin, F.; Ferrari, P. Design of Compact Reflection-Type Phase Shifters With High Figure-of-Merit. IEEE Trans. Microw. Theory Tech. 2015, 63, 1883–1893. [Google Scholar] [CrossRef]
- An, B.; Chaudhary, G.; Jeong, Y. Wideband tunable phase shifter with low in-band phase deviation error using coupled line. IEEE Microw. Wirel. Compon. Lett. 2018, 28, 678–680. [Google Scholar] [CrossRef]
- Chaudhary, G.; An, B.; Jeong, Y. In-band phase minimization method for wideband tunable phase shifter. Microw. Opt. Technol. Lett. 2019, 61, 537–541. [Google Scholar] [CrossRef]
- ElKhorassani, M.T.; Vaquero, M.A.; Palomares, A.; Valenzuela-Valdés, J.F.; Padilla, P.; Touhami, N.A. Electronically tunable phase shifter with enhanced phase behaviour at Ku Band. In Proceedings of the 12th European Conference on Antennas and Propagation (EuCAP 2018), London, UK, 9–13 April 2018. [Google Scholar]
© 2019 by the authors. Licensee MDPI, Basel, Switzerland. This article is an open access article distributed under the terms and conditions of the Creative Commons Attribution (CC BY) license (http://creativecommons.org/licenses/by/4.0/).
