Vibro-Acoustic Numerical Simulation for Analyzing Floor Noise of a Multi-Unit Residential Structure
Abstract
1. Introduction
2. Description of the Methodology
2.1. Vibro-Acoustic Analysis
2.2. Standard Heavy Weight Impact Source
3. An Illustrative Example
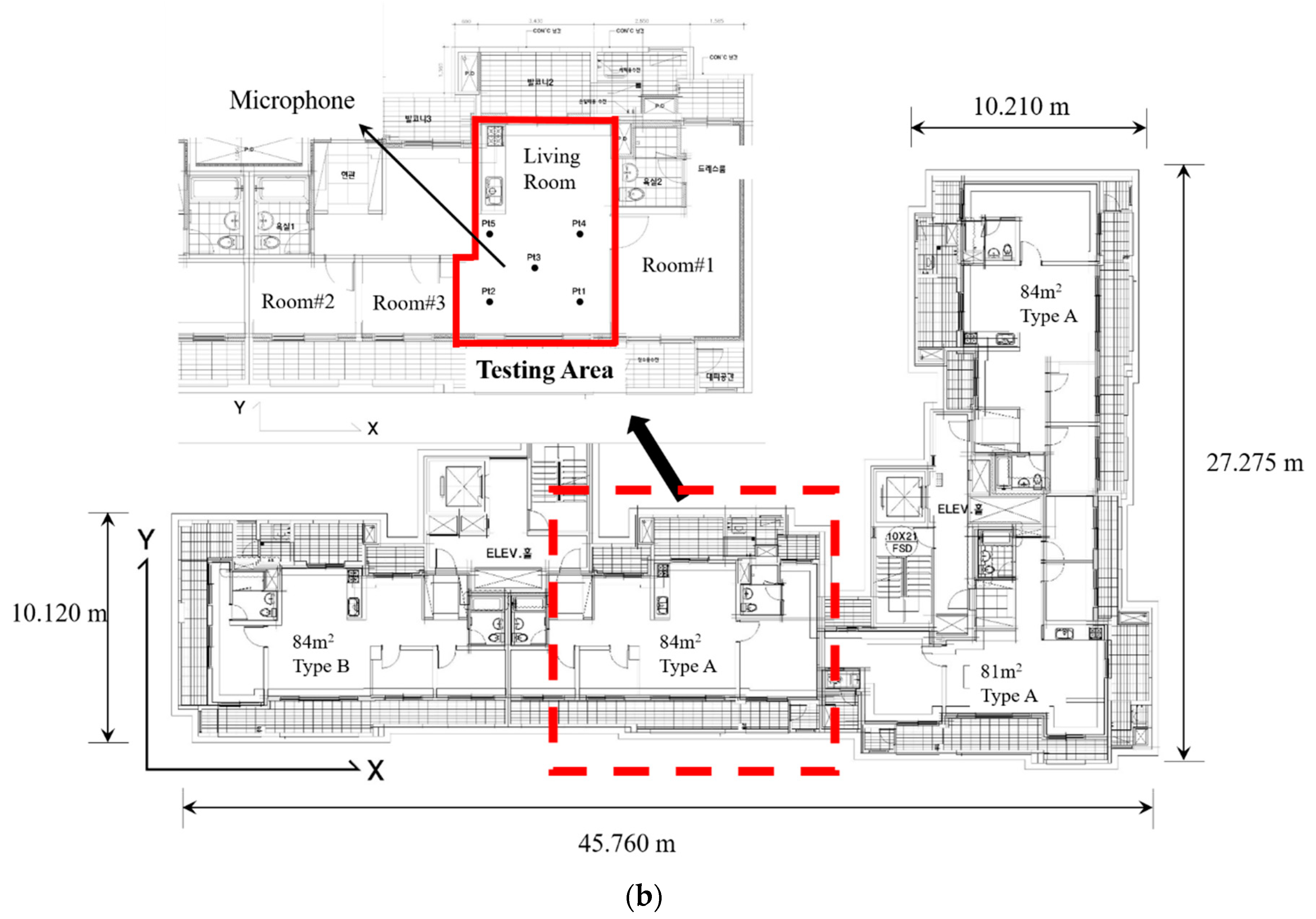
3.1. Test Specimen and Field Measurements
3.2. Numerical Simulations and Comparisons
4. Summary & Conclusions
Funding
Acknowledgments
Conflicts of Interest
References
- Korea National Statistical Office (KOSTAT). The Population and Housing Census. Available online: http://www.census.go.kr (accessed on 20 May 2017).
- The Korean Ministry of Environment National Noise Information System. Available online: http://www.noiseinfo.or.kr/about/data_view.jsp?boardNo=164&keyfield=whole&keyword=&pg=1 (accessed on 20 May 2017).
- Howard, C. Acoustic Analyses Using Matlab® and Ansys®, 1st ed.; CRC Press: Boca Raton, FL, USA, 2014; ISBN 9781482223255. [Google Scholar]
- Okuzono, T.; Otsuru, T.; Tomiku, R.; Okamoto, N. A finite-element method using dispersion reduced spline elements for room acoustics simulation. Appl. Acoust. 2014, 79, 1–8. [Google Scholar] [CrossRef]
- Johansson, D.; Comnell, P. Statistical Energy Analysis Software: Development and Implementation of an Open Source in MATLAB/OCTAVE; Chalmers University of Technology: Gothenburg, Sweden, 2010. [Google Scholar]
- Dokhani, I. NVH Analysis of a Vehicle Using Statistical Energy Analysis; Blekinge Institute of Technology: Karlskrona, Sweden, 2015. [Google Scholar]
- Baek, G.; Mun, D.; Han, H.; Park, H. Analysis of Heavy-weight floor impact noise and vibration of concrete slabs in a residential building. In Proceedings of the Advances in Civil, Enviromental, and Materials Research (ACEM15), Incheon, Korea, 25–29 August 2015. [Google Scholar]
- Arjunan, A.; Wang, C.J.; Yahiaoui, K.; Mynors, D.J.; Morgan, T.; Nguyen, V.B.; English, M. Development of a 3D finite element acoustic model to predict the sound reduction index of stud based double-leaf walls. J. Sound Vib. 2014, 333, 6140–6155. [Google Scholar] [CrossRef]
- Okuzono, T.; Otsuru, T.; Tomiku, R.; Okamoto, N. Fundamental accuracy of time domain finite element method for sound-field analysis of rooms. Appl. Acoust. 2010, 71, 940–946. [Google Scholar] [CrossRef]
- Díaz-Cereceda, C.; Poblet-Puig, J.; Rodríguez-Ferran, A. The finite layer method for modelling the sound transmission through double walls. J. Sound Vib. 2012, 331, 4884–4900. [Google Scholar] [CrossRef]
- del Coz Díaz, J.J.; Álvarez Rabanal, F.P.; García Nieto, P.J.; Serrano López, M.A. Sound transmission loss analysis through a multilayer lightweight concrete hollow brick wall by FEM and experimental validation. Build. Environ. 2010, 45, 2373–2386. [Google Scholar] [CrossRef]
- Okuzono, T.; Yoshida, T.; Sakagami, K.; Otsuru, T. An explicit time-domain finite element method for room acoustics simulations: Comparison of the performance with implicit methods. Appl. Acoust. 2016, 104, 76–84. [Google Scholar] [CrossRef]
- Park, S.; Kim, H. Development of Analytical Impact Force Models for Floor Impact Vibration and Acoustic Numerical Analysis. Appl. Sci. 2016, 6, 120. [Google Scholar] [CrossRef]
- Atalla, N.; Sgard, F. Finite Element and Boundary Methods in Structural Acoustics and Vibration, 1st ed.; CRC Press: Boca Raton, FL, USA, 2015; ISBN 9781466592872. [Google Scholar]
- Yu, H.; Cai, Y.; Liang, B.; Song, Y.; Yan, J. Estimation of statistical energy analysis loss factor for fiber reinforced plastics plate of yachts. J. Vibroeng. 2016, 18, 2088–2101. [Google Scholar] [CrossRef]
- Legault, J.; Mejdi, A.; Atalla, N. Vibro-acoustic response of orthogonally stiffened panels: The effects of finite dimensions. J. Sound Vib. 2011, 330, 5928–5948. [Google Scholar] [CrossRef]
- Nuraini, A.A.; Mohd Ihsan, A.K.A.; Nor, M.J.M.; Jamaluddin, N. Vibro-acoustic analysis of free pistion engine structure using finite element and boundary element methods. J. Mech. Sci. Technol. 2012, 26, 2405–2411. [Google Scholar] [CrossRef]
- Jiao, R.; Zhang, J. Vibro-acoustic modeling of a rectangular enclosure with a flexible panel in broad range of frequencies and experimental investigations. J. Vibroeng. 2016, 18, 2683–2692. [Google Scholar]
- KS F 2810. Field Measurements of Impact Sound Insulation of Floors—Part 2: Method Using Standard Heavy Impact Sources; Korean Standards Association: Seoul, Korea, 2012. [Google Scholar]
- ISO 10140. Acoustics—Laboratory Measurement of Sound Insulation of Building Elements. Part 3: Measurement of Impact Sound Insulation; ISO: Geneva, Switzerland, 2010. [Google Scholar]
- ISO 16283. Acoustics—Field Measurement of Sound Insulation in Buildings and of Building Elements—Part 2: Impact Sound Insulation; ISO: Geneva, Switzerland, 2015. [Google Scholar]
- JIS A 1418. Acoustics—Measurement of Floor Impact Sound Insulation of Buildings. Part 2: Method Using Standard Heavy Impact Source; JSA: Tokyo, Japan, 2000.
- Morse, P.M.C. Vibration and Sound, 2nd ed.; International Series in Pure and Applied Physics; McGraw-Hill Book Company: Beijing, China, 1948. [Google Scholar]
- HyperWorks OptiStruct; Version 2017; Altair Engineering Inc.: Troy, MI, USA, 2017.
- SIEMENS Software LMS Virtual.Lab; Version R13.4; Siemens Inc.: Plano, TX, USA, 2015.
- Armentani, E.; Sepe, R.; Parente, A.; Pirelli, M.; Armentani, E.; Sepe, R.; Parente, A.; Pirelli, M. Vibro-Acoustic Numerical Analysis for the Chain Cover of a Car Engine. Appl. Sci. 2017, 7, 610. [Google Scholar] [CrossRef]
- Chopra, A.K. Dynamics of Structures-Theory and Applications to Earthquake Engineering, 4th ed.; Prentice Hall: Upper Saddle River, NJ, USA, 2012. [Google Scholar]
- Bathe, K.J. Finite Element Procedures, 2nd ed.; Prentice Hall: Upper Saddle River, NJ, USA, 2014; ISBN 978-0-9790049-5-7. [Google Scholar]
- Marburg, S.; Nolte, B. Computational Acoustics of Noise Propagation in Fluids—Finite and Boundary Element Methods; Springer: Berlin/Heidelberg, Germany, 2008; ISBN 9783540774488. [Google Scholar]
- Fahy, F.; Gardonio, P. Sound and Structural Vibration, 2nd ed.; Academic Press: Cambridge, MA, USA, 2006; ISBN 9780123736338. [Google Scholar]
- Rienstra, S.W.; Hirschberg, A. An Introduction to Acoustics; Eindhoven University of Technology: Eindhoven, The Netherlands, 2009. [Google Scholar]
- Marburg, S. Six boundary elements per wavelength: Is that enough? J. Comput. Acoust. 2002, 10, 25–51. [Google Scholar] [CrossRef]
- Thompson, L.L.; Pinsky, P.M. A space-time finite element method for structural acoustics in infinite domains part 2: Exact time-dependent non-reflecting boundary conditions. Comput. Methods Appl. Mech. Eng. 1996, 132, 229–258. [Google Scholar] [CrossRef]
- The Ministry of Land Infrastructure and Transport. Notification on 2016-824: Criteria for Structure Recognition and Management on the Floor Impact Sound Insulation in Multi-Family Residential Housing; The Ministry of Land Infrastructure and Transport: Seoul, Korea, 2016.
- KS F 2863. Rating of Floor Impact Sound Insulation for Impact Source in Buildings and of Building Elements—Part 2—Floor Impact Sound Insulation Against Standard Heavy Impact Source; Korean Standards Association: Seoul, Korea, 2007. [Google Scholar]
- ISO 717. Acoustics—Rating of Sound Insulation in Buildings and of Building Elements—Part 2: Impact Sound Insulation; ISO: Geneva, Switzerland, 2013. [Google Scholar]
- The Ministry of Land Affairs Transport and Maritime. Structural Concrete Code (KCI Code 2012); The Ministry of Land Affairs Transport and Maritime: Seoul, Korea, 2012.
- Chen, W.; Hao, H.; Hughes, D.; Shi, Y.; Cui, J.; Li, Z.-X. Static and dynamic mechanical properties of expanded polystyrene. Mater. Des. 2015, 69, 170–180. [Google Scholar] [CrossRef]
- ONDA. Tables of Acoustic Properties of Materials. Available online: http://www.ondacorp.com/tecref_acoustictable.shtml (accessed on 29 December 2015).













| 1/1 Octave Band Frequency (Hz) | Field Measurements (dB) | |||||
|---|---|---|---|---|---|---|
| MC#1 | MC#2 | MC#3 | MC#4 | MC#5 | Average | |
| 63 | 78.29 | 82.91 | 78.45 | 81.09 | 79.72 | 80.27 |
| 125 | 65.05 | 63.38 | 62.30 | 65.30 | 65.48 | 64.39 |
| 250 | 53.09 | 52.62 | 54.42 | 54.26 | 53.86 | 53.68 |
| 500 | 47.13 | 47.35 | 45.69 | 47.50 | 46.46 | 46.85 |
| SNQ | 50 | 52 | 49 | 52 | 51 | 51 |
| Name | No. | Type |
|---|---|---|
| Nodes | 274,900 | - |
| 2D Frame Element | 10,812 | Structure |
| 2D Quad Element | 273,785 | Structure |
| 3D Tetra Element | 46,859 | Acoustic |
| Name | Concrete | |
|---|---|---|
| Low Story (C27) | Upper Story (C24) | |
| Modulus of Elasticity (GPa) | 26.7 | 25.8 |
| Density (ρ, kg/m3) | 2400.0 | 2400.0 |
| Poisson’s Ratio (ν) | 0.167 | 0.167 |
| Acoustic Impedance (Z, MRayl) | 8.0 | 8.0 |
| Type | Section | 1/1 Octave Band Frequency (dB) | SNQ Grade (dB) | |||
|---|---|---|---|---|---|---|
| 63 Hz | 125 Hz | 250 Hz | 500 Hz | |||
| Numerical simulations | Impact sound pressure level | 85.9 | 66.5 | 57.2 | 42.0 | 55 |
| Normalized curve of inverse A weighted | 78 | 68 | 61 | 55 | ||
| Excess value of normalized curve | 7.9 | 0 | 0 | 0 | ||
| Field measurements | Impact sound pressure level | 80.3 | 64.4 | 53.7 | 46.9 | 51 |
| Normalized curve of inverse A weighted | 74 | 64 | 57 | 51 | ||
| Excess value of normalized curve | 6.3 | 0.4 | 0 | 0 | ||
© 2019 by the author. Licensee MDPI, Basel, Switzerland. This article is an open access article distributed under the terms and conditions of the Creative Commons Attribution (CC BY) license (http://creativecommons.org/licenses/by/4.0/).
Share and Cite
Park, S. Vibro-Acoustic Numerical Simulation for Analyzing Floor Noise of a Multi-Unit Residential Structure. Appl. Sci. 2019, 9, 4289. https://doi.org/10.3390/app9204289
Park S. Vibro-Acoustic Numerical Simulation for Analyzing Floor Noise of a Multi-Unit Residential Structure. Applied Sciences. 2019; 9(20):4289. https://doi.org/10.3390/app9204289
Chicago/Turabian StylePark, Sangki. 2019. "Vibro-Acoustic Numerical Simulation for Analyzing Floor Noise of a Multi-Unit Residential Structure" Applied Sciences 9, no. 20: 4289. https://doi.org/10.3390/app9204289
APA StylePark, S. (2019). Vibro-Acoustic Numerical Simulation for Analyzing Floor Noise of a Multi-Unit Residential Structure. Applied Sciences, 9(20), 4289. https://doi.org/10.3390/app9204289

