Pitting Corrosion in AISI 304 Rolled Stainless Steel Welding at Different Deformation Levels
Abstract
1. Introduction
- FeCl3 → Fe3+ + 3Cl− (outside the pit)
- Fe3+ + 3(OH)− → Fe(OH)3 (outside the pit)
- Fe2+ + 2Cl− → FeCl2 (at the pit)
- FeCl2 + 2H2O → Fe(OH)2 + 2HCl (at the pit)
2. Materials and Experimental Procedures
2.1. Characteristics of Materials Used
2.2. Tests Description
2.2.1. Sample Preparation
2.2.2. Micrographs and Hardness Tests
2.2.3. Tensile Tests
2.2.4. Corrosion Tests
3. Results
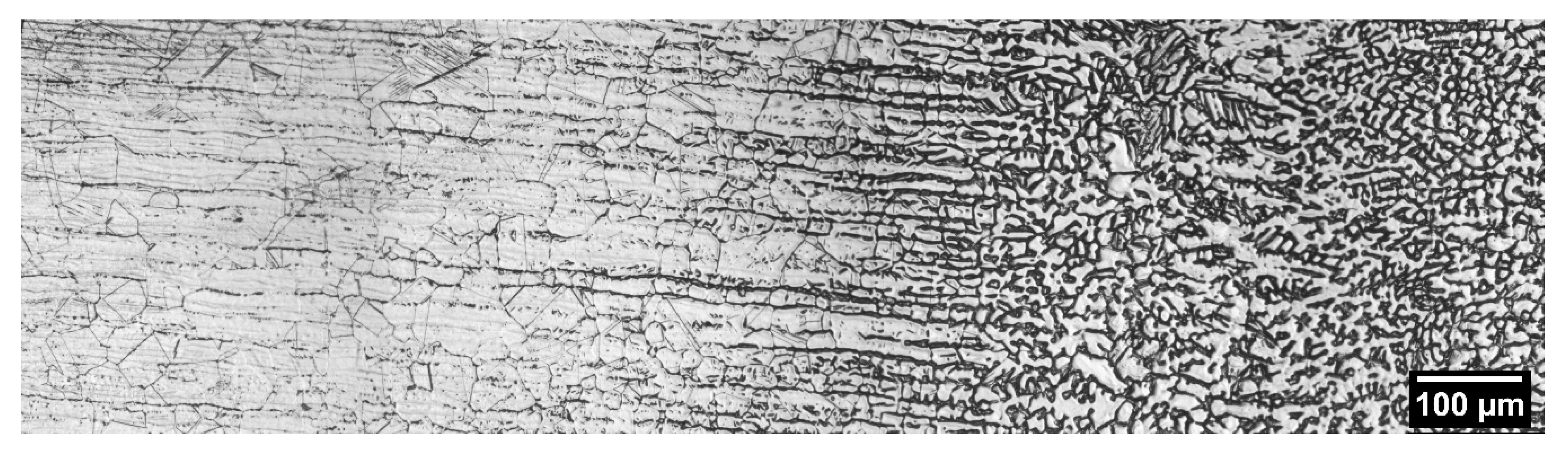
3.1. Micrographs and Hardnesses
3.2. Tensile Tests
3.3. Corrosion Tests
4. Analysis of Results and Discussion
- y = Pits number/m2
- x = Cold work (%)
5. Conclusions
Author Contributions
Funding
Acknowledgments
Conflicts of Interest
References
- Khatak, H.S.; Raj, B. Corrosion of Austenitic Stainless Steels Mechanism, Mitigation and Monitoring; Woodhead Publishing Series in Metals and Surface Engineering; Woodhead Publishing: Delhi, India, 2002; pp. 74–105. ISBN 978-1-85573-613-9. [Google Scholar]
- Sathiya, P.; Aravindan, S.; Haq, A. Mechanical and metallurgical properties of friction welded AISI 304 austenitic stainless steel. Int. J. Adv. Manuf. Technol. 2005, 26, 505–511. [Google Scholar] [CrossRef]
- Gong, N.; Wu, H.; Yu, Z.; Niu, G.; Zhang, D. Studying Mechanical Properties and Micro Deformation of Ultrafine-Grained Structures in Austenitic Stainless Steel. Metals 2017, 7, 188. [Google Scholar] [CrossRef]
- Fellinger, J.; Citarella, R.; Giannella, V.; Lepore, M.; Sepe, R.; Czerwinski, M.; Herold, F.; Stadler, R. Overview of fatigue life assessment of baffles in Wendelstein 7-X. Fusion Eng. Des. 2018, 136, 292–297. [Google Scholar] [CrossRef]
- Lv, J.; Liang, T.; Luo, H. Influence of pre-deformation, sensitization and oxidation in high temperature water on corrosion resistance of AISI 304 stainless steel. Nucl. Eng. Des. 2016, 309, 1–7. [Google Scholar] [CrossRef]
- Hsu, C.-H.; Chen, T.-C.; Huang, R.-T.; Tsay, L.-W. Stress Corrosion Cracking Susceptibility of 304L Substrate and 308L Weld Metal Exposed to a Salt Spray. Materials 2017, 10, 187. [Google Scholar] [CrossRef] [PubMed]
- Ramkumar, K.; Arivazhagan, N.; Narayanan, S. Effect of filler materials on the performance of gas tungsten arc welded AISI 304 and Monel 400. Mater. Des. 2012, 40, 70–79. [Google Scholar] [CrossRef]
- Bhandari, J.; Lau, S.; Abbassi, R.; Garaniya, V.; Ojeda, R.; Lisson, D.; Khan, F. Accelerated pitting corrosion test of 304 stainless steel using ASTM G48; Experimental investigation and concomitant challenges. J. Loss Prev. Process Ind. 2017, 47, 10–21. [Google Scholar] [CrossRef]
- Sampaio, J.P.; Carvalho, C.; Cabral, A.V.; Batista, H.; Pereira, J. Effect of temperature on the level of corrosion caused by heavy petroleum on AISI 304 and AISI 444 stainless steel. Mater. Res. 2006, 9, 137–142. [Google Scholar]
- Gooch, T.G. Corrosion Behavior of Welded Stainless Steel. Weld. Res. 1996, 75, 135s. [Google Scholar]
- Madhusudhan Reddy, G.; Mohandas, T.; Sambasiva Rao, A.; Satyanarayana, V.V. Influence of welding processes on microstructure and mechanical properties of dissimilar austenitic-ferritic stainless steel welds. Mater. Manuf. Process. 2005, 20, 147–173. [Google Scholar] [CrossRef]
- Cárcel-Carrasco, F.J.; Pascual-Guillamón, M.; Pérez-Puig, M.A. Effects of X-rays Radiation on AISI 304 Stainless Steel Weldings with AISI 316L Filler Material: A Study of Resistance and Pitting Corrosion Behavior. Metals 2016, 6, 102. [Google Scholar] [CrossRef]
- Takakuwa, O.; Soyama, H. Effect of Residual Stress on the Corrosion Behavior of Austenitic Stainless Steel. Adv. Chem. Eng. Sci. 2015, 5, 62–71. [Google Scholar] [CrossRef]
- Peguet, L.; Malki, B.; Baroux, B. Influence of cold working on the pitting corrosion resistance of stainless steels. Corros. Sci. 2007, 49, 1933–1948. [Google Scholar] [CrossRef]
- Agrawal, A.K.; Singh, A. Limitations on the hardness increase in 316L stainless steel under dynamic plastic deformation. Mater. Sci. Eng. 2017, 687, 306–312. [Google Scholar] [CrossRef]
- Hu, J.; Marciniak, Z.; Duncan, J. Mechanics of Sheet Metal Forming; Butterworth-Heinemann: Oxford, UK, 2002; ISBN 0-7506-5300-0. [Google Scholar]
- Masubuchi, K.; Blodgett, O.W.; Matsui, S.; Ruud, C.O.; Tsai, C.L. Residual stress and distortion. In Welding Handbook Welding Science & Technology, 9th ed.; Jenney, C.L., O’Brien, A., Eds.; American Welding Society: Miami, FL, USA, 2001; Volume 1, pp. 297–357. ISBN 0-87171-657-7. [Google Scholar]
- Ghosh, S.; Kain, V.; Rana, V.P.S.; Mittal, V.; Baveja, S.K. Role of residual stresses induced by industrial fabrication on stress corrosion cracking susceptibility of austenitic stainless steel. Mater. Des. 2011, 32, 3823–3831. [Google Scholar] [CrossRef]
- Kolotyrkin, J.A.M. Pitting Corrosion of Metals. Corrosion 1963, 19, 261–268. [Google Scholar] [CrossRef]
- Szklarska-Smialowska, Z. Review of Literature on Pitting Corrosion Published Since 1960. Corrosion 1971, 27, 223–233. [Google Scholar] [CrossRef]
- Shibata, T.; Takeyama, T. Stochastic Theory of Pitting Corrosion. Corrosion 1977, 33, 243–251. [Google Scholar] [CrossRef]
- Frankel, G.S. Pitting Corrosion of Metals. A Review of the Critical Factors. J. Electrochem. Soc. 1998, 145, 2186–2198. [Google Scholar] [CrossRef]
- Nakai, T.; Matsushita, H.; Yamamoto, N. Effect of pitting corrosion on the ultimate strength of steel plates subjected to in-plane compression and bending. J. Mar. Sci. Technol. 2006, 11, 52–64. [Google Scholar] [CrossRef]
- Chen, W.; Van Boven, G.; Rogge, R. The role of residual stress in neutral pH stress corrosion cracking of pipeline steels–Part II: Crack dormancy. Acta Mater. 2007, 55, 45–53. [Google Scholar] [CrossRef]
- Sánchez-Tovar, R.; Montañés, M.T.; García-Antón, J. Effect of the micro-plasma arc welding technique on the microstructure and pitting corrosion of AISI 316L stainless steels in heavy LiBr brines. Corros. Sci. 2011, 53, 2598–2610. [Google Scholar] [CrossRef]
- Pistorius, P.C.; Burstein, G.T. Metastable pitting corrosion of stainless steel and the transition to stability. Philos. Trans. R. Soc. A Math. Phys. Eng. Sci. 1992, 341, 531–559. [Google Scholar]
- Wang, J.-H.; Su, C.C.; Szklarska-Smialowska, Z. Effects of Cl−Concentration and Temperature on Pitting of AISI 304 Stainless Steel. Corros. Sci. 1988, 44, 732–737. [Google Scholar] [CrossRef]
- Pardo, A.; Merino, M.C.; Coy, A.E.; Viejo, F.; Arrabal, R.; Matykina, E. Pitting corrosion behaviour of austenitic stainless steels–Combining effects of Mn and Mo additions. Corros. Sci. 2008, 50, 1796–1806. [Google Scholar] [CrossRef]
- Lin, C.-M.; Tsai, H.-L.; Cheng, C.-D.; Yang, C. Effect of repeated weld-repairs on microstructure, texture, impact properties and corrosion properties of AISI 304L stainless steel. Eng. Fail. Anal. 2012, 21, 9–20. [Google Scholar] [CrossRef]
- Sepe, R.; Laiso, M.; De Luca, A.; Caputo, F. Evaluation of residual stresses in butt welded joint of dissimilar material by FEM. Key Eng. Mater. 2017, 754, 268–271. [Google Scholar] [CrossRef]
- ASTM G48-92. Standard Test Methods for Pitting and Crevice Corrosion Resistance on Stainless Steels and Related Alloys by Use of Ferric Chloride Solution; ASTM: West Conshohocken, PA, USA, 2009. [Google Scholar]
- He, S.; Jiang, D.; Sun, Z. Effect of deformation-induced martensite on protective performance of passive film on 304 stainless steel. Int. J. Electrochem. Sci. 2018, 13, 4700–4719. [Google Scholar] [CrossRef]
- Unnikrishnan, R.; Idury, K.S.; Ismail, T.P.; Bhadauria, A.; Shekhawat, S.K.; Khatirkar, R.K.; Sapate, S.G. Effect of heat input on the microstructure, residual stresses and corrosion resistance of 304L austenitic stainless steel weldments. Mater. Charact. 2014, 93, 10–23. [Google Scholar] [CrossRef]
- Abe, F. Precipitate design for creep strengthening of 9% Cr tempered martensitic steel for ultra-supercritical power plants. Sci. Technol. Adv. Mater. 2008, 9, 013002. [Google Scholar] [CrossRef]
- Liang, W. Surface modification of AISI 304 austenitic stainless steel by plasma nitriding. Appl. Surf. Sci. 2003, 211, 308–314. [Google Scholar] [CrossRef]
- Lu, B.T.; Chen, Z.K.; Luo, J.L.; Patchett, B.M.; Xu, Z.H. Pitting and stress corrosion cracking behavior in welded austenitic stainless steel. Electrochim. Acta 2005, 50, 1391–1403. [Google Scholar] [CrossRef]
- Strehblow, H.H. Breakdown of passivity and localized corrosion: Theoretical concepts and fundamental experimental results. Mater. Corros. 1984, 35, 437–448. [Google Scholar] [CrossRef]
- Marcus, P.; Maurice, V.; Strehblow, H.H. Localized corrosion (pitting): A model of passivity breakdown including the role of the oxide layer nanostructure. Corros. Sci. 2008, 50, 2698–2704. [Google Scholar] [CrossRef]
- Soltis, J. Passivity breakdown, pit initiation and propagation of pits in metallic materials–Review. Corros. Sci. 2015, 90, 5–22. [Google Scholar] [CrossRef]
- Guan, K.; Zhang, X.; Gu, X.; Cai, L.; Xu, H.; Wang, Z. Failure of 304 stainless bellows expansion joint. Eng. Fail. Anal. 2005, 12, 387–399. [Google Scholar] [CrossRef]
- Van Boven, G.; Chen, W.; Rogge, R. The role of residual stress in neutral Ph stress corrosion cracking of pipeline steels. Part I: Pitting and cracking occurrence. Acta Mater. 2007, 55, 29–42. [Google Scholar] [CrossRef]
- Ben Rhouma, A.; Sidhom, H.; Braham, C.; Lédion, J.; Fitzpatrick, M.E. Effects of surface preparation on pitting resistance, residual stress, and stress corrosion cracking in austenitic stainless steels. J. Mater. Eng. Perform. 2001, 10, 507–514. [Google Scholar] [CrossRef]
- Peyre, P.; Scherpereel, X.; Berthe, L.; Carboni, C.; Fabbro, R.; Béranger, G.; Lemaitre, C. Surface modifications induced in 316L steel by laser peening and shot-peening. Influence on pitting corrosion resistance. Mater. Sci. Eng. A 2000, 280, 294–302. [Google Scholar] [CrossRef]











| Material | %C | %Si | %Mn | %Cr | %Ni | %Mo | %Fe |
|---|---|---|---|---|---|---|---|
| AISI 304 | 0.07 | 1 | 2 | 19 | 11 | - | Bal. |
| ER AISI 308L | 0.02 | 0.38 | 1.90 | 19.80 | 9.8 | 0.19 | Bal. |
| Cold Work | Welded Zone (HV) | HAZ (HV) | Base Material (HV) |
|---|---|---|---|
| 0% | 220 ± 5 | 221 ± 5 | 217 ± 2.5 |
| 17% | 304 ± 1.5 | 340 ± 2 | 291 ± 3.7 |
| 33% | 379 ± 16 | 435 ± 12 | 387 ± 7 |
| 50% | 421 ± 3 | 470 ± 5.7 | 416 ± 14 |
| 57% | 480 ± 3 | 489 ± 4.5 | 463 ± 1.3 |
| Cold Work | Tensile Strength (MPa) | Yield Strength (MPa) |
|---|---|---|
| 0% | 480 ± 17 | 180 ± 14 |
| 17% | 760 ± 20 | 360 ± 16 |
| 33% | 800 ± 16 | 580 ± 15 |
| 50% | 1170 ± 25 | 930 ± 20 |
| 57% | 1200 ± 29 | 1120 ± 26 |
| Cold Work | Yield Strength (MPa) | Pits Number (103/m2) |
|---|---|---|
| 0% | 180 | 175 |
| 17% | 360 | 185 |
| 33% | 580 | 225 |
| 50% | 930 | 320 |
| 57% | 1120 | 400 |
© 2019 by the authors. Licensee MDPI, Basel, Switzerland. This article is an open access article distributed under the terms and conditions of the Creative Commons Attribution (CC BY) license (http://creativecommons.org/licenses/by/4.0/).
Share and Cite
Cárcel-Carrasco, F.-J.; Pascual-Guillamón, M.; Solano García, L.; Salas Vicente, F.; Pérez-Puig, M.-A. Pitting Corrosion in AISI 304 Rolled Stainless Steel Welding at Different Deformation Levels. Appl. Sci. 2019, 9, 3265. https://doi.org/10.3390/app9163265
Cárcel-Carrasco F-J, Pascual-Guillamón M, Solano García L, Salas Vicente F, Pérez-Puig M-A. Pitting Corrosion in AISI 304 Rolled Stainless Steel Welding at Different Deformation Levels. Applied Sciences. 2019; 9(16):3265. https://doi.org/10.3390/app9163265
Chicago/Turabian StyleCárcel-Carrasco, Francisco-Javier, Manuel Pascual-Guillamón, Lorenzo Solano García, Fidel Salas Vicente, and Miguel-Angel Pérez-Puig. 2019. "Pitting Corrosion in AISI 304 Rolled Stainless Steel Welding at Different Deformation Levels" Applied Sciences 9, no. 16: 3265. https://doi.org/10.3390/app9163265
APA StyleCárcel-Carrasco, F.-J., Pascual-Guillamón, M., Solano García, L., Salas Vicente, F., & Pérez-Puig, M.-A. (2019). Pitting Corrosion in AISI 304 Rolled Stainless Steel Welding at Different Deformation Levels. Applied Sciences, 9(16), 3265. https://doi.org/10.3390/app9163265

