Next Article in Journal
Design and Validation of a Self-Driven Joint Model for Articulated Arm Coordinate Measuring Machines
Previous Article in Journal
Wood Bark as Valuable Raw Material for Compounds with a Bioregulator Effect in Lemon Balm (Melissa officinalis L.) Plants
 
 
Font Type:
Arial Georgia Verdana
Font Size:
Aa Aa Aa
Line Spacing:
Column Width:
Background:
Article

Large-Signal Stability Analysis of the Undersea Direct Current Power System for Scientific Cabled Seafloor Observatories

1
State Key Laboratory of Marine Geology, Tongji University, Shanghai 200092, China
2
School of Ocean and Earth Science, Tongji University, Shanghai 200092, China
3
Center for Marine Science and Technology, Tongji University, Shanghai 200092, China
*
Author to whom correspondence should be addressed.
Appl. Sci. 2019, 9(15), 3149; https://doi.org/10.3390/app9153149
Submission received: 15 June 2019 / Revised: 26 July 2019 / Accepted: 30 July 2019 / Published: 2 August 2019
(This article belongs to the Section Electrical, Electronics and Communications Engineering)

Abstract

Featured Application

This technology provides a feasible approach for analyzing and improving the large-signal stability of the undersea direct current power system for scientific cabled seafloor observatories. It is of great significance for the design, construction, operation and maintenance of the cabled seafloor observatories.

Abstract

A large number of power electronic converters and long-distance submarine cables are an important part of the undersea direct current (DC) power system of the scientific cabled seafloor observatories (CSOs). However, the constant power load (CPL) characteristics of the converters and the distributed parameter characteristics of long-distance submarine cables greatly affect the stability of the CSO DC power system. This paper analyzes the large-signal stability of the CSO DC power system, and the equivalent circuits of long-distance submarine cables are established by theoretical analysis and computer simulation. A simplified computer simulation model and an equivalent experimental prototype model of a single-node CSO DC power system was built in the laboratory to study this issue. The mixed potential function method is used to analyze the large-signal stability of the CSO DC power system, and the large-signal stability criterion is obtained theoretically. The validity of the large-signal stability criterion is proved by simulations and experiments. The conclusion is that reducing the inductance of the submarine cable, increasing the capacitance of the submarine cable, increasing the output voltage of the shore station power feeding equipment (PFE) or reducing the power consumption of the undersea station, are beneficial to improve the large-signal stability of the CSO DC power system.

1. Introduction

Since ancient times, mankind has never given up on the exploration of the ocean, and the tools for observing the ocean have been constantly innovating, such as the scientific cabled seafloor observatories (CSOs). It is an emerging means of ocean observation that collects continuous real-time data over long periods by laying a regional observing system on the ocean floor.
Since 2006, more and more scientific CSOs have been established around the world for oceanography research, e.g., MARS (Monetary Accelerated Research System) [1], OOI (Ocean Observatory Initiative) [2], ALOHA cabled observatory [3], VENUS (Victoria Experimental Network Under the Sea) [4], NEPTUNE (North-East Pacific Time-series Underwater Networked Experiment) [5], DONET (Dense Oceanfloor Network System for Earthquakes and Tsunamis) [6], S-net (Seafloor observation network for earthquakes and tsunamis along the Japan Trench) [7], ESONET (European Seas Observatory Network) [8], Xiaoqushan seafloor observatory [9] and MACHO (Marine Cable Hosted Observatory) [10]. Moreover, the East China Sea (ECS) and the South China Sea (SCS) experimental observatories were built in 2015 and 2016, respectively. In 2017, the Chinese national scientific seafloor observatory (CNSSO) was launched to realize the long-term observation of the complex processes operating within the oceans.
In typical scientific CSOs, the shore station converts the alternating current (AC) power from the terrestrial electrical grid into the direct current (DC) power, rated up to −10 kV and delivers it to the undersea stations through backbone cables, branching units (BUs) and spur cables, as shown in Figure 1 [11]. A DC/DC converter is installed in each undersea station, converting −10 kV DC power from the spur cable into 375 V DC power for scientific instrument interface modules (SIIMs). The SIIMs convert 375 V DC power into DC power under 48 V required by science instruments (SIs). In this way, the long-distance electrical power transmission and conversion for undersea distributed science payloads are completed.
An undersea DC power system of scientific CSO has a large-scale DC distributed power system (DPS) that contains many cascaded power electronic converters, connected by hundreds to thousands of kilometers of submarine cables [12]. Each point of load (POL) converter, installed in undersea stations, acts as a constant power load (CPL), and the distributed parameter characteristics of long-distance submarine cables greatly affect the stability of the undersea DC power system [12,13,14,15]. In the event of instability, the undersea DC power system will oscillate, or even collapse, especially under large disturbance conditions. Because of the harsh subsea environment, CSOs have low accessibility and are very expensive to construct and repair, time-consuming and labor-intensive. Therefore, the stability of the CSO undersea DC power system must be analyzed during design and operation.
At present, there is less stability analysis of the undersea DC power system of CSOs worldwide. In 2006, Dr. Lu analyzed the stability of the NEPTUNE observatory power system, but it was lacking in simulation and experimental verification [12]. At present, the stability has been studied in small-scale DC DPSs, e.g., space stations, aircraft, ships and electric vehicles [15,16,17,18,19]. Compared to these DC DPSs, the undersea DC power system of scientific CSOs are more complicated, mainly because of the long-distance submarine cables.
This paper focuses on the large-signal stability of the CSO undersea DC power system, which is a high-order nonlinear system. Large-signal stability means that the power system can go back to its original equilibrium state or transition to a new equilibrium state, after encountering a large disturbance during normal operating conditions [20]. For second or lower-order nonlinear systems, large-signal stability analysis can use the phase plane method [19]. For higher-order nonlinear systems, large-signal stability analysis can be performed by the Lyapunov direct method [20], the key of which is to construct a suitable Lyapunov function. Various approaches have been proposed to produce Lyapunov functions, e.g., the Brayton–Moser mixed potential function method [21,22], the Takagi–Sugeno multi-modeling method [23], genetic algorithm methods [24] and the reverse trajectory tracking method [25]. The literature [26] compares the above several methods. The Takagi–Sugeno multi-modeling method uses multiple linear models to fit nonlinear models, and is not suitable for higher-order nonlinear systems. The Brayton–Moser mixed potential function method needs to find the voltage and current potential functions, which is conservative. The genetic algorithm method requires an artificial neural network toolbox and selects appropriate parameters. The reverse trajectory tracking method can only be represented by an image, and the analytical expression cannot be obtained. In this paper, the mixed potential function method is applied to consider the effect of long-distance submarine cables on the power system large-signal stability, and the equivalent circuits of a long-distance submarine cable are built. Based on this, the equivalent topology model of a single-node CSO undersea DC power system is established. Considering the characteristics of long-distance submarine cables, the large-signal stability of the single-node CSO undersea DC power system is analyzed by the mixed potential function method, and the large-signal stability criterion is obtained. The large-signal stability criterion is verified by computer simulations and experiments, and the factors affecting the large-signal stability of the CSO undersea DC power system are analyzed by simulations and experiments, which is of great significance to the design, operation and future development of the CSO undersea DC power system.
The remainder of the paper is divided as follows. Section 2 introduces the equivalent circuits of a long-distance submarine cable. Section 3 analyses the steady-state equilibrium point and the large-signal stability criterion of the CSO undersea DC power system. Section 4 simulates and experiments on the large-signal stability of CSO undersea DC power systems. Section 5 summarizes the conclusion and anticipates further research on this topic.

2. The Equivalent Circuits of a Long-distance Submarine Cable

In scientific CSOs, submarine electro-optic cables are used to transmit electrical power to the seafloor, and mainly consist of the insulating sheath, the composite conductor, the steel wires strand, the steel tube, the thixotropic jelly and optical fibers [12].
According to the electrical conductivity and radius of different materials in submarine cables, the resistance, inductance and capacitance of per unit length submarine cable can be obtained by theoretical calculation, shown in Table 1 for a typical submarine cable [12,27]. In Table 1, R1, L1 and C1 represent the resistance, the inductance and the capacitance of 1 km submarine cable, respectively.
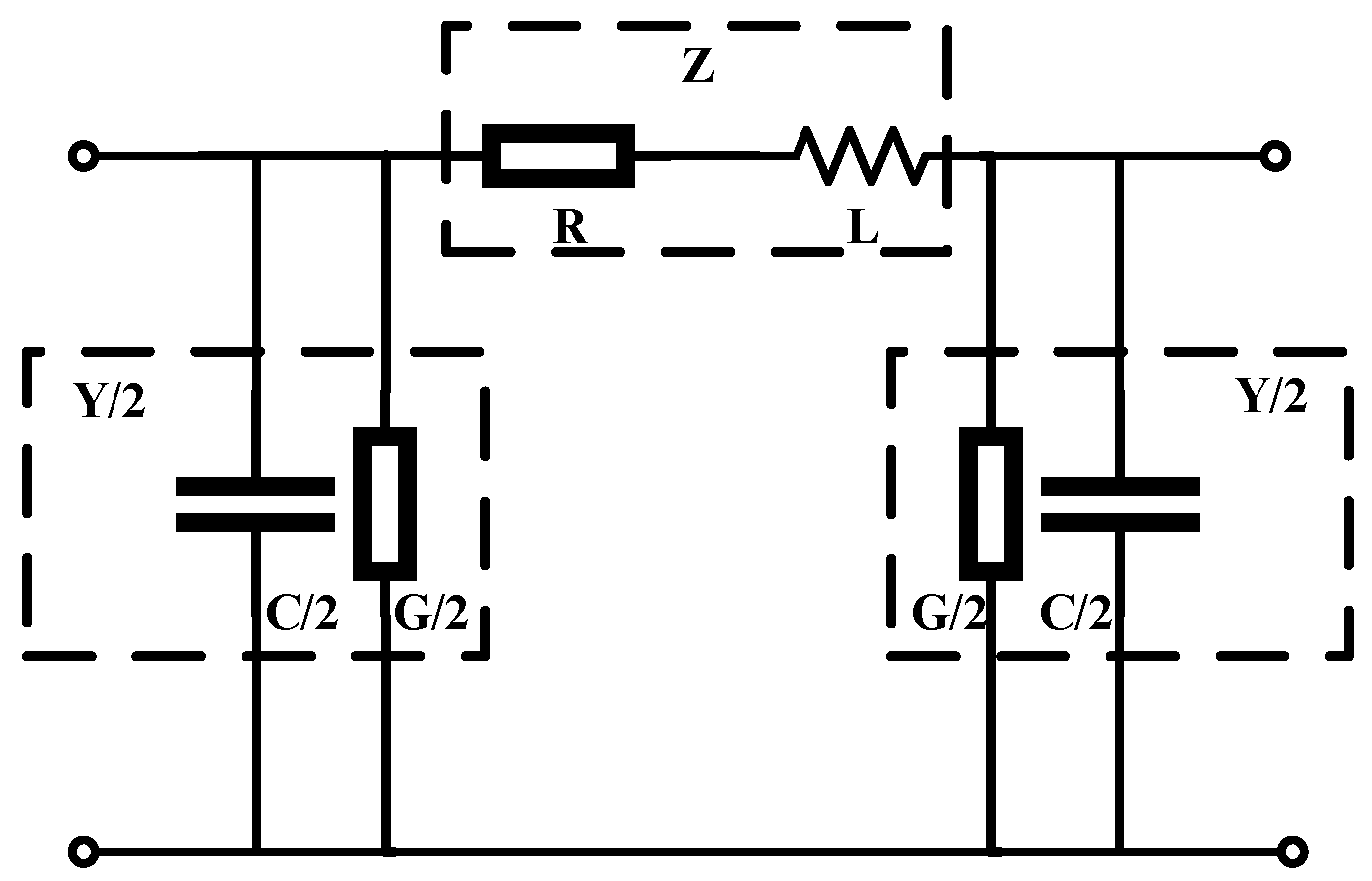
The lumped parameter equivalent circuits of long-distance submarine cables are the approximation of the actual distributed characteristics within a certain range. In our studies, multiple π-type lumped parameter models are cascaded to simulate a long-distance submarine cable. The length of each cable segment represented by a π-type lumped parameter model, as shown in Figure 2, will affect the accuracy of the equivalent circuits of a submarine cable.
The two-port network of a submarine cable can be expressed as
{ Z = Z C sinh ( γ l ) Y = 1 Z C 2 ( cosh γ l 1 ) sinh γ l
ω = 2 π f
z = R + j ω L
y = G + j ω C
Z C = z y
γ = y z
where f is the characteristic frequency of the undersea DC power system, f = 1 kHz in our study. ω is the angular velocity of the undersea DC power system. l is the overall length of the submarine cable. R, L, G and C are corresponding to the equivalent resistance, inductance, conductance and capacitance of the submarine cable, respectively. The insulation resistance of submarine cables is very high, so that the conductance between the copper conductor and the seawater can be negligible, that is, G = 0. z and y are the impedance and admittance of per unit length submarine cable, respectively. ZC is the wave impedance. γ is the propagation coefficient.
When γl << 1, Z and Y can be expressed approximately as
Z z l
Y y l .
In order to study the influence of the cable segment length on the model accuracy, the two-port network model of the submarine cable is regarded to be accurate as a reference, and the π-type lumped parameter models of different cable segment lengths are taken as approximations. The comparison of the two-port network and lumped parameter model under different cable segment lengths are shown in Table 2. When multiple π-type lumped parameter models are cascaded to simulate a long-distance submarine cable, the longer the cable segment represented by each π-type equivalent circuit, the greater the model parameter error is between the actual submarine cable characteristics and the equivalent circuits.
Computer simulation is performed by using MATLAB. The simulation file is shown in Figure 3. The output voltage of the shore station power feeding equipment (PFE) is 10 kV, and the rising time of the output voltage is 1 ms. The length of the submarine cable is 200 km, and the load is 200 Ω.
The simulation results are shown in Figure 4. The red line indicates the distributed parameter model of the submarine cable, closest to the actual submarine cable characteristics. The blue, orange, purple and green lines indicate the lumped parameter models of the submarine cable, formed by cascaded 200, 100, 40 and 20 π-type lumped parameter equivalent circuits, respectively. Each π-type lumped parameter model represents 1 km, 2 km, 5km or 10 km submarine cable segment.
Taking the red line as a reference, it can be seen that the differences between the blue, orange and red lines are small, and the errors are less than 0.5%. The difference between the purple and red lines is larger, and the error is about 1.5%. The difference between the green and red lines is even larger, and the error is about 6%. It shows that the shorter the submarine cable segment represented by each π-type lumped parameter equivalent circuit, the smaller the difference between the lumped and distributed parameter models, which is consistent with the results of the above theoretical analysis.

3. Theoretical Analysis of Undersea DC Power System Stability

3.1. Steady-State Equilibrium Point

In order to analyze the steady-state equilibrium point of a multi-node CSO undersea DC power system, it is necessary to establish a simplified system model, that is, one long-distance submarine cable, one shore station PFE and one undersea station, as shown in Figure 5. The shore station PFE is modeled by an ideal voltage source. The submarine cable is modeled by cascaded lumped parameter circuits. The undersea station is modeled by a CPL.
In Figure 5, US represents the output voltage of the shore station PFE. R0, L0 and C0 represent the resistance, inductance and capacitance of a cable segment, respectively. PL, UL and IL represent the power consumption, input voltage and input current of the undersea station, respectively, and n represents the number of submarine cable segments.
The steady-state equation of the simplified system model is as follows:
{ U L = U S n R 0 I L I L = P L U L
The equilibrium point of the simplified system model is:
{ U L = U S ± U S 2 4 n R 0 P L 2 I L = P L U L
In order to avoid complex roots, it must satisfy the following inequality:
R 0 < U S 2 4 n P L ,
which is the steady-state equilibrium point criterion for the simplified model of a single-node undersea DC power system.
A medium-voltage experimental prototype of a single-node CSO undersea DC power system was built in the laboratory, as shown in Figure 6. The parameters of each component in the medium-voltage experimental prototype are shown in Table 3.
Substituting the values of Table 3 into the inequality Equation (11), it can be obtained:
{ R 0 = 10 U S 2 4 n P L = 13.23 .
So, the steady-state equilibrium point criterion is satisfied, which indicates that the medium-voltage experimental prototype has steady-state equilibrium points and can operate normally without disturbances.

3.2. Mixed Potential Function Method

Brayton and Moser proposed three mixed potential function theorems for analyzing nonlinear RLC networks [21,22,28]. Based on the state equation of the power system, a mixed potential function should be constructed to judge the system stability under large disturbances. The CSO undersea DC power system is a topological complete RLC circuit, and its dynamic performance can be described by a mixed potential function.
The mixed potential function P(i,u) can be uniformly expressed as
P ( i , u ) = A ( i ) + B ( u ) + D ( i , u )
where, −A(i) represents the current potential function of some non-energy storage elements in the circuit, B(u) represents the voltage potential function of non-energy storage elements in the circuit and D(i,u) represents the energy of capacitors and part of non-energy storage elements in the circuit [29,30].
In this paper, the mixed potential function third theorem is used to analyze the large-signal stability of the CSO undersea DC power system with long-distance submarine cables [21]. For the convenience of application, the third theorem is introduced as follows:
P u = P ( i , u ) u
P i = P ( i , u ) i
A i i ( i ) = 2 A ( i ) i 2
B u u ( u ) = 2 B ( u ) u 2
Ln and Cn are diagonal arrays of branch inductance and branch capacitance, respectively. So,
μ 1 = min { λ ( L n 1 2 A i i ( i ) L n 1 2 ) }
μ 2 = min { λ ( C n 1 2 B u u ( u ) C n 1 2 ) }
where λ ( M ) represents the eigenvalue of the matrix M. In case
μ 1 + μ 2 > 0
and when | i | + | u | ,
P ( i , u ) = μ 1 μ 2 2 P ( i , u ) + 1 2 ( P i , L n 1 P i ) + 1 2 ( P u , C n 1 P u ) .
When t , the system is gradually stable over a wide range. It should be pointed out that this conclusion is only a sufficient condition, not a necessary condition.
For the circuit shown in Figure 5, assuming that u 0 = U S , the following mixed potential function can be derived:
P ( i , u ) = k = 1 n [ 1 2 R 0 i k 2 + i k ( u k 1 u k ) ] + 0 u n P L u d u .
It satisfies the following equation:
{ L 0 d i k d t = P i k , k = 1 , 2 , , n C 0 d u k d t = P u k , k = 1 , 2 , , n .
From Equation (22), it can be derived that:
A i i ( i ) = [ R 0 0 0 0 0 R 0 0 0 0 0 R 0 0 0 0 0 R 0 ]
B u u ( u ) = P L u n 2 = 1 R L
where R L is the dynamic negative impedance of the CPL, and it can be calculated that
μ 1 = R 0 L 0 ,
μ 2 = 1 C 0 R L .
For the system operating at the steady-state equilibrium point, in order to restore stable operation under large disturbances, μ1 and μ2 must satisfy Equations (20) and (21), i.e.,
C 0 L 0 > 1 R 0 R L .
Combining the large-signal stability criterion Equation (28) with the steady-state equilibrium point criterion Equation (11), we can get:
L 0 C 0 R L < R 0 < U S 2 4 n P L .
From the inequality Equation (29), the influence of the submarine cable parameters, the output voltage of the shore station PFE and the load power consumption on the large-signal stability can be qualitatively seen that the large-signal stability of the CSO undersea DC power system is positively correlated with the output voltage of the shore station PFE and the capacitance of the submarine cable and negatively correlated with the power consumption of the undersea station and the inductance of the submarine cable.

4. Simulation and Experiment

4.1. Large-Signal Stability Simulations of a Single-Node CSO Undersea DC Power System

In this paper, the large-signal stability of a single-node CSO undersea DC power system is simulated by using Saber. The simulation file is shown in Figure 7. The shore station PFE is modeled by an ideal voltage source. The submarine cable is modeled by cascaded lumped parameter equivalent circuits. The undersea station is modeled by a CPL. The total length of the submarine cable is assumed to be 360 km. Every cable segment of 10 km is represented by a π-type lumped parameter equivalent circuit.
In order to study the effects of the output voltage of the shore station PFE, the power consumption of the undersea station and the submarine cable parameters on the large-signal stability of a single-node CSO undersea DC power system, five simulation sets are needed. The parameter sets for Saber simulation are shown in Table 4. US represents the output voltage of the source, i.e., the shore station PFE. R0, L0, and C0 represent the resistance, inductance and capacitance of a cable segment, respectively. PL represents the power consumption of the CPL, i.e., the undersea station with external science payloads.
Initially, US in the system is 0 V. At 0.1 s, according to experimental needs, the voltage rises from 0 V to 400 V or 350 V, and the voltage and current transient processes are generated. The simulation results are shown in Figure 8. The blue line indicates the output voltage of the shore station PFE. The green line indicates the voltage in the middle section of the submarine cable. The orange line indicates the input voltage of the undersea station. The red line indicates the output current of the shore station PFE.
In Figure 8, the parameter set #1 satisfies the criterion of the inequality Equation (29), so that its power system is stable in the case of power-on. The parameter sets #2, #3, #4 and #5 do not satisfy the criterion of the inequality Equation (29), so that their power systems are unstable in the case of power-on. It proves that the criterion of the inequality Equation (29) is valid. Moreover, the simulation results also show that the large-signal stability of a single-node CSO undersea DC power system is positively correlated with the output voltage of the shore station PFE and the capacitance of per unit length submarine cable, and negatively correlated with the power consumption of the undersea station and the inductance of per unit length submarine cable.

4.2. Large-Signal Stability Experiments of a Single-Node CSO Undersea DC Power System

An equivalent experimental prototype of a single-node CSO undersea DC power system was designed to verify the results of the above theoretical analysis and computer simulation. The equivalent experimental prototype is a medium-voltage simplified system model of a single-node CSO undersea DC power system, as shown in Figure 6. Its experimental configuration block diagram is shown in Figure 9. The shore station PFE is represented by an AC 220 V to DC 400 V converter. Every cable segment of 10 km is represented by a π-type lumped parameter equivalent circuit, and 36 circuits are cascaded to represent the 360 km submarine cable. The undersea station is represented by a DC 240 V to DC 48 V converter, feeding power to an electronic load which represents the undersea science payloads.
Five parameter sets for prototype experiments are applied to verify the effects of the shore station PFE output voltage, the undersea station power consumption and the submarine cable parameters on the large-signal stability of a single-node CSO undersea DC power system. The parameter sets are shown in Table 5. US represents the output voltage of the AC/DC converter. R0, L0 and C0 represent the resistance, inductance and capacitance of a cable segment respectively. PL represents the power consumption of the DC/DC converter with the electronic load.
In the experiments, we assumed the startup of the AC/DC converter had encountered a large disturbance. The oscilloscope #1 and #2 were used to record the voltage and current transient processes in the prototype. The experiment results for the five sets are shown in Figure 10. In Figure 10, the red line indicates the output voltage of the AC/DC converter. The blue line indicates the voltage in the middle section of the submarine cable. The black line indicates the input voltage of the DC/DC converter. The green line indicates the output voltage of the DC/DC converter. The yellow line indicates the output current of the AC/DC converter.
Comparing the results of the five parameter sets for prototype experiments, it can be seen that during the startup of the AC/DC converter, the parameter sets #1 and #2 were stable. The parameter set #3 would return to the steady-state equilibrium point after a period of voltage oscillation. According to the curve of the input voltage of the DC/DC converter, its oscillation amplitude is 8% of the steady-state voltage. But the parameter sets #4 and #5 would experience large fluctuations and were unable to return to a steady-state equilibrium point. According to the curve of the input voltage of the DC/DC converter, their oscillation amplitude is 15% of the steady-state voltage.
This leads to the conclusion that increasing the output voltage of the shore station PFE or the capacitance of the submarine cable, or decreasing the power consumption of the undersea station or the inductance of the submarine cable are beneficial to enhance the large-signal stability of a single-node CSO undersea DC power system.

4.3. Large-Signal Stability Simulations of a Multi-Node CSO Undersea DC Power System

In the last two sections, the large-signal stability of a single-node CSO undersea DC power system and the factors affecting the large-signal stability are studied. This section mainly studies the large-signal stability of a multi-node CSO undersea DC power system and its influencing factors.
In this paper, the large-signal stability of a multi-node CSO undersea DC power system is simulated by using Saber. The simulation file is shown in Figure 11. The shore station PFE is modeled by an ideal voltage source. The submarine cable is modeled by cascaded lumped parameter equivalent circuits. The undersea station is modeled by CPLs. In this system, there are four CPLs, in which the distance between the CPL4 and the source is the longest, so that CPL4 gets the minimum energy from the source. The total length of the submarine cable is assumed to be 490 km. Every cable segment of 10 km is represented by a π-type lumped parameter equivalent circuit.
To study the effects of various factors on the large-signal stability of a multi-node CSO undersea DC power system, five simulation sets are needed. The parameter sets for the Saber simulation are shown in Table 6. US represents the output voltage of the source, i.e., the shore station PFE. R0, L0 and C0 represent the resistance, inductance and capacitance of a cable segment, respectively. PL represents the power consumption of the CPL4, i.e., the undersea station with external science payloads. The power consumption of the four CPLs is equal.
Initially, US in the system was 0 V. At 0.1 s, according to experimental needs, the voltage rose from 0 V to 10 kV or 6 kV, and the voltage transient processes were generated.
The simulation results are shown in Figure 12. It shows the voltage transient process of CPL4, where the green, purple, blue, orange and black lines represent the simulation results for the parameter sets #1, #2, #3, #4 and #5, respectively. As is apparent from Figure 12, the power system of parameter set #1 was stable and the power systems of parameter sets #2, #3, #4 and #5 were unstable, in the case of power-on. This indicates that the large-signal stability of a multi-node undersea DC power system is positively correlated with the output voltage of the shore station PFE and the capacitance of per unit length submarine cable, and negatively correlated with the power consumption of the undersea station and the inductance of per unit length submarine cable. This is consistent with the large-signal stability conclusion of a single-node undersea DC power system.

5. Conclusions

By theoretical analysis and computer simulation, the equivalent physical model of a long-distance submarine cable is built. On this basis, a simplified model of a single-node CSO undersea DC power system is established. According to the simplified model, the steady-state equations of a single-node CSO undersea DC power system are derived. The steady-state equilibrium operation point criterion of the system is obtained, and has been verified in the medium-voltage experimental prototype of the single-node CSO undersea DC power system. Considering the characteristics of long-distance submarine cable, the Lyapunov function of the single-node CSO undersea DC power system is constructed by the mixed potential function method. The large-signal stability criterion of the system is derived according to the mixed potential function third theorem, and the validity of this criterion is verified by computer simulations and experiments. The factors affecting the large-signal stability are theoretically analyzed, and the conclusions are proved by computer simulations and prototype experiments: For a single-node CSO undersea DC power system, increasing the output voltage of the shore station PFE or the capacitance of the submarine cable is beneficial to enhancing the large-signal stability, and so is decreasing the power consumption of the undersea station or the inductance of the submarine cable. Furthermore, the simulation proves that the conclusion is also applicable to the large-signal stability of multi-node CSO undersea DC power systems.

Author Contributions

Conceptualization, F.L.; methodology, Y.J. and F.L.; software, Y.J.; validation, F.L.; formal analysis, Y.J.; investigation, Y.J. and F.L.; resources, F.L.; writing—original draft preparation, Y.J.; writing—review and editing, Y.J. and F.L.; visualization, Y.J.; supervision, F.L.; funding acquisition, F.L.

Funding

This research was funded by the Shanghai Science and Technology Commission for the fund of Shanghai science and technology innovation action plan, grant number 16DZ1205000.

Conflicts of Interest

The authors declare no conflict of interest.

Nomenclature

DCdirect currentGconductance
CSOcabled seafloor observatoryR1the resistance of 1 km submarine cable
PFEpower feeding equipmentL1the inductance of 1 km submarine cable
MARSMonetary Accelerated Research SystemC1the capacitance of 1 km submarine cable
OOIOcean Observatory Initiativefthe characteristic frequency of the undersea DC power system
VENUSVictoria Experimental Network Under the Seaωthe angular velocity of the undersea DC power system
NEPTUNENorth-East Pacific Time-series Underwater Networked Experimentlthe overall length of the submarine cable
DONETDense Oceanfloor Network System for Earthquakes and TsunamisZCthe wave impedance
S-netSeafloor observation network for earthquakes and tsunamis along the Japan Trenchγthe propagation coefficient
ESONETEuropean Seas Observatory Networkzthe impedance of per unit length submarine cable
MACHOMarine Cable Hosted Observatoryythe admittance of per unit length submarine cable
ECSEast China SeaZthe impedance of a submarine cable segment
SCSSouth China SeaYthe admittance of a submarine cable segment
CNSSOChinese national scientific seafloor observatoryUSUS represents the output voltage of the shore station.
ACalternating currentR0the resistance of a cable segment
BUbranching unitL0the inductance of a cable segment
SIIMscientific instrument interface moduleC0the capacitance of a cable segment
SIscience instrumentPLthe power consumption of the undersea station
DPSdistributed power systemULthe input voltage of the undersea station
POLpoint of loadILthe input current of the undersea station
CPLconstant power loadnthe number of submarine cable segments
icurrentP(i,u)the mixed potential function
uvoltageA(i)the current potential function of some non-energy storage elements in the circuit
ttimeB(u)the voltage potential function of non-energy storage elements in the circuit
μ1minimum valueD(i,u)the energy of capacitors and part of non-energy storage elements in the circuit
μ2minimum valuePupartial derivative of P to u
MmatrixPipartial derivative of P to i
λ(M)the eigenvalue of the matrix MAii(i)the second derivative test of A(i) to i
RLthe dynamic negative impedance of the CPLBuu(u)the second derivative test of B(u) to u
RresistanceLndiagonal arrays of branch inductance
LinductanceCndiagonal arrays of branch capacitance
Ccapacitance

References

  1. Massion, G.; Raybould, K. Mars: The monterey accelerated research system-gene massion and keith raybould (monterey bay aquarium research institute) explore a cabled ocean observing system for a new generation of ocean. Sea Technol. 2006, 47, 39–42. [Google Scholar]
  2. Cowles, T.; Delaney, J.; Orcutt, J.; Weller, R. The ocean observatories initiative: Sustained ocean observing across a range of spatial scales. Mar. Technol. Soc. J. 2010, 44, 54–64. [Google Scholar] [CrossRef]
  3. Howe, B.M.; Duennebier, F.K.; Lukas, R. The ALOHA cabled observatory. In Seafloor observatories: A New Vision of the Earth from the Abyss, 1st ed.; Favali, P., Beranzoli, L., Santis, A., Eds.; Springer: Berlin, Germany, 2015; pp. 439–464. [Google Scholar]
  4. Dewey, R.; Round, A.; Macoun, P.; Vervynck, J.; Tunnicliffe, V. The VENUS cabled observatory: Engineering meets science on the seafloor. In Proceedings of the MTS/IEEE Ocean, Vancouver, BC, Canada, 29 September–4 October 2007. [Google Scholar]
  5. Barnes, C.R.; Best, M.M.; Johnson, F.R.; Pautet, L.; Pirenne, B. Challenges, benefits, and opportunities in installing and operating cabled ocean observatories: Perspectives from NEPTUNE Canada. IEEE J. Ocean. Eng. 2013, 38, 144–157. [Google Scholar] [CrossRef]
  6. Kaneda, Y. The advanced ocean floor real time monitoring system for mega thrust earthquakes and tsunamis-application of DONET and DONET2 data to seismological research and disaster mitigation. In Proceedings of the Mts/IEEE Ocean, Seattle, WA, USA, 20–23 September 2010. [Google Scholar]
  7. Kanazawa, T. The Japan trench earthquake and tsunami monitoring network of cable-linked 150 seafloor observatories (the S-net Project). Sci. Technol. 2015. [Google Scholar] [CrossRef]
  8. Person, R.; Favali, P.; Ruhl, H.; Beranzoli, L.; Rolin, J.F.; Waldmann, C.; Huber, R.; Auffret, Y.; Çağatay, M.N.; Cannat, M. From ESONET multidisciplinary scientific community to EMSO novel European research infrastructure for ocean observation. In Seafloor Observatories: A New Vision of the Earth from the Abyss, 1st ed.; Favali, P., Beranzoli, L., Santis, A., Eds.; Springer: Berlin, Germany, 2015; pp. 531–563. [Google Scholar]
  9. Zhang, Y.W.; Fan, D.D.; Xu, H.P. Records of the tsunami induced by the 2010 Chilean earthquake from Xiaoqushan seafloor observatory in the East China Sea. Chin. Sci. Bull. 2011, 56, 2957–2965. [Google Scholar] [CrossRef]
  10. Hsu, S.K.; Lee, C.S.; Shin, T.C.; Liu, C.S.; Huang, B.S.; Kuo, B.Y.; Lin, C.H.; Tang, D.; Chang, H.Y.; Kuo, C.H. Marine cable hosted observatory (MACHO) project in Taiwan. In Proceedings of the Symposium on Underwater Technology and Workshop on Scientific Use of Submarine Cables and Related Technologies, Tokyo, Japan, 17–20 April 2007. [Google Scholar]
  11. Lyu, F.; Peng, X.T.; Zhou, H.Y.; Yue, J.G.; He, B. Design of a prototype system for cabled seafloor observatory networks. Chin. J. Sci. Instrum. 2012, 33, 1134–1140. [Google Scholar]
  12. Lu, S.H. Infrastructure, Operations, and Circuits Design of an Undersea DC Power System. Ph.D. Thesis, University of Washington, Washington, WA, USA, 2006. [Google Scholar]
  13. Marx, D.; Magne, P.; Nahid-Mobarakeh, B.; Pierfederici, S.; Davat, B. Large signal stability analysis tools in DC power systems with constant power loads and variable power loads: A review. IEEE Trans. Power Electron. 2012, 27, 1773–1787. [Google Scholar] [CrossRef]
  14. Magne, P.; Marx, D.; Nahid-Mobarakeh, B.; Pierfederici, S. Large-signal stabilization of a DC-link supplying a constant power load using a virtual capacitor: Impact on the domain of attraction. IEEE Trans. Ind. Appl. 2012, 48, 878–887. [Google Scholar] [CrossRef]
  15. Griffo, A.; Wang, J.B. Large signal stability analysis of more electric aircraft power systems with constant power loads. IEEE Trans. Aerosp. Electron. Syst. 2012, 48, 477–489. [Google Scholar] [CrossRef]
  16. Gholdston, E.W.; Karimi, K.; Lee, F.C.; Rajagopalan, J.; Panov, Y.; Manners, B. Stability of large DC power systems using switching converters, with application to the international space station. In Proceedings of the Energy Conversion Engineering Conference, Proceedings of the 31st Intersociety, Washington, WA, USA, 11–16 August 1996. [Google Scholar]
  17. Ciezki, J.G.; Ashton, R.W. Selection and stability issues associated with a navy shipboard DC zonal electric distribution system. IEEE Trans. Power Deliv. 2000, 15, 665–669. [Google Scholar] [CrossRef]
  18. Ahmed, S.; Kim, H.; Prohaska, T.; Ronkainen, T. Stability study of electric vehicle power electronics based power system. In Proceedings of the Electric Vehicle Conference (IEVC), Santa Clara, CA, USA, 23–25 October 2013. [Google Scholar]
  19. Liu, F.; Xiong, L.; Deng, L.H.; Feng, Y.; Wu, X.P. Vehicle stability criterion based on phase plane method. J. South China Univ. Technol. 2014, 42, 63–70. [Google Scholar]
  20. Kabalan, M.; Singh, P.; Niebur, D. Large signal Lyapunov-based stability studies in microgrids: A review. IEEE Trans. Smart Grid 2017, 8, 2287–2295. [Google Scholar] [CrossRef]
  21. Brayton, R.K.; Moser, J.K. A theory of nonlinear networks. I. Q. Appl. Math. 1964, 22, 1–33. [Google Scholar] [CrossRef]
  22. Weiss, L.; Mathis, W.; Trajkovic, L. A generalization of Brayton-Moser’s mixed potential function. IEEE Trans. Circuits Syst. I: Fundam. Theory Appl. 1998, 45, 423–427. [Google Scholar] [CrossRef]
  23. Blanco, Y.; Perruquetti, W.; Borne, P. Stability and stabilization of nonlinear systems and Takagi-Sugeno’s fuzzy models. Math. Probl. Eng. 2007, 7, 221–240. [Google Scholar] [CrossRef]
  24. Loop, B.P.; Sudhoff, S.D.; Zak, S.H.; Zivi, E.L. Estimating regions of asymptotic stability of power electronics systems using genetic algorithms. IEEE Trans. Control Syst. Technol. 2010, 18, 1011–1022. [Google Scholar] [CrossRef]
  25. Bacha, A.; Jerbi, H.; Braiek, N.B. An approach of asymptotic stability domain estimation of discrete polynomial systems. In Proceedings of the Computational Engineering in Systems Applications, Beijing, China, 4–6 October 2006. [Google Scholar]
  26. Zhang, K.D. Research on the Distributed Parameter Circuit Model and its Application in UHV Transmission Line Protection. Master’s Thesis, Chongqing University, Chongqing, China, 2014. [Google Scholar]
  27. Chan, T. Analytical Methods for Power Monitoring and Control in an Underwater Observatory. Ph.D. Thesis, University of Washington, Washington, WA, USA, 2007. [Google Scholar]
  28. Jeltsema, D.; Scherpen, J.M.A. On Brayton and Moser’s missing stability theorem. IEEE Trans. Circuits Syst. Express Briefs 2005, 52, 550–552. [Google Scholar] [CrossRef]
  29. Liu, X.B.; Zhou, Y.J.; Zhang, W. Large signal stability criteria for constant power loads with damped filters. Trans. China Electrotech. Soc. 2011, 26, 155–161. [Google Scholar]
  30. Liu, X.B.; Zhou, Y.J.; Zhang, W.; Ma, S.H. Stability criteria for constant power loads with multistage LC filters. IEEE Trans. Veh. Technol. 2011, 60, 2042–2049. [Google Scholar] [CrossRef]
Figure 1. A typical system diagram of scientific cabled seafloor observatories (CSOs).
Figure 1. A typical system diagram of scientific cabled seafloor observatories (CSOs).
Applsci 09 03149 g001
Figure 2. The π-type lumped parameter model of a submarine cable segment.
Figure 2. The π-type lumped parameter model of a submarine cable segment.
Applsci 09 03149 g002
Figure 3. The simulation file for comparing different submarine cable models.
Figure 3. The simulation file for comparing different submarine cable models.
Applsci 09 03149 g003
Figure 4. The simulation results of different submarine cable models.
Figure 4. The simulation results of different submarine cable models.
Applsci 09 03149 g004
Figure 5. A simplified model of a single-node CSO undersea DC power system.
Figure 5. A simplified model of a single-node CSO undersea DC power system.
Applsci 09 03149 g005
Figure 6. The medium-voltage experimental prototype of a single-node CSO undersea DC power system.
Figure 6. The medium-voltage experimental prototype of a single-node CSO undersea DC power system.
Applsci 09 03149 g006
Figure 7. The Saber file for the large-signal stability simulation of a single-node CSO undersea DC power system.
Figure 7. The Saber file for the large-signal stability simulation of a single-node CSO undersea DC power system.
Applsci 09 03149 g007
Figure 8. (a) The voltage transient processes in the parameter set #1; (b) the current transient processes in the parameter set #1; (c) the voltage transient processes in the parameter set #2; (d) the current transient processes in the parameter set #2; (e) the voltage transient processes in the parameter set #3; (f) the magnified view of voltage transient processes in the parameter set #3; (g) the voltage transient processes in the parameter set #4; (h) the voltage transient processes in the parameter set #5.
Figure 8. (a) The voltage transient processes in the parameter set #1; (b) the current transient processes in the parameter set #1; (c) the voltage transient processes in the parameter set #2; (d) the current transient processes in the parameter set #2; (e) the voltage transient processes in the parameter set #3; (f) the magnified view of voltage transient processes in the parameter set #3; (g) the voltage transient processes in the parameter set #4; (h) the voltage transient processes in the parameter set #5.
Applsci 09 03149 g008aApplsci 09 03149 g008bApplsci 09 03149 g008c
Figure 9. The block diagram of the prototype experiment configuration.
Figure 9. The block diagram of the prototype experiment configuration.
Applsci 09 03149 g009
Figure 10. (a) The voltage transient processes in the parameter set #1; (b) the current transient processes in the parameter set #1; (c) the voltage transient processes in the parameter set #2; (d) the current transient processes in the parameter set #2; (e) the voltage transient processes in the parameter set #3; (f) the current transient processes in the parameter set #3; (g) the voltage transient processes in the parameter set #4; (h) the current transient processes in the parameter set #4; (i) the voltage transient processes in the parameter set #5; (j) the current transient processes in the parameter set #5.
Figure 10. (a) The voltage transient processes in the parameter set #1; (b) the current transient processes in the parameter set #1; (c) the voltage transient processes in the parameter set #2; (d) the current transient processes in the parameter set #2; (e) the voltage transient processes in the parameter set #3; (f) the current transient processes in the parameter set #3; (g) the voltage transient processes in the parameter set #4; (h) the current transient processes in the parameter set #4; (i) the voltage transient processes in the parameter set #5; (j) the current transient processes in the parameter set #5.
Applsci 09 03149 g010aApplsci 09 03149 g010b
Figure 11. The Saber file for the large-signal stability simulation of a multi-node CSO undersea DC power system.
Figure 11. The Saber file for the large-signal stability simulation of a multi-node CSO undersea DC power system.
Applsci 09 03149 g011
Figure 12. The voltage transient processes in five parameter sets.
Figure 12. The voltage transient processes in five parameter sets.
Applsci 09 03149 g012
Table 1. The parameters of 1 km typical submarine cable.
Table 1. The parameters of 1 km typical submarine cable.
ParametersR1L1C1
Values1 Ω0.4 mH0.2 μF
Table 2. The comparison of the two-port network and the lumped parameter model under different cable segment lengths.
Table 2. The comparison of the two-port network and the lumped parameter model under different cable segment lengths.
f = 1 kHzZ (Two-Port Network)Z (Lumped Model)Y (Two-Port Network)Y (Lumped Model)
l = 1 km1.00 + 2.51i1.00 + 2.51i1.32 × 10−7 + 1.26i × 10−31.26i × 10−3
l = 2 km1.99 + 5.02i2.00 + 5.03i1.06 × 10−6 + 2.52i × 10−32.51i × 10−3
l = 3 km2.97 + 7.51i3.00 + 7.54i3.57 × 10−6 + 3.78i × 10−33.77i × 10−3
l = 4 km3.93 + 9.98i4.00 + 10.05i8.51 × 10−6 + 5.05i × 10−35.03i × 10−3
l = 5 km4.87 + 12.43i5.00 + 12.57i1.67 × 10−5 + 6.33i × 10−36.28i × 10−3
l = 6 km5.77 + 14.84i6.00 + 15.08i2.91 × 10−5 + 7.61i × 10−37.54i × 10−3
l = 7 km6.64 + 17.21i7.00 + 17.59i4.66 × 10−5 + 8.91i × 10−38.80i × 10−3
l = 8 km7.47 + 19.54i8.00 + 20.11i7.02 × 10−5 + 1.00i × 1021.00i × 102
l = 9 km8.25 + 21.81i9.00 + 22.62i1.01 × 10−4 + 1.10i × 1021.10i × 102
l = 10 km8.97 + 24.03i10.00 + 25.13i1.40 × 10−4 + 1.30i × 1021.30i × 102
Table 3. The parameters of each part in the medium-voltage experimental prototype.
Table 3. The parameters of each part in the medium-voltage experimental prototype.
ParametersUSnR0L0C0PL
Values400 V3610 Ω4 mH2 µF84 W
Table 4. Five Saber parameter sets for large-signal stability simulation of a single-node CSO undersea DC power system.
Table 4. Five Saber parameter sets for large-signal stability simulation of a single-node CSO undersea DC power system.
No.US/VPL/WR0L0/mHC0/µF
#1400841042
#240084104002
#3400841040.0164
#4350841042
#54001121042
Table 5. Five parameter sets for prototype experiments.
Table 5. Five parameter sets for prototype experiments.
No.US/VPL/WR0L0/mHC0/µF
#140082.2910.242.03
#240082.2910.54002.03
#340082.2910.240.016
#435082.2910.242.03
#54009610.242.03
Table 6. Five Saber parameter sets for large-signal stability simulation of a multi-node CSO undersea DC power system.
Table 6. Five Saber parameter sets for large-signal stability simulation of a multi-node CSO undersea DC power system.
No.US/kVPL/kWR0L0/mHC0/µF
#110101042
#210101040002
#310101040.001
#46101042
#510501042

Share and Cite

MDPI and ACS Style

Jiang, Y.; Lyu, F. Large-Signal Stability Analysis of the Undersea Direct Current Power System for Scientific Cabled Seafloor Observatories. Appl. Sci. 2019, 9, 3149. https://doi.org/10.3390/app9153149

AMA Style

Jiang Y, Lyu F. Large-Signal Stability Analysis of the Undersea Direct Current Power System for Scientific Cabled Seafloor Observatories. Applied Sciences. 2019; 9(15):3149. https://doi.org/10.3390/app9153149

Chicago/Turabian Style

Jiang, Yamei, and Feng Lyu. 2019. "Large-Signal Stability Analysis of the Undersea Direct Current Power System for Scientific Cabled Seafloor Observatories" Applied Sciences 9, no. 15: 3149. https://doi.org/10.3390/app9153149

APA Style

Jiang, Y., & Lyu, F. (2019). Large-Signal Stability Analysis of the Undersea Direct Current Power System for Scientific Cabled Seafloor Observatories. Applied Sciences, 9(15), 3149. https://doi.org/10.3390/app9153149

Note that from the first issue of 2016, this journal uses article numbers instead of page numbers. See further details here.

Article Metrics

Back to TopTop