Analysis of Basic Failure Scenarios of a Truss Tower in a Probabilistic Approach
Abstract
Featured Application
Abstract
1. Introduction
2. Materials and Methods
3. Results
- Input data (static scheme, load on the structure for the dominant combination, and capacity Ni of individual elements)—shown in Figure 2;
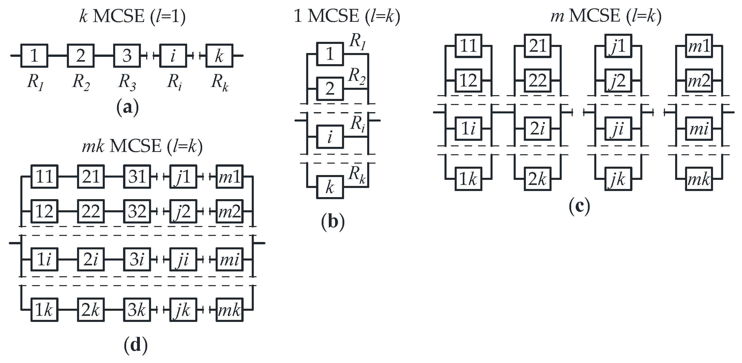
- Spectral analysis of linear stiffness matrix KL (determination the number of KAFMs and MCSEs)—shown in Figure 3;
- Checking the effort of individual elements—μEi/μNi (Table 2);
- Calculation of the reliability index for elements Ri and assessment of the structure reliability.
- Input data (new static scheme, load on the structure for the dominant combination, and capacity Ni of individual elements)—shown in Figure 4;
- Spectral analysis of linear stiffness matrix KL for new static scheme (determination of the new number of KAFMs and MCSEs);
- Determination of the effect of actions Ei for individual elements under new static scheme—μEi (Table 3);
- Input data (new static scheme, load on individual elements Ei for the dominant combination, and load capacity of Ni individual elements)—shown in Figure 5;
- Spectral analysis of the linear stiffness matrix KL for new static scheme (determination of the number of KAFMs and MCSEs);
- Determination of the effect of actions Ei for individual elements under new static scheme—μEi (Table 4);
4. Discussion
Author Contributions
Funding
Conflicts of Interest
References
- Rykaluk, K. Steel Structures. Chimneys, Towers, Masts; Oficyna Wydawnicza Politechniki Wrocławskiej: Wrocław, Poland, 2005. (In Polish) [Google Scholar]
- Błaszczyński, T.; Sumigała, M.; Polus, Ł. Analysis of damage of two steel antenna towers with repair proposal. Mater. Bud. 2014, 5, 48–50. [Google Scholar]
- Paczkowska, T.; Paczkowski, W. A designer mistake as a reason for the threat of loosing the bearing capacity by a steel tower. Przegląd Bud. 2013, 12, 52–56. [Google Scholar]
- Skwarek, M.; Tomska, D.; Hulimka, J.; Kozłowski, M. Some problems with steel latticed telecommunication towers structure strengthening. In Proceedings of the 26th Conference on Structural Failures, Szczecin, Międzyzdroje, Poland, 20–24 May 2013. (In Polish). [Google Scholar]
- Skwarek, M.; Hulimka, J. Is the steel latticed tower for telecommunication threatened failure? About estimate of load capacity of latticed towers in diagnostics of constructions. In Proceedings of the 25th Conference on Structural Failures, Międzyzdroje, Poland, 24–27 May 2011. (In Polish). [Google Scholar]
- Davies, D.K. North American Tower Failures: Causes and Cures; Consolidated Engineering Inc.: Evansville, IN, USA, 2011. [Google Scholar]
- Eslamlou, S.D.; Asgarian, B. Determining critical areas of transmission towers due to sudden removal of members. Case Stud. Eng. Fail. Anal. 2017, 9, 138–147. [Google Scholar] [CrossRef]
- Lee, P.S.; McClure, G. Elastoplastic large deformation analysis of a lattice steel tower structure and comparison with full-scale tests. J. Constr. Steel Res. 2007, 63, 709–717. [Google Scholar] [CrossRef]
- Ramalingam, R. Failure analysis of lattice tower like structures. IOP Conf. Ser. Earth Environ. Sci. 2017, 80, 012024. [Google Scholar] [CrossRef]
- Rao, N.P.; Knight, G.M.S.; Mohan, S.J.; Lakshmanan, N. Studies on failure of transmission line towers in testing. Eng. Struct. 2012, 35, 55–70. [Google Scholar]
- Wichtowski, B. The rectification of steel aerial towers on the ground the periodical inspections. In Proceedings of the 23rd Conference on Structural Failures, Szczecin, Międzyzdroje, Poland, 23–26 May 2007. (In Polish). [Google Scholar]
- Papavasileiou, G.S.; Pnevmatikos, N.G. The Cost of Retrofitting Steel-Concrete Composite Buildings Against Progressive Collapse With Steel Cables. Int. J. Progress. Sci. Technol. 2017, 6, 103–115. [Google Scholar]
- Papavasileiou, G.S.; Pnevmatikos, N.G. Optimized design of steel buildings against earthquake and progressive collapse using cables. Int. J. Progress. Sci. Technol. 2017, 6, 213–220. [Google Scholar]
- Kamiński, M.; Szafran, J. On computer modelling of reliability of steel telecommunication towers. Zesz. Nauk. Bud./Politech. Łódzka 2010, 62, 51–66. [Google Scholar]
- Dudzik, A. Reliability Assessment of Steel-Aluminium Lattice Tower. IOP Conf. Ser. Mater. Sci. Eng. 2017, 245, 032072. [Google Scholar] [CrossRef]
- Park, S.; Choi, S.; Sikorsky, C.; Stubbs, N. Efficient method for calculation of system reliability of a complex structure. Int. J. Solids Struct. 2004, 41, 5035–5050. [Google Scholar] [CrossRef]
- Winkelmann, K.; Oziębło, M. Reliability assessment of truss towers using Monte Carlo Method, PEM and RSM. In Proceedings of the PCM-CMM-2015—3rd Polish Congress of Mechanics & 21st Computer Methods in Mechanics, Gdańsk, Poland, 8–11 September 2015. [Google Scholar]
- Kolanek, K. Reliability Analysis and Optimisation of Structures with Adaptive Simulation Methods. Ph.D. Thesis, IPPT PAN, Warsaw, Poland, 2006. (In Polish). [Google Scholar]
- Biegus, A. Probabilistic Analysis of Steel Structures; PWN: Warsaw-Wroclaw, Poland, 1977. (In Polish) [Google Scholar]
- Kłosowska, J.; Obara, P.; Turant, J. Kinematically admissible failure mechanisms for plane trusses. IOP Conf. Ser. Mater. Sci. Eng. 2017, 245, 022022. [Google Scholar] [CrossRef]
- Kubicka, K.; Radoń, U. Proposal for the assessment of steel truss reliability under fire conditions. Arch. Civ. Eng. 2015, 61, 141–154. [Google Scholar] [CrossRef][Green Version]
- Mochocki, W.; Obara, P.; Radoń, U. System-reliability analysis of steel truss towers. MATEC Web Conf. 2018, 219. [Google Scholar] [CrossRef][Green Version]
- Thoft-Christensen, P.; Baker, M. Structural Reliability Theory and Its Applications; Springer: Berlin/Heidelberg, Germany, 1982. [Google Scholar]
- Woliński, S.; Wróbel, K. Reliability of Building Structures; Oficyna Politechniki Rzeszowskiej: Rzeszów, Poland, 2001. (In Polish) [Google Scholar]
- Bołotin, W.W. Statistical Methods in Structural Mechanics; Holden Day: San Francisco, CA, USA, 1968. [Google Scholar]
- Kubicka, K.; Radoń, U. Influence of the buckling coefficient randomness on the reliability index value under fire conditions. Arch. Civ. Eng. 2018, 64, 173–179. [Google Scholar] [CrossRef]
- Gwóźdź, M.; Machowski, A. Selected Studies and Calculations of Building Structures with Probabilistic Methods; Wydawnictwo Politechniki Krakowskiej: Kraków, Poland, 2011. (In Polish) [Google Scholar]
- JCSS. Probabilistic Model Code; Joint Committee of Structural Safety, 2001. Available online: https://www.jcss.byg.dtu.dk (accessed on 28 June 2019).
- PN-EN 1990:2004. Eurocode: Basis of Structural Design; PKN: Warszawa, Poland, 2004.
- PN-EN 1993-1-1. Eurocode 3: Design of Steel Structures. Part 1-1: General Rules and Rules for Buildings; PKN: Warszawa, Poland, 2006.
- PN-EN 1993-3-1. Eurocode 3: Design of Steel Structures. Part 3-1: Towers, Masts and Chimneys—Towers and Masts; PKN: Warszawa, Poland, 2008.










| Random Variable | Coefficient of Variation |
|---|---|
| area of cross section (A) | 6% |
| yield strength (fy) | 8% |
| modulus of elasticity (E) | 5% |
| minimum moment of inertia (Jmin) | 6% |
| length of element (L) | 6% |
| Element | Profile | Expected Value of the Effect of Actions of the ith Element μEi [kN] | Standard Deviation of the Effect of Action σEi (6%) [kN] | Expected Value of the Capacity of the ith Element μNi [kN] | Standard Deviation of the Capacity σNi [kN] | Effort of the ith Element μEi/μNi [%] | Probability of the Failure of the ith Element Pfi [-] | Reliability of the ith Element Ri [-] |
|---|---|---|---|---|---|---|---|---|
| 1 | L60 × 6 | 25.979 | 1.55874 | 162.385 | 16.23850 | 16.0 | 0.0000000000 | 1.0000000000 |
| 2 | L40 × 4 | 0.678 | 0.04068 | 72.380 | 7.23800 | 0.9 | 0.0000000000 | 1.0000000000 |
| 3 | L60 × 6 | 35.021 | 2.10126 | 64.304 | 8.68104 | 54.5 | 0.0005217330 | 0.9994782670 |
| 4 | L45 × 6 | 6.393 | 0.38358 | 119.615 | 11.96150 | 5.3 | 0.0000000000 | 1.0000000000 |
| 5 | L45 × 6 | 9.163 | 0.54978 | 15.430 | 2.51509 | 59.4 | 0.0074607216 | 0.9925392784 |
| 6 | L60 × 6 | 16.699 | 1.00194 | 162.385 | 16.23850 | 10.3 | 0.0000000000 | 1.0000000000 |
| 7 | L40 × 4 | 0.319 | 0.01914 | 72.380 | 7.23800 | 0.4 | 0.0000000000 | 1.0000000000 |
| 8 | L60 × 6 | 24.301 | 1.45806 | 64.304 | 8.68104 | 37.8 | 0.0000027541 | 0.9999972459 |
| 9 | L45 × 6 | 5.376 | 0.32256 | 119.615 | 11.96150 | 4.5 | 0.0000000000 | 1.0000000000 |
| 10 | L45 × 6 | 7.352 | 0.44112 | 15.430 | 2.51509 | 47.6 | 0.0007793554 | 0.9992206446 |
| 11 | L60 × 6 | 9.620 | 0.57720 | 162.385 | 16.23850 | 5.9 | 0.0000000000 | 1.0000000000 |
| 12 | L40 × 4 | 0.127 | 0.00762 | 72.380 | 7.23800 | 0.2 | 0.0000000000 | 1.0000000000 |
| 13 | L60 × 6 | 15.380 | 0.92280 | 64.304 | 8.68104 | 23.9 | 0.0000000105 | 0.9999999895 |
| 14 | L45 × 6 | 4.073 | 0.24438 | 119.615 | 11.96150 | 3.4 | 0.0000000000 | 1.0000000000 |
| 15 | L45 × 6 | 5.827 | 0.34962 | 15.430 | 2.51509 | 37.8 | 0.0000778524 | 0.9999221476 |
| 16 | L60 × 6 | 4.507 | 0.27042 | 162.385 | 16.23850 | 2.8 | 0.0000000000 | 1.0000000000 |
| 17 | L40 × 4 | 0.084 | 0.00504 | 14.400 | 2.26080 | 0.6 | 0.0000000001 | 0.9999999999 |
| 18 | L60 × 6 | 8.493 | 0.50958 | 64.304 | 8.68104 | 13.2 | 0.0000000001 | 0.9999999999 |
| 19 | L45 × 6 | 2.819 | 0.16914 | 119.615 | 11.96150 | 2.4 | 0.0000000000 | 1.0000000000 |
| 20 | L45 × 6 | 4.252 | 0.25512 | 15.430 | 2.51509 | 27.6 | 0.0000048967 | 0.9999951033 |
| 21 | L60 × 6 | 1.410 | 0.08460 | 162.385 | 16.23850 | 0.9 | 0.0000000000 | 1.0000000000 |
| 22 | L40 × 4 | 0.347 | 0.02082 | 14.400 | 2.26080 | 2.4 | 0.0000000003 | 0.9999999997 |
| 23 | L60 × 6 | 3.590 | 0.21540 | 64.304 | 8.68104 | 5.6 | 0.0000000000 | 1.0000000000 |
| 24 | L45 × 6 | 1.542 | 0.09252 | 119.615 | 11.96150 | 1.3 | 0.0000000000 | 1.0000000000 |
| 25 | L45 × 6 | 2.701 | 0.16206 | 15.430 | 2.51509 | 17.5 | 0.0000002202 | 0.9999997798 |
| 26 | L60 × 6 | 0.243 | 0.01458 | 162.385 | 21.92198 | 0.1 | 0.0000000000 | 1.0000000000 |
| 27 | L40 × 4 | 0.257 | 0.01542 | 14.400 | 2.26080 | 1.8 | 0.0000000002 | 0.9999999998 |
| 28 | L60 × 6 | 0.757 | 0.04542 | 64.304 | 8.68104 | 1.2 | 0.0000000000 | 1.0000000000 |
| 29 | L45 × 6 | 0.363 | 0.02178 | 119.615 | 11.96150 | 0.3 | 0.0000000000 | 1.0000000000 |
| 30 | L45 × 6 | 1.051 | 0.06306 | 15.430 | 2.51509 | 6.8 | 0.0000000055 | 0.9999999945 |
| Element | Profile | Expected Value of the Effect of Actions of the ith Element μEi [kN] | Standard Deviation of the Effect of Action σEi (6%) [kN] | Expected Value of the Capacity of the ith Element μNi [kN] | Standard Deviation of the Capacity σNi [kN] | Effort of the ith Element μEi/μNi [%] | Probability of the Failure of the ith Element Pfi [-] | Reliability of the ith Element Ri [-] |
|---|---|---|---|---|---|---|---|---|
| - | - | - | - | - | - | - | - | - |
| 2 | L40 × 4 | 21.078 | 1.26468 | 14.400 | 2.26080 | 146.4 | failure of the element | |
| 3 | L60 × 6 | 61.000 | 3.66000 | 64.304 | 8.68104 | 94.9 | 0.3629051144 | 0.6370948856 |
| 4 | L45 × 6 | 43.134 | 2.58804 | 119.615 | 11.96150 | 36.1 | 0.0000000002 | 0.9999999998 |
| 5 | L45 × 6 | 27.577 | 1.65462 | 119.615 | 11.96150 | 23.1 | 0.0000000000 | 1.0000000000 |
| 6 | L60 × 6 | 20.922 | 1.25532 | 162.385 | 16.23850 | 12.9 | 0.0000000000 | 1.0000000000 |
| 7 | L40 × 4 | 3.855 | 0.23130 | 72.380 | 7.23800 | 5.3 | 0.0000000000 | 1.0000000000 |
| 8 | L60 × 6 | 20.078 | 1.20468 | 64.304 | 8.68104 | 31.2 | 0.0000002253 | 0.9999997747 |
| 9 | L45 × 6 | 0.596 | 0.03576 | 15.430 | 2.51509 | 3.9 | 0.0000000018 | 0.9999999982 |
| 10 | L45 × 6 | 13.324 | 0.79944 | 15.430 | 2.51509 | 86.4 | 0.2124343328 | 0.7875656672 |
| 11 | L60 × 6 | 8.934 | 0.53604 | 162.385 | 16.23850 | 5.5 | 0.0000000000 | 1.0000000000 |
| 12 | L40 × 4 | 0.448 | 0.02688 | 14.400 | 2.26080 | 3.1 | 0.0000000003 | 0.9999999997 |
| 13 | L60 × 6 | 16.066 | 0.96396 | 64.304 | 8.68104 | 25.0 | 0.0000000167 | 0.9999999833 |
| 14 | L45 × 6 | 5.044 | 0.30264 | 119.615 | 11.96150 | 4.2 | 0.0000000000 | 1.0000000000 |
| 15 | L45 × 6 | 4.856 | 0.29136 | 15.430 | 2.51509 | 31.5 | 0.0000148149 | 0.9999851851 |
| 16 | L60 × 6 | 4.618 | 0.27708 | 162.385 | 16.23850 | 2.8 | 0.0000000000 | 1.0000000000 |
| 17 | L40 × 4 | 0.010 | 0.00060 | 72.380 | 7.23800 | 0.0 | 0.0000000000 | 1.0000000000 |
| 18 | L60 × 6 | 8.382 | 0.50292 | 64.304 | 8.68104 | 13.0 | 0.0000000001 | 0.9999999999 |
| 19 | L45 × 6 | 2.661 | 0.15966 | 119.615 | 11.96150 | 2.2 | 0.0000000000 | 1.0000000000 |
| 20 | L45 × 6 | 4.410 | 0.26460 | 15.430 | 2.51509 | 28.6 | 0.0000065777 | 0.9999934223 |
| 21 | L60 × 6 | 1.392 | 0.08352 | 162.385 | 16.23850 | 0.9 | 0.0000000000 | 1.0000000000 |
| 22 | L40 × 4 | 0.362 | 0.02172 | 14.400 | 2.26080 | 2.5 | 0.0000000003 | 0.9999999997 |
| 23 | L60 × 6 | 3.608 | 0.21648 | 64.304 | 8.68104 | 5.6 | 0.0000000000 | 1.0000000000 |
| 24 | L45 × 6 | 1.567 | 0.09402 | 119.615 | 11.96150 | 1.3 | 0.0000000000 | 1.0000000000 |
| 25 | L45 × 6 | 2.675 | 0.16050 | 15.430 | 2.51509 | 17.3 | 0.0000002084 | 0.9999997916 |
| 26 | L60 × 6 | 0.246 | 0.01476 | 162.385 | 16.23850 | 0.2 | 0.0000000000 | 1.0000000000 |
| 27 | L40 × 4 | 0.254 | 0.01524 | 14.400 | 2.26080 | 1.8 | 0.0000000002 | 0.9999999998 |
| 28 | L60 × 6 | 0.754 | 0.04524 | 64.304 | 8.68104 | 1.2 | 0.0000000000 | 1.0000000000 |
| 29 | L45 × 6 | 0.359 | 0.02154 | 119.615 | 11.96150 | 0.3 | 0.0000000000 | 1.0000000000 |
| 30 | L45 × 6 | 1.055 | 0.06330 | 15.430 | 2.51509 | 6.8 | 0.0000000055 | 0.9999999945 |
| Element | Profile | Expected Value of the Effect of Actions of the ith Element μEi [kN] | Standard Deviation of the Effect of Action σEi (6%) [kN] | Expected Value of the Capacity of the ith Element μNi [kN] | Standard Deviation of the Capacity σNi [kN] | Effort of the ith Element μEi/μNi [%] | Probability of the Failure of the ith Element Pfi [-] | Reliability of the ith Element Ri [-] |
|---|---|---|---|---|---|---|---|---|
| - | - | - | - | - | - | - | - | - |
| - | - | - | - | - | - | - | - | - |
| 3 | L60 × 6 | 61.000 | 3.66000 | 64.304 | 8.68104 | 94.9 | 0.3629051144 | 0.6370948856 |
| 4 | L45 × 6 | 43.134 | 2.58804 | 119.615 | 11.96150 | 36.1 | 0.0000000002 | 0.9999999998 |
| 5 | L45 × 6 | 27.577 | 1.65462 | 119.615 | 11.96150 | 23.1 | 0.0000000000 | 1.0000000000 |
| 6 | L60 × 6 | 42.000 | 2.52000 | 162.385 | 16.23850 | 25.9 | 0.0000000000 | 1.0000000000 |
| 7 | L40 × 4 | 21.507 | 1.29042 | 72.380 | 7.23800 | 29.7 | 0.0000000000 | 1.0000000000 |
| 8 | L60 × 6 | 1.000 | 0.06000 | 162.385 | 16.23850 | 0.6 | 0.0000000000 | 1.0000000000 |
| 9 | L45 × 6 | 30.406 | 1.82436 | 15.430 | 2.51509 | 197.1 | failure of the element | |
| 10 | L45 × 6 | 43.134 | 2.58804 | 15.430 | 2.51509 | 279.5 | failure of the element | |
| 11 | L60 × 6 | 5.507 | 0.33042 | 162.385 | 16.23850 | 3.4 | 0.0000000000 | 1.0000000000 |
| 12 | L40 × 4 | 3.318 | 0.19908 | 14.400 | 2.26080 | 23.0 | 0.0000005227 | 0.9999994773 |
| 13 | L60 × 6 | 19.493 | 1.16958 | 64.304 | 8.68104 | 30.3 | 0.0000001563 | 0.9999998437 |
| 14 | L45 × 6 | 9.889 | 0.59334 | 119.615 | 11.96150 | 8.3 | 0.0000000000 | 1.0000000000 |
| 15 | L45 × 6 | 0.010 | 0.00060 | 15.430 | 2.51509 | 0.1 | 0.0000000004 | 0.9999999996 |
| 16 | L60 × 6 | 5.175 | 0.31050 | 162.385 | 16.23850 | 3.2 | 0.0000000000 | 1.0000000000 |
| 17 | L40 × 4 | 0.476 | 0.02856 | 72.380 | 7.23800 | 0.7 | 0.0000000000 | 1.0000000000 |
| 18 | L60 × 6 | 7.825 | 0.46950 | 64.304 | 8.68104 | 12.2 | 0.0000000000 | 1.0000000000 |
| 19 | L45 × 6 | 1.874 | 0.11244 | 119.615 | 11.96150 | 1.6 | 0.0000000000 | 1.0000000000 |
| 20 | L45 × 6 | 5.197 | 0.31182 | 15.430 | 2.51509 | 33.7 | 0.0000269857 | 0.9999730143 |
| 21 | L60 × 6 | 1.301 | 0.07806 | 162.385 | 16.23850 | 0.8 | 0.0000000000 | 1.0000000000 |
| 22 | L40 × 4 | 0.438 | 0.02628 | 14.400 | 2.26080 | 3.0 | 0.0000000003 | 0.9999999997 |
| 23 | L60 × 6 | 3.699 | 0.22194 | 64.304 | 8.68104 | 5.8 | 0.0000000000 | 1.0000000000 |
| 24 | L45 × 6 | 1.695 | 0.10170 | 119.615 | 11.96150 | 1.4 | 0.0000000000 | 1.0000000000 |
| 25 | L45 × 6 | 2.547 | 0.15282 | 15.430 | 2.51509 | 16.5 | 0.0000001587 | 0.9999998413 |
| 26 | L60 × 6 | 0.260 | 0.01560 | 162.385 | 16.23850 | 0.2 | 0.0000000000 | 1.0000000000 |
| 27 | L40 × 4 | 0.240 | 0.01440 | 14.400 | 2.26080 | 1.7 | 0.0000000002 | 0.9999999998 |
| 28 | L60 × 6 | 0.740 | 0.04440 | 64.304 | 8.68104 | 1.2 | 0.0000000000 | 1.0000000000 |
| 29 | L45 × 6 | 0.339 | 0.02034 | 119.615 | 11.96150 | 0.3 | 0.0000000000 | 1.0000000000 |
| 30 | L45 × 6 | 1.075 | 0.06450 | 15.430 | 2.51509 | 7.0 | 0.0000000058 | 0.9999999942 |
| No. of Removed Element | No. of Tower Segment | β | Effectof the Element Removal |
|---|---|---|---|
| 1 | 1 | - | Removal of element No. 1 results in exceeding the capacity in the element No. 2 → removal of the next element (No. 2) results in exceeding the capacity in elements No. 9 and No. 10 → the result is a mechanism |
| 2 | 6.299 | remov. el. No. 2 does not result in the mech.; β is at a high enough level | |
| 3 | - | remov. el. No. 3 results in exceeding the cap. in el. No. 4 and No. 5 → the result is a mech. | |
| 4 | - | remov. el. No. 4 results in exceeding the cap. in el. No. 5 → the result is a mech. | |
| 5 | 3.307 | remov. el. No. 5 does not result in the mech.; β is not at high enough level | |
| 6 | 2 | 1.936 | remov. el. No. 6 does not result in the mech.; β is not at high enough level |
| 7 | 6.098 | remov. el. No. 7 does not result in the mech.; β is at high enough level | |
| 8 | - | remov. el. No. 8 results in exceeding the cap. in el. No.9 and No.10 → the result is a mech. | |
| 9 | 1.569 | remov. el. No. 9 does not result in the mech.; β is not at high enough level | |
| 10 | 5.206 | remov. el. No. 10 does not result in the mech.; β is at high enough level | |
| 11 | 3 | 5.848 | remov. el. No. 11 does not result in the mech.; β is at high enough level |
| 12 | 6.114 | remov. el. No. 12 does not result in the mech.; β is at high enough level | |
| 13 | - | remov. el. No. 13 results in exceeding the cap. in el. No.14 and No.15 → the result is a mech. | |
| 14 | 3.345 | remov. el. No. 14 does not result in the mech.; β is not at high enough level | |
| 15 | 6.174 | remov. el. No. 15 does not result in the mech.; β is at high enough level | |
| 16 | 4 | 6.102 | remov. el. No. 16 does not result in the mech.; β is at high enough level |
| 17 | 6.113 | remov. el. No. 17 does not result in the mech.; β is at high enough level | |
| 18 | - | remov. el. No. 18 results in exceeding the cap. in el. No.20 → the result is a mech. | |
| 19 | 5.223 | remov. el. No. 19 does not result in the mech.; β is at high enough level | |
| 20 | 6.106 | remov. el. No. 20 does not result in the mech.; β is at high enough level | |
| 21 | 5 | 6.114 | remov. el. No. 21 does not result in the mech.; β is at high enough level |
| 22 | 6.113 | remov. el. No. 22 does not result in the mech.; β is at high enough level | |
| 23 | 4.747 | remov. el. No. 23 does not result in the mech.; β is at high enough level | |
| 24 | 6.113 | remov. el. No. 24 does not result in the mech.; β is at high enough level | |
| 25 | 6.114 | remov. el. No. 25 does not result in the mech.; β is at high enough level | |
| 26 | 6 | 6.113 | remov. el. No. 26 does not result in the mech.; β is at high enough level |
| 27 | 6.113 | remov. el. No. 27 does not result in the mech.; β is at high enough level | |
| 28 | 6.113 | remov. el. No. 28 does not result in the mech.; β is at a high enough level | |
| 29 | 6.113 | remov. el. No. 29 does not result in the mech.; β is at a high enough level | |
| 30 | 6.113 | remov. el. No. 30 does not result in the mech.; β is at a high enough level |
| No. of Removed Element | No. of Tower Segment | β | Effectof the Element Removal |
|---|---|---|---|
| 1 | 1 | - | Removal of element No. 1 results in exceeding the capacity in element No.2 → removal of the next element (No. 2) results in exceeding the capacity in elements No.9 and No.10 → the result is a mechanism |
| 2 | 4.441 | remov. el. No. 2 does not result in the mech.; β is at high enough level | |
| 3 | - | remov. el. No. 3 results in exceeding the cap. in el. No.4 and No.5 → the result is a mech. | |
| 4 | - | remov. el. No. 4 results in exceeding the cap. in el. No.5 → the result is a mech. | |
| 5 | 2.525 | remov. el. No. 5 does not result in the mech.; β is not at high enough level | |
| 6 | 2 | 1.484 | remov. el. No. 6 does not result in the mech.; β is not at high enough level |
| 7 | 4.462 | remov. el. No. 7 does not result in the mech.; β is at a high enough level | |
| 8 | - | remov. el. No. 8 results in exceeding the cap. in el. No.9 and No.10 → the result is a mech. | |
| 9 | 1.028 | remov. el. No. 9 does not result in the mech.; β is not at high enough level | |
| 10 | 3.876 | remov. el. No. 10 does not result in the mech.; β is at high enough level | |
| 11 | 3 | 4.015 | remov. el. No. 11 does not result in the mech.; β is at high enough level |
| 12 | 4.471 | remov. el. No. 12 does not result in the mech.; β is at high enough level | |
| 13 | - | remov. el. No. 13 results in exceeding the cap. in el. No.14 and No.15 → the result is a mech. | |
| 14 | 2.140 | remov. el. No. 14 does not result in the mech.; β is not at high enough level | |
| 15 | 4.493 | remov. el. No. 15 does not result in the mech.; β is at high enough level | |
| 16 | 4 | 4.465 | remov. el. No. 16 does not result in the mech.; β is at high enough level |
| 17 | 4.471 | remov. el. No. 17 does not result in the mech.; β is at high enough level | |
| 18 | - | remov. el. No. 18 results in exceeding the cap. in el. No. 20 → the result is a mech. | |
| 19 | 3.275 | remov. el. No.19 does not result in the mech.; β is not at high enough level | |
| 20 | 4.467 | remov. el. No. 20 does not result in the mech.; β is at high enough level | |
| 21 | 5 | 4.471 | remov. el. No. 21 does not result in the mech.; β is at high enough level |
| 22 | 4.471 | remov. el. No. 22 does not result in the mech.; β is at high enough level | |
| 23 | 2.990 | remov. el. No. 23 does not result in the mech.; β is not at high enough level | |
| 24 | 4.296 | remov. el. No. 24 does not result in the mech.; β is at high enough level | |
| 25 | 4.471 | remov. el. No. 25 does not result in the mech.; β is at high enough level | |
| 26 | 6 | 4.471 | remov. el. No. 26 does not result in the mech.; β is at high enough level |
| 27 | 4.471 | remov. el. No. 27 does not result in the mech.; β is at high enough level | |
| 28 | 4.467 | remov. el. No. 28 does not result in the mech.; β is at high enough level | |
| 29 | 4.470 | remov. el. No. 29 does not result in the mech.; β is at high enough level | |
| 30 | 4.471 | remov. el. No. 30 does not result in the mech.; β is at high enough level |
© 2019 by the authors. Licensee MDPI, Basel, Switzerland. This article is an open access article distributed under the terms and conditions of the Creative Commons Attribution (CC BY) license (http://creativecommons.org/licenses/by/4.0/).
Share and Cite
Mochocki, W.; Radoń, U. Analysis of Basic Failure Scenarios of a Truss Tower in a Probabilistic Approach. Appl. Sci. 2019, 9, 2662. https://doi.org/10.3390/app9132662
Mochocki W, Radoń U. Analysis of Basic Failure Scenarios of a Truss Tower in a Probabilistic Approach. Applied Sciences. 2019; 9(13):2662. https://doi.org/10.3390/app9132662
Chicago/Turabian StyleMochocki, Wojciech, and Urszula Radoń. 2019. "Analysis of Basic Failure Scenarios of a Truss Tower in a Probabilistic Approach" Applied Sciences 9, no. 13: 2662. https://doi.org/10.3390/app9132662
APA StyleMochocki, W., & Radoń, U. (2019). Analysis of Basic Failure Scenarios of a Truss Tower in a Probabilistic Approach. Applied Sciences, 9(13), 2662. https://doi.org/10.3390/app9132662

