Analysis of the Deviation in a Low-Cost System for Stepless Digital Control of Conventional Lathe Spindle Speeds
Abstract
1. Introduction
- First, the materials and methods (Analysis of analog output (AO) influence on deviation, conventional and proposed drive system of lathe) are presented,
- Second, the results of analysis speed errors using conventional and new systems of drive are presented and the results are discussed,
- Third, the conclusions of the study are made.
2. Materials and Methods
- The analysis of the effect of AO converter resolution on the deviation of output voltage,
- The conventional drive system of a lathe,
- Lathe-drive regulation with an inverter.
2.1. Analysis of the Effect of Analog Output Converter Resolution on Deviation of Output Voltage
2.2. The Conventional Drive System of a Lathe
2.3. Lathe-Drive Regulation with an Inverter
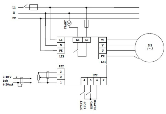
2.3.1. Lathe Power Transmission System Regulated with an Inverter
2.3.2. Spindle Rotation Using an Electric Power System with an Inverter
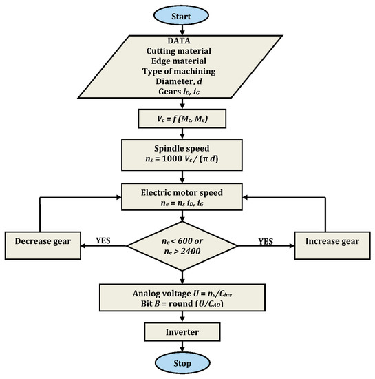
2.3.3. Machining Optimization Methodology
2.3.4. Special Software for Control System Using Inverter
- tool material,
- workpiece material,
- processing method (turning, boring et al.).
- Gi = second gear,
- Di = first gear.
3. Results and Discussion
- Test results for the spindle speed control system,
- Analysis of deviation in the conventional power system,
- Analysis of deviation in the inverter-based power system,
- Discussion of the results.
3.1. Tests of the Spindle Speed Control System
3.2. Analysis of Deviation in the Conventional Power System
3.3. Analysis of Deviation in the Inverter Based Power System
3.4. Discussion
4. Conclusions
Author Contributions
Funding
Conflicts of Interest
Nomenclature
| ap | cutting depth (mm) |
| vc | cutting speed (m/min) |
| d | actual value of turning diameter (mm) |
| db | turning diameter over bed (mm) |
| ds | turning diameter over support (mm) |
| L | turning length (mm) |
| ns | spindle speed (rpm) |
| ne | electric motor speed (rpm) |
| P | electric motor power (kW) |
| MC | cutting material |
| MT | tool material |
| U | analog voltage (V) |
| AO | analog output converter |
| aeAO | absolute error of AO (mV) |
| reAO | relative error of AO (%) |
| HMI | Human-Machine-Interface |
| Di | first gear |
| Gi | second gear |
| cinv, cAO | proportionality coefficients |
References
- Bharathi, R.S.; Baskar, N. Particle swarm optimization technique for determining optimal machining parameters of different work piece materials in turning operation. Int. J. Adv. Manuf. Technol. 2011, 54, 445–463. [Google Scholar] [CrossRef]
- Fernández-Abia, A.I.; Barreiro, J.; López de Lacalle, L.N.; Martínez, S. Effect of very high cutting speeds on shearing, cutting forces and roughness in dry turning of austenitic stainless steels. Int. J. Adv. Manuf. Technol. 2011, 57, 61–71. [Google Scholar] [CrossRef]
- Dimla, D.E. The impact of cutting conditions on cutting forces and vibration signals in turning with plane face geometry inserts. J. Mater. Process. Technol. 2004, 155–156, 1708–1715. [Google Scholar] [CrossRef]
- Brožek, M. Cutting conditions optimization when turning overlays. J. Mater. Process. Technol. 2005, 168, 488–495. [Google Scholar] [CrossRef]
- Diniz, A.E.; Micaroni, R.; Hassui, A. Evaluating the effect of coolant pressure and flow rate on tool wear and tool life in the steel turning operation. Int. J. Adv. Manuf. Technol. 2010, 50, 1125–1133. [Google Scholar] [CrossRef]
- Urbikain, G.; López De Lacalle, L.N.; Fernández, A. Regenerative vibration avoidance due to tool tangential dynamics in interrupted turning operations. J. Sound. Vib. 2014, 333, 3996–4006. [Google Scholar] [CrossRef]
- Artamonov, E.V.; Vasil’ev, D.V. Determining the optimal cutting speed in turning by composite cutters on the basis of the chip. Russ. Eng. Res. 2014, 34, 404–405. [Google Scholar] [CrossRef]
- Nikolaenko, A.A. Thermodynamic model of high-speed turning. Russ. Eng. Res. 2015, 35, 339–343. [Google Scholar] [CrossRef]
- Anukhin, I.V.; Lyubomudrov, S.A.; Murashkin, S.L. Thermal imaging in selecting the cutting conditions for high-temperature intermetallic alloys. Russ. Eng. Res. 2015, 35, 544–548. [Google Scholar] [CrossRef]
- Garg, A.; Lam, J.S.L.; Gao, L. Power consumption and tool life models for the production process. J. Clean. Prod. 2016, 131, 754–764. [Google Scholar] [CrossRef]
- McParland, D.; Baron, S.; O’Rourke, S.; Dowling, D.; Ahearne, E.; Parnell, A. Prediction of tool-wear in turning of medical grade cobalt chromium molybdenum alloy (ASTM F75) using non-parametric Bayesian models. J. Intell. Manuf. 2017. [Google Scholar] [CrossRef]
- Johansson, D.; Hägglund, S.; Bushlya, V.; Ståhl, J.-E. Assessment of Commonly used Tool Life Models in Metal Cutting. Procedia Manuf. 2017, 11, 602–609. [Google Scholar] [CrossRef]
- Arruda, É.M.; Brandão, L.C. Performance study of multilayer carbide tool in high-speed turning of API 5L X70 pipeline steel using a cold air system. Int. J. Adv. Manuf. Technol. 2018, 94, 85–103. [Google Scholar] [CrossRef]
- Prasad, B.S.; Prabha, K.A.; Ganesh Kumar, P.V.S. Condition monitoring of turning process using infrared thermography technique—An experimental approach. Infrared Phys. Technol. 2017, 81, 137–147. [Google Scholar] [CrossRef]
- Mia, M.; Dhar, N.R. Prediction of surface roughness in hard turning under high pressure coolant using Artificial Neural Network. Measurement 2016, 92, 464–474. [Google Scholar] [CrossRef]
- Tanikić, D.; Marinković, V. Modelling and optimization of the surface roughness in the dry turning of the cold rolled alloyed steel using regression analysis. J. Braz. Soc. Mech. Sci. Eng. 2012, 34, 41–48. [Google Scholar] [CrossRef]
- Mia, M.; Dhar, N.R. Modeling of Surface Roughness Using RSM, FL and SA in Dry Hard Turning. Arab. J. Sci. Eng. 2018, 43, 1125–1136. [Google Scholar] [CrossRef]
- Venkata Rao, K.; Murthy, B.S.N.; Mohan Rao, N. Cutting tool condition monitoring by analyzing surface roughness, work piece vibration and volume of metal removed for AISI 1040 steel in boring. Measurement 2013, 46, 4075–4084. [Google Scholar] [CrossRef]
- Günay, M.; Yücel, E. Application of Taguchi method for determining optimum surface roughness in turning of high-alloy white cast iron. Measurement 2013, 46, 913–919. [Google Scholar] [CrossRef]
- Mia, M. Prediction and optimization of surface roughness in minimum quantity coolant lubrication applied turning of high hardness steel. Measurement 2018, 118, 43–51. [Google Scholar] [CrossRef]
- Khan, S.A.; Soo, S.L.; Aspinwall, D.K.; Sagec, C.; Hardend, P.; Fleminge, M.; White, A.; M’Saoubi, R. Tool wear/life evaluation when finish turning Inconel 718 using PCBN tooling. Procedia CIRP 2012, 1, 283–288. [Google Scholar] [CrossRef]
- Özbek, N.A.; Çiçek, A.; Gülesin, M.; Özbek, O. Investigation of the effects of cryogenic treatment applied at different holding times to cemented carbide inserts on tool wear. Int. J. Mach. Tools Manuf. 2014, 86, 34–43. [Google Scholar] [CrossRef]
- Zou, B.; Zhou, H.; Huang, C.; Xu, K.; Wang, J. Tool damage and machined-surface quality using hot-pressed sintering Ti(C7N3)/WC/TaC cermet cutting inserts for high-speed turning stainless steels. Int. J. Adv. Manuf. Technol. 2015, 79, 197–210. [Google Scholar] [CrossRef]
- Jurkovic, Z.; Cukor, G.; Brezocnik, M.; Brajkovic, T. A comparison of machine learning methods for cutting parameters prediction in high speed turning process. J. Intell. Manuf. 2018, 29, 1683–1693. [Google Scholar] [CrossRef]
- Orra, K.; Choudhury, S.K. Development of flank wear model of cutting tool by using adaptive feedback linear control system on machining AISI D2 steel and AISI 4340 steel. Mech. Syst. Signal Process. 2016, 81, 475–492. [Google Scholar] [CrossRef]
- Mia, M.; Khan, M.A.; Dhar, N.R. High-pressure coolant on flank and rake surfaces of tool in turning of Ti-6Al-4V: Investigations on surface roughness and tool wear. Int. J. Adv. Manuf. Technol. 2017, 90, 1825–1834. [Google Scholar] [CrossRef]
- Abbas, A.T.; Pimenov, D.Y.; Erdakov, I.N.; Mikolajczyk, T.; El Danaf, E.A.; Taha, M.A. Minimization of turning time for high-strength steel with a given surface roughness using the Edgeworth-Pareto optimization method. Int. J. Adv. Manuf. Technol. 2017, 93, 2375–2392. [Google Scholar] [CrossRef]
- Rogante, M. Wear characterisation and tool performance of sintered carbide inserts during automatic machining of AISI 1045 steel. J. Mater. Process. Technol. 2009, 209, 4776–4783. [Google Scholar] [CrossRef]
- Babouri, M.K.; Ouelaa, N.; Djebala, A. Experimental study of tool life transition and wear monitoring in turning operation using a hybrid method based on wavelet multi-resolution analysis and empirical mode decomposition. Int. J. Adv. Manuf. Technol. 2016, 82, 2017–2028. [Google Scholar] [CrossRef]
- Mikołajczyk, T.; Nowicki, K.; Bustillo, A.; Pimenov, D.Y. Predicting tool life in turning operations using neural networks and image processing. Mech. Syst. Signal Process. 2018, 104, 503–513. [Google Scholar] [CrossRef]
- Aramesh, M.; Attia, M.H.; Kishawy, H.A.; Balazinski, M. Estimating the remaining useful tool life of worn tools under different cutting parameters: A survival life analysis during turning of titanium metal matrix composites (Ti-MMCs). CIRP J. Manuf. Sci. Technol. 2016, 12, 35–43. [Google Scholar] [CrossRef]
- Mikolajczyk, T.; Fas, T.; Klodowski, A.; Matuszewski, M.; Olaru, A.; Olaru, S. Computer Aided System for Superfinishing Process Control. Procedia Technol. 2016, 22, 48–54. [Google Scholar] [CrossRef][Green Version]
- Centralnego Biura Konstrukcyjnego Obrabiarek w Pruszkowie. Dokumentacja Techniczno-Ruchowa Tokarki TSB16; Technical Manual of TSB16 Lathe; CBKO: Pruszków, Poland, 1971. (In Polish) [Google Scholar]
- Grzesik, W. Advanced Machining Processes of Metallic Materials: Theory, Modelling and Applications; Elsevier: Amsterdam, The Netherlands, 2008. [Google Scholar]
- Przybylski, L. Strategia doboru warunków obróbki współczesnymi narzędziami. In The Strategy of Machining Conditions Selection Using Modern Tools; Politechnika Krakowska: Kraków, Poland, 2000. (In Polish) [Google Scholar]
- Falowniki. Available online: https://www.sklepfalowniki.pl/falownik-sv015ic5-1f-15kw.html (accessed on 18 November 2017).
- Falowniki. Available online: https://www.sklepfalowniki.pl/falowniki-lg-s100-3f.html (accessed on 18 November 2017).
- Pimenov, D.Y. The effect of the rate flank wear teeth face mills on the processing. J. Frict. Wear 2013, 34, 156–159. [Google Scholar] [CrossRef]
- Abbas, A.T.; Pimenov, D.Y.; Erdakov, I.N.; Taha, M.A.; Soliman, M.S.; El Rayes, M.M. ANN surface roughness optimization of AZ61 magnesium alloy finish turning: Minimum machining times at prime machining costs. Materials 2018, 11, 808. [Google Scholar] [CrossRef] [PubMed]
- Abbas, A.T.; Pimenov, D.Y.; Erdakov, I.N.; Taha, M.A.; El Rayes, M.M.; Soliman, M.S. Artificial intelligence monitoring of hardening methods and cutting conditions and their effects on surface roughness, performance, and finish turning costs of solid-state recycled aluminum alloy 6061 chips. Metals 2018, 8, 394. [Google Scholar] [CrossRef]

















| Bit | Resolution | Minimal Step of Voltage, mV |
|---|---|---|
| 8 | 256 | 19,608 |
| 10 | 1024 | 4888 |
| 12 | 4096 | 1221 |
| 14 | 16384 | 0.0297 |
| Parameters | Specifications |
|---|---|
| Turning diameter over bed | 160 mm |
| Turning diameter over support | 90 mm |
| Turning length | 400 mm |
| Speed range | 125–2000 or 200–3150 rpm * |
| Number of speeds | 18 |
| Number of feeds | 3 |
| Range of feeds | 0.05–0.2 mm/rev |
| Electric motor power | 0.8 kW |
| Electric motor speed | 1500 rpm |
![]() | ![]() rpm | A | b | c | d | e |
| ø mm | ||||||
| 3150 | 150 | 75 | – | 98 | 81 | |
| 2240 | 150 | 75 | – | 80 | 93 | |
| 2000 | 150 | 75 | 63 | – | 81 | |
| 1600 | 150 | 75 | – | 64 | 104 | |
| 1400 | 150 | 75 | 57 | – | 93 | |
| 1120 | 93 | 132 | – | 98 | 81 | |
| 1000 | 150 | 75 | 40 | – | 104 | |
| 800 | 93 | 132 | – | 80 | 93 | |
| 710 | 93 | 132 | 63 | – | 81 | |
| 560 | 93 | 132 | – | 64 | 104 | |
| 500 | 93 | 132 | 57 | – | 93 | |
| 400 | 45 | 180 | – | 98 | 81 | |
| 355 | 93 | 132 | 40 | – | 104 | |
| 280 | 45 | 180 | – | 80 | 93 | |
| 250 | 45 | 180 | 63 | – | 81 | |
| 200 | 45 | 180 | – | 64 | 104 | |
| 180 | 45 | 180 | 57 | – | 93 | |
| 125 | 45 | 180 | 40 | – | 104 | |
© 2018 by the authors. Licensee MDPI, Basel, Switzerland. This article is an open access article distributed under the terms and conditions of the Creative Commons Attribution (CC BY) license (http://creativecommons.org/licenses/by/4.0/).
Share and Cite
Mikolajczyk, T.; Paczkowski, T.; Pimenov, D.Y.; Mia, M.; Patra, K.; Krolczyk, G.; Gupta, M.K.; Zdrojewski, J. Analysis of the Deviation in a Low-Cost System for Stepless Digital Control of Conventional Lathe Spindle Speeds. Appl. Sci. 2019, 9, 12. https://doi.org/10.3390/app9010012
Mikolajczyk T, Paczkowski T, Pimenov DY, Mia M, Patra K, Krolczyk G, Gupta MK, Zdrojewski J. Analysis of the Deviation in a Low-Cost System for Stepless Digital Control of Conventional Lathe Spindle Speeds. Applied Sciences. 2019; 9(1):12. https://doi.org/10.3390/app9010012
Chicago/Turabian StyleMikolajczyk, Tadeusz, Tomasz Paczkowski, Danil Yurievich Pimenov, Mozammel Mia, Karali Patra, Grzegorz Krolczyk, Munish Kumar Gupta, and Jaroslaw Zdrojewski. 2019. "Analysis of the Deviation in a Low-Cost System for Stepless Digital Control of Conventional Lathe Spindle Speeds" Applied Sciences 9, no. 1: 12. https://doi.org/10.3390/app9010012
APA StyleMikolajczyk, T., Paczkowski, T., Pimenov, D. Y., Mia, M., Patra, K., Krolczyk, G., Gupta, M. K., & Zdrojewski, J. (2019). Analysis of the Deviation in a Low-Cost System for Stepless Digital Control of Conventional Lathe Spindle Speeds. Applied Sciences, 9(1), 12. https://doi.org/10.3390/app9010012



