Online Static Security Assessment of Power Systems Based on Lasso Algorithm
Abstract
:Featured Application
Abstract
1. Introduction
1.1. Background and Motivation
1.2. Literature Review
1.3. Contributions
1.4. Organization of This Paper
2. Online Static Security Assessment in Power System
3. Principles of Multi-Step Adaptive Lasso Regression Algorithm (MSA-Lasso)
3.1. Algorithm Model
3.2. Regression Algorithm
3.3. Multi-Step Adaptive Lasso Regression Algorithm
3.4. Parameters in This Section
4. Online Static Security Assessment Method
4.1. Overall Online Static Security Assessment Method
4.2. Selection of Observations Considering Adjustable Devices
4.3. Selection of Responses Considering Bus Voltages and Power Flows
- , the system is in the secure state,
- , the system is in the alarmed state,
- , the system is in the insecure state.
4.4. Solution Process of Lasso Module
4.5. Solution Using Online Static Security Assessment Method
4.6. Parameters in This Section
5. Case Studies
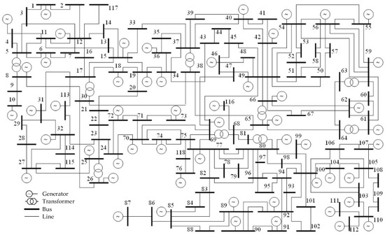
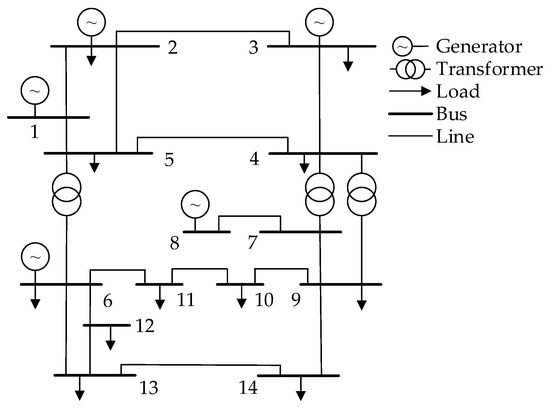
5.1. IEEE 14-Bus System
5.1.1. Case Introduction
5.1.2. Base Load Condition
5.1.3. Light and Heavy Load Conditions
5.2. IEEE 118-Bus System
5.2.1. Base Load Conditions
5.2.2. Light and Heavy Load Conditions
5.3. IEEE 300-Bus System
5.3.1. Base Load Conditions
5.3.2. Light and Heavy Load Conditions
6. Conclusions
- (1)
- Based on the online static security assessment module in this paper, the issues, which include operating state identifying and contingency screening and ranking, can be solved quickly and accurately. What’s more, the operating state considers the impacts of transformers and compensation devices, and subsequently realizes better control of power systems.
- (2)
- Due to the proposed method not needing to calculate a large number of load flow under the conditions of contingencies and the MSA-Lasso algorithm having more accuracy than the other learning algorithm, it is suitable for an online assessment of the static security of power systems.
- (3)
- Considering the current various operating states of power systems, the proposed method analyzed different load conditions that varied from 50% to 150% of the base load. Through online static security assessment modules in different load conditions, the MSA-Lasso algorithm can assess the static security problems in the normal, light, and heavy load conditions.
Author Contributions
Funding
Conflicts of Interest
Abbreviations
| OSSA | Online static security assessment |
| SSA | Static security assessment |
| DSA | Dynamic security assessment |
| NRLF | Newton–Raphson load flow |
| Lasso | Least absolute shrinkage and selection operator |
| MSA-Lasso | Multi-step adaptive least absolute shrinkage and selection operator |
| ANN | Artificial neural network |
| SVM | Support vector machine |
| The vector consisting of responses | |
| The input matrix that is formed by observations | |
| The size of the training set | |
| The number of controlled variables | |
| The shrinkage tuning parameter | |
| Active power output of generator | |
| Reactive power output of generator | |
| The number of generators | |
| Active load of load bus | |
| Reactive load of load bus | |
| Voltage amplitude of bus | |
| Voltage angle of bus | |
| The numbers of buses | |
| The tap of transformer | |
| The numbers of adjustable transformer taps | |
| The switching capacity of reactive power compensation capacitor | |
| The numbers of reactive power compensation capacitor banks | |
| The composite security index |
References
- Le, D.D.; Berizzi, A.; Bovo, C.A. Probabilistic security assessment approach to power systems with integrated wind resources. Renew. Energy 2016, 85, 114–123. [Google Scholar] [CrossRef]
- Morison, K.; Wang, L.; Kundur, P. Power system security assessment. IEEE Power Energy Mag. 2004, 2, 30–39. [Google Scholar] [CrossRef]
- Jensen, C.A.; El-Sharkawi, M.A.; Marks, R.J. Power system security assessment using neural networks: Feature selection using Fisher discrimination. IEEE Trans. Power Syst. 2001, 4, 757–763. [Google Scholar] [CrossRef]
- Jiongcong, C.H.E.N.; Liang, G.; Zexiang, C.A.I.; Chunchao, H.U.; Yan, X.U.; Fengji, L.U.O.; Junhua, Z.H.A.O. Impact analysis of false data injection attacks on power system static security assessment. J. Mod. Power Syst. Clean Energy 2016, 4, 496–505. [Google Scholar] [CrossRef]
- Chen, D.; Jiang, H.; Li, Y.; Xu, D. A Two-layered parallel static security assessment for large-scale grids based on GPU. IEEE Trans. Smart Grid 2017, 8, 1396–1405. [Google Scholar] [CrossRef]
- Li, Y.; Yang, Z. Application of EOS-ELM with binary Jaya-based feature selection to real-time transient stability assessment using PMU data. IEEE Access 2017, 5, 23092–23101. [Google Scholar] [CrossRef]
- Geeganage, J.; Annakkage, U.D.; Weekes, T.; Archer, B.A. Application of energy-based power system features for dynamic security assessment. IEEE Trans. Power Syst. 2015, 30, 1957–1965. [Google Scholar] [CrossRef]
- Konstantelos, I.; Jamgotchian, G.; Tindemans, S.H.; Duchesne, P.; Cole, S.; Merckx, C.; Strbac, G.; Panciatici, P. Implementation of a massively parallel dynamic security assessment platform for large-scale grids. IEEE Trans. Smart Grid 2017, 8, 1417–1426. [Google Scholar] [CrossRef]
- Javan, D.S.; Mashhadi, H.R.; Rouhani, M.A. Fast static security assessment method based on radial basis function neural networks using enhanced clustering. Int. J. Electr. Power Energy Syst. 2013, 44, 988–996. [Google Scholar] [CrossRef]
- Vieira, D.; Nunes, M.; Bezerra, U. Decision tree-based preventive control applications to enhance fault ride through capability of doubly-fed induction generator in power systems. Energies 2018, 11, 1760. [Google Scholar] [CrossRef]
- Zhang, W.; Xu, Y.; Dong, Z.; Wong, K.P. Robust security constrained-optimal power flow using multiple microgrids for corrective control of power systems under uncertainty. IEEE Trans. Ind. Inform. 2017, 13, 1704–1713. [Google Scholar] [CrossRef]
- Verma, K.; Niazi, K.R. Supervised learning approach to online contingency screening and ranking in power systems. Int. J. Electr. Power Energy Syst. 2012, 38, 97–104. [Google Scholar] [CrossRef]
- Varshney, S.; Srivastava, L.; Pandit, M. A parallel computing approach for integrated security assessment of power system. Int. J. Electr. Power Energy Syst. 2016, 78, 591–599. [Google Scholar] [CrossRef]
- Krishnan, V.; McCalley, J.D.; Henry, S.; Issad, S. Efficient database generation for decision tree based power system security assessment. IEEE Trans. Power Syst. 2011, 26, 2319–2327. [Google Scholar] [CrossRef]
- Sekhar, P.; Mohanty, S. An online power system static security assessment module using multi-layer perceptron and radial basis function network. Int. J. Electr. Power Energy Syst. 2016, 76, 165–173. [Google Scholar] [CrossRef]
- Sunitha, R.; Kumar, S.K.; Mathew, A.T. Online static security assessment module using artificial neural networks. IEEE Trans. Power Syst. 2013, 28, 4328–4335. [Google Scholar] [CrossRef]
- Li, Y.; Li, G.; Zhao, D.; Chen, C. Two-stage multi-objective OPF for AC/DC grids with VSC-HVDC: Incorporating decisions analysis into optimization process. Energy 2018, 147, 286–296. [Google Scholar] [CrossRef]
- Dall’Anese, E.; Simonetto, A. Optimal power flow pursuit. IEEE Trans. Smart Grid 2018, 9, 942–952. [Google Scholar] [CrossRef]
- Li, Q.; Vittal, V. Convex hull of the quadratic branch AC power flow equations and its application in radial distribution networks. IEEE Trans. Power Syst. 2018, 33, 839–850. [Google Scholar] [CrossRef]
- Yorino, N.; Abdillah, M.; Sasaki, Y.; Zoka, Y. Robust power system security assessment under uncertainties using bi-level optimization. IEEE Trans. Power Syst. 2018, 33, 352–362. [Google Scholar] [CrossRef]
- Chen, Y.; Xu, Z.; Østergaard, J. Security assessment for intentional island operation in modern power system. Electr. Power Syst. Res. 2011, 81, 1849–1857. [Google Scholar] [CrossRef]
- Al-Masri, A.N.; Ab Kadir, M.Z.A.; Hizam, H.; Mariun, N. Simulation of an adaptive artificial neural network for power system security enhancement including control action. Appl. Soft Comput. 2015, 29, 1–11. [Google Scholar] [CrossRef]
- Zhou, Q.; Davidson, J.; Fouad, A.A. Application of artificial neural networks in power system security and vulnerability assessment. IEEE Trans. Power Syst. 1994, 9, 525–532. [Google Scholar] [CrossRef]
- Varshney, S.; Srivastava, L.; Pandit, M. ANN based integrated security assessment of power system using parallel computing. Int. J. Electr. Power Energy Syst. 2012, 42, 49–59. [Google Scholar] [CrossRef]
- Oliveira, W.D.; Vieira, J.P.; Bezerra, U.H.; Martins, D.A.; Rodrigues, B.D.G. Power system security assessment for multiple contingencies using multiway decision tree. Electr. Power Syst. Res. 2017, 148, 264–272. [Google Scholar] [CrossRef]
- Saeh, I.S.; Mustafa, M.W.; Mohammed, Y.S.; Almaktar, M. Static security classification and evaluatio1n classifier design in electric power grid with presence of PV power plants using C-4.5. Renew. Sust. Energy Rev. 2016, 56, 283–290. [Google Scholar] [CrossRef]
- Segatori, A.; Marcelloni, F.; Pedrycz, W. On distributed fuzzy decision trees for big data. IEEE Trans. Fuzzy Syst. 2018, 26, 174–192. [Google Scholar] [CrossRef]
- Kalyani, S.; Swarup, K.S. Pattern analysis and classification for security evaluation in power networks. Int. J. Electr. Power Energy Syst. 2013, 44, 547–560. [Google Scholar] [CrossRef]
- Kalyani, S.; Swarup, K.S. Classification and assessment of power system security using multiclass SVM. IEEE Trans. Syst. Man Cybern. C Appl. Rev. 2011, 41, 753–758. [Google Scholar] [CrossRef]
- Majidi, M.; Etezadi-Amoli, M.; Livani, H. Distribution system state estimation using compressive sensing. Int. J. Electr. Power Energy Syst. 2017, 88, 175–186. [Google Scholar] [CrossRef]
- Jiang, J.; Ma, J.; Chen, C.; Jiang, X.; Wang, Z. Noise robust face image super-resolution through smooth sparse representation. IEEE Trans. Cybern. 2017, 47, 3991–4002. [Google Scholar] [CrossRef] [PubMed]
- Eltayeb, M.E.; Al-Naffouri, T.Y.; Bahrami, H.R. Compressive sensing for feedback reduction in MIMO broadcast channels. IEEE Trans. Commun. 2014, 62, 3209–3222. [Google Scholar] [CrossRef]
- Lv, J.; Pawlak, M.; Annakkage, U.D. Prediction of the transient stability boundary using the lasso. IEEE Trans. Power Syst. 2013, 28, 281–288. [Google Scholar] [CrossRef]
- Rasouli, M.; Lagoa, C. A nonlinear term selection method for improving synchronous machine parameters estimation. Int. J. Electr. Power Energy Syst. 2017, 85, 77–86. [Google Scholar] [CrossRef]
- Gui, J.; Liu, T.; Sun, Z.; Tao, D.; Tan, T. Fast supervised discrete hashing. IEEE Trans. Pattern Anal. Mach. Intell. 2018, 40, 490–496. [Google Scholar] [CrossRef] [PubMed]
- Zimmerman, R.D.; Murillo-Sánchez, C.E.; Thomas, R.J. MATPOWER: Steady-state operations, planning, and analysis tools for power systems research and education. IEEE Trans. Power Syst. 2011, 26, 12–19. [Google Scholar] [CrossRef]
- Li, Y.; Feng, B.; Li, G.; Qi, J.; Zhao, D.; Mu, Y. Optimal distributed generation planning in active distribution networks considering integration of energy storage. Appl. Energy 2018, 210, 1073–1081. [Google Scholar] [CrossRef]
- Li, Q.; Ayyanar, R.; Vittal, V. Convex optimization for DES planning and operation in radial distribution systems with high penetration of photovoltaic resources. IEEE Trans. Sustain. Energy 2016, 7, 985–995. [Google Scholar] [CrossRef]
- Li, Y.; Yang, Z.; Li, G.; Zhao, D.; Tian, W. Optimal scheduling of an isolated microgrid with battery storage considering load and renewable generation uncertainties. IEEE Trans. Ind. Electron. 2018. [Google Scholar] [CrossRef]
- Jin, P.; Li, Y.; Li, G.; Chen, Z.; Zhai, X. Optimized hierarchical power oscillations control for distributed generation under unbalanced conditions. Appl. Energy 2017, 194, 343–352. [Google Scholar] [CrossRef]
- Li, Y.; Wang, J.; Zhao, D.; Li, G.; Chen, C. A two-stage approach for combined heat and power economic emission dispatch: Combining multi-objective optimization with integrated decision making. Energy 2018, 162, 985–995. [Google Scholar] [CrossRef]








| Parameter | Meaning |
|---|---|
| The original observation vector | |
| The original response | |
| The post-treatment observation vector | |
| The post-treatment response | |
| The size of the training set | |
| The number of variables | |
| The design observation matrix formed by observation vectors | |
| The response vector consisting of responses | |
| The shrinkage tuning parameter | |
| The vector of regression coefficients |
| Parameter | Meaning |
|---|---|
| Active power outputs of generators | |
| The reactive power outputs of generators | |
| Active loads of load buses | |
| Reactive loads of load buses | |
| U | Voltage amplitudes of buses |
| δ | Voltage angles of buses |
| Taps of transformers | |
| Switching capacities of reactive power compensation capacitors | |
| Alarm limits of | |
| Security limits of | |
| Upper alarm limit of line active power flow | |
| Upper security limit of line active power flow | |
| PIc | Security index |
| Parameter | Observation | Response | |||||
|---|---|---|---|---|---|---|---|
| Variable | U | PIc | |||||
| Algorithm | Parameter | Value |
|---|---|---|
| MSA-Lasso | Penalty parameter | 1 |
| Number of shrinkage tuning parameters | 100 | |
| ANN | Hidden layer nodes | 5 |
| Epochs | 100 | |
| Learning rate | 0.1 | |
| Goal | 0.001 | |
| SVM | Penalty parameter | 1000 |
| Kernel parameter | 0.01 |
| Method | NRLF | MSA-Lasso | ANN | SVM |
|---|---|---|---|---|
| Time (s) | 0.2529 | 0.0783 | 0.1052 | 0.0927 |
| Variable | Value (p.u.) | Variable | Value (p.u.) |
|---|---|---|---|
| 2.3597 | 1.0075 | ||
| 0.3753 | 1.0076 | ||
| 0 | 0.9607 | ||
| 0 | 1.0047 | ||
| 0 | 0.9510 | ||
| −0.0165 | 0.9528 | ||
| 0.3743 | 0.9760 | ||
| 0.0206 | 0.9886 | ||
| 0.4733 | 0.9805 | ||
| 0.2509 | 0.9441 | ||
| 1.0500 | 0.17 | ||
| 1.0266 | 1.075 | ||
| 0.9689 | 1.025 | ||
| 0.9993 | 1.025 |
| Outage Line | NRLF | MSA-Lasso Prediction | ANN Prediction | SVM Prediction |
|---|---|---|---|---|
| L 1(1–2) | 0.6467 | 0.6485 | 0.6430 | 0.6392 |
| L 2(1–5) | 0.4065 | 0.4069 | 0.4090 | 0.4046 |
| L 3(2–3) | 0.4184 | 0.4171 | 0.4188 | 0.4163 |
| L 4(2–4) | 0.4798 | 0.4808 | 0.4842 | 0.4843 |
| L 5(2–5) | 0.3506 | 0.3515 | 0.3481 | 0.3519 |
| L 6(3–4) | 0.1470 | 0.1472 | 0.1469 | 0.1475 |
| L 7(4–5) | 0.7802 | 0.7814 | 0.7752 | 0.7766 |
| L 8(4–7) | 0.2765 | 0.2769 | 0.2788 | 0.2790 |
| L 9(4–9) | 0.6334 | 0.6329 | 0.6282 | 0.6393 |
| L 10(5–6) | 0.1586 | 0.1587 | 0.1595 | 0.1585 |
| L 11(6–11) | 2.1960 | 2.1909 | 2.1858 | 2.2013 |
| L 12(6–12) | 0.5327 | 0.5333 | 0.5364 | 0.5329 |
| L 13(6–13) | 2.5532 | 2.5450 | 2.5356 | 2.5377 |
| L 15(7–9) | 2.1749 | 2.1714 | 2.1859 | 2.1687 |
| L 16(9–10) | 0.4327 | 0.4313 | 0.4310 | 0.4304 |
| L 17(9–14) | 1.0499 | 1.0470 | 1.0558 | 1.0458 |
| L 18(10–11) | 1.3361 | 1.3387 | 1.3349 | 1.3322 |
| L 19(12–13) | 0.3816 | 0.3820 | 0.3845 | 0.3818 |
| L 20(13–14) | 2.4478 | 2.4445 | 2.4350 | 2.4317 |
| Outage line | Errors of MSA-Lasso (%) | Errors of ANN (%) | Errors of SVM (%) |
|---|---|---|---|
| L 1(1–2) | 0.2909 | −0.5716 | −1.1521 |
| L 2(1–5) | 0.0857 | 0.6023 | −0.4704 |
| L 3(2–3) | −0.3148 | 0.1012 | −0.4888 |
| L 4(2–4) | 0.2033 | 0.8992 | 0.9360 |
| L 5(2–5) | 0.2789 | −0.7009 | 0.3732 |
| L 6(3–4) | 0.0790 | −0.0655 | 0.3152 |
| L 7(4–5) | 0.1494 | −0.6513 | −0.4715 |
| L 8(4–7) | 0.1532 | 0.8395 | 0.9044 |
| L 9(4–9) | −0.0933 | −0.8291 | 0.9291 |
| L 10(5–6) | 0.0641 | 0.5136 | −0.0713 |
| L 11(6–11) | −0.2285 | −0.4608 | 0.2441 |
| L 12(6–12) | 0.1106 | 0.6771 | 0.0276 |
| L 13(6–13) | −0.3212 | −0.6900 | −0.6056 |
| L 15(7–9) | −0.1630 | 0.5034 | −0.2870 |
| L 16(9–10) | −0.3028 | −0.3842 | −0.5136 |
| L 17(9–14) | −0.2799 | 0.5574 | −0.3959 |
| L 18(10–11) | 0.1988 | −0.0852 | −0.2870 |
| L 19(12–13) | 0.1136 | 0.7502 | 0.0576 |
| L 20(13–14) | −0.1336 | −0.5202 | −0.6567 |
| Method | Ranking | ||||||||||||||||||
|---|---|---|---|---|---|---|---|---|---|---|---|---|---|---|---|---|---|---|---|
| NRLF | L 13 | L 20 | L 11 | L 15 | L 18 | L 17 | L 7 | L 1 | L 9 | L 12 | L 4 | L 16 | L 3 | L 2 | L 19 | L 5 | L 8 | L 10 | L 6 |
| MSA-Lasso | L 13 | L 20 | L 11 | L 15 | L 18 | L 17 | L 7 | L 1 | L 9 | L 12 | L 4 | L 16 | L 3 | L 2 | L 19 | L 5 | L 8 | L 10 | L 6 |
| ANN | L 13 | L 20 | L 15 | L 11 | L 18 | L 17 | L 7 | L 1 | L 9 | L 12 | L 4 | L 16 | L 3 | L 2 | L 19 | L 5 | L 8 | L 10 | L 6 |
| SVM | L 13 | L 20 | L 11 | L 15 | L 18 | L 17 | L 7 | L 9 | L 1 | L 12 | L 4 | L 16 | L 3 | L 2 | L 19 | L 5 | L 8 | L 10 | L 6 |
| Outage Line | NRLF | MSA-Lasso Prediction | ANN Prediction | SVM Prediction |
|---|---|---|---|---|
| L 20(13–14) | 1.9557 | 1.9500 | 1.9677 | 1.9786 |
| L 13(6–13) | 1.8806 | 1.8829 | 1.8790 | 1.8698 |
| L 11(6–11) | 1.7781 | 1.7739 | 1.7880 | 1.8013 |
| L 15(7–9) | 1.5623 | 1.5621 | 1.5717 | 1.5622 |
| L 18(10–11) | 0.9984 | 0.9995 | 0.9931 | 0.9977 |
| L 17(9–14) | 0.5178 | 0.5162 | 0.5146 | 0.5190 |
| L 7(4–5) | 0.3878 | 0.3870 | 0.3890 | 0.3899 |
| L 9(4–9) | 0.3014 | 0.3005 | 0.3040 | 0.3018 |
| L 12(6–12) | 0.2111 | 0.2118 | 0.2111 | 0.2102 |
| L 1(1–2) | 0.1550 | 0.1551 | 0.1551 | 0.1564 |
| L 4(2–4) | 0.1448 | 0.1451 | 0.1457 | 0.1453 |
| L 16(9–10) | 0.1335 | 0.1334 | 0.1325 | 0.1330 |
| L 2(1–5) | 0.0985 | 0.0985 | 0.0978 | 0.0978 |
| L 19(12–13) | 0.0832 | 0.0830 | 0.0831 | 0.0843 |
| L 3(2–3) | 0.0748 | 0.0750 | 0.0753 | 0.0749 |
| L 5(2–5) | 0.0417 | 0.0417 | 0.0419 | 0.0417 |
| L 6(3–4) | 0 | 0 | 0 | 0 |
| L 8(4–7) | 0 | 0 | 0.0013 | 0 |
| L 10(5–6) | 0 | 0 | 0 | 0 |
| Outage Line | NRLF | MSA-Lasso Lrediction | ANN Prediction | SVM Prediction |
|---|---|---|---|---|
| L 13(6–13) | 2.9115 | 2.9148 | 2.8915 | 2.9455 |
| L 20(13–14) | 2.7138 | 2.7206 | 2.7142 | 2.7071 |
| L 15(7–9) | 2.5116 | 2.5062 | 2.5020 | 2.4787 |
| L 11(6–11) | 2.4284 | 2.4343 | 2.4261 | 2.4788 |
| L 18(10–11) | 1.5278 | 1.5276 | 1.5397 | 1.5399 |
| L 17(9–14) | 1.3259 | 1.3278 | 1.3154 | 1.3394 |
| L 1(1–2) | 1.0056 | 1.0044 | 1.0017 | 1.0093 |
| L 7(4–5) | 0.9890 | 0.9888 | 0.9845 | 0.9860 |
| L 9(4–9) | 0.8118 | 0.8128 | 0.8092 | 0.8155 |
| L 12(6–12) | 0.7024 | 0.7015 | 0.7027 | 0.7021 |
| L 4(2–4) | 0.6649 | 0.6658 | 0.6624 | 0.6723 |
| L 3(2–3) | 0.6120 | 0.6104 | 0.6132 | 0.6128 |
| L 16(9–10) | 0.5946 | 0.5926 | 0.5979 | 0.6003 |
| L 2(1–5) | 0.5727 | 0.5733 | 0.5720 | 0.5710 |
| L 19(12–13) | 0.5388 | 0.5387 | 0.5412 | 0.5358 |
| L 5(2–5) | 0.5155 | 0.5141 | 0.5166 | 0.5171 |
| L 8(4–7) | 0.4615 | 0.4622 | 0.4585 | 0.4624 |
| L 10(5–6) | 0.3850 | 0.3860 | 0.3839 | 0.3872 |
| L 6(3–4) | 0.3078 | 0.3081 | 0.3091 | 0.3086 |
| Outage Line | NRLF | MSA-Lasso | Relative Error (%) |
|---|---|---|---|
| L 133(85–86) | 45.3983 | 45.5113 | 0.2490 |
| L 7(8–9) | 5.6776 | 5.6735 | −0.0724 |
| L 97(64–65) | 3.2101 | 3.2149 | 0.1500 |
| L 60(34–43) | 2.6039 | 2.5991 | −0.1851 |
| L 121(77–78) | 1.7891 | 1.7866 | −0.1439 |
| L 104(65–68) | 1.5820 | 1.5841 | 0.1347 |
| L 128(77–82) | 1.3925 | 1.3961 | 0.2607 |
| L 74(53–54) | 1.3513 | 1.3500 | −0.0965 |
| L 40(29–31) | 1.2995 | 1.3023 | 0.2105 |
| L 147(94–95) | 1.2748 | 1.2757 | 0.0679 |
| L 155(94–100) | 1.1396 | 1.1389 | −0.0633 |
| L 160(100–101) | 0.8759 | 0.8780 | 0.2436 |
| L 156(95–96) | 0.8673 | 0.8685 | 0.1333 |
| L 68(45–49) | 0.7681 | 0.7699 | 0.2366 |
| L 103(66–67) | 0.6108 | 0.6108 | −0.0029 |
| L 151(80–97) | 0.5323 | 0.5312 | −0.2069 |
| L 169(105–106) | 0.4454 | 0.4448 | −0.1327 |
| L 35(28–29) | 0.3897 | 0.3905 | 0.2001 |
| L 131(83–85) | 0.3318 | 0.3302 | −0.4858 |
| L 157(96–97) | 0.2903 | 0.2892 | −0.3773 |
| L 135(85–88) | 0.2532 | 0.2528 | −0.1366 |
| L 123(77–80) | 0.2277 | 0.2275 | −0.0820 |
| L 106(49–69) | 0.2091 | 0.2082 | −0.4515 |
| L 114(70–74) | 0.2088 | 0.2088 | 0.0060 |
| L 108(69–70) | 0.2087 | 0.2091 | 0.1831 |
| L 166(103–105) | 0.2073 | 0.2064 | −0.4133 |
| L 164(100–104) | 0.2044 | 0.2041 | −0.1624 |
| L 142(89–92) | 0.1972 | 0.1966 | −0.2829 |
| L 139(89–90) | 0.1887 | 0.1892 | 0.2562 |
| L 141(89–92) | 0.1529 | 0.1529 | −0.0317 |
| Method | NRLF | MSA-Lasso | MLFFN [16] | RBFN [16] |
|---|---|---|---|---|
| Time (s) | 12.269 | 0.875 | 1.438 | 1.172 |
| Outage Line | Light Load Condition | Heavy Load Condition |
|---|---|---|
| L 133(85–86) | 44.3598 | 45.8894 |
| L 7(8–9) | 5.6771 | 5.6818 |
| L 97(64–65) | 3.2004 | 3.2143 |
| L 60(34–43) | 1.9922 | 2.9717 |
| L 121(77–78) | 1.7229 | 1.9869 |
| L 104(65–68) | 1.5353 | 1.7278 |
| L 128(77–82) | 1.3043 | 1.6184 |
| L 74(53–54) | 1.2932 | 1.5375 |
| L 40(29–31) | 1.1212 | 1.3955 |
| L 147(94–95) | 1.0863 | 1.2815 |
| L 155(94–100) | 0.9742 | 1.1406 |
| L 160(100–101) | 0.8713 | 0.9323 |
| L 156(95–96) | 0.8360 | 0.8709 |
| L 68(45–49) | 0.7522 | 0.0835 |
| L 103(66–67) | 0.5986 | 0.6553 |
| L 151(80–97) | 0.5215 | 0.5474 |
| L 169(105–106) | 0.4339 | 0.5734 |
| L 35(28–29) | 0.4283 | 0.4032 |
| L 131(83–85) | 0.4186 | 0.3385 |
| L 157(96–97) | 0.2857 | 0.3057 |
| L 135(85–88) | 0.2861 | 0.2875 |
| L 123(77–80) | 0.2069 | 0.2736 |
| L 106(49–69) | 0.2038 | 0.2687 |
| L 114(70–74) | 0.2022 | 0.2676 |
| L 108(69–70) | 0.2012 | 0.2682 |
| L 166(103–105) | 0.2004 | 0.2669 |
| L 164(100–104) | 0.1983 | 0.2656 |
| L 142(89–92) | 0.1928 | 0.2335 |
| L 139(89–90) | 0.1690 | 0.1997 |
| L 141(89–92) | 0.1385 | 0.1538 |
| Outage Line | NRLF | MSA-Lasso | Relative Error (%) |
|---|---|---|---|
| L 181(119–120) | 284.1077 | 283.5923 | −0.1814 |
| L 309(225–191) | 50.4040 | 50.5872 | 0.3635 |
| L 114(59–61) | 19.5083 | 19.5364 | 0.1436 |
| L 242(162–164) | 17.2150 | 17.2048 | −0.0592 |
| L 257(178–180) | 6.7417 | 6.7493 | 0.1133 |
| L 322(241–237) | 6.7152 | 6.7214 | 0.0917 |
| L 246(167–169) | 3.1995 | 3.2130 | 0.4206 |
| L 205(133–137) | 1.2821 | 1.2851 | 0.2337 |
| L 10(9006–9007) | 1.1665 | 1.1688 | 0.1944 |
| L 59(16–42) | 1.1353 | 1.1391 | 0.3343 |
| L 249(173–174) | 1.0834 | 1.0789 | −0.4179 |
| L 210(134–184) | 1.0549 | 1.0556 | 0.0670 |
| L 174(115–122) | 0.8585 | 0.8621 | 0.4129 |
| L 273(194–664) | 0.4088 | 0.4089 | 0.0342 |
| L 207(133–169) | 0.3709 | 0.3695 | −0.3729 |
| L 308(224–226) | 0.3678 | 0.3681 | 0.0611 |
| L 275(196–197) | 0.1832 | 0.1828 | −0.2299 |
| L 86(38–41) | 0.1707 | 0.1707 | −0.0462 |
| L 323(240–281) | 0.1479 | 0.1474 | −0.3416 |
| L 140(81–194) | 0.1469 | 0.1465 | −0.3172 |
| L 266(190–231) | 0.1356 | 0.1359 | 0.2660 |
| L 85(37–90) | 0.1340 | 0.1337 | −0.2068 |
| L 143(86–87) | 0.1338 | 0.1338 | 0.0051 |
| L 9(9005–9055) | 0.1330 | 0.1330 | 0.0251 |
| L 142(85–86) | 0.1276 | 0.1270 | −0.4102 |
| L 274(195–219) | 0.1240 | 0.1244 | 0.3311 |
| L 192(136–158) | 0.1217 | 0.1217 | −0.0293 |
| L 227(143–145) | 0.1206 | 0.1211 | 0.4201 |
| L 185(123–124) | 0.0989 | 0.0990 | 0.0652 |
| L 159(99–109) | 0.0881 | 0.0884 | 0.3287 |
| L 197(128–130) | 0.0819 | 0.0817 | −0.2183 |
| L 184(122–125) | 0.0783 | 0.0780 | −0.3255 |
| L 163(103–105) | 0.0782 | 0.0780 | −0.2962 |
| L 162(102–104) | 0.0737 | 0.0734 | −0.3757 |
| L 239(157–159) | 0.0726 | 0.0724 | −0.2540 |
| L 324(242–245) | 0.0671 | 0.0673 | 0.3236 |
| L 128(73–79) | 0.0663 | 0.0665 | 0.2394 |
| L 54(13–20) | 0.0654 | 0.0656 | 0.3786 |
| L 112(57–63) | 0.0645 | 0.0643 | −0.3573 |
| L 251(173–176) | 0.0641 | 0.0639 | −0.3667 |
| L 201(130–132) | 0.0632 | 0.0634 | 0.4178 |
| L 65(22–23) | 0.0619 | 0.0620 | 0.0239 |
| L 314(228–234) | 0.0614 | 0.0616 | 0.2539 |
| L 248(172–174) | 0.0613 | 0.0612 | −0.1593 |
| L 215(137–181) | 0.0611 | 0.0610 | −0.3247 |
| L 256(178–179) | 0.0610 | 0.0611 | −0.0074 |
| L 295(214–242) | 0.0608 | 0.0608 | −0.0681 |
| L 315(229–190) | 0.0604 | 0.0606 | 0.3647 |
| L 340(10–11) | 0.0599 | 0.0598 | −0.2893 |
| L 221(140–145) | 0.0596 | 0.0594 | −0.2511 |
| L 120(69–79) | 0.0593 | 0.0591 | −0.2974 |
| L 222(140–146) | 0.0588 | 0.0591 | 0.4009 |
| L 14(9012–9002) | 0.0526 | 0.0527 | 0.2202 |
| L 335(3–1) | 0.0477 | 0.0476 | −0.2486 |
| L 48(7–131) | 0.0466 | 0.0467 | 0.1484 |
| L 80(37–38) | 0.0322 | 0.0322 | −0.2373 |
| L 7(9005–9053) | 0.0289 | 0.0288 | −0.0387 |
| L 21(9007–9071) | 0.0073 | 0.0074 | 0.3859 |
| L 34(9003–9036) | 0.0073 | 0.0073 | 0.0760 |
| L 118(63–526) | 0.0052 | 0.0052 | −0.2994 |
| Outage Line | Light Load Condition | Heavy Load Condition |
|---|---|---|
| L 181(119–120) | 147.7148 | 341.7919 |
| L 309(225–191) | 40.2870 | 70.5317 |
| L 114(59–61) | 23.7148 | 39.3177 |
| L 242(162–164) | 13.3284 | 35.5648 |
| L 257(178–180) | 7.2198 | 11.5840 |
| L 322(241–237) | 6.4276 | 11.2255 |
| L 246(167–169) | 1.4334 | 9.0839 |
| L 205(133–137) | 0.9297 | 9.9235 |
| L 10(9006–9007) | 0.9201 | 3.7961 |
| L 59(16–42) | 0.8912 | 3.4846 |
| L 249(173–174) | 0.8763 | 3.2126 |
| L 210(134–184) | 0.7992 | 3.0168 |
| L 174(115–122) | 0.7311 | 2.8433 |
| L 273(194–664) | 0.3252 | 2.7788 |
| L 207(133–169) | 0.3732 | 2.5910 |
| L 308(224–226) | 0.2521 | 2.3859 |
| L 275(196–197) | 0.1436 | 2.0399 |
| L 86(38–41) | 0.1418 | 1.9632 |
| L 323(240–281) | 0.1586 | 1.9495 |
| L 140(81–194) | 0.1513 | 1.9282 |
| L 266(190–231) | 0.1151 | 1.9248 |
| L 85(37–90) | 0.1146 | 1.8892 |
| L 143(86–87) | 0.0945 | 1.8849 |
| L 9(9005–9055) | 0.0944 | 1.8741 |
| L 142(85–86) | 0.0841 | 1.7082 |
| L 274(195–219) | 0.0834 | 1.6927 |
| L 192(136–158) | 0.0834 | 1.6454 |
| L 227(143–145) | 0.0825 | 1.6394 |
| L 185(123–124) | 0.0525 | 1.9374 |
| L 159(99–109) | 0.0524 | 1.8280 |
| L 197(128–130) | 0.0523 | 1.7938 |
| L 184(122–125) | 0.0515 | 1.7828 |
| L 163(103–105) | 0.0418 | 1.5820 |
| L 162(102–104) | 0.0491 | 1.5415 |
| L 239(157–159) | 0.0507 | 1.5416 |
| L 324(242–245) | 0.0476 | 1.5606 |
| L 128(73–79) | 0.0476 | 1.5222 |
| L 54(13–20) | 0.0477 | 1.4659 |
| L 112(57–63) | 0.0467 | 1.5399 |
| L 251(173–176) | 0.0466 | 1.5381 |
| L 201(130–132) | 0.0464 | 1.4931 |
| L 65(22–23) | 0.0464 | 1.3600 |
| L 314(228–234) | 0.0464 | 1.2715 |
| L 248(172–174) | 0.0455 | 1.2575 |
| L 215(137–181) | 0.0492 | 1.1494 |
| L 256(178–179) | 0.0474 | 1.1425 |
| L 295(214–242) | 0.0460 | 1.0201 |
| L 315(229–190) | 0.0388 | 1.0044 |
| L 340(10–11) | 0.0290 | 0.9898 |
| L 221(140–145) | 0.0249 | 0.9442 |
| L 120(69–79) | 0.0243 | 0.9717 |
| L 222(140–146) | 0.0181 | 0.9353 |
| L 14(9012–9002) | 0.0155 | 0.8952 |
| L 335(3–1) | 0.0134 | 0.8542 |
| L 48(7–131) | 0.0125 | 0.8440 |
| L 80(37–38) | 0.0100 | 0.0762 |
| L 7(9005–9053) | 0.0084 | 0.0761 |
| L 21(9007–9071) | 0.0062 | 0.0378 |
| L 34(9003–9036) | 0 | 0.0092 |
| L 118(63–526) | 0 | 0.0076 |
© 2018 by the authors. Licensee MDPI, Basel, Switzerland. This article is an open access article distributed under the terms and conditions of the Creative Commons Attribution (CC BY) license (http://creativecommons.org/licenses/by/4.0/).
Share and Cite
Li, Y.; Li, Y.; Sun, Y. Online Static Security Assessment of Power Systems Based on Lasso Algorithm. Appl. Sci. 2018, 8, 1442. https://doi.org/10.3390/app8091442
Li Y, Li Y, Sun Y. Online Static Security Assessment of Power Systems Based on Lasso Algorithm. Applied Sciences. 2018; 8(9):1442. https://doi.org/10.3390/app8091442
Chicago/Turabian StyleLi, Yahui, Yang Li, and Yuanyuan Sun. 2018. "Online Static Security Assessment of Power Systems Based on Lasso Algorithm" Applied Sciences 8, no. 9: 1442. https://doi.org/10.3390/app8091442
APA StyleLi, Y., Li, Y., & Sun, Y. (2018). Online Static Security Assessment of Power Systems Based on Lasso Algorithm. Applied Sciences, 8(9), 1442. https://doi.org/10.3390/app8091442

