Multi-Phase Under Voltage Load Shedding Scheme for Preventing Delayed Voltage Recovery by Induction Motor Power Consumption Characteristics
Abstract
1. Introduction
2. Modeling and Problem Statement
2.1. Static Load Model
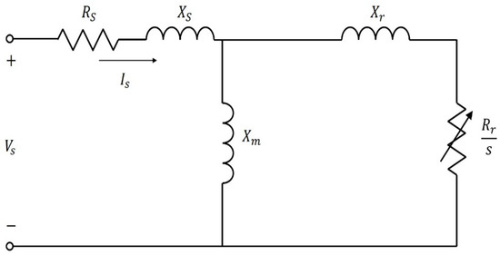
2.2. Dynamic Load Model
2.3. Composite Load Model
2.4. Development of Load Configuration for the Korean Power System
2.5. Problem Statement
3. Analysis of IM Loads Characteristics in Power System
3.1. IM Load Parameter Sensitivity Analysis
3.2. Voltage Recovery Characteristics of IM Loads
3.3. Voltage Recovery Criteria
4. Results and Discussion
4.1. Multi-Phase Under Voltage Load Shedding Scheme Strategy
4.2. Case Studies
5. Conclusions
Author Contributions
Funding
Acknowledgments
Conflicts of Interest
References
- Dong, Y.; Xie, X.; Wang, K.; Zhou, B.; Jiang, Q. An emergency-demand-response based under speed load shedding scheme to improve short-term voltage stability. IEEE Trans. Power Syst. 2017, 32, 3726–3735. [Google Scholar] [CrossRef]
- Paramasivam, M.; Salloum, A.; Ajjarapu, V.; Vittal, V.; Bhatt, N.B.; Liu, S. Dynamic optimization based reactive power planning to mitigate slow voltage recovery and short term voltage instability. IEEE Trans. Power Syst. 2013, 28, 3865–3873. [Google Scholar] [CrossRef]
- Bai, H.; Ajjarapu, V. A novel online load shedding strategy for mitigating fault-induced delayed voltage recovery. IEEE Trans. Power Syst. 2011, 26, 294–304. [Google Scholar] [CrossRef]
- Glavic, M.; Novosel, D.; Heredia, E.; Kosterev, D.; Salazar, A.; Habibi-Ashrafi, F.; Donnelly, M. See it fast to keep calm: Real-time voltage control under stressed conditions. IEEE Power Energy Mag. 2012, 10, 43–55. [Google Scholar] [CrossRef]
- De Leon, J.D.; Taylor, C.W. Understanding and solving short-term voltage stability problems. In Proceedings of the Power Engineering Society Summer Meeting, Chicago, IL, USA, 21–25 July 2002; Volume 2, pp. 745–752. [Google Scholar]
- Al-Mubarak, A.H.; Bamsak, S.M.; Thorvaldsson, B.; Halonen, M.; Grunbaum, R. Preventing voltage collapse by large SVCs at power system faults. In Proceedings of the 2009 IEEE/PES Power Systems Conference and Exposition, Seattle, WA, USA, 15–18 March 2009; pp. 1–9. [Google Scholar]
- Alaqeel, T.A.; Almohaimeed, S.A.; Suryanarayanan, S. A review of air conditioning motor loads stalling on voltage recovery in the saudi electric grid. In Proceedings of the Power Symposium (NAPS), Morgantown, WV, USA, 17–19 September 2017; pp. 1–6. [Google Scholar]
- Price, W.W.; Casper, S.G.; Nwankpa, C.O.; Bradish, R.W.; Chiang, H.D.; Concordia, C.; Wu, G. Bibliography on load models for power flow and dynamic performance simulation. IEEE Power Eng. Rev. 1995, 15, 70. [Google Scholar]
- Price, W.W.; Taylor, C.W.; Rogers, G.J. Standard load models for power flow and dynamic performance simulation. IEEE Trans. Power Syst. 1995, 10, 1302–1313. [Google Scholar]
- Stankovic, A.M.; Lesieutre, B.C.; Aydin, T. Modeling and analysis of single-phase induction machines with dynamic phasors. IEEE Trans. Power Syst. 1999, 14, 9–14. [Google Scholar] [CrossRef]
- Bravo, R.; Yinger, R.; Chassin, D.; Huang, H.; Lu, N.; Hiskens, I.; Venkataramanan, G. Final Project Report Load Modeling Transmission Research; Lawrence Berkeley National Laboratory (LBNL): Berkeley, CA, USA, 2010. [Google Scholar]
- Liu, Y.; Vittal, V.; Undrill, J.; Eto, J.H. Transient model of air-conditioner compressor single phase induction motor. IEEE Trans. Power Syst. 2013, 28, 4528–4536. [Google Scholar] [CrossRef]
- Tomiyama, K.; Daniel, J.P.; Ihara, S. Modeling air conditioner load for power system studies. IEEE Trans. Power Syst. 1998, 13, 414–421. [Google Scholar] [CrossRef]
- Wu, H.; Dobson, I. Cascading stall of many induction motors in a simple system. IEEE Trans. Power Syst. 2012, 27, 2116–2126. [Google Scholar] [CrossRef]
- Wu, H.; Dobson, I. Analysis of induction motor cascading stall in a simple system based on the CASCADE model. IEEE Trans. Power Syst. 2013, 28, 3184–3193. [Google Scholar] [CrossRef]
- Zheng, H.; DeMarco, C.L. A New Dynamic Performance Model of Motor Stalling and FIDVR for Smart Grid Monitoring/Planning. IEEE Trans. Smart Grid 2016, 7, 1989–1996. [Google Scholar] [CrossRef]
- Sullivan, D.; Pape, R.; Birsa, J.; Riggle, M.; Takeda, M.; Teramoto, H.; Kono, Y.; Temma, K.; Yasuda, S.; Wofford, K.; et al. Managing fault-induced delayed voltage recovery in Metro Atlanta with the Barrow County SVC. In Proceedings of the Power Systems Conference and Exposition, Seattle, WA, USA, 15–18 March 2009; pp. 1–6. [Google Scholar]
- Meliopoulos, A.S.; Cokkinides, G.; Stefopoulos, G. Voltage stability and voltage recovery: Load dynamics and dynamic VAR sources. In Proceedings of the Power Systems Conference and Exposition, Atlanta, GA, USA, 29 October–1 November 2006; pp. 124–131. [Google Scholar]
- Hsu, S.M. Design and application of a static VAR compensator for voltage support in the Dublin, Georgia area. In Proceedings of the 2005/2006 IEEE/PES Transmission and Distribution Conference and Exhibition, Dallas, TX, USA, 21–24 May 2006; pp. 1399–1406. [Google Scholar]
- Du, M.; Han, M.; Cao, Z.; Chu, F.; Ei-Kady, M. Utilizing STATCON to resolve delayed voltage recovery problem in SEC-WR. In Proceedings of the Asia-Pacific Power and Energy Engineering Conference, Wuhan, China, 28–31 March 2009; pp. 1–4. [Google Scholar]
- Taylor, C.W. Concepts of undervoltage load shedding for voltage stability. IEEE Trans. Power Deliv. 1992, 7, 480–488. [Google Scholar] [CrossRef]
- Mollah, K.; Bahadornejad, M.; Nair, N.K.; Ancell, G. Automatic under-voltage load shedding: A systematic review. In Proceedings of the 2012 IEEE Power and Energy Society General Meeting, San Diego, CA, USA, 22–26 July 2012; pp. 1–7. [Google Scholar]
- Van Cutsem, T.; Vournas, C. Voltage Stability of Electric Power Systems; Springer Science & Business Media: New York, NY, USA, 1998; Volume 441. [Google Scholar]
- Ladhani, S.S.; Rosehart, W. Under voltage load shedding for voltage stability overview of concepts and principles. In Proceedings of the Power Engineering Society General Meeting, Denver, CO, USA, 6–10 June 2004; pp. 1597–1602. [Google Scholar]
- Saffarian, A.; Sanaye-Pasand, M. Enhancement of power system stability using adaptive combinational load shedding methods. IEEE Trans. Power Syst. 2011, 26, 1010–1020. [Google Scholar] [CrossRef]
- Tang, J.; Liu, J.; Ponci, F.; Monti, A. Adaptive load shedding based on combined frequency and voltage stability assessment using synchrophasor measurements. IEEE Trans. Power Syst. 2013, 28, 2035–2047. [Google Scholar] [CrossRef]
- IEEE PES Power System Relaying Committee. Working Group C-13, System Protection Subcommittee-Undervoltage Load Shedding Protection; IEEE PES Power System Relaying Committee: Minneapolis, MN, USA, 28 June 2010. [Google Scholar]
- Zamani, M.H.; Fathi, S.H.; Riahy, G.H.; Abedi, M.; Abdolghani, N. Improving transient stability of grid-connected squirrel-cage induction generators by plugging mode operation. IEEE Trans. Energy Convers. 2012, 27, 707–714. [Google Scholar] [CrossRef]
- Wang, D.; Yuan, X.; Zhang, M. Power-Balancing Based Induction Machine Model for Power System Dynamic Analysis in Electromechanical Timescale. Energies 2018, 11, 438. [Google Scholar] [CrossRef]
- North American Electric Reliability Corporation. Technical Reference Paper Fault-Induced Delayed Voltage Recovery; 2009. [Google Scholar]
- Borges, R.C.; Ramos, R.A. Analysis of the influence of the FIDVR problem in the operation of a DFIG under unbalanced conditions. In Proceedings of the 2016 IEEE PES Transmission & Distribution Conference and Exposition-Latin America (PES T&D-LA), Morelia, Mexico, 20–24 September 2016; pp. 1–6. [Google Scholar]
- Operator, A.E.M. Black System, South Australia, 28 September 2016. Power system operating incident reports; Australian Energy Market Operator: Melbourne, Australia, 2017. [Google Scholar]
- Miller, N.W.; Shao, M. Active control of distribution connected photovoltaic systems for reduction of fault-induced delayed voltage recovery. In Proceedings of the CIRED Workshop, Rome, Italy, 11–12 June 2014; pp. 1–4. [Google Scholar]
- Lammert, G.; Boemer, J.C.; Premm, D.; Glitza, O.; Ospina, L.D.P.; Fetzer, D.; Braun, M. Impact of fault ride-through and dynamic reactive power support of photovoltaic systems on short-term voltage stability. In Proceedings of the 2017 IEEE PowerTech, Manchester, UK, 18–22 June 2017; pp. 1–6. [Google Scholar]
- On the Role of Residential AC Units in Contributing to Fault-Induced Delayed Voltage Recovery. In Proceedings of the U.S. Department of Energy Workshop, Irving, TX, USA, 22 April 2008.
- Arif, A.; Wang, Z.; Wang, J.; Mather, B.; Bashualdo, H.; Zhao, D. Load Modeling–A Review. IEEE Trans. Smart Grid 2017. [Google Scholar] [CrossRef]
- Kim, J.K.; An, K.; Ma, J.; Shin, J.; Song, K.B.; Park, J.D.; Park, J.W.; Hur, K. Fast and reliable estimation of composite load model parameters using analytical similarity of parameter sensitivity. IEEE Trans. Power Syst. 2016, 31, 663–671. [Google Scholar] [CrossRef]
- Boemer, J.C.; Rawn, B.G.; Gibescu, M.; van der Meijden, M.A.; Kling, W.L. Response of wind power park modules in distribution systems to transmission network faults during reverse power flows. IET Renew. Power Gener. 2015, 9, 1033–1042. [Google Scholar] [CrossRef]
- Son, S.; Lee, S.H.; Choi, D.H.; Song, K.B.; Park, J.D.; Kwon, Y.H.; Hur, K.; Park, J.W. Improvement of composite load modeling based on parameter sensitivity and dependency analyses. IEEE Trans. Power Syst. 2014, 29, 242–250. [Google Scholar] [CrossRef]
- Price, W.W.; Chiang, H.D.; Clark, H.K.; Concordia, C.; Lee, D.C.; Hsu, J.C.; Srinivasan, K. Load representation for dynamic performance analysis. IEEE Trans. Power Syst. 1993, 8, 472–482. [Google Scholar]
- Widjaja, I.; Latulipe, D.; D’Aquila, D.; Ng, G.; Swe, K. SS-38 Load Modeling Working Group Progress Report; North American Electric Reliability Corp: Atlanta, GA, USA, 2016. [Google Scholar]
- Korean Statistical Information Service. Available online: http://kosis.kr/index/index.do (accessed on 8 May 2018).
- Electric Power Statistics Information System. Available online: http://epsis.kpx.or.kr/epsisnew/ (accessed on 10 May 2018).
- Kundur, P.; Balu, N.J.; Lauby, M.G. Power System Stability and Control; McGraw-hill: New York, NY, USA, 1994; Volume 7. [Google Scholar]
- Halpin, S.M.; Harley, K.A.; Jones, R.A.; Taylor, L.Y. Slope-permissive under-voltage load shed relay for delayed voltage recovery mitigation. IEEE Trans. Power Syst. 2008, 23, 1211–1216. [Google Scholar] [CrossRef]
- PJM Transmission Planning Department. EXELON Transmission Planning Criteria; PJM Transmission Planning Department: Philadelphia, PA, USA, 2009. [Google Scholar]
- Zheng, W.X.; Han, Q.L. Distributed Energy Management for Smart Grids with an Event-Triggered Communication Scheme. IEEE Trans. Control Syst. Technol. 2018, PP, 1–12. [Google Scholar]
- Ding, L.; Han, Q.L.; Wang, L.Y.; Sindi, E. Distributed cooperative optimal control of DC microgrids with communication delays. IEEE Trans. Ind. Inform. 2018. [Google Scholar] [CrossRef]












| Rs | Xs | Rr | Xr | Xm | H |
|---|---|---|---|---|---|
| 0.043 | 0.074 | 0.025 | 0.051 | 3.14 | 0.4~1.6 |
| IM Loads Proportion (%) | H Parameter | ||||||
|---|---|---|---|---|---|---|---|
| 0.4 | 0.6 | 0.8 | 1.0 | 1.2 | 1.4 | 1.6 | |
| 30 | ● | ● | ○ | ○ | ○ | ○ | ○ |
| 40 | ● | ● | ● | ○ | ○ | ○ | ○ |
| 50 | ● | ● | ● | ● | ● | ● | ● |
| Condition | Description | Criteria |
|---|---|---|
| 1 | Following the clearing of a fault, time to recover voltage to up to 95% of their nominal values. | Recovery Time within 2 s |
| 2 | Following the successful clearing of a fault, the voltage magnitudes should be no less than 70% of their nominal values. | Satisfaction (○)/Dissatisfaction (●) |
| 3 | Within 20 cycles following the clearing of a fault, the voltage magnitudes should be no less than 80% of their nominal values. | |
| 4 | Within 0.5 s following the clearing of a fault, the voltage magnitudes should be no less than 90% of their nominal values | |
| 5 | Within 1.5 s following the clearing of a fault, the voltage magnitudes should be no less than the steady-state voltage minimum, typically 92–95% of nominal. |
| Case | Phase-1 LSA (%) | Phase-1 LST (second) | Phase-2 LSA (%) | Phase-2 LST (second) | Phase-3 LSA (%) | Phase-3 LST (second) |
|---|---|---|---|---|---|---|
| A 1 | 40 | 0.5 | 30 | 1.0 | 30 | 1.5 |
| B 1 | 50 | 0.5 | 30 | 1.0 | 20 | 1.5 |
| C 1 | 60 | 0.5 | 40 | 1.0 | ||
| D 2 | 40 | 0.4 | 30 | 0.8 | 30 | 1.2 |
| E 2 | 50 | 0.4 | 30 | 0.8 | 20 | 1.2 |
| F 2 | 60 | 0.4 | 40 | 0.8 | ||
| G 4 | 40 | 0.3 | 30 | 1.0 | 30 | 1.5 |
| H 4 | 50 | 0.3 | 30 | 1.0 | 20 | 1.5 |
| I 4 | 60 | 0.3 | 40 | 1.0 | ||
| J 5 | 40 | 0.3 | 30 | 0.8 | 30 | 1.2 |
| K 5 | 50 | 0.3 | 30 | 0.8 | 20 | 1.2 |
| L 5 | 60 | 0.3 | 40 | 0.8 | ||
| M 1 | 40 | 0.3 | 30 | 0.8 | 30 | 1.3 |
| N 1 | 50 | 0.3 | 30 | 0.8 | 20 | 1.3 |
| O 1 | 60 | 0.3 | 40 | 0.8 | ||
| P 2 | 40 | 0.3 | 30 | 0.7 | 30 | 1.1 |
| Q 2 | 50 | 0.3 | 30 | 0.7 | 20 | 1.1 |
| R 2 | 60 | 0.3 | 40 | 0.7 | ||
| S 3 | 40 | 0.3 | 30 | 0.6 | 30 | 0.9 |
| T 3 | 50 | 0.3 | 30 | 0.6 | 20 | 0.9 |
| U 3 | 60 | 0.3 | 40 | 0.6 | ||
| Condition | IM Loads Proportion (%) | ||||
|---|---|---|---|---|---|
| 30 | 31 | 32 | 33 | 34 | |
| 1 | ○ | ○ | ○ | ○ | ○ |
| 2 | ○ | ○ | ○ | ○ | ○ |
| 3 | ○ | ○ | ○ | ○ | ○ |
| 4 | ○ | ○ | ○ | ● | ● |
| 5 | ○ | ○ | ○ | ● | ● |
| Status | Satisfaction (stability) | Dissatisfaction (instability) | |||
© 2018 by the authors. Licensee MDPI, Basel, Switzerland. This article is an open access article distributed under the terms and conditions of the Creative Commons Attribution (CC BY) license (http://creativecommons.org/licenses/by/4.0/).
Share and Cite
Lee, Y.; Song, H. Multi-Phase Under Voltage Load Shedding Scheme for Preventing Delayed Voltage Recovery by Induction Motor Power Consumption Characteristics. Appl. Sci. 2018, 8, 1115. https://doi.org/10.3390/app8071115
Lee Y, Song H. Multi-Phase Under Voltage Load Shedding Scheme for Preventing Delayed Voltage Recovery by Induction Motor Power Consumption Characteristics. Applied Sciences. 2018; 8(7):1115. https://doi.org/10.3390/app8071115
Chicago/Turabian StyleLee, Yunhwan, and Hwachang Song. 2018. "Multi-Phase Under Voltage Load Shedding Scheme for Preventing Delayed Voltage Recovery by Induction Motor Power Consumption Characteristics" Applied Sciences 8, no. 7: 1115. https://doi.org/10.3390/app8071115
APA StyleLee, Y., & Song, H. (2018). Multi-Phase Under Voltage Load Shedding Scheme for Preventing Delayed Voltage Recovery by Induction Motor Power Consumption Characteristics. Applied Sciences, 8(7), 1115. https://doi.org/10.3390/app8071115

