Sound Radiation of Aerodynamically Excited Flat Plates into Cavities
Abstract
:1. Introduction
2. Theory
3. Materials and Methods
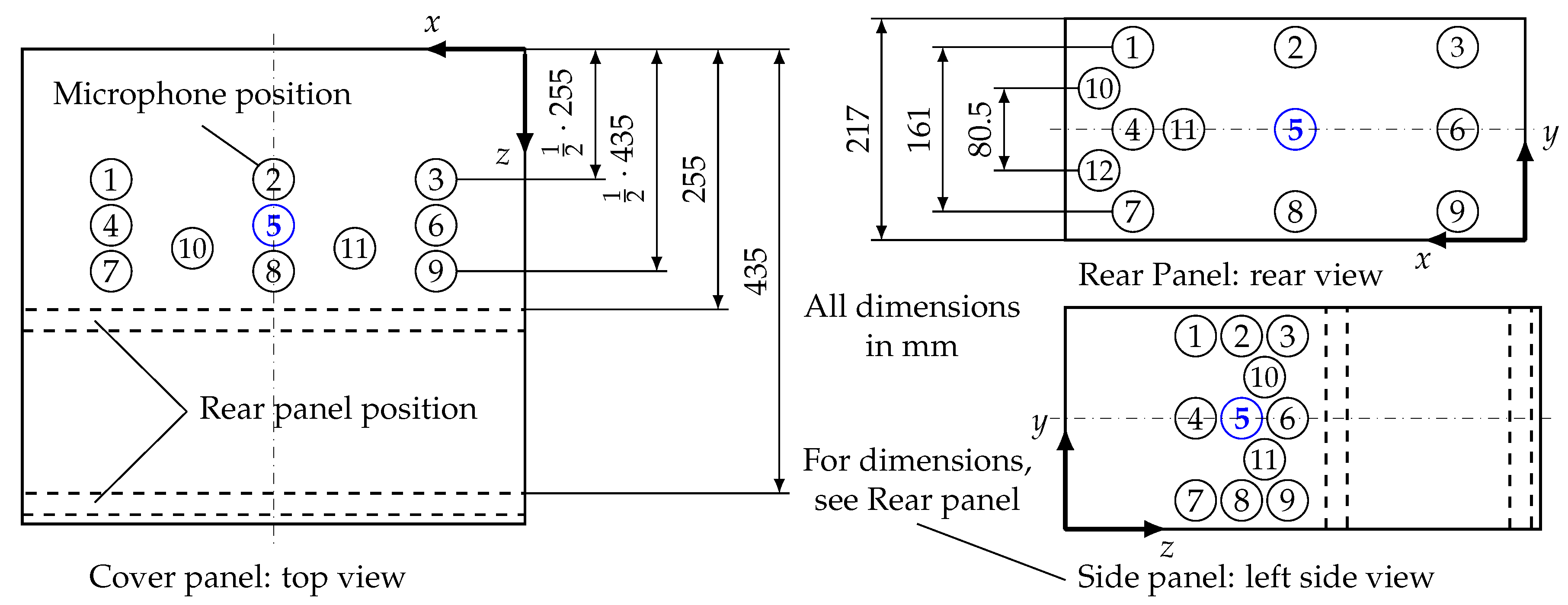
3.1. Experimental Setup
3.1.1. Flow Field
3.1.2. Sound Field
3.2. Measurement Technology and Methods
- Cavity volume: minimum and maximum
- Microphone arrangement: left, top and rear
- Flow velocity:
- Plate thickness: , and
4. Experimental Results
4.1. Flow Characterization
4.1.1. Flow Parameters
4.1.2. Boundary Layer
4.2. Flow-Induced Sound Radiation into the Cavity
5. Conclusions
Acknowledgments
Author Contributions
Conflicts of Interest
Abbreviations
| APSD | Auto Power Spectral Density |
| CAD | Computer Aided Design |
| CTA | Constant Temperature Anemometry |
| DTC | Digital Temperature Compensation |
| LSV | Laser Scanning Vibrometry |
| SPL | Sound Pressure Level |
References
- Schulte-Fortkamp, B.; Jakob, A.; Volz, R. Lärm Im Alltag-Informationsbroschüre Zum Tag Gegen Lärm; Deutsche Gesellschaft für Akustik e.V. (DEGA): Berlin, Germany, 2011. [Google Scholar]
- Purohit, A.; Darpe, A.K.; Singh, S. Experimental Investigations on Flow Induced Vibration of an Externally Excited Flexible Plate. J. Sound Vib. 2016, 371, 237–251. [Google Scholar] [CrossRef]
- Sadri, M.; Younesian, D. Vibro-Acoustic Analysis of a Coach Platform under Random Excitation. Thin Walled Struct. 2015, 95, 287–296. [Google Scholar] [CrossRef]
- Shi, S.; Su, Z.; Jin, G.; Liu, Z. Vibro-Acoustic Modeling and Analysis of a Coupled Acoustic System Comprising a Partially Opened Cavity Coupled with a Flexible Plate. Mech. Syst. Signal Process. 2018, 98, 324–343. [Google Scholar] [CrossRef]
- Ganji, H.F.; Dowell, E.H. Sound Transmission and Radiation from a Plate-Cavity System in Supersonic Flow. AIAA J. 2017, 1–24. [Google Scholar] [CrossRef]
- Schade, H.; Kunz, E. Strömungslehre, 3rd ed.; Walter de Gruyter: Berlin, Germany, 2007; ISBN 978-3-11-018972-8. [Google Scholar]
- Kaufmann, W. Technische Hydro- und Aeromechanik, 3rd ed.; Springer: Berlin/Heidelberg, Germany, 1963; ISBN 978-3-662-13102-2. [Google Scholar]
- Som, S.K. Introduction to Heat Transfer; PHI Learning Pvt. Ltd.: New Dehli, India, 2008; ISBN 978-81-203-3060-3. [Google Scholar]
- Schlichting, H.; Gersten, K. Grenzschicht-Theorie, 10th ed.; Springer: Berlin/Heidelberg, Germany, 2006; ISBN 978-3-540-23004-5. [Google Scholar]
- Incropera, F. Fundamentals of Heat and Mass Transfer, 6th ed.; John Wiley & Sons: Hoboken, NJ, USA, 2007; ISBN 978-1-118-13727-7. [Google Scholar]
- Coles, D. The Law of the Wake in the Turbulent Boundary Layer. J. Fluid Mech. 1956, 1, 191–226. [Google Scholar] [CrossRef]
- Golliard, J. Noise of Helmholtz-Resonator like Cavities Excited by a Low Mach-Number Turbulent Flow; Flow Acoustics Group, Acoustic and Vibrations Division, Institute of Applied Physics (TPD), Netherlands Organisation for Applied Scientific Research (TNO): The Hague, The Netherlands, 2002; ISBN 978-9-067-43964-0. [Google Scholar]
- Hinze, J.O. Turbulence, 2nd ed.; McGraw-Hill: New York, NY, USA, 1975; ISBN 978-0-070-29037-2. [Google Scholar]
- Reichardt, H. Vollständige Darstellung der turbulenten Geschwindigkeitsverteilung in glatten Leitungen. J. Appl. Math. Mech. 1951, 31, 208–219. [Google Scholar] [CrossRef]
- Durst, F. Grundlagen der Strömungsmechanik: Eine Einführung in die Theorie der Strömung von Fluiden; Springer: Berlin/Heidelberg, Germany, 2006; ISBN 978-3-540-31324-3. [Google Scholar]
- Shampine, L. Vectorized Adaptive Quadrature in MATLAB. J. Comput. Appl. Math. 2008, 211, 131–140. [Google Scholar] [CrossRef]
- Schimmelpfennig, S. Aeroakustik von Karosseriespalten. Ph.D. Thesis, Friedrich-Alexander Universität Erlangen-Nürnberg, Erlangen, Germany, 2015. [Google Scholar]
- Clauser, F. Turbulent Boundary Layers in Adverse Pressure Gradients. J. Aeronaut. Sci. 1954, 21, 91–108. [Google Scholar] [CrossRef]
- Head, M.R. Entrainment in the Turbulent Boundary; HM Stationery Office: London, UK, 1960. [Google Scholar]
- Nikuradse, J. Turbulente Reibungsschichten an der Platte; ZWB, Oldenbourg: Munich/Berlin, Germany, 1942. [Google Scholar]
- Levenberg, K. A Method for the Solution of Certain Non-Linear Problems in Least Squares. Quart. Appl. Math. 1944, 2, 164–168. [Google Scholar] [CrossRef]
- Marquardt, D. An Algorithm for Least-Squares Estimation of Nonlinear Parameters. SIAM J. Appl. Math. 1963, 11, 431–441. [Google Scholar] [CrossRef]
- Mccolgan, C.J.; Larson, R.S. Mean Velocity, Turbulence Intensity and Turbulence Convection Velocity Measurements for a Convergent Nozzle in a Free Jet Wind Tunnel; NASA Contractor Report 2949, Contract NAS3-17866; NASA: Washington, DC, USA, 1978.















| - | - | - | ||||||||
|---|---|---|---|---|---|---|---|---|---|---|
| 350.0 | 702.2 | 45.00 | 1.80 | 14.44 | 1.80 | 1.38 | 1.30 | 1.91 | 1571 | 3.76 |
| 392.5 | 721.7 | 45.01 | 1.79 | 14.77 | 1.89 | 1.45 | 1.31 | 1.96 | 1598 | 3.93 |
| 435.0 | 807.7 | 45.01 | 1.78 | 16.18 | 2.07 | 1.58 | 1.31 | 2.18 | 1722 | 4.26 |
| 477.5 | 859.4 | 45.01 | 1.77 | 17.01 | 2.22 | 1.70 | 1.31 | 2.31 | 1796 | 4.58 |
| 520.0 | 977.8 | 45.01 | 1.74 | 18.87 | 2.41 | 1.83 | 1.31 | 2.63 | 1963 | 4.92 |
| - | - | - | - | ||||||
| 350.0 | 44.11 | 1.799 | 1.823 | 1.758 | 1.792 | 0.040 | 0.041 | 0.040 | 0.041 |
| 392.5 | 43.87 | 1.795 | 1.819 | 1.733 | 1.763 | 0.040 | 0.040 | 0.039 | 0.040 |
| 435.0 | 44.44 | 1.776 | 1.799 | 1.730 | 1.767 | 0.039 | 0.040 | 0.039 | 0.040 |
| 477.5 | 43.99 | 1.765 | 1.789 | 1.704 | 1.739 | 0.039 | 0.040 | 0.039 | 0.040 |
| 520.0 | 43.78 | 1.743 | 1.766 | 1.664 | 1.707 | 0.039 | 0.039 | 0.038 | 0.039 |
© 2017 by the authors. Licensee MDPI, Basel, Switzerland. This article is an open access article distributed under the terms and conditions of the Creative Commons Attribution (CC BY) license (http://creativecommons.org/licenses/by/4.0/).
Share and Cite
Osterziel, J.; Zenger, F.J.; Becker, S. Sound Radiation of Aerodynamically Excited Flat Plates into Cavities. Appl. Sci. 2017, 7, 1062. https://doi.org/10.3390/app7101062
Osterziel J, Zenger FJ, Becker S. Sound Radiation of Aerodynamically Excited Flat Plates into Cavities. Applied Sciences. 2017; 7(10):1062. https://doi.org/10.3390/app7101062
Chicago/Turabian StyleOsterziel, Johannes, Florian J. Zenger, and Stefan Becker. 2017. "Sound Radiation of Aerodynamically Excited Flat Plates into Cavities" Applied Sciences 7, no. 10: 1062. https://doi.org/10.3390/app7101062
APA StyleOsterziel, J., Zenger, F. J., & Becker, S. (2017). Sound Radiation of Aerodynamically Excited Flat Plates into Cavities. Applied Sciences, 7(10), 1062. https://doi.org/10.3390/app7101062

