Development of Dual-Axis MEMS Accelerometers for Machine Tools Vibration Monitoring
Abstract
:1. Introduction
2. Development of Dual-Axis Micro Electro Mechanical Systems (MEMS) Accelerometers
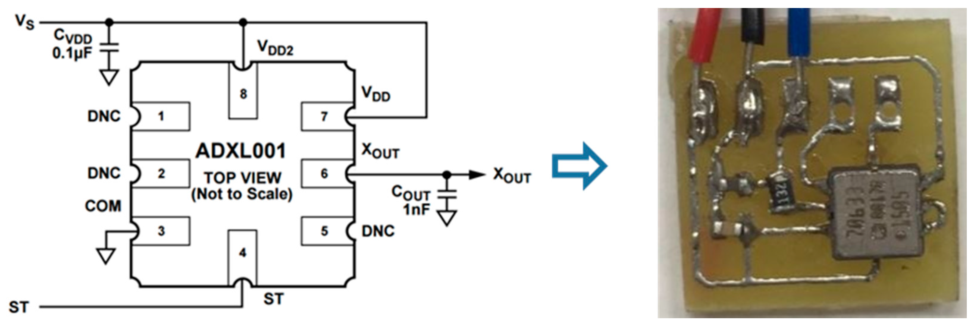
2.1. Low-Pass Filter Circuit
2.2. Housing and Fixed Magnetic Structure
2.3. The Modal Analysis of Housing
3. Calibration Methods and Performance Testing
3.1. Back-to-Back Calibration Method
3.2. Testing of Linearity and Frequency Response
4. Results and Discussion of the Cutting Experiment
5. Conclusions
Acknowledgments
Author Contributions
Conflicts of Interest
References
- Sarhan, A.A.D.; Matsubara, A. Investigation about the characterization of machine tool spindle stiffness for intelligent CNC end milling. Robot. Comput.-Integr. Manuf. 2015, 34, 133–139. [Google Scholar] [CrossRef]
- Du, Z.C.; Zhang, S.J.; Hong, M.S. Development of a multi-step measuring method for motion accuracy of NC machine tools based on cross grid encoder. Int. J. Mach. Tools Manuf. 2009, 49, 99–108. [Google Scholar] [CrossRef]
- Chen, J.-S. Intelligent machine tool technology. ROC Autom. Technol. Soc. J. 2008, 34, 66–72. [Google Scholar]
- Gao, R.; Zhang, L. Micromachined microsensors for manufacturing. IEEE Instrum. Meas. Mag. 2004, 7, 20–26. [Google Scholar] [CrossRef]
- Mitsuishi, M.; Warisawa, S.; Hanayama, R. Development of an intelligent high-speed machining center. Ann. CIRP 2001, 50, 275–280. [Google Scholar] [CrossRef]
- Vijayaraghavan, A.; Dornfeld, D. Automated energy monitoring of machine tools. CIRP Ann. Manuf. Technol. 2010, 59, 21–24. [Google Scholar] [CrossRef]
- Bhattacharyya, K.; Pal, S.K.; Patra, K. Artificial neural network based prediction of drill flank wear from motor current signals. Appl. Soft Comput. 2007, 7, 929–935. [Google Scholar]
- Bhattacharyya, P.; Mukhopadhyay, S.; Sengupta, D. Cutting force-based real-time estimation of tool wear in face milling using a combination of signal processing techniques. Mech. Syst. Signal Process. 2007, 21, 2665–2683. [Google Scholar] [CrossRef]
- Ramesh, R.; Mannan, M.A.; Poo, A.N. Error compensation in machine tools—A review part I: Geometric, cutting-force induced and fixture dependent errors. Int. J. Mach. Tools Manuf. 2000, 40, 1235–1256. [Google Scholar] [CrossRef]
- Jerard, R.B.; Xu, M.; Fussell, B.K. Cutting Power Model-Sensor Integration for Tool Condition Monitoring. In Proceedings of the International Conference on Smart Machining Systems, NIST, Gaithersburg, MD, USA, 13–15 March 2007.
- Teti, R.; Jemielniak, K.; O’Donnell, G.; Dornfeld, D. Advanced monitoring of machine operations. CIRP Ann. Manuf. Technol. 2010, 50, 717–739. [Google Scholar] [CrossRef]
- Dimla, E.; Dimla, S. Sensor signals for tool-wear monitoring in metal cutting operations—A review of methods. Int. J. Mach.Tools Manuf. 2000, 40, 1073–1098. [Google Scholar] [CrossRef]
- Kuljanic, E.; Sortino, M.; Totis, G. Development of an intelligent multisensory chatter detection system in milling. Mech. Syst. Signal Process. 2009, 2, 1704–1718. [Google Scholar] [CrossRef]
- Cus, F.; Zuperl, U. Tool cutting force modelling in ball-end milling using multilevel perceptron. J. Mater. Process. Technol. 2004, 153–154, 268–275. [Google Scholar]
- Yao, Z.; Mei, D.; Chen, Z. On-line chatter detection and identification based on wavelet and support vector machine. J. Mater. Process. Technol. 2010, 210, 713–719. [Google Scholar] [CrossRef]
- Analog Devices. ADXL001 Data Sheet; Analog Devices Inc.: Norwood, MA, USA, 2008. [Google Scholar]
- ISO 16063-21, Methods for the Calibration of Vibration and Shock Transducers-Part 21: Vibration Calibration by Comparison to a Reference Transducer. Available online: http://www.iso.org/iso/iso_catalogue/catalogue_tc/catalogue_detail.htm?csnumber=27053 (accessed on 7 July 2016).
- ISO 16063-1, Methods for the Calibration of Vibration and Shock Transducers, Part 1: Basic Concepts. Available online: http://www.iso.org/iso/catalogue_detail.htm?csnumber=25043 (accessed on 7 July 2016).










| Accelerometers Types and Error | PZT Accelerometers | MEMS Accelerometers | Error | |||
|---|---|---|---|---|---|---|
| Cutting condition | Steady cutting | Chatter cutting | Steady cutting | Chatter cutting | Steady cutting | Chatter cutting |
| The root mean square (RMS) of acceleration in Time Domain | 2.68 g | 9.38 g | 2.71 g | 9.89 g | 1.12% | 5.44% |
| The first four peak values in frequency domain (Hz) | 406.6 (TPF) | 380 (TPF) | 406.6 (TPF) | 380 (TPF) | 0% | 0% |
| 813.3 (2 × TPF) | 1140 (3 × TPF) | 813.3 (2 × TPF) | 1140 (3 × TPF) | 0% | 0% | |
| 1220 (3 × TPF) | 2890 (chatter) | 1220 (3 × TPF) | 2890 (chatter) | 0% | 0% | |
| 2033 (5 × TPF) | 3270 (chatter) | 2033 (5 × TPF) | 3270 (chatter) | 0% | 0% | |
© 2016 by the authors; licensee MDPI, Basel, Switzerland. This article is an open access article distributed under the terms and conditions of the Creative Commons Attribution (CC-BY) license (http://creativecommons.org/licenses/by/4.0/).
Share and Cite
Huang, C.-Y.; Chen, J.-H. Development of Dual-Axis MEMS Accelerometers for Machine Tools Vibration Monitoring. Appl. Sci. 2016, 6, 201. https://doi.org/10.3390/app6070201
Huang C-Y, Chen J-H. Development of Dual-Axis MEMS Accelerometers for Machine Tools Vibration Monitoring. Applied Sciences. 2016; 6(7):201. https://doi.org/10.3390/app6070201
Chicago/Turabian StyleHuang, Chih-Yung, and Jian-Hao Chen. 2016. "Development of Dual-Axis MEMS Accelerometers for Machine Tools Vibration Monitoring" Applied Sciences 6, no. 7: 201. https://doi.org/10.3390/app6070201
APA StyleHuang, C.-Y., & Chen, J.-H. (2016). Development of Dual-Axis MEMS Accelerometers for Machine Tools Vibration Monitoring. Applied Sciences, 6(7), 201. https://doi.org/10.3390/app6070201
