Tests and Analysis of the Compressive Performance of an Integrated Masonry Structure of a Brick-Stem-Insulating Layer
Abstract
:1. Introduction
2. Experiment Overview
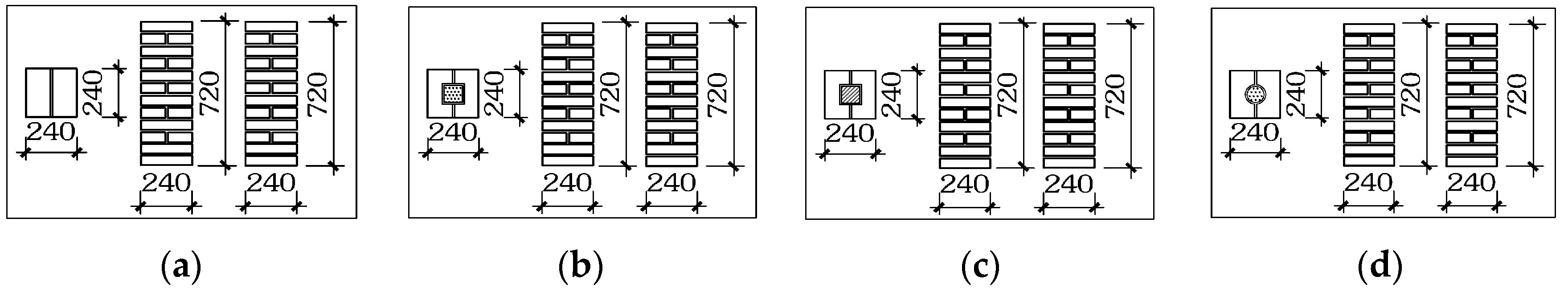
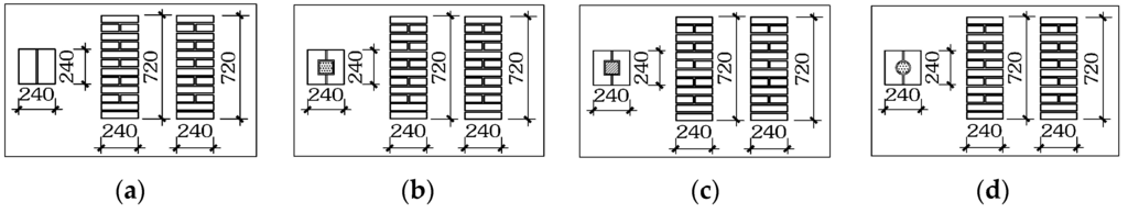
2.1. Experiment Design
2.2. Making of Specimens
2.3. Mechanical Performance of the Materials
2.4. Loading Imposed
3. Results and Analysis
3.1. Failure Process
3.1.1. Group One (FCB1–FCB4)
3.1.2. Group Two (RCB1–RCB4)
3.1.3. Group Three (AFCB1–AFCB4)
3.1.4. Group Four (ARCB1–ARCB 4)
3.2. Analysis of Bearing Performance
3.2.1. Loading-Displacement Curve
3.2.2. Force-Bearing Performance
3.3. Overall Compressive Performance
4. Engineering Practice
5. Conclusions
Acknowledgments
Author Contributions
Conflicts of Interest
Abbreviations
| MDPI | Multidisciplinary Digital Publishing Institute |
| DOAJ | Directory of open access journals |
| TLA | Three letter acronym |
| LD | linear dichroism |
References
- GSA2003. Progressive collapse analysis and design guidelines for New Federal Office Buildings and Major Modernization Project. Available online: http://bbs.co188.com/thread-9221826-1-1.html (accessed on 10 May 2016).
- Niroumand, H.; Kassim, K.A. Comparison of compressive strength in mud bricks with shred tires and concrete particles as sustainable materials. Electron. J. Geotech. Eng. 2010, 15, 1151–1158. [Google Scholar]
- Valdés, G.A.; Rapimán, J.G. Physical and mechanical properties of concrete bricks produced with recycled aggregates. Inf. Technol. 2007, 18, 81–88. [Google Scholar]
- Corinaldesi, V.; Monosi, S.; Moriconi, G. Effect of different recycled aggregates on mortar performance. In Proceedings of the Sustainable Construction Materials and Technologies International Conference on Sustainable Construction Materials and Technologies, Coventry, United Kingdom, 11–13 June 2007; pp. 59–62.
- Corinaldesi, V.; Moriconi, G. Concrete and mortar performance by using recycled aggregates. In Proceedings of the International Conference on Sustainable Waste Management and Recycling: Construction Demolition Waste, Wuhan, China, 18–22 October 2004; pp. 157–164.
- Yoshimura, K.; Kikuchi, K. Experimental study on seismic behavior of masonry walls confined by R/C frames. Appl. Mech. Mater. 1995, 15, 41–48. [Google Scholar]
- Tomazevic, M.; Lutman, M.; Petkovic, L. Seismic behavior of masonry walls: Experimental simulation. J. Struct. Eng. 1996, 122, 1040–1047. [Google Scholar] [CrossRef]
- Riddington, J.R.; Ghazali, M.Z. Hypothesis for shear failure in masonry joints. Proc.-Inst. Civ. Eng. 1990, 89, 89–102. [Google Scholar] [CrossRef]
- Lotfi, H.R.; Shing, P.B. Interface model applied to fracture masonry structures. J. Struct. Eng. 1994, 120, 63–80. [Google Scholar] [CrossRef]
- Banting, B.; El-Dakhakhni, W. Force-and displacement-based seismic performance parameters for reinforced masonry structural walls with boundary elements. J. Struct. Eng. 2012, 2, 71–82. [Google Scholar] [CrossRef]
- Shedid, M.T.; Hamid, A.A.; Drysdale, R.G. Ductility of reinforced masonry shear walls and impact of incomplete grouting. In Proceedings of the 10th Canadian Masonry Symposium, Banff, Alberta, 8–12 June 2005.
- Oak Ridge National Laboratory. New building insulation to combat wet, warm, wall worries. Eng. Syst. 2007, 24, 84–85. [Google Scholar]
- Yang, D.J.; Zhang, Z.W. Analysis on earthquake resistance and affective factors of concrete hollow block composite wall structures. New Build. Mater. 2010, 3, 42–44. [Google Scholar]
- Liu, C. Shaking table model design for brick masonry structures strengthened with an externally steel reinforced mesh mortar layer. Struct. Eng. 2012, 6, 72–78. [Google Scholar]
- Zheng, N.N.; Li, Y.M.; Pan, Y. Seismic behavior of low masonry structure with core-tie-column. J. Southwest Jiaotong Univ. 2011, 46, 24–29. [Google Scholar]
- Lidija, K.; Ljubomir, T.; Vladimir, G.; Mihail, G. Experimental and analytical investigation of seismic stability of masonry walls at beauharnois powerhouse. Bull. Earthq. Eng. 2010, 8, 421–450. [Google Scholar]
- Li, J.; Cao, W. The Heat Transfer Coefficient of Recycled Concrete Bricks Combination with EPS Insulation Board Wall. Math. Probl. Eng. 2015, 2015. [Google Scholar] [CrossRef]
- Ministry of Housing and Urban-Rural Development of the People's Republic of China. GB50011-2010; Code for Seismic Design of Buildings; China Architecture Building Press: Beijing, China, 2010; Available online: http://bbs.co188.com/thread-4941150-1-1.html (accessed on 10 May 2016).
- Ministry of Housing and Urban-Rural Development of the People's Republic of China. GB 50003-2011; Code for Design of Masonry Structures; China Architecture Building Press: Beijing, China, 2011; Available online: http://bbs.co188.com/thread-5107290-1-1.html (accessed on 10 May 2016).











| Group No. | Specimen No. | Configuration | Dimensions |
|---|---|---|---|
| Group One Clay Bricks | FCB1 | No support embedded | 240 mm × 240 mm × 720 mm |
| FCB2 | Square-shaped wood embedded | ||
| FCB3 | Square-shaped steel pipe embedded | ||
| FCB4 | Circular steel pipe embedded | ||
| Group Two Recycled Concrete Bricks | RCB1 | No support embedded | 240 mm × 240 mm × 720 mm |
| RCB2 | Square-shaped wood embedded | ||
| RCB3 | Square-shaped steel pipe embedded | ||
| RCB4 | Circular steel pipe embedded | ||
| Group Three Clay Bricks + Fly Ash Blocks | AFCB1 | No support embedded | 240 mm × 370 mm × 720 mm |
| AFCB2 | Square-shaped wood embedded | ||
| AFCB3 | Square-shaped steel pipe embedded | ||
| AFCB4 | Circular steel pipe embedded | ||
| Group Four Recycled Concrete Bricks + Fly Ash Blocks | ARCB1 | No support embedded | 240 mm × 370 mm × 720 mm |
| ARCB2 | Square-shaped wood embedded | ||
| ARCB3 | Square-shaped steel pipe embedded | ||
| ARCB4 | Circular steel pipe embedded |
| Material | fc N/mm2 | fy N/mm2 | fu N/mm2 |
|---|---|---|---|
| Clay Bricks | 10.39 | - | - |
| Recycled Bricks | 10.95 | - | - |
| Fly-ash Masonry Blocks | 2.58 | - | - |
| Mortar | 10.03 | - | - |
| Recycled Concrete | 36.5 | - | - |
| Square-shaped Wood | - | - | 16.6 |
| Square-shaped Steel Pipe | - | 308.33 | 393.67 |
| Circular Steel Pipe | - | 341.67 | 455.24 |
| Group No. | Specimen No. | fc/(N/mm2) | fu(N/mm2) | fc/fu | fm/MPa | fm (Relative Values) |
|---|---|---|---|---|---|---|
| Group One | FCB1 | 150 | 251 | 0.60 | 4.36 | 1.00 |
| FCB2 | 180 | 330 | 0.55 | 5.73 | 1.31 | |
| FCB3 | 430 | 830 | 0.52 | 14.41 | 3.31 | |
| FCB4 | 530 | 945 | 0.56 | 16.41 | 3.76 | |
| Group Two | RCB1 | 175 | 256 | 0.68 | 4.44 | 1.00 |
| RCB2 | 210 | 346 | 0.61 | 6.01 | 1.35 | |
| RCB3 | 500 | 860 | 0.58 | 14.93 | 3.36 | |
| RCB4 | 700 | 968 | 0.72 | 16.81 | 3.79 | |
| Group Three | AFCB1 | 175 | 298 | 0.59 | 3.36 | 1.00 |
| AFCB2 | 250 | 425 | 0.59 | 4.79 | 1.43 | |
| AFCB3 | 400 | 815 | 0.49 | 9.18 | 2.73 | |
| AFCB4 | 460 | 925 | 0.50 | 10.42 | 3.10 | |
| Group Four | ARCB1 | 165 | 308 | 0.54 | 3.47 | 1.00 |
| ARCB2 | 250 | 435 | 0.57 | 4.90 | 1.41 | |
| ARCB3 | 425 | 845 | 0.50 | 9.52 | 2.74 | |
| ARCB4 | 475 | 950 | 0.50 | 10.70 | 3.08 |
| Group No. | Specimen No. | Energy Consumption E/kN·mm | Δe |
|---|---|---|---|
| Group One | FCB1 | 115 | 1.00 |
| FCB2 | 253 | 2.19 | |
| FCB3 | 3154 | 27.31 | |
| FCB4 | 3858 | 33.42 | |
| Group Two | RCB1 | 133 | 1.00 |
| RCB2 | 337 | 2.53 | |
| RCB3 | 2803 | 21.03 | |
| RCB4 | 5157 | 38.70 | |
| Group Three | AFCB1 | 312 | 1.00 |
| AFCB2 | 818 | 2.62 | |
| AFCB3 | 5474 | 17.53 | |
| AFCB4 | 6189 | 19.82 | |
| Group Four | ARCB1 | 417 | 1.00 |
| ARCB2 | 1141 | 2.73 | |
| ARCB3 | 5241 | 12.57 | |
| ARCB4 | 8351 | 20.02 |
© 2016 by the authors; licensee MDPI, Basel, Switzerland. This article is an open access article distributed under the terms and conditions of the Creative Commons Attribution (CC-BY) license (http://creativecommons.org/licenses/by/4.0/).
Share and Cite
Jia, S.; Liu, Y.; Cao, W.; Zhou, Z.; Zhang, Y. Tests and Analysis of the Compressive Performance of an Integrated Masonry Structure of a Brick-Stem-Insulating Layer. Appl. Sci. 2016, 6, 146. https://doi.org/10.3390/app6050146
Jia S, Liu Y, Cao W, Zhou Z, Zhang Y. Tests and Analysis of the Compressive Performance of an Integrated Masonry Structure of a Brick-Stem-Insulating Layer. Applied Sciences. 2016; 6(5):146. https://doi.org/10.3390/app6050146
Chicago/Turabian StyleJia, Suizi, Yan Liu, Wanlin Cao, Zhongyi Zhou, and Yuchen Zhang. 2016. "Tests and Analysis of the Compressive Performance of an Integrated Masonry Structure of a Brick-Stem-Insulating Layer" Applied Sciences 6, no. 5: 146. https://doi.org/10.3390/app6050146
APA StyleJia, S., Liu, Y., Cao, W., Zhou, Z., & Zhang, Y. (2016). Tests and Analysis of the Compressive Performance of an Integrated Masonry Structure of a Brick-Stem-Insulating Layer. Applied Sciences, 6(5), 146. https://doi.org/10.3390/app6050146
