A Novel Inlet Guiding Structure for Pressure-Loss Reduction in Gas–Liquid Cyclone Separators
Abstract
1. Introduction
2. Materials and Methods
2.1. Cyclone Separator Structure
2.2. Inlet Pressure-Loss Model
2.2.1. Inlet Pressure-Loss Composition
2.2.2. Straight Tangential Inlet
2.2.3. Contracting Guided Inlet
2.2.4. Inlet-Pipe Pressure Drop
2.3. Numerical Simulation
2.3.1. Meshing
2.3.2. Mathematical Model
2.3.3. Boundary Conditions and Solver Setting
2.3.4. Case Matrix
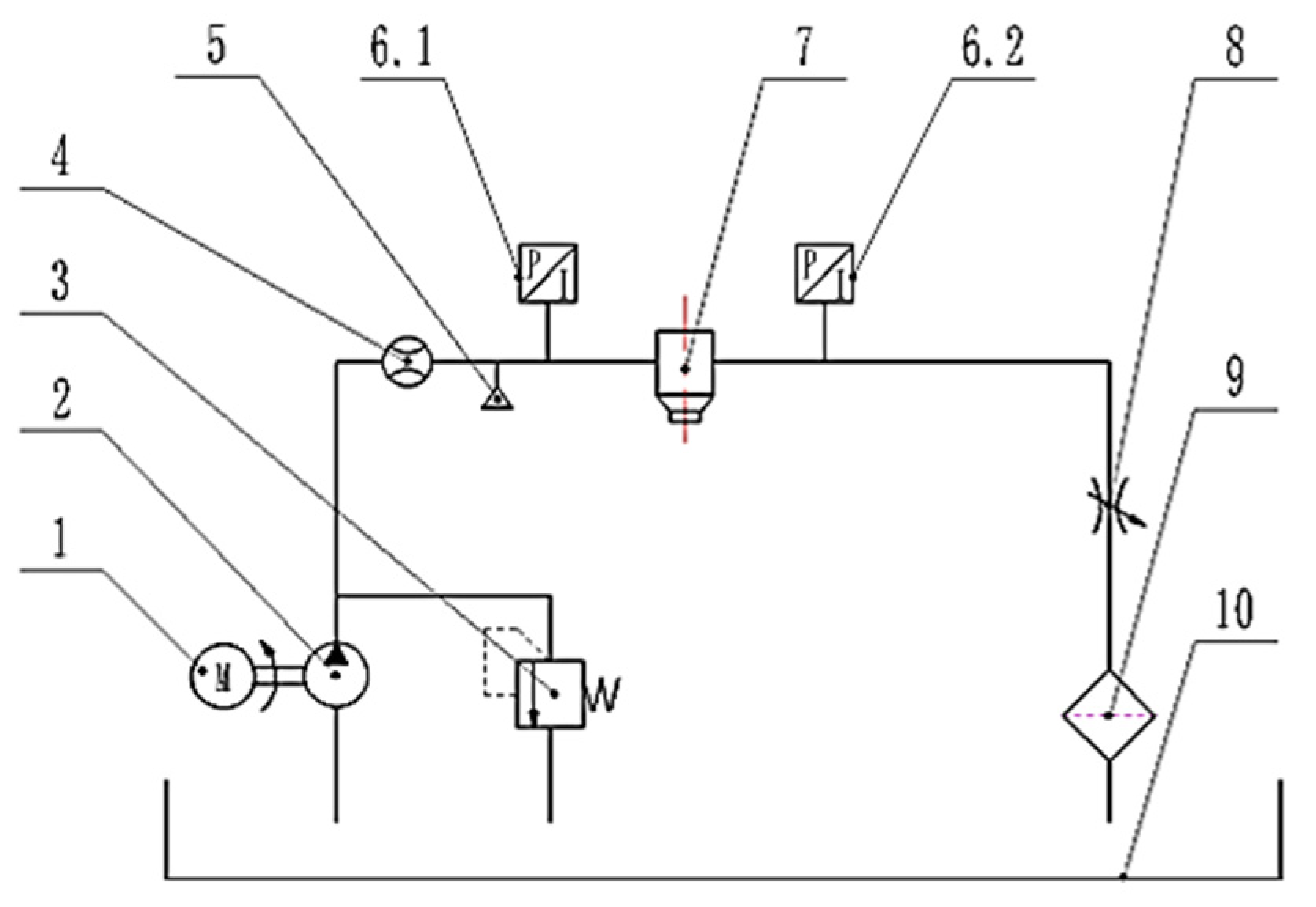
2.4. Pressure-Loss Test Rig
- 1.
- Three-phase asynchronous motor,
- 2.
- Axial piston variable pump,
- 3.
- Relief valve,
- 4.
- Flowmeter,
- 5.
- Air source,
- 6.
- Pressure sensors,
- 6.1.
- Pressure sensor,
- 6.2.
- Pressure sensor,
- 7.
- Cyclone test prototype,
- 8.
- Throttle valve,
- 9.
- Filter,
- 10.
- Hydraulic oil tank.
3. Results and Discussion
3.1. Experimental Validation of the Simulation Model
3.2. Simulation Result
3.2.1. Pressure-Loss Characteristics
- (1)
- Effect of Contraction Angle
- (2)
- Volume Flow Impact Analysis
3.2.2. Velocity Flow Field Analysis
- (1)
- Effect of Contraction Angle
- (2)
- Volume Flow Impact Analysis
3.2.3. Gas Volume Fraction Distribution
4. Conclusions
- The contracting guided inlet effectively reduces the inlet-related pressure loss. The pressure loss decreases overall as the contraction angle increases, while the marginal benefit diminishes at larger angles. In the experiments, the 11° configuration reduces the overall pressure loss by 18.28–23.59 kPa over the flow-rate range from 1.1 m3/h to 1.5 m3/h, corresponding to a reduction of 31.37–32.52% relative to the straight tangential inlet.
- Considering pressure-loss reduction and flow field constraints, a contraction angle of 11° was selected as the representative design for detailed operating-condition verification and prototype testing. Among the investigated contraction-angle cases, the 11° configuration achieves a pronounced pressure-loss reduction while maintaining acceptable gas-phase distribution characteristics, and therefore serves as a suitable representative design for multi-flow-rate comparisons and experimental validation.
- The multi-flow-rate tests show that the overall pressure loss increases monotonically with flow rate, and the simulations reproduce the same trend. For the 11° inlet, the relative error decreases from 23.78% at 1.1 m3/h to below 2% at 1.4–1.5 m3/h. For the straight tangential inlet, the relative error decreases from 23.84% at 1.1 m3/h to about 4.22–4.33% at 1.4–1.5 m3/h, which supports the applicability of the numerical approach for capturing the pressure-drop evolution across the investigated flow-rate range.
- An engineering implication is that inlet-structure optimization should be guided by a combined criterion that includes pressure-loss reduction, the diminishing-return knee behavior, and flow field constraints. Optimization should not rely solely on increasing the contraction angle, because an overly large angle may yield limited additional pressure-loss reduction and increase the risk of unfavorable flow structures.
Author Contributions
Funding
Data Availability Statement
Conflicts of Interest
Abbreviations
| CFD | Computational fluid dynamics |
| RSM | Reynolds Stress Model |
| GCI | Grid Convergence Index |
Appendix A. Summary of Representative Studies on Cyclone Pressure-Drop Mechanisms and Inlet-Oriented Mitigation Routes
| References | Research Description | Method | Pressure-Loss Mechanism | Key Findings |
|---|---|---|---|---|
| Hoffmann and Stein 2008 [12] | Established a classical framework for interpreting cyclone pressure drop | Theory | Inlet local loss, outlet local loss, swirl loss | Component-wise decomposition clarifies loss sources and design leverage |
| Vermande Paganel et al. 2024 [13] | Assessed the validity of empirical ΔP correlations under geometric-scale deviation | Simulation | Correlation validity, global pressure loss | Empirical formulas may fail off range, motivating mechanism-linked modeling |
| Durango-Cogollo et al. 2020 [14] | Showed how internal flow redistribution affects pressure-drop prediction | Simulation | Loss redistribution, flow structure | Single-form correlations can be insufficient under loss redistribution |
| References | Research Description | Method | Pressure-Loss Mechanism | Key Findings |
|---|---|---|---|---|
| Hashe and Kunene 2023 [15]; Duan et al. 2022 [16]; Liu et al. 2022 [17] | Quantified vortex-finder geometric effects on local losses and flow organization | Experiment Simulation | Vortex-finder local loss | Local component geometry can strongly modulate ΔP Component-wise synthesis is preferable to total ΔP fitting |
| Liu et al. 2024 [18] | Evaluated underflow spigot or orifice redesign for loss reduction | Experiment Simulation | Underflow-orifice local loss, coupling | Local redesign can reduce ΔP but requires constraint-aware evaluation |
| References | Research Description | Method | Pressure-Loss Causes | Key Findings |
|---|---|---|---|---|
| Brar et al. 2015 [9] | Examined main-body geometric effects on pressure-drop behavior | Experiment Simulation | Swirl dissipation, friction balance | Body geometry affects ΔP mainly via flow-organization changes |
| Zhang et al. 2022 [11] | Investigated diameter and length influences on ΔP response | Experiment Simulation | Swirl dissipation, friction balance | ΔP is sensitive to body geometry, consistent with mechanism-based interpretation |
| Han et al. 2013 [19] | Reported ΔP trends under combined geometry and operating variations | Experiment Simulation | Geometry–condition coupling | ΔP trends depend on geometry and operating range jointly |
| Liu et al. 2024 [20] | Discussed mechanistic links between body parameters and ΔP | Experiment Simulation | Swirl structure, friction pathway | Provides mechanism-level explanation for body-geometry ΔP linkage |
| References | Research Description | Method | Pressure-Loss Causes | Key Findings |
|---|---|---|---|---|
| Juengcharoensukying et al. 2017 [21] | Studied coupled effects of inlet angle and vortex finder | Simulation | Inlet local loss, swirl establishment | Inlet affects total ΔP via both local loss and dissipation redistribution |
| Ghasemi et al. 2017 [22] | Optimized inlet geometry for gas–liquid cyclone separators | Optimization Simulation | Inlet local loss, swirl efficiency | Systematic inlet screening can yield meaningful ΔP reduction |
| Barua et al. 2024 [23] | Assessed inlet height and width effects in multi-inlet cyclones | Simulation | Inlet local loss, momentum input | Inlet sizing affects ΔP through hydraulic loss and swirl-energy pathways |
| Raeesi et al. 2021 [24] | Emphasized inlet–body synergy in two-phase cyclones | Simulation | Inlet–body coupling loss, redistribution | Holistic evaluation is needed because local changes redistribute dissipation |
| Qiu et al. 2023 [25] | Investigated axial-inlet parameter effects on swirl formation | Simulation | Swirl-formation control, condition–geometry coupling loss | Axial-inlet designs can exhibit high inlet sensitivity and larger benefits |
| Xiong et al. 2023 [26] | Revealed interaction effects between inlet velocity and key geometry | Experiment Simulation | Condition–geometry coupling loss | Inlet optimization should be assessed across operating ranges and coupled parameters |
| Dehnavi and Adelpour 2022 [27] | Optimized miniaturized gas–liquid cyclones under constraints | Optimization Simulation | Local-dominant, parameter matching | Optimization benefits depend strongly on parameter combinations |
| Chen et al. 2024 [28] | Validated overflow-slit or localized redesign via experiments and simulations | Experiment Simulation | Path reconstruction, redistribution | Localized redesign can control ΔP by reshaping dissipation distribution |
References
- Xu, B.; Shen, J.; Liu, S.; Su, Q.; Zhang, J. Research and Development of Electro-Hydraulic Control Valves Oriented to Industry 4.0: A Review. Chin. J. Mech. Eng. 2020, 33, 29. [Google Scholar] [CrossRef]
- Chen, G.; Wang, Y.; Zhong, N.; Fan, Z.; Wang, G. Design and Research of a Heavy Load Fatigue Test System Based on Hydraulic Control for Full-Size Marine Low-Speed Diesel Engine Bearings. Ocean Eng. 2023, 288, 116174. [Google Scholar] [CrossRef]
- Du, S.; Zhou, J.; Hong, J.; Li, P.; Li, Y.; Yang, H.; Zhang, Y. Application and progress of high-efficiency electro-hydrostatic actuator technology with energy recovery: A comprehensive review. Energy Convers. Manag. 2024, 321, 119041. [Google Scholar] [CrossRef]
- Fan, Q.; Zhang, J.; Li, R.; Fan, T. Review of research on hydrostatic transmission systems and control strategies. Processes 2025, 13, 317. [Google Scholar] [CrossRef]
- Novak, N.; Trajkovski, A.; Kalin, M.; Majdič, F. Degradation of hydraulic system due to wear particles or medium test dust. Appl. Sci. 2023, 13, 7777. [Google Scholar] [CrossRef]
- Polášek, T.; Bureček, A.; Hružík, L.; Ledvoň, M.; Dýrr, F.; Olšiak, R.; Kolář, D. Experimental study of multiphase flow occurrence caused by cavitation during mineral oil flow. Phys. Fluids 2024, 36, 113377. [Google Scholar] [CrossRef]
- ShengQing, Y.; Hong, J.; SenLin, L.; Fei, S.; SuYan, W. Prediction and verification for the models of temperature rising by medium bubbles in hydraulic system. Adv. Mech. Eng. 2022, 14, 16878132221085431. [Google Scholar] [CrossRef]
- Wang, C.; Zhang, Y.; Zhu, J.; Yuan, Z.; Lu, B. Effect of cavitation and free-gas entrainment on the hydraulic performance of a centrifugal pump. Proc. Inst. Mech. Eng. Part A J. Power Energy 2021, 235, 440–453. [Google Scholar] [CrossRef]
- Brar, L.S.; Sharma, R.P.; Elsayed, K. The effect of the cyclone length on the performance of Stairmand high-efficiency cyclone. Powder Technol. 2015, 286, 668–677. [Google Scholar] [CrossRef]
- Bai, Y.; Ji, H.; Liu, Y.; Li, L.; Yang, S. Analysis of bubble flow mechanism and characteristics in gas–liquid cyclone separator. Processes 2021, 9, 123. [Google Scholar] [CrossRef]
- Zhang, Z.; Shao, M.; Ling, X. Experimental study on the separation performance of a novel gas–liquid separator. Adv. Powder Technol. 2022, 33, 103795. [Google Scholar] [CrossRef]
- Hoffmann, A.C.; Stein, L.E. Gas Cyclones and Swirl Tubes: Principles, Design and Operation, 2nd ed.; Springer: Berlin/Heidelberg, Germany, 2008. [Google Scholar] [CrossRef]
- Vermande Paganel, T.; Fabrice Alban, E.; Cyrille, M.A.; Ngayihi Abbe, C.V. CFD Simulation of an Industrial Dust Cyclone Separator: A Comparison with Empirical Models: The Influence of the Inlet Velocity and the Particle Size on Performance Factors in Situation of High Concentration of Particles. J. Eng. 2024, 2024, 5590437. [Google Scholar] [CrossRef]
- Durango-Cogollo, M.; Garcia-Bravo, J.; Newell, B.; Gonzalez-Mancera, A. CFD modeling of hydrocyclones—A study of efficiency of hydrodynamic reservoirs. Fluids 2020, 5, 118. [Google Scholar] [CrossRef]
- Hashe, V.T.; Kunene, T.J. Numerical analysis of the effect of the vortex finder on the hydrocyclone’s split water ratio and separation performance. Math. Comput. Appl. 2023, 28, 50. [Google Scholar] [CrossRef]
- Duan, Y.; Zhang, Y.; Liu, P.; Xu, M. Effect of insertion length of overflow tube on flow field and classification performance of hydrocyclone. In Proceedings of ACEER2022; Springer Nature: Singapore, 2022; pp. 187–197. [Google Scholar] [CrossRef]
- Liu, H.; Yin, Q.; Huang, Q.; Geng, S.; He, T.; Chen, A. Experimental investigation on interaction of vortex finder diameter and length in a small hydrocyclone for solid–liquid separation. Sep. Sci. Technol. 2022, 57, 733–748. [Google Scholar] [CrossRef]
- Liu, P.; Chen, B.; Hou, D.; Zhao, C.; Li, X.; Zang, L.; Niu, Q. Designing the spigot structure of hydrocyclones to reduce fine particle misplacement in underflow. Water 2024, 16, 1070. [Google Scholar] [CrossRef]
- Han, Q.; Zhang, C.; Xu, B.; Chen, J. The effect of geometry and operation conditions on the performance of a gas–liquid cylindrical cyclone separator with new structure. AIP Conf. Proc. 2013, 1547, 350–361. [Google Scholar] [CrossRef]
- Liu, L.; Chen, J.; Zhao, L.; Wang, Y.; Zhang, S.; Yang, K.; Jiang, M. Influence mechanism of hydrocyclone main diameter on separation performance. Phys. Fluids 2024, 36, 063315. [Google Scholar] [CrossRef]
- Juengcharoensukying, J.; Poochinda, K.; Chalermsinsuwan, B. Effects of cyclone vortex finder and inlet angle on solid separation using CFD simulation. Energy Procedia 2017, 138, 1116–1121. [Google Scholar] [CrossRef]
- Ghasemi, A.; Shams, M.; Heyhat, M.M. A numerical scheme for optimizing gas liquid cylindrical cyclone separator. Proc. Inst. Mech. Eng. Part E J. Process Mech. Eng. 2017, 231, 836–848. [Google Scholar] [CrossRef]
- Barua, S.; Batcha, M.F.M.; Mohammed, A.N.; Saif, Y.; Al-Alimi, S.; Al-fakih, M.A.M.; Zhou, W. Numerical investigation of inlet height and width variations on separation performance and pressure drop of multi-inlet cyclone separators. Processes 2024, 12, 1820. [Google Scholar] [CrossRef]
- Raeesi, S.; Soltani Goharrizi, A.; Abolpour, B. Numerical investigation of a hydro-cyclone for separating organic and aqueous phases. J. Inst. Eng. Ser. C 2021, 102, 995–1005. [Google Scholar] [CrossRef]
- Qiu, S.; Zhong, L.; Wang, G.; Fang, X.; Yang, Y.; Liu, Q. Effect of structural parameters on the performance of axial-flow inlet hydrocyclones for in situ desanding from natural gas hydrate mixed slurry. ACS Omega 2023, 8, 28531–28542. [Google Scholar] [CrossRef] [PubMed]
- Xiong, Z.; Xu, J.; Liu, C. Interaction effects of inlet velocity and apex diameter on the separation performance of two-stage cone hydrocyclones. Powder Technol. 2023, 422, 118446. [Google Scholar] [CrossRef]
- Dehnavi, A.; Adelpour, N. Optimization of closed underflow mini-hydrocyclones for separating sand from well water by two indices of mass efficiency and cut diameter using the Taguchi method: A case study of Mashhad, Iran. Water Pract. Technol. 2022, 17, 2485–2498. [Google Scholar] [CrossRef]
- Chen, S.; Li, D.; Li, J.; Zhong, L. Optimization design of hydrocyclone with overflow slit structure based on experimental investigation and numerical simulation analysis. Sci. Rep. 2024, 14, 18410. [Google Scholar] [CrossRef]
- Babaoğlu, N.U.; Parvaz, F.; Hosseini, S.H.; Elsayed, K.; Ahmadi, G. Influence of the inlet cross-sectional shape on the performance of a multi-inlet gas cyclone. Powder Technol. 2021, 384, 82–99. [Google Scholar] [CrossRef]
- Zhao, B.; Qian, W.; Li, H.; Su, Y. Cyclone pressure drop reduction and its effect on gas–particle separation capability: Principle, performance, and assessment. Rev. Chem. Eng. 2022, 38, 1045–1063. [Google Scholar] [CrossRef]
- Shah, R.K.; London, A.L.; White, F.M. Laminar Flow Forced Convection in Ducts. J. Fluids Eng. 1980, 102, 256. [Google Scholar] [CrossRef]
- Muzychka, Y.S.; Yovanovich, M.M. Pressure Drop in Laminar Developing Flow in Noncircular Ducts: A Scaling and Modeling Approach. J. Fluids Eng. 2009, 131, 111105. [Google Scholar] [CrossRef]
- Celik, I.B.; Ghia, U.; Roache, P.J.; Freitas, C.J. Procedure for estimation and reporting of uncertainty due to discretization in CFD applications. J. Fluids Eng.-Trans. ASME 2008, 130, 078001. [Google Scholar] [CrossRef]
- Alfarge, D.; Rashid, F.L.; Al-Obaidi, M.A.; Kadhim, Z.; Fanons, Z.; Heliel, Z.A.H.; Saeed, B.S. Numerical Simulation of Two-Phase (Gas-Oil) Flow in Gas-Liquid Cylindrical Cyclone Separator. Engineering Techniques “Technical and Scientific Solutions for Sustainable Future”; Middle Technical University: Baghdad, Iraq, 2024; p. 156. [Google Scholar] [CrossRef]
- Lu, J.; Li, H.; Wang, C.; Tian, X.; Song, W.; Zhao, S.; Wang, K. CFD based airflow uniformity optimization of Chinese solar greenhouses with long-row cultivation: Impact of unit layout design. Case Stud. Therm. Eng. 2025, 71, 106192. [Google Scholar] [CrossRef]
- Lin, W.-K.; Liao, Y.-C.; Tseng, Y.-K.; Chen, Y.-B. Numerical investigation on a compact oil-gas separator cylinder using experimentally-validated models. Results Eng. 2025, 26, 105070. [Google Scholar] [CrossRef]






















| Boundary Type | Numerical Size |
|---|---|
| Diameter of the vortex chamber D, mm | 30 |
| Width of the rectangular inlet b, mm | 3 |
| Height of the rectangular inlet h, mm | 6 |
| Diameter of the overflow pipe Don, mm | 10 |
| Diameter of the underflow pipe Ddown, mm | 5 |
| Length of the cylinder section Hcy/mm | 16 |
| Length of the upper conical section Hco1/mm | 25 |
| Length of the lower conical section Hco2/mm | 60 |
| Diameter at the intersection of the large and small conical sections Dco/mm | 16 |
| Serial | Global Element Size h/mm | Total Cells N | /Pa | /m3/s | /− |
|---|---|---|---|---|---|
| 1 | 1 | 294,595 | 30,993.93 | 0.07193 | |
| 2 | 0.8 | 496,942 | 31,254.74 | 0.07226 | |
| 3 | 0.64 | 844,541 | 31,684.96 | 0.07218 |
| Parameter | Value |
|---|---|
| Hydraulic oil type | No. 46 hydraulic oil |
| Temperature, K | 313.15, 293.15 |
| Density, kg/m3 | 850 |
| Dynamic viscosity (313.15 K), Pa·s | 0.0391 |
| Dynamic viscosity (293.15 K), Pa·s | 0.106 |
| Gravity acceleration, m/s2 | 9.81 |
| Gas content | 10% |
| Group | Contraction Angle |
|---|---|
| 1 | 0° |
| 2 | 7° |
| 3 | 9° |
| 4 | 11° |
| 5 | 13° |
| 6 | 15° |
| Quantity | GCI | ||
|---|---|---|---|
| 0.83 | 1.36 | 6.8 | |
| 0.09 | 0.09 | 0.45 | |
| 0.46 | 0.11 | 0.55 |
| Contraction Angle/Deg | Flow Rate/m3/h | /kPa | /kPa | /% |
|---|---|---|---|---|
| 0 | 1.1 | 44.38 | 58.27 | 23.84 |
| 1.2 | 46.56 | 58.71 | 20.69 | |
| 1.3 | 57.05 | 64.8 | 11.96 | |
| 1.4 | 64.03 | 66.85 | 4.22 | |
| 1.5 | 71.34 | 74.57 | 4.33 | |
| 11 | 1.1 | 30.48 | 39.99 | 23.78 |
| 1.2 | 35.6 | 39.62 | 10.15 | |
| 1.3 | 40.48 | 44.22 | 8.46 | |
| 1.4 | 46.35 | 45.51 | 1.85 | |
| 1.5 | 51.92 | 50.98 | 1.84 |
Disclaimer/Publisher’s Note: The statements, opinions and data contained in all publications are solely those of the individual author(s) and contributor(s) and not of MDPI and/or the editor(s). MDPI and/or the editor(s) disclaim responsibility for any injury to people or property resulting from any ideas, methods, instructions or products referred to in the content. |
© 2026 by the authors. Licensee MDPI, Basel, Switzerland. This article is an open access article distributed under the terms and conditions of the Creative Commons Attribution (CC BY) license.
Share and Cite
Chen, D.; Zhang, J.; Cheng, Y.; Wang, J.; Wang, Z.; Li, Y.; Kong, X. A Novel Inlet Guiding Structure for Pressure-Loss Reduction in Gas–Liquid Cyclone Separators. Appl. Sci. 2026, 16, 2605. https://doi.org/10.3390/app16052605
Chen D, Zhang J, Cheng Y, Wang J, Wang Z, Li Y, Kong X. A Novel Inlet Guiding Structure for Pressure-Loss Reduction in Gas–Liquid Cyclone Separators. Applied Sciences. 2026; 16(5):2605. https://doi.org/10.3390/app16052605
Chicago/Turabian StyleChen, Dongjing, Jin Zhang, Yujie Cheng, Jihui Wang, Zhiyuan Wang, Ying Li, and Xiangdong Kong. 2026. "A Novel Inlet Guiding Structure for Pressure-Loss Reduction in Gas–Liquid Cyclone Separators" Applied Sciences 16, no. 5: 2605. https://doi.org/10.3390/app16052605
APA StyleChen, D., Zhang, J., Cheng, Y., Wang, J., Wang, Z., Li, Y., & Kong, X. (2026). A Novel Inlet Guiding Structure for Pressure-Loss Reduction in Gas–Liquid Cyclone Separators. Applied Sciences, 16(5), 2605. https://doi.org/10.3390/app16052605

