Predictive Hybrid Model for Process Optimization and Chatter Control in Tandem Cold-Rolling
Featured Application
Abstract
1. Introduction
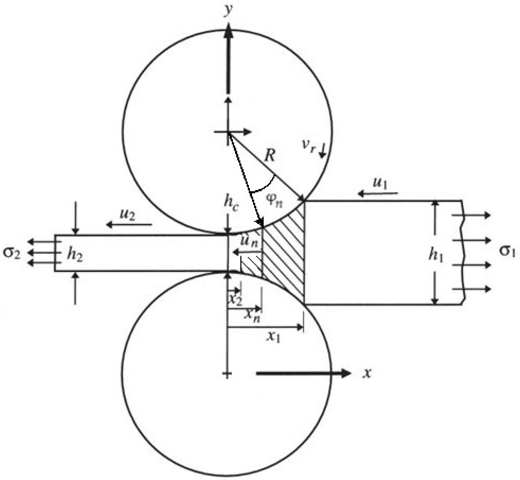
2. Model of the Process
3. Chatter Model and Stability Analysis
3.1. Lumped Mass Models of the Stands
3.2. Stiffness and Damping Calculation
3.3. Development of the Chatter Model
3.4. Single-Stand Chatter Model and Stability Analysis
3.5. Multi-Stand Chatter Model and Stability Analysis
4. Results
5. Materials and Methods
6. Conclusions
Author Contributions
Funding
Institutional Review Board Statement
Informed Consent Statement
Data Availability Statement
Acknowledgments
Conflicts of Interest
Appendix A. Linearization of the Process Model
References
- Von Karmàn, T. Beitrag zur Theorie des Walzvorganges. Z. Angew. Math. Mech. 1925, 5, 139–141. [Google Scholar] [CrossRef]
- Orowan, E. The calculation of roll pressure in hot and cold flat rolling. Proc. Inst. Mech. Eng. 1943, 150, 140–167. [Google Scholar] [CrossRef]
- Bland, D.R.; Ford, H. The calculation of roll force and torque in cold strip rolling with tensions. Proc. Inst. Mech. Eng. 1948, 159, 144–163. [Google Scholar] [CrossRef]
- Bland, D.R.; Ford, H. Cold rolling with strip tension—Part III: An approximate treatment of the elastic com pression of the strip in cold rolling. J. Iron Steel Inst. 1952, 171, 245–249. [Google Scholar]
- Sims, R.B. Calculation of roll force and torque in cold rolling by graphical and experimental methods. J. Iron Steel Inst. 1954, 178, 19–34. [Google Scholar]
- Sims, R.B. Calculation of roll force and torque in hot rolling mills. Proc. Inst. Mech. Eng. 1954, 168, 191–200. [Google Scholar] [CrossRef]
- Ford, H.; Ellis, F.; Bland, D.R. Cold rolling with strip tension—Part I: A new approximate method of calculation and a comparison with other methods. J. Iron Steel Inst. 1951, 168, 57–72. [Google Scholar]
- Bland, D.R.; Sims, R.B. A note on the theory of rolling with tensions. Proc. Inst. Mech. Eng. 1953, 167, 371–372. [Google Scholar] [CrossRef]
- Venter, R.; Abd-Rabbo, A. Modeling of the rolling process—I. Int. J. Mech. Sci. 1980, 22, 83–92. [Google Scholar] [CrossRef]
- Freshwater, I.J. Simplified theories of at rolling—I: The calculation of roll pressure, roll force and roll torque. Int. J. Mech. Sci. 1996, 38, 633–648. [Google Scholar]
- Alexander, J.M. On the theory of rolling. Proc. R. Soc. Lond. A 1972, 326, 535–555. [Google Scholar] [CrossRef]
- Tlusty, J.; Critchley, S.; Paton, D. Chatter in cold rolling. Ann. CIRP 1982, 31, 195–199. [Google Scholar] [CrossRef]
- Yun, I.S. Chatter in Rolling. Ph.D. Thesis, Northwestern University, Evanston, IL, USA, 1995. [Google Scholar]
- Yun, I.S.; Wilson, W.R.D.; Ehmann, K.F. Chatter in the strip rolling process, Part I: Dynamic model of rolling. Trans. ASME J. Manuf. Sci. Eng. 1998, 120, 330–336. [Google Scholar] [CrossRef]
- Yun, I.S.; Wilson, W.R.D.; Ehmann, K.F.; Wilson, W.R.D. Chatter in the strip rolling process, Part II: Dynamic rolling experiments. Trans. ASME J. Manuf. Sci. Eng. 1998, 120, 337–342. [Google Scholar] [CrossRef]
- Yun, I.S.; Wilson, W.R.D.; Ehmann, K.F.; Wilson, W.R.D. Chatter in the strip rolling process, Part III: Chatter model. Trans. ASME J. Manuf. Sci. Eng. 1998, 120, 343–348. [Google Scholar] [CrossRef]
- Yun, I.S.; Wilson, W.R.D.; Ehmann, K.F. Review of chatter studies in cold rolling. Int. J. Mach. Tools Manuf. 1998, 38, 1499–1530. [Google Scholar] [CrossRef]
- Tamiya, T.; Furui, K.; Iida, H. Analysis of chattering phenomenon in cold rolling. In Proceedings of the International Conference on Steel Rolling, Tokyo, Japan, 29 September–4 October 1980; Iron and Steel Institute of Japan: Tokyo, Japan, 1980; pp. 1191–1202. [Google Scholar]
- Hu, P.-H.; Ehmann, K.F. A dynamic model of the rolling process. Part I: Homogeneous model. Int. J. Mach. Tools Manuf. 2000, 40, 21–31. [Google Scholar] [CrossRef]
- Kimura, Y.; Sondani, Y.; Nishiura, N.; Ikeuchi, N.; Mihara, Y. Analysis of Chatter in Tandem Cold Rolling Mills. ISIJ Int. 2003, 43, 77–84. [Google Scholar] [CrossRef]
- Choudhary, A.K.; Gujre, V.S.; Verma, R.K. A Review on Chatter Analysis in Cold Rolling process. Juniper Online J. Mater. Sci. 2017, 2, 1–6. [Google Scholar]
- Usmani, N.I.; Kumar, S.; Velisatti, S.; Tiwari, P.K.; Mishra, S.K.; Patnaik, U.S. Chatter detection using principal component analysis in cold rolling mill. Diagnostyka 2018, 19, 73–81. [Google Scholar] [CrossRef]
- Wang, L.; Zhao, Y.; Zhu, Q.; Liu, Y.; Han, Q. Nonlinear Vibration Characteristic Analysis of Roller-Plate System Based on Asymptotic Methods. ISIJ Int. 2020, 60, 1237–1244. [Google Scholar] [CrossRef]
- Cao, L.; Li, X.; Wang, Q.; Zhang, D. Vibration analysis and numerical simulation of rolling interface during cold rolling with unsteady lubrication. Tribol. Int. 2021, 153, 106604. [Google Scholar] [CrossRef]
- Lu, X.; Sun, J.; Li, G.; Wang, Q.; Zhang, D. Dynamic analysis of vibration stability in tandem cold rolling mill. J. Mech. Work. Technol. 2019, 272, 47–57. [Google Scholar] [CrossRef]
- Lu, X.; Sun, J.; Li, G.; Wang, Z.; Zhang, D. Stability Analysis of a Nonlinear Coupled Vibration Model in a Tandem Cold Rolling Mill. Shock Vib. 2019, 2019, 4358631. [Google Scholar] [CrossRef]
- Liu, X.; Zang, Y.; Gao, Z.; Zeng, L. Time Delay Effect on Regenerative Chatter in Tandem Rolling Mills. Shock Vib. 2016, 2016, 4025650. [Google Scholar] [CrossRef]
- Gao, Z.; Tian, B.; Liu, Y.; Zhang, L.-Y.; Liao, M. Dynamics-based optimization of rolling schedule aiming at dual goals of chatter suppression and speed increase for a 5-stand cold tandem rolling mill. J. Iron Steel Res. Int. 2021, 28, 168–180. [Google Scholar] [CrossRef]
- Lu, X.; Sun, J.; Wei, Z.; Li, G.; Zhang, D. Effect of minimum friction coefficient on vibration stability in cold rolling mill. Tribol. Int. 2021, 159, 106958. [Google Scholar] [CrossRef]
- Kopp, R.; Wiegels, H. Einführung in die Umformtechnik; Verlag der Augustinus Buchhandlung: Aachen, Germany, 1998. [Google Scholar]
- McConnell, C.; Lenard, J.G. Friction in cold rolling of a low carbon steel with lubricants. J. Mater. Process. Technol. 2000, 99, 86–93. [Google Scholar] [CrossRef]
- Tieu, A.K.; You, C.; Zhu, H.T.; Lu, C.; Jiang, Z.Y.; D’Alessio, G. Material Resistance and Friction in Cold Rolling. In Proceedings of the 6th World Congresses of Structural and Multidisciplinary Optimization, Rio de Janeiro, Brazil, 30 May–3 June 2005. [Google Scholar]
- Zhao, H. Regenerative Chatter in Cold Rolling. Ph.D. Dissertation, Northwestern University, Evanston, IL, USA, 2008. [Google Scholar]
- Yarita, I.; Furukawa, K.; Seino, Y.; Takimoto, T.; Nakzato, Y.; Nakagawa, K. An analysis of chattering in cold rolling of ultrathin gauge steel strip. Trans. Iron Steel Inst. Jpn. 1978, 18, 1–10. [Google Scholar] [CrossRef]
- Hu, P.-H.; Zhao, H.; Ehmann, K.F. Third-octave-mode chatter in rolling. Part 1: Chatter model. Proc. Inst. Mech. Eng. Part B J. Eng. Manuf. 2006, 220, 1267–1277. [Google Scholar] [CrossRef]
- Hu, P.-H.; Zhao, H.; Ehmann, K.F. Third-octave-mode chatter in rolling. Part 2: Stability of a single-stand mill. Proc. Inst. Mech. Eng. Part B J. Eng. Manuf. 2006, 220, 1279–1292. [Google Scholar] [CrossRef]
- Hu, P.-H.; Zhao, H.; Ehmann, K.F. Third-octave-mode chatter in rolling. Part 3: Stability of a multi-stand mill. Proc. Inst. Mech. Eng. Part B J. Eng. Manuf. 2006, 220, 1293–1303. [Google Scholar] [CrossRef]













| Symbol | Description | Unit |
|---|---|---|
| h1, h2 | Strip thickness at the entry/exit of the roll gap | m |
| hn | Strip thickness at the neutral point | m |
| hc | Strip thickness measured along the roll-bite centerline | m |
| R | Nominal work-roll radius | m |
| R’ | Deformed (Hitchcock) roll radius | m |
| larc | Contact-arc length | m |
| x1, x2 | Entry/exit coordinates of the contact | m |
| xn | Neutral-point coordinate along the arc | m |
| xc | Coordinate of the roll-bite centerline position | m |
| φn | Neutral angle in the roll angular domain | rad |
| u1, u2, un | Strip surface speeds at entry/exit and at the neutral point | m s−1 |
| vr | Roll peripheral speed | m s−1 |
| μ | Friction coefficient (empirical) | - |
| σ1, σ2 | Upstream/downstream strip stress (true tension) | MPa |
| kf, kf,I, kf,m | Flow stress (sectional and mean values) | MPa |
| ε | True thickness strain | - |
| wwr | Work-roll angular speed | rad s−1 |
| Wstrip | Strip width | m |
| Fy | Vertical component of roll force | N |
| Fx | Horizontal component of roll force | N |
| fy | Vertical component of force per unit width | N m−1 |
| fx | Horizontal component of force per unit width | N m−1 |
| Ch | Hitchcock compliance term | - |
| T | Rolling torque | N m |
| Symbol | Description | Value | Unit |
|---|---|---|---|
| K | Tandem mill stand | 4,903,325 | N/mm |
| Rwr | Work-roll radius | 227.5 | mm |
| Rbr | Backup-roll radius | 700 | mm |
| Mwr | Work-roll mass | 7700 | kg |
| Mbr | Backup-roll mass | 53,000 | kg |
| Eroll | Roll material Poisson’s ratio | 0.3 | - |
| υroll | Roll material Yield strength | 206,000 | MPa |
| Wrolls | Material length | 2100 | mm |
| LiJ | Housing span | 5200 | mm |
| Symbol | Description | Value | Unit |
|---|---|---|---|
| ε0 | Clearance between piston and cylinder | 0.2 | mm |
| Rp | Piston radius | 425 | mm |
| Ap | Effective piston area | 526,424 | mm2 |
| lp | Piston length | 111.5 | mm |
| ηdin | Dynamic viscosity of oil | 880 × 10−9 | kg/mm3 |
| Symbol | Property | Value | Unit | ||
|---|---|---|---|---|---|
| Y0 | Yield strength | 780 | MPa | ||
| Bmaterial | Work hardening coefficient | 50 | MPa | ||
| n | Strain hardening exponent | 0.1 | - | ||
| E | Young’s modulus | 198–210 × 103 | MN/m2 | ||
| Wstrip | Strip width | 1450 | mm | ||
| Stand | Entry Thickness h1 [mm] | Entry Thickness h2 [mm] | Stress σ1 [MPa] | Stress σ1 [MPa] | Angular Speed wwr [rad/s] |
| 1 | 2.5 | 1.99 | 98.07 | 127.49 | 27.24 |
| 2 | 1.99 | 1.61 | 127.49 | 158.87 | 33.71 |
| 3 | 1.61 | 1.32 | 158.87 | 171.62 | 40.86 |
| 4 | 1.32 | 1.12 | 171.62 | 158.87 | 48.53 |
| 5 | 1.12 | 1 | 158.87 | 37.27 | 54.13 |
| Symbol | Property | Value | Unit | ||
|---|---|---|---|---|---|
| Y0 | Yield strength | 280 | MPa | ||
| Bmaterial | Work hardening coefficient | 160 | MPa | ||
| n | Strain hardening exponent | 0.18 | - | ||
| E | Young’s modulus | 190–210 × 103 | MN/m2 | ||
| Wstrip | Strip width | 1450 | mm | ||
| Stand | Entry Thickness h1 [mm] | Entry Thickness h2 [mm] | Stress σ1 [MPa] | Stress σ1 [MPa] | Angular Speed wwr [rad/s] |
| 1 | 1.8 | 1.15 | 98.07 | 123.56 | 22.89 |
| 2 | 1.15 | 0.75 | 123.56 | 158.87 | 35.22 |
| 3 | 0.75 | 0.52 | 158.87 | 176.52 | 51.04 |
| 4 | 0.52 | 0.38 | 176.52 | 176.52 | 68.98 |
| 5 | 0.38 | 0.3 | 176.52 | 57.86 | 87.91 |
| Variable | Stand n°1 | Stand n°2 | Stand n°3 | Stand n°4 | Stand n°5 | Unit |
|---|---|---|---|---|---|---|
| wn,br | 1138 | 1135 | 1128 | 1119 | 1108 | Hz |
| wn,wr | 4569 | 4549 | 4507 | 4442 | 4366 | Hz |
| vr | 0.6489 | 0.8031 | 0.9735 | 1.1561 | 1.2896 | m/s |
| μ | 0.1787 | 0.1555 | 0.1371 | 0.1226 | 0.1141 | - |
| kfm | 1115 | 1166 | 1199 | 1220 | 1233 | MPa |
| x1 | 0.0108 | 0.0093 | 0.0081 | 0.0067 | 0.0052 | m |
| xn | 0.0043 | 0.0043 | 0.0038 | 0.0031 | 0.0023 | m |
| u1 | 0.5376 | 0.6822 | 0.8361 | 1.0189 | 1.1778 | m/s |
| u2 | 0.6753 | 0.8433 | 1.0197 | 1.2009 | 1.3191 | m/s |
| k1 = k5 | 32,689 | 32,689 | 32,689 | 32,689 | 32,689 | MN/mm |
| k2 = k4 | 78,103 | 78,039 | 76,997 | 75,302 | 73,298 | MN/mm |
| k3 | 76,540 | 75,134 | 73,243 | 70,597 | 67,545 | MN/mm |
| C | 549.86 | 549.86 | 549.86 | 549.86 | 549.86 | MNs/m |
| Fy | 22.76 | 22.39 | 19.75 | 16.13 | 12.55 | MN |
| Variable | Stand n°1 | Stand n°2 | Stand n°3 | Stand n°4 | Stand n°5 | Unit |
|---|---|---|---|---|---|---|
| wn,br | 1178 | 1179 | 1162 | 1148 | 1135 | Hz |
| wn,wr | 4833 | 4839 | 4715 | 4616 | 4519 | Hz |
| vr | 0.5454 | 0.839 | 1.216 | 1.6433 | 2.0944 | m/s |
| μ | 0.2002 | 0.1511 | 0.1186 | 0.0974 | 0.0831 | - |
| kfm | 630.26 | 649.5 | 732.19 | 758.03 | 774.89 | MPa |
| x1 | 0.0122 | 0.0095 | 0.0072 | 0.0056 | 0.0043 | m |
| xn | 0.0039 | 0.0041 | 0.0032 | 0.0025 | 0.0018 | m |
| u1 | 0.3987 | 0.602 | 0.9171 | 1.291 | 1.7351 | m/s |
| u2 | 0.5772 | 0.923 | 1.3227 | 1.7666 | 2.1978 | m/s |
| k1 = k5 | 32,689 | 32,689 | 32,689 | 32,689 | 32,689 | MN/mm |
| k2 = k4 | 77,334 | 79,351 | 76,204 | 73,677 | 71,230 | MN/mm |
| k3 | 97,205 | 95,382 | 89,539 | 85,044 | 80,798 | MN/mm |
| C | 549.86 | 549.86 | 549.86 | 549.86 | 549.86 | MNs/m |
| Fy | 21.7 | 27.52 | 19.84 | 14.87 | 11.12 | MN |
Disclaimer/Publisher’s Note: The statements, opinions and data contained in all publications are solely those of the individual author(s) and contributor(s) and not of MDPI and/or the editor(s). MDPI and/or the editor(s) disclaim responsibility for any injury to people or property resulting from any ideas, methods, instructions or products referred to in the content. |
© 2026 by the authors. Licensee MDPI, Basel, Switzerland. This article is an open access article distributed under the terms and conditions of the Creative Commons Attribution (CC BY) license.
Share and Cite
Mikhaylyuk, A.; Bazzaro, G.; Gasparetto, A. Predictive Hybrid Model for Process Optimization and Chatter Control in Tandem Cold-Rolling. Appl. Sci. 2026, 16, 1262. https://doi.org/10.3390/app16031262
Mikhaylyuk A, Bazzaro G, Gasparetto A. Predictive Hybrid Model for Process Optimization and Chatter Control in Tandem Cold-Rolling. Applied Sciences. 2026; 16(3):1262. https://doi.org/10.3390/app16031262
Chicago/Turabian StyleMikhaylyuk, Anastasia, Gianluca Bazzaro, and Alessandro Gasparetto. 2026. "Predictive Hybrid Model for Process Optimization and Chatter Control in Tandem Cold-Rolling" Applied Sciences 16, no. 3: 1262. https://doi.org/10.3390/app16031262
APA StyleMikhaylyuk, A., Bazzaro, G., & Gasparetto, A. (2026). Predictive Hybrid Model for Process Optimization and Chatter Control in Tandem Cold-Rolling. Applied Sciences, 16(3), 1262. https://doi.org/10.3390/app16031262

