A Peak Absorption Filtering Method for Radiated EMI from a High-Speed PWM Fan
Abstract
1. Introduction
2. Circuits Structure and Radiated EMI Measurement
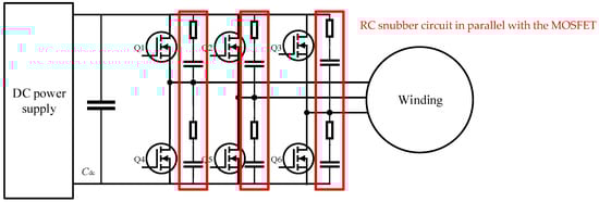
2.1. Drive Circuit Structure and Speed Control Strategy
2.2. Radiated EMI Measurement and Analysis of Results
3. Mechanism of Fan Radiation and Analysis of Radiated Source
3.1. Generation Mechanism and Path Analysis of Conducted Interference
3.2. Analysis of Radiated Interference from DC Power Lines
3.3. Analysis of Radiated Interference from Winding and Control PCB
4. Filter Suppression of Radiated Interference
5. Conclusions
Author Contributions
Funding
Institutional Review Board Statement
Informed Consent Statement
Data Availability Statement
Conflicts of Interest
References
- Zhai, L.; Hu, G.; Song, C.; Lv, M.; Zhang, X. Comparison of Two Filter Design Methods for Conducted EMI Suppression of PMSM Drive System for Electric Vehicle. IEEE Trans. Veh. Technol. 2021, 70, 6472–6484. [Google Scholar] [CrossRef]
- Nan, C.; Ayyanar, R.; Xi, Y. A 2.2-MHz Active-Clamp Buck Converter for Automotive Applications. IEEE Trans. Power Electron. 2018, 33, 460–472. [Google Scholar] [CrossRef]
- Carobbi, C.F.M.; Izzo, D. Evaluation and Improvement of the Reproducibility of CISPR 25 ALSE Test Method. IEEE Trans. Electromagn. Compat. 2018, 60, 1069–1077. [Google Scholar] [CrossRef]
- Zhang, B.; Wang, S. A Survey of EMI Research in Power Electronics Systems With Wide-Bandgap Semiconductor Devices. IEEE J. Emerg. Sel. Top. Power Electron. 2020, 8, 626–643. [Google Scholar] [CrossRef]
- Leuchter, J.; Stekly, V.; Blasch, E. Investigation of avionics power switch loading versus aircraft electromagnetic compatibility. IEEE Aerosp. Electron. Syst. Mag. 2015, 30, 24–34. [Google Scholar] [CrossRef]
- Touré, B.; Schanen, J.L.; Gerbaud, L.; Meynard, T.; Roudet, J.; Ruelland, R. EMC Modeling of Drives for Aircraft Applications: Modeling Process, EMI Filter Optimization, and Technological Choice. IEEE Trans. Power Electron. 2013, 28, 1145–1156. [Google Scholar] [CrossRef]
- Jing, L.; Du, M.; Wei, K.; Hurley, W.G. An Improved Behavior Model for IGBT Modules Driven by Datasheet and Measurement. IEEE Trans. Electron Devices 2020, 67, 230–236. [Google Scholar] [CrossRef]
- Hikage, T.; Yamagishi, M.; Shindo, K.; Nojima, T. Active implantable medical device EMI estimation for EV-charging WPT system based on 3D full-wave analysis. In Proceedings of the 2017 Asia-Pacific International Symposium on Electromagnetic Compatibility (APEMC), Seoul, Republic of Korea, 20–23 June 2017; pp. 87–89. [Google Scholar]
- Bellan, D. Circuit models for EMC analysis of CM current in three-phase motor drive systems. In Proceedings of the 2014 6th IEEE Power India International Conference (PIICON), Delhi, India, 5–7 December 2014; pp. 1–5. [Google Scholar]
- Zhai, L.; Song, C. Conducted EMI from motor drive system of electric vehicle under load operation. In Proceedings of the 2017 Asia-Pacific International Symposium on Electromagnetic Compatibility (APEMC), Seoul, Republic of Korea, 20–23 June 2017; pp. 181–183. [Google Scholar]
- Moreau, M.; Idir, N.; Moigne, P.L. Modeling of Conducted EMI in Adjustable Speed Drives. IEEE Trans. Electromagn. Compat. 2009, 51, 665–672. [Google Scholar] [CrossRef]
- Ji, J.; Wu, W.; He, Y.; Lin, Z.; Blaabjerg, F.; Chung, H.S.H. A Simple Differential Mode EMI Suppressor for the LLCL-Filter-Based Single-Phase Grid-Tied Transformerless Inverter. IEEE Trans. Ind. Electron. 2015, 62, 4141–4147. [Google Scholar] [CrossRef]
- Kumar, M.; Jayaraman, K. Design of a Modified Single-Stage and Multistage EMI Filter to Attenuate Common-Mode and Differential-Mode Noises in SiC Inverter. IEEE J. Emerg. Sel. Top. Power Electron. 2022, 10, 4290–4302. [Google Scholar] [CrossRef]
- Costa, F.; Gautier, C.; Revol, B.; Genoulaz, J.; Démoulin, B. Modeling of the near-field electromagnetic radiation of power cables in automotives or aeronautics. IEEE Trans. Power Electron. 2013, 28, 4580–4593. [Google Scholar] [CrossRef]
- Wei, S.; Pan, Z.; Yang, J.; Du, P. A Fast Prediction Approach of Radiated Emissions From Closely-Spaced Bent Cables in Motor Driving System. IEEE Trans. Veh. Technol. 2022, 71, 6100–6109. [Google Scholar] [CrossRef]
- Yang, J.; Zhao, X.; Xia, J.; Zhang, W.; Du, P.; Nie, B. An Equivalent Modeling Method for Electromagnetic Radiation of PWM Fans with Multiple Radiation Sources. Appl. Sci. 2025, 15, 2887. [Google Scholar] [CrossRef]
- Huibin, Z.; Jih-Sheng, L.; Hefner, A.R.; Yuqing, T.; Chingchi, C. Modeling-based examination of conducted EMI emissions from hard- and soft-switching PWM inverters. IEEE Trans. Ind. Appl. 2001, 37, 1383–1393. [Google Scholar] [CrossRef]
- Chang, C.-H.; Cheng, H.-L.; Chang, E.-C. Using the buck-interleaved buck–boost converter to implement a step-up/down inverter. Eng. Comput. 2017, 34, 272–284. [Google Scholar] [CrossRef]
- Guo, X.; Yang, Y.; Zhu, T. ESI: A Novel Three-Phase Inverter With Leakage Current Attenuation for Transformerless PV Systems. IEEE Trans. Ind. Electron. 2018, 65, 2967–2974. [Google Scholar] [CrossRef]
- Huang, J.; Shi, H. Reducing the Common-Mode Voltage through Carrier Peak Position Modulation in an SPWM Three-Phase Inverter. IEEE Trans. Power Electron. 2014, 29, 4490–4495. [Google Scholar] [CrossRef]
- Ramaiah, V.J.; Keerthipati, S. Hybrid PWM Scheme for Pole-Phase Modulation Induction Motor Drive Using Carrier-Based Hexagonal and Octadecagonal SVPWM. IEEE Trans. Ind. Electron. 2020, 67, 7312–7320. [Google Scholar] [CrossRef]
- Jiang, Y.; Wu, W.; He, Y.; Chung, H.S.H.; Blaabjerg, F. New Passive Filter Design Method for Overvoltage Suppression and Bearing Currents Mitigation in a Long Cable Based PWM Inverter-Fed Motor Drive System. IEEE Trans. Power Electron. 2017, 32, 7882–7893. [Google Scholar] [CrossRef]
- Han, D.; Morris, C.T.; Sarlioglu, B. Common-Mode Voltage Cancellation in PWM Motor Drives with Balanced Inverter Topology. IEEE Trans. Ind. Electron. 2017, 64, 2683–2688. [Google Scholar] [CrossRef]
- Chuang, C.-C.; Hua, C.-C.; Hung, C.-W.; Yao, C.-J. Study on Evaluating the EMI Filter for Electronic Communication Fans. J. Robot. Netw. Artif. Life 2022, 8, 269–272. [Google Scholar] [CrossRef]
- Qiu, H.; Wang, S.; Sun, F.; Wang, Z.; Zhang, N. Transient Electromagnetic Field Analysis for the Single-Stage Fast Linear Transformer Driver with Two Different Configurations Using the Finite-Element Method and Finite Integration Technique. IEEE Trans. Magn. 2020, 56, 7515805. [Google Scholar] [CrossRef]
























Disclaimer/Publisher’s Note: The statements, opinions and data contained in all publications are solely those of the individual author(s) and contributor(s) and not of MDPI and/or the editor(s). MDPI and/or the editor(s) disclaim responsibility for any injury to people or property resulting from any ideas, methods, instructions or products referred to in the content. |
© 2025 by the authors. Licensee MDPI, Basel, Switzerland. This article is an open access article distributed under the terms and conditions of the Creative Commons Attribution (CC BY) license (https://creativecommons.org/licenses/by/4.0/).
Share and Cite
Yang, J.; Wei, Y.; Zhao, X.; Wang, C.; Du, P. A Peak Absorption Filtering Method for Radiated EMI from a High-Speed PWM Fan. Appl. Sci. 2025, 15, 4568. https://doi.org/10.3390/app15084568
Yang J, Wei Y, Zhao X, Wang C, Du P. A Peak Absorption Filtering Method for Radiated EMI from a High-Speed PWM Fan. Applied Sciences. 2025; 15(8):4568. https://doi.org/10.3390/app15084568
Chicago/Turabian StyleYang, Jinsheng, Yanhong Wei, Xuan Zhao, Chulin Wang, and Pingan Du. 2025. "A Peak Absorption Filtering Method for Radiated EMI from a High-Speed PWM Fan" Applied Sciences 15, no. 8: 4568. https://doi.org/10.3390/app15084568
APA StyleYang, J., Wei, Y., Zhao, X., Wang, C., & Du, P. (2025). A Peak Absorption Filtering Method for Radiated EMI from a High-Speed PWM Fan. Applied Sciences, 15(8), 4568. https://doi.org/10.3390/app15084568

