Abstract
This study aims to evaluate the feasibility of using Fused Deposition Modeling (FDM)/Fused Filament Fabrication (FFF) 3D printing for the emergency replacement of damaged components in the marine industry, focusing on mechanical properties, dynamic stiffness, and manufacturing efficiency. The authors’ research interests include the application of incremental and hybrid methods for the production of new, fully functional parts that constitute equipment for ships and yachts. The methods described in this paper can also be used to produce replacement parts in emergency conditions when there is a need for a temporary replacement of a damaged component. When testing parts made with 3D printing technology, the authors used modal analysis methods to estimate the dynamic stiffness of bracket support samples. The dynamic analysis of the tested parts was conducted using both the cavity method and the incremental method with FDM and FFF 3D printing. This study focused on determining their resonance curves. Based on these curves, the dynamic stiffness of the samples was calculated. Understanding the changes in dynamic stiffness of 3D printed parts depending on their degree of filling is one of the critical parameters from the point of view of the possibility of the safe operation of parts manufactured with this method. The results show that the dynamic stiffness of 3D printed parts depends significantly on the infill percentage. This article also presents the results of a simplified technical and economic analysis of the bracket support manufacturing samples produced by machining, incremental, and hybrid methods. The quality parameters of the geometric structure of the parts made with the manufacturing methods analyzed in this paper are also compared with each other.
1. Introduction
Recent years have seen the development of technologies for manufacturing machine and equipment parts as alternatives to cavity methods. New techniques include 3D printing. Three-dimensional printing technologies have been explored for a wide range of applications, including robotics, automobile components, firearms, medicine, and the space and maritime industries [1,2,3]. Three-dimensional printing is a technology used to directly convert a virtual 3D model, created using Computer-Aided Design (CAD) techniques, into its physical version [4,5]. Initially used to create tangible visualizations of models, 3D printing has recently played an increasingly important role in prototype and small-batch production [1,2]. Printing makes it possible to produce, in a relatively short time, both a prototype and a final product. One of the most common and cheapest printing methods is Fused Deposition Modeling (FDM) [6]. This method involves alternating the application of model material (filament) and support material (support) through the printer’s nozzles. The nozzles heat the build material to its softening temperature. The cycle of applying the print layer is repeated until the entire part is completed. When it is necessary to produce individual or small-batch products, it often turns out that the use of 3D printing is more advantageous from both an economic and ecological point of view [7,8,9]. It should be emphasized that 3D printing techniques are still being improved, including the introduction of new types of filaments with better mechanical properties and lower energy requirements during the production stage [10,11]. Despite advancements in additive manufacturing (AM), its application in maritime emergency repairs remains underexplored. Existing research mainly focuses on the automotive and aerospace industries [1,2], while shipbuilding applications are limited. Studies such as [12,13] analyze the mechanical properties of AM parts without a specific focus on hybrid additive manufacturing + subtractive manufacturing (AM + SM) applications in marine environments. The authors of this paper address this gap by investigating the feasibility of using 3D-printed spare parts in emergency conditions. In maritime applications, 3D printing offers the ability to quickly produce replacement parts onboard, thereby reducing downtime and dependency on onshore supply chains. Unlike traditional manufacturing, AM enables rapid prototyping, weight reduction, and the use of corrosion-resistant materials suitable for marine environments. However, challenges such as the lower mechanical strength of printed parts compared to machined metal components, material selection limitations, and the need for postprocessing steps must be considered. In industrial practice, it is increasingly common to see a combination of incremental technology and machining methods, which makes it possible to produce both single parts and entire series under production conditions [9,14]. Such manufacturing technologies are called hybrid methods. The general concept of hybrid AM + SM CNC machining is shown schematically in Figure 1.
Figure 1.
General concept of hybrid AM + SM CNC machining.
The hybrid AM + SM approach combines additive manufacturing (AM) with subtractive manufacturing (SM), leveraging the flexibility of 3D printing and the precision of CNC machining. This method improves dimensional accuracy while reducing material waste. In this process, a component is fabricated in parallel with the creation of a CAD model, predominantly using the FDM/FFF technique. The design data, stored in STL format, serve as input for generating a CNC control program within the appropriate CAM software (Solid Edge v.2019 University Edition). Once the initial structure is produced, the semi-finished piece undergoes refinement through precision machining on a CNC system. This final stage is typically carried out using a four- or five-axis milling machine or a machining center to ensure the required dimensional accuracy and surface quality [15,16].
2. Materials and Methods
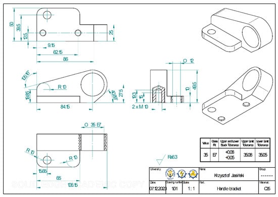
To analyze and confirm the feasibility of using FDM/FFF incremental methods to manufacture parts for emergency machine repairs (including replacing a damaged component on a ship during a voyage), the authors chose the bracket support shown in Figure 2.
Figure 2.
Executive drawing of the bracket support.
The workpiece, shown in Figure 2, is originally manufactured from C35 unalloyed structural steel for tempering, using machining on a CNC milling center. The C35 steel used is designed for the production of medium-loaded components (axles, shafts, levers, and fasteners). The basic mechanical properties of C35 steel are shown in Table 1.
Table 1.
Mechanical properties of C35 steel [3].
For the purpose of analysis, a series of test samples was prepared, ensuring full dimensional compliance with the manufacturing drawing of the cantilever illustrated in Figure 2. These samples were created using the following different materials and manufacturing techniques:
- Cavity method in three mounts on a three-axis CNC milling machine (Feeler NB-1300) using a C35 steel blank (Table 1) measuring 108 × 50 × 50 mm;
- Incremental method, specifically 3D printing using the FDM/FFF technique on an industrial printer (Creatbot Peek 300) with a thermoplastic filament in the form of polylactide—PLA (Table 2);
Table 2. Properties and parameters of the used filaments.
The selection of C35 steel for conventional machining ensures high mechanical strength, while PLA and ABS filaments provide a lightweight alternative for rapid prototyping and emergency replacements. ABS, which has higher impact resistance, is particularly suited for maritime conditions.
The research program consists of a technical and economic evaluation of bracket holder manufacturing using conventional machining, additive, and hybrid methods, as well as an analysis of resonance characteristics for both steel samples and 3D-printed specimens with varying infill densities.
Tests were conducted at a controlled room temperature of 22 °C with a relative humidity of 45%. Vibration tests were performed under sinusoidal excitation from 10 Hz to 6000 Hz, ensuring consistent dynamic loading conditions. All research was conducted to determine whether 3D-printed parts manufactured using FDM/FFF techniques provide sufficient mechanical strength and dynamic stability for emergency replacement in maritime applications.
2.1. The Course of Technical and Economic Analysis
The technical and economic analysis of the possibility of manufacturing the handle using different methods was carried out on samples manufactured using the following methods [14,15,16,17]:
- Cavity method by machining on a CNC milling center—Figure 3a;
Figure 3. Samples used during the technical and economic analyses were made using the following methods: (a) cavity, (b) incremental, and (c) hybrid methods. - Incremental method through 3D printing using the FDM/FFF technique, with a filling rate of 20%—Figure 3b;
- Hybrid AM + SM CNC type method, which had a filling rate of 20%—Figure 3c.
During the analysis in question, the authors performed the following steps:
- Measurements of the geometrical structure taken using the Jenoptik Hommel—Etamic T8000—R60 profilometer (Jenoptik, Jena, Germany) (Table 3);
Table 3. Basic technical parameters of Jenoptik Hommel—Etamic T8000—R60. - Determination of sample fabrication times using the technologies in question (Table 4);
Table 4. Analysis of sample manufacturing times using different methods. - Assessment of the accuracy and quality of the workmanship of the components using various technologies (Table 5, Table 6 and Table 7);
Table 5. GPS parameter measurement sheet for a sample produced using the incremental method.
Table 6. Values of GPS parameters for the tested samples.
Table 7. Comparative analysis of manufacturing methods. - Evaluation of the course of the sample manufacturing process using the discussed technologies (Table 7);
- Estimation of the cost of purchasing the monolithic tools required for producing samples using various technologies (Table 7);
- Evaluation of the structure of control programs used during sample fabrication with various technologies.
In order to evaluate the manufacturing quality of the bracket support samples using various methods, measurements of their dimensional accuracy, as well as measurements of the geometrical structure of the GPS (GPS—Geometrical Product Specifications) surface layer, were carried out [20]. The abovementioned evaluation was carried out, among other things, on the basis of the results obtained with a Jenoptik Hommel-Etamic T8000—R60 profilometer using a TKU 100 measuring tip.
The Jenoptik Hommel—Etamic T8000—R60 profilometer, together with the Jenoptik Evovis 1.42.0.3 software, provides a complex measurement system for the full analysis of all three hundred standardized parameters of roughness (R), waviness (W), and primary profile/unfiltered profile (P) of the top layer, according to DIN, ISO, and JIS standards (Figure 4). The basic technical parameters characterizing the Jenoptik Hommel—Etamic T8000—R60 profilometer used during the tests are shown in Table 3.
Figure 4.
Idea of operation of filtering systems used in profilometers: (a) primary profile filtering scheme: λs—primary profile filter, λf—waviness profile filter, λc—roughness profile filter, (b) wavelength limits of filters in profilometers: I—nominal surface (perfectly smooth): theoretical surface without any irregularities, II—roughness range (R): between λs and λc; represents the microgeometry of the surface, III—waviness range (W): between λc and λf; represents the macrogeometry of the surface. IV—shape errors: above λf; very large, slow changes, λ—wavelength.
Using a profilometer, the following GPS surface parameters were measured, which describe the quality of the geometric structure of the surface layer of the handle support samples [21]:
- The average arithmetic deviation of the roughness profile from the mean line—Ra;
- The maximum height of the roughness profile—Rz;
- The average arithmetic deviation of the ripple profile from the mean line—Wa;
- The maximum height of the ripple profile—Wz.
To increase clarity, the authors have presented the results of this comprehensive analysis concisely in a tabular format.
Each of the presented manufacturing methods allows for the production of the workpiece according to the assumed dimensional accuracy and with the required parameters of the geometric structure of the GPS surface layer (Table 5 and Table 6). Steel samples produced at a CNC milling center exhibit high dimensional accuracy and typically do not require further machining. Achieving this level of precision necessitates the use of up to eleven different cutting tools, along with auxiliary equipment, such as a 3D edge sensor, to ensure optimal alignment. Additionally, CNC machining relies on a specialized program generated through professional CAM software, which often requires a paid license. The operation of such software, including systems like EdgeCAM, demands a high level of expertise, as skilled personnel must configure machining parameters, tool paths, and postprocessing settings to optimize efficiency and maintain quality standards.
Applying the incremental method in the FMD/FFF technique required the use of PLA filament, a printing nozzle with a diameter of ø0.4 mm, and fans with adequate capacity for cooling the resulting workpiece. The accuracy of 3D printing also strictly depends on the experience of the operator and his proper control of the basic parameters (including nozzle temperature of 205 °C, working table temperature of 45 °C, the amount of material fed through the extruder to the printer nozzle, printing speed, and ambient conditions). The obtained metals were characterized by lower accuracy of execution than in the case of the cavity method and required additional processing, i.e., postprocessing. Preparing a program for a 3D printer is not as complicated a process as preparing a program for a CNC machine tool [22].
The application of the hybrid AM + SM CNC method enabled the production of a highly precise component while minimizing material waste. Once the printing phase is complete, the semi-finished component undergoes CNC machining, allowing for the precise refinement of critical surfaces and geometries. This approach combines the flexibility of additive manufacturing with the accuracy of subtractive machining, ensuring both efficiency and dimensional stability. The initial fabrication stage required the use of ABS filament, a specialized 0.8 mm diameter printing nozzle, and precise regulation of key process parameters. These included maintaining a nozzle temperature of 250 °C, a heated build platform set at 100 °C, and careful control of the extrusion rate and print speed to ensure consistency.
The use of a semi-finished part requiring only 0.5 mm of allowance to be collected from the outer surfaces of the workpiece significantly reduces material waste and the time required to produce the part on the CNC machine, as well as significantly reducing the number of tools required to make the part. In addition to reducing waste compared to machining, the incremental method usually allows for the recycling of filament waste, minimizing the environmental footprint. The possibility of making a semi-finished part using a larger height and width of the printed model layer significantly reduces the overall manufacturing time with the hybrid method but requires the proper preparation of the semi-finished part model, taking into account the individual features of the product at the design stage of the semi-finished part [23]. Milling was performed on a three-axis numerically controlled machine; however, due to the need to machine only selected surfaces of the workpiece, it was sufficient to prepare two control programs. When milling the ABS filament blank, the cutting zone had to be cooled to avoid damaging or deforming the sample.
Detailed characteristics of the external area measurement results for the PLA sample are presented in Figure 5 and Figure 6. The results for all tested samples are presented in Table 6.
Figure 5.
The roughness profile of PLA sample prepared using the incremental method.
Figure 6.
The waviness profile of the PLA sample prepared using the incremental method.
Measuring the roughness profile and waviness profile is essential for evaluating the surface quality of bracket support samples produced using different manufacturing methods. Surface texture plays a critical role in determining a component’s mechanical performance, wear resistance, and overall durability, particularly in dynamic applications where surface interactions influence friction, fatigue resistance, and load distribution. In this study, comparing roughness and waviness parameters across CNC-machined, 3D-printed, and hybrid-manufactured samples allows for a deeper understanding of how different fabrication techniques impact the final surface characteristics. This information is crucial for selecting the optimal production method, ensuring that the manufactured components meet both functional and operational requirements in real-world applications.
2.2. Bracket Support—Dynamic Test Course
The mass of a component and its stiffness are very important parameters when evaluating the quality of a part in terms of operation. These parameters very often affect the durability and service life of the part, as well as aspects directly related to the safety of its use. Therefore, it should be emphasized that the workpiece’s mass and stiffness must be considered when conducting dynamic analyses of machine parts [24,25]. Of course, during research work, this parameter can be considered from various aspects, for example: changes in stiffness values under load, temperature, and circular frequency of vibration; in terms of changes in the value of stiffness of the part in different analyzed directions; or as so-called coupled stiffnesses [26].
The authors suggest assessing the dynamic behavior of the bracket support by measuring its vibration levels in response to varying excitation frequencies while maintaining a constant excitation amplitude. This approach enables the identification of resonance characteristics and provides insights into the structural integrity and stiffness of the component. By analyzing the frequency response, it is possible to determine critical operating conditions where excessive vibrations may occur, potentially leading to premature failure. Additionally, this method allows for a comparative evaluation of different manufacturing techniques, such as conventional machining, additive manufacturing, and hybrid methods, in terms of their impact on the dynamic performance of the bracket support. Understanding these vibrational properties is essential for optimizing the design and material selection of components used in demanding operational environments.
The circular frequencies of natural vibrations are proportional (and equal for a system with one degree of freedom) to the stiffness of the part under test, according to the following relation:
where ki—generalized stiffnesses of the tested part; —circular frequency of natural vibration for and of that form; and m—sample mass.
The procedure proposed by the authors for determining the dynamic stiffness is derived from the methods of experimental modal analysis (EMA) [26,27,28]. The derivation of both the dynamic stiffness, Z(jω), and its inverse, which is called dynamic susceptibility, H(jω), is based on modal analysis performed on a forced vibration model of a system with one degree of freedom [25].
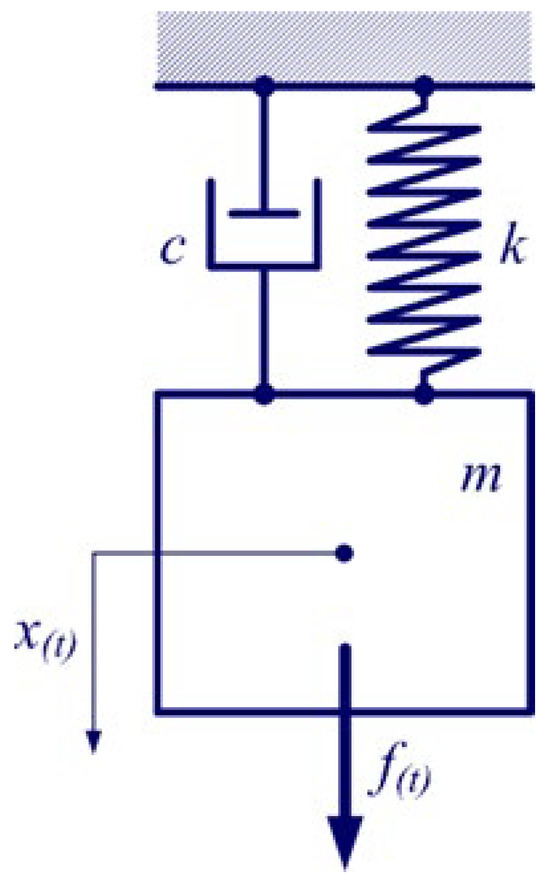
Using Newton’s equation of dynamics or Lagrange’s equation of the second kind without multipliers, it is easy to obtain the equation of draining motion for a system with one degree of freedom, as shown in Figure 7. This equation takes the following form (5):
where m—mass; k—coefficient of elasticity; c—coefficient of damping; —displacement; —speed; —acceleration; and f(t)—forcing force.
Figure 7.
Model of a system with one degree of freedom: m—mass, k—elastic coefficient, c—damping coefficient, f(t)—forcing force, x(t)—displacement.
After performing the Laplace transformation with zero initial conditions (), Equation (2) takes the operator form (5) as follows:
where s—coupled operator.
By substituting an imaginary number into Equation (5) in place of the complex operator, we obtain the equation of oscillatory motion after transforming from the time domain to the frequency domain in the following form (7):
Equation (7) in modal analysis is written in a simplified form as follows [25]:
Thus, in the end, we obtain an expression describing the dynamic stiffness as follows:
and dynamic susceptibility as follows [29,30]:
The test stand on which the dynamic tests of the analyzed bracket specimens were carried out is shown in Figure 8. The stand allowed for the determination of the resonance curves of the tested brackets and consisted of a VibRunner (m+p international, inc. 487 Jefferson Blvd Suite 100 Warwick, RI, USA) measurement data acquisition system with dedicated VibControl v.2.14 software (Figure 8a), a Bruel & Kjaer type V555 (Brüel & Kjær Sound & Vibration Measurement A/S DK-2850 Nærum, Denmark) piston vibration inductor (Figure 8b marks 1 and 2), and piezoelectric vibration sensors from Bruel & Kjaer, type 4534-B (Figure 8b marks 3 and 5). In Figure 8b, mark 4 indicates the test sample.
Figure 8.
Construction of the test stand for resonance characteristics measurement: (a) screen with B&K VibControl 2.14 software running (b) dynamic tests on the C35 steel specimen—(1) reciprocating inductor housing, (2) inductor piston, (3) measuring piezoelectric sensors, (4) test specimen, (5) control (base) piezoelectric sensor.
The tests were performed on five types of cantilever specimens produced by machining from C35 steel and by 3D printing using the FDM/FFF technique with PLA filament at four filling degrees: 10%, 20%, 50%, and 100%. The basic parameters characterizing the samples are included in Table 8. The printing of parts with different filling degrees was carried out using PLA filaments of different colors in order to facilitate the identification of the samples. The PLA filament used was from the same manufacturer. According to its declaration, the formulation and manufacturing technology of these materials (despite the fact that they contain pigments of different colors) ensures the constancy of the basic mechanical and physical parameters and properties (according to Table 2), regardless of the color of the material in question. Therefore, at this stage of the study, the possible influence of the chemical composition of the PLA filament (due to its pigment content) on the determined modal parameters and dynamic stiffness of the samples was not analyzed.
Table 8.
Parameters of tested samples.
The test specimens were mounted on the test stand in the same manner as shown in Figure 8 and Figure 9. The method of mounting the test cantilevers used ensured the excitation of the largest possible number of circular frequencies and forms of natural vibration. According to the assumptions, a constant value of dynamic excitation was maintained by the amplitude of acceleration of the piston motion at a level of 1.5g, within the assumed range of frequency changes of 10 Hz to 6000 Hz, and with a constant rate of frequency change of 1 Oct/min (sweep rate). In order to control the constancy of the value of the excitation amplitude, a piezoelectric sensor was mounted on the piston of the inductor (Figure 8b, mark 5). The course of changes in the acceleration of the movement of the piston was recorded via channel No. 1 of the measurement system (Figure 9). Three piezoelectric accelerometers from Bruel & Kjaer, type 4534-B (Figure 8b, mark 3, Figure 9), were mounted on the test samples (Figure 8b, mark 4, Figure 9). Two of them recorded measurement data in the direction consistent with the direction of the dynamic forcing; specifically, these were measurement channels No. 2 and 4 (Figure 9). Meanwhile, measurement channel No. 3 was used to record measured data in the direction perpendicular to the direction of the dynamic forcing (Figure 9). Resonance curves were determined for each sample three times, allowing us to assess the magnitude of any measurement errors. The observed scatter of measurement results for individual samples was less than 0.5%.
Figure 9.
Mounting of supports on the reciprocating exciter and arrangement of measurement sensors during dynamic tests of the sample made of (a) C35 steel, (b) 100% filled PLA filament, (c) 50% filled PLA filament, (d) 20% filled PLA filament, (e) 10% filled PLA filament.
3. Results and Discussion
Figure 10a shows the recorded waveform of the dynamic excitation set by the piston exciter; according to the assumption made, its value was constant at 1.5 g during the tests. The observed single deviation from the set value, ranging from 1.34 g to 1.77 g, can be considered a negligibly small error in relation to the set parameters of movement of the piston exciter. Figure 10b,d illustrate examples of resonance curves recorded for a C35 steel specimen, measured in alignment with the direction of the applied forcing. In contrast, Figure 10c presents the resonance response of the same steel cantilever based on acceleration data captured by a sensor positioned perpendicular to the excitation direction. It is important to note that in the frequency range of 10 to 50 Hz, the accuracy of resonance curve determination in the perpendicular direction is reduced. This reduction in precision may be attributed to the sensor’s sensitivity limitations or minor inconsistencies in the vibrational response due to structural damping effects. Despite this, the overall resonance patterns remain consistent, providing valuable insights into the dynamic characteristics of the tested component. The noise observed in this frequency range does not affect the technical usefulness of the recorded waveforms, since the determined natural frequencies are above 100 Hz for all samples tested.
Figure 10.
Acceleration waveforms recorded during the dynamic testing of a C35 (logarithmic scale): (a) amplitudes of acceleration corresponding to the applied excitation force, (b) resonance curve obtained from measurements taken in alignment with the direction of the excitation force, (c) resonance response recorded in the direction perpendicular to the excitation force, (d) resonance curve measured along the direction of the excitation force.
The graphs shown in Figure 11 show sample resonance curves obtained for all the tested samples of the bracket support. The curves in Figure 11 were created on the basis of measurement data recorded both in the direction perpendicular to the direction of forcing (measurement channel No. 3) and in the direction consistent with the direction of movement of the exciter piston (measurement channel No. 4). Both the sample made of C35 steel and the parts made by the incremental method using PLA filament are compact parts; thus, the vibration magnification factor obtained during the tests did not exceed a value of 7, regardless of the degree of filling of the individual parts.
Figure 11.
Resonance curves recorded for the tested samples are presented as follows: (a) resonance response measured in the direction perpendicular to the excitation force—linear scale, (b) resonance curve obtained in alignment with the direction of the excitation force—linear scale, (c) resonance response recorded perpendicular to the excitation force—logarithmic scale, (d) resonance curve measured in the same direction as the excitation force—logarithmic scale.
Three main frequencies and forms of natural vibration were identified in both analyzed directions (Table 9). The observed vibration amplitudes in the resonance zones do not differ significantly among the samples, regardless of the method of detailing or the degree of filling in the case of samples obtained by the incremental method. Variations in the positioning of resonance peaks are clearly noticeable. In summary, the natural frequencies identified for the C35 steel cantilever show significant differences compared to those observed in PLA filament samples. This distinction arises primarily from the substantial disparities in both stiffness and mass between these materials. Additionally, a strong correlation is evident between the infill percentage of 3D-printed components and their natural frequency values, highlighting the influence of internal structure on dynamic behavior.
Table 9.
First three natural frequencies of the analyzed samples.
A closer examination of the resonance curves in Figure 11, along with the frequency data presented in Table 9, reveals a consistent trend in the results obtained from two mutually perpendicular measurement directions. This alignment suggests that despite variations in material properties and fabrication methods, the underlying dynamic characteristics of the samples maintain a degree of uniformity across different excitation orientations. Such findings reinforce the importance of both material selection and structural optimization when designing components subjected to vibrational loads.
It should also be noted that except for the area of significant noise in the range from 10 to 50 Hz, observed during measurements recorded in the direction perpendicular to the direction of action of the dynamic forcing, the obtained resonance curves for the cantilever samples are practically identical in both directions as far as natural frequencies are concerned. At the same time, however, the acceleration amplitudes determined during the measurements in the resonance zones are about 50% greater for the direction aligned with the direction of the dynamic forcing than those observed perpendicular to the direction of movement of the exciter piston. According to the authors, the waveforms of resonance curves determined during the testing of cantilever specimens prove that piezoelectric sensors measuring data in both analyzed directions (that is, in measurement channels 2, 3, and 4) recorded the same torsional forms of natural vibrations.
Given the structural dynamics of the analyzed samples, the authors emphasize the importance of stiffness measured in alignment with the direction of the excitation force (Table 10), as well as the coupled stiffness derived from data recorded on measurement channel 3. These parameters are particularly relevant for assessing the mechanical performance of the tested components.
Table 10.
Dynamic stiffnesses determined for the analyzed samples.
The dynamic stiffness values obtained for the C35 steel cantilever, manufactured using the cavity method on a CNC milling machine, significantly exceed those recorded for samples produced with the incremental method via FDM/FFF 3D printing. Specifically, in the case of the first torsional vibration mode—considered the most critical in structural dynamics—the stiffness of the steel cantilever is found to be approximately four times higher than that of the PLA sample with 100% infill. This substantial difference highlights the limitations of polymer-based additive manufacturing in replicating the mechanical robustness of conventionally machined steel components, especially in applications subjected to dynamic loading conditions.
The disparity in dynamic stiffness becomes even more pronounced in cantilevers produced using the incremental method with lower infill percentages. In the case of a PLA filament cantilever with only 10% infill, its dynamic stiffness is already reduced by a factor of thirteen compared to the C35 steel counterpart. This discrepancy grows further when analyzing the second and third natural vibration modes, where the stiffness gap between the steel sample and the 3D-printed specimens increases significantly. These findings underscore the structural limitations of additively manufactured components compared to conventionally machined steel parts. However, despite this reduction in stiffness, the authors suggest that the FDM/FFF-based incremental method remains a viable option for producing temporary replacement parts, particularly in emergency situations where rapid fabrication and functional adaptability are more critical than long-term mechanical durability.
The presented results align with previous studies [1,2], which report that PLA-printed components exhibit significantly lower stiffness than their metal counterparts but remain viable for temporary applications. Compared to [14], our results indicate that hybrid AM + SM improves dimensional accuracy while reducing material costs.
The authors recognize the need to continue exploring the possibility of using 3D printing methods for the emergency manufacturing of spare parts to conduct repairs during ship voyages. In this aspect, among other things, they plan to use their experience in conducting endurance tests of parts manufactured using the FDM/FFF technique. The authors have participated in research on methods for analyzing the endurance of spacers made with FDM incremental technology for underwater window structures.
4. Conclusions
The results presented in the paper, according to the authors, show that it is possible to use 3D printing methods in the FDM/FFF technique to produce replacement parts in emergency situations to temporarily replace a damaged component (for example, on a ship, until the arrival at the shipyard or port). In addition, the authors of this paper believe that additive methods for constructing new parts may have more applications than just in the area of rapid prototyping.
The results show that the dynamic stiffness of 3D-printed parts depends significantly on the infill percentage, with a maximum stiffness of 1.26 × 105 N/m for 100% infill PLA samples, compared to 4.80 × 105 N/m for CNC-machined steel parts. The total production time was reduced by 35% using the hybrid AM + SM method compared to conventional machining.
This study contributes to the advancement of maritime 3D printing applications by demonstrating its feasibility for emergency repairs. Practical benefits include cost reduction, improved supply chain resilience, and the potential integration of onboard manufacturing systems in the shipping industry.
To ensure uninterrupted operation and safe arrival at port, ships should be equipped with 3D printers as part of their onboard workshop facilities. This capability would allow for the rapid production of critical spare parts in emergency situations, minimizing downtime and reducing dependency on external supply chains. In such cases, a 100% filament infill is recommended to maximize printed components’ structural integrity and mechanical reliability. However, the authors acknowledge that further research is necessary to fully assess the feasibility and limitations of using additive manufacturing for in-situ shipboard repairs.
Future research efforts should focus on expanding the understanding of dynamic properties in 3D-printed and hybrid-manufactured components, particularly bracket supports subjected to real-world operational conditions. Planned investigations include comprehensive dynamic stiffness testing on bracket support samples produced via the hybrid AM + SM CNC method, using ABS filament with varying infill densities. This will provide deeper insights into the influence of internal structure on vibration resistance and overall mechanical performance. Additionally, a series of endurance tests is proposed to evaluate the mechanical robustness of additively manufactured spare parts. These tests will include static tensile and torsion assessments on standardized specimens fabricated with different infill percentages. As with the bracket support samples, these standard specimens will be produced using incremental manufacturing from PLA and ABS filaments, enabling a controlled comparison of material performance under load-bearing conditions. Then, the dynamic tests, which involve determining the value of dynamic stiffness, can be classified as non-destructive tests, allowing for the assessment of the endurance of a specific part obtained through 3D printing, whether using the FDM/FFF technique, SLA, SLS, or DMLS. In the case of this manufacturing method, where the quality, including the endurance of the part, strongly depends on the conditions and parameters of the print, this assessment is extremely important.
It is also planned to continue research on the material and endurance parameters of parts created by 3D printing. The research will focus on the shear endurance of the parts and their performance under complex stress states (bending and torsion with bending). Subsequent studies should include issues of creep, fatigue endurance, and impact. The influence of the infill structure and its geometry, in addition to the percentage filament rate, should be analyzed. The percentage relationship of contour to filament and the effect of this relationship on the endurance, stiffness, and material properties of the elements, in terms of their application in the broader shipbuilding industry, is also an extremely important issue related to the research problem under consideration.
Author Contributions
Conceptualization, K.J., K.L., and M.C.; methodology, K.J., L.M., and A.S.; software, M.K., M.C., and J.W.; validation, L.M. and K.L.; formal analysis, K.J. and L.M.; investigation, K.J.; data curation, K.J., M.K., and A.S.; writing—original draft preparation, K.J.; writing—review and editing, L.M., M.K., J.W., M.C., K.L., and A.S.; visualization, K.J. and M.K.; supervision, L.M. and K.L. All authors have read and agreed to the published version of the manuscript.
Funding
This research received no external funding.
Institutional Review Board Statement
Not applicable.
Informed Consent Statement
Not applicable.
Data Availability Statement
Data will be made available upon request.
Conflicts of Interest
Author Jarosław Wierzchowski was employed by the company Experimental facility BISKUPIEC Co., Ltd., ul. Czynu Społecznego 8, 11-300 Biskupiec. The remaining authors declare that the research was conducted in the absence of any commercial or financial relationships that could be construed as a potential conflict of interest.
References
- Vora, H.D.; Sanyal, S. A Comprehensive Review: Metrology in Additive Manufacturing and 3D Printing Technology. Prog. Addit. Manuf. 2020, 5, 319–353. [Google Scholar] [CrossRef]
- Mohammed, J.S. Applications of 3D Printing Technologies in Oceanography. Methods Oceanogr. 2016, 17, 97–117. [Google Scholar] [CrossRef]
- Behm, J.E.; Waite, B.R.; Hsieh, S.T.; Helmus, M.R. Benefits and Limitations of Three-Dimensional Printing Technology for Ecological Research. BMC Ecol. 2018, 18, 32. [Google Scholar] [CrossRef] [PubMed]
- Tiersch, C.J.; Liu, Y.; Tiersch, T.R.; Monroe, W.T. 3-D Printed Customizable Vitrification Devices for Preservation of Genetic Resources of Aquatic Species. Aquac. Eng. 2020, 90, 102097. [Google Scholar] [CrossRef]
- Rouway, M.; Nachtane, M.; Tarfaoui, M.; Chakhchaoui, N.; Omari, L.E.H.; Fraija, F.; Cherkaoui, O. 3D Printing: Rapid Manufacturing of a New Small-Scale Tidal Turbine Blade. Int. J. Adv. Manuf. Technol. 2021, 115, 61–76. [Google Scholar] [CrossRef]
- Bayramoğlu, K.; Kaya, K.D.; Yilmaz, S.; Göksu, B.; Murato, B. Utilization of 3D printing technologies in marine applications. In Proceedings of the International Congress on 3D Printing (Additive Manufacturing) Technologies and Digital Industry, Antalya, Türkiye, 11–14 April 2019. [Google Scholar]
- Al-Meslemi, N.; Anwer, L.; Mathieu, L. Environmental Performance and Key Characteristics in Additive Manufacturing: A Literature Review. Procedia CIRP 2018, 69, 148–153. [Google Scholar]
- Yi, B.; Ravani, J.; Aurich, J.C. Development and Validation of an Energy Simulation for a Desktop Additive Manufacturing System. Addit. Manuf. 2020, 32, 101021. [Google Scholar]
- Shuaib, M.; Haleem, A.; Kumar, S.; Javaid, M. Impact of 3D Printing on the Environment: A Literature-Based Study. Sustain. Oper. Comput. 2021, 2, 57–63. [Google Scholar] [CrossRef]
- Faludi, J.; Van Sice, C.M.; Shi, Y.; Bower, J.; Brooks, O.M. Novel Materials Can Radically Improve Whole-System Environmental Impacts of Additive Manufacturing. J. Clean. Prod. 2019, 212, 1580–1590. [Google Scholar]
- Zawaski, C.; Williams, C. Design of a Low-Cost, High-Temperature Inverted Build Environment to Enable Desktop-Scale Additive Manufacturing of Performance Polymers. Addit. Manuf. 2020, 33, 101111. [Google Scholar]
- Török, J.; Dupláková, D. Integrated Practical Framework for Multidisciplinary Prototype Design and Manufacturing Process. Processes 2025, 13, 454. [Google Scholar] [CrossRef]
- Seidenstuecker, M.; Schilling, P.; Ritschl, L.; Lange, S.; Schmal, H.; Bernstein, A.; Esslinger, S. Inverse 3D Printing with Variations of the Strand Width of the Resulting Scaffolds for Bone Replacement. Materials 2021, 14, 1964. [Google Scholar] [CrossRef] [PubMed]
- Deja, M.; Siemiątkowski, M.S.; Zieliński, D. Multi-Criteria Comparative Analysis of the Use of Subtractive and Additive Technologies in the Manufacturing of Offshore Machinery Components. Pol. Marit. Res. 2020, 27, 71–81. [Google Scholar] [CrossRef]
- Grzesik, W. Hybrid Incremental and Subtractive Manufacturing Processes and Systems: A Review. J. Mach. Eng. 2018, 18, 5–24. [Google Scholar]
- Jasiński, K.; Chodnicki, M.; Bobrowski, K.; Lipiński, K.; Kluczyk, M.; Szeleziński, A. Analysis of the Possibilities of Applying 3D Print Methods for the Needs of Ship-Building Industry. In Flexible Automation and Intelligent Manufacturing: Establishing Bridges for More Sustainable Manufacturing Systems; Modern Manufacturing; Springer: Cham, Switzerland, 2024; Volume 1, pp. 363–370. [Google Scholar] [CrossRef]
- Jasiński, K.; Murawski, L.; Kluczyk, M.; Muc, A.; Szeleziński, A.; Muchowski, T.; Chodnicki, M. Selected Aspects of 3D Printing for Emergency Replacement of Structural Elements. Adv. Sci. Technol. Res. J. 2023, 17, 274–289. [Google Scholar] [CrossRef]
- ISO 21920-2:2021; Geometrical Product Specifications (GPS)—Surface Texture: Profile Part 2: Terms, Definitions and Surface Texture Parameters. ISO: Geneva, Switzerland, 2021.
- ISO 16610-21:2025; Geometrical Product Specifications (GPS)—Filtration Part 21: Linear Profile Filters: Gaussian Filters. ISO: Geneva, Switzerland, 2021.
- Mustač, N.Č.; Pastor, K.; Kojić, J.; Voučko, B.; Ćurić, D.; Rocha, J.M.; Novotni, D. Quality Assessment of 3D-Printed Cereal-Based Products. LWT 2023, 184, 115065. [Google Scholar] [CrossRef]
- Tyagi, P.; Goulet, T.; Riso, C.; Garcia-Moreno, F. Reducing Surface Roughness by Chemical Polishing of Additively Manufactured 3D Printed 316 Stainless Steel Components. Int. J. Adv. Manuf. Technol. 2019, 100, 2895–2900. [Google Scholar] [CrossRef]
- Rabalo, M.; Rubio, E.; Agustina, B.; Camacho, A. Hybrid Additive and Subtractive Manufacturing: Evolution of the Concept and Last Trends in Research and Industry. Procedia CIRP 2023, 118, 741–746. [Google Scholar] [CrossRef]
- Krimpenis, A.A.; Iordanidis, D.M. Design and Analysis of a Desktop Multi-Axis Hybrid Milling-Filament Extrusion CNC Machine Tool for Non-Metallic Materials. Machines 2023, 11, 637. [Google Scholar] [CrossRef]
- Markuszewski, D. Diagnosing the Composite Structure Based on the Observation of Acoustic Wave Propagation. Diagnostics of Polymer Materials. In Proceedings of the 9th Scientific and Technical Conference, Semarang, Indonesia, 9 September 2020. [Google Scholar]
- De Silva, C.W. Vibration, Fundamentals and Practice, 2nd ed.; Taylor & Francis Inc: Abingdon, UK, 2007; ISBN 9780849319877. [Google Scholar]
- Medel, F.; Abad, J.; Esteban, V. Stiffness and Damping Behavior of 3D Printed Specimens. Polym. Test. 2022, 109, 107529. [Google Scholar] [CrossRef]
- Hong, H.; Hu, M.; Dai, L. Dynamic Mechanical Behavior of Hierarchical Resin Honeycomb by 3D Printing. Polymers 2020, 13, 19. [Google Scholar] [CrossRef]
- Gatti, P.L. Applied Structural and Mechanical Vibrations Theory, Methods and Measuring Instrumentation, 1st ed.; CRC Press: Boca Raton, FL, USA, 1999. [Google Scholar] [CrossRef]
- Modak, S.V. Analytical and Experimental Modal Analysis, 1st ed.; CRC Press: Boca Raton, FL, USA, 2023; ISBN 9780429454783. [Google Scholar] [CrossRef]
- Szeleziński, A.; Muc, A.; Murawski, L.; Kluczyk, M.; Muchowski, T. Application of Laser Vibrometry to Assess Defects in Ship Hull’s Welded Joints’ Technical Condition. Sensors 2021, 21, 895. [Google Scholar] [CrossRef]
Disclaimer/Publisher’s Note: The statements, opinions and data contained in all publications are solely those of the individual author(s) and contributor(s) and not of MDPI and/or the editor(s). MDPI and/or the editor(s) disclaim responsibility for any injury to people or property resulting from any ideas, methods, instructions or products referred to in the content. |
© 2025 by the authors. Licensee MDPI, Basel, Switzerland. This article is an open access article distributed under the terms and conditions of the Creative Commons Attribution (CC BY) license (https://creativecommons.org/licenses/by/4.0/).






















