Bridge Deflection Prediction Based on Cascaded Residual Smoothing and Multiscale Spatiotemporal Attention Network
Abstract
1. Introduction
- This paper designs a cascade residual smoothing method to solve the problem of ignoring short-term fluctuations that exists in traditional smoothing methods. The method separates the long-term trend and short-term fluctuations, and gradually denoises them by cascading them, and the cascading residual smoothing reduces the risk of over-smoothing the data. After Gaussian filtering treats the overall trend, quadratic exponential smoothing is applied only to the residual part, thus smoothing short-term fluctuations more gently and reducing strong interference with the original data.
- This paper proposes a multiscale spatiotemporal attention network to solve the problem of not being able to obtain spatiotemporal information simultaneously, which exists in traditional prediction methods. The network has multi-level feature extraction and time-dependent modeling capabilities and screens important time-series features to improve prediction accuracy.
2. Smoothing Method Analysis
2.1. Gaussian Smoothing
2.2. Quadratic Exponential Smoothing
2.3. Cascade Residual Smoothing
3. Analysis of Predictive Modeling Methods
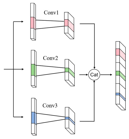
3.1. Multiscale Convolutional Neural Networks
3.2. Gated Recurrent Unit
3.3. Self-Attention
3.4. Multiscale Spatiotemporal Attention Network
3.5. Designed Bridge Deflection Prediction Method
4. Calculus Analysis
4.1. Data Presentation
4.2. Model Parameters and Hyperparameter Selection
4.3. Projected Results
5. Conclusions
Author Contributions
Funding
Institutional Review Board Statement
Informed Consent Statement
Data Availability Statement
Acknowledgments
Conflicts of Interest
References
- Chung, W.; Kim, S.; Kim, N.-S.; Lee, H.-U. Deflection estimation of a full scale prestressed concrete girder using long-gauge fiber optic sensors. Constr. Build. Mater. 2008, 22, 394–401. [Google Scholar] [CrossRef]
- Fu, Z.; Wang, H.; Fan, P.; An, P. Development and application research of bridge structure health monitoring technology. Sci. Innov. 2024, 21, 173–175+178. [Google Scholar] [CrossRef]
- Worden, K.; Cross, E.J. On switching response surface models, with applications to the structural health monitoring of bridges. Mech. Syst. Signal Process. 2018, 98, 139–156. [Google Scholar] [CrossRef]
- Zhang, R.; Meng, L.; Mao, Z.; Sun, H. Spatiotemporal deep learning for bridge response forecasting. J. Struct. Eng. 2021, 147, 04021070. [Google Scholar] [CrossRef]
- Liu, H.; Geng, D.; Wang, L. Research on data processing methods for bridge vibration monitoring. Sci. Technol. Innov. 2023, 13, 145–148. [Google Scholar]
- Liu, X.; Wang, Y.; Tang, C. Application of automatic hydrostatic leveling measurement technology in subway tunnel structure monitoring. Bull. Surv. Mapp. 2021, 8, 69–73. [Google Scholar]
- Pei, Y.; Guo, M. The fundamental principle and application of sliding average method. Gun Launch Control. J 2001, 1, 21–23. [Google Scholar]
- Chen, J.; Wan, C.; Xiao, C.; Li, L. Research on signal processing for bridge health monitoring. In Proceedings of the 2009 9th International Conference on Electronic Measurement & Instruments, Beijing, China, 16–19 August 2009; pp. 4-338–4-342. [Google Scholar]
- Lu, X.; Han, F.; Ma, L.; Zhang, L.; Sun, P. Noise-resistant bearing fault diagnosis method based on Gaussian filtering and multiscale CNN. Noise Vib. Control. 2024, 44, 132–137. [Google Scholar]
- Li, L.; Li, X.; Tan, S. Research and application of rapid identification method for bridge cable fundamental frequency based on microwave interferometric radar. World Bridges 2023, 51, 91–97. [Google Scholar]
- Xin, J.; Jiang, Y.; Zhou, J.; Peng, L.; Liu, S.; Tang, Q. Bridge deformation prediction based on SHM data using improved VMD and conditional KDE. Eng. Struct. 2022, 261, 114285. [Google Scholar] [CrossRef]
- Fang, R.; Yang, J. Application of the ARMA model to bridge structural health monitoring. Intell. Autom. Soft Comput. 2010, 16, 755–762. [Google Scholar] [CrossRef]
- Chen, Z.; Chang, J. Application of combined ridge regression and SARIMA methods in bridge health monitoring data analysis. Sci. Technol. Eng. 2023, 23, 8846–8853. [Google Scholar]
- Li, S.; Zuo, X.; Li, Z.; Wang, H. Applying Deep Learning to Continuous Bridge Deflection Detected by Fiber Optic Gyroscope for Damage Detection. Sensors 2020, 20, 911. [Google Scholar] [CrossRef] [PubMed]
- Nie, H.; Ying, J.; Deng, J. Bridge health monitoring deflection prediction method based on Bi-LSTM model. Highway 2024, 69, 213–219. [Google Scholar]
- Gu, S.; Chang, S.; Han, M.; Zhao, J. Bridge deflection prediction driven by millimeter-wave radar data. Sci. Technol. Eng. 2023, 23, 4874–4880. [Google Scholar]
- Calò, M.; Ruggieri, S.; Nettis, A.; Uva, G. A MTInSAR-based early warning system to appraise deformations in simply supported concrete girder bridges. Struct. Control Health Monit. 2024, 2024, 8978782. [Google Scholar] [CrossRef]
- Calò, M.; Ruggieri, S.; Nettis, A.; Uva, G. A GIS Plugin for the Assessment of Deformations in Existing Bridge Portfolios via MTInSAR Data. Remote Sens. 2024, 16, 4293. [Google Scholar] [CrossRef]
- Qiu, X.; Wang, F.; Zhang, Q.; Tao, G.; Zhou, S. An improved Gaussian process for filling the missing data in GNSS position time series considering the influence of adjacent stations. Sci. Rep. 2024, 14, 19268. [Google Scholar] [CrossRef]
- Wu, D.; Ma, W.; Yang, L. Power load forecasting based on a multi-objective combined model with double exponential smoothing. Comput. Eng. Des. 2023, 44, 2541–2547. [Google Scholar]
- Sun, B.; Zhang, B.; Yu, X.; Chen, X.; Jiang, Z.; Wu, J. Research on bridge technical condition prediction based on deep learning. China Transp. Informatiz. 2024, S1, 568–571. [Google Scholar]
- Shi, Y.; Zheng, D.J.; Zhao, H.; Zhou, X. Dam deformation prediction model based on CNN-Attention-LSTM. Water Resour. Hydropower Eng. 2024, 55, 121–132, (In Chinese and English). [Google Scholar]
















| Module | Kernels | Channel | Strides | Dimension | Padding |
|---|---|---|---|---|---|
| Conv1 | 3 | 16 | 1 | / | 1 |
| Conv2 | 7 | 16 | 1 | / | 3 |
| Conv3 | 11 | 16 | 1 | / | 5 |
| GRU | / | / | / | 32 | / |
| SA-Q | / | / | / | 16 | / |
| SA-K | / | / | / | 16 | / |
| SA-V | / | / | / | 16 | / |
| Linear | / | / | / | 1 | / |
| Hyperparameter | Value |
|---|---|
| Optimizer | Adam |
| Learning rate | 0.001 |
| epoch | 500 |
| Batch size | 256 |
| time step | 5 |
| 1.25 | |
| 0.5 | |
| 0.01 |
| Static Level Position | Methodology | MAE | RMSE | R2 |
|---|---|---|---|---|
| 1 | Cascade residual smoothing-MSSAN | 9.6932 | 15.0834 | 0.9775 |
| BiLSTM | 13.3812 | 20.5796 | 0.9581 | |
| CNN-GRU | 15.6298 | 24.3279 | 0.9281 | |
| CNN-Attention-LSTM | 13.5982 | 21.0110 | 0.9477 | |
| 2 | Cascade residual smoothing-MSSAN | 0.1173 | 0.1674 | 0.9868 |
| BiLSTM | 0.3329 | 0.3781 | 0.8923 | |
| CNN-GRU | 0.8363 | 1.6303 | 0.7839 | |
| CNN-Attention-LSTM | 0.1764 | 0.2003 | 0.9637 | |
| 3 | Cascade residual smoothing-MSSAN | 0.6403 | 0.9998 | 0.9467 |
| BiLSTM | 1.0948 | 1.6285 | 0.8586 | |
| CNN-GRU | 0.8853 | 1.4356 | 0.8902 | |
| CNN-Attention-LSTM | 0.8005 | 1.095 | 0.9361 | |
| 4 | Cascade residual smoothing-MSSAN | 0.8013 | 1.0842 | 0.9277 |
| BiLSTM | 1.2577 | 1.7821 | 0.8047 | |
| CNN-GRU | 1.0098 | 1.416 | 0.8751 | |
| CNN-Attention-LSTM | 0.9637 | 1.116 | 0.8978 | |
| 5 | Cascade residual smoothing-MSSAN | 1.0105 | 1.4434 | 0.8533 |
| BiLSTM | 1.0049 | 1.4034 | 0.8597 | |
| CNN-GRU | 1.2181 | 1.6798 | 0.8046 | |
| CNN-Attention-LSTM | 0.9848 | 1.5126 | 0.8390 |
Disclaimer/Publisher’s Note: The statements, opinions and data contained in all publications are solely those of the individual author(s) and contributor(s) and not of MDPI and/or the editor(s). MDPI and/or the editor(s) disclaim responsibility for any injury to people or property resulting from any ideas, methods, instructions or products referred to in the content. |
© 2025 by the authors. Licensee MDPI, Basel, Switzerland. This article is an open access article distributed under the terms and conditions of the Creative Commons Attribution (CC BY) license (https://creativecommons.org/licenses/by/4.0/).
Share and Cite
Wu, X.; Qian, H.-M.; Liao, J.; He, L.-S.; Wang, C.-Q. Bridge Deflection Prediction Based on Cascaded Residual Smoothing and Multiscale Spatiotemporal Attention Network. Appl. Sci. 2025, 15, 3147. https://doi.org/10.3390/app15063147
Wu X, Qian H-M, Liao J, He L-S, Wang C-Q. Bridge Deflection Prediction Based on Cascaded Residual Smoothing and Multiscale Spatiotemporal Attention Network. Applied Sciences. 2025; 15(6):3147. https://doi.org/10.3390/app15063147
Chicago/Turabian StyleWu, Xi, Hai-Min Qian, Juan Liao, Liu-Sheng He, and Cheng-Quan Wang. 2025. "Bridge Deflection Prediction Based on Cascaded Residual Smoothing and Multiscale Spatiotemporal Attention Network" Applied Sciences 15, no. 6: 3147. https://doi.org/10.3390/app15063147
APA StyleWu, X., Qian, H.-M., Liao, J., He, L.-S., & Wang, C.-Q. (2025). Bridge Deflection Prediction Based on Cascaded Residual Smoothing and Multiscale Spatiotemporal Attention Network. Applied Sciences, 15(6), 3147. https://doi.org/10.3390/app15063147

