A Computationally Efficient p-Refinement Finite Element Method Approach for the Fracture Analysis of Axially Cracked Pipes with Composite Patch Reinforcement
Abstract
1. Introduction
2. Materials and Methods
2.1. Shape Functions for p-Refinement Finite Elements
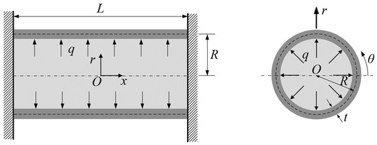
2.2. Geometry and Displacement Fields
2.3. Constitutive Equations
2.4. Details of the Element Formulation
2.5. The VCCT for the Proposed Model
3. Results
3.1. Orthotropic Cylindrical Shells with Clamped Boundary Conditions
3.2. Cracked Pipes Without Patch Repair
3.3. Axially Cracked Pipes with Composite Patches
4. Discussion
5. Conclusions
- This study demonstrates that integrating p-refinement techniques into finite element modeling enables an efficient analysis of axially cracked pipes reinforced with composite patches, significantly reducing computational costs while maintaining high accuracy.
- The proposed model successfully integrates ESL and LW theories within a single element framework, minimizing DOFs while ensuring accurate results. Benchmark problems and fracture analyses using the VCCT validated the accuracy and reliability of the proposed model, showing excellent agreement with numerical and analytical solutions.
- Parametric studies reveal that patch material, size, thickness, and adhesive properties significantly affect reinforcement performance. Stiffer patch materials lead to greater reductions in SIFs, with patch size and thickness also playing crucial roles in reinforcement effectiveness.
- The proposed method provides a computationally efficient and robust approach for analyzing cracked cylindrical structures with composite reinforcements, contributing to damage-tolerant design strategies for pressurized cylindrical structures. These findings have potential applications in aerospace, marine, and mechanical engineering.
- This study provides a numerical modeling framework that enhances structural reinforcement techniques for pressurized cylindrical structures. The results contribute to the development of more efficient and accurate design methodologies, offering valuable insights for engineers and researchers involved in structural integrity assessment and reinforcement design.
- These findings reinforce the significance of computationally efficient fracture analysis and reinforcement strategies, ensuring that complex cracked structures can be analyzed with high accuracy while maintaining their practical feasibility.
Funding
Institutional Review Board Statement
Informed Consent Statement
Data Availability Statement
Conflicts of Interest
Abbreviations
| DOF | Degrees of freedom |
| FEM | Finite element method |
| ESL | Equivalent single-layer |
| LW | Layer-wise |
| SIF | Stress intensity factors |
| VCCT | Virtual crack closure technique |
References
- Baker, A.A. Repair of cracked or defective metallic aircraft components with advanced fibre composites—An overview of Australian work. Compos. Struct. 1984, 2, 153–181. [Google Scholar] [CrossRef]
- Aabid, A.; Hrairi, M.; Ali, J.S.M.; Sebaey, T.A. A Review on Reductions in the Stress-Intensity Factor of Cracked Plates Using Bonded Composite Patches. Materials 2022, 15, 3086. [Google Scholar] [CrossRef] [PubMed]
- Oterkus, E.; Barut, A.; Madenci, E.; Ambur, D.R. Nonlinear analysis of a composite panel with a cutout repaired by a bonded tapered composite patch. Int. J. Solids Struct. 2005, 42, 5274–5306. [Google Scholar] [CrossRef]
- Ayatollahi, M.R.; Hashemi, R. Mixed mode fracture in an inclined center crack repaired by composite patching. Compos. Struct. 2007, 81, 264–273. [Google Scholar] [CrossRef]
- Ellyin, F.; Ozah, F.; Xia, Z. 3-D modelling of cyclically loaded composite patch repair of a cracked plate. Compos. Struct. 2007, 78, 486–494. [Google Scholar] [CrossRef]
- Salem, M.; Berrahou, M.; Mechab, B.; Bouiadjra, B.B. Analysis of the Adhesive Damage for Different Patch Shapes in Bonded Composite Repair of Corroded Aluminum Plate under Thermo-Mechanical Loading. J. Fail. Anal. Prev. 2021, 21, 1274–1282. [Google Scholar] [CrossRef]
- Benzineb, H.; Berrahou, M.; Belkaddour, L. Analysis of the Effect of Localized Corrosion Shape on a Cracked and Notched 2024 AL Plate Repaired with Composite Patch under Thermo-Mechanical Loading. Lat. Am. J. Solids Struct. 2023, 20, e476. [Google Scholar] [CrossRef]
- Berrahou, M.; Demmouche, N. Study of the Effects of Adhesive Damage and Plasticity on the Repair of Cracked Aluminum Structures. J. Fail. Anal. Prev. 2023, 23, 1597–1607. [Google Scholar] [CrossRef]
- Bouchkara, N.H.M.; Albedah, A.; Benyahia, F.; Khan, S.M.A.; Bouiadjra, B.B. Experimental and Numerical Analyses of the Effects of Overload on the Fatigue Life of Aluminum Alloy Panels Repaired with Bonded Composite Patch. Int. J. Aeronaut. Space Sci. 2022, 22, 1075–1084. [Google Scholar] [CrossRef]
- Achour, A.; Albedah, A.; Benyahia, F.; Bouiadjra, B.A.B.; Ouinas, D. Analysis of Repaired Cracks with Bonded Composite Wrap in Pipes under Bending. J. Press. Vessel Technol. 2016, 138, 060909. [Google Scholar] [CrossRef]
- Rashed, G.; Eskandari, H.; Savari, A. Investigating the Effectiveness of a Composite Patch on Repairing Pipes Subjected to Circumferential Cracks under Combined Loadings. Iran. J. Oil Gas Sci. Technol. 2019, 8, 92–106. [Google Scholar] [CrossRef]
- Budhe, S.; Banea, M.D.; de Barros, S. Analysis of Failure Pressure of Defective Pipes Repaired with Composite Systems Considering the Plastic Deformation of Pipe. J. Inst. Eng. (India) Ser. C 2020, 101, 929–936. [Google Scholar] [CrossRef]
- Jamal-Omidi, M.; Nabavi, S.M.; Parsania, A.H.P. The Repair of Circumferential Through-Wall Cracked Pipe by Using Local Composite Patch. J. Mar. Eng. 2020, 15, 41–51. [Google Scholar] [CrossRef]
- Yu, D.; Hossain, A.; Huang, H.; Coker, D.; Turchet, S.; Alexander, C.; Whalen, C. Composite Repair of Large-Size Diameter Pipe with Severe Metal Loss Defects. Int. Pipeline Conf. 2024, 88544, V02AT03A050. [Google Scholar] [CrossRef]
- Savari, A. Crack Assessment in Spiral-Welded Pipelines Repaired by Composite Patch: A SMART and Failure Assessment Diagram Approach. J. Pipeline Sci. Eng. 2025, 5, 100222. [Google Scholar] [CrossRef]
- Yu, W. A review of modeling of composite structures. Materials 2024, 17, 446. [Google Scholar] [CrossRef] [PubMed]
- Reddy, J.N. Mechanics of Laminated Composite Plates and Shells: Theory and Analysis, 2nd ed.; CRC Press: Boca Raton, FL, USA, 2003. [Google Scholar] [CrossRef]
- Carrera, E. Theories and finite elements for multilayered plates and shells: A unified compact formulation with numerical assessment and benchmarking. Arch. Comput. Methods Eng. 2003, 10, 215–296. [Google Scholar] [CrossRef]
- Ahn, J.S.; Basu, P.K.; Woo, K.S. hierarchic layer models for anisotropic laminated plates. KSCE J. Civ. Eng. 2011, 15, 1067–1080. [Google Scholar] [CrossRef]
- Carrera, E. Historical review of zig-zag theories for multilayered plates and shells. Appl. Mech. Rev. 2003, 56, 287–308. [Google Scholar] [CrossRef]
- Li, D. Layerwise theories of laminated composite structures and their applications: A review. Arch. Comput. Methods Eng. 2021, 28, 577–600. [Google Scholar] [CrossRef]
- Ahmed, N.U.; Basu, P.K. Higher-order finite element modelling of laminated composite plates. Int. J. Numer. Methods Eng. 1994, 37, 123–139. [Google Scholar] [CrossRef]
- Szabó, B.; Düster, A.; Rank, E. The p-version of the finite element method. In Encyclopedia of Computational Mechanics; Stein, E., de Borst, R., Hughes, T.J.R., Eds.; Wiley: New York, NY, USA, 2004; Volume 1, Chapter 5; pp. 119–139. [Google Scholar] [CrossRef]
- Ahn, J.S.; Basu, P.K. Locally refined p-fem modeling of patch repaired plates. Compos. Struct. 2011, 93, 1704–1716. [Google Scholar] [CrossRef]
- Woo, K.S.; Ahn, J.S.; Yang, S.H. Cylindrical discrete-layer model for analysis of circumferential cracked pipes with externally bonded composite materials. Compos. Struct. 2016, 143, 317–323. [Google Scholar] [CrossRef]
- Wu, Y.; Xing, Y.; Liu, B. Hierarchical p-version C1 finite elements on quadrilateral and triangular domains with curved boundaries and their applications to Kirchhoff plates. Int. J. Numer. Methods Eng. 2019, 119, 177–207. [Google Scholar] [CrossRef]
- Winterscheidt, D. Improved p-Version Finite Element Matrix Conditioning Using Semi-Orthogonal Modal Approximation Functions. Int. J. Numer. Methods Eng. 2022, 123, 5394–5415. [Google Scholar] [CrossRef]
- Folias, E.S. An axial crack in a pressurized cylindrical shell. Int. J. Fract. Mech. 1965, 1, 104–113. [Google Scholar] [CrossRef]
- Reddy, J.N. An Introduction to the Finite Element Method, 3rd ed.; McGraw-Hill: New York, NY, USA, 2005. [Google Scholar]
- Solin, P.; Segeth, K.; Dolezel, I. Higher-Order Finite Element Methods, 1st ed.; Chapman & Hall/CRC: New York, NY, USA, 2003. [Google Scholar] [CrossRef]
- Rybicki, E.F.; Kanninen, M.F. A finite element calculation of stress intensity factors by a modified crack closure integral. Eng. Fract. Mech. 1977, 9, 931–938. [Google Scholar] [CrossRef]
- Saravanos, D.A.; Heyliger, P.R.; Hopkins, D.A. Layerwise mechanics and finite element for the dynamic analysis of piezoelectric composite plates. Int. J. Solids Struct. 1997, 34, 359–378. [Google Scholar] [CrossRef]
- Garção, J.S.; Soares, C.M.; Soares, C.M.; Reddy, J.N. Analysis of laminated adaptive plate structures using layerwise finite element models. Comput. Struct. 2004, 82, 1939–1959. [Google Scholar] [CrossRef]
- Tada, H.; Paris, P.C.; Irwin, G.R. The Stress Analysis of Cracks Handbook, 3rd ed.; ASME: New York, NY, USA, 2000. [Google Scholar]
- Ahn, J.S.; Yang, S.H.; Woo, K.S. Robustness of hierarchical laminated shell element based on equivalent single-layer theory. Math. Probl. Eng. 2015, 2015, 301054. [Google Scholar] [CrossRef]
- Krueger, R. Virtual crack closure technique: History, approach, and applications. Appl. Mech. Rev. 2004, 57, 109–143. [Google Scholar] [CrossRef]
- Chyanbin, H.; Hu, J.S. Stress intensity factors and energy release rates of delaminations in composite laminates. Eng. Fract. Mech. 1992, 42, 977–988. [Google Scholar] [CrossRef]
- Tada, H. The Effects of Shell Corrections on Stress Intensity Factors and the Crack Opening Area of a Circumferential and a Longitudinal Through-Crack in a Pipe. NUREG 1983, CR-3464, 71–81. [Google Scholar]
- Erdogan, F.; Kibler, J.J. Cylindrical and spherical shells with cracks. Int. J. Fract. Mech. 1969, 5, 229–237. [Google Scholar] [CrossRef]
















| Laminate | Present Analysis | LW Element [25] | Reference [32] | Reference [33] |
|---|---|---|---|---|
| One layer (0) | 9.52 | 9.52 | 8.85 | 9.31 |
| Two layers (0/90) | 4.56 | 4.56 | - | - |
| Types | Crack Length a (mm) | |||||
|---|---|---|---|---|---|---|
| 3 | 6 | 9 | 12 | 15 | 18 | |
| Present analysis | 1.0638 | 1.2547 | 1.4952 | 1.7681 | 2.0253 | 2.3095 |
| Reference [25] | 1.0767 | 1.3262 | 1.5235 | 1.7871 | 2.0493 | 2.3213 |
| Reference [38] | 1.0607 | 1.2246 | 1.4851 | 1.7277 | 2.0136 | 2.3091 |
| Reference [39] | 1.1082 | 1.3091 | 1.5189 | 1.8115 | 2.1095 | 2.3196 |
| Materials | E1 | E2, E3 | G12, G13 | G23 | ν12, ν13 | ν23 |
|---|---|---|---|---|---|---|
| Boron–epoxy | 208 | 25.4 | 7.24 | 4.94 | 0.168 | 0.035 |
| Graphite–epoxy | 172 | 10.3 | 4.83 | 3.10 | 0.300 | 0.180 |
| Adhesive | 0.965 | - | - | - | 0.32 | - |
Disclaimer/Publisher’s Note: The statements, opinions and data contained in all publications are solely those of the individual author(s) and contributor(s) and not of MDPI and/or the editor(s). MDPI and/or the editor(s) disclaim responsibility for any injury to people or property resulting from any ideas, methods, instructions or products referred to in the content. |
© 2025 by the author. Licensee MDPI, Basel, Switzerland. This article is an open access article distributed under the terms and conditions of the Creative Commons Attribution (CC BY) license (https://creativecommons.org/licenses/by/4.0/).
Share and Cite
Ahn, J.S. A Computationally Efficient p-Refinement Finite Element Method Approach for the Fracture Analysis of Axially Cracked Pipes with Composite Patch Reinforcement. Appl. Sci. 2025, 15, 2711. https://doi.org/10.3390/app15052711
Ahn JS. A Computationally Efficient p-Refinement Finite Element Method Approach for the Fracture Analysis of Axially Cracked Pipes with Composite Patch Reinforcement. Applied Sciences. 2025; 15(5):2711. https://doi.org/10.3390/app15052711
Chicago/Turabian StyleAhn, Jae S. 2025. "A Computationally Efficient p-Refinement Finite Element Method Approach for the Fracture Analysis of Axially Cracked Pipes with Composite Patch Reinforcement" Applied Sciences 15, no. 5: 2711. https://doi.org/10.3390/app15052711
APA StyleAhn, J. S. (2025). A Computationally Efficient p-Refinement Finite Element Method Approach for the Fracture Analysis of Axially Cracked Pipes with Composite Patch Reinforcement. Applied Sciences, 15(5), 2711. https://doi.org/10.3390/app15052711

