Next Article in Journal
A Systematic Review Comparing Conservative and Surgical Approaches in the Management of Patellofemoral Instability
Previous Article in Journal
Privacy-Preserved Visual Simultaneous Localization and Mapping Based on a Dual-Component Approach
 
 
Font Type:
Arial Georgia Verdana
Font Size:
Aa Aa Aa
Line Spacing:
Column Width:
Background:
Article

Characteristics Evaluation and Coordinated Control Strategy of Power-Electronics-Based MMC-HVDC Systems Connected with Wind Farms †

by
Lin Xu
1,2,
Chang Liu
1,2,
Jingyi Zhang
3,4,*,
Zhen Tian
3,4,
Pan Feng
3,4 and
Meng Huang
3,4
1
Electric Power Research Institute of State Grid Sichuan Electric Power Co., Ltd., Chengdu 610072, China
2
Power Internet of Things Key Laboratory of Sichuan Province, Chengdu 610072, China
3
School of Electrical Engineering and Automation, Wuhan University, Wuhan 430072, China
4
Key Laboratory of Integrated Energy Power Equipment and System Security, Wuhan 430072, China
*
Author to whom correspondence should be addressed.
This text is an extended version of our paper published in Xu, L.; Liu, C.; Zhang, J.; Tian, Z.; Feng, P.; Liu, S.; Liu, F. Grid-supporting Characterization of MMC-HVDC System for Offshore Wind Farm Under Different Control Modes: A Comparative Study. In Proceedings of the 2024 IEEE 10th International Power Electronics and Motion Control Conference, Chengdu, China, 17–20 May 2024.
Appl. Sci. 2025, 15(5), 2582; https://doi.org/10.3390/app15052582
Submission received: 9 January 2025 / Revised: 14 February 2025 / Accepted: 17 February 2025 / Published: 27 February 2025
(This article belongs to the Section Electrical, Electronics and Communications Engineering)

Abstract

Modular multilevel converter–high-voltage direct current (MMC-HVDC) systems are a key technology for integrating large-scale offshore wind farms due to their flexibility, controllability, and decoupled active and reactive power characteristics. However, offshore wind farms rely on power electronic converters, resulting in low inertia, which can worsen frequency fluctuations and affect system stability during major disturbances. Additionally, the decoupled power control of MMC-HVDC systems limits wind farms’ inertia contribution to the AC grid, exacerbating inertia deficiency. To address this, a coordinated inertia support strategy is proposed, utilizing a DC voltage–frequency mapping method that enables wind farms to perceive frequency variations without communication and rapidly provide inertia response. This strategy coordinates wind farms and MMC-HVDC systems to enhance frequency support. Simulations demonstrate that the proposed strategy overcomes MMC-HVDC’s decoupling effect, accelerates frequency recovery, and improves the inertia response speed, achieving faster power support and higher peak power output, thereby enhancing frequency stability. Furthermore, PSCAD/EMTDC simulations were conducted to analyze the transient characteristics of MMC-HVDC under AC-side faults, verifying that braking resistors (BRs) effectively suppress DC overvoltage, reducing wind farm power curtailment and improving system security. This study provides a new approach for frequency stability control in MMC-HVDC-based offshore wind integration and serves as a reference for further optimization of inertia support and fault protection strategies.

1. Introduction

The new power system is an important part of China’s construction of a new energy system, and it can respond to the national energy security strategy and the goal of “carbon peak and carbon neutrality” [1]. Wind power has become a popular choice for new energy generation because it is affordable, uses abundant resources, and relies on proven methods. As wind farms expand and send electricity over longer distances, the transmission technology of wind power has also advanced. MMC-HVDC systems are a new generation of “voltage source DC transmission technology” with the highest flexibility and best controllability, which can improve the fault ride-through capability of new energy stations [2,3,4]. Because of their advantages, such as no commutation failure, active and reactive power decoupling, and stable operation, they play a significant role in improving the interaction between AC and DC and improving the stability of the power grid. They have become the main technical solution for large-scale offshore wind farms to be connected to the grid [5,6,7].
As the share of synchronous generators diminishes and the adoption of renewable energy sources intensifies, power systems are confronted with emerging challenges marked by reduced inertia and diminished grid support capabilities [8,9]. In recent years, there have been many major power outages caused by insufficient inertia, all of which are related to large-scale new energy access [10,11]. For wind power transmitted via MMC-HVDC, which is studied in this paper, risks similar to those of the connected power grid exist. Firstly, since wind turbines are connected to the grid through power electronic devices, they cannot actively respond to grid frequency changes and respond to power deviations by releasing or absorbing energy, nor can they provide inertia support by releasing or absorbing energy [12]. Secondly, MMC-HVDC systems introduce a decoupling characteristic between the wind farm and the grid [13], which further reduces the overall system stability. Therefore, it is imperative to investigate a coordinated control strategy to improve the grid-supporting capability of wind farms connected via MMC-HVDC systems.
Existing studies have explored improving the frequency support capability of wind turbines by modifying their control strategies. [14,15] have designed a grid-forming control strategy for wind turbines. By simulating the characteristics of the synchronous generator, frequency-active power drop control, and voltage-reactive power drop control are realized. So, the wind turbine can provide inertia support when the frequency changes. However, these methods focus on a single turbine connected directly to the grid, making them unsuitable for wind turbines integrated with MMC-HVDC systems, in which the frequency variation information of the grid needs to be transmitted to the wind farm side. Ref. [16] proposes using communication methods to transmit grid frequency information. However, this approach is constrained by communication costs and reliability. The delay for a wind turbine to provide frequency support is typically in the range of 50 ms to 1 s [17], which is relatively long and fails to meet the rapid response requirements of inertial support.
On the other hand, when a sudden grid frequency variation occurs, connected devices must provide additional active power support to reduce the rate of change of frequency (RoCoF) and set aside as much preparation time as possible for frequency regulation. However, most existing inertial support control strategies focus on a single device. Given that both offshore wind farms and MMC-HVDC transmission systems possess certain frequency regulation capabilities, it is essential to fully exploit their potential for coordinated frequency support. By combining the reserve capacity of wind farms with the energy storage capability of MMC-HVDC submodule capacitors [18,19], the stability and operational reliability of the system can be significantly enhanced.
In summary, there are the following problems in the existing research on the inertia response of wind farms transmitted by MMC-HVDC systems: 1. The inherent decoupling characteristics of power electronics impede wind turbines’ ability to actively respond to grid frequency deviations; 2. Conventional communication-dependent frequency transmission methods suffer from 50 ms~1 s delays, failing to meet quickly inertial support requirements; 3. Existing control strategies lack coordinated utilization of wind farms’ reserve capacity and MMC-HVDC’s embedded capacitor energy storage for rapid frequency stabilization.
Therefore, this paper proposes a coordination inertia support strategy for wind farms and MMC-HVDC systems without adding additional energy storage devices. First, this paper draws an analogy between the similarity of synchronous machine frequency and DC capacitor voltage and proposes a DC voltage-mapped frequency information transfer method. This approach enables the rapid transmission of the grid frequency to the wind farm, preventing the issue where MMC-HVDC decoupling isolates the wind farm from providing inertia support to the grid. Additionally, due to capacitor voltage variations, this method allows MMC-HVDC and wind farm capacitors to contribute frequency support to the grid while transmitting grid frequency information. Furthermore, an inertia transfer mechanism is introduced in the wind turbine’s machine-side converter to enhance its frequency support capability. A PSCAD/EMTDC-based simulation model was used to compare the proposed coordinated inertia control strategy and existing uncoordinated inertia support methods. It was verified that the proposed coordinated inertia support strategy has stronger frequency support capacity, a faster response time, and the ability to suppress oscillations compared to alternative methods.
Although the authors conducted a preliminary study on this method in the original conference paper [20], this paper delves into the transient characteristics and protection strategy under grid-side faults. Compared to [20], this study provides a comprehensive and detailed analysis of offshore wind farms connected to MMC-HVDC systems, examining them from multiple dimensions, including steady-state operation, fault transient characteristics, and inertia response control.

2. The Basic Structure and Traditional Control Strategy of Offshore Wind Farms Connected with MMC-HVDC Systems

Compared with a doubly fed induction generator (DFIG), a permanent magnetic synchronous generator (PMSG) does not need a gearbox and has better low-voltage ride-through performance. Therefore, they are widely used in the field of offshore wind power generation. An MMC-HVDC system consists of a DC cable, a wind-farm-side MMC (WFMMC), and a grid-side MMC (GSMMC), each of which contains an MMC and a connecting transformer. Figure 1 shows the structure of a PMSG-based wind farm connected to the grid through an MMC-HVDC system.
The traditional grid-following control strategy of PMSG is described below [21]. The control goal of the grid-side converter are to maintain a constant DC-side capacitor voltage and ensure controllable reactive power of PMSG.
The vector control method of grid voltage orientation is used to decouple the active current from the reactive current. The grid voltage vector, eg, is set on the d-axis of the two-phase synchronous rotation d/q coordinate system. The q-axis is obtained by rotating the d-axis 90 degrees counterclockwise. The following relationships exist:
e g d = E g e g q = 0
where Eg is the amplitude of the grid voltage vector, and eg, egd, and egq are the d-axis and q-axis components of the power grid voltage, eg, respectively.
The voltage equation of the grid-side converter based on voltage orientation in a synchronous rotating coordinate system can be obtained.
v g d = i g d R f L f d i g d d t + ω a c L f i g q + E g v g q = i g q R f L f d i g q d t ω a c L f i g d
where vgd and vgq are the d-axis and the q-axis components of the output voltage of the grid-side converter, vg, respectively, igd and igq are the d-axis and q-axis components of the power grid current, ig, respectively, Rf and Lf are the equivalent resistance and equivalent inductance between the grid-side converter and the grid, respectively, and ωac is the angular frequency of the AC collection line.
At this time, the active power and reactive power output to the grid by the grid-side converter can be written as follows:
P W F = 3 2 e g d i g d + e g q i g q = 3 2 E g i g d Q W F = 3 2 e g q i g d + e g d i g q = 3 2 E g i g q
where PWF and QWF are the output active power and reactive power of the grid-side converter.
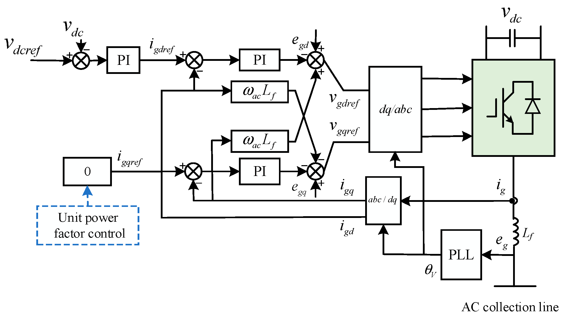
From Equation (3), it can be seen that by adopting grid voltage orientation, the decoupling of active and reactive currents can be achieved. The active power of the converter can be controlled by controlling the d-axis, and the reactive power of the converter can be controlled by controlling the q-axis. Considering that the DC voltage is directly related to the active power output on the grid side, the d-axis current reference of the grid-side converter igdref can be obtained by the PI controller from the difference between the DC bus voltage command value vdcref and the DC bus voltage vdc. Unit power factor control is used in this paper. The output of the wind turbines to the grid is all active power. So, igqref is set to 0. The grid-side converter control strategy is designed as shown in Figure 2.
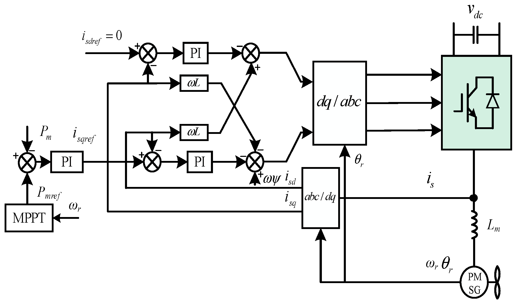
The machine-side converter employs a rotor-flux-oriented control (RFOC) strategy to regulate the electromagnetic torque [21]. By aligning the rotor flux vector with the d-axis of the synchronous rotating reference frame, the stator current components are decoupled, where the d-axis current (isd) controls the amplitude of the stator flux. The q-axis current governs the electromagnetic torque Te. Under the maximum torque per ampere condition (isd = 0), the electromagnetic torque is proportional to isq. The electromagnetic torque is positively correlated with the q-axis current of the machine-side converter. The electromagnetic torque is expressed as:
T e = 3 2 n p ψ f i s q
where np is the number of pole pairs, and ψf is the permanent magnet flux linkage.
Considering that the electromagnetic power Pe is also positively correlated with the electromagnetic torque Te, the PI controller is introduced. Through the difference between the reference value of the active power Pmref and the active power Pm, the reference value of the q-axis current of the converter on the machine side isqref can be obtained. Finally, the control strategy of the machine-side converter is given, as shown in Figure 3.
The common control strategies of wind farms and MMC-HVDC systems both adopt grid-following control. Offshore wind farms are passive systems. To ensure that the wind farm energy has stable access, the MMC-HVDC needs to provide a stable voltage and frequency. Therefore, the WFMMC should adopt fixed AC voltage/frequency control (V/f control). The GSMMC undertakes the task of maintaining DC voltage stability by adopting fixed DC voltage control. This is similar to that of a PMSG grid-side converter. The GSMMC’s outer-loop controller is configured with d-axis oriented DC-link voltage regulation and q-axis based reactive power tracking. Because the control method is relatively common, it will not be repeated in this article.

3. Proposed Coordination Inertia Control Strategy

The common control strategies shown in Section 2 can only meet the basic power transmission role of wind farms and cannot realize the frequency support effect on the power grid. Therefore, it is necessary to design a new control strategy to improve the stable operation of the system. To make the existing projects in operation also have the ability of frequency regulation, under the condition that no additional energy device is installed, the control of additional virtual inertia is usually used to improve the frequency support capacity. The inertial support energy source of the MMC-HVDC system is the capacitor of the sub-modules. The inertial support energy of the wind farm is derived from the rotor kinetic energy and DC capacity. In this paper, a coordinated control inertia response control strategy is designed, which comprehensively utilizes the inertia support capacity of the wind turbine and the MMC-HVDC system. In addition, a grid frequency transfer method based on no communication is designed so that the wind farm can quickly receive the frequency information and respond in time. The overall coordinated control structure of the system is shown in Figure 4. The following will describe, in detail, the principle and function of each control link.

3.1. Coordination Inertia Control Strategy of Wind Farms

There are many control methods for direct-drive wind turbines to respond to grid frequency changes, and this paper focuses on inertial synchronous control. The mechanical equation of motion of the rotor of a permanent magnet synchronous motor is expressed as [22]:
J d ω r ¯ d t = T ¯ m T ¯ e D ( ω ¯ r ω ¯ 0 )
In Equation (5), J is the inertia of the PMSG. D is the damping coefficient. T m ¯ is the per unit mechanical torque, i.e., the input torque of the wind farms. T e ¯ is the per unit electromagnetic power. ω r ¯ is the per unit rotor speed, and ω 0 ¯ is the per unit rated speed.
The DC bus voltage equation of the wind power converter is [23]:
C w v ¯ d c 0 d v ¯ d c d t = P ¯ m P ¯ W F
In Equation (6), P m ¯ is the per unit output power of the rectifier on the machine side; P W F ¯ is the per unit output power of the inverter on the grid side; v ¯ d c 0 is the per unit rated DC voltage of the converter; v ¯ d c is the per unit DC voltage of the converter; and Cw is the capacitance value of the DC bus line.
Ignoring the damping effect, the mathematical model of the SG rotor motion in Equation (5) and the DC-side capacitance in Equation (6) can be written as follows:
2 H J ω ¯ 0 d ω ¯ r d t = P ¯ M P ¯ E
2 H C v ¯ d c 0 d v ¯ d c d t = P ¯ m P ¯ W F
In the above, P M ¯ is the per unit input mechanical power of the prime mover of the permanent magnet synchronous motor, P E ¯ is the per unit output electromagnetic power of the permanent magnet synchronous motor; HJ is the inertia time constant of the permanent magnet synchronous motor, and HC is the capacitance inertia time constant of the DC side.
In the case of ignoring the loss and line resistance, can P W F ¯ be written as the following expressions [24]:
P ¯ E = ω ¯ r ψ ¯ f E ¯ g X ¯ G sin δ G
P ¯ W F = v ¯ d c v ¯ g E ¯ g X L ¯ sin δ W F
where ψ f ¯ is the per unit rotor flux of the permanent magnet synchronous motor; E g ¯ is the per unit amplitude of the grid voltage vector; δG is the power angle of the synchronous motor; and δWF is the angle between the voltage vector of the output of the grid-side converter and the voltage vector of the grid-side converter, which can be called the power angle of the grid-side converter. v g ¯ is the per unit amplitude of the voltage vector at the output of the grid-side converter. X ¯ G is the per unit equivalent reactance of the permanent magnet synchronous motor. X ¯ is the per unit sum of the line reactance and the filter reactance.
From the similarity between Equations (7)–(10), it can be seen that the DC-side capacitor has similar dynamic characteristics with the speed of the synchronous motor. The increase in the power angle leads to an increase in the output power on the grid side, which, in turn, affects the DC voltage or speed. If the motor speed scale is equal to the DC-side capacitance unit value, the mapping relationship shown in Figure 5 can be formed. This mapping method makes the DC-side capacitor voltage and the frequency of the offshore MMC correlated, that is, the capacitor voltage can reflect the frequency change in the offshore MMC in real time. Considering that the offshore MMC frequency variation range is small, the DC-side voltage will also be kept within the acceptable range.
In addition to the original control, the inertia transfer link is also introduced to utilize the energy of the wind turbine. The reason for the introduction of this link can be intuitively reflected in Equation (7). We find that the inertia provided by the grid-connected system of the PMSG depends on the inherent inertia of the capacitor. Its inertia is small compared with the wind turbine grid-connected system as a whole. So, it is necessary to introduce the inertia transmission link on the machine side. After introducing the inertia transfer link, as shown in Figure 4, and ignoring the influence of the first-order inertia link and the control delay, the expression of the active power Pm on the machine side is:
P m = P o p t K C d v d c d t
Then, combine Equation (11) with Equation (8)
( 2 H C v d c 0 + K C ) d v d c d t = P o p t P g
where KC is the inertia transfer coefficient, and Popt is the maximum wind power tracking output command value, which can be ignored in the analysis process and considered as a constant. It is not difficult to see from Equation (12) that the overall inertia of the grid-connected system of wind turbines at this time not only depends on the inherent inertia of the DC capacitor but also increases the inertia by adjusting the inertia transfer coefficient KC.

3.2. Coordination Inertia Control Strategy of MMC-HVDC

The capacitance of the MMC-HVDC system is present in the individual sub-modules. Suppose the upper or lower arm of the MMC has N sub-modules for each phase, and the capacitance value of one sub-module is Csm. Therefore, the capacitance of the MMC submodule can be uniformly equivalent to the DC side, which can be regarded as a capacitor with a voltage of Udcm and a size of 12Csm/N. This capacitance Ceq is the equivalent capacitance on the DC side of the converter station at the receiving end of the MMC structure. The dynamic characteristics of DC capacitors can be expressed as:
C e q U ¯ d c m 0 d U ¯ d c m d t = P ¯ W F P ¯ g m
U ¯ d c m 0 is the per unit rated DC voltage of the MMC-HVDC system; U ¯ d c m is the per unit DC voltage of the MMC-HVDC system; P ¯ W F is the per unit active power emitted by the sender; and P s d ¯ is the per unit active power transmitted to the grid side. To simulate the inertial time constant of a synchronous generator, as shown in Equation (7), P ¯ W F is similar to the mechanical power of the generator. P s d ¯ is similar to the electromagnetic power of a generator. So, the varying DC voltage is similar to the varying speed of a synchronous machine. Equation (14) can be obtained by combining Equations (7) and (13).
C e q U ¯ d c m 0 d U ¯ d c m d t = 2 H d c d f d t
Hdc is the equivalent time constant of the inertia provided by the MMC-HVDC; and f ¯ is the frequency of the system. Both ends of Equation (14) can be integrated to obtain Equation (15).
C e q U ¯ d c m 2 U ¯ d c m s 2 2 = 2 H d c f ¯ f s ¯
U ¯ d c m s and are the equilibrium points for the DC voltage and grid frequency, respectively. Since the DC voltage fluctuates in a small range, the first-order Taylor deployment is used at U ¯ d c m s , which has the following:
C e q U ¯ d c m s Δ U ¯ d c m = 2 H d c Δ f ¯
Therefore, the GSMMC can use DC voltage slip control:
U ¯ d c m * = K 1 Δ f ¯ + U ¯ d c m 0
where K1 is the control parameter, which can be artificially selected based on the inertia time constant provided, U ¯ d c m * is the reference value of the DC voltage in the GSMMC control link.
The proposed coordinated control strategy necessitates the wind farm’s ability to perceive changes in the grid-side frequency. However, direct communication of frequency signals is unreliable for long-distance transmission in offshore wind farms. The WFMMC can work under frequency variation control, so through the DC voltage of the WFMMC, the frequency of the WFMMC and the frequency of the grid can establish a certain connection and realize the artificial coupling relationship. Therefore, the frequency variation control of the WFMMC can be written as:
f ¯ W F * = K 2 Δ U ¯ d c m + f ¯ W F 0
where K2 is the control parameter; and f ¯ W F * and f ¯ W F 0 are the per unit frequency reference and initial frequency value of the WFMMC.

4. Simulation Verification and Analysis

To ascertain the efficacy of the control strategy introduced in this paper, a simulation model of the grid-connected wind power system utilizing MMC-HVDC technology was developed on the PSCAD/EMTDC platform, as illustrated in Figure 1. The model parameters were the same as those in Table 1. Firstly, the validity of the wind farm grid-connected system model via MMC-HVDC under conventional control strategies was confirmed through steady-state simulation. Subsequently, the enhanced inertial response strategy proposed in this study underwent comprehensive simulation verification and comparative analysis, demonstrating its superior performance in inertial response effectiveness. Further analysis compared the fault characteristics between traditional and coordinated control strategies during transient grid faults, providing valuable simulation references for investigating transient behaviors in wind farms integrated with MMC-HVDC transmission systems.
This paper focuses on the relationship between wind farms and the MMC-HVDC system rather than the interaction between wind farms. Therefore, it was assumed that the wind speed distribution across the farm was uniform, the turbine control parameters were homogeneous, and electrical characteristics were aggregated. The wind farm adopted a single-machine equivalent model. In the model, the equivalent simulation method was used to construct a wind farm with a rated active power of 280 MW, which was composed of 140 wind turbines with a rated power of 2 MW and an AC combiner bus voltage of 380 kV. The power grid was simulated by an ideal voltage source and an inductor series circuit. In the simulation implementation, in order to simulate the frequency fluctuation caused by a load increase or other reasons, the frequency change in the power grid was directly set.

4.1. Steady-State Operational Validation

In order to verify the rationality of the simulation model, the simulation waveform of the system running in the steady-state condition was as follows. The reference value of the active power of the wind farm controller was reduced to 0.9 p.u. (Pref = 252 MW) at 5 s, and the reference value of active power was restored to 1.0 p.u. at 7 s.
Figure 6 depicts the outcomes of the system’s steady-state operation. The turbines’ output power adjusted in response to variations in the active power reference value. The MMC-HVDC system ensured the stable transmission of the wind farm’s input power. Notably, despite fluctuations in DC voltage accompanying changes in transmission power during operation, the DC voltage controller maintained it within the rated range.

4.2. Interaction Analysis and Protection Strategy Verification of Offshore Wind Farms Connected with the MMC-HVDC System Under Fault Conditions

Once a short circuit fault occurs on the AC side of the GSMMC, the power transmission capability of the MMC-HVDC system will be greatly reduced. However, at the moment of failure, because the wind farm cannot immediately make a load reduction response, the wind farm will continue to inject power into the MMC-HVDC system. The continuous accumulation of unbalanced energy at the input and output terminals of the MMC-HVDC system will cause the DC voltage to rise rapidly to a safe limit (within tens of milliseconds to hundreds of milliseconds). To ensure the safety of power electronics, the system will trigger overvoltage protection and block the converter, which will have a great impact on the entire system. In severe cases, the DC overvoltage caused by unbalanced energy will lead to a large area of wind farms being off-grid. Based on the simulation model of an offshore wind farm connected with an MMC-HVDC system, interaction analyses of different short-circuit fault types on the AC side of the GSMMC are carried out in this section. In addition, a corresponding protection and control scheme is proposed so that the system can continue to operate safely and stably during the AC fault at the receiving end.

4.2.1. GSMMC AC-Side Single-Phase Ground Fault

To analyze the transient characteristics of a single-phase ground fault, a phase A ground fault with a duration of 0.5 s was set at t = 4.5 s. The simulation results are shown in Figure 7. Figure 7a,b show the voltage and current waveforms on the AC side of the GSMMC. After the fault occurred, the AC voltage of the fault phase was reduced to 3% of the normal voltage, and the AC short-circuit current surged to about 7 times the rated current. In a transient analysis, the MMC can be equated to a controllable voltage source. After a fault occurred, the system voltage dropped instantaneously. However, due to the dynamic response delay in the adjustment of the MMC output voltage, it was not possible to quickly follow the system voltage drop, resulting in a sudden increase in the AC-side current.
Figure 7c shows the transmission power waveform of the GSMMC. It can be observed that before the fault occurred, the system’s grid-connected power remained stable at around 280 MW, with no significant fluctuations in power transmission. After the fault occurred, due to the sudden voltage drop, the power instantly dropped to nearly 0 MW. Although the converter attempted to regulate the power output during the fault period, the power continued to oscillate violently within the range of 50–300 MW since the short circuit had not been cleared. After the fault was cleared, the power recovery time was approximately 0.1 s. During the fault, the power control of the WFMMC did not fail, resulting in the continuous injection of energy into the GSMMC by the power of the wind farms. The DC voltage of the MMC-HVDC system increased by more than 5%.

4.2.2. GSMMC AC-Side Two-Phase Ground Fault

To analyze the transient characteristics of a two-phase ground fault, a B-C phase ground fault with a duration of 0.5 s was set at t = 4.5 s. When a two-phase ground fault occurred in the GSMMC, the current characteristics of it were similar to those under the A-phase ground fault, and the AC voltages of phase B and phase C were the same during the fault. As the wind energy continued to be delivered to the WFMMC, the DC voltage of the MMC-HVDC continued to rise. As can be seen from Figure 8, the DC voltage was not out of the safe range (1.05 p.u.), as the GSMMC could still deliver close to 150 MW of active power.
If only the transmission power of the wind farm was increased to 280 MW, all other conditions remained the same. The simulation waveform for a two-phase ground fault is shown in Figure 9. Compared to the fault with a transmission power of 150 MW, the DC voltage during the fault exceeded 1.05 p.u. This indicates that the transient overvoltage not only changed with the type of fault but also increased with the increase in the power transfer of the system. The short-circuit current on the AC side of the GSMMC is was greater than when transmitting 150 MW.

4.2.3. Protection Control Validation Under the AC Fault of the GSMMC

When a fault occurs on the grid side, the decoupling effect of the MMC-HVDC system prevents the wind farm from perceiving the fault, causing it to continue generating at its rated power. This may lead to DC overvoltage, converter shutdown, and wind farm power output limitations, severely affecting system stability. Therefore, it is crucial to study fault mitigation measures for MMC-HVDC systems under AC-side faults.
Braking resistors (BRs), due to their simple structure, fast response, and lack of complex control requirements, are considered an effective method for DC overvoltage suppression. Previous studies have demonstrated that braking resistors can help mitigate DC overvoltage in MMC-HVDC systems [25,26]. However, their specific impact on system stability, particularly when the wind farm control strategy remains unchanged, still requires further investigation.
This section conducts a simulation analysis to examine whether installing braking resistors only on the DC side of the MMC-HVDC system, without modifying the wind farm control strategy, can maintain DC voltage stability during AC-side faults. The system parameters were the same as those in Table 1. According to the transient analysis of Section 4.2.2, when a two-phase ground fault occurred and the wind farm power was 280 MW, the direct DC line voltage of the MMC-DC system reached 420 kV, and the peak DC voltage reached 445 KV, exceeding the rated 1.05 p.u. Therefore, we took a two-phase ground fault as an example to verify the feasibility of the protection strategy.
The B-C-phase grounding fault occurred at 4.5 s, and the fault duration was 0.5 s. As the DC voltage rose, the DC energy dissipation triggered the condition to be reached. The resistor started working, and then the DC voltage decreased. Until the voltage was lower than the input condition of the energy dissipation resistor, the energy dissipation circuit was cut off. This is carried out to keep the DC voltage relatively stable during the fault.
From Figure 10c, it can be observed that after the BR was activated during the fault period, the DC voltage remained within 1.05 p.u., staying within the safe voltage range. This demonstrates the effectiveness of the BR in suppressing DC overvoltage. Meanwhile, from Figure 10d, it is evident that the output power of the GSMMC reduced to about 150 MW due to the activation of the BR, which dissipated part of the excess energy, thereby reducing the power transmitted to the grid. However, the output power of the wind turbines remained unaffected by the fault, maintaining close to the rated power. This indicates that during a fault, the wind farm continued to generate power as originally set, while the MMC-HVDC system regulated the DC-side energy through the BR, ensuring the safe and stable operation of the system.
The simulation results demonstrate that braking resistors can effectively mitigate DC overvoltage during AC-side faults, preventing converter shutdown and excessive power curtailment of the wind farm. The results confirm that BRs provide a simple and fast fault mitigation solution without requiring complex control modifications.

4.3. Simulation Verification of Inertia Coordination Response Control Strategy

To validate the effectiveness of the coordinated control strategy, the frequency of the receiving power grid was adjusted from 50 Hz to 49.5 Hz at the 4 s mark. The results of the system in different control strategies were analyzed.
Based on Figure 11, it is evident that the frequency of the AC-side voltage outputted by the WFMMC promptly reacted to variations in the AC grid frequency on the GSMMC side. The WFMMC received the DC voltage modified by the DC voltage–frequency mapping control of the GSMMC and adjusted its frequency accordingly through the frequency variation control. In this way, the wind turbine could perceive frequency changes in the AC connection line and adaptively provide frequency support to the grid. This proves that the proposed communication-free frequency information transmission method is feasible.
Figure 12 demonstrates the inertial response simulation waveforms under different control strategies. The green curve represents the simulation results under the conventional grid-following control described in Section 2. The yellow curve corresponds to the scenario with only wind farm inertial response control designed. The red curve illustrates the case where only the MMC-HVDC system employed inertial response control. The blue curve denotes the proposed coordinated inertial response control strategy presented in this paper. Here is our analysis of the simulated waveform:
(1)
Rapid Initial Power Support:
When a sudden frequency drop occurs in the grid, the inertia response should activate instantly to provide additional power support and slow down the rate of frequency decline. The faster the response, the smaller the frequency deviation, reducing the reliance on secondary frequency regulation.
The proposed strategy (blue) showed a rapid increase in active power at the moment of disturbance (around 4 s), significantly quicker than the other strategies. The wind farm inertia-only control (yellow) responded more slowly, with a lower power increase, only reaching approximately 310 MW. The grid-following control (green) showed almost no change in power, indicating insufficient inertia response capability.
(2)
Sufficient Inertial Power Support:
During a frequency drop, sufficient inertia power support should be provided to maintain system stability and prevent excessive frequency deviations that could trigger load shedding or protection mechanisms.
The proposed strategy (blue) delivered the highest inertia support, with a peak power of around 360 MW, significantly higher than the wind-farm-only control (orange) and MMC-HVDC-only control (red).
Wind-farm-only control (orange) and MMC-HVDC-only control (red) provided limited power support, indicating that relying solely on either source is insufficient.
Grid-following control (green) provided almost no additional power support, failing to meet the inertia response requirement.
(3)
Oscillation Damping Capability
After inertia response activation, the power output should converge quickly to reduce system oscillations and improve damping characteristics, preventing additional dynamic stress on the grid.
The proposed strategy (blue) rapidly decreased after providing peak support and stabilized at steady-state levels around 4.8 s, without significant secondary dips. MMC-HVDC-only inertia control (red) exhibited prolonged oscillations between 4.2 s and 4.4 s, indicating weaker dynamic recovery capabilities.
After providing inertia support, the system power should smoothly transition back to a steady-state level without excessive oscillations or secondary frequency dips. A recovery that is too fast might cause a power overshoot, while a recovery that is too slow could interfere with other frequency regulation mechanisms (e.g., primary frequency control).

5. Conclusions

Ensuring the stability of MMC-HVDC systems for offshore wind farm transmission presents significant challenges, particularly in handling AC-side faults and the lack of inertia in power-electronics-based wind farms. In this work, a grid-forming coordinated inertia support strategy was proposed to enhance frequency stability and response efficiency.
In terms of information transmission, the DC voltage–frequency-mapping-based method avoids the inertia response delay of the wind farms caused by communication-based transmission methods. This means that the wind farms can quickly receive the frequency information and respond in time. Meanwhile, based on the three key requirements of inertia response (rapid response, sufficient power support, and oscillation damping), the proposed coordinated inertia control strategy outperforms other strategies in the following ways: it has a faster initial inertia response; higher inertia support, significantly improving system inertia and frequency stability; and the strongest oscillation suppression. Thus, the proposed strategy effectively meets the inertia response requirements and offers high practical value for renewable-energy-integrated power systems.
Furthermore, the fault characteristics of wind farms interconnected with MMC-HVDC systems during AC-side faults were examined. Understanding these transient behaviors provides valuable insights for designing more effective fault protection and control strategies, offering a foundation for future research on enhancing system stability and resilience. Due to the decoupling effect, wind farms continue injecting power during faults, leading to DC overvoltage and potential converter shutdown. To mitigate this, braking resistors (BRs) were tested as a protection measure, and the simulation results confirm that BRs effectively suppress DC overvoltage, preventing excessive power curtailment of wind farms without modifying their control strategy.
However, this study assumed ideal conditions and did not account for communication delays or renewable generation forecast errors, which could affect real-world performance. Moreover, the offline simulation environment (PSCAD/EMTDC) limits the direct applicability of the findings to practical engineering systems. Future research endeavors should prioritize real-time digital simulation validation to comprehensively evaluate the practical feasibility of the proposed strategy in offshore wind power applications.

Author Contributions

Conceptualization, methodology, software, writing—original draft preparation, and writing—review and editing, J.Z., L.X. and P.F.; supervision, project administration, and funding acquisition, C.L., Z.T. and M.H. All authors have read and agreed to the published version of the manuscript.

Funding

This research was funded by the technology project of state grid Sichuan electric power Co., Ltd., China (No. 521997230009).

Institutional Review Board Statement

Not applicable.

Informed Consent Statement

Not applicable.

Data Availability Statement

The original contributions presented in this study are included in the article. Further inquiries can be directed to the corresponding author.

Conflicts of Interest

Authors Lin Xu and Chang Liu were employed by the company Electric Power Research Institute of State Grid Sichuan Electric Power Co., Ltd. The funders participated in the design of the study, as well as in the analyses and interpretation of data, the writing of this article or the decision to submit it for publication.

Nomenclature

egThe grid voltage vector
EgAmplitude of the grid voltage vector
VgThe output voltage of the grid-side converter
igGrid current vector
RfEquivalent resistance between the grid-side converter and the grid
LfEquivalent inductance between the grid-side converter and the grid
ωacAngular frequency of the AC collection line
PWFActive power output of the grid-side converter
QWFReactive power output of the grid-side converter
vdcDC bus voltage measured value of the PMSG
Vdc0DC bus voltage rated value of the PMSG
JInertia of the PMSG
TeElectromagnetic torque
TmMechanical torque
PMInput mechanical power of the prime mover
PEOutput electromagnetic power of the motor
CwThe capacitance value of the DC bus line
ωrRotor speed of the PMSG
ω0Rated speed of the PMSG
HJInertia time constant of the permanent magnet synchronous motor
HCCapacitance inertia time constant of the DC capacitor
npThe number of pole pairs
ψfPermanent magnet rotor flux
PeElectromagnetic power
δGPower angle of the synchronous motor
δWFPhase difference between the output voltage vector of PMSG grid-side converter and the grid voltage vector
XGEquivalent reactance of the permanent magnet synchronous motor
XLSum of the line reactance and the filter reactance
KcInertia transfer coefficient
PoptMaximum wind power tracking command
NThe number of sub-modules of one bridge arm in each phase
CsmThe capacitance of one sub-module
CeqEquivalent DC capacitance of the MMC-HVDC system
Udcm0Rated DC voltage of the MMC-HVDC system
UdcmActual DC voltage of the MMC-HVDC system
UdcmsThe equilibrium point for DC voltage
U*dcmReference value of the DC voltage in the GSMMC control link
PsdActive power injected into the grid of the MMC-HVDC system
HdcEquivalent inertia time constant of the MMC-HVDC system
K1Grid frequency transfer coefficient of the GSMMC
K2Grid frequency transfer coefficient of the WFMMC
fSystem frequency
fsThe equilibrium point for grid frequency
f*WFFrequency reference of the WFMMC controller
fWF0Initial frequency of the WFMMC controller
MMCModular multilevel converter
HVDCHigh-voltage direct current
RoCoFRate of change in frequency
DCDirect current
ACAlternating current
PMSGPermanent magnetic synchronous generator
DFIGDoubly fed induction generator
WFMMCWind farm modular multilevel converter
GSMMCGrid-side modular multilevel converter
RFOCRotor flux-oriented control
SGSynchronous generator
PLLPhase-locked loop
BRBraking resistor

References

  1. State Grid Corporation of China Released the Action Plan for “Carbon Emission Peak and Carbon Neutrality”. State Grid News, 1 March 2021.
  2. Flourentzou, N.; Agelidis, V.; Demetriades, G. VSC-Based HVDC Power Transmission Systems: An Overview. IEEE Trans. Power Electron. 2009, 24, 592–602. [Google Scholar] [CrossRef]
  3. Muyeen, S.; Takahashi, M.; Tamura, J. Operation and Control of HVDC-Connected Wind Farm. IEEE Trans. Sustain. Energy 2010, 1, 30–37. [Google Scholar] [CrossRef]
  4. Xu, K.; Zhang, Z.; Lai, Q.; Han, J.; Yin, X.; Liu, W. Study on fault characteristics and distance protection applicability of VSC-HVDC connected wind power plants. Int. J. Electr. Power Energy Syst. 2021, 133, 107252. [Google Scholar] [CrossRef]
  5. Fu, C.; Wang, T.; Li, H.; Xun, Z.; Yang, L.; Zhang, R. Study on grounding methods of VSC-HVDC for off-shore wind farm integration. Power Syst. Prot. Control 2019, 47, 119–126. [Google Scholar]
  6. Jiang, S.; Li, G.; Xin, Y.; Wang, L. Coordinated control strategies for DC fault ride-through of wind power integration via bipolar MMC-HVDC overhead lines. Proc. CSEE 2020, 40, 3516–3527. [Google Scholar]
  7. Nian, H.; Zhu, M.; Xu, Y. Impedance modeling and system stability analysis of MMC with double closed-loop AC voltage control. Autom. Electr. Power Syst. 2020, 44, 81–90. [Google Scholar]
  8. Sun, H.; Wang, B.; Li, W.; Yang, C.; Wei, W.; Zhao, B. Research on inertia system of frequency response for power system with high penetration electronics. Proc. CSEE 2020, 40, 5179–5192. [Google Scholar]
  9. Chen, G.; Li, M.; Xu, T.; Zhang, J.; Wang, C. Practice and challenge of renewable energy development based on interconnected power grids. Power Syst. Technol. 2017, 41, 3095–3103. [Google Scholar]
  10. AEM Operator. Update Report: Black System Event in South Australia on 28 September 2016; Australian Energy Market Operation Limited: Melbourne, Australia, 2016. [Google Scholar]
  11. Sun, H.; Xu, T.; Guo, Q.; Li, Y.; Lin, W.; Yi, J.; Li, W. Analysis on black-out in Great Britain power grid on August 9th,2019, and its enlightenment to power grid in China. Proc. CSEE 2019, 39, 6183–6192. [Google Scholar]
  12. Lu, Z.; Tang, H.; Qiao, Y.; Tian, X.; Chi, Y. The Impact of Power Electronics Interfaces on Power System Frequency Control: A Review. Electr. Power 2018, 5, 51–58. [Google Scholar]
  13. Liu, H.; Chen, Z. Contribution of VSC-HVDC to Frequency Regulation of Power Systems With Offshore Wind Generation. IEEE Trans. Energy Convers. 2015, 30, 918–926. [Google Scholar] [CrossRef]
  14. Guerrero, J.M.; De Vicuna, L.G.; Matas, J.; Castilla, M.; Miret, J. A wireless controller to enhance dynamic performance of parallel inverters in distributed generation systems. IEEE Trans. Power Electron. 2004, 19, 1205–1213. [Google Scholar] [CrossRef]
  15. Tao, Y.; Liu, Q.; Deng, Y.; Liu, X.; He, X. Analysis and Mitigation of Inverter Output Impedance Impacts for Distributed Energy Resource Interface. IEEE Trans. Power Electron. 2015, 30, 3563–3576. [Google Scholar] [CrossRef]
  16. Castro, L.M.; Acha, E. On the provision of frequency regulation in low inertia AC grids using HVDC systems. IEEE Trans. Smart Grid 2015, 7, 2680–2690. [Google Scholar] [CrossRef]
  17. Ray, S.; Venayagamoorthy, G.K. Real-time implementation of a measurement-based adaptive wide-area control system considering communication delays. IET Gener. Transm. Distrib. 2008, 2, 62–70. [Google Scholar] [CrossRef]
  18. Jinag, S.; Li, Z.; Li, G.; Xin, Y.; Wang, L. Self Synchronous Decoupling Control Strategy for Adaptive Inertia and Damping Simulation of MMC-HVDC Systems. Power Syst. Technol. 2024, 48, 3067–3074. [Google Scholar]
  19. Zhang, H.; Xiang, W.; Wen, J. Dual Grid-Forming Control With Energy Regulation Capability of MMC-HVDC System Integrating Offshore Wind Farms and Weak Grids. IEEE Trans. Power Syst. 2024, 39, 261–272. [Google Scholar] [CrossRef]
  20. Xu, L.; Liu, C.; Zhang, J.; Tian, Z.; Feng, P.; Liu, S.; Liu, F. Grid-supporting Characterization of MMC-HVDC System for Offshore Wind Farm Under Different Control Modes: A Comparative Study. In Proceedings of the 2024 IEEE 10th International Power Electronics and Motion Control Conference, Chengdu, China, 17–20 May 2024. [Google Scholar]
  21. Huang, S.; Gao, J.; Luo, D. Design and Grid-Connected Control of Direct-Drive Permanent Magnet Wind Turbines, 1st ed.; Publishing House of Electronics Industry: Beijing, China, 2014; pp. 38–52. [Google Scholar]
  22. Pillay, P.; Krishnan, R. Modeling, simulation, and analysis of permanent-magnet motor drives. I. The permanent-magnet synchronous motor drive. IEEE Trans. Ind. Appl. 1989, 25, 265–273. [Google Scholar] [CrossRef]
  23. Zeng, X.; Liu, T.; Wang, S.; Dong, Y.; Chen, Z. Comprehensive Coordinated Control Strategy of PMSG-Based Wind Turbine for Providing Frequency Regulation Services. IEEE Access 2019, 7, 63944–63953. [Google Scholar] [CrossRef]
  24. Bose, B.K. Power Electronics and Motor Drives: Advances and Trends, 1st ed.; Academic Press: Cambridge, MA, USA, 2006; pp. 405–407. [Google Scholar]
  25. Pannell, G.; Zahawi, B.; Atkinson, D.J.; Missailidis, P. Evaluation of the Performance of a DC-Link Brake Chopper as a DFIG Low-Voltage Fault-Ride-Through Device. IEEE Trans. Energy Convers. 2013, 28, 535–542. [Google Scholar] [CrossRef]
  26. Lee, S.; Hong, J.; Kwon, D. Development of a Series Braking Resistor to Eliminate Control Interference in Multi-Infeed HVDC Systems Considering the AC Three-Phase Fault—An Actual Case Study. Energies 2024, 17, 4112. [Google Scholar] [CrossRef]
Figure 1. Structure of the PMSG-based wind farm connected to the grid through the MMC-HVDC system.
Figure 1. Structure of the PMSG-based wind farm connected to the grid through the MMC-HVDC system.
Applsci 15 02582 g001
Figure 2. Control strategy of the PMSG grid-side converter.
Figure 2. Control strategy of the PMSG grid-side converter.
Applsci 15 02582 g002
Figure 3. Control strategy of the PMSG machine-side converter.
Figure 3. Control strategy of the PMSG machine-side converter.
Applsci 15 02582 g003
Figure 4. The overall control block diagram of the coordination inertia control strategy.
Figure 4. The overall control block diagram of the coordination inertia control strategy.
Applsci 15 02582 g004
Figure 5. Mapping in inertial synchronization control.
Figure 5. Mapping in inertial synchronization control.
Applsci 15 02582 g005
Figure 6. Steady-state results. (a) The output power of the GSMMC and wind farms; (b) DC line voltage.
Figure 6. Steady-state results. (a) The output power of the GSMMC and wind farms; (b) DC line voltage.
Applsci 15 02582 g006
Figure 7. Simulated waveform of the system under a short-circuit fault to phase A: (a) voltage on the AC side of the GSMMC; (b) current on the AC side of the GSMMC; (c) the active power output of the GSMMC; (d) the power input of the GSMMC and the output power of the wind turbines; (e) DC voltage of the MMC-HVDC system.
Figure 7. Simulated waveform of the system under a short-circuit fault to phase A: (a) voltage on the AC side of the GSMMC; (b) current on the AC side of the GSMMC; (c) the active power output of the GSMMC; (d) the power input of the GSMMC and the output power of the wind turbines; (e) DC voltage of the MMC-HVDC system.
Applsci 15 02582 g007
Figure 8. Simulated waveform under a two-phase ground short-circuit: (a) voltage on the AC side of the GSMMC; (b) current on the AC side of the GSMMC; (c) the active power output of the GSMMC; (d) the power input of the GSMMC and the output power of the wind turbines; (e) DC voltage of the MMC-HVDC system.
Figure 8. Simulated waveform under a two-phase ground short-circuit: (a) voltage on the AC side of the GSMMC; (b) current on the AC side of the GSMMC; (c) the active power output of the GSMMC; (d) the power input of the GSMMC and the output power of the wind turbines; (e) DC voltage of the MMC-HVDC system.
Applsci 15 02582 g008
Figure 9. Simulation waveform of two-phase ground short circuit when the transmission power of wind power is 280MW (a) voltage on the AC side of the GSMMC; (b) current on the AC side of the GSMMC; (c) the active power output of the GSMMC; (d) the power input of the GSMMC and the output power of the wind turbines; (e) DC voltage of the MMC-HVDC system.
Figure 9. Simulation waveform of two-phase ground short circuit when the transmission power of wind power is 280MW (a) voltage on the AC side of the GSMMC; (b) current on the AC side of the GSMMC; (c) the active power output of the GSMMC; (d) the power input of the GSMMC and the output power of the wind turbines; (e) DC voltage of the MMC-HVDC system.
Applsci 15 02582 g009
Figure 10. Simulated waveforms of the system under protection control (a) voltage on the AC side of the GSMMC; (b) current on the AC side of the GSMMC; (c) DC voltage of the MMC-HVDC system; (d) the output power of the MMC-HVDC system and the output power of the wind turbines.
Figure 10. Simulated waveforms of the system under protection control (a) voltage on the AC side of the GSMMC; (b) current on the AC side of the GSMMC; (c) DC voltage of the MMC-HVDC system; (d) the output power of the MMC-HVDC system and the output power of the wind turbines.
Applsci 15 02582 g010
Figure 11. Frequency simulation results of WFMMC and power grid.
Figure 11. Frequency simulation results of WFMMC and power grid.
Applsci 15 02582 g011
Figure 12. Simulated waveform plots under four control strategies.
Figure 12. Simulated waveform plots under four control strategies.
Applsci 15 02582 g012
Table 1. MMC-HVDC-system-related parameter setting.
Table 1. MMC-HVDC-system-related parameter setting.
ComponentParameterSymbolValues
GridAC voltageUac/KV230
Leakage reactanceLac/H0.2
Current limiting resistorR100
MMC converterNumber of SMs per armNmmc50
SM capacitorC/μF3000
The rated voltage of SMsUc/KV8
Bridge arm reactorL0/H0.0076
Wind turbine (PMSG)Rated powerPunit/MW2
Rated voltageUG/KV0.69
Wind farmAggregated numberNagg140
Total rated powerPtotal/MW280
Disclaimer/Publisher’s Note: The statements, opinions and data contained in all publications are solely those of the individual author(s) and contributor(s) and not of MDPI and/or the editor(s). MDPI and/or the editor(s) disclaim responsibility for any injury to people or property resulting from any ideas, methods, instructions or products referred to in the content.

Share and Cite

MDPI and ACS Style

Xu, L.; Liu, C.; Zhang, J.; Tian, Z.; Feng, P.; Huang, M. Characteristics Evaluation and Coordinated Control Strategy of Power-Electronics-Based MMC-HVDC Systems Connected with Wind Farms. Appl. Sci. 2025, 15, 2582. https://doi.org/10.3390/app15052582

AMA Style

Xu L, Liu C, Zhang J, Tian Z, Feng P, Huang M. Characteristics Evaluation and Coordinated Control Strategy of Power-Electronics-Based MMC-HVDC Systems Connected with Wind Farms. Applied Sciences. 2025; 15(5):2582. https://doi.org/10.3390/app15052582

Chicago/Turabian Style

Xu, Lin, Chang Liu, Jingyi Zhang, Zhen Tian, Pan Feng, and Meng Huang. 2025. "Characteristics Evaluation and Coordinated Control Strategy of Power-Electronics-Based MMC-HVDC Systems Connected with Wind Farms" Applied Sciences 15, no. 5: 2582. https://doi.org/10.3390/app15052582

APA Style

Xu, L., Liu, C., Zhang, J., Tian, Z., Feng, P., & Huang, M. (2025). Characteristics Evaluation and Coordinated Control Strategy of Power-Electronics-Based MMC-HVDC Systems Connected with Wind Farms. Applied Sciences, 15(5), 2582. https://doi.org/10.3390/app15052582

Note that from the first issue of 2016, this journal uses article numbers instead of page numbers. See further details here.

Article Metrics

Back to TopTop