Applicability of Virtual Commissioning Concepts in Industrial Robotics as a Solution for Compatibility Issues Between Virtual Simulation and Logic Control Software
Abstract
1. Introduction
- -
- The virtual conception of teach-pendant control for the SRI via parameterization of the graphic model in the form of a screen from the HMI interface;
- -
- Establishing the communication and parameterization in the SRI interface of code control from the TIA Portal with geometric models simulated in Siemens MCD;
- -
- Verification and testing of SRI integration with Factory IO and the insertion of an environment virtual function, different from Siemens MCD;
- -
- Conception and testing of a connection bridge with the help of external tools to achieve further communication between ABB RobotStudio and SRI;
- -
- Establishing the logical graph scheme of second-level control and converting it into ladder code using mathematical methods;
- -
- Developing a mathematical model for the evaluation of the volumetric accuracy of double-portal-type RI, for inspection applications such as ultrasonic defectoscopy, and model NDT.
2. State of the Art
2.1. Siemens Simatic Robot Integrator
2.2. ABB RobotStudio
3. Proposed Virtual Commissioning Approach
3.1. Research Methodology Synthesis
- -
- The virtual conception of teach-pendant control for the SRI by parameterizing the graphical model in the form of a screen in the HMI interface;
- -
- Establishing a virtual communication between PLC-HMI SRI-Robots and assigning the needed addresses;
- -
- Implementation of HMI screens to replace the physical control interface of the Simatic Robot Integrator;
- -
- Establishing communication and parameterization in the SRI interface of the control code from the TIA Portal with geometric models simulated in MCD;
- -
- Signal exports from the TIA Portal are imported into MCD, with limitations in the user interface of the signal imports;
- -
- Configuring the advanced simulator in the TIA Portal and the external signals in Siemens MCD;
- -
- Establishing links (handshake) between the signals taken from PLCSim Adv and the signals generated by MCD;
- -
- Checking and testing the integration of SRI with Factory IO;
- -
- Configuration and parameterization of the TIA Portal with the aim of establishing compatibility with the OPC Server;
- -
- Establishing the eligibility of the processors. Allocation of the IP and the port, and configuration of the protections for testing purposes;
- -
- Activating the maximum level of accessibility and removing the final protection;
- -
- Activation of OPC Server and Simatic Server accessibility and port and IP allocation;
- -
- Manual addition of signals in the OPC Server within the TIA Portal;
- -
- Designing and testing a connection bridge with the help of external tools to achieve communication between RS and the SRI;
- -
- Sending messages with ROS2 subject via Simulink to the robot driver;
- -
- Configuration and parameterization of ABB RS with the aim of establishing compatibility with the OPC Server;
- -
- Configuration of the virtual controller station to allow communication;
- -
- Adding and configuring the OPC client smart component communication block;
- -
- Parameterization and configuration of RSconnect input and output adapter blocks;
- -
- Establishing the communication between TIA and RS through the communication blocks in RS;
- -
- Testing and monitoring of signals sent from RS to TIA;
- -
- Conception of a computational algorithm for the volumetric accuracy of the double-portal IR.
3.2. Proposed Approach and Results Discussion
3.2.1. The Virtual Conception of Teach-Pendant Control for Robot Simulation in the SRI by Parameterizing the Graphical Model in the Form of a Screen from the HMI Interface
- Predefined robots following the collaboration between Siemens and various robot manufacturers such as Comau, Staubli, Universal Robot, and Kawasaki;
- It is possible to choose robot architecture such as Cartesian, RollerPicker, DeltaPicker, Ladder, Articulated Arm, and Tripod. These options require a high degree of parameterization (links between axes and various signals);
- Userdefiner. This option requires the entire definition of the virtual robot. The main screens are “Config_soft_end”, “JogFrame”, “Tool Overview”, and “Single_linear_movement”; In addition to these screens, other screens can be configured, such as “Alarm”, “Diagnostic”, etc. (Figure 8).
- -
- The “Template” signals are the generally predefined signals for the brass blocks, diagnostics, etc. In this block, no interventions were performed.
- -
- The “Tool Robotics SRI” signals are the main connection signals for the establishment of the communication between the buttons, the actual graphic controls, and the decisions in the functional blocks.
- -
- “Robotics_Int” signals, the list of signals dominated by integer-type signatures, that coordinate robot positioning activity.
3.2.2. Establishing the Communication and Parameterization in the Simatic Robot Integrator Interface of the Control Code from the TIA Portal with CAD Models Simulated in Siemens MCD
3.2.3. Testing and Checking the Integration of the Simatic Robot Integrator with Factory IO, a Commissioning Environment That Does Not Belong to the Siemens Supplier
- The signals are automatically generated in the “Sensors and Actuators” interface after adding a sensor or actuator-type equipment to the scene.
- Addresses can be assigned for each signal and encompass interruptions and confusion when processing several signals.
- Factory IO is compatible with PLC simulators from different manufacturers (Schneider, Siemens, Allen Bradley, etc.).
- The Factory IO program does not have the possibility of importing the signals. All the signals are highlighted in the right red circle (Figure 16) and require manual addition. This action is not recommended for scenes containing robotic cells that can easily reach hundreds of signals.
3.2.4. Conception and Testing of a Connection Bridge with the Help of External Tools to Achieve Further Communication Between ABB RobotStudio and the Simatic Robot Integrator
| std_msgs/Header header builtin_interfaces/Time stamp int32 sec uint32 nanosec string frame_id string[] joint_names # Array of trajectory points, which describe the positions, velocities, # accelerations and/or efforts of the joints at each time point. JointTrajectoryPoint[] points float64[] positions float64[] velocities float64[] accelerations float64[] effort builtin_interfaces/Duration time_from_start int32 sec uint32 nanosec |
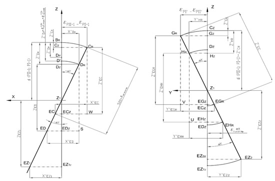
4. Computational Algorithm for the Volumetric Accuracy of the Double-Portal Industrial Robot for Inspection Applications (Ultrasonic Defectoscopy) Model NDT
4.1. Calculation of the Volumetric Accuracy of a Dual-Portal Industrial Robot for Inspection Applications (Ultrasonic Defectoscopy) NDT Model, Considering the Real IR Is Not Affected by Errors
| 0-0′ | α0:= 0 | θ0:= 0 | d0:= 895 mm | a0:= 0 |
| 0′-0″ | alfa0:= 0 | teta0:= 0 | e0:= 895 mm | b0:= −(167 + 30) mm |
| 0″ −1 | d1:= 0 | a1:= 800 mm | ||
| 1 −1 ′ | alfa1:= 0 | teta0:= 0 | e1:= 0 | b1:= 27.5 mm |
| 1′ −1 ″ | alf1:= 0 | teta1:= 0 | E1:= 0 | B1:= (50 + 50) mm |
| 1″-2 | d2:= 0 | a2:= 575 mm | ||
| 2-2′ | alfa2:= 0 | teta2:= 0 | e2:= 0 | b2:= 544.5 mm |
| 2′-2″ | alf2:= 0 | tet2:= 0 | E2:= 0 | B2:= 87.5 mm |
| 2″-2″ | al2:= 0 | te2:= 0 | f2:= 0 | c2:= 97 mm |
| 2’’’-3 | d3:= 0 | a3:= 250 mm | ||
| 3-3′ | alfa3:= 0 | e3:= 0 | b3:= 36.5 mm | |
| 3′-4 | α4:= 0 | θ4:= 0 | d4:= 520 mm | a4:= 0 |
4.2. Employment of Mathcad as a Computational Tool to Assess the Volumetric Precision of a Dual-Portal Robot (IR) Designed for Ultrasonic Defectoscopy in Inspection Applications: NDT Model Considering—Real IR Affected by Errors
5. Conclusions, Limitations, and Future Work
- -
- To process the commands received from the PLC through the library, the interpreter corresponding to the programmed robot, software–hardware must be installed in the robot controller.
- -
- SIEMENS NX MCD can only import signals generated by Siemens software (SIMIT, STEP7, TIA Portal), at the user interface level.
- -
- For the stability of the signal exchange between the Simatic Robot Integrator and Siemens MCD, it is necessary to employ the advanced simulator from the TIA Portal, namely PLCSim Adv 2.0.
- -
- The SRI interpreter can perform the “Click to connect” communication only with the environment of VC, NX MCD. For the rest of the library within the partnerships, a specific parameterization is required.
- -
- The created and tested connection bridge that can be employed to control real robots has the main advantage that the logic part is developed in Matlab, the simulator part is represented by a package containing ROS2, and these two elements can be decoupled.
Author Contributions
Funding
Institutional Review Board Statement
Informed Consent Statement
Data Availability Statement
Conflicts of Interest
Appendix A




References
- Mortensen, S.T.; Madsen, O. A Virtual Commissioning Learning Platform. Procedia Manuf. 2018, 23, 93–98. [Google Scholar] [CrossRef]
- Baskaran, S.; Niaki, F.A.; Tomaszewski, M.; Gill, J.S.; Chen, Y.; Jia, Y.; Mears, L.; Krovi, V. Digital Human and Robot Simulation in Automotive Assembly using Siemens Process Simulate: A Feasibility Study. Procedia Manuf. 2019, 34, 986–994. [Google Scholar] [CrossRef]
- Available online: https://www.visualcomponents.com/products/manufacturing-simulation/ (accessed on 30 January 2025).
- Lee, C.G.; Park, S.C. Survey on the virtual commissioning of manufacturing systems. J. Comput. Des. Eng. 2014, 1, 213–222. [Google Scholar] [CrossRef]
- Burghardt, A.; Szybicki, D.; Gierlak, P.; Kurc, K.; Pietruś, P.; Cygan, R. Programming of Industrial Robots Using Virtual Reality and Digital Twins. Appl. Sci. 2020, 10, 486. [Google Scholar] [CrossRef]
- Martins, A.; Costelha, H.; Neves, C. Supporting the Design Commissioning and Supervision of Smart Factory Components through their Digital Twin. In Proceedings of the 2020 IEEE International Conference on Autonomous Robot Systems and Competitions (ICARSC), Ponta Delgada, Portugal, 15–17 April 2020; IEEE: Ponta Delgada, Portugal, 2020; pp. 114–119. [Google Scholar]
- Konstantinov, S.; Ahmad, M.; Ananthanarayan, K.; Harrison, R. The Cyber-physical E-machine Manufacturing System: Virtual Engineering for Complete Lifecycle Support. Procedia CIRP 2017, 63, 119–124. [Google Scholar] [CrossRef]
- Noga, M.; Juhás, M.; Gulan, M. Hybrid Virtual Commissioning of a Robotic Manipulator with Machine Vision using a Single Controller. Sensors 2022, 22, 1621. [Google Scholar] [CrossRef]
- Guerrero, L.V.; López, V.V.; Mejía, J.E. Virtual Commissioning with Process Simulation (Tecnomatix). Comput.-Aided Des. Appl. 2014, 11, S11–S19. [Google Scholar] [CrossRef]
- Hoffmann, P.; Schumann, R.; Maksoud, T.M.; Premier, G.C. Virtual commissioning of manufacturing systems a review and new approaches for simplification. ECMS 2010, 1, 175–181. [Google Scholar]
- Raffaeli, R.; Bilancia, P.; Neri, F.; Peruzzini, M.; Pellicciari, M. Engineering Method and Tool for the Complete Virtual Commissioning of Robotic Cells. Appl. Sci. 2022, 12, 3164. [Google Scholar] [CrossRef]
- Available online: https://kwoco-plc.com/ (accessed on 25 January 2025).
- Available online: https://new.abb.com/products/robotics/robotstudio/robotstudio-desktop (accessed on 24 January 2025).
- The World’s Most Used Offline Programming Tool for Robotics. Available online: https://new.abb.com/products/robotics/robotstudio (accessed on 2 March 2022).
- Pérez, L.; Rodríguez-Jiménez, S.; Rodríguez, N.; Usamentiaga, R.; García, D.F. Digital Twin and Virtual Reality Based Methodology for Multi-Robot Manufacturing Cell Commissioning. Appl. Sci. 2020, 10, 3633. [Google Scholar] [CrossRef]
- Mhenni, F.; Vitolo, F.; Rega, A.; Plateaux, R.; Hehenberger, P.; Patalano, S.; Choley, J.-Y. Heterogeneous Models Integration for Safety Critical Mechatronic Systems and Related Digital Twin Definition: Application to a Collaborative Workplace for Aircraft Assembly. Appl. Sci. 2022, 12, 2787. [Google Scholar] [CrossRef]
- Zhang, F.; Lai, C.Y.; Simic, M.; Ding, S. Augmented reality in robot programming. Procedia Comput. Sci. 2020, 176, 1221–1230. [Google Scholar] [CrossRef]
- Beloiu, R. Virtual Commissioning of Wheel Robot Processing. In Proceedings of the International Symposium on Advanced Topics in Electrical Engineering (ATEE), Bucharest, Romania, 25–27 March 2021; IEEE: Bucharest, Romania, 2021; pp. 1–4. [Google Scholar]
- ABB Offers Augmented Reality on a Smartphone to Simplify Robot Installations. Available online: https://new.abb.com/news/detail/66541/ar-smartphone-robot-installations (accessed on 5 January 2022).
- Jakubiec, B. Virtual environment as a tool for analysing the operation of an industrial robot. Przegląd Elektrotechniczny 2020, 1, 100–103. [Google Scholar] [CrossRef]
- Holubek, R.; Ružarovský, R.; Sobrino, D.R.D. Using Virtual Reality as a Support Tool for the Offline Robot Programming. Res. Pap. Fac. Mater. Sci. Technol. Slovak Univ. Technol. 2018, 26, 85–91. [Google Scholar] [CrossRef]
- Rueckert, P.; Muenkewarf, S.; Tracht, K. Human-in-the loop simulation for virtual commissioning of human-robot collaboration. Procedia CIRP 2020, 88, 229–233. [Google Scholar] [CrossRef]
- Tao, F.; Qi, Q.; Wang, L.; Nee, A.Y.C. Digital Twins and Cyber–Physical Systems toward Smart Manufacturing and Industry 4.0: Correlation and Comparison. Engineering 2019, 5, 653–661. [Google Scholar] [CrossRef]
- Khan, A.; Dahl, M.; Falkman, P.; Fabian, M. Digital Twin for Legacy Systems: Simulation Model Testing and Validation. In Proceedings of the IEEE International Conference on Automation Science and Engineering, Munich, Germany, 20–24 August 2018; IEEE Computer Society: Washington, DC, USA, 2018; Volume 2018, pp. 421–426. [Google Scholar]
- Su, Y.-P.; Chen, X.-Q.; Zhou, C.; Pearson, L.H.; Pretty, C.G.; Chase, J.G. Integrating Virtual, Mixed, and Augmented Reality into Remote Robotic Applications: A Brief Review of Extended Reality-Enhanced Robotic Systems for Intuitive Telemanipulation and Telemanufacturing Tasks in Hazardous Conditions. Appl. Sci. 2023, 13, 12129. [Google Scholar] [CrossRef]
- Soriano, L.A.; Rubio, J.d.J.; Orozco, E.; Cordova, D.A.; Ochoa, G.; Balcazar, R.; Cruz, D.R.; Meda-Campaña, J.A.; Zacarias, A.; Gutierrez, G.J. Optimization of Sliding Mode Control to Save Energy in a SCARA Robot. Mathematics 2021, 9, 3160. [Google Scholar] [CrossRef]
- Liu, X.; You, B.; Wang, R.; Wen, J.; An, D.; Wen, X. Climbing Strategy of Variable Topology Cellular Space Robots Considering Configuration Optimization. Mathematics 2023, 11, 1410. [Google Scholar] [CrossRef]
- Grethler, M.; Ovtcharova, J.; Marinov, M.B. Proc Service Prototyping Based on Digital Twins for Virtual Commissioning Scenarios. In Proceedings of the 2020 XI National Conference with International Participation (Electronica 2020), Sofia, Bulgaria, 23–24 July 2020; IEEE: Sofia, Bulgaria, 2020; pp. 1–4. [Google Scholar]
- Virtual Universe Pro. Simulation Software. Available online: https://www.saelig.com/miva/merchant.mvc?Screen=PROD&Product_code=M00046001 (accessed on 19 February 2022).
- Virtual Commissioning: Abb RobotStudio: Virtual Universe Pro 4: Using the Gateway. Available online: https://www.youtube.com/watch?v=s8Ju4ivZKio (accessed on 25 January 2022).
- Virtual Commissioning of a Robotic Cell via Software Integration Between TwinCAT and ABB RobotStudio. Available online: https://www.youtube.com/watch?v=QG22pVg31XI&t=1s (accessed on 25 January 2022).
- Caiza, G.; Sanz, R. An Immersive Digital Twin Applied to a Manufacturing Execution System for the Monitoring and Control of Industry 4.0 Processes. Appl. Sci. 2024, 14, 4125. [Google Scholar] [CrossRef]
- Arents, J.; Greitans, M. Smart Industrial Robot Control Trends, Challenges and Opportunities within Manufacturing. Appl. Sci. 2022, 12, 937. [Google Scholar] [CrossRef]
- Andrei, A.; Pupaza, C.; Nicolescu, A. Perspectives of virtual commissioning using Abb Robotstudio and Simatic Robot Integrator environments: A Review. Proc. Manuf. Syst. 2022, 16, 117–123. [Google Scholar]
- RoboDK. Simulate Robot Applications. Available online: https://robodk.com (accessed on 16 January 2025).
- Siemens. Engineer Automated Production Systems Using Robotics and Automation Simulation. Available online: https://www.plm.automation.siemens.com/global/es/products/manufacturing-planning/ (accessed on 17 December 2024).
- Components, V. Visual Components: 3D Manufacturing Simulation and Visualization Software—Design the Factories of the Future. Available online: https://www.visualcomponents.com (accessed on 16 January 2025).
- Association, R.I. Digital Twins and Virtual Commissioning in Industry 4.0. Available online: https://www.robotics.org/content-detail.cfm/Industrial-Robotics-Tech-Papers/Digital-Twins-and-Virtual-Commissioning-in-Industry-4-0/content_id/8173 (accessed on 25 January 2025).
- Roldán, J.J.; Peña-Tapia, E.; Garzón-Ramos, D.; de León, J.; Garzón, M.; del Cerro, J.; Barrientos, A. Multi-Robot Systems, Virtual Reality and ROS: Developing a new generation of operator interfaces. In Robot Operating System (ROS); Springer: Berlin/Heidelberg, Germany, 2019; pp. 29–64. [Google Scholar]
- Available online: https://www.youtube.com/watch?v=SppZYMX-9sU&ab_channel=iSILOGsimulation (accessed on 24 January 2025).
- Available online: https://support.sw.siemens.com/en-US/okba/PL8719908/How-to-create-virtual-commissioning-using-NX-MCD-and-ABB-Robot-Studio/index.html (accessed on 24 January 2025).
- Available online: https://www.industry-mobile-support.siemens-info.com/en/article/detail/109796509 (accessed on 22 December 2024).
- de Oliveira Hansen, J.P.; da Silva, E.R.; Bilberg, A.; Bro, C. Design and development of Automation Equipment based on Digital Twins and Virtual Commissioning. Procedia CIRP 2021, 104, 1167–1172. [Google Scholar] [CrossRef]
- Available online: https://docs.factoryio.com/manual/drivers/ (accessed on 3 January 2025).
- Paul, H.; Qiu, Z.; Wang, Z.; Hirai, S.; Kawamura, S. A ROS 2 Based Robotic System to Pick-and-Place Granular Food Materials. In Proceedings of the 2022 IEEE International Conference on Robotics and Biomimetics (ROBIO), Jinghong, China, 5–9 December 2022; pp. 99–104. [Google Scholar]
- Golz, J.; Wruetz, T.; Eickmann, D.; Biesenbach, R. RoBO-2L, a Matlab interface for extended offline programming of KUKA industrial robots. In Proceedings of the 2016 11th France-Japan & 9th Europe-Asia Congress on Mechatronics (MECATRONICS)/17th International Conference on Research and Education in Mechatronics (REM), Compiegne, France, 15–17 June 2016; pp. 64–67. [Google Scholar] [CrossRef]
- GitHub—BucurCosmin/MatRosRob: Controlling Robots from Matlab with ROS2. Available online: https://github.com/BucurCosmin/MatRosRob (accessed on 15 January 2025).
- Papavasileiou, A.; Nikoladakis, S.; Basamakis, F.P.; Aivaliotis, S.; Michalos, G.; Makris, S. A Voice-Enabled ROS2 Framework for Human–Robot Collaborative Inspection. Appl. Sci. 2024, 14, 4138. [Google Scholar] [CrossRef]
- Cerrillo, D.; Barrientos, A.; Del Cerro, J. Kinematic Modelling for Hyper-Redundant Robots—A Structured Guide. Mathematics 2022, 10, 2891. [Google Scholar] [CrossRef]
- Avram, G.C. Research on the Structural—Functional Optimization of Numerically Controlled Axes of Industrial Robots to Increase Their Performance. Ph.D. Thesis, Politehnica University of Bucharest, Bucharest, Romania, 2014. [Google Scholar]























Disclaimer/Publisher’s Note: The statements, opinions and data contained in all publications are solely those of the individual author(s) and contributor(s) and not of MDPI and/or the editor(s). MDPI and/or the editor(s) disclaim responsibility for any injury to people or property resulting from any ideas, methods, instructions or products referred to in the content. |
© 2025 by the authors. Licensee MDPI, Basel, Switzerland. This article is an open access article distributed under the terms and conditions of the Creative Commons Attribution (CC BY) license (https://creativecommons.org/licenses/by/4.0/).
Share and Cite
Andrei, A.; Nicolescu, F.-A.; Pupăză, C.; Coman, C.-G.; Ghionea, I.G. Applicability of Virtual Commissioning Concepts in Industrial Robotics as a Solution for Compatibility Issues Between Virtual Simulation and Logic Control Software. Appl. Sci. 2025, 15, 2033. https://doi.org/10.3390/app15042033
Andrei A, Nicolescu F-A, Pupăză C, Coman C-G, Ghionea IG. Applicability of Virtual Commissioning Concepts in Industrial Robotics as a Solution for Compatibility Issues Between Virtual Simulation and Logic Control Software. Applied Sciences. 2025; 15(4):2033. https://doi.org/10.3390/app15042033
Chicago/Turabian StyleAndrei, Alexandru, Florin-Adrian Nicolescu, Cristina Pupăză, Cezara-Georgia Coman, and Ionuț Gabriel Ghionea. 2025. "Applicability of Virtual Commissioning Concepts in Industrial Robotics as a Solution for Compatibility Issues Between Virtual Simulation and Logic Control Software" Applied Sciences 15, no. 4: 2033. https://doi.org/10.3390/app15042033
APA StyleAndrei, A., Nicolescu, F.-A., Pupăză, C., Coman, C.-G., & Ghionea, I. G. (2025). Applicability of Virtual Commissioning Concepts in Industrial Robotics as a Solution for Compatibility Issues Between Virtual Simulation and Logic Control Software. Applied Sciences, 15(4), 2033. https://doi.org/10.3390/app15042033

