Control Strategy for Improving Dual Motor Synchronization Accuracy: Cross Coupling Method Based on Improved Global Fast Terminal Sliding Mode Control and Disturbance Observer
Abstract
1. Introduction
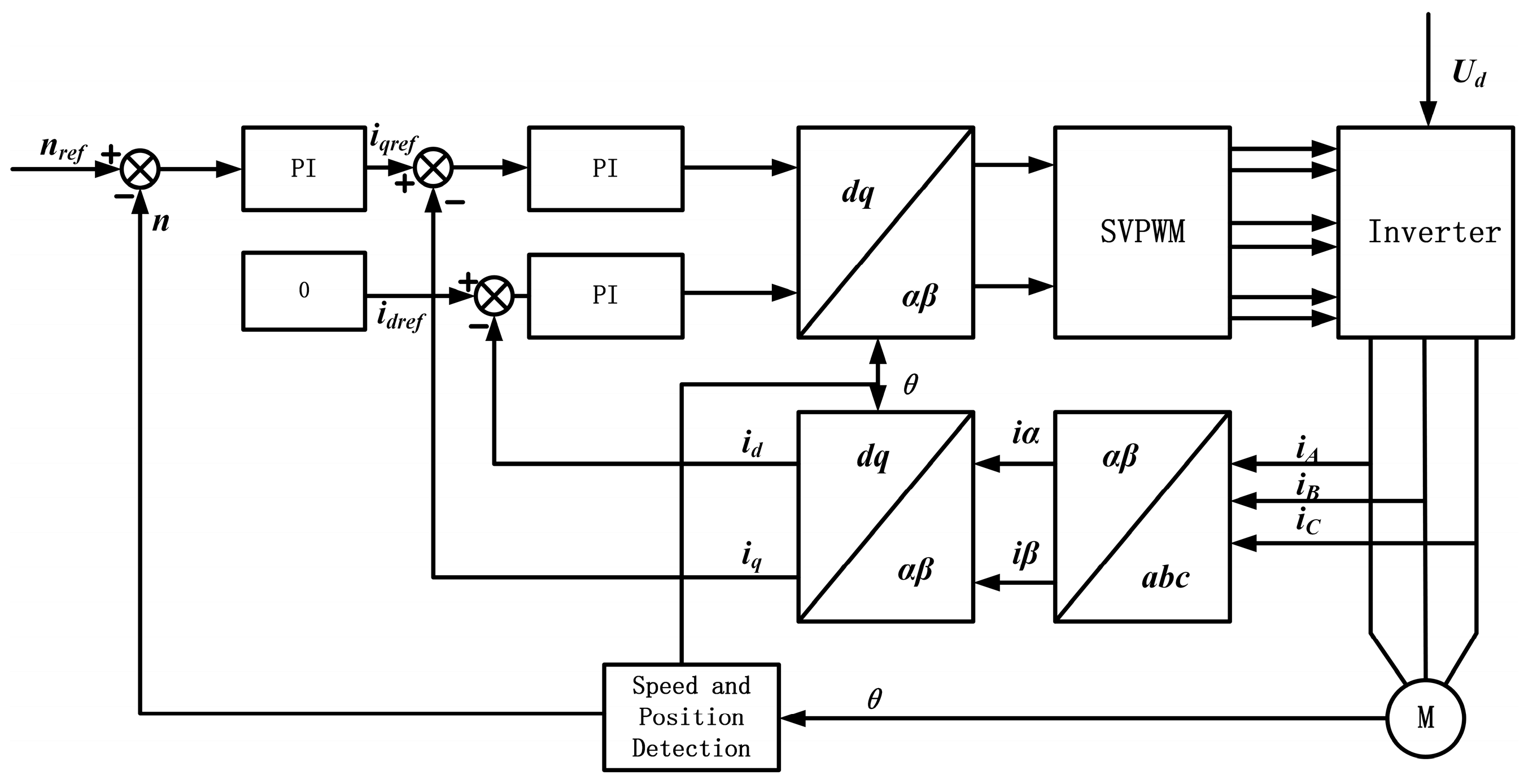
2. Mathematical Model of the PMSM
3. Design of the Single Motor Speed Controller
3.1. General Method for Designing GFTSMC
3.2. Design of the Single Motor GFTSMC
3.3. Stability Analysis of the Single Motor System
4. Design of Dual-Motor Speed Synchronization Controller
4.1. Design of the Speed Compensation Controller
4.2. Stability Analysis of the Dual-Motor System
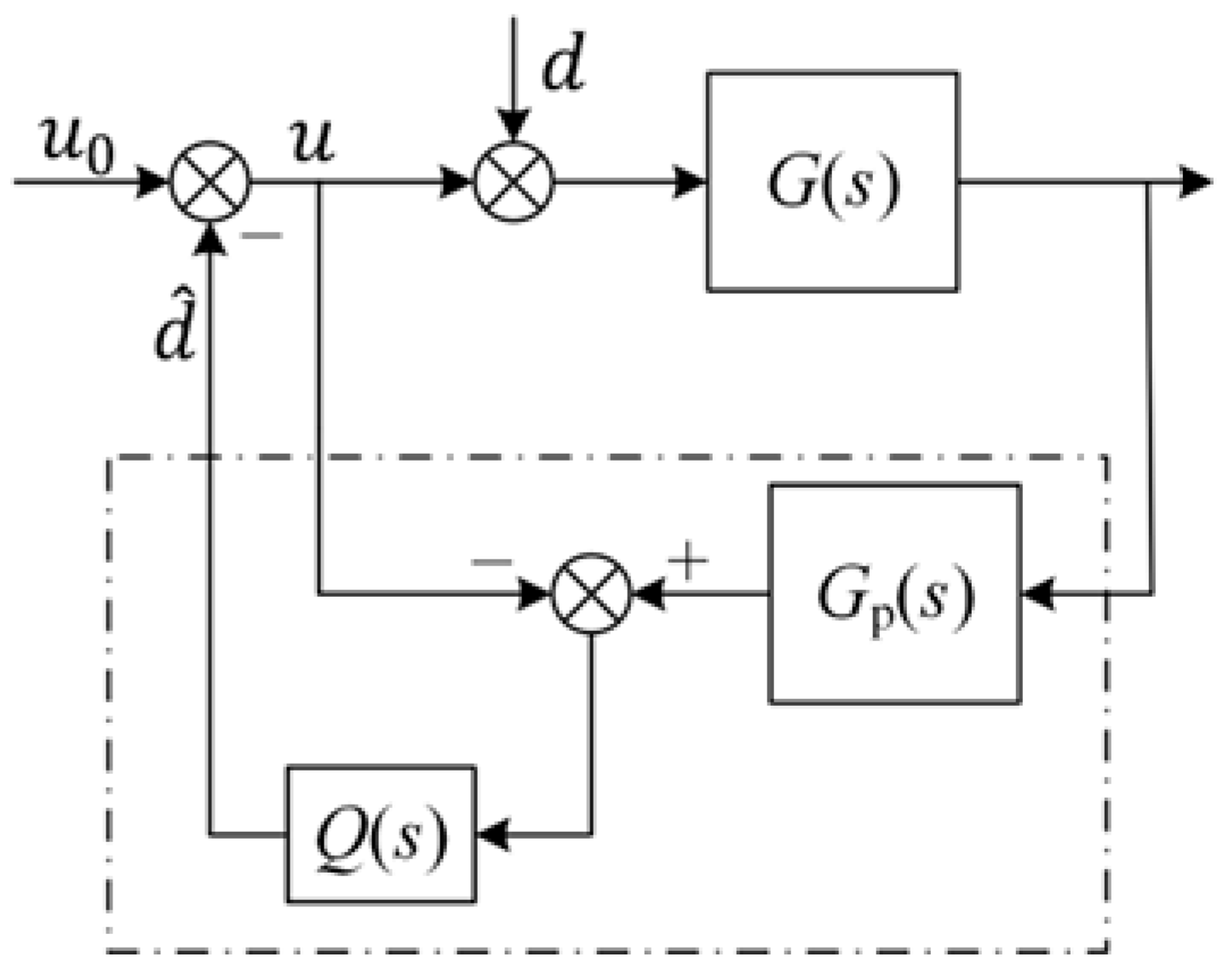
5. Compensation for Frictional Disturbance Observer
5.1. Establishment of the System Friction Model
5.2. Design of the Friction Disturbance Observer
6. Simulation Results and Analysis
6.1. Comparison of Single-Motor Control Performance Under Different Control Methods
6.2. Comparison of Dual-Motor Speed Synchronization Performance Without Disturbance Observer
6.3. Comparison of Dual-Motor Speed Synchronization Performance with Disturbance Observer
7. Conclusions
Author Contributions
Funding
Institutional Review Board Statement
Informed Consent Statement
Data Availability Statement
Conflicts of Interest
References
- Zhao, Y.; Cao, T.; Pan, G.; Dai, J.; Guo, X.; Zheng, M.; Lin, X. Model predictive pulse pattern control of permanent magnet synchronous motors for medium-and low-speed optimization. J. Power Electron. 2023, 23, 1364–1378. [Google Scholar] [CrossRef]
- Chen, Z.; Xiao, F.; Chen, Y.; Tang, W.; Chen, Z. An improved model predictive direct speed control with synchronous prediction and weight factor optimization for PMSM application. J. Electr. Eng. Technol. 2023, 18, 4257–4268. [Google Scholar] [CrossRef]
- Zhong, Y.; Lin, H.; Wang, J.; Yang, H. Improved adaptive sliding-mode observer based position sensorless control for variable flux memory machines. IEEE Trans. Power Electron. 2023, 38, 6395–6406. [Google Scholar] [CrossRef]
- Wang, T.; Wang, B.; Yu, Y.; Xu, D. Discrete sliding-mode-based MRAS for speed-sensorless induction motor drives in the high-speed range. IEEE Trans. Power Electron. 2023, 38, 5777–5790. [Google Scholar] [CrossRef]
- Luo, M.; Yu, Z.; Xiao, Y.; Xiong, L.; Xu, Q.; Ma, L.; Wu, Z. Full-order adaptive sliding mode control with extended state observer for high-speed PMSM speed regulation. Sci. Rep. 2023, 13, 6200. [Google Scholar] [CrossRef]
- Gil, J.; You, S.; Lee, Y.; Kim, W. Nonlinear sliding mode controller using disturbance observer for permanent magnet synchronous motors under disturbance. Expert Syst. Appl. 2023, 214, 119085. [Google Scholar] [CrossRef]
- Song, L.; Huang, J.; Liang, Q.; Nie, L.; Liang, X.; Zhu, J. Trajectory tracking strategy for sliding mode control with double closed-loop for lawn mowing robot based on ESO. IEEE Access 2022, 11, 1867–1882. [Google Scholar] [CrossRef]
- Yim, J.; You, S.; Lee, Y.; Kim, W. Chattering attenuation disturbance observer for sliding mode control: Application to permanent magnet synchronous motors. IEEE Trans. Ind. Electron. 2022, 70, 5161–5170. [Google Scholar] [CrossRef]
- Xu, B.; Zhang, L.; Ji, W. Improved non-singular fast terminal sliding mode control with disturbance observer for PMSM drives. IEEE Trans. Transp. Electrif. 2021, 7, 2753–2762. [Google Scholar] [CrossRef]
- Yu, X.; Zhihong, M. Fast terminal sliding-mode control design for nonlinear dynamical systems. IEEE Trans. Circuits Syst. I Fundam. Theory Appl. 2002, 49, 261–264. [Google Scholar]
- Xu, W.; Junejo, A.K.; Liu, Y.; Islam, M.R. Improved continuous fast terminal sliding mode control with extended state observer for speed regulation of PMSM drive system. IEEE Trans. Veh. Technol. 2019, 68, 10465–10476. [Google Scholar] [CrossRef]
- Junejo, A.K.; Xu, W.; Mu, C.; Ismail, M.M.; Liu, Y. Adaptive speed control of PMSM drive system based a new sliding-mode reaching law. IEEE Trans. Power Electron. 2020, 35, 12110–12121. [Google Scholar] [CrossRef]
- Chen, W.; Wu, Y.; Du, R.; Chen, Q.; Wu, X. Speed Tracking and Synchronization of a Dual-Motor System via Second Order Sliding Mode Control. Math. Probl. Eng. 2013, 2013, 919837. [Google Scholar] [CrossRef]
- Zhu, C.; Tu, Q.; Jiang, C.; Pan, M.; Huang, H. A cross coupling control strategy for dual-motor speed synchronous system based on second order global fast terminal sliding mode control. IEEE Access 2020, 8, 217967–217976. [Google Scholar] [CrossRef]
- Jerković Štil, V.; Varga, T.; Benšić, T.; Barukčić, M. A survey of fuzzy algorithms used in multi-motor systems control. Electronics 2020, 9, 1788. [Google Scholar] [CrossRef]
- Niu, F.; Sun, K.; Huang, S.; Hu, Y.; Liang, D.; Fang, Y. A Review on Multimotor Synchronous Control Methods. IEEE Trans. Transp. Electrif. 2023, 9, 22–33. [Google Scholar] [CrossRef]
- Li, L.; Cheung, N.; Yang, G.; Wang, C.; Fu, P.F.; Li, G.C.; Pan, J.F. Design of a variable-gain adjacent cross-coupled controller for coordinated motion of multiple permanent magnet linear synchronous motors. Comput. Electron. Agric. 2022, 192, 106561. [Google Scholar] [CrossRef]
- Zhang, D.; Sun, C.; Hu, X.; Zhang, J. Cross-coupling synchronous control of double brushless dc motor based on variable domain fuzzy PID. Mechatron. Syst. Control 2021, 49, 9–16. [Google Scholar] [CrossRef]
- Wu, Y.; Cheng, Y.; Wang, Y. Research on a multi-motor coordinated control strategy based on fuzzy ring network control. IEEE Access 2020, 8, 39375–39388. [Google Scholar] [CrossRef]
- Liu, Y.; Wang, Z.; Wang, Y.; Wang, D.; Xu, J. Cascade tracking control of servo motor with robust adaptive fuzzy compensation. Inf. Sci. 2021, 569, 450–468. [Google Scholar] [CrossRef]
- Ruan, W.; Dong, Q.; Zhang, X.; Li, Z. Friction compensation control of electromechanical actuator based on neural network adaptive sliding mode. Sensors 2021, 21, 1508. [Google Scholar] [CrossRef] [PubMed]
- Liao, J.; Zhou, F.; Zheng, J. An improved parameter identification algorithm for the friction model of electro-hydraulic servo systems. Sensors 2023, 23, 2076. [Google Scholar] [CrossRef] [PubMed]
- Piao, M.; Wang, Y.; Sun, M.; Chen, Z. Friction compensation and limit cycle suppression at low velocities based on extended state observer. IFAC-PapersOnLine 2020, 53, 1313–1318. [Google Scholar] [CrossRef]
- Zhang, Y.; Li, K.; Xu, M.; Liu, J.; Yue, H. Medical grabbing servo system with friction compensation based on the differential evolution algorithm. Chin. J. Mech. Eng. 2021, 34, 107. [Google Scholar] [CrossRef]
- Huang, M.; Deng, Y.; Li, H.; Wang, J. Torque ripple suppression of PMSM using fractional-order vector resonant and robust internal model control. IEEE Trans. Transp. Electrif. 2021, 7, 1437–1453. [Google Scholar] [CrossRef]
- Ghogare, M.; Patil, S.; Patil, C.; Chaudhari, L. Experimental Application of Global Fast Terminal Sliding Mode Controller to TITO System. ECTI Trans. Electr. Eng. Electron. Commun. 2023, 21, 249727. [Google Scholar] [CrossRef]
- Tao, G. Model reference adaptive control with L 1+ α tracking. Int. J. Control. 1996, 64, 859–870. [Google Scholar] [CrossRef]
- Hosseinzadeh, M.; Yazdanpanah, M.J. Performance enhanced model reference adaptive control through switching non-quadratic Lyapunov functions. Syst. Control. Lett. 2015, 76, 47–55. [Google Scholar] [CrossRef]
- Wang, C.; Peng, J.; Pan, J. A novel friction compensation method based on Stribeck model with fuzzy filter for PMSM servo systems. IEEE Trans. Ind. Electron. 2023, 70, 12124–12133. [Google Scholar] [CrossRef]
- Sariyildiz, E.; Ohnishi, K. A guide to design disturbance observer. J. Dyn. Syst. Meas. Control. 2014, 136, 021011. [Google Scholar] [CrossRef]
- Deng, Y.; Zhu, J.; Liu, H. The Improved Particle Swarm Optimization Method: An Efficient Parameter Tuning Method with the Tuning Parameters of a Dual-Motor Active Disturbance Rejection Controller. Sensors 2023, 23, 8605. [Google Scholar] [CrossRef] [PubMed]
- Zhong, Y.; Gao, J.; Zhang, L. Adaptive Fractional-Order Anti-Saturation Synchronous Control for Dual-Motor Systems. Appl. Sci. 2023, 13, 2307. [Google Scholar] [CrossRef]

















| Parameter | Value |
|---|---|
| / | 0.459 |
| / | 0.459 |
| 0.3236 | |
| 0.005735 |
| Parameter | Value |
|---|---|
| Sator resistance/Ω | 1.4 |
| D-axis induction | 4.8 |
| Q-axis induction | 4.8 |
| Flux linkage | 0.0593 |
| Pole pairs P | 4 |
| Inertia of motor 1 | 1.56 × 10−4 |
| Inertia of motor 2 | 1.56 × 10−4 |
| Rated power | 1 |
| Indicator | Proposed Method | Method A (Reference [31]) | Method B (Reference [32]) |
|---|---|---|---|
| Dynamic Response | Fast, capable of quick recovery and responding to high, dynamic load variations | Moderate, the optimization process may result in a slightly slower response | The response speed is relatively fast, but the response time may be longer under high loads |
| Robustness | Moderate, capable of effectively responding to friction and load variations | High, capable of effectively responding to friction, load variations, and external disturbances | Moderate, primarily addresses voltage saturation but may not handle other disturbances |
| Computational Complexity | Moderate, the design of sliding mode control and disturbance observer is relatively simple | High, as the particle swarm optimization (IPM) requires more computational resources | High, fractional-order control requires more complex calculations and additional resources |
| Synchronization Error | High, able to maintain a small synchronization error during rapid load variations | Moderate, the optimization can reduce synchronization errors to some extent | Moderate, but may be less flexible than other methods under dynamic conditions |
Disclaimer/Publisher’s Note: The statements, opinions and data contained in all publications are solely those of the individual author(s) and contributor(s) and not of MDPI and/or the editor(s). MDPI and/or the editor(s) disclaim responsibility for any injury to people or property resulting from any ideas, methods, instructions or products referred to in the content. |
© 2025 by the authors. Licensee MDPI, Basel, Switzerland. This article is an open access article distributed under the terms and conditions of the Creative Commons Attribution (CC BY) license (https://creativecommons.org/licenses/by/4.0/).
Share and Cite
Wu, K.; Zhang, Y.; Qi, Y.; Shi, W. Control Strategy for Improving Dual Motor Synchronization Accuracy: Cross Coupling Method Based on Improved Global Fast Terminal Sliding Mode Control and Disturbance Observer. Appl. Sci. 2025, 15, 1915. https://doi.org/10.3390/app15041915
Wu K, Zhang Y, Qi Y, Shi W. Control Strategy for Improving Dual Motor Synchronization Accuracy: Cross Coupling Method Based on Improved Global Fast Terminal Sliding Mode Control and Disturbance Observer. Applied Sciences. 2025; 15(4):1915. https://doi.org/10.3390/app15041915
Chicago/Turabian StyleWu, Kelu, Yongchao Zhang, Yubao Qi, and Weimin Shi. 2025. "Control Strategy for Improving Dual Motor Synchronization Accuracy: Cross Coupling Method Based on Improved Global Fast Terminal Sliding Mode Control and Disturbance Observer" Applied Sciences 15, no. 4: 1915. https://doi.org/10.3390/app15041915
APA StyleWu, K., Zhang, Y., Qi, Y., & Shi, W. (2025). Control Strategy for Improving Dual Motor Synchronization Accuracy: Cross Coupling Method Based on Improved Global Fast Terminal Sliding Mode Control and Disturbance Observer. Applied Sciences, 15(4), 1915. https://doi.org/10.3390/app15041915
