Next Article in Journal
Criteria for Route Evaluation of Automated Buses
Next Article in Special Issue
An Unmanned Delivery Vehicle Path-Planning Method Based on Point-Graph Joint Embedding and Dual Decoders
Previous Article in Journal
Experimental Simulation Investigation on Slab Buckling Rockburst in Deep Tunnel
Previous Article in Special Issue
Prototype System for Supporting Medical Diagnosis Based on Voice Interviewing
 
 
Font Type:
Arial Georgia Verdana
Font Size:
Aa Aa Aa
Line Spacing:
Column Width:
Background:
Article

Analysis of Instantaneous Energy Consumption and Recuperation Based on Measurements from SORT Runs

1
Faculty of Management, Lublin University of Technology, 38D Nadbystrzycka Str., 20-618 Lublin, Poland
2
Environment Protection Centre, Motor Transport Institute, 80 Jagiellońska Str., 03-301 Warsaw, Poland
3
Department of Power Engineering and Transportation, Faculty of Production Engineering, University of Life Sciences in Lublin, 13 Akademicka Str., 20-612 Lublin, Poland
4
Faculty of Automotive and Construction Machinery Engineering, Warsaw University of Technology, 84 Narbutta Str., 02-524 Warsaw, Poland
5
Faculty of Mechanical Engineering, Military University of Technology, 2 gen. Sylwestra Kaliskiego Str., 00-908 Warsaw, Poland
6
Center of European Projects, 9 Halicka Str., 31-036 Kraków, Poland
7
Faculty of Maritime Technology and Transport, West Pomeranian University of Technology, 17 Al. Piastów, 70-310 Szczecin, Poland
8
Mechanical Science Institute, Vilnius Gediminas Technical University-VILNIUS TECH, 25 Plytinės Str., LT-10105 Vilnius, Lithuania
*
Author to whom correspondence should be addressed.
Appl. Sci. 2025, 15(4), 1681; https://doi.org/10.3390/app15041681
Submission received: 28 December 2024 / Revised: 21 January 2025 / Accepted: 5 February 2025 / Published: 7 February 2025
(This article belongs to the Special Issue Advanced Technologies in Intelligent Green Vehicles and Robots)

Abstract

Using the standardised SORT, the article analyses instantaneous energy consumption and recuperation processes in an electric bus. The test includes three scenarios: SORT 1 (heavy urban traffic), SORT 2 (mixed driving conditions), and SORT 3 (suburban routes), enabling precise assessment of the energy efficiency of vehicles while eliminating environmental variables. The recuperation system significantly enhances energy efficiency, though its effectiveness varies based on the driving scenario. Modelling methods were compared as follows: linear regression, KNN algorithms, and neural networks, achieving a high fit (R2 > 90%). While KNN and neural networks were better at reproducing nonlinearities, they indicated the need for additional variables and time delays to enhance accuracy. The article sets itself apart by incorporating predictive models and examining recuperation efficiency across various scenarios. It emphasizes the importance of combining SORT results with real operational data and developing adaptive energy management systems. The results indicate the potential for optimizing electric buses for public transport, including route planning and further improving recuperation technology, which can significantly reduce energy consumption and greenhouse gas emissions.

1. Introduction

Electric buses have become an integral part of public transport systems in recent years [1,2]. To ensure their optimal implementation by companies using buses in their fleet, appropriate tests are necessary to examine elements such as energy consumption [3], range, battery efficiency and durability in real conditions [4]. Conducting reliable tests is crucial for fleet operators, manufacturers and decision-makers because they influence the decision-making process [5,6,7]. Reliable tests allow the verification of theoretical assumptions and, therefore, enable a reliable assessment of the performance of the given vehicles, as well as to illustrate the potential gains and losses in the operation of the tested vehicles [8,9,10]. Moreover, the value of standardised tests, such as the standardised on-road test (SORT), has been highlighted through their role in evaluating vehicle efficiency under real-world conditions. Recent studies have shown that these tests give important information about energy use and recovery. Battery health, driving habits, and road curves can all affect these processes. These studies show how important it is to use standard methods, such as the E-SORTs for electric cars, to obtain more accurate and reliable results [11].
One of the most common tests for vehicles is the standardised on-road test (SORT), which was created by the International Association of Public Transport (UITP). Since 2017, it has included the guidelines for testing electric buses [12]. The standardised on-road test (SORT) was designed to provide comparable results for commercial vehicles in conditions simulating real operations. It consists of three scenarios that differ in driving profile and frequency of stops, considering different types of routes: SORT 1: intensive urban traffic characteristics with a large number of stops; SORT 2: mixed driving conditions, with a moderate number of stops; SORT 3: suburban routes, with a minimum number of stops [13]. Each of these cycles reflects a variety of operating situations, allowing the assessment of the vehicle’s energy efficiency in specific conditions [14]. Thanks to standardisation, the SORT also enables the verification of manufacturers’ declarations and the comparison of different bus models. Standardisation allows the elimination of variables related to local traffic conditions.
The analysis of the energy consumption and recuperation processes of electric buses, carried out using SORTs, is a very relevant topic when seeking to effectively manage resources and reduce operating costs. Scientific studies show that these processes depend on many factors, including route conditions, battery condition, vehicle specifications and infrastructure management strategies. A crucial aspect of advancing sustainable transportation systems involves identifying methods to reduce the noise generated by electric buses. It is essential to consider this when calculating energy consumption. A study in Gothenburg, Sweden, found that switching from diesel–hybrid buses to electric buses cut down on low-frequency noise levels in residential areas by a large amount. This reduction was evident in the third octave frequency bands, although it was not visible in the A-weighted parameter, which may underestimate the impact of metal facades on noise insulation. This means that, when using SORTs, it is necessary to take into account specific environmental parameters and measurement methodologies that can affect energy consumption and regeneration processes [15]. Implementing effective noise reducing strategies can also be an indicator of enhanced energy efficiency and optimal energy recovery in electric buses. Proper route planning is also a key factor in optimizing the energy consumption of electric buses. A study on an electric bus rapid transit system (EBRTS) showed that proper route planning can reduce the load on local power grids, ensure competitive ticket prices and provide an attractive return on investment. Such a system helps to balance energy consumption and recovery, and SORTs can be used to evaluate these optimization solutions [16]. When planning routes, it is necessary to take into account factors such as road gradient, number of stops and passenger flows. The selection criteria for electric buses are closely related to their energy consumption and recuperation efficiency. A study conducted in Budapest using the TOPSIS method identified the main factors determining the choice of vehicle: maximum engine power, average specific fuel consumption, battery capacity, number of passengers, vehicle weight and road gradient. These things are very important for looking at how much energy buses use during SORTs because they allow one to see how efficient they are in different situations [17]. Using these indicators will help people to find the best approach for recovery and lower their energy use. Another important area is the application of digital twin technologies to the charging and control processes of electric buses [18]. Studies have shown that digital twin-based systems can coordinate bus charging, route allocation, battery storage, and solar power generation. This approach has led to reductions in emissions and electricity costs; for example, in electric bus depots emissions have been reduced by 98%, and in autonomous depots electricity costs have been reduced by between $3612 and $4010. By optimising recovery procedures and energy usage, SORT testing can aid in evaluating the practical effectiveness of these systems [19]. Practical considerations for choosing electric buses, including power consumption, charging duration, and failure frequency, were brought to light in research conducted by the Chinese Nanjing Bus Company. The effectiveness of the recovery process and the overall efficiency of the operation are impacted by these elements. When seeking to optimise fleet management, these criteria can be tested using SORT under real-world operating settings [20]. Furthermore, electric bus efficiency depends on performance and safety criteria. Research shows that, in order to increase the efficiency of energy regeneration, testing and evaluation of battery safety must be improved [21]. Degradation of batteries during heavy use might raise operational expenses and decrease recuperation efficiency, according to entropy weighting evaluation models [22].
In addition, the tests provide the data necessary for optimising drive systems, which are particularly important in assessing electric vehicles, where energy efficiency depends on the management of energy in the batteries [12,23,24]. Ref. [25] presents the results of the SORT-2 test conducted for an electric bus (the test is also known as E-SORT) by the UITP guidelines introduced in 2017, which allows for the estimation of the costs of electric energy consumption by the vehicle throughout its life cycle. Other examples of using SORT-2 tests can be found in [12,26,27,28], which compared three types of drives: gas (CNG), diesel and electric. Operating conditions significantly impact the SORT results and are a key factor in assessing the efficiency of electric buses. Analysis of these conditions allows a better understanding of the factors influencing the test results and their representativeness for everyday vehicle operation. Factors influencing SORT results include vehicle weight and passenger load, where a heavier vehicle requires more energy, especially during acceleration and on steep routes. Another factor is the route topography—traffic on routes with different inclinations can lead to significant fluctuations in energy consumption and weather conditions, where, for example, extreme temperatures affect the operation of batteries and the energy consumption for heating or cooling [29]. Analysis of SORT results considering environmental variables allows for developing more precise energy consumption forecasts [30,31].
Additionally, the literature emphasises the importance of precise measurements of instantaneous energy consumption by electric buses, which depends on driving dynamics, energy management strategy and external factors such as route profile and vehicle load. This is extremely important for optimising drive systems and designing effective operating strategies [32,33]. Data from SORTs enable the development of detailed energy profiles of the vehicle in various driving scenarios. They allow for the identification of the most energy-intensive cycle stages and the optimisation of energy management strategies.
In addition to the SORTs discussed above, other tests are conducted worldwide. One is the Altoona (USA) bus testing program supported by the Federal Transit Administration (FTA). Such tests include checking structural integrity, fuel or energy consumption, exhaust emissions, brake performance and noise level [34,35,36].
Using a more theoretical approach, one can also use the vehicle energy consumption calculation tool (VECTO) simulator [37,38], developed by the European Commission to study CO2 emissions and fuel consumption of vehicles [39].
In addition to standardised and simulation methods, more unconventional and experimental solutions are used. Examples of this include [23,40,41,42], in which the authors studied the energy consumption of electric buses during real trips around Athens. In this way, extensive data from several days of research were obtained.
Another example of extensive energy consumption tests is the study reported in [24], which lasted 14 months and was conducted in various weather conditions, including days with extremely low and high temperatures, and which took into account several other factors, as well as the use of systems implemented in electric buses, during the operation of vehicles in real conditions in Jilin Province. Based on the examples presented above, one can see many options regarding the methodology implemented in testing electric buses. However, it is worth noting that experimental and long-term methods can lead to errors or distortions in the obtained results, resulting from external factors that were not included in the testing process, or which were not adequately considered. Assuming this, the authors stated that the best test method would be the E-SORT, which was developed by UITP and which allows one to obtain reliable energy consumption results of electric buses by implementing standardised procedures, significantly reducing the probability of obtaining unreliable results.
This research dives into the search for smarter ways to make electric buses more energy efficient. It focuses on how much energy these buses use and recover in real time, using three modelling methods: linear regression, KNN, and neural networks. The results show that KNN and neural networks do a better job of capturing the twists and turns in the data. This suggests that adding more details, like extra variables and time delays, could make these models even better.
The study also looked at how well buses recover energy when braking in three typical driving situations—heavy city traffic, mixed routes, and suburban roads. This helped reveal how different driving conditions impact energy recovery. By using real-time data, the research ensures that the results are reliable and can work with different bus models and in various settings.
Road gradients, passenger loads, and weather fluctuations are just a few examples of the real-world operating factors that introduce significant unpredictability and make it difficult to estimate electric bus energy efficiency. According to Coiret et al. [11] and Doulgeris et al. [23], these factors significantly affect the efficiency of regenerative braking and energy consumption, often departing from controlled test conditions like the SORT approach. Another important problem is that existing approaches do not investigate the underexplored area of long-term data on battery degradation and its impact on energy performance [22,33]. To overcome these problems and make sure that assessments of energy efficiency are in line with real-world applications, it is important to mix standardised testing with operational data from the actual world [24,29]. Rossero et al. [28] and Wang et al. [30] both emphasize the significance of including route-specific data, such as traffic congestion and passenger movements, to improve energy consumption forecasts.
In the end, this work helps move public transport in a greener direction. By improving energy use and cutting down on emissions, it supports the goal of cleaner, more sustainable cities. It is a step toward making our daily commutes more eco-friendly and our urban spaces healthier for everyone.

2. Materials and Methods

2.1. Problem Formulation

For the study, an electric bus was used, and it was tested according to the SORT. The following measuring tools were used to conduct the study:
  • Yokogawa WT-1806 power analyser, manufactured in Japan, Musashino
  • APPA 32 current clamps, manufactured in Taiwan, Shin-Tien
  • LAB-EL LB-702 thermohygrobarometer, serial number 1371 (measuring probe) and 1073 (readout panel), manufactured in Poland, Łódź
  • CFM Master anemometer, model 8901, serial number 8809870, manufactured in Germany, Frankfurt
  • CORSYS-DATRON type L-400 head, serial number 41434, manufactured in Germany, Darmstadt
  • DINI ARGEO type WWSD6T non-automatic electronic scale, serial number 01001852335, manufactured in Italy, Modena.
The SORTs were conducted using a sophisticated measurement system. A Datron optical measurement head was employed to record the bus’s speed precisely. These speed data were captured using custom ITS software, version ITS_P.1.13, which simultaneously displayed the test cycle’s target speed profile to the bus driver. This setup closely resembled the experience of vehicle testing on a chassis dynamometer.
The speed recording process was synchronised with energy consumption measurements, ensuring that both datasets were perfectly aligned. The collected results were analysed using the custom ITS software, and those with the smallest deviation from the expected parameters were selected for final evaluation. This meticulous approach ensured the accuracy and reliability of the test results. The measurements were carried out on road no. 56 near the town of Stary Jasiniec. The basic track parameters are given in Table 1. The atmospheric conditions that prevailed during the measurements are presented in Table 2.
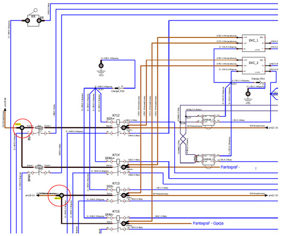
The current clamp connection points used to assess electric bus instantaneous energy consumption and recovery during an SORT are illustrated in Figure 1, which is a representation of the test. Analysing energy efficiency under real-world operational settings requires accurate measurement of current flow. Detailed connection points for installing current clamps to record the electric current flowing through the system are indicated in the figure. In the places marked with the red circles, the current measuring system is connected, which documents the electric current that flows through the power circuit of the bus. In order to assess energy consumption and recovery procedures, this method guarantees the gathering of trustworthy data. One current clamp connection point, marked at ark19 C1 and measuring 32.5/5 A, and another, marked at ark19 D1, measuring 120/5 A, are shown in the diagram. With the help of these clamps, we can track the changes in current intensity that happen when we accelerate, brake, drive steadily, and stop. Various paths for electrical impulses are depicted by the connections in the diagram. Lines in blue show the main current flowing through the measuring system, while lines coloured black and orange show the power and signal connections. Accurate real-time monitoring is ensured by these lines, which provide a clear routing of currents. Energy measurements are taken at crucial places within the bus’s power distribution network, specifically at the PowerBox and main high voltage (HV) connections illustrated in the diagram. The creation of this link allows for the recording of time-series data, which includes real-time monitoring of energy consumption and recuperation. In order to evaluate electric bus performance in a simulated real-world environment, the SORT methodology uses these measurements.
The device for measuring electricity consumption is connected in the places shown in Figure 1 and Figure 2.
The standardised on-road test (SORT), developed by the International Association of Public Transport (UITP) to assess buses’ fuel or energy consumption under operating conditions, consists of three standardised scenarios: SORT 1, for extreme urban traffic with frequent stops; SORT 2, for mixed driving conditions with moderate stops; and SORT 3, for suburban roads with minimal stops. Their main purpose is to enable comparison of the energy efficiency of different vehicles under specific conditions. This allows contracting entities, e.g., public transport operators, to make decisions based on data on actual energy consumption during use. SORTs are divided into three cycles reflecting different bus operating scenarios:
SORT 1 simulates intensive urban traffic, where the vehicle moves at a low average speed of around 12 km/h, stops frequently (6–8 times per kilometre), and the stop time is up to 35% of the total driving time.
SORT 2 reproduces milder urban conditions, with fewer stops (3–5 per kilometre), an average 18 km/h speed, and a stop share of around 20%.
SORT 3, on the other hand, is designed for suburban routes, where the average speed is around 25 km/h, the number of stops is reduced to 1–2 per kilometre, and the stop time is only 10%.
The test procedure requires the bus to be fully loaded per the permissible total weight, including passengers and cargo. Tests are carried out on a fixed section of the road corresponding to the given cycle’s specifics. The results are measured multiple times to obtain accurate data. Maintaining constant weather conditions, such as temperature or lack of wind, is also important, and the vehicle must be in perfect technical condition. The SORT results measure energy or fuel consumption expressed in kWh/km or litres per 100 km. These results are crucial for comparing different buses, regardless of their type of drive: combustion, hybrid, electric or hydrogen. By standardizing the procedure, the UITP ensures consistency of results, which is particularly important in public tenders and planning strategies for implementing zero-emission vehicles. The test is useful for assessing electric bus efficiency and confirming battery performance claims, as it records precise data on energy consumption and recuperation in each scenario. Operators of fleets, producers, and decision-makers must have these metrics, they supply the essential data when optimising route planning, enhancing energy management methods, and decreasing operational costs. To ensure these measurements are reliable, it is crucial to use the current clamp connection locations in Figure 1. This will help achieve the larger objective of making electric public transport systems more efficient and sustainable.
During an SORT, the voltage measurement sites of an electric bus can be seen in Figure 2, which is a representation of the test. Making sure the data gathered represents real-world performance, accurate voltage measurement is crucial for evaluating instantaneous energy consumption and recovery. Specific places for measuring voltage are marked with yellow indicators and circled in red, which showcases the voltage measurement setup. The electric circuit’s voltage levels can be captured at these carefully placed places. The electric bus’s performance may be precisely monitored under various operating scenarios, including acceleration, braking, steady driving, and stopping, with this system. Electric current primarily flows along the blue lines in the diagram, which represent the main pathways of high voltage. In order to guarantee that voltage measurements encompass the essential portions of the bus’s electrical system, these wires link various circuit components. Subsystems like energy control units and battery management are able to coordinate voltage measurements thanks to the orange lines that represent signal and control pathways. With this dual-path system, data gathering is simple, and voltage behaviour can be accurately monitored under all kinds of driving conditions. In order to regulate the measuring process and guarantee data capture under certain conditions, the circuit incorporates components such as relay switches labelled “K712”, “K713”, “K714”, and “K715”. The “Charge POU” labelled voltage measurement sites are also linked to the bus’s charging system.
Thanks to this connection, voltage may be monitored both when the bus is running and when it is charging. A thorough comprehension of the energy behaviour of the bus, including the battery’s handling of charging and discharging processes, can be gained by capturing voltage data during charging. The evaluation of battery performance, identification of inefficiencies, and optimisation of energy management strategies all rely on these data. In order to evaluate the bus’s total energy efficiency, voltage measurements are crucial during the SORT, which mimics real-world operating circumstances. First, SORT 1, which simulates heavy urban traffic with frequent stops; second, SORT 2, which simulates mixed driving conditions with moderate stops; and finally, SORT 3, which simulates suburban routes with few pauses. By recording voltage data under various scenarios, drivers can assess the bus’s energy consumption and braking efficiency. This validates the promises made by manufacturers about battery performance and energy usage and assists in determining the most energy-efficient operational solutions. Evaluating the recovery process also benefits from precise voltage monitoring. When the bus brakes, the voltage data help determine how much energy is being regenerated and stored back into the battery. Improving the recuperation system’s efficiency is vital for lowering overall energy usage, which is a necessity. Additionally, voltage data allow fleet operators to verify battery health and efficiency, ensuring that the bus maintains reliable performance over time. Adaptive energy management systems, which modify energy use in response to actual driving circumstances, can be better built with the help of these data. When current and voltage readings are added together, a clear picture is painted of the bus’s power usage. Reduced running expenses and increased energy efficiency are the results of optimising the bus’s energy management plan. In the context of SORT testing, such data ensure a standardised comparison of different electric bus models, eliminating variables related to local traffic and infrastructure.
Ten measurements were taken in the K1 direction and eight measurements in the K2 direction. Energy consumption was determined from each direction in accordance with the methodology specified in the SORT standard.
For the purposes of mathematical analysis, the following were used: linear model, K-nearest neighbour regression (KNN), neural networks, assessment of model fit and prediction. The tools used are described below.
The article analyses the instantaneous energy consumption and recuperation processes, modelling them depending on the vehicle driving state, speed and acceleration parameters, and energy consumption defined as the product of speed and acceleration, which reflects the intensity of energy demand in traffic dynamics.

2.1.1. Linear Model

In many cases, we describe the relationship between the dependent variable y and the features (predictors) x 1 , x 2 , , x k using a linear model, as follows:
y = θ 0 + θ 1 x 1 + θ 2 x 2 + + θ k x k + ε i ,
where the influence of external factors is described by a random variable with a normal distribution N 0 , σ 2 . To estimate the structural parameters θ 0 , θ 1 , , θ k based on the observation of the dependent variable y i 1 i n and the predictors x 11 , x i 2 , , x i k 1 i n ) in model (1), we use the least squares method, for this purpose we define
Y = y 1 y 2 y n , X = 1 x 11 x 12 x 1 k 1 x 21 x 22 x 2 k 1 x n 1 x n 2 x n k ,
where Y R n , X R n × k + 1 .
From the Gauss–Markov theorem, if d e t X T X 0 , then estimators of the unknown parameters in the model (1) are determined as follows:
θ ^ = θ ^ 0 θ ^ 1 θ ^ 5 = X T X 1 X T Y ,
The quantity ε i = y i θ ^ 0 θ ^ 1 x i 1 θ ^ 2 x i 2 θ ^ k x i k denotes the differences between the empirical and predicted values 1 i n and ε = ε 1 , ε 2 , , ε n denotes the vector of residuals, while the quantity σ 2 = ε T ε n k 1 denotes the variance of residuals. To assess the influence of individual features on explaining the variability of the dependent variable, we estimate the covariance matrix of structural parameters S 2 = σ 2 X T X 1 and the standard deviation of the structural parameter θ i is defined as S θ i = S i + 1 , i + 1 2 for i { 0,1 , . . . , k } .
To assess the influence of individual features, at the significance level of α = 0.05 for each structural parameter, we create a null hypothesis.
H 0 : θ i = 0 (the influence of the i th factor on the dependent variable is insignificant) against the alternative hypothesis
H 1 : θ i 0 ( i th factor significantly influences the dependent variable).
Statistics defining the ratio of the structural parameter θ i to the standard deviation of this parameter S θ i
t i = θ i S θ i ,
has t-distribution with n k 1 degrees of freedom, j = 0 , 1 , . . . , k . For each parameter we determine the test probability.
p i = 2 P T > | t i | ,
where T is a random variable with a t-distribution with n k 1 degrees of freedom (in the case when model (1) does not have the intercept θ 0 , then then the degrees of freedom is n k ). If p i α then, at the significance level α , there is no ground to reject the hypothesis H 0 ; therefore, the structural parameter is not significantly different from zero and the predictor has a non-significant impact on explaining the variability of the dependent variable. If p i < α then, at the significance level α , the null hypothesis H 0 is rejected in favor of H 1 ; therefore, the structural parameter is significantly different from zero and the predictor has a significant impact on explaining the dependent variable. Using stepwise regression, we select predictors that significantly influence the dependent variable and select a model by comparing the Akaike information criterion (AIC) value.
A I C = 2 k + n l o g σ 2
A smaller AIC value corresponds to a better fit of the model to the empirical data.

2.1.2. K Nearest Neighbours Regression

The KNN algorithm finds the K nearest vectors of input variables in the learning set to the given input vector and averages the corresponding output values [13,14,43]. This algorithm can be used for both classification and regression tasks. The prediction based on the KNN algorithm is as follows:
f K N N x = 1 k i D x y i ,
where D x = j : x j x 2 d k denotes the set of indices of the learning set where distances between vectors of input variables and vector x are shortest. According to the algorithm, first we estimate the distances d j = x j x 2 and 1 j n ( 2 denotes Euclidean norm) between vector x and the input variables and sort the obtained sequence
d 1 d 2 d n
as a permutation of sequence d i 1 i n . Next, we select the first k indices corresponding to the shortest distance, define the set D x and apply Formula (4).

2.1.3. Neural Networks

NNs are usually applied to classification or regression tasks [43,44,45,46]. The neural network algorithm consists of inputs, weights (parameters), aggregation functions, activation functions and outputs. When we apply the multilayer networks, the inputs of the first layer are then the predictors from the training set, but the inputs of the next layers are defined as outputs of the activation function of the current layer. For the j th layer the aggregation function is a linear combination of the inputs from the previous layer Z j 1 x and weights w j including the bias α j , thus the aggregation function is defined as w j Z j 1 x + α j for j = 1 , 2 , . . . , K . The result of the aggregation function is an argument of the activation function g j , as follows:
Z j x = g j w j Z j 1 x + α j ,
The result obtained from neural the network is an outcome of the activation function form the last layer ( K th layer). Thus, from (8) the last layer is defined as follows:
Z K x = g K w K g K w K 1 Z K 2 x + α K 1 + α K = = g K w k g K 1 w K 1 g K 2 g 2 w 2 g 1 w 1 x + α 1 + α 2 + α K 1 + α K
Neural network identification for regression problems consists of solving the following problem:
m i n   R { w j } 1 j K , { α j } 1 j K .
where the objective function denotes the mean squared error between the output variable and the last layer Z k of the neural network and is defined as follows:
R { w j } 1 j K , { α j } 1 j K = 1 n i = 1 n y i Z K x i 2 .
The backward propagation algorithm is usually applied to solve task (10).

2.1.4. Assessment of Model Fit and Prediction

To compare the fit of the above-mentioned models, the coefficient of determination was determined R 2
R 2 = 1 i = 1 n y i y ^ i 2 i = 1 n y i y 2 .
where y i denotes the observed value of the dependent variable; y ^ i denotes the predicted value based on the model, i = 1,2 , , n ; and y denotes the mean value of the dependent variable. Additionally, the standard deviations for the actual values of the dependent variable were estimated, as follows:
σ y = 1 n i = 1 n y i y 2 .
and the standard deviation of predicted values of the dependent variable, as follows:
σ y p r e d = 1 n i = 1 n y ^ i y p r e d 2 .
where y p r e d denotes the average for the predicted values of the dependent variable. Additionally, the correlation coefficient between the actual and predicted values of this variable was determined, as follows:
r = i = 1 n y i y y ^ i y p r e d i = 1 n y i y 2 i = 1 n y ^ i y p r e d 2 .
For a visual comparison of the model fit, a Taylor diagram is presented, in a polar system, showing the correlation coefficient between the actual and predicted values of the dependent variable and the standard deviation of the predicted values of the dependent variable. According to the Taylor diagram, the model fits the data better if r is closer to 1 and the difference between σ y and σ y p r e d is smaller.
The following indicators were used to analyse forecast discrepancies:
Mean Squared Error
M S E = 1 n i = 1 n y i y ^ i 2 .
Root Mean Squared Error
R M S E = 1 n i = 1 n y i y ^ i 2 .
Mean Absolute Error
M A E = 1 n i = 1 n | y i y ^ i | .

3. Results

Based on the available data from the SORT and the mathematical tools described above, energy consumption was studied depending on the vehicle speed. On this basis, the energy consumption of the vehicle was determined.
During the passage of the electric bus, the collected and recovered energy was recorded, where the readings were presented in the form of time series E t j + 0 j n and E t j 0 j n , respectively. The impact of the bus passage on the collected and recovered energy, or, more precisely, the speed and acceleration of the vehicle, was analysed.
The vehicle’s journey is described by staying in the states A —acceleration, B —braking, D —driving, and S —stop. The sequence of states creates cycles. To identify the states, we analyse the bus speed (km/h). The speed reading is presented as a time series v t j 0 j n , where v 0 = 0 . To classify the states, we determine v m i n (the minimum vehicle speed below which we assume that the car is in the stopped state) and α m i n (the absolute value of acceleration below the level α m i n , which indicates constant driving or stopping). Based on the sequence of readings of vehicle speed v t j 0 j n and vehicle acceleration a t j 0 j n , where a 0 = 0 and a t j = v t j v t j 1 t j t j 1 for j 1 , we define the states as follows:
x t = S , v t j < v m i n or v t j = 0 , A , v t j v m i n and a t j > α m i n , B , v t j v m i n and a t j < α m i n , D , other . .
Below, the measurements for each second were analysed, so t j = j for 0 j n , i.e., v t j = v j , a t j = v j . The speed and states of the vehicle are shown in Figure 3, while Figure 4 shows the energy consumption and recuperation during the test.
In an SORT, an electric bus’s speed is shown in Figure 3, with the “Stop” phase represented by orange, “Acceleration” by red, “Driving” by blue, and “Braking” by green. To mimic real-life urban and suburban operations, the bus accelerates, maintains consistent speeds, brakes, and stops in a cyclical rhythm. Different driving scenarios that are typical of SORT 1, SORT 2, and SORT 3 conditions are reflected in the acceleration phases, with the first reaching around 20 km/h and the subsequent phases peaking at about 40 km/h and 50 km/h, respectively. As the vehicle develops momentum, its energy consumption rises, as seen in the “Acceleration” stages, which include constant speed increases. During the “Braking” stages, the vehicle smoothly decelerates, allowing the engine to recover lost energy. “Stop” phases are essential for evaluating idle energy use as they depict times of inactivity, whereas “Driving” segments show regular speeds where energy consumption stabilises. When looking at energy efficiency, these transitions are crucial, as seen in the graph. Even if braking regenerates part of the energy lost during acceleration, the former still requires a substantial amount. This test is ideal for gauging battery life, power consumption, and recovery effectiveness as it mimics normal bus operations with its repeated stop-and-go pattern. By gaining a better grasp of these interdependencies, electric bus route optimisation, energy management, and overall operational efficiency can be achieved.
In Figure 4, we can see how the electric bus’s total energy consumption and total energy recuperation relate to each other throughout the SORT cycle. During acceleration stages, the energy usage rises steadily, as seen in the “Total Consumption” graph. Specifically, the accelerations at higher speeds are associated with a dramatic increase in energy consumption between the “1:40” and “2:25” marks. At stops, the graph flattens, suggesting that very little power is being used when the bus is not moving. The graph labelled “Total Recuperation” shows how much energy is recovered when braking. Recovery rates drop significantly between 1:25 and 2:40, coinciding with times of slowdown. These instances of braking show how efficient regenerative braking devices are at restoring lost energy. On the other hand, the recuperation is always less than the energy used, showing that regeneration partially makes up for the energy lost during acceleration, even though it helps. The overarching pattern is that “braking phases aid in energy recovery” and “acceleration phases drive energy consumption”. The total energy consumption during the test was 1466.07 Wh, while only 542.941 Wh was recovered. Energy recuperation represents only 37.03%. Improving energy efficiency necessitates balancing these processes, which means that adjusting acceleration and braking patterns is key. Less energy is consumed during periods of “steady driving and stops”, which highlights the possibility of improving operational efficiency through route planning and driving methods.
During an SORT cycle, an electric bus’s “instantaneous energy consumption and regeneration” are shown in Figure 5. Over the course of the three minutes, the graph shows fluctuations between “positive energy consumption” and “negative energy recovery”. “As the vehicle gains speed” the energy usage increases dramatically, suggesting a higher need for power. Around “00:00:15”, “00:01:45”, and “00:02:30”, the vehicle’s speed profile shows the most noticeable peaks, which correspond to fast accelerations. Regenerative braking periods, on the other hand, are characterised by negative energy levels, which indicate that the energy has been recovered. These dips coincide with the times that the car slows down, which are about “00:00:50”, “00:02:10”, and “00:02:50”. Although regenerative braking aids in energy recovery, it does not completely compensate for the energy required during acceleration, as the magnitude of recuperation is lower than the energy consumed. There are periods of “steady energy consumption” or near-zero numbers between these peaks and troughs, which indicate that the driver is maintaining a constant speed or has stopped. Compared with acceleration periods, these steady intervals highlight decreased power demand. “As acceleration increases” energy consumption decreases, and “braking recovers energy;” this crucial relationship is illustrated by the graph. Improving the effectiveness of these acceleration and braking transitions can lower operating costs and increase overall energy efficiency for electric buses.
The instantaneous consumption and recuperation energy (ICRE) during the bus ride were estimated as follows:
I E t = E t + + E t .
for 1 t n and I E 0 = 0 , where is a differential operator.
Energy recovery was analysed for the Braking state, while consumption was analysed for the remaining states. The instantaneous energy consumption and recovery, depending on the states, are presented in the following form:
I E t = α 0 S , x t = S , α 1 A v t + α 2 A a t + α 3 A v t a t , x t = A , α 1 B v t + α 2 B a t + α 3 B v t a t , x t = B , α 1 D v t + α 2 D a t + α 3 D v t a t , x t = D . + ε .
where the value v t · a t means energy intensity, which in turn means that the change in speed is determined by acceleration. Energy intensity defines the dynamic characteristic; it combines speed and acceleration, allowing us to analyse the energy consumption during specific manoeuvres. Model (21) presents the linear dependence of ICRE on speed, acceleration, energy intensity and states. Therefore, a comparison was made with KNN regression, as the prediction is the average of the corresponding output values for K nearest vectors of input variables. On the other hand, for states A, B, D, we consider energy intensity (product of speed and acceleration), which are therefore compared with a multilayer neural network. As we will see below, the prediction time is very small and these models can be implemented in vehicles.

3.1. Linear Regression Model

Using linear regression, stepwise regression was also used to identify the dependence of instantaneous consumption and recuperation energy on speed, acceleration and energy intensity (model selection AIC value is the smallest by adding and subtracting predictors). After parametric identification, the following model was obtained:
I E t = α 0 S I S x t + α 1 A v t + α 2 A a t + α 3 A v t a t I A x t + α 1 B v t + α 3 B v t a t I B x t + α 1 D v t + α 3 D v t a t I D x t + ε .
where
I L x t = 1 , x t = L , 0 , x t L
for L { S , A , B , D } . The values of structural parameters for model (23) are presented in Table 3.
Table 3 shows that, at the significance level of 0.05, there is no basis for rejecting the working hypothesis for the parameters α 0 S and α 1 A . Therefore, the energy consumption at a standstill is not significantly different from zero, and the effect of vehicle speed during acceleration has a negligible impact on explaining energy consumption. We reject the working hypothesis for the remaining parameters in favour of the alternative hypothesis. Therefore, acceleration and energy consumption in the acceleration state, as well as speed and energy consumption in the braking and driving states, significantly affect energy consumption and recuperation. The value of the coefficient of determination R 2 for the linear model is 0.9069.
Several important trends and dependencies are shown by the linear regression model’s residual analysis. Though the residuals cluster around zero, the histogram clearly demonstrates that there are outliers and fat tails that make the distribution non-normal. The residuals do not appear to be independent and instead display serial correlation, as the autocorrelation function reveals at lag 1. With residuals departing from the anticipated distribution, especially at the ends, the normal QQ plot verifies non-normality. This is further reinforced by the cumulative distribution function, which reveals that the empirical and theoretical normal distributions do not match. According to these results, the linear model misses certain important details about the relationship between energy use and recovery, especially when it comes to temporal dependencies. In order to improve the accuracy of the model, it is necessary to incorporate new predictors or variables with a temporal lag. Using non-linear models or more advanced methods like KNN or neural networks could improve performance, as the residuals are non-normal and auto correlate.
For the linear model (19), the residuals were analysed, as shown in the below graph.
In Figure 6, we see the occurrence of extreme values in the series of residuals { ε t } 1 t n and a significant correlation with τ = 1 . The Q-Q plot shows the existence of “fat tails”. We also see significant differences between the theoretical distribution function with a normal distribution and the empirical distribution function. The tests examined the normality of the distribution of residuals using Shapiro–Wilk, Anderson–Darling, Cramer–von Mises, Lilliefors (Kolmogorov–Smirnov), the Jarque–Bera test and D’Agostino omnibus tests and the independence of residuals using the Ljung–Box test for lags 1 τ 10 . The Table 4 gives the values of the statistics and the value of the test probability.
From the obtained results, we can see that, at the significance level of 0.05 and based on Shapiro–Wilk, Anderson–Darling, Cramer–von Mises, Lilliefors (Kolmogorov–Smirnov), the Jarque–Bera test, and D’Agostino omnibus tests, the working hypothesis, which assumes normality of residuals, should be rejected in favour of the alternative hypothesis. Additionally, based on the Ljung–Box test, the hypothesis regarding the independence of residuals should be rejected (see also Figure 6, ‘Autocorrelation function’, which may mean that at certain points during the test additional power consumers may have been activated (e.g., a compressor to pressurise the system) that were not taken into account, or that the reading of the predictors may have occurred with a certain delay). The linear model explains the variability of instantaneous energy consumption and recuperation in over 90%; however, as the analysis of residuals shows, additional factors influencing energy consumption and recuperation should be investigated, or predictors used in the model with lags due to readings delay should be taken into account.

3.2. KNN

For model (7), the prediction was estimated as the average value of the dependent variable for five neighbours for which the deviations between the vector of predictor values and the predictor results from the training set were the smallest in the norm 2 .
The value of the coefficient of determination R 2 for KNN equals 0.9251, slightly higher than for the linear model. For the KNN model (7), the residuals were analysed (see Figure 7).
In Figure 7, we see the occurrence of extreme values in the series of residuals { ε t } 1 t n and a significant correlation with lag τ = 1 . The Q-Q plot shows the existence of “fat tails”. We also see significant differences between the theoretical distribution function with a normal distribution and the empirical distribution function. The tests examined the normality of the distribution of residuals using Shapiro–Wilk, Anderson–Darling, Cramer–von Mises, Lilliefors (Kolmogorov–Smirnov), the Jarque–Bera test, the D’Agostino omnibus tests and the independence of residuals using the Ljung–Box Test for shifts 1 τ 10 . The Table 5 gives the values of the statistics and the value of the test probability.
Key trends and dependencies are shown by the residual analysis of the KNN model. While the histogram reveals that the residuals cluster around zero, suggesting a fairly unbiased forecast, it is clear that there are outliers and fat tails that cause the distribution to deviate from normal. The autocorrelation function shows a strong connection at lag 1, indicating that the residuals are not completely independent and show serial correlation. The absence of normalcy is supported by the normal Q-Q plot, especially at the extremities when the residuals deviate from the theoretical quantiles. The model seems to have a problem with residuals that are too high or too low. Consistent with previous findings in which the residuals do not strictly adhere to a normal distribution, the cumulative distribution function shows that the theoretical and empirical normal distributions differ. In general, the non-linear characteristics of the data are better captured by the KNN model than by the linear model; however, problems with residual independence and normalcy persist. These findings point to the necessity of investigating more sophisticated non-linear models, such as neural networks, or adding extra predictors to account for time lags in order to achieve better prediction accuracy.
From the obtained results, we can see that, at the significance level of 0.05 based on Shapiro–Wilk, Anderson–Darling, Cramer–von Mises, Lilliefors (Kolmogorov–Smirnov), the Jarque–Bera test, and D’Agostino omnibus tests, the working hypothesis, which assumes normality of residuals, should be rejected in favour of the alternative hypothesis. Additionally, based on the Ljung–Box test, the hypothesis regarding the independence of residuals should be rejected (see also Figure 7, ‘Autocorrelation function’, which may mean that, at certain points during the test, additional power consumers may have been activated that were not taken into account or the reading of the predictors may have occurred with a certain delay). The variability of instantaneous energy consumption and recuperation is explained by KNN in over 90%; however, as the analysis of residuals shows, additional factors influencing energy consumption and recuperation should be investigated, or predictors used in the model with lags due to readings delay should be taken into account.

3.3. Neural Network

For the model describing ICRE, a four-layer neural network (9) was used. For this network, an identity function (linear activation) was chosen as the activation function (8). Faster contributions of the objective function (11) were obtained for this activation function (see Table 6).
The total number of parameters of the neural network is 84. The number of training epochs is 300. A validation split was used during training on a set containing a 15% batch. MSE was selected as the function of the quality (loss) of training the neural network for the regression model and the validation method.
The Figure 8 shows that in the first 70 epochs of training, the most significant decrease in the objective function value occurred. The coefficient of determination R 2 value for NN equals 0.9206, which is higher than for the linear model but slightly lower than for KNN. For the NN (6) model, the residuals were analysed.
The blue curve represents training loss, which is consistently less than the green curve representing validation loss. As is typical with neural network models, this small discrepancy suggests some overfitting. Both curves are rather close to each other, though, so it would seem that the model does a decent job of fitting the training data while also being able to generalise to new data. After the model reaches convergence, the MSE settles around a value of about 20, which represents the residual error. There appears to be diminishing returns in terms of optimising the model after 100 epochs, as the curves become increasingly flat. This indicates that adding more training epochs does not result in noticeable gains. Convergence happens early in the training phase, which is indicative of the model’s effective learning process. The trends that have been observed support this conclusion. The lack of significant overfitting or underfitting is supported by the model’s consistent performance across the training and validation datasets. This provides strong evidence that the model’s hyperparameters and architecture are optimal for the provided data and task.
Important insights into the performance of the neural network can be found in the residual analysis, which is shown in Figure 9. The model seems to have captured the majority of the data variability, as indicated by the histogram and density function of the residuals (top-left figure), which demonstrate that the residuals are nearly symmetrically distributed around zero. There are a number of lags in the ACF plot (top-right) that display correlations. It appears that the residuals might show some link over time and are not totally independent. The normal Q-Q plot (bottom-left) reveals deviations from the theoretical quantiles, particularly in the tails. The residuals show a clear departure from the red reference line, indicating that the residuals do not follow a perfectly normal distribution. The presence of these deviations suggests that the model struggles to predict extreme values accurately, which can impact overall model performance, particularly in high-variance regions of the data. In the bottom-right corner of the CDF plot, we can see a comparison between the normal distribution (blue) and the empirical distribution of residuals (green). A discrepancy between the theoretical and empirical curves is evident in the tails, providing more evidence that the residuals do not follow a perfectly normal distribution. The residuals of the neural network model are more variable than what one would expect from a normal distribution, based on the discrepancy between the two distributions. In summary, while the neural network performs reasonably well, the residual analysis reveals some key deficiencies: residuals show slight departures from normality, temporal autocorrelation is present, and extreme values are not well captured. Based on these results, it seems like the model might use some tweaks to make it more resilient to outliers and temporal dependencies.
In Figure 9, we see the occurrence of extreme values in the series of residuals { ε t } 1 t n and a significant correlation with lag τ = 1.2 . From the Q-Q plot we see the existence of “fat tails”. We also see important differences between the theoretical distribution function with a normal distribution and the empirical distribution function. The tests examined the normality of the distribution of residuals using Shapiro–Wilk, Anderson–Darling, Cramer–von Mises, Lilliefors (Kolmogorov–Smirnov), the Jarque–Bera test, and D’Agostino omnibus tests and the independence of residuals using the Ljung–Box test for shifts 1 τ 10 . Table 7 gives the values of statistics and the value of the test probability.
From the obtained results, we can see that, at the significance level of 0.05 based on Shapiro–Wilk, Anderson–Darling, Cramer–von Mises, Lilliefors (Kolmogorov–Smirnov), the Jarque–Bera test, and D’Agostino omnibus tests, the working hypothesis, which assumes normality of residuals, should be rejected in favour of the alternative hypothesis. Additionally, based on the Ljung–Box test, the hypothesis concerning the independence of residuals in the linear model should be rejected (see also Figure 9, ‘Autocorrelation function’, which may mean that, at certain points during the test, additional power consumers may have been activated that were not taken into account or the reading of the predictors may have occurred with a certain delay). NN explains the variability of instantaneous energy consumption and recuperation in over 90%; however, as the analysis of residuals shows, additional factors influencing energy consumption and recuperation or predictors used in the model with lags due to readings delay should be considered.

4. Discussion

The learning time for the linear model was 0.0027 s, for the KNN it was 0.0024 s, and for the neural network it was 53.64 s. On the validation set, predictions were made for each of the models. Additionally, the expected time to estimate prediction per record for NN is decidedly higher, 0.00065 s, while the expected prediction time for the linear model is 0.00006 s and for KNN is 0.00009 s. Below (in Table 8 and Figure 10), the analysis of model predictions based on the validation set will be presented. For each of the models, validation was performed on the test set. The graphical fit of the models is presented in the Taylor diagram. The polar diagram shows the correlation coefficient between the actual and predicted values of the dependent variable and the standard deviation of the predicted values of the dependent variable for each model. The position of the linear model on the Taylor diagram is marked with a red square, for KNN a green triangle, and for NN a blue circle. The standard deviation for ICRE on the test set is 15.2416, and a black circle is marked on the standard deviation axis (which corresponds to the position of the perfect model).
As shown in Table 8 and Figure 10, the validation results for the above models are very similar.
By examining the standard deviation, correlation coefficient, and RMSE, the Taylor diagram offers a visual overview of the model’s performance. The standard deviation of the models shown on the graph is close to “15”, suggesting that the observed data variability is well matched by the variability in the model predictions. There is a significant linear link between the model predictions and the observed data, as indicated by the correlation coefficient, which reaches roughly “0.95”. The fact that the models are able to accurately reflect the patterns in the actual data is supported by this result. The concentric grey dashed lines show the RMSE, which is roughly “5”. This indicates that the models are very accurate and that the prediction errors are reasonably low. There is a high degree of similarity in the performance of the shown model points because they are close together and have different symbols. Nonetheless, depending on some parameters, one model can be marginally more accurate than the other due to minor discrepancies in the point locations. All models show a good fit to the data, according to the Taylor diagram, with high correlation, low RMSE, and comparable variability levels. This proves that the models can produce accurate predictions; picking one over the other can be the result of small variations in performance.
On the test set, the following forecast accuracy measures were estimated: RMSE, MSE, MAE. The results are presented in the Table 9.

5. Conclusions

The analysis of the instantaneous energy consumption and recuperation of an electric bus in the SORT provided important information on the energy efficiency of this type of vehicle in various operating conditions. The SORT, thanks to the inclusion of three operational scenarios (SORT 1, SORT 2, SORT 3), proved to be an effective tool for standardised assessment of the efficiency of electric buses. The obtained results eliminate the influence of many environmental variables, enabling precise energy efficiency analysis.
A bus’s energy consumption depends largely on factors such as vehicle weight, passenger load, route profile (considered topography and frequency of stops) and weather conditions, including temperature and humidity, which affect battery efficiency. An important role is played by the recuperation system, which allows for the recovery of energy during braking, significantly improving the overall energy efficiency of the vehicle. At the same time, differences in the efficiency of recuperation were observed depending on the driving scenario, which indicates the need for further optimization of the energy management strategy.
The comparison of modelling methods (linear regression, KNN, neural network) showed a high level of fit (R2 > 90%) in all applied approaches. At the same time, KNN and neural network methods better accounted for nonlinear dependencies in the data. However, the analysis of residuals indicates the need to include additional variables and time delays to improve the precision of the predictions.
Although the SORT provides representative results for standardised conditions, real operating conditions of buses may differ due to local variability in traffic, road surface conditions or climate. For this reason, it is important to combine test results with real data to obtain a more complete picture of vehicle performance in everyday operating conditions.
The obtained results emphasize the potential for energy optimization of electric buses, primarily through route optimization, implementation of real-time adaptive energy management systems and further improvement of recuperation technologies. It is also advisable to continue research on integrating SORT results with real operational data and developing advanced predictive models that consider more complex dependencies and environmental factors.
In summary, the studies indicate a significant contribution of electric buses to sustainable public transport. Their potential for reducing energy consumption and greenhouse gas emissions is significant. Still, full realization of this potential requires further research into their use’s actual operational efficiency and optimization.

Author Contributions

Conceptualization, E.K., M.Z.-L., A.D., P.W., P.L., M.S., B.Š., N.L., M.G. and J.M.; methodology, E.K., M.Z.-L., A.D., P.W., P.L., M.S., M.G. and J.M.; software, E.K., M.Z.-L., P.W., P.L. and M.G.; validation, E.K., M.Z.-L., P.W., M.G. and J.M.; formal analysis, E.K., M.Z.-L., A.D., P.W., P.L., M.S., B.Š., N.L., M.G. and J.M.; investigation, E.K., M.Z.-L., A.D., P.W., P.L., M.S., B.Š., N.L., M.G. and J.M.; resources, E.K., M.Z.-L., P.W., P.L., M.S., M.G. and J.M.; data curation, E.K., M.Z.-L., A.D., P.W., M.G. and J.M.; writing—original draft preparation, E.K., M.Z.-L., A.D., P.W., P.L., M.S., B.Š., N.L., M.G. and J.M.; writing—review and editing, E.K., M.Z.-L., A.D., P.W., P.L., M.S., B.Š., N.L., M.G. and J.M.; visualization, E.K., M.Z.-L. and J.M.; supervision, E.K., M.Z.-L., A.D. and J.M.; project administration, E.K., M.Z.-L., A.D. and J.M.; funding acquisition, M.Z.-L., A.D., P.W. and M.G. All authors have read and agreed to the published version of the manuscript.

Funding

This research received no external funding.

Institutional Review Board Statement

Not applicable.

Informed Consent Statement

Not applicable.

Data Availability Statement

Data are available after request.

Acknowledgments

This article is the result of Piotr Wiśniowski’s scientific internship, which took place at the Vilnius Tech Mechanical Science Institute on 4–29 November 2024.

Conflicts of Interest

The authors declare no conflicts of interest.

References

  1. Dudziak, A.; Caban, J. The Urban Transport Strategy on the Example of the City Bike System in the City of Lublin in Relation to the COVID-19 Pandemic. LOGI—Sci. J. Transp. Logist. 2022, 13, 1–12. [Google Scholar] [CrossRef]
  2. Małek, A.; Caban, J.; Dudziak, A.; Marciniak, A.; Ignaciuk, P. A Method of Assessing the Selection of Carport Power for an Electric Vehicle Using the Metalog Probability Distribution Family. Energies 2023, 16, 5077. [Google Scholar] [CrossRef]
  3. Orynycz, O. Influence of Tillage Technology on the Energy Efficiency of a Rapeseed Plantation. Procedia Eng. 2017, 182, 532–539. [Google Scholar] [CrossRef]
  4. Orynycz, O.; Świć, A. The Effects of Material’s Transport on Various Steps of Production System on Energetic Efficiency of Biodiesel Production. Sustainability 2018, 10, 2736. [Google Scholar] [CrossRef]
  5. Khan, D.; Burdzik, R. Measurement and Analysis of Transport Noise and Vibration: A Review of Techniques, Case Studies, and Future Directions. Measurement 2023, 220, 113354. [Google Scholar] [CrossRef]
  6. Khan, D.; Burdzik, R. A Review on Different Regulation for the Measurement of Transport Noise and Vibration. J. Meas. Eng. 2023, 11, 196–213. [Google Scholar] [CrossRef]
  7. Małek, A.; Caban, J.; Dudziak, A.; Marciniak, A.; Vrábel, J. The Concept of Determining Route Signatures in Urban and Extra-Urban Driving Conditions Using Artificial Intelligence Methods. Machines 2023, 11, 575. [Google Scholar] [CrossRef]
  8. Cao, H.; Zoldy, M. MPC Tracking Controller Parameters Impacts in Roundabouts. Mathematics 2021, 9, 1394. [Google Scholar] [CrossRef]
  9. Maghrour Zefreh, M.; Torok, A. Single Loop Detector Data Validation and Imputation of Missing Data. Measurement 2018, 116, 193–198. [Google Scholar] [CrossRef]
  10. Krawiec, P.; Warguła, Ł.; Małozięć, D.; Kaczmarzyk, P.; Dziechciarz, A.; Czarnecka-Komorowska, D. The Toxicological Testing and Thermal Decomposition of Drive and Transport Belts Made of Thermoplastic Multilayer Polymer Materials. Polymers 2020, 12, 2232. [Google Scholar] [CrossRef] [PubMed]
  11. Coiret, A.; Deljanin, E.; Vandanjon, P.-O. Vehicle Energy Savings by Optimizing Road Speed-Sectioning. Eur. Transp. Res. Rev. 2020, 12, 41. [Google Scholar] [CrossRef]
  12. Gis, W.; Kruczyński, S.; Taubert, S.; Wierzejski, A. Studies of Energy Use by Electric Buses in SORT Tests. Combust. Engines 2017, 170, 135–138. [Google Scholar] [CrossRef]
  13. Kozłowski, E.; Wiśniowski, P.; Gis, M.; Zimakowska-Laskowska, M.; Borucka, A. Vehicle Acceleration and Speed as Factors Determining Energy Consumption in Electric Vehicles. Energies 2024, 17, 4051. [Google Scholar] [CrossRef]
  14. Pawlik, P.; Kania, K.; Przysucha, B. Fault Diagnosis of Machines Operating in Variable Conditions Using Artificial Neural Network Not Requiring Training Data from a Faulty Machine. Eksploat. I Niezawodn. Maint. Reliab. 2023, 25, 168109. [Google Scholar] [CrossRef]
  15. Glebe, D.; Parra, J.; Persson Waye, K. Replacing Diesel Buses with Electric Buses Reduced Residential Low Frequency Noise. Transp. Res. Part D Transp. Environ. 2024, 137, 104516. [Google Scholar] [CrossRef]
  16. Pandey, Y.; Agrawal, P.K.; Gupta, N.; Niazi, K.R.; Swarnkar, A. A Planning Framework for Intra-City Electric Bus Road Transportation Systems. e-Prime—Adv. Electr. Eng. Electron. Energy 2024, 10, 100816. [Google Scholar] [CrossRef]
  17. Szilassy, P.Á.; Földes, D. Compliance Indicator Determination Method to Match Electric Buses with Bus Lines. Heliyon 2024, 10, e38321. [Google Scholar] [CrossRef]
  18. Górski, K. Układy Do Pozyskiwania Energii Elektrycznej Małej Mocy. Electrotech. Rev. 2022, 1, 93–96. [Google Scholar] [CrossRef]
  19. Luke, J.; Ribeiro, M.G.D.C.; Martin, S.; Balogun, E.; Cezar, G.V.; Pavone, M.; Rajagopal, R. Optimal Coordination of Electric Buses and Battery Storage for Achieving a 24/7 Carbon-Free Electrified Fleet. Appl. Energy 2025, 377, 124506. [Google Scholar] [CrossRef]
  20. Gong, J.; He, J.; Cheng, C.; King, M.; Yan, X.; He, Z.; Zhang, H. Road Test-Based Electric Bus Selection: A Case Study of the Nanjing Bus Company. Energies 2020, 13, 1253. [Google Scholar] [CrossRef]
  21. Jankord, G.; Gravante, E.; D’Arpino, M. Battery Electric Transit Bus Safety and Performance Testing: A Review of Current Practices and Correlation to Battery Failure Modes; SAE International: Warrendale, PA, USA, 2024. [Google Scholar]
  22. He, Z. Battery Electric Bus Selection Based on Entropy Weight Method and Road Operation Test: Using Nanjing Bus Company as an Example. Math. Probl. Eng. 2022, 2022, 1696578. [Google Scholar] [CrossRef]
  23. Doulgeris, S.; Zafeiriadis, A.; Athanasopoulos, N.; Tzivelou, Ν.; Michali, M.E.; Papagianni, S.; Samaras, Z. Evaluation of Energy Consumption and Electric Range of Battery Electric Busses for Application to Public Transportation. Transp. Eng. 2024, 15, 100223. [Google Scholar] [CrossRef]
  24. Ji, J.; Bie, Y.; Zeng, Z.; Wang, L. Trip Energy Consumption Estimation for Electric Buses. Commun. Transp. Res. 2022, 2, 100069. [Google Scholar] [CrossRef]
  25. Woźniak, K.; Andrzejewski, M.; Daszkiewicz, P.; Rymaniak, Ł. Badania zużycia energii przez pojazdy w warunkach rzeczywistych. Masz. Elektr. Zesz. Probl. 2020, 22, 74–79. [Google Scholar]
  26. Merkisz, J.; Fuć, P.; Lijewski, P.; Pielecha, J. Actual Emissions from Urban Buses Powered with Diesel and Gas Engines. Transp. Res. Procedia 2016, 14, 3070–3078. [Google Scholar] [CrossRef]
  27. Sun, S.; Batista, S.F.A.; Menéndez, M.; Wang, Y.; Zhang, S. Powering up Urban Mobility: A Comparative Study of Energy Efficiency in Electric and Diesel Buses across Various Lane Configurations. Sustain. Cities Soc. 2024, 101, 105086. [Google Scholar] [CrossRef]
  28. Rosero, F.; Fonseca, N.; Mera, Z.; López, J.-M. Assessing On-Road Emissions from Urban Buses in Different Traffic Congestion Scenarios by Integrating Real-World Driving, Traffic, and Emissions Data. Sci. Total Environ. 2023, 863, 161002. [Google Scholar] [CrossRef] [PubMed]
  29. Novak, M.; Novak, J.; Morkus, J.; Sivkov, O. Energy Consumption Calculation of an Electric Bus with a Variable or Fixed Gearbox. In Proceedings of the IECON 2019—45th Annual Conference of the IEEE Industrial Electronics Society, Lisbon, Portugal, 14–17 October 2019; pp. 2670–2675. [Google Scholar]
  30. Wang, S.; Lu, C.; Liu, C.; Zhou, Y.; Bi, J.; Zhao, X. Understanding the Energy Consumption of Battery Electric Buses in Urban Public Transport Systems. Sustainability 2020, 12, 10007. [Google Scholar] [CrossRef]
  31. Milushev, G. Electric Vehicle Consumption Test with Road Trace Correction via the Power/Energy Profile. In Proceedings of the 2023 XXXIII International Scientific Symposium Metrology and Metrology Assurance (MMA), Sozopol, Bulgaria, 7 September 2023; pp. 1–5. [Google Scholar]
  32. Wang, P.; Liu, Q.; Xu, N.; Ou, Y.; Wang, Y.; Meng, Z.; Liu, N.; Fu, J.; Li, J. Energy Consumption Estimation Method of Battery Electric Buses Based on Real-World Driving Data. World Electr. Veh. J. 2024, 15, 314. [Google Scholar] [CrossRef]
  33. Szürke, S.K.; Saly, G.; Lakatos, I. Analyzing Energy Efficiency and Battery Supervision in Electric Bus Integration for Improved Urban Transport Sustainability. Sustainability 2024, 16, 8182. [Google Scholar] [CrossRef]
  34. Wozniak, A.; Jankowski, M. Variable Speed Compensation Method of Errors of Probes for CNC Machine Tools. Precis. Eng. 2017, 49, 316–321. [Google Scholar] [CrossRef]
  35. Kilikevičius, A.; Kilikevičienė, K.; Fursenko, A.; Matijošius, J. The Analysis of Vibration Signals of Critical Points of the Bus Body Frame. Period. Polytech. Transp. Eng. 2020, 48, 296–304. [Google Scholar] [CrossRef]
  36. Kilikevičius, A.; Kilikevičienė, K.; Matijošius, J. Investigation of Drivers’ Comfort Factors Influencing Urban Traffic Safety. In Vision Zero for Sustainable Road Safety in Baltic Sea Region; Varhelyi, A., Žuraulis, V., Prentkovskis, O., Eds.; Lecture Notes in Intelligent Transportation and Infrastructure; Springer International Publishing: Cham, Switzerland, 2020; pp. 159–165. ISBN 978-3-030-22374-8. [Google Scholar]
  37. Zacharof, N.; Fontaras, G.; Grigoratos, T.; Ciuffo, B.; Savvidis, D.; Delgado, O.; Rodriguez, J.F. Estimating the CO2 Emissions Reduction Potential of Various Technologies in European Trucks Using VECTO Simulator; SAE International: Warrendale, PA, USA, 2017. [Google Scholar]
  38. Bitsanis, E.; Broekaert, S.; Tansini, A.; Savvidis, D.; Fontaras, G. Experimental Evaluation of VECTO Hybrid Electric Truck Simulations; SAE International: Warrendale, PA, USA, 2023. [Google Scholar]
  39. Vehicle Energy Consumption Calculation TOol—VECTO—European Commission. Available online: https://climate.ec.europa.eu/eu-action/transport/road-transport-reducing-co2-emissions-vehicles/vehicle-energy-consumption-calculation-tool-vecto_en (accessed on 17 December 2024).
  40. Chiu, C.-C.; Huang, H.; Chen, C.-F. A Simulation-Based Optimization Approach for the Recharging Scheduling Problem of Electric Buses. Transp. Res. Part E Logist. Transp. Rev. 2024, 192, 103835. [Google Scholar] [CrossRef]
  41. Momcilovic, V.; Dimitrijevic, B.; Stokic, M. Supercapacitor Electric Bus Modeling and Simulation Framework. Energy 2023, 282, 129020. [Google Scholar] [CrossRef]
  42. Kepka, M.; Kepka, M.; Minich, R. A Case Study on Fatigue Life Assessment of an Electric Bus Bodywork. Int. J. Fatigue 2024, 179, 108040. [Google Scholar] [CrossRef]
  43. Hastie, T.; Tibshirani, R.; Friedman, J. The Elements of Statistical Learning; Springer Series in Statistics; Springer: New York, NY, USA, 2009; ISBN 978-0-387-84857-0. [Google Scholar]
  44. Rymarczyk, T.; Król, K.; Kozłowski, E.; Wołowiec, T.; Cholewa-Wiktor, M.; Bednarczuk, P. Application of Electrical Tomography Imaging Using Machine Learning Methods for the Monitoring of Flood Embankments Leaks. Energies 2021, 14, 8081. [Google Scholar] [CrossRef]
  45. Kłosowski, G.; Rymarczyk, T.; Niderla, K.; Kulisz, M.; Skowron, Ł.; Soleimani, M. Using an LSTM Network to Monitor Industrial Reactors Using Electrical Capacitance and Impedance Tomography—A Hybrid Approach. Eksploat. I Niezawodn. Maint. Reliab. 2023, 25, 1–11. [Google Scholar] [CrossRef]
  46. Majerek, D.; Rymarczyk, T.; Wójcik, D.; Kozłowski, E.; Rzemieniak, M.; Gudowski, J.; Gauda, K. Machine Learning and Deterministic Approach to the Reflective Ultrasound Tomography. Energies 2021, 14, 7549. [Google Scholar] [CrossRef]
Figure 1. Schematic diagram of the current circuit. The Current Clamp connection point is marked with a red circle. The markings shown in the diagram with Polish names are as follows: Biały represents ‘White’, Pomarańczowy represents ‘Orange’, Żółty represents ‘Yellow’, and Zielony represents ‘Green’.
Figure 1. Schematic diagram of the current circuit. The Current Clamp connection point is marked with a red circle. The markings shown in the diagram with Polish names are as follows: Biały represents ‘White’, Pomarańczowy represents ‘Orange’, Żółty represents ‘Yellow’, and Zielony represents ‘Green’.
Applsci 15 01681 g001
Figure 2. Overview schematic of the Voltage measurement point. The connection points of the clamps are marked with a red circle. The markings in Polish are as follows: Biały represents ‘White’, Pomarańczowy represents ‘Orange’, Brązowy represents ‘Brown’, and Zielony represents ‘Green’.
Figure 2. Overview schematic of the Voltage measurement point. The connection points of the clamps are marked with a red circle. The markings in Polish are as follows: Biały represents ‘White’, Pomarańczowy represents ‘Orange’, Brązowy represents ‘Brown’, and Zielony represents ‘Green’.
Applsci 15 01681 g002
Figure 3. Vehicle speed and states.
Figure 3. Vehicle speed and states.
Applsci 15 01681 g003
Figure 4. Total energy consumption and recovery.
Figure 4. Total energy consumption and recovery.
Applsci 15 01681 g004
Figure 5. Temporary energy consumption and regeneration.
Figure 5. Temporary energy consumption and regeneration.
Applsci 15 01681 g005
Figure 6. Residuals analysis for linear model.
Figure 6. Residuals analysis for linear model.
Applsci 15 01681 g006
Figure 7. Residuals analysis for KNN model.
Figure 7. Residuals analysis for KNN model.
Applsci 15 01681 g007
Figure 8. Values of objective function (loss) during training and validation of the neural network.
Figure 8. Values of objective function (loss) during training and validation of the neural network.
Applsci 15 01681 g008
Figure 9. Residuals analysis for neural network model.
Figure 9. Residuals analysis for neural network model.
Applsci 15 01681 g009
Figure 10. Comparison of model fit.
Figure 10. Comparison of model fit.
Applsci 15 01681 g010
Table 1. Basic parameters of the measuring track.
Table 1. Basic parameters of the measuring track.
ParameterValue
Surface condition[-]very good
Maximum longitudinal slope[%]0.35%
Height above sea level[m]98
Minimum radius of the measuring track[m]not applicable
Length of the measuring track[m]2100
Table 2. Atmospheric conditions prevailing during the measurement of electricity consumption.
Table 2. Atmospheric conditions prevailing during the measurement of electricity consumption.
Parameter Test StartEnd of Test
Wind speed along the route axis[m/s]0.400.54
Ambient temperature[C]5.24.7
Relative humidity[%]60.465.3
Atmospheric pressure[hPa]1005.11005.3
Table 3. Estimates of structural parameters, standard deviation of parameters, t-statistic values and p-values (statistical significance).
Table 3. Estimates of structural parameters, standard deviation of parameters, t-statistic values and p-values (statistical significance).
EstimateStd.dev t i p i
α 0 S 0.60752590.43051051.4111750.1590541
α 1 A 0.12756640.07718621.6527110.0992590
α 2 A 0.96288740.41703952.3088640.0215153
α 3 A 0.32780990.04995616.5619560.0000000
α 1 B −0.52195560.0694659−7.5138420.0000000
α 3 B 0.06018480.02581952.3309820.0203043
α 1 D 0.11743270.01414108.3044340.0000000
α 3 D 0.39626600.07319795.4136290.0000001
Table 4. Results of normality tests and the correlation test for residuals of the linear model.
Table 4. Results of normality tests and the correlation test for residuals of the linear model.
TestStatisticsp-Value
Shapiro–Wilk normality test0.8356606 < 2 × 10 16
Anderson–Darling test18.9269095 < 2 × 10 16
Cramer–von Mises test3.7789377 < 2 × 10 16
Lilliefors (Kolmogorov–Smirnov) test0.1837219 < 2 × 10 16
Jarque–Bera test854.8074808 < 2 × 10 16
D’Agostino Omnibus test152.8640000 < 2 × 10 16
Ljung–Box test119.5279267 < 2 × 10 16
Table 5. Results of normality tests and the correlation test for residuals of KNN model.
Table 5. Results of normality tests and the correlation test for residuals of KNN model.
TestStatisticsp-Value
Shapiro–Wilk normality test0.7797191< 2 × 10 16
Anderson–Darling test26.2077714< 2 × 10 16
Cramer–von Mises test5.3824693< 2 × 10 16
Lilliefors (Kolmogorov–Smirnov) test0.2067738< 2 × 10 16
Jarque–Bera test1727.1324714< 2 × 10 16
D’Agostino omnibus test155.7050000< 2 × 10 16
Ljung–Box test117.1891801< 2 × 10 16
Table 6. Neural network architecture.
Table 6. Neural network architecture.
Layer (Type)Output ShapeParametersActivation
Input Layer(1, 10)0
Dense 1(1, 5)55linear
Dense 2(1, 3)18linear
Dense 3(1, 2)8linear
Output Dense(1, 1)3linear
Table 7. Results of normality tests and the correlation test for residuals of neural network.
Table 7. Results of normality tests and the correlation test for residuals of neural network.
TestStatisticsp-Value
Shapiro–Wilk normality test0.8243954 < 2 × 10 16
Anderson–Darling test18.4066936 < 2 × 10 16
Cramer–von Mises test3.5697818 < 2 × 10 16
Lilliefors (Kolmogorov–Smirnov) test0.1842745 < 2 × 10 16
Jarque–Bera Test1117.3959565 < 2 × 10 16
D’Agostino Omnibus Test182.1690000 < 2 × 10 16
Ljung–Box Test124.5937365 < 2 × 10 16
Table 8. Values of correlation between empirical and predicted values of ICRE and standard deviation of predicted ICRE.
Table 8. Values of correlation between empirical and predicted values of ICRE and standard deviation of predicted ICRE.
Methodr σ y p r e d
Linear regression0.95813.987
KNN regression0.95613.790
Neural network0.95613.717
Table 9. Basic measure of prediction accuracy.
Table 9. Basic measure of prediction accuracy.
MethodRMSEMSEMAE
Linear regression4.68121.9073.153
KNN regression4.62321.3692.952
Neural network4.83223.3483.241
Disclaimer/Publisher’s Note: The statements, opinions and data contained in all publications are solely those of the individual author(s) and contributor(s) and not of MDPI and/or the editor(s). MDPI and/or the editor(s) disclaim responsibility for any injury to people or property resulting from any ideas, methods, instructions or products referred to in the content.

Share and Cite

MDPI and ACS Style

Kozłowski, E.; Zimakowska-Laskowska, M.; Dudziak, A.; Wiśniowski, P.; Laskowski, P.; Stankiewicz, M.; Šnauko, B.; Lech, N.; Gis, M.; Matijošius, J. Analysis of Instantaneous Energy Consumption and Recuperation Based on Measurements from SORT Runs. Appl. Sci. 2025, 15, 1681. https://doi.org/10.3390/app15041681

AMA Style

Kozłowski E, Zimakowska-Laskowska M, Dudziak A, Wiśniowski P, Laskowski P, Stankiewicz M, Šnauko B, Lech N, Gis M, Matijošius J. Analysis of Instantaneous Energy Consumption and Recuperation Based on Measurements from SORT Runs. Applied Sciences. 2025; 15(4):1681. https://doi.org/10.3390/app15041681

Chicago/Turabian Style

Kozłowski, Edward, Magdalena Zimakowska-Laskowska, Agnieszka Dudziak, Piotr Wiśniowski, Piotr Laskowski, Michał Stankiewicz, Boris Šnauko, Norbert Lech, Maciej Gis, and Jonas Matijošius. 2025. "Analysis of Instantaneous Energy Consumption and Recuperation Based on Measurements from SORT Runs" Applied Sciences 15, no. 4: 1681. https://doi.org/10.3390/app15041681

APA Style

Kozłowski, E., Zimakowska-Laskowska, M., Dudziak, A., Wiśniowski, P., Laskowski, P., Stankiewicz, M., Šnauko, B., Lech, N., Gis, M., & Matijošius, J. (2025). Analysis of Instantaneous Energy Consumption and Recuperation Based on Measurements from SORT Runs. Applied Sciences, 15(4), 1681. https://doi.org/10.3390/app15041681

Note that from the first issue of 2016, this journal uses article numbers instead of page numbers. See further details here.

Article Metrics

Back to TopTop