Next Article in Journal
Seismic Response Analysis of a Conceptual Hollow Concrete Gravity Dam Containing Saturated Sandy Soil
Previous Article in Journal
Regioselective De Novo Synthesis of Phenolic Isoprenoids Grifolin and Neogrifolin
 
 
Font Type:
Arial Georgia Verdana
Font Size:
Aa Aa Aa
Line Spacing:
Column Width:
Background:
Article

An Improved PIN Diode Model Design for a Tunable Frequency Selective Absorber

1
School of Automation, Nanjing University of Information Science and Technology, Nanjing 210044, China
2
School of Electronic and Information Engineering, Nanjing University of Information Science and Technology, Nanjing 210044, China
*
Author to whom correspondence should be addressed.
Appl. Sci. 2025, 15(3), 1440; https://doi.org/10.3390/app15031440
Submission received: 10 December 2024 / Revised: 26 January 2025 / Accepted: 27 January 2025 / Published: 30 January 2025
(This article belongs to the Section Electrical, Electronics and Communications Engineering)

Abstract

An enhanced PIN diode model designed for a tunable frequency absorber is proposed, enabling continuous and adjustable absorption across the X-band frequency range. This new structure consists of four primary components: a frequency selective surface (FSS) layer, a dielectric substrate, an air spacer layer, and a metal substrate. Unlike previous designs, the PIN diode model introduced here offers significant advancements. It not only allows for the switching between absorption and reflection states but also enables precise tuning within the absorption state itself, providing a higher degree of control over the system’s performance. The unique arrangement of the PIN diodes in this design involves placing them between adjacent units of the structure. This strategic placement eliminates the need for complex and bulky bias networks, which are commonly used in conventional designs. As a result, it also minimizes the electromagnetic interference that often arises from bias lines, thereby improving the overall system efficiency and reliability. The proposed model, therefore, reduces the complexity of the absorbing system while enhancing its performance and tunability. Experimental results obtained through free-space measurements were conducted to validate the proposed design. The results show an excellent agreement with the simulation data, confirming that the improved structure can achieve continuous, tunable absorption with high precision. These findings suggest that the new PIN diode-based model could be a promising solution for a wide range of applications in dynamic frequency management and electromagnetic wave absorption systems.

1. Introduction

In recent years, frequency selective surfaces (FSS) have gained widespread adoption across both military and civilian sectors due to their remarkable ability to selectively transmit or block electromagnetic waves. These surfaces play a pivotal role in a variety of advanced technologies, including radar systems, antenna radomes, and space electromagnetic filters, and in the modification of absorbing materials [1,2,3,4]. In particular, the reduction in the radar cross-section (RCS) of antenna radome systems has become a critical aspect of stealth applications. This is because radome systems, which are essential for protecting antennas from external environmental factors, often scatter electromagnetic waves in unwanted directions [5]. By utilizing FSS-based radomes, it is possible to reduce RCS by reflecting electromagnetic waves outside their operating frequency band, effectively decreasing monostatic RCS [6,7,8,9]. However, this approach does have its drawbacks. The reflection of waves at certain angles can unintentionally increase bistatic RCS in other directions, creating potential vulnerabilities in stealth systems. In order to mitigate this issue, the development of frequency selective absorbers (FSA) has been proposed. Unlike FSS, these absorbers reduce bistatic RCS by absorbing out-of-band waves rather than reflecting them, making them a highly effective solution for reducing electromagnetic interference and improving overall stealth performance [10].
With the continuous advancement of communication systems, which are becoming increasingly complex and demanding in terms of performance, the role of active frequency selective surfaces (AFSSs) has gained significant importance in recent years. AFSSs are a subset of FSSs that incorporates active components, allowing for dynamic and tunable electromagnetic responses, which makes them more adaptable and versatile [11,12,13]. In line with the growing demands of modern technology, various tunable FSS designs have been proposed to address these challenges. For example, in [14], a mechanically tunable absorber was introduced, capable of shifting the absorption frequency by altering the physical shape of the absorber. Similarly, in [15], a novel meta-atom structure based on a split-ring resonator (SRR) embedded in a stretchable polymer was presented. This design allowed for dynamic tuning of electromagnetic properties through mechanical stretching, offering a new way to control the absorber’s behavior.
Despite their promising potential, mechanical control methods for FSSs have certain limitations. While they do not require a bias network, they suffer from slower response times and more restricted frequency tuning ranges compared to electronic methods. To address these shortcomings, the integration of active components, such as PIN diodes, varactor diodes, or variable inductors, onto FSSs has emerged as a viable solution. By loading these active elements, the impedance of the surface can be adjusted dynamically, enabling the tuning of the absorber’s properties. This approach offers several advantages, including fast response times, a compact design, and a broader frequency tuning range, which makes it highly suitable for applications that require rapid and reliable frequency control [16,17]. For instance, a UHF tunable absorber demonstrated the ability to achieve a reflectivity of less than −10 dB over a frequency range of 0.68 GHz to 2.13 GHz by varying the voltage applied to varactor diodes [18]. While these tunable absorbers offer significant advantages, they also introduce new challenges. The integration of a bias network, necessary for controlling the active components, can sometimes interfere with the frequency response and reduce the overall efficiency of the system. Additionally, many tunable absorbers currently on the market only achieve around 90% absorption, which may not be sufficient for applications requiring high-performance absorption, such as stealth technology.
This paper addresses these challenges by proposing a broadband, high-absorption tunable absorber designed specifically for X-band applications. By utilizing an improved PIN diode model in conjunction with a voltage-controlled bias network, the proposed structure enables continuous tuning of the absorption band while also providing the ability to switch between a reflective and an absorptive state. Through detailed simulations, it was shown that the absorber achieves reflectivity below −15 dB over a frequency range of 8 GHz to 12 GHz, with a 1 GHz bandwidth, and it maintains reflectivity above −0.5 dB across the entire X-band. These simulation results were further validated through experimental testing, demonstrating the effectiveness of the design in achieving both broadband absorption and high efficiency. By enabling continuous tuning and switchable modes, this design represents a significant advancement in the development of tunable absorbers for radar and stealth applications.

2. Unit Design Process

2.1. Design Cconcept

For the tunable frequency selective absorber, it is divided into four parts from top to bottom: FSS layer, substrate, isolation layer and metallic plate, as shown in Figure 1a. Figure 1b is the equivalent circuit of the corresponding structure in Figure 1a, and the metallic plate can be equivalent to a short circuit. The isolation layer is equivalent to a transmission line with characteristic impedance, Z0, whose length is equal to the thickness, d, of the isolation layer. The FSS layer can be equivalent to a series or parallel circuit, and its impedance is set as ZFSS. The substrate is also equivalent to a section of transmission line, which can be ignored in the calculation of the impedance of the whole FSS structure, in general, due to its very low thickness.
According to the transmission line theory, the reflectivity formula of the absorbing structure can be determined as follows:
Γ = Z i n Z 0 Z i n + Z 0
The input impedance of the adjustable structure in Figure 1 is assumed to be Zin:
Z i n = 1 1 Z F S S + 1 j Z 0 tan β d
β = 2π/λ is the propagation constant of electromagnetic wave. Thus, the reflection coefficient can be simplified as follows:
Γ = Z F S S j Z 0 tan β d Z F S S + j Z 0 tan β d Z 0 Z F S S j Z 0 tan β d + Z F S S + j Z 0 tan β d Z 0
In addition, the structural reflection coefficient can be adjusted by changing the impedance of the FSS.
Additionally, the input impedance, Zin, can be expressed as the sum of its real and imaginary components (R, X), allowing the reflectance to be defined in terms of these parts:
log Γ = 20 log R Z 0 + j X R + Z 0 + j X
Based on the above equation, the relationship between reflectance and the real and imaginary parts of the input impedance can be visualized. Figure 2 illustrates how reflectance varies as the real and imaginary parts of the input impedance change within a specific range. In the figure, different colors represent different levels of reflectance magnitude. The analysis reveals that adjusting the impedance of the AFSS structure allows for control of its reflectance. Therefore, impedance tuning is the key to enabling the structure’s switching functionality. This impedance adjustment can be achieved by modifying either the real part or the imaginary part of the impedance.

2.2. Basic Unit Design

Most of the PIN diodes are used in tunable frequency selective absorbers only by changing the resistance value, so the initial design of a frequency selective surface absorber is based on variable resistance. The proposed tunable absorber unit, shown in Figure 3a, consists primarily of two symmetrical, round-headed arrow shapes with connected ends. The structure has a sandwich-like design, featuring an upper F4BM dielectric substrate layer (dielectric constant of 2.2, loss tangent of 0.0007, and thickness, t). The FSS layer, which incorporates PIN diodes, is etched onto the lower surface of the dielectric substrate. A metallic plane forms the bottom layer, with a uniform-thickness air spacer (h) positioned between the FSS layer and the metallic plane.
The tunable frequency selective absorber was simulated and optimized using the High Frequency Structure Simulator (HFSS). Master–slave boundaries and a Floquet excitation port were employed to simulate the unit cell as a periodic structure. In the HFSS, active devices under different bias voltages were modeled using modified lumped RLC boundary conditions. The unit cell consists of a half-ring with an outer radius, r, and a radius difference, d, two rectangular elements (length, d, and width, e) connected to the semi-ring, and a strip of width, w. The resistance boundary has a length of g. The optimized dimensions are m = n = 21.4 mm, r = 7.1 mm, d = 4.3 mm, e = 2.1 mm, w = 1 mm, g = 1.5 mm, t = 0.8 mm, and h = 7.7 mm.
Figure 3b shows the simulation results of the reflection coefficients for different resistance values under normal incident plane wave conditions. At a resistance of 5 Ω, the reflection level stays above −3 dB across the 4–14 GHz range, indicating minimal absorption. When the resistance increases to 20 Ω, the reflection curve shifts downward, with the reflection coefficient dropping to −11 dB at 4.3 GHz, marking a significant improvement in absorption performance. With 60 Ω, the reflection coefficient decreases further, showing two minimums at 4.7 GHz and 9.2 GHz with values of −19 dB and −19.7 dB, respectively, further enhancing absorption capabilities. At 100 Ω, the resonance points converge toward the center of the frequency range, producing reflection coefficients below −10 dB, between 4.9 GHz and 10 GHz.
Given the metallic plane at the base of the absorber, the absorption rate can be calculated as 1 − |S11|2, indicating absorption rates exceeding 90% within this frequency range. However, as the resistance rises to 150 Ω, the 90% absorption bandwidth narrows to 3 GHz, spanning from 5.2 GHz to 8.2 GHz. These results demonstrate that the reflection coefficient and absorption rate of the absorber/reflector are highly tunable by adjusting the resistance. Lower resistance values result in higher reflection levels, while higher resistance values greatly enhance absorption, though very high resistance reduces the absorption bandwidth.

2.3. Improved Unit Design

In practice, parasitic parameters—the junction capacitance inherent to the encapsulated PIN diode—have a significant impact on the performance over the entire frequency range discussed in this paper, which varies with the applied bias voltage. Therefore, based on the original design, by introducing bias-dependent variable capacitors, as shown in Figure 4a, aiming to optimize the resonant frequency control and absorption characteristics, the overall performance in frequency selective applications can be improved.
The simulated reflection coefficient curve shown in Figure 4b reveals significant variations when different capacitors are paralleled with the structure. In comparison to Figure 3, where resonance points shift from 9.4 GHz to 10 GHz after adding a 0.25 pF capacitor, the bandwidth achieving a reflection coefficient below −15 dB expands to 2 GHz (from 8.7 GHz to 10.7 GHz), with an absorption rate reaching 97%. It is important to note that the bandwidth here specifically refers to the frequency range where the absorption rate exceeds 97%. Further analysis shows that with a resistance of 60 Ω, adding a 0.01 pF capacitor shifts the resonance from 9.1 GHz to 8.7 GHz, broadening the bandwidth to 1.4 GHz (7.9 GHz to 9.3 GHz). When the resistance is increased to 80 Ω and a 0.15 pF capacitor is added, the resonance shifts from 8.7 GHz to 10.9 GHz, expanding the bandwidth to 0.9 GHz (10.4 GHz to 11.3 GHz). Lastly, with a resistance of 150 Ω and a 0.1 pF capacitor in parallel, a single resonance peak at 6.2 GHz splits into two peaks, with the higher one at 11.6 GHz, and the bandwidth broadens to 0.8 GHz (11.2 GHz to 12 GHz).
These findings highlight the significant enhancement in absorption performance provided by the shunt capacitor, which enables continuous tuning of the absorption rate to exceed 97% across the entire X-band. Additionally, a 10 kΩ resistor is used to simulate the off state of the PIN diode, represented by the black line in Figure 4b. This line maintains a high reflection coefficient, exceeding −0.3 dB (indicating that 93.3% of the electromagnetic wave energy is reflected) across the 7–13 GHz range. This characteristic confirms the tunable absorber’s capability to function effectively as a total reflector in practical applications.
Based on the simulation results, we analyzed the performance of five Floquet modes at R = 20 Ω, C = 0.25 pF, and we provided a detailed interpretation of the reflection coefficients for each mode to evaluate the overall performance of the absorber, as shown in Figure 5. Below is the detailed analysis:
(1)
Mode 1 (Fundamental Mode, Zeroth-Order Specular Reflection)
Simulation Results:
dB(S(FloquetPort1:1, FloquetPort1:1)) < −20 dB
Corresponding power reflection coefficient: R 1 = 10 20 / 10 = 0.01
Physical Interpretation:
The reflection coefficient of Mode 1 is extremely low, indicating that about 99% of the incident energy is either absorbed or scattered in other modes.
(2)
Mode 2 (First-order diffraction Mode)
Simulation Results:
dB(S(FloquetPort1:2, FloquetPort1:1)) < −40 dB
Corresponding power reflection coefficient: R 2 = 10 40 / 10 = 0.0001
Physical Interpretation:
The reflected energy in Mode 2 is very low, showing that only 0.01% of the incident energy couples into Mode 2. This mode likely corresponds to small-angle diffraction directions.
(3)
Mode 3 (Second-Order Diffraction Mode)
Simulation Results:
dB(S(FloquetPort1:3, FloquetPort1:1)) < −20 dB
Corresponding power reflection coefficient: R 3 = 10 20 / 10 = 0.01
Physical Interpretation:
The scattered energy of Mode 3 is similar to that of Mode 1, with a very low reflection coefficient, indicating that this mode’s scattering contribution is negligible.
(4)
Mode 4 (Third-Order Diffraction Mode)
Simulation Results:
dB(S(FloquetPort1:4, FloquetPort1:1)) < −12 dB
Corresponding power reflection coefficient: R 4 = 10 12 / 10 = 0.063
Physical Interpretation:
The scattered energy in Mode 4 is significantly higher than in Modes 1–3, indicating that approximately 6.3% of the energy is coupled into this higher-order mode. This mode is likely related to the periodic dimensions or design imperfections of the absorber.
(5)
Mode 5 (Fourth-Order Diffraction Mode)
Simulation Results:
dB(S(FloquetPort1:5, FloquetPort1:1)) < −15 dB
Corresponding power reflection coefficient: R 5 = 10 15 / 10 = 0.0316
Physical Interpretation:
The scattered energy in Mode 5 is also relatively high, with approximately 3.16% of the energy coupled into this mode. This mode corresponds to larger diffraction angles and may play a significant role in edge diffraction effects.
Even when accounting for the scattering contributions of higher-order modes, the absorber still demonstrates excellent overall performance. The reflection coefficient of the fundamental mode (Mode 1) is below −20 dB, indicating that more than 99% of the energy in this mode is absorbed. Modes 2 and 3 exhibit low scattering contributions, with reflection coefficients below −18 dB and a combined scattered energy contribution of less than 3%. However, higher-order modes (Modes 4 and 5) contribute approximately 9.46% of the total scattered energy, primarily due to non-specular diffraction at larger angles. Even considering the scattering effects of higher-order modes, the absorber still achieves excellent absorption performance, with a total absorption rate exceeding 90% across the X-band.
The normalized intrinsic impedance of the absorber is key to optimizing its absorption characteristics. As shown in Figure 6, with a resistance (R) of 20 Ω and a capacitance (C) of 0.25 pF, the real part of the normalized input impedance reaches 1, while the imaginary part approaches 0 at 10.16 GHz. This indicates that at this frequency, the absorber’s input impedance perfectly matches the free space impedance, which is ideal for achieving maximum absorption efficiency according to basic impedance matching theory. Moreover, 10.16 GHz falls within the 97% absorption bandwidth (8.7 GHz to 10.7 GHz), as depicted in Figure 4b, confirming that the structure is effectively tuned to absorb electromagnetic waves within this range. The comparison between Figure 6b–d and Figure 4 supports these findings, showing consistent results across different simulations and configurations. These conclusions emphasize the absorber device’s capability to adjust its reflectivity response by varying resistors and capacitors within the 8–12 GHz range. This flexibility allows for precise tuning of the absorption properties to meet specific operational requirements, making the device highly adaptable for practical applications.

3. Principle of Analysis

3.1. Equivalent Circuit Model of the Proposed Absorber

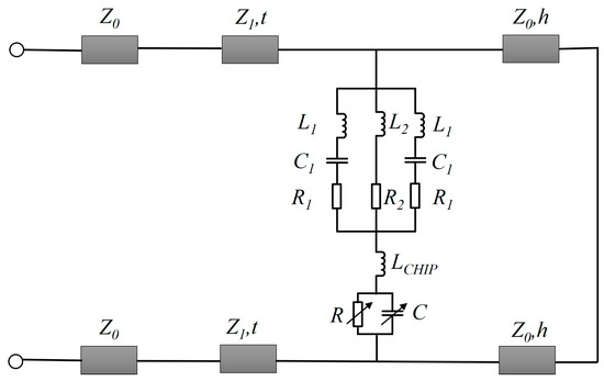
To validate the design’s effectiveness, an equivalent circuit model (ECM) of the proposed tunable absorber is introduced, as illustrated in Figure 7. The relative dielectric constant of the F4BME substrate is denoted as εr, with the substrate thickness as t and the air spacer thickness as h. The PIN diode is modeled as a parallel circuit with variable resistance (R) and capacitance (C), in series with an inductor (LCHIP). The elements L1 and R1 represent the distributed inductance and ohmic loss resistance of the semi-split elliptical ring, respectively, while L2 and R2 correspond to the distributed inductance and ohmic loss resistance of the middle strip of the unit. Each cell contains two gaps, with C1 representing the equivalent capacitance of one gap.
The initial values of the distributed inductance and capacitance were inspired by the calculation formulas in Refs. [17,18]. Further optimization of the equivalent circuit model was performed using Advanced Design System (ADS), resulting in the following component values: L1 = 0.3  nH, L2 = 0.2  nH, C1 = 0.03  pF, and R1 = R2 = 5  Ω (accounting for both the ohmic loss of patches and the dielectric loss of the substrate). Figure 8 compares the results obtained through the simulation and ECM methods. Overall, there is good consistency between the two approaches, although some differences between the ECM and simulation results remain.
Compared to the wavelength corresponding to the center frequency, the periodic unit length is not sufficiently small, which is the primary factor affecting the accuracy of the ECM method. Additionally, the empirical formulas used are specifically applicable to square rings and rectangular patches. However, the unit topology of the proposed tunable absorber does not follow a regular shape, causing deviations in the initial calculated values and affecting the optimization results.

3.2. Distribution of Current and Electric Field

Figure 9 shows the surface current distribution and electric field distribution of the tunable FSS absorber at 11 GHz under both absorption and reflection operating states. As shown in Figure 9a, when R = 150 Ω and C = 0.1 pF, the surface current is mainly concentrated on the intermediate resistance, and the energy of the incident electromagnetic wave is converted into the surface induced current energy and absorbed by the resistance. In addition, the high frequency current can pass well through the parallel capacitor on the left, so the surface current of the capacitor is also very dense. The electric field distribution at this frequency is shown in Figure 9b. Due to the capacitive effect between the patches, the electric field distribution at the edge of the patch is denser than inside. Meanwhile, the electric field strength in the capacitor is greater than that in the resistor, then the tunable FSS absorber is in the absorbing state. From Figure 9c, it can be seen the current surface density on the resistor becomes sparse when R = 10 kΩ. As shown in Figure 9d, it is difficult for the current to pass through the resistor, and the resistor and capacitor both have a large electric field strength, and the potential difference between the patches becomes larger, making the electric field at the edge of the patch stronger than the field distribution in Figure 9b. Due to the mismatch between the equivalent impedance of the FSS layer and the free-space impedance, the tunable FSS absorber is in a reflective state.

4. Experimental Verification

To implement the tunable absorber, a suitable bias net microwave anechoic chamber is essential. It must not only provide a stable bias voltage for the PIN diodes but also minimize any impact the network might have on the original structure’s response. The sample consists of an AFSS layer, a metal backplate, nylon washers, screws, and two bias wires. The overall dimensions of the structure are 361 mm × 357 mm, with the longer side due to the inclusion of the bias network. The AFSS layer comprises a 15 × 15 cell array, and the bias network, as shown in Figure 10, has a line width of 0.2 mm. In this configuration, each column of PIN diodes is connected in series, allowing for better control of the bias voltage and minimizing interference from unnecessary bias lines. EPCOS series inductors from TKD, with values of 1.8 nH, 2.7 nH, and 3.9 nH, are connected in series between the edge cells and the bias line to isolate high-frequency-induced currents from entering the bias network. PIN diodes are soldered in the middle of each unit. The air spacer is realized using nylon washers, which are free of electromagnetic interference.
The testing environment, as shown in Figure 11, involves a pair of 1–18 GHz horn antennas connected to two ports of a vector network analyzer. One antenna serves as the transmitting antenna, while the other functions as the receiving antenna. Notably, the transmitting and receiving antennas are positioned adjacent to each other in the same vertical plane and at the same height. To minimize coupling interference, an absorbing material is placed between the two antennas. The test sample is positioned within an absorbing wall made of absorbing materials to reduce edge diffraction effects. The distance between the antennas and the test sample satisfies the far-field condition, and the centers of the antennas are aligned with the center of the test sample at the same height.
The detailed testing procedure is as follows:
SOLT Calibration: Perform SOLT (Short, Open, Load, and Through) calibration on both ports of the vector network analyzer. Once calibration is completed, check the Smith chart on the analyzer. Successful calibration is indicated when S11 is located at the origin of the Smith chart, and S21 appears at the far-right endpoint of the real axis.
Connect Antennas: Use high-frequency cables to connect the two ports of the vector network analyzer to the transmitting and receiving antennas, respectively. Set the working frequency band, test parameters, measurement steps, and transmission power on the analyzer.
Metal Plate Measurement: Place a metal plate with the same dimensions as the test sample in the window of the absorbing wall. Record the reflection coefficient displayed on the vector network analyzer.
Test Sample Measurement: Replace the metal plate with the test sample, keeping the environment unchanged, and record the measurement results.
The final reflection coefficient of the test sample is calculated by subtracting the reflection coefficient of the same-sized metal plate from that of the test sample.
Figure 12 shows the reflection coefficients at various bias voltages for the tunable absorber with embedded PIN diodes. As the voltage increases, the resonance frequency decreases. For example, at 12.1 V, the reflection coefficient drops below −15 dB in the 7.7–9.4 GHz range, resembling the case with R = 60 Ω and C = 0.01 pF shown in Figure 3b. The simulation results (for R = 20 Ω, C = 0.25 pF; R = 80 Ω, C = 0.15 pF; and R = 150 Ω, C = 0.1 pF) align well with the measured data. At lower bias voltages, the reflection coefficients remain above −3 dB across the 7–13 GHz range, indicating a reflective state, whereas higher voltages lead to absorptive behavior in specific frequency bands. Minor variations in the reflection peaks around 8 GHz at different voltages suggest practical adjustments due to manufacturing conditions. These results confirm the device’s tunability and its ability to switch between reflective and absorptive states effectively.

5. Conclusions

This study presents a novel active frequency selective surface (AFSS) that utilizes improved PIN diodes to achieve tunable and switchable functionality within the X-band. The design was comprehensively analyzed using an HFSS and validated through an equivalent circuit model. A prototype was fabricated and tested in a microwave anechoic chamber, with experimental results closely matching the simulations. The AFSS demonstrates dual-mode operation, seamlessly switching between reflection and absorption states. In the “off” state, the device functions as a reflector, achieving a reflection coefficient greater than −3 dB across the entire X-band. In the “on” state, it transitions to an absorption mode, enabling continuous frequency tuning of a 1 GHz-wide absorption band, with absorption rates exceeding 97%. This exceptional tunability and dual-mode capability highlight the AFSS’s significant potential in applications such as stealth technology, adaptive radomes, and dynamic electromagnetic control systems.
To further enhance the device’s performance, several improvements are recommended. First, the design could be optimized to achieve dual-polarization capability, allowing the AFSS to maintain high performance under different polarization directions, which would increase its versatility in complex electromagnetic environments. Second, improving angular stability by refining the structure would ensure consistent absorption performance over a wider range of incidence angles, making it more suitable for dynamic scenarios. Additionally, extending the absorption bandwidth to cover a broader frequency range would make the device applicable to a wider variety of use cases. Lastly, optimizing the bias network could reduce electromagnetic interference and improve switching speed. These enhancements would further strengthen the AFSS’s robustness and adaptability, solidifying its value for advanced electromagnetic applications.

Author Contributions

Conceptualization, X.F.; methodology, X.F.; software, H.L.; validation, H.L.; formal analysis, H.L.; investigation, H.L.; resources, X.F.; data curation, H.L.; writing—original draft preparation, H.L.; writing—review and editing, H.L.; visualization, X.F.; supervision, X.F.; project administration, X.F.; funding acquisition, X.F. All authors have read and agreed to the published version of the manuscript.

Funding

This work was supported by the National Natural Science Foundation of China under Grant 62201269 and by the Postgraduate Research and Practice in Part by Interdisciplinary Innovation Program of Jiangsu Province, NO. KYCX23_0382.

Institutional Review Board Statement

Not applicable.

Informed Consent Statement

Not applicable.

Data Availability Statement

Data are contained within the article.

Conflicts of Interest

The authors declare no conflicts of interest.

References

  1. Munk, B.A. Frequency Selective Surfaces: Theory and Design; Wiley: New York, NY, USA, 2000. [Google Scholar]
  2. Wang, S.; Xu, H.X.; Wang, M.; Wei, H.; Zhang, F.; Hu, G. Janus metasurface for super radome with asymmetric diffusion and absorption. Adv. Optical Mater. 2024, 12, 2302061. [Google Scholar] [CrossRef]
  3. Liu, E.; Lv, T.; Wang, M. Absorption and Reflection of Switchable Multifunctional Metamaterial Absorber Based on Vanadium Dioxide. Appl. Sci. 2024, 14, 6004. [Google Scholar] [CrossRef]
  4. Gülseren, A.H.; Alparslan, A.; Türker Tokan, N. Dual-Band Frequency Selective Surface-Backed Reflectarray for High-Speed Ka-Band Satellites. Appl. Sci. 2024, 14, 2928. [Google Scholar] [CrossRef]
  5. Liu, L.; Zhai, H.; Hu, D.; Ren, S. A polarization-stable frequency selective rasorber with miniaturized elements and wideband absorbing properties. Microw Opt. Technol Lett. 2020, 62, 1643–1650. [Google Scholar] [CrossRef]
  6. Kim, P.C.; Seo, I.S.; Kim, G.H. Low-observable radomes composed of composite sandwich constructions and frequency selective surfaces. Compos. Sci. Technol. 2008, 68, 2163–2170. [Google Scholar] [CrossRef]
  7. Huang, X.; Li, K.; Hou, W.; Wang, Y.; Ma, Y. Interdigitated resonator based frequency selective rasorber with high selectivity. J. Phys. D Appl. Phys. 2024, 57, 495002. [Google Scholar] [CrossRef]
  8. Costa, F.; Monorchio, A. A frequency selective radome with wideband absorbing properties. IEEE Trans. Antennas Propag. 2012, 60, 2740–2747. [Google Scholar] [CrossRef]
  9. Yang, R.; Luo, Z.; Liang, J.C.; Dai, J.Y.; Cheng, Q.; Cui, T.J. Reconfigurable Metasurface with Multiple Functionalities of Frequency-Selective Rasorber, Frequency-Selective Surface, Absorber, and Reflector. Adv. Mater. Technol. 2024, 10, 2400966. [Google Scholar] [CrossRef]
  10. Gao, B.; Huang, S.; Ren, Z.; Chen, Y.; Wang, X. Design and verification of an integrated free-standing thick-screen FSS radome. IEEE Antennas Wirel. Propag. Lett. 2018, 17, 1630–1634. [Google Scholar] [CrossRef]
  11. Bayatpur, F.; Sarabandi, K. Design and analysis of a tunable miniaturized-element frequency-selective surface without bias network. IEEE Trans. Antennas Propag. 2010, 58, 1214–1219. [Google Scholar] [CrossRef]
  12. Li, H.; Cao, Q.; Wang, Y. A novel 2-B multifunctional active frequency selective surface for LTE-2.1 GHz. IEEE Trans. Antennas Propag. 2017, 65, 3084–3092. [Google Scholar] [CrossRef]
  13. Zhang, L.M.; Ding, X.; Shao, W. A multifunctional active frequency selective surface with scattering diffusivity and transmission passband tunability. IEEE Antennas Wireless Propag. Lett. 2024, 23, 229–233. [Google Scholar] [CrossRef]
  14. Zhang, F.; Feng, S.; Qiu, K.; Liu, Z.; Fan, Y.; Zhang, W.; Zhao, Q.; Zhou, J. Mechanically stretchable and tunable metamaterial absorber. Appl. Phys. Lett. 2015, 106, 207402. [Google Scholar] [CrossRef]
  15. Azemi, S.N.; Ghorbani, K.; Rowe, W.S.T. A reconfigurable FSS using a spring resonator element. IEEE Antennas Wirel. Propag. Lett. 2013, 12, 781–784. [Google Scholar] [CrossRef]
  16. Liu, P.; Yang, S.; Jain, A.; Wang, Q.; Jiang, H.; Song, J.; Koschny, T.; Soukoulis, C.; Dong, L. Tunable meta-atom using liquid metal embedded in stretchable polymer. J. Appl. Phys. 2015, 118, 014504.1–014504.8. [Google Scholar] [CrossRef]
  17. Xing, J.; Li, D.; Fan, Y.; Zhang, L.; Li, E.P. Tunable Coherent Perfect Absorption Based on Varactor-Embedded Metamaterial Absorber. IEEE Trans. Antennas Propag. 2024, 72, 3461–3471. [Google Scholar] [CrossRef]
  18. Yuan, Y.; Chen, S.J.; Fumeaux, C. Transmission-Type Varactor-Based Tunable Attenuator. IEEE Trans. Microw. Theory Tech. 2024, 72, 3461–3471. [Google Scholar] [CrossRef]
Figure 1. (a) The overall structure of tunable frequency selective absorber; (b) equivalent circuit model.
Figure 1. (a) The overall structure of tunable frequency selective absorber; (b) equivalent circuit model.
Applsci 15 01440 g001
Figure 2. The result of reflectance varying with impedance.
Figure 2. The result of reflectance varying with impedance.
Applsci 15 01440 g002
Figure 3. (a) Geometric of the basic tunable frequency selective absorber; (b) simulation results.
Figure 3. (a) Geometric of the basic tunable frequency selective absorber; (b) simulation results.
Applsci 15 01440 g003
Figure 4. (a) Geometric of the improved tunable frequency selective absorber; (b) simulation results.
Figure 4. (a) Geometric of the improved tunable frequency selective absorber; (b) simulation results.
Applsci 15 01440 g004
Figure 5. Simulation results of different modes at R = 20 Ω, C = 0.25 pF.
Figure 5. Simulation results of different modes at R = 20 Ω, C = 0.25 pF.
Applsci 15 01440 g005
Figure 6. Normalized intrinsic impedance of proposed structure for different combinations: (a) R = 20 Ω, C = 0.25 pF; (b) R = 60 Ω, C = 0.01 pF; (c) R = 80 Ω, C = 0.15 pF; (d) R = 150 Ω, C = 0.1 pF.
Figure 6. Normalized intrinsic impedance of proposed structure for different combinations: (a) R = 20 Ω, C = 0.25 pF; (b) R = 60 Ω, C = 0.01 pF; (c) R = 80 Ω, C = 0.15 pF; (d) R = 150 Ω, C = 0.1 pF.
Applsci 15 01440 g006
Figure 7. Equivalent circuit of the tunable absorber.
Figure 7. Equivalent circuit of the tunable absorber.
Applsci 15 01440 g007
Figure 8. Comparisons between ECM results and simulation results. (a) R = 20 Ω, C = 0.25 pF; (b) R = 60 Ω, C = 0.01 pF; (c) R = 80 Ω, C = 0.15 pF; (d) R = 150 Ω, C = 0.1 pF.
Figure 8. Comparisons between ECM results and simulation results. (a) R = 20 Ω, C = 0.25 pF; (b) R = 60 Ω, C = 0.01 pF; (c) R = 80 Ω, C = 0.15 pF; (d) R = 150 Ω, C = 0.1 pF.
Applsci 15 01440 g008
Figure 9. Surface current distribution and electric field distribution of the tunable FSS absorber. (a) Surface current distribution, R = 150 Ω and C = 0.1 pF; (b) electric field distribution, R = 150 Ω and C = 0.1 pF; (c) surface current distribution, R = 10 kΩ; (d) electric field distribution, R = 10 kΩ.
Figure 9. Surface current distribution and electric field distribution of the tunable FSS absorber. (a) Surface current distribution, R = 150 Ω and C = 0.1 pF; (b) electric field distribution, R = 150 Ω and C = 0.1 pF; (c) surface current distribution, R = 10 kΩ; (d) electric field distribution, R = 10 kΩ.
Applsci 15 01440 g009
Figure 10. Prototype of the fabricated tunable absorber.
Figure 10. Prototype of the fabricated tunable absorber.
Applsci 15 01440 g010
Figure 11. Experimental environment in a microwave anechoic chamber.
Figure 11. Experimental environment in a microwave anechoic chamber.
Applsci 15 01440 g011
Figure 12. Measured results for several typical bias voltage values.
Figure 12. Measured results for several typical bias voltage values.
Applsci 15 01440 g012
Disclaimer/Publisher’s Note: The statements, opinions and data contained in all publications are solely those of the individual author(s) and contributor(s) and not of MDPI and/or the editor(s). MDPI and/or the editor(s) disclaim responsibility for any injury to people or property resulting from any ideas, methods, instructions or products referred to in the content.

Share and Cite

MDPI and ACS Style

Lin, H.; Fang, X. An Improved PIN Diode Model Design for a Tunable Frequency Selective Absorber. Appl. Sci. 2025, 15, 1440. https://doi.org/10.3390/app15031440

AMA Style

Lin H, Fang X. An Improved PIN Diode Model Design for a Tunable Frequency Selective Absorber. Applied Sciences. 2025; 15(3):1440. https://doi.org/10.3390/app15031440

Chicago/Turabian Style

Lin, Hanxiang, and Xiaoxing Fang. 2025. "An Improved PIN Diode Model Design for a Tunable Frequency Selective Absorber" Applied Sciences 15, no. 3: 1440. https://doi.org/10.3390/app15031440

APA Style

Lin, H., & Fang, X. (2025). An Improved PIN Diode Model Design for a Tunable Frequency Selective Absorber. Applied Sciences, 15(3), 1440. https://doi.org/10.3390/app15031440

Note that from the first issue of 2016, this journal uses article numbers instead of page numbers. See further details here.

Article Metrics

Back to TopTop