Radiation-Hardened 20T SRAM with Read and Write Optimization for Space Applications
Abstract
1. Introduction
2. Proposed Cell
2.1. Operation of Proposed Cell
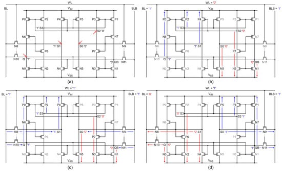
2.1.1. Hold Operation
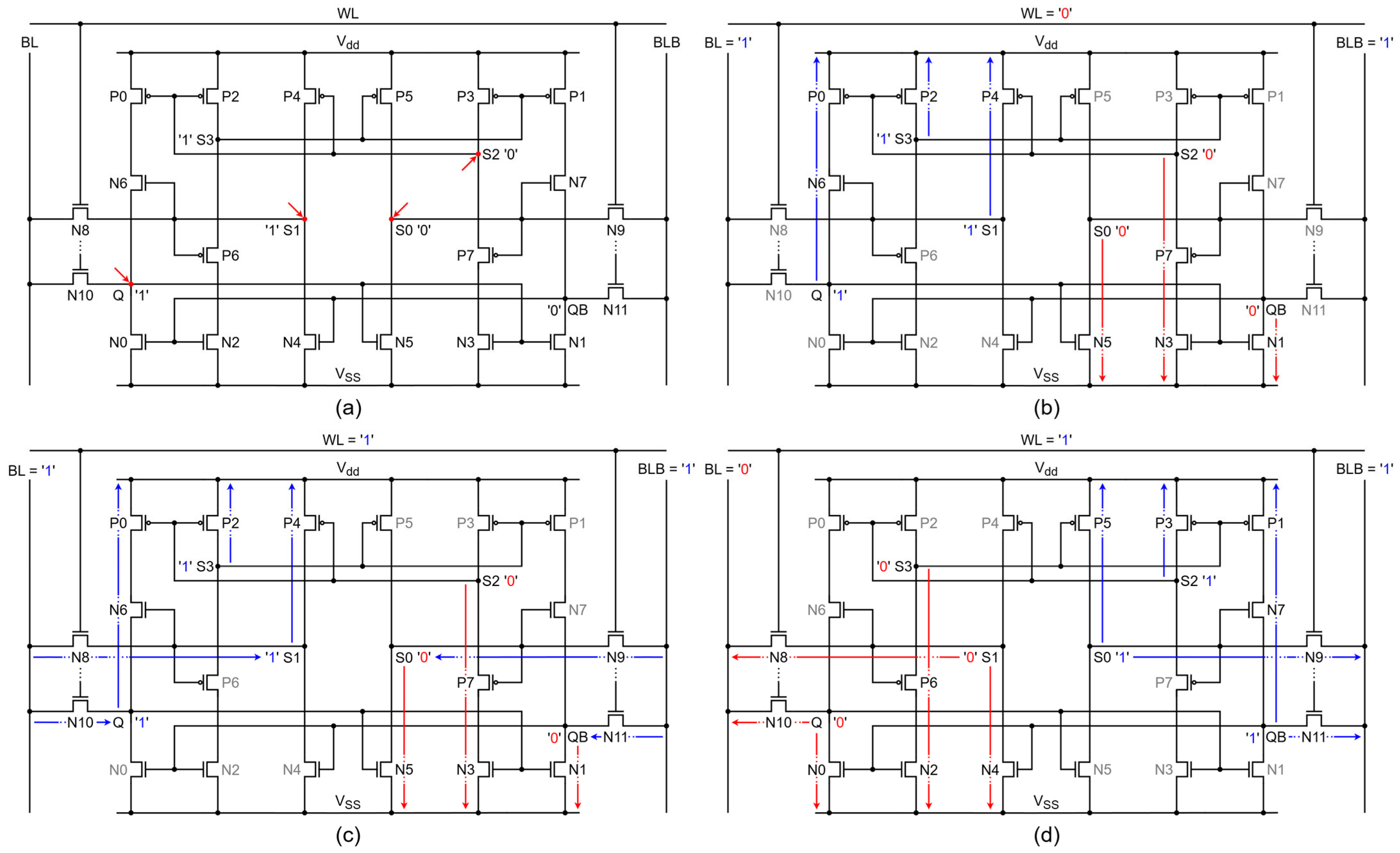
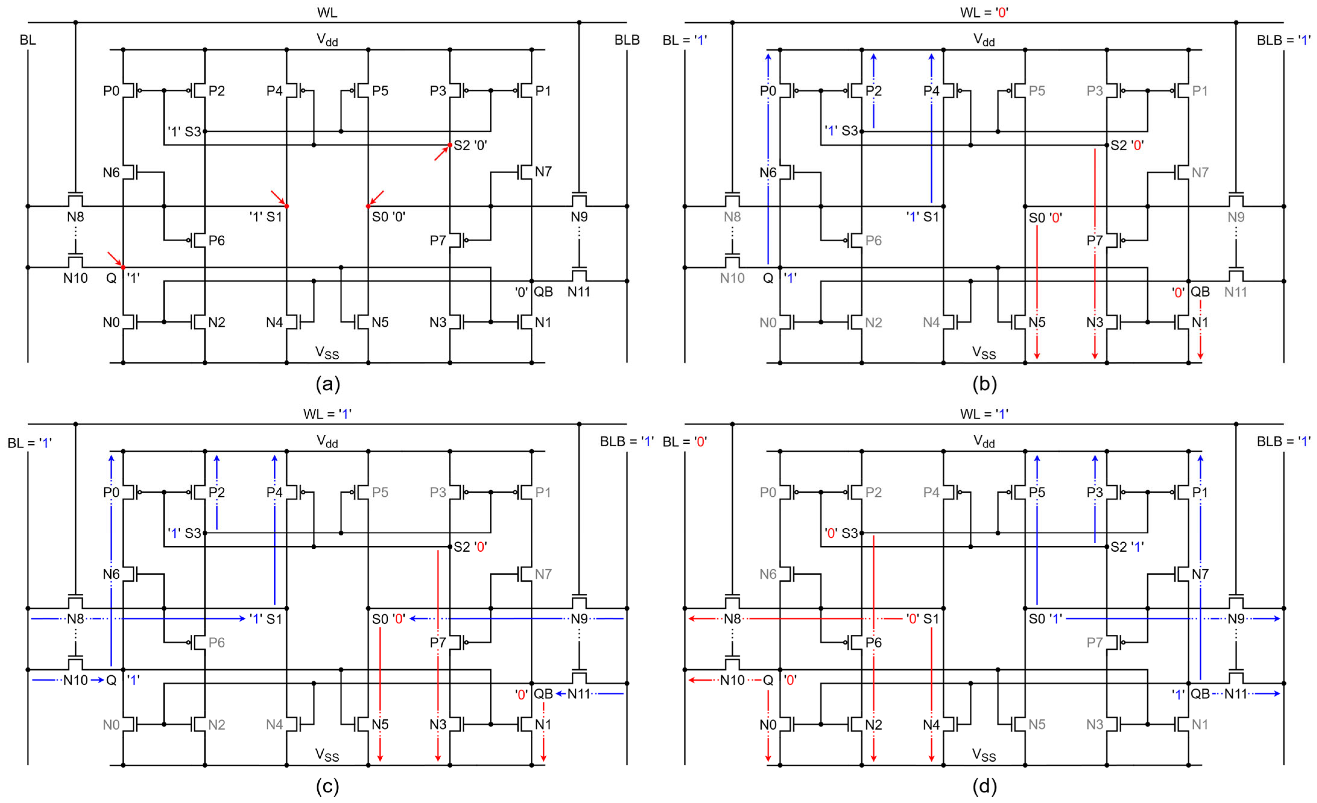
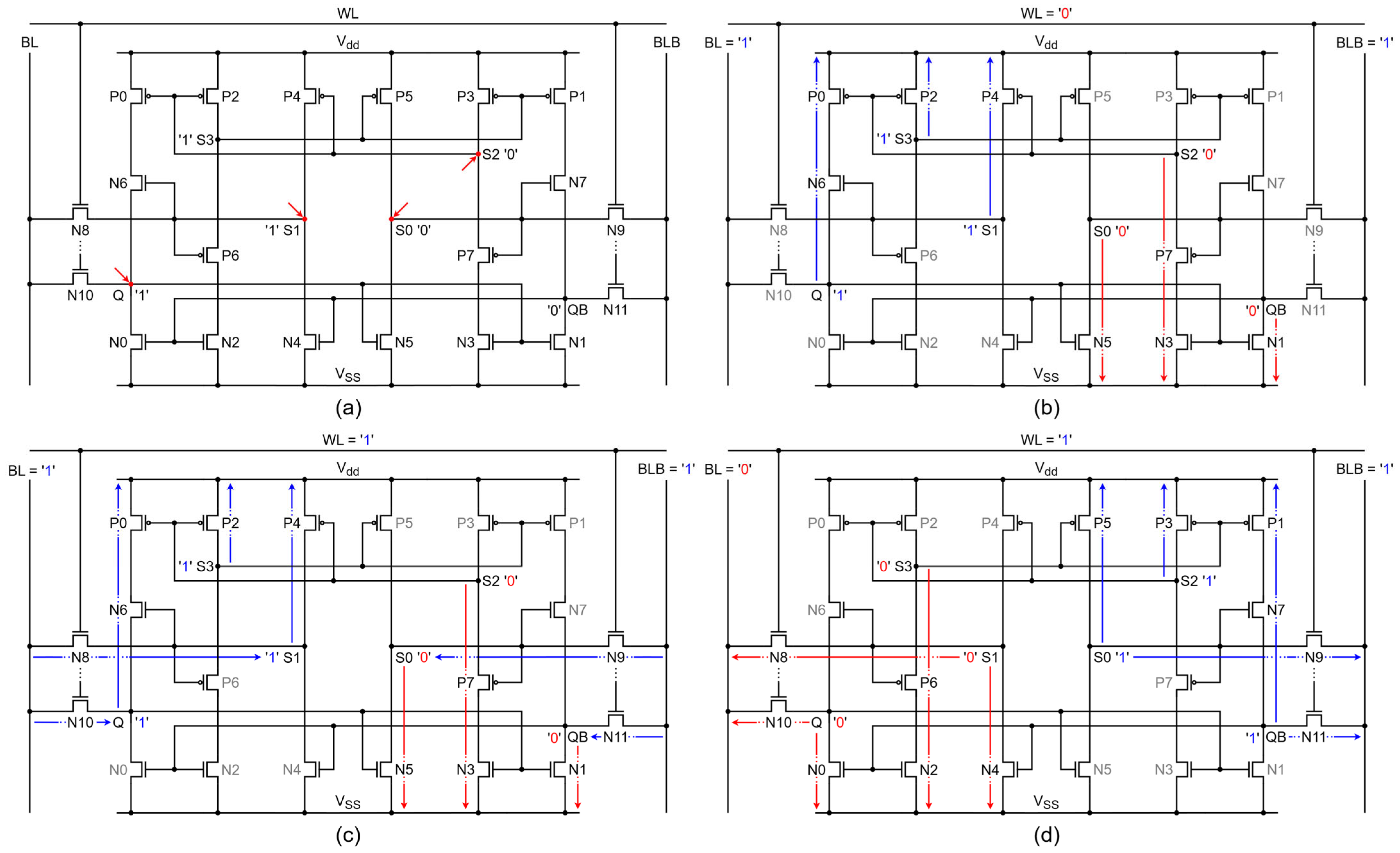
2.1.2. Read Operation
2.1.3. Write Operation
2.2. SEU Recovery Analysis
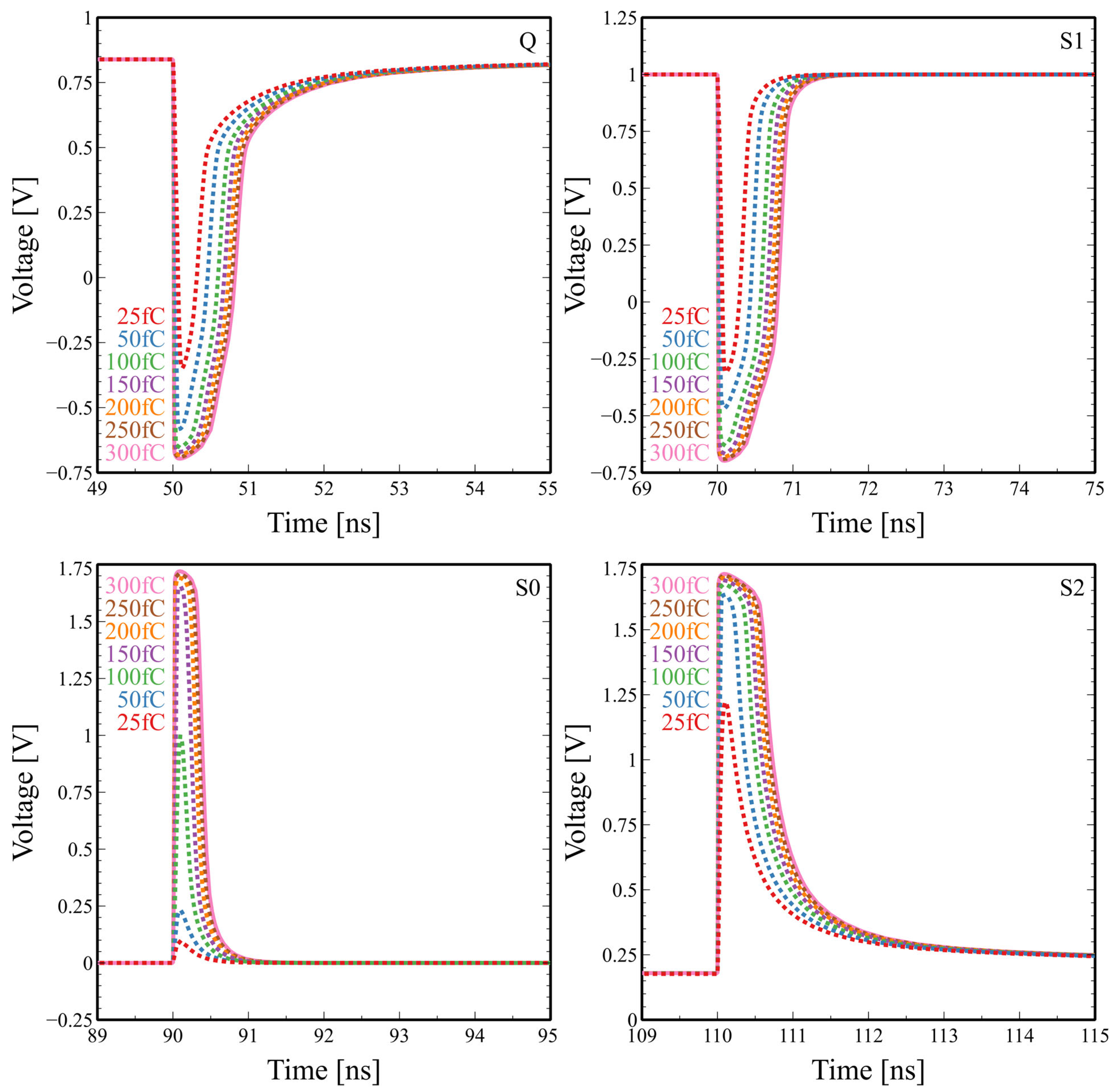
2.2.1. SEU at Node Q
2.2.2. SEU at Node S1
2.2.3. SEU at Node S0
2.2.4. SEU at Node S2
2.3. SEMNU Recovery Analysis
2.3.1. DNU at Node Pair Q and S1
2.3.2. DNU at Node Pair Q and S0
2.3.3. DNU at Node Pair Q and S2
2.3.4. DNU at Node Pair S1 and S0
2.3.5. DNU at Node Pair S1 and S2
2.3.6. DNU at Node Pair S0 and S2
2.3.7. TNU at Node Triple Q, S1, and S0
2.3.8. TNU at Node S1-S0-S2
3. Simulation Results and Analysis
3.1. Stability Comparison
3.1.1. HSNM Comparison
3.1.2. RSNM Comparison
3.1.3. WWTV Comparison
3.2. Access Time Comparison
3.2.1. Read Access Time Comparison
3.2.2. Write Access Time Comparison
3.3. Soft-Error Robustness Verification and Comparison
3.4. Electric Quality Metric Comparison
4. Conclusions
Author Contributions
Funding
Institutional Review Board Statement
Informed Consent Statement
Data Availability Statement
Acknowledgments
Conflicts of Interest
References
- Gul, W.; Shams, M.; Al-Khalili, D. SRAM Cell Design Challenges in Modern Deep Sub-Micron Technologies: An Overview. Micromachines 2022, 13, 1332. [Google Scholar] [CrossRef] [PubMed]
- Pandey, M.; Islam, A. Radiation Tolerant by Design 12-Transistor Static Random Access Memory. In Proceedings of the 2022 IEEE International Conference of Electron Devices Society Kolkata Chapter (EDKCON), Kolkata, India, 26–27 November 2022; pp. 534–539. [Google Scholar] [CrossRef]
- Pal, S.; Mohapatra, S.; Ki, W.-H.; Islam, A. Soft-Error-Aware Read-Decoupled SRAM with Multi-Node Recovery for Aerospace Applications. IEEE Trans. Circuits Syst. II Express Briefs 2021, 68, 3336–3340. [Google Scholar] [CrossRef]
- Marques, C.M.; Wrobel, F.; Aguiar, Y.Q.; Michez, A.; Saigné, F.; Boch, J.; Dilillo, L.; García Alía, R. Evaluation of a Simplified Modeling Approach for SEE Cross-Section Prediction: A Case Study of SEU on 6T SRAM Cells. Electronics 2024, 13, 1954. [Google Scholar] [CrossRef]
- Lin, S.; Kim, Y.-B.; Lombardi, F. Analysis and Design of Nanoscale CMOS Storage Elements for Single-Event Hardening with Multiple-Node Upset. IEEE Trans. Device Mater. Reliab. 2012, 12, 68–77. [Google Scholar] [CrossRef]
- Liu, C.; Liu, H.; Yang, J. A Novel Low-Power and Soft Error Recovery 10T SRAM Cell. Micromachines 2023, 14, 845. [Google Scholar] [CrossRef] [PubMed]
- Pavan Kumar, M.; Lorenzo, R. A review on radiation-hardened memory cells for space and terrestrial applications. Int. J. Circuit Theory Appl. 2023, 51, 475–499. [Google Scholar] [CrossRef]
- Leon, V.; Papatheofanous, E.A.; Lentaris, G.; Bezaitis, C.; Mastorakis, N.; Bampilis, G.; Reisis, D.; Soudris, D. Combining Fault Tolerance Techniques and COTS SoC Accelerators for Payload Processing in Space. In Proceedings of the 2022 IFIP/IEEE 30th International Conference on Very Large Scale Integration (VLSI-SOC), Patras, Greece, 3–5 October 2022; pp. 1–6. [Google Scholar] [CrossRef]
- Guo, J.; Zhu, L.; Sun, Y.; Cao, H.; Huang, H.; Wang, T.; Qi, C.; Zhang, R.; Cao, X.; Xiao, L.; et al. Design of Area-Efficient and Highly Reliable RHBD 10T Memory Cell for Aerospace Applications. IEEE Trans. Very Large Scale Integr. (VLSI) Syst. 2018, 26, 991–994. [Google Scholar] [CrossRef]
- Li, H.; Xiao, L.; Qi, C.; Li, J. Design of High-Reliability Memory Cell to Mitigate Single Event Multiple Node Upsets. IEEE Trans. Circuits Syst. I Regul. Pap. 2021, 68, 4170–4181. [Google Scholar] [CrossRef]
- Bharti, P.K.; Mekie, J. RHSCC-16T: Radiation Hardened Sextuple Cross Coupled Robust SRAM Design for Radiation Prone Environments. In Proceedings of the 2022 IEEE 40th International Conference on Computer Design (ICCD), Olympic Valley, CA, USA, 23–26 October 2022; pp. 17–24. [Google Scholar] [CrossRef]
- Bai, N.; Xiao, X.; Xu, Y.; Wang, Y.; Wang, L.; Zhou, X. Soft-Error-Aware SRAM with Multinode Upset Tolerance for Aerospace Applications. IEEE Trans. Very Large Scale Integr. (VLSI) Syst. 2024, 32, 128–136. [Google Scholar] [CrossRef]
- Cai, S.; Wen, Y.; Ouyang, J.; Wang, W.; Yu, F.; Li, B. A highly reliable and low-power cross-coupled 18T SRAM cell. Microelectron. J. 2023, 134, 105729. [Google Scholar] [CrossRef]
- Calin, T.; Nicolaidis, M.; Velazco, R. Upset Hardened Memory Design for Submicron CMOS Technology. IEEE Trans. Nucl. Sci. 1996, 43, 2874–2878. [Google Scholar] [CrossRef]
- Park, J.; Lee, S.; Jeong, H. Voltage Boosted Fail Detecting Circuit for Selective Write Assist and Cell Current Boosting for High-Density Low-Power SRAM. IEEE Trans. Circuits Syst. I Regul. Pap. 2023, 70, 797–805. [Google Scholar] [CrossRef]
- Yoon, T.; Park, J.; Jeong, H. Design of Static Random-Access Memory Cell for Fault Tolerant Digital System. Appl. Sci. 2022, 12, 11500. [Google Scholar] [CrossRef]
- Jiang, J.; Xu, Y.; Zhu, W.; Xiao, J.; Zou, S. Quadruple Cross-Coupled Latch-Based 10T and 12T SRAM Bit-Cell Designs for Highly Reliable Terrestrial Applications. IEEE Trans. Circuits Syst. I Regul. Pap. 2019, 66, 967–977. [Google Scholar] [CrossRef]
- Pal, S.; Sri, D.D.; Ki, W.H.; Islam, A. Radiation-hardened read-decoupled low-power 12T SRAM for space applications. Int. J. Circuit Theory Appl. 2021, 49, 3583–3596. [Google Scholar] [CrossRef]
- Peng, C.; Huang, J.; Liu, C.; Zhao, Q.; Xiao, S.; Wu, X.; Lin, Z.; Chen, J.; Zeng, X. Radiation-Hardened 14T SRAM Bit-Cell with Speed and Power Optimized for Space Application. IEEE Trans. Very Large Scale Integr. Syst. 2019, 27, 407–415. [Google Scholar] [CrossRef]
- Dodd, P.E.; Massengill, L.W. Basic Mechanisms and Modeling of Single-Event Upset in Digital Microelectronics. IEEE Trans. Nucl. Sci. 2003, 50, 583–602. [Google Scholar] [CrossRef]











Disclaimer/Publisher’s Note: The statements, opinions and data contained in all publications are solely those of the individual author(s) and contributor(s) and not of MDPI and/or the editor(s). MDPI and/or the editor(s) disclaim responsibility for any injury to people or property resulting from any ideas, methods, instructions or products referred to in the content. |
© 2025 by the authors. Licensee MDPI, Basel, Switzerland. This article is an open access article distributed under the terms and conditions of the Creative Commons Attribution (CC BY) license (https://creativecommons.org/licenses/by/4.0/).
Share and Cite
Kim, K.-W.; Jeong, E.G.; Jo, S.-H. Radiation-Hardened 20T SRAM with Read and Write Optimization for Space Applications. Appl. Sci. 2025, 15, 11374. https://doi.org/10.3390/app152111374
Kim K-W, Jeong EG, Jo S-H. Radiation-Hardened 20T SRAM with Read and Write Optimization for Space Applications. Applied Sciences. 2025; 15(21):11374. https://doi.org/10.3390/app152111374
Chicago/Turabian StyleKim, Kon-Woo, Eun Gyo Jeong, and Sung-Hun Jo. 2025. "Radiation-Hardened 20T SRAM with Read and Write Optimization for Space Applications" Applied Sciences 15, no. 21: 11374. https://doi.org/10.3390/app152111374
APA StyleKim, K.-W., Jeong, E. G., & Jo, S.-H. (2025). Radiation-Hardened 20T SRAM with Read and Write Optimization for Space Applications. Applied Sciences, 15(21), 11374. https://doi.org/10.3390/app152111374

