Comparative Analysis of High-Voltage High-Frequency Pulse Generation Techniques for Pockels Cells
Abstract
1. Introduction
2. Main Challenges and Thermal Management in Designing High-Voltage High-Frequency Pulse Generators for Pockels Cells
- Achieving high-voltage pulse accuracy and stability [11];
- Ensuring compatibility with a wide range of Pockels cells, typically with capacitances ranging from 1 pF to 100 pF [2];
- Maximizing driver efficiency and long-term reliability [11] while maintaining robust electrical and thermal performance over time;
- Minimizing pulse rise and fall times, especially at kilovolt-level switching;
- Reducing physical size and cost [5].
2.1. Air Cooling
- Natural and forced air cooling. Natural air cooling relies on passive convection to dissipate heat and is suitable for systems with low thermal output. In contrast, forced air cooling enhances heat dissipation using fans and heat sinks, making it effective for higher-power applications.
- Piezoelectric dual cooling jets. This method utilizes resonating piezoelectric disks to generate airflow with minimal power consumption. It is particularly advantageous for portable and space-constrained applications such as microelectromechanical systems (MEMSs) and LED drivers.
- Thermoacoustic cooling. In this technique, high-frequency acoustic waves generate airflow. While it offers a compact and mechanical-free solution, its low efficiency and limited cooling capacity restrict its use to small-scale systems.
- Electrohydrodynamic (EHD) cooling. EHD cooling employs corona discharge to induce airflow without moving parts, resulting in a quiet and efficient operation. However, due to insulation challenges posed by the high-voltage nature of the corona discharge, it is not commonly used in high-voltage applications.
2.2. Solid-State Cooling
- Heat sinks with thermal interface materials (TIMs). This is the most common passive cooling method. Selecting an appropriate TIM is crucial to ensure efficient heat transfer and effective power dissipation [13].
- Thermoelectric cooling (TEC). TECs operate based on the Peltier effect, where heat is either absorbed or released at the junctions of dissimilar materials when electric current flows through them. This method offers precise temperature control, quick thermal response, compact form factor, and low noise operation. However, TECs are generally not suitable for high-power-density applications unless combined with supplemental cooling methods such as heat pipes, air, or liquid cooling systems.
2.3. Liquid Cooling
- Immersion cooling. Entire circuits or specific components are fully submerged in a dielectric liquid such as mineral oil, silicone oil, fluorinated fluids, or deionized water. This allows direct heat transfer from the components to the liquid.
- Jet impingement cooling. High-velocity jets of dielectric coolant are targeted at thermal hotspots on components or PCB areas, providing efficient localized cooling.
- Cold plates and microchannel cooling. Cold plates or microchannel heat sinks are attached directly to heat-generating components. Liquid coolant is pumped through internal channels within these structures, efficiently carrying heat away from the source.
2.4. Phase-Change Cooling
- Two-phase immersion cooling. Electronic components such as PCBs and transistors are fully submerged in a dielectric fluid that boils upon absorbing heat. The resulting vapor rises and condenses on cooler surfaces (e.g., vessel walls or heat exchangers) and then returns to the liquid phase, creating a passive, self-sustaining circulation loop.
- Heat pipes [14]. These are sealed metal tubes containing a small amount of working fluid (e.g., water or alcohol) and an internal wick structure. When heated, the fluid vaporizes and travels to the cooler end of the pipe, where it condenses and releases latent heat. The condensed fluid is then drawn back to the hot end via capillary action, enabling efficient heat transport.
- Solid phase-change materials (PCMs). These materials absorb or release thermal energy by melting or solidifying at specific temperatures. They are effective for buffering thermal spikes and maintaining temperature stability over short durations.
2.5. Summary of Cooling Methods
3. High-Voltage High-Frequency Pulse Generation Methods
3.1. Vacuum Tubes
3.2. Voltage Multiplier Circuits
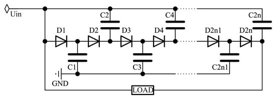
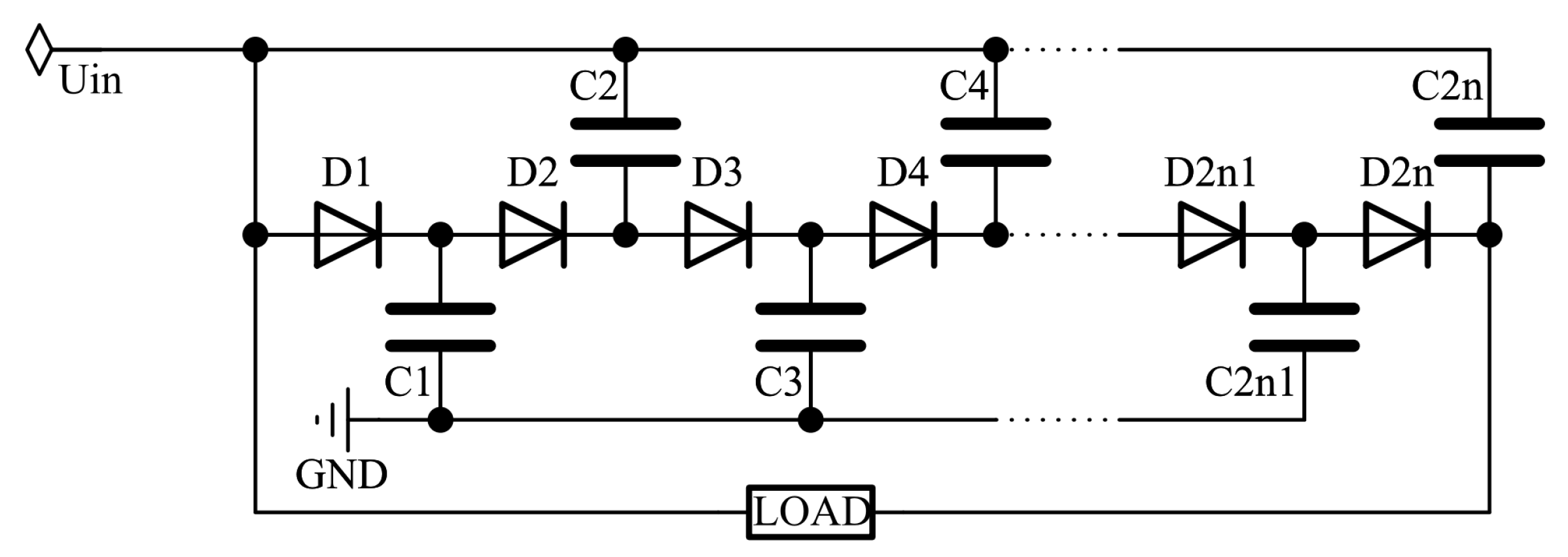
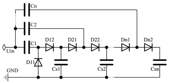
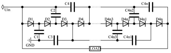
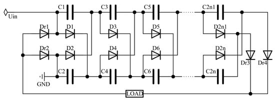
3.2.1. Cockcroft–Walton Voltage Multiplier
3.2.2. Karthaus–Fischer Voltage Multiplier
3.2.3. Dickson Voltage Multiplier
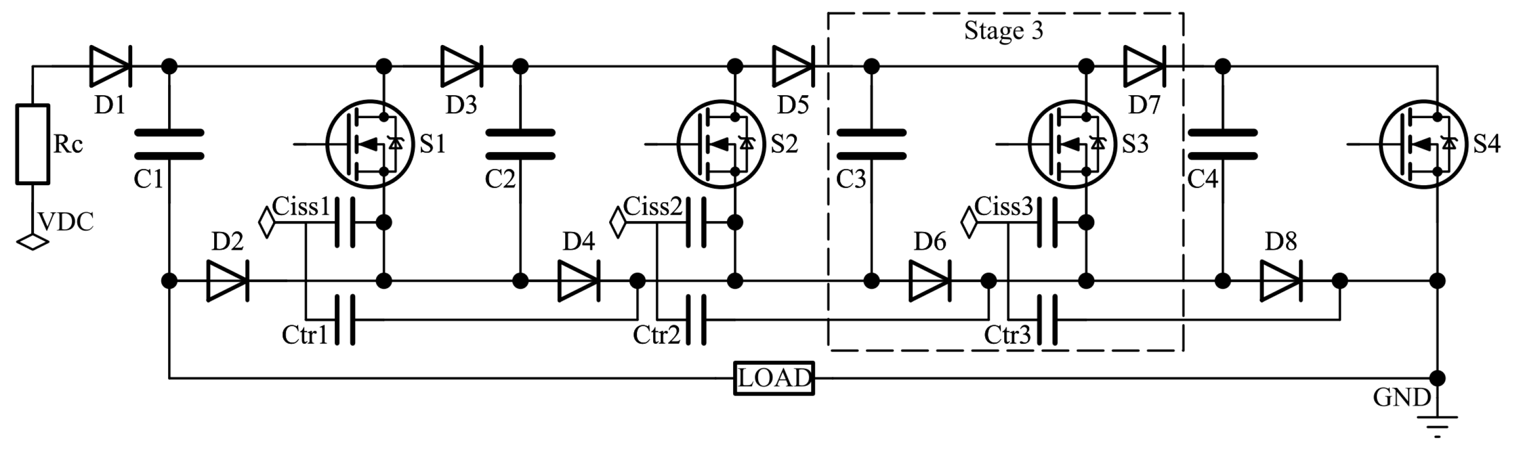
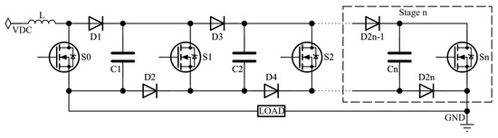
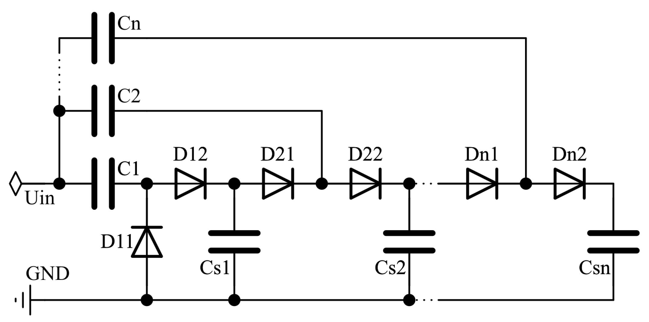
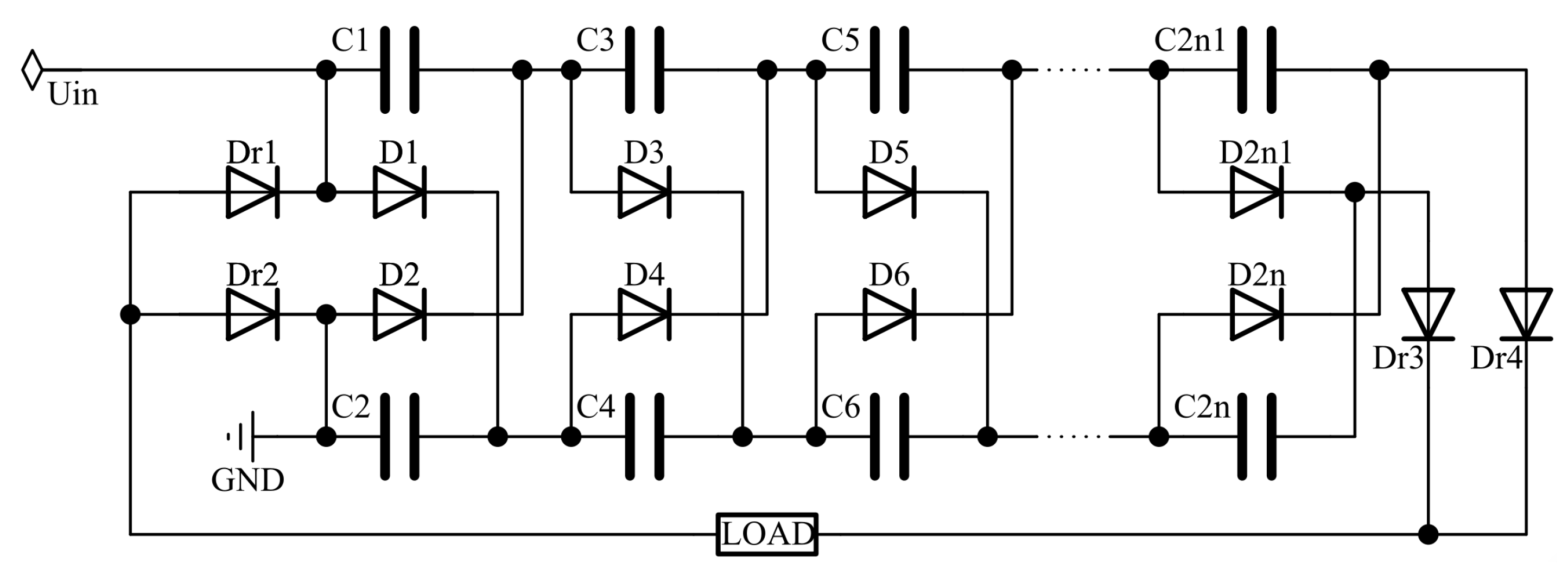
3.2.4. Hybrid Cockcroft–Walton and Dickson Voltage Multiplier
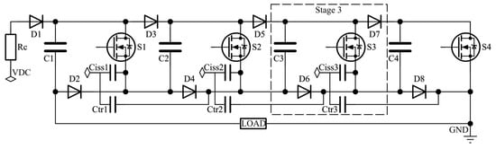
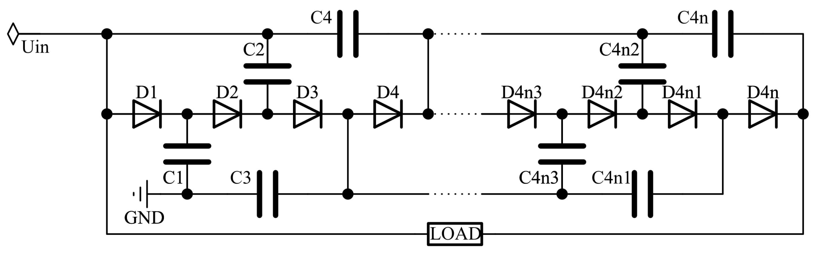
3.2.5. Capacitor Diode Voltage Multiplier Type A
3.2.6. Summary of Voltage Multiplier Circuits
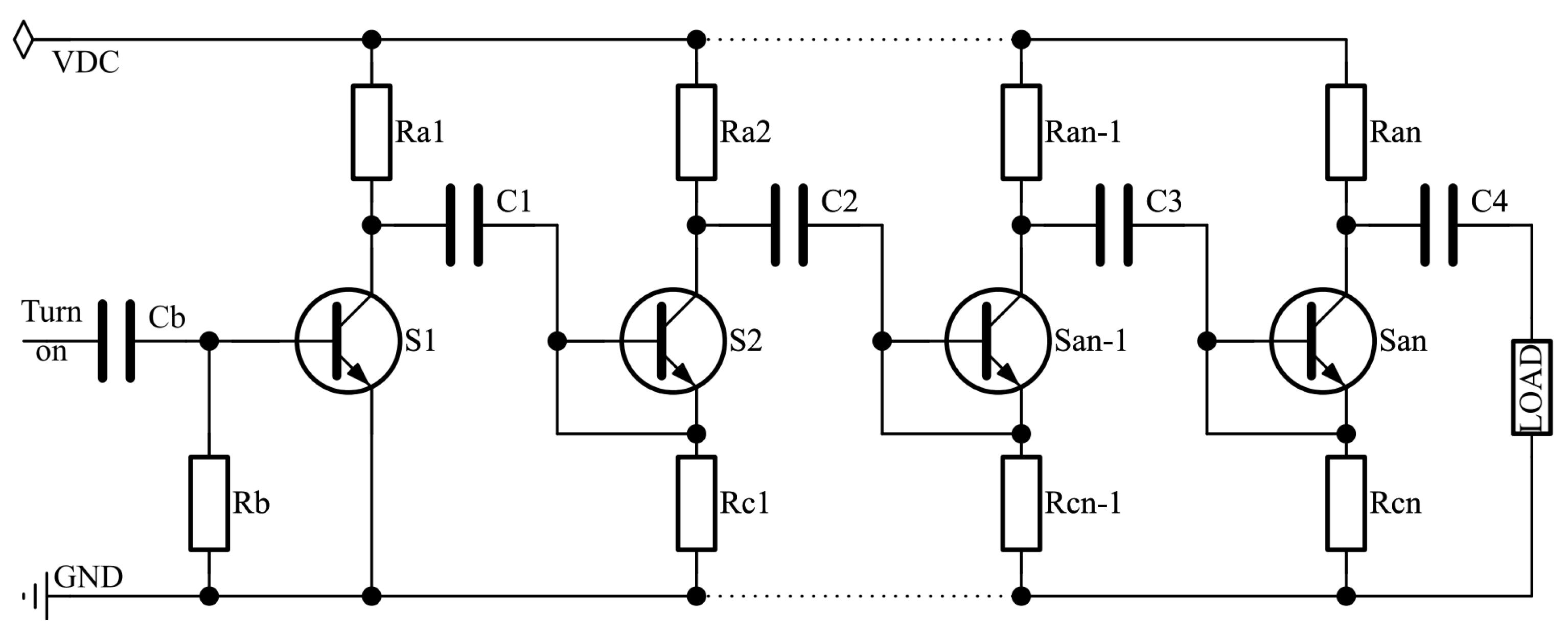
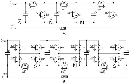
3.3. Marx Generator
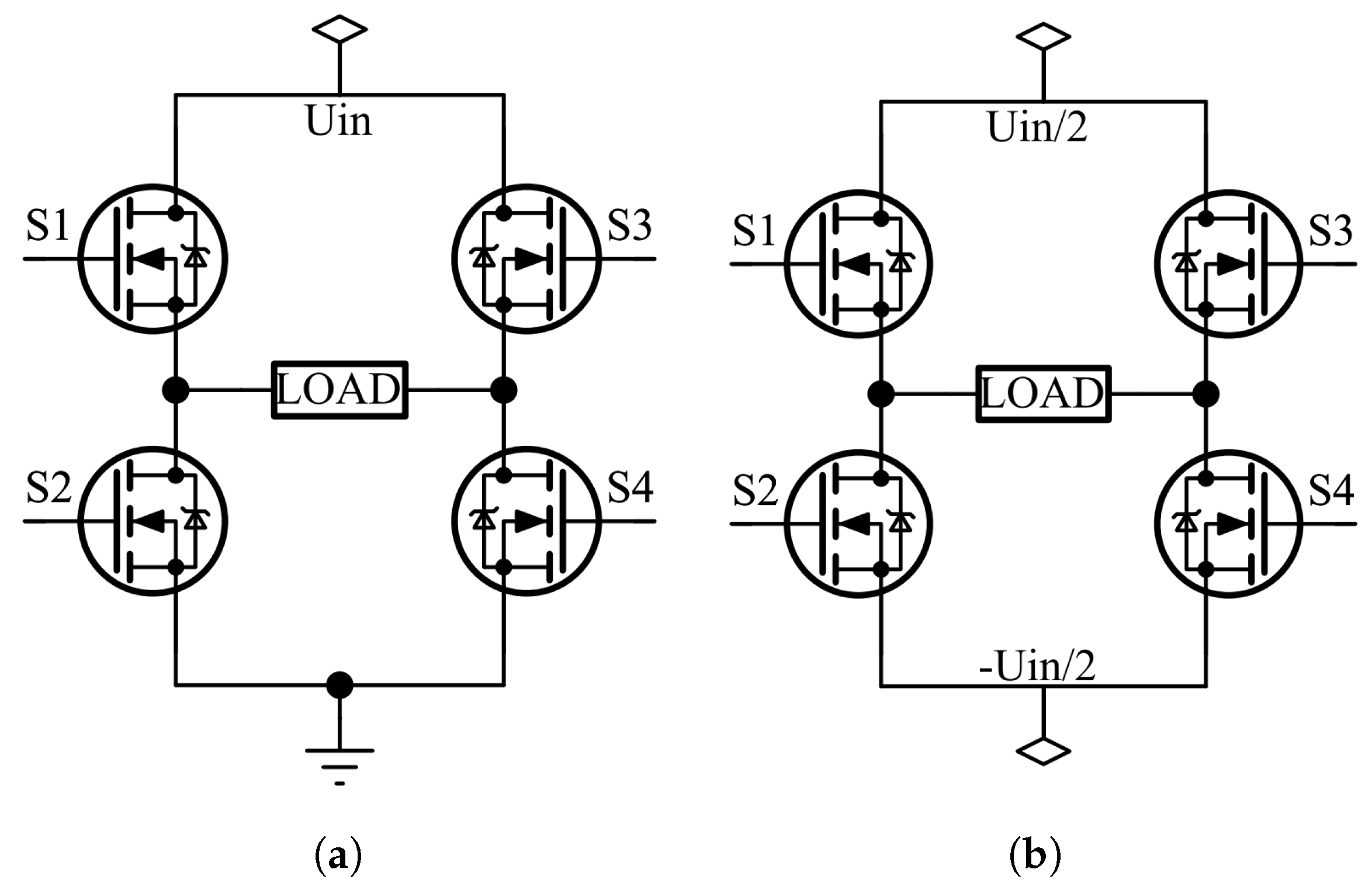
3.4. Blumlein Structure
- High output voltage, typically reaching up to tens of kilovolts;
- High repetition rates, ranging from 200 kHz [23] to 5 MHz in advanced designs.
- Limited pulse duration flexibility due to the fixed length of the transmission lines;
- Relatively slow slew rates, with typical rise and fall times around 20 ns [32].
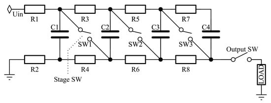
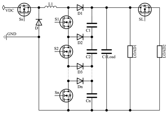
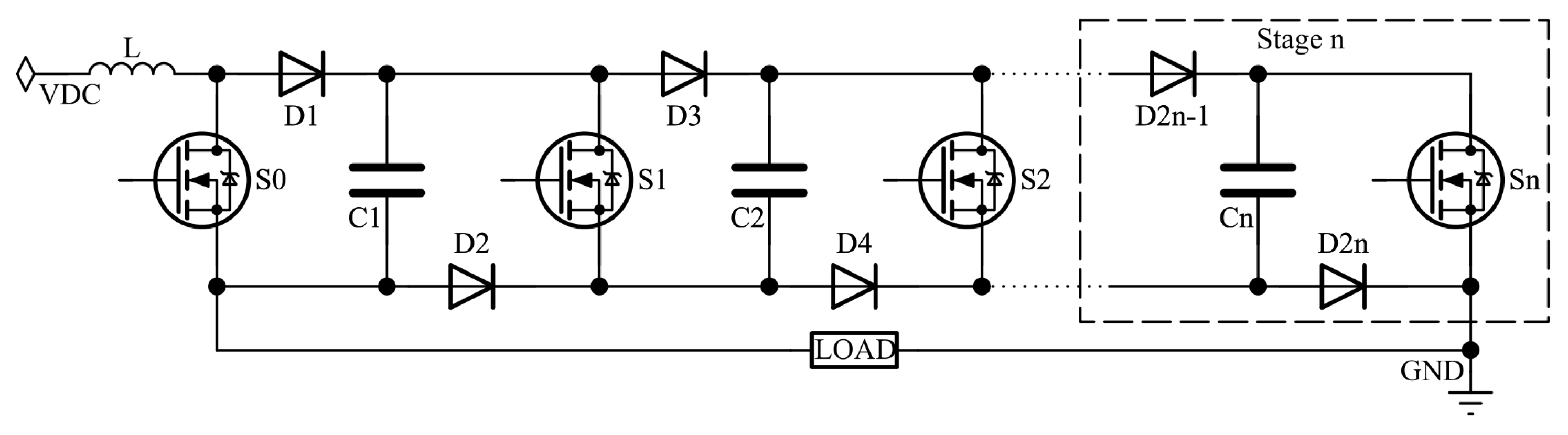
3.5. Pulse-Forming Network
- PFN combined with switches and modulation resistors [24];
- PFN combined with transformer—boost output voltage, but increases cost and size;
- PFN combined with Marx circuit—combines the waveform shaping of PFNs with the voltage multiplication of Marx circuits;
- PFN combined with boost converter—improves both amplitude and energy efficiency.
- Simple and reliable design;
- Consistent and well-defined pulse shapes;
- Compatibility with modern power electronics.
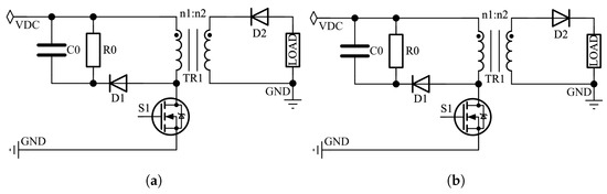
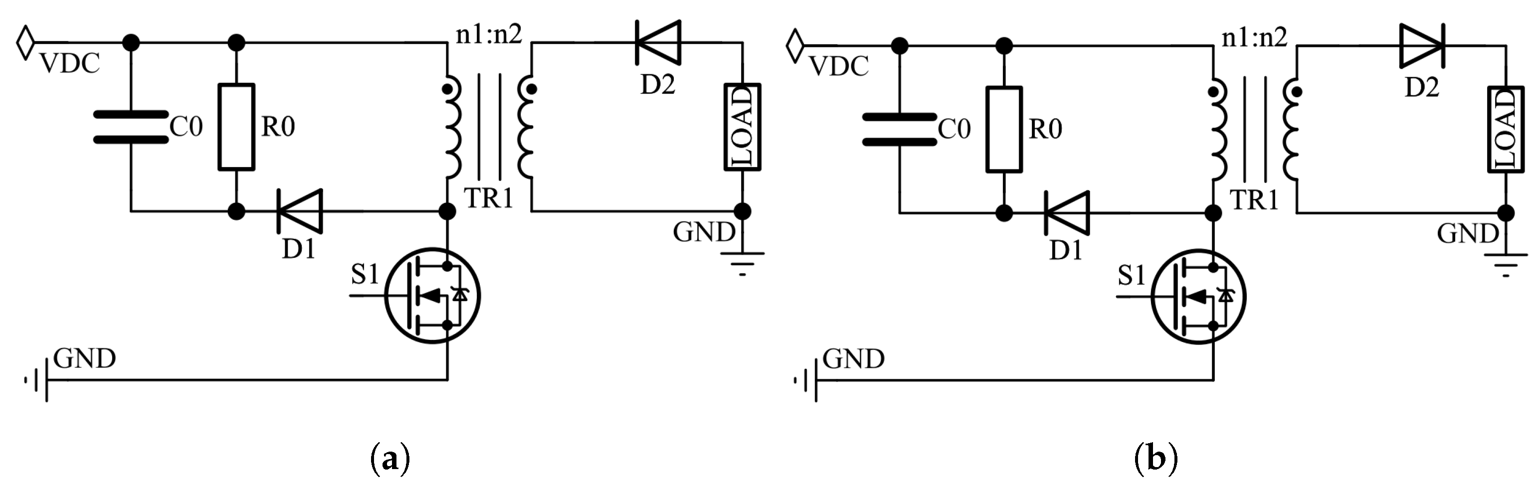
3.6. Tesla Transformer (Magnetic Circuits)
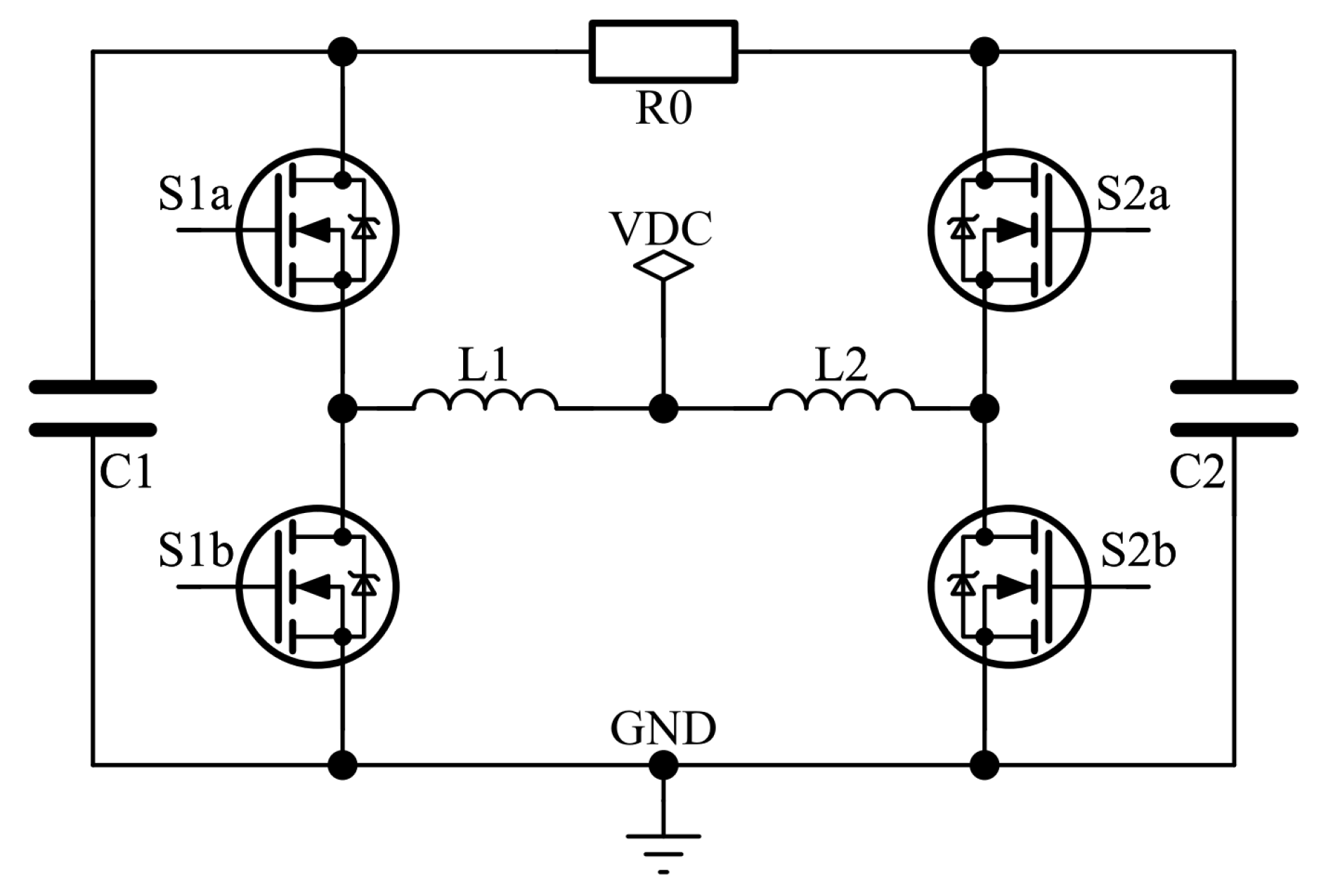
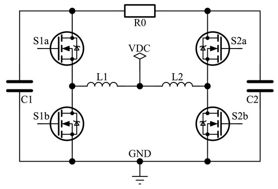
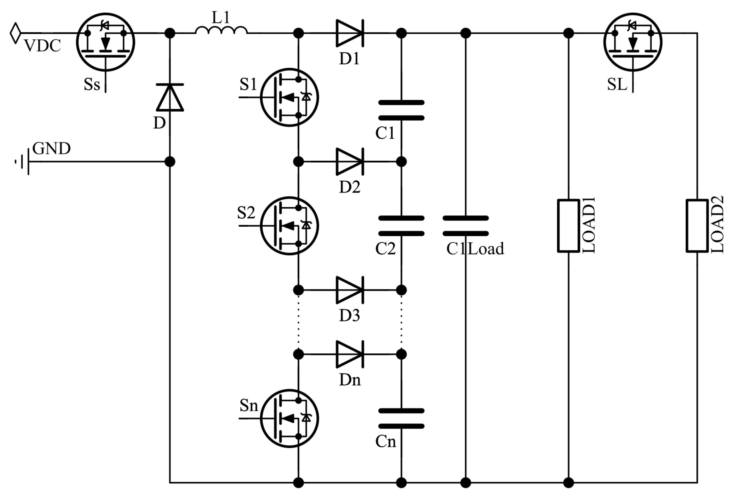
3.7. Switching-Mode Power Supply-Based High-Voltage Pulse Generation Circuits
- Switch selection—semiconductor switches must withstand high voltage and current stress while offering fast and reliable performance. Wide-bandgap devices such as SiC and GaN are promising options.
- Parasitic effects—minimizing parasitic inductance and capacitance is critical, as they can degrade switching speed and distort pulse waveforms.
- Thermal management—effective cooling and heat dissipation are essential for maintaining reliability and performance.
- Gate driver design—gate drivers must be optimized for fast, synchronized switching under high-voltage conditions.
- Integration with other stages—SMPS can be combined with pulse-forming networks or voltage multiplier circuits to enhance output voltage and pulse characteristics.
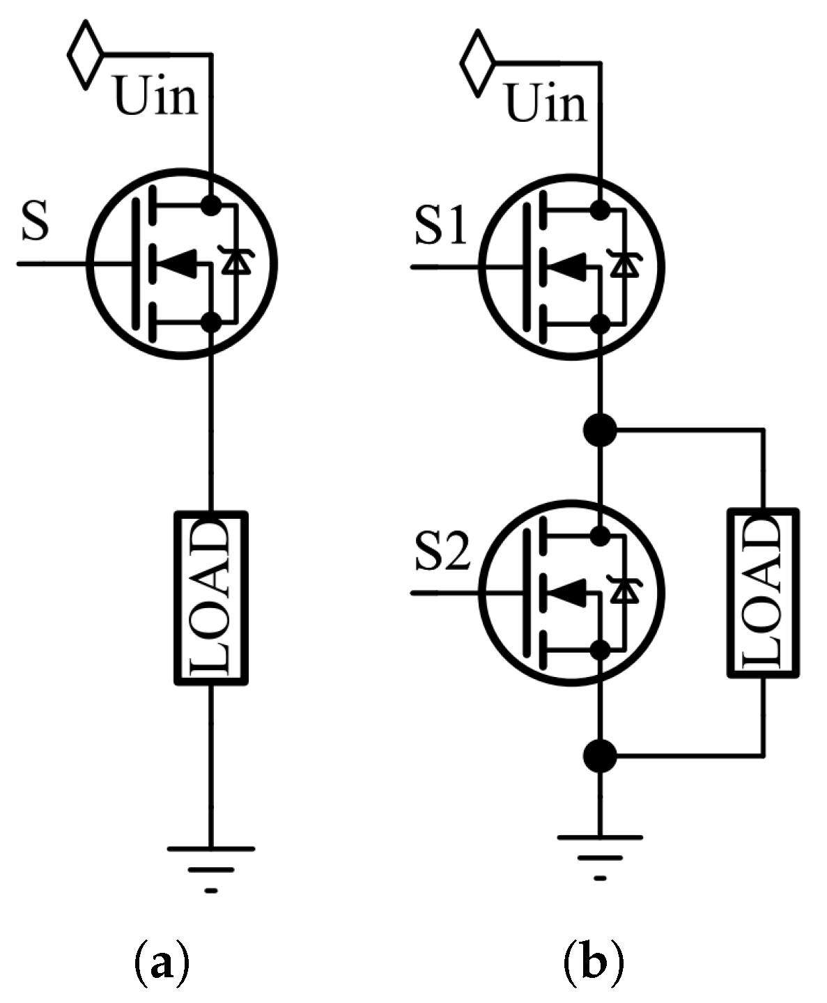
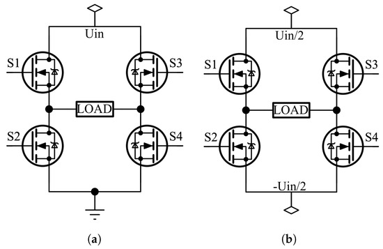
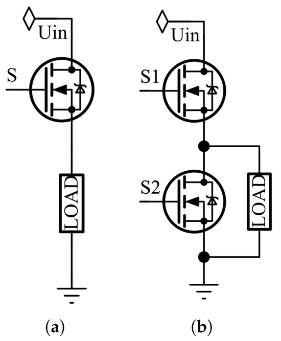
3.8. Solid-State Switches
3.9. High-Voltage OPAMPs
3.10. Control Circuits
4. Comparison of High-Voltage High-Frequency Generator Architectures
5. Conclusions
Author Contributions
Funding
Data Availability Statement
Conflicts of Interest
Abbreviations
| ABJT | Avalanche Bipolar Junction Transistor |
| AC | Alternating Current |
| BJT | Bipolar Junction Transistor |
| BMPG | Boosted Modular Pulse Generator |
| CDVM-A | Capacitor Diode Voltage Multiplier Type A |
| CWVM | Cockcroft–Walton Voltage Multiplier |
| DC | Direct Current |
| DCP | Dickson Charge Pump |
| DVM | Dickson Voltage Multiplier |
| EHD | Electrohydrodynamic |
| FET | Field-Effect Transistor |
| FPGA | Field-Programmable Gate Array |
| GaN | Gallium Nitride |
| HCWDVM | Hybrid Cockcroft–Walton and Dickson Voltage Multiplier |
| HVPG | High-Voltage Pulse Generator |
| IGBT | Insulated-Gate Bipolar Transistor |
| KFVM | Karthaus–Fischer Voltage Multiplier |
| LED | Light-Emitting Diode |
| MCU | Micocontroller Unit |
| MEMS | Microelectromechanical System |
| MOSFET | Metal-Oxide-Semiconductor Field-Effect Transistor |
| OPAMP | Operational Amplifier |
| PA | Power Amplifier |
| PCB | Printed Circuit Board |
| PCM | Phase-Change Material |
| PFL | Pulse-Forming Line |
| PFN | Pulse-Forming Network |
| Si | Silicon |
| SiC | Silicon Carbide |
| SJ | Super Junction |
| SMPS | Switching-Mode Power Supply |
| SPG | Switching Power Generator |
| TCOX | Thick Central Oxide |
| TEC | Thermoelectric Cooling |
| TIM | Thermal Interface Material |
References
- Zhao, Z.; Mernick, K.; Costanzo, M.; Minty, M. An ultrafast laser pulse picker technique for high-average-current high-brightness photoinjectors. Nucl. Instruments Methods Phys. Res. Sect. A Accel. Spectrometers Detect. Assoc. Equip. 2020, 959, 163586. [Google Scholar] [CrossRef]
- MEETOPTICS|Search & Compare Quality Optics. 2025. Available online: https://www.meetoptics.com/electro-optics-and-electronics/electro-optics/pockels-cells?categories__t_s=Electro-Optics%20%26%20Electronics%3E%3E%3EElectro-Optics%3E%3E%3EPockels%20Cell&suggestion=Pockels%20Cell (accessed on 26 August 2025).
- Mittal, S.; Arvind, K.; Laxmiprasad, A.S.; Pruthvi, S.S. Design and Development of Pockels Cell Driver for Q Switch LASER in Space Applications. IETE J. Res. 2017, 63, 694–699. [Google Scholar] [CrossRef]
- Kim, H.S.; Yu, C.H.; Jang, S.R.; Kim, G.H. Solid-State Pulsed Power Modulator with Fast Rising/Falling Time and High Repetition Rate for Pockels Cell Drivers. IEEE Trans. Ind. Electron. 2019, 66, 4334–4343. [Google Scholar] [CrossRef]
- Zhuge, Y.; Liang, J.; Fu, M.; Long, T.; Wang, H. Comprehensive Overview of Power Electronics Intensive Solutions for High-Voltage Pulse Generators. IEEE Open J. Power Electron. 2024, 5, 21–40. [Google Scholar] [CrossRef]
- Wang, J.; Zhou, X.; Li, J.; Zhao, T.; Huang, A.Q.; Callanan, R.; Husna, F.; Agarwal, A. 10-kV SiC MOSFET-Based Boost Converter. IEEE Trans. Ind. Appl. 2009, 45, 2056–2063. [Google Scholar] [CrossRef]
- Pachowicz, K. High-Voltage Power Supply for High Repetitive Rate Marx Generator with Quasi-Resonant Zero-Current Switching Transistor Control Algorithm. Energies 2022, 15, 6902. [Google Scholar] [CrossRef]
- Ranjan, A.; Abhishek, A.; Kumar, N.; Verma, B.K. Review of Nanosecond Pulse Generator with High-Power Switching Devices. IEEE Trans. Electron Devices 2024, 71, 5165–5176. [Google Scholar] [CrossRef]
- Neumannn, R.; Stehr, U.; Hein, M.A. High-Voltage Driver Circuits for Electro-Optical RF Modulators. In Proceedings of the International Conference on Electromagnetics in Advanced Applications, ICEAA, Lisbon, Portugal, 2–6 September 2024; Institute of Electrical and Electronics Engineers Inc.: Piscataway, NJ, USA, 2024; pp. 533–538. [Google Scholar] [CrossRef]
- Mohseni, P.; Husev, O.; Vinnikov, D. Thermal Management Experience in GaN-Based DC-DC Converter. In Proceedings of the CPE-POWERENG 2024—18th International Conference on Compatibility, Power Electronics and Power Engineering, Proceedings, Gdynia, Poland, 24–26 June 2024. [Google Scholar] [CrossRef]
- Wang, Y.; Ren, L.; Yang, Z.; Shen, S.; Deng, Z.; Yuan, Q.; Ding, W.; Ding, Z. Heat management technology for solid-state high voltage and high repetitive pulse generators: Towards better effects and reliability. High Volt. 2024, 9, 2–21. [Google Scholar] [CrossRef]
- Singamneni, S.; Badcock, R.; Lumsden, G.; Sengkwon, J.; Caughley, A.; Thrimawithana, D.; Tissink, S.; Behera, M.P.; Lv, Y.; Wadsworth, A.; et al. Design for Additive Manufacturing and Thermal Management in GaN-Based Power Electronics Systems. In Proceedings of the IEEE Southern Power Electronics Conference, SPEC, Brisbane, Australia, 2–5 December 2024. [Google Scholar] [CrossRef]
- Pal, D.; Severson, M. Thermal Interface Materials for Power Electronics Application. In Proceedings of the 2025 41st Semiconductor Thermal Measurement, Modeling & Management Symposium (SEMI-THERM), San Jose, CA, USA, 10–14 March 2025. [Google Scholar]
- Zhang, X.; Iosifidis, N.; Wu, Y.; Wan, H.; Wei, J.; Liu, L.; Wang, X.; Li, W.; Wu, K.; Li, J.; et al. A Comparative Study of Thermal Management Strategies for Overcurrent in Aircraft Power Electronics Applications. IEEE J. Emerg. Sel. Top. Power Electron. 2025, 13, 4488–4503. [Google Scholar] [CrossRef]
- Poggi, T. Algorithms for the implementation of a low level RF control system for a klystron amplifier. Nucl. Instruments Methods Phys. Res. Sect. A Accel. Spectrometers Detect. Assoc. Equip. 2013, 729, 506–516. [Google Scholar] [CrossRef]
- Wen, C.K.; Joshi, S.A.; Chen, S.C.; Tsai, C.J.; Chan, S.Y.; Sun, H.; Chiu, T.W. Copper nitride films with high p-type conductivity fabricated by incorporating middle-frequency pulse into high power impulse magnetron sputtering. Ceram. Int. 2025, 51, 22793–22802. [Google Scholar] [CrossRef]
- Hu, B.; Li, H.; Li, T.; Wang, H.; Zhou, Y.; Zhao, X.; Hu, X.; Du, X.; Zhao, Y.; Li, X.; et al. A long-distance high-power microwave wireless power transmission system based on asymmetrical resonant magnetron and cyclotron-wave rectifier. Energy Rep. 2021, 7, 1154–1161. [Google Scholar] [CrossRef]
- Wu, Y.; Liu, W.; Chen, J.; Sun, X.; Zhang, T. A Novel PWM Signal-Generation Strategy for Pockels Cell Drivers. Photonics 2023, 10, 866. [Google Scholar] [CrossRef]
- Xu, Y.; Chen, W.; Liang, H.; Li, Y.H.; Liang, F.T.; Shen, Q.; Liao, S.K.; Peng, C.Z. Megahertz high voltage pulse generator suitable for capacitive load. AIP Adv. 2017, 7, 115210. [Google Scholar] [CrossRef]
- Nakashima, D.; Kino, Y.; Eguchi, K. Design of a bipolar Dickson voltage multiplier suitable for low output voltage conditions to provide efficient food processing. Energy Rep. 2023, 9, 207–213. [Google Scholar] [CrossRef]
- Ahmed, N.; Khan, N.; Abbas, T. An Inverter-Fed Cockcroft-Walton Multiplier Based High Voltage DC Source for Tokamak. In Proceedings of the 2022 International Conference on Emerging Trends in Electrical, Control, and Telecommunication Engineering, ETECTE 2022—Proceedings, Lahore, Pakistan, 2–4 December 2022; Institute of Electrical and Electronics Engineers Inc.: Piscataway, NJ, USA, 2022. [Google Scholar] [CrossRef]
- Ballo, A.; Grasso, A.D.; Palumbo, G. Comparison of the Wide-Frequency Range Dynamic Behavior of the Dickson and Cockcroft-Walton Voltage Multipliers. In Proceedings of the 2021 IEEE International Midwest Symposium on Circuits and Systems (MWSCAS), Lansing, MI, USA, 9–11 August 2021; pp. 348–351. [Google Scholar] [CrossRef]
- Ma, J.; Yu, L.; Ren, L.; Liao, Y.; Dong, S.; Yao, C. High Voltage Nanosecond Pulse Generator based on Inductive Energy Storage with Adjustable Pulse Width. In Proceedings of the 2022 IEEE International Conference on High Voltage Engineering and Applications, ICHVE 2022, Chongqing, China, 25–29 September 2022; Institute of Electrical and Electronics Engineers Inc.: Piscataway, NJ, USA, 2022. [Google Scholar] [CrossRef]
- Ma, J.; Ren, L.; Yu, L.; Yao, C.; Dong, S. 10.7kV nanosecond pulse generator based on pulse forming line and variable impedance transmission line transformer. In Proceedings of the 2023 IEEE Pulsed Power Conference (PPC), San Antonio, TX, USA, 25–29 June 2023. [Google Scholar] [CrossRef]
- Zhong, Z.; Rao, J.; Liu, H.; Redondo, L.M. Review on Solid-State-Based Marx Generators. IEEE Trans. Plasma Sci. 2021, 49, 3625–3643. [Google Scholar] [CrossRef]
- Wu, F.; Yao, C.; Chen, Y.; Yu, L.; Dong, S.; Wang, H. All-Solid-State Ultrashort Pulse Generator by Capacitive Chopping Circuit. IEEE Trans. Power Electron. 2023, 38, 9897–9906. [Google Scholar] [CrossRef]
- Jeong, W.C.; Lee, J.Y.; Choi, M.K.; Ryoo, H.J. Implementation of the 160kV High Voltage DC/DC Converter. In Proceedings of the ICPE 2023-ECCE Asia—11th International Conference on Power Electronics—ECCE Asia: Green World with Power Electronics, Jeju Island, Republic of Korea, 22–25 May 2023; pp. 2867–2872. [Google Scholar] [CrossRef]
- Jin, Y.; Cheng, L. An Inductive Isolation-Based 10 kV Modular Solid Boost-Marx Pulse Generator. Electronics 2023, 12, 1586. [Google Scholar] [CrossRef]
- Zeng, W.; Yao, C.; Dong, S.; Wang, Y.; Ma, J.; He, Y.; Yu, L. Self-Triggering High-Frequency Nanosecond Pulse Generator. IEEE Trans. Power Electron. 2020, 35, 8002–8012. [Google Scholar] [CrossRef]
- He, Y.; You, X.; Ma, J.; Yu, L.; Zeng, W.; Dong, S.; Zhang, Z.; Yao, C. A Polarity-Adjustable Nanosecond Pulse Generator Suitable for High Impedance Load. IEEE Trans. Plasma Sci. 2020, 48, 3409–3417. [Google Scholar] [CrossRef]
- Chen, Y.; Meng, Y.; Xie, Y. Investigation of Output Influencing Factors in Coaxial Blumlein Rectangular Pulse Generator. IEEE Trans. Plasma Sci. 2025, 53, 398–404. [Google Scholar] [CrossRef]
- Yang, S.; Yu, R.; Sun, J.; Sun, Y.; Chen, R.; Gao, J. Study on a Coaxial Stacked Blumlein Pulse Generator With Inner Conductors Connected in Parallel. IEEE Trans. Plasma Sci. 2024, 52, 5241–5248. [Google Scholar] [CrossRef]
- Ma, J.; Yu, L.; Ren, L.; Yao, C.; Dong, S.; Ma, J.; Xu, W. Nanosecond Pulse Generator Based on Inductive Energy Storage Forming Line with Impedance Matching Modulation Capability. IEEE Trans. Ind. Electron. 2024, 71, 15643–15653. [Google Scholar] [CrossRef]
- Kermadi, M.; Hossain, Z.; Mekhilef, S.; Mubin, M.; Mokhlis, H. A Half-bridge Evaluation Board for Prototyping Power Converters using Sillicon Carbide (SiC) Switching Devices. In Proceedings of the 4th International Conference on Smart Grid and Renewable Energy, SGRE 2024—Proceedings, Doha, Qatar, 8–10 January 2024; Institute of Electrical and Electronics Engineers Inc.: Piscataway, NJ, USA, 2024. [Google Scholar] [CrossRef]
- Barbosa, F.; Arnold, P.A.; Mchale, G.B.; James, G.; Brown, G.; Cook, E.G.; Hickman, B.C. Development of Solid-State Drivers for the NIF Plasma Electrode Pockels Cell. In Proceedings of the 2008 IEEE International Power Modulators and High-Voltage Conference, Las Vegas, NV, USA, 27–31 May 2008. [Google Scholar]
- Trivedi, S.S.; Sant, A.V. Comparative analysis of dual active bridge dc–dc converter employing Si, SiC and GaN MOSFETs for G2V and V2G operation. Energy Rep. 2022, 8, 1011–1019. [Google Scholar] [CrossRef]
- Glashauser, M.; Kreutzer, O. Why Are Conventional Si MOSFETs Better Than SiC and GaN in Low Power Applications? In Proceedings of the WiPDA Asia 2023—IEEE Workshop on Wide Bandgap Power Devices and Applications in Asia, Hsinchu, Taiwan, 27–29 August 2023. [CrossRef]
- Siemieniec, R.; Wattenberg, M.; Kocaaga, E.; Jagannath, S.; Kahrimanovic, E.; Bhandari, J.; Shim, H.; Pignatelli, A. 400V SiC MOSFET empowering three-level topologies for highly efficient applications from motor-drives to AI. Power Electron. Devices Components 2025, 12, 100104. [Google Scholar] [CrossRef]
- Huang, Z.H.; Tang, S.W.; Fan, C.T.; Lin, M.C.; Wu, T.L. Dynamic on-resistance stability of SiC and GaN power devices during high-frequency (100–300 kHz) hard switching and zero voltage switching operations. Microelectron. Reliab. 2023, 145, 114983. [Google Scholar] [CrossRef]
- Wang, T.; Zhong, Y.; Luo, L.; Zeng, F.; Zhao, Z.; Cui, Y.; Xu, M.; Xu, X.; Linewih, H.; Han, J. Temperature dependence of dynamic performance of SiC MOSFETs in a half-bridge configuration. Microelectron. J. 2025, 160, 106672. [Google Scholar] [CrossRef]
- Chen, Y.; Du, J.; Feng, L.; Xiao, J.; Zhang, J.; He, Y. Comparative Study on Driving Switching Characteristics of GaN-FET and SiC-MOSFET in Transient High Voltage Pulse Discharge Circuit. In Proceedings of the 7th IEEE International Conference on High Voltage Engineering and Application, ICHVE 2020—Proceedings, Beijing, China, 6–10 September 2020. [Google Scholar] [CrossRef]
- Cheng, J.; Zhang, Y.; Cheng, X.; Guo, K.; Wang, Y.; Jiang, M.; Wang, Y.; Liu, Y. Thermal behavior and switching losses of MOSFET in high-frequency transformer circuits. Case Stud. Therm. Eng. 2025, 73, 106643. [Google Scholar] [CrossRef]
- Han, L.; Liang, L.; Wang, Y.; Tang, X.; Bai, S. Performance limits of high voltage press-pack SiC IGBT and SiC MOSFET devices. Power Electron. Devices Components 2022, 3, 100019. [Google Scholar] [CrossRef]
- Qing, Z.; Liang, L.; Liu, T. Transient turn-on characteristics of Si RBDT and SiC MOSFET under nanosecond current pulse range. Solid-State Electron. 2024, 217, 108953. [Google Scholar] [CrossRef]
- Zhang, J.; Jiang, Y.; Huang, H.; Zhang, Z.; Cheng, J.; Yi, B.; Yang, H.; Wang, Z. Superjunction SiC TCOX-MOSFET: Study and Comparison. In Proceedings of the 2022 IEEE 16th International Conference on Solid-State and Integrated Circuit Technology, ICSICT 2022, Nangjing, China, 25–28 October 2022. [Google Scholar] [CrossRef]
- Yu, L.; Sun, W.; Yao, C.; Dong, S.; Li, K.; He, D.; Jin, Y.; Bo, Z. A Novel Boost Marx Pulse Generator Based on Single-Driver Series-Connected SiC MOSFETs. IEEE Trans. Ind. Electron. 2024, 71, 2070–2079. [Google Scholar] [CrossRef]
- Feizi, M.; Vermulst, B. A modular high-voltage pulse generator based on transformer charging with high boosting capability and low-voltage dc input. In Proceedings of the 2023 11th International Conference on Power Electronics and ECCE Asia (ICPE 2023—ECCE Asia), Jeju Island, Republic of Korea, 22–25 May 2023. [Google Scholar]
- Wen, K.; Liang, L.; Yan, X.; Zhang, Z. Avalanche Transistor-Based Marx Generator Provides 1.15-kV/1-MHz Sub-Nanosecond Pulses Due to Triggering Acceleration. IEEE Trans. Plasma Sci. 2024, 52, 2898–2906. [Google Scholar] [CrossRef]
- Zhang, Y.; Ouyang, C.; Wang, Q.; Gao, J.; Zhao, Y.; Ren, X.; Liu, L.; Zhou, Z. A High-Speed High-Voltage Pulse Generator With Adjustable Falling Slope Based on Programable Multi Narrow Pulses Drive Method for Series MOSFETs. IEEE Trans. Power Electron. 2025, 40, 1645–1653. [Google Scholar] [CrossRef]
- Pan, W.; Lv, H.; Liu, K.; Fu, R.; Liu, W.; Huo, Y.; Sun, Y. Design of Multi-channel Pulse Signal Generator with Adjustable Time Sequence. In Proceedings of the 2024 10th Euro-Asian Pulsed Power Conference, 25th International Conference on High-Power Particle Beams and 20th International Symposium on Electromagnetic Launch Technology (EAPPC/BEAMS/EML), Amsterdam, The Netherlands, 22–26 September 2024. [Google Scholar]
- Shu, J.; Sun, J.; Wu, X.; Chen, K.J. A Dynamic Two-Stage Gate Driver for Unlocking the Fast-Switching Potential of GaN HEMT. IEEE Trans. Power Electron. 2025, 40, 4752–4756. [Google Scholar] [CrossRef]
- Ghafoor, S.; Kulkarni, M.; Mirzadarani, R.; Vaessen, P.; Niasar, M.G. A Scalable Isolated Gate Driver With Programmable Frequency and Duty Cycle for Series-Connected SiC MOSFETs. IEEE Open J. Ind. Electron. Soc. 2025, 6, 95–114. [Google Scholar] [CrossRef]
- Ke, J.; Feng, J.; Liu, C.; Guan, Z.; Xu, H.; Zhao, M. Digital Isolator Based on On-Chip Transformer for High-Voltage SiC MOSFET. In Proceedings of the 2023 IEEE 7th Conference on Energy Internet and Energy System Integration, EI2 2023, Hangzhou, China, 15–18 December 2023; pp. 3917–3923. [Google Scholar] [CrossRef]






















| Part Number | PA97 | PA94 | PA95 | PA194 | PA89 | PA99 |
|---|---|---|---|---|---|---|
| Input Voltage | 0.9 kV | 0.9 kV | 0.9 kV | 0.9 kV | 0.2 kV | 2.5 kV |
| Output Current | 10 mA | 100 mA | 200 mA | 100 mA | 75 mA | 50 mA |
| Quiescent Current | 600 μA | 17 mA | 1.6 mA | 25 mA | 4.8 mA | 4 mA |
| Bandwidth | 2 kHz | 300 kHz | 20 kHz | 800 kHz | 5 kHz | 5 kHz |
| Slew Rate | 8 V/μs | 700 V/μs | 30 V/μs | 2.1 kV/μs | 16 V/μs | 30 V/μs |
| Architecture | Voltage | Frequency | Cost | Size | Complexity | Stability | Comments |
|---|---|---|---|---|---|---|---|
| Vacuum Tubes [15,16,17] | Hundreds of kV | Few MHz | +++ | +++ | +++ | ++ | Aging effects |
| Voltage Multipliers [21,22,23,24] | Tens of kV | Few MHz | + | + | + | ++ | Cheap, compact |
| Marx Generator [25,26,27,28,29] | Hundreds of kV | Few MHz | ++ | ++ | ++ | ++ | Flexible, scalable |
| Blumlein Structure [23,31,32] | Tens of kV | Few MHz | ++ | ++ | ++ | +++ | Rectangular pulses, fixed pulse width |
| Pulse-Forming Networks [24,33] | Tens of kV | Hundreds of kHz | ++ | +++ | ++ | +++ | Simple, robust, flat-top pulses |
| Tesla Transformer [5] | Hundreds of kV | Few kHz | ++ | ++ | ++ | ++ | Resonant, sensitive to tuning |
| Switching-Mode Power Supply [6,7,34] | Tens of kV | Hundreds of kHz | ++ | ++ | +++ | +++ | Compact, modular, precise, flexible. Heat dissipation needed |
| Solid-State Switches [36,37,38,39,40,41,42,43,44] | Tens of kV | Tens of MHz | ++ | + | ++ | +++ | GaN fastest. Sub-ns slew rates |
| High-Voltage OPAMPs (see Table 1) | Few kV | Hundreds of kHz | ++++ | ++ | + | ++ | Expensive, simple design |
Disclaimer/Publisher’s Note: The statements, opinions and data contained in all publications are solely those of the individual author(s) and contributor(s) and not of MDPI and/or the editor(s). MDPI and/or the editor(s) disclaim responsibility for any injury to people or property resulting from any ideas, methods, instructions or products referred to in the content. |
© 2025 by the authors. Licensee MDPI, Basel, Switzerland. This article is an open access article distributed under the terms and conditions of the Creative Commons Attribution (CC BY) license (https://creativecommons.org/licenses/by/4.0/).
Share and Cite
Aleinikov, E.; Barzdenas, V. Comparative Analysis of High-Voltage High-Frequency Pulse Generation Techniques for Pockels Cells. Appl. Sci. 2025, 15, 10830. https://doi.org/10.3390/app151910830
Aleinikov E, Barzdenas V. Comparative Analysis of High-Voltage High-Frequency Pulse Generation Techniques for Pockels Cells. Applied Sciences. 2025; 15(19):10830. https://doi.org/10.3390/app151910830
Chicago/Turabian StyleAleinikov, Edgard, and Vaidotas Barzdenas. 2025. "Comparative Analysis of High-Voltage High-Frequency Pulse Generation Techniques for Pockels Cells" Applied Sciences 15, no. 19: 10830. https://doi.org/10.3390/app151910830
APA StyleAleinikov, E., & Barzdenas, V. (2025). Comparative Analysis of High-Voltage High-Frequency Pulse Generation Techniques for Pockels Cells. Applied Sciences, 15(19), 10830. https://doi.org/10.3390/app151910830

