Next Article in Journal
Designing the Next Generation: A Physical Chemistry Approach to Surface Coating Materials
Previous Article in Journal
Applications of Computational Mechanics Methods Combined with Machine Learning and Neural Networks: A Systematic Review (2015–2025)
 
 
Font Type:
Arial Georgia Verdana
Font Size:
Aa Aa Aa
Line Spacing:
Column Width:
Background:
Article

Quadratic Boost Converter with Reduced Input Current Ripple

by
Bhanu Babaiahgari
1,
Jesus E. Valdez-Resendiz
2,*,
Avelina Alejo-Reyes
3,
Julio C. Rosas-Caro
3,* and
Edgar D. Silva-Vera
2
1
Department of Engineering, Pennsylvania State University, 76 University Drive, Hazleton, PA 18202, USA
2
School of Engineering and Sciences, Tecnologico de Monterrey, Av. Eugenio Garza Sada 2501, Monterrey 64849, Mexico
3
Facultad de Ingenieria, Universidad Panamericana, Alvaro del Portillo 49, Zapopan 45010, Mexico
*
Authors to whom correspondence should be addressed.
Appl. Sci. 2025, 15(19), 10815; https://doi.org/10.3390/app151910815
Submission received: 4 September 2025 / Revised: 6 October 2025 / Accepted: 7 October 2025 / Published: 8 October 2025

Abstract

This article introduces a quadratic boost converter topology that has a low input current ripple compared to other quadratic boost traditional topologies. The proposed converter is inspired by the LCL filter; one of the inductors in the traditional converter is split into two inductors and a capacitor. The proposed converter has more components than its previous version, but two of its inductors are equivalent to the second inductor in the traditional quadratic boost, providing a non-increase in the size while reducing the switching ripple at the input current. These findings suggest that the proposed design is a viable alternative for applications where a quadratic gain is required while a small input current ripple is desirable. A comparative evaluation with a design showed the proposed converter reduced 20% in the stored energy of inductors and still has a reduction of more than 40% in the input current ripple. Simulation and experimental results are provided to demonstrate the principle of the proposition.

1. Introduction

Power electronic converters are essential in modern electronic systems, enabling the transformation of energy across different voltage levels with high efficiency [1]. They have a wide range of applications, from the integration of renewable resources such as photovoltaic installations and fuel cell systems into electrical networks, to the conditioning of energy in storage systems, motor drives, and high-performance power supplies [2,3,4,5]. Continuous advances in converter topologies, semiconductor devices, and control strategies have expanded their operational range, improving efficiency, power density, and reliability [6,7]. Within this landscape, step-up converters remain particularly relevant for interfacing low-voltage sources with higher-voltage buses, motivating ongoing research on architectures capable of achieving large voltage gains while maintaining reduced stress on components and minimizing the current ripples [2,8].
Among the power-conversion technologies, high step-up DC-DC converters bridge low-voltage sources and high-voltage loads or buses in a single stage. An essential step in renewable-energy systems, like photovoltaic energy generation and their integration with DC microgrids [8,9]. They are also relevant in electric transportation and aerospace platforms, where lightweight, compact solutions are required to elevate battery voltages for traction inverters or high-voltage auxiliary units [8,10]. Additional use cases include medical equipment, pulsed-power supplies, and communication base stations, where efficiency, voltage gain, and current quality directly influence overall system performance [11,12]. The search for architectures that provide large conversion ratios while controlling semiconductor stress, conduction losses, and input current ripple has therefore become a key research direction in the development of next-generation high-efficiency converters [8,9,13,14].
An important aspect in the design of high step-up converters is the mitigation of input current ripple. Excessive ripple increases conduction and switching losses, accelerates the ageing of some sources such as fuel cells and photovoltaic modules [8,9]. In applications like DC microgrids or storage elements, large ripple components may propagate through the network, leading to electromagnetic interference and reduced efficiency [15,16]. Some converters use a current ripple cancellation strategy to reduce the input current ripple in DC-DC converters. This strategy consists of having multiple inductive paths arranged to interleave or counteract their pulsating components; these current ripple cancellation strategies have proven effective in alleviating these drawbacks [9,15,17]. By properly shaping the current waveforms of different energy-storage elements, it is possible to achieve a smoother input profile without compromising the size of inductors, thereby enhancing the operation and performance of the conversion stage [8,10,17].
Within the family of step-up topologies, quadratic boost converters can achieve large voltage gains with a relatively simple structure, making them attractive for applications demanding compactness and high efficiency [9,12].
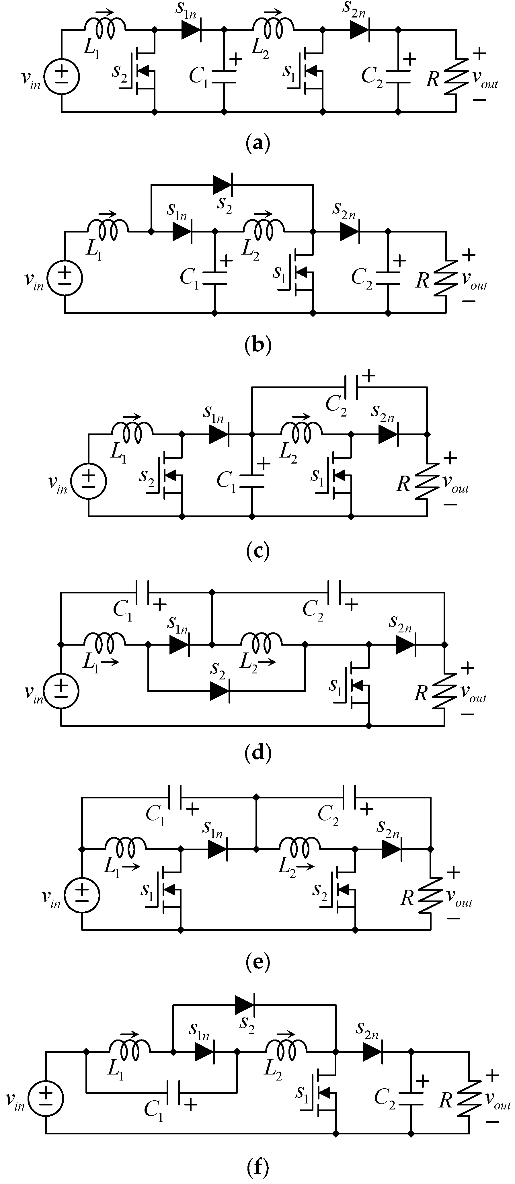
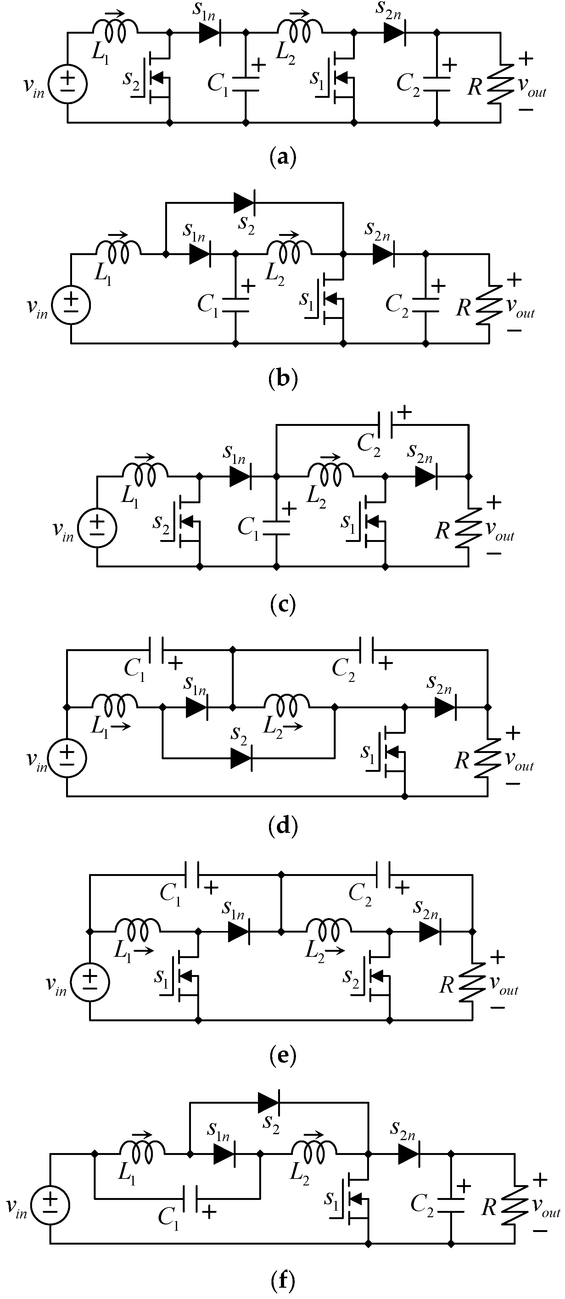
A quadratic boost converter can be synthesized with two cascaded connected boost converters, as shown in Figure 1a. The well-known single switch quadratic boost topology, initially introduced in [18], is shown in Figure 1b. This is now known as the traditional quadratic boost converter; several research works have been dedicated to this topology, including its modelling and control [19,20] and the research on other topologies and applications [21,22,23].
Several contributions have been recently proposed in the field of quadratic boost converters. One example is the so-called Multistage-Stacked Boost Architecture (MSBA) Converter (see Figure 1c), initially introduced in [24,25]. It is a quadratic boost converter that can be extended to several levels with the same structure. Some studies have been dedicated to analyzing the size of capacitors and trying to reduce it [26,27]. From the input current point of view, it has the same switching ripple as the cascaded boost (Figure 1a) and the traditional quadratic boost (Figure 1b).
Another recent contribution in the field is the so-called stackable quadratic boost converter (see Figure 1d), proposed in [28]. This topology is based on modular switching stages that can be easily stacked to increase the output voltage gain, achieving an exponential extension of the quadratic boost concept. One of its main advantages is that it requires only a single active switch, and capacitors are rated to a relatively low voltage.
Another recent contribution is the Low Energy Storage Quadratic Boost Converter (LES-QBC) [29] (see Figure 1e). This topology, as [28], requires capacitors rated to a low voltage, but it requires two transistors; in this case, the output voltage has a smaller ripple compared to the single transistor version [28]. Another relevant contribution is the quadratic boost converter with low buffer capacitor stress (see Figure 1f), proposed in [21,30]. Another quadratic boost converter that reduces on the first capacitor (the buffer capacitor). This allows the use of one small capacitor, but the second capacitor is a normal size (equal to the traditional quadratic boost).
Comparing the different converters recently introduced to the literature, the MSBA converter (Figure 1c), the traditional topology of quadratic boost (Figure 1b), and the cascaded boost (Figure 1a), has a continuous input current. The other topologies sacrifice the continuity of the input current to have an improvement related to the capacitors. And then they obtain a pulsating input current. The MSBA converter and the traditional quadratic boost have as input current the current through L1, which means that the ac component of its input current is the same as the transistors’ switching frequency, and the input current ripple is determined by the ripple in iL1.
This article introduces a novel quadratic boost converter topology. The advantage of the proposed converter is that the input current ripple can be reduced compared to the traditional topology. The proposed topology requires an additional inductor and an additional capacitor, but it will be shown with the design example that the inductors in the proposed converter are smaller than in the previous one, and we can consider the second inductor of the quadratic boost was separated into two smaller inductors, which amount of stored energy is the same as that of the first converter inductor. Experimental results are provided to verify the principle of the proposition.

2. The Proposed Converter

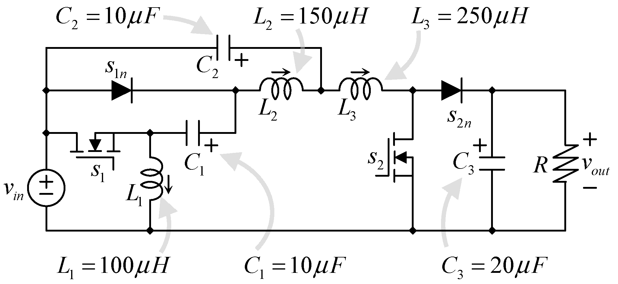
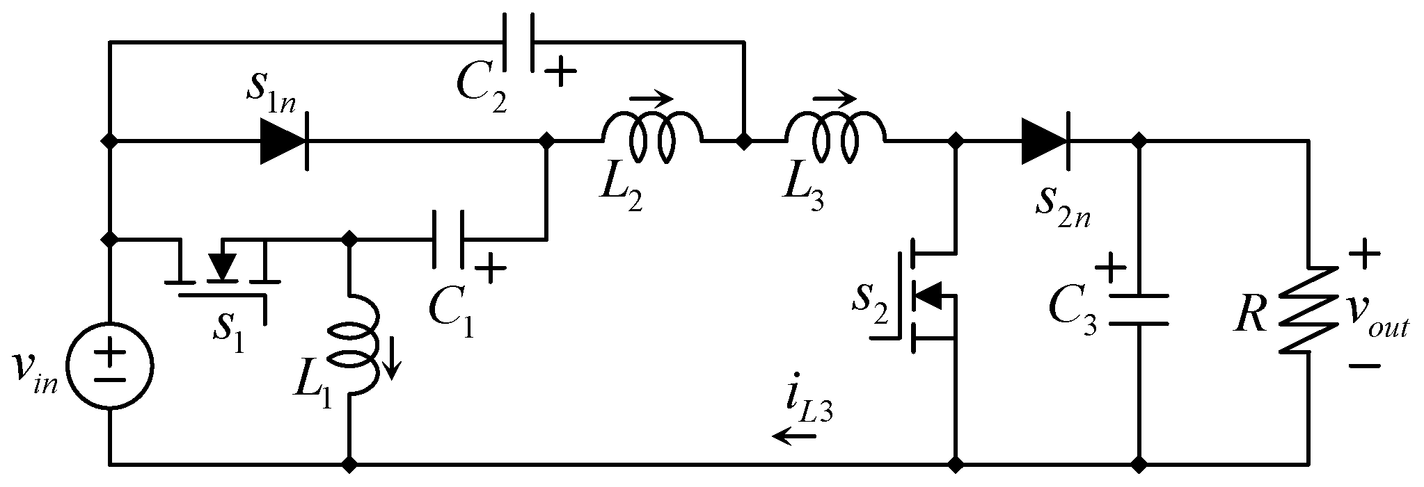
The proposed topology is shown in Figure 2. It resembles a cascaded connection of an uncommon switching stage followed by a traditional boost converter with an LCL filter between them. The converter has the same number of semiconductors as the quadratic topology in Figure 1a, but it has more passive components, one capacitor, and one inductor.
As a previous knowledge, we can mention that the LCL filter (used to link inductors to the utility grid) has two inductors in contrast to the LC filter, which has only one, but the inductors in the LCL filter are smaller in size for an equivalent design with the LC arrangement. One of the purposes of this article is to show that the inductors L2 and L3 in Figure 2 are equivalent in size to L2 in Figure 1a,b, with the advantage of providing a smaller input current ripple. But let us start with the topology analysis.
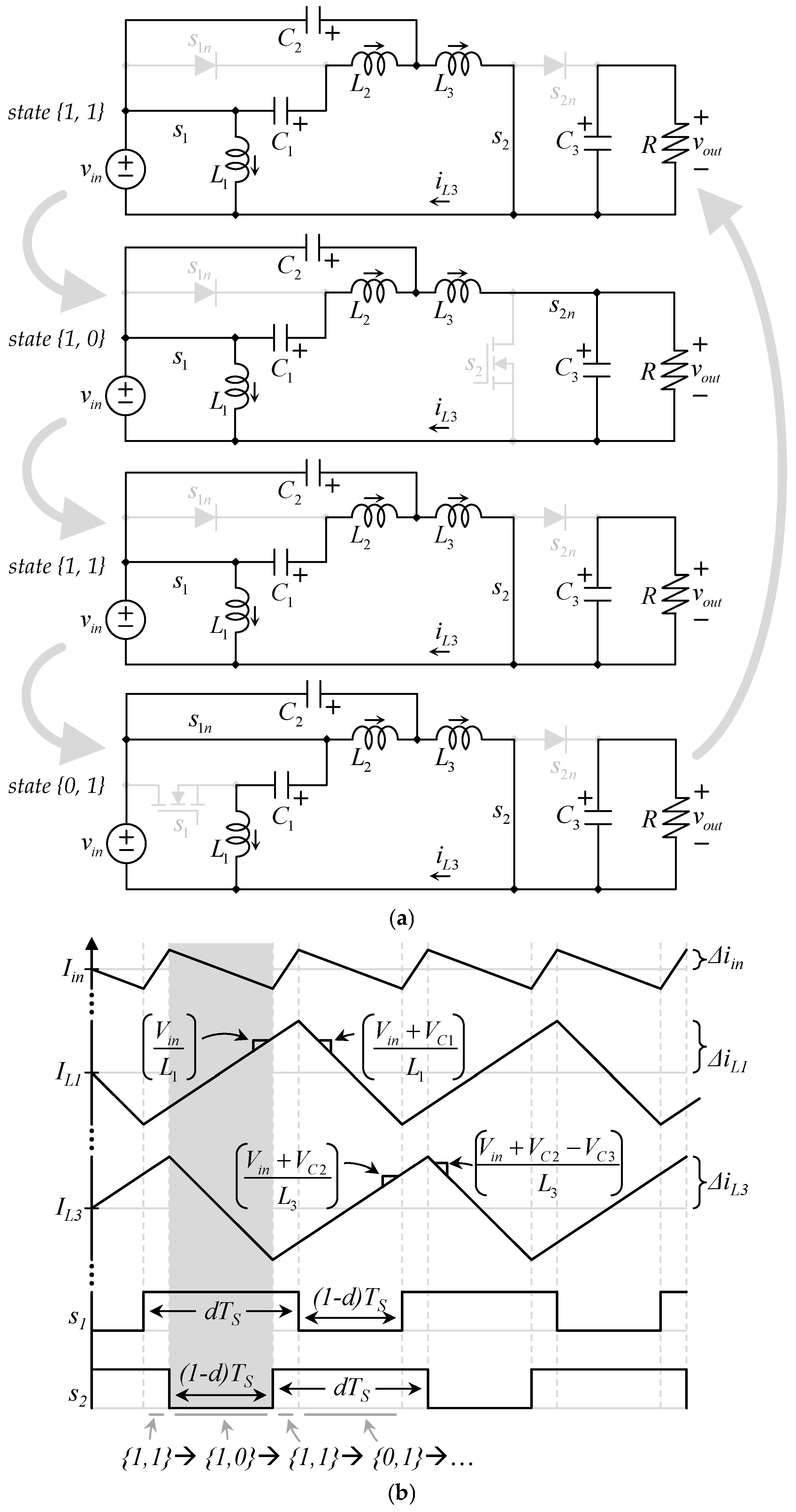
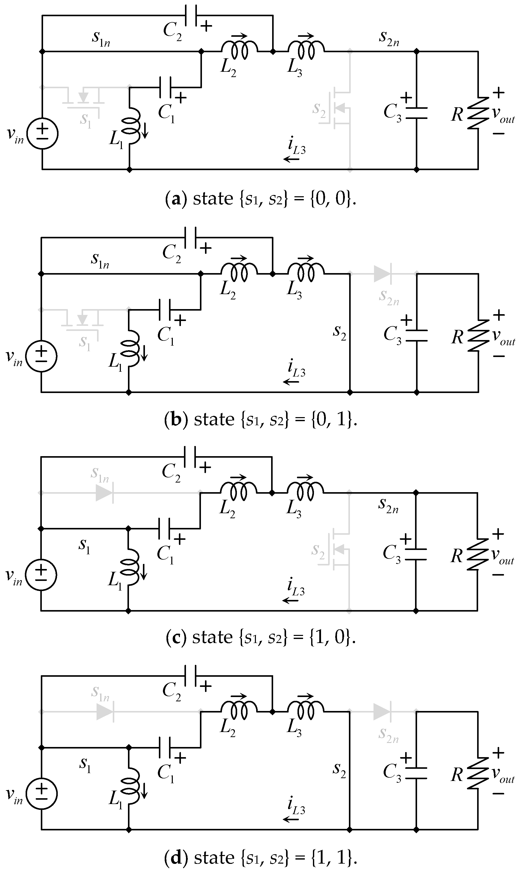
The traditional quadratic boost converter (Figure 1b) has a single transistor and then two equivalent circuits according to the firing signals state; the proposed converter, similar to the cascaded connection in Figure 1a, has two transistors and then four equivalent circuits according to the firing signals state. Figure 3 shows those four states.
Let us use the traditional averaging technique to analyze the circuit. The average operation of this converter is relatively simple to determine, since although the converter has four switching states, the charging and discharging state of each of the passive components depends only on one of the transistors.
Let us start with the inductor L1, which is charged (connected to vin) when s1 is closed, regardless of the state of s2 (see Figure 3c,d). It also gets discharged with a voltage vin − vC1 (which is negative since vC1 > vin) whenever s1 is open (see Figure 3a,b). This leads to the following dynamic averaging equation (considering the transistor s1 is driven with a duty cycle d).
L 1 d i L 1 d t = d v i n + 1 d v i n v C 1
Similarly, the inductor L2 is charged (connected to vC1vC2) (which is positive since vC1 > vC2) when s1 is closed, regardless of the state of s2 (see Figure 3c,d). It also gets discharged by sustaining the voltage −vC2 whenever s1 is open (see Figure 3a,b). This leads to the following dynamic averaging equation (considering the transistor s1 is driven with a duty cycle d).
L 2 d i L 2 d t = d v C 1 v C 2 + 1 d v C 2
Let us now continue with the last inductor (L3), which is charged (connected to vin + vC2) when s2 is closed, regardless of the state of s1 (see Figure 3b,d). It also gets discharged with a voltage vin + vC2 − vC3 (which is negative since vC3 > vin + vC2) whenever s2 is open (see Figure 3a,c). This leads to the following dynamic averaging equation (considering the transistor s2 is driven with the duty cycle d).
L 3 d i L 3 d t = d v i n + v C 2 + 1 d v i n + v C 2 v C 3
Let us start with the capacitors. The capacitor C1 is discharged (it drains the current iL2 getting in through its positive voltage side) when s1 is closed, regardless of the state of s2 (see Figure 3c,d). It also gets charged with the current iL1, whenever s1 is open (see Figure 3a,b). This leads to the following dynamic averaging equation (considering the transistor s1 is driven with the duty cycle d).
C 1 d v C 1 d t = d i L 2 + 1 d i L 1
The capacitor C2 has a non-pulsating current; its current does not depend instantaneously on the switching state, which also happens with the output capacitor of the Cuk and Buck converters. That is an advantage since the capacitance can be relatively low for achieving a certain amount of switching ripple. The dynamic equation for the capacitor C2 can be written as:
C 2 d v C 2 d t = i L 2 i L 3
Finally, the last energy storage element in the converter is capacitor C3. This capacitor gets discharged (with the output current) when s2 is closed, regardless of the state of s1 (see Figure 3b,d). It also gets charged with the difference in current between the inductor L3 and the output current (iL1io), which is positive since iL1 > io). And this happens whenever s2 is open (see Figure 3a,c). This leads to the following dynamic averaging equation (considering the transistor s2 is driven with the duty cycle d).
C 3 d v C 3 d t = d i o u t + 1 d i L 3 i o u t
In summary, the set of Equations (1)–(6) is the dynamic model of the converter, which can be algebraically simplified and rewritten as (7)–(12)
L 1 d i L 1 d t = v i n 1 d v C 1
L 2 d i L 2 d t = d v C 1 v C 2
L 3 d i L 3 d t = v i n + v C 2 1 d v C 3
C 1 d v C a d t = 1 d i L 1 d i L 2
C 2 d v C 2 d t = i L 2 i L 3
C 3 d v C 3 d t = 1 d i L 3 i o u t
In all cases, the output current iout, can be expressed as the output voltage vout (or vC3) divided overt the load resistance R:
i o u t = v C 3 R
In a steady state, the derivatives of the dynamic Equations (7)–(12) are equal to zero, and the equilibrium condition can be obtained as (14)–(19). Note that upper case variables mean the steady state or equilibrium values.
V C 1 = V i n 1 1 D
V C 2 = V i n D 1 D
V C 3 = V i n 1 1 D 2
I L 1 = I o u t D 1 D 2
I L 2 = I o u t 1 1 D
I L 3 = I o u t 1 1 D

Analysis of the Input Current Ripple

The main advantage of the proposed converter, in contrast with a traditional quadratic boost converter, is that the input current ripple is smaller than the current ripple of the inductor L1. We will explain this phenomenon by using Figure 4.
First of all, we can observe in Figure 4 that the input current of the converter is the summation of two inductor currents (L1 and L3), which charge and discharge in an interleaving way.
To formulate the input current ripple, it is important to observe that the input current is always given by the sum of the two (L1 and L3) inductor currents, as (20).
i i n = i L 1 + i L 3
The current iL3 has been strategically shown in the ground node of all figures to understand that the output boost and the load can be seen as a super node, and then iL3 is one of the two currents composing the input current iin (along with iL1).
Then we can consider the sequence of equivalent circuits that results when the converter is operating (see Figure 4a) from the switching signals s1 and s2. (see Figure 4b (bottom)). By following the switching sequence, the charging and discharging slopes of inductors L1 and L3 can be determined for each switching state. Summing these two inductor currents yields the input current, whose ripple can then be deduced.
In particular, according to the switching pattern shown in the shaded time interval of Figure 4a, this analysis leads to the expression of the input current ripple given in Equation (21).
Δ i i n = 1 D 2 f S V i n L 1 + V i n + V C 2 V C 3 L 3
It is important to notice that although the expression in (21) is the summation of two ripples, one of them is positive (since Vin is positive), while the other one is negative since (Vin + VC2 − VC3) is negative. This can be corroborated by summing Vin + VC2.
V i n + V C 2 = V i n + V i n D 1 D = V i n 1 + D 1 D = V i n 1 1 D
Equation (22), which shows the sum of Vin + VC2 as a function of Vin and the duty cycle D, can be compared with VC3 in (16), in the same terms, and we can conclude that (22) is always smaller than (16).
This effect can also be explained in Figure 4b by observing the cancellation mechanism between iL1 and iL3. If a traditional quadratic boost converter is made with the same value in L1. And since both converters have the same duty cycle (for the same gain). This converter always has a smaller input current ripple. The traditional quadratic boost converter would have iL1 in Figure 4b as input current, and the proposed converter has the cancelling component in iL3. This will also be observed in the simulation and experimental results.
Another fact that can be appreciated by observing Figure 4 is that the frequency of the current ripple at the input side differs from the traditional quadratic boost converter. In the traditional case, the input current corresponds to the current of a single inductor, so its ripple appears at the switching frequency. In contrast, in the proposed topology, the input current is the sum of two interleaved inductor currents (iL1 + iL3), which are phase-shifted due to the switching sequence. This interleaving not only reduces the net ripple amplitude but also shifts the dominant ripple component to twice the switching frequency, which makes it easier to filter if additional attenuation is required.

3. Comparisons with Other Topologies

This section presents a comparative analysis of different quadratic converter topologies. There are several quadratic boost topologies in the literature, as shown in Figure 1; some of them have discontinuous (pulsating) input current. In terms of input current ripple, the traditional topology, along with the proposed one, and the MSBA converter are superior to those that have discontinuous input current. Then those three converters will be considered for the comparison. The adopted methodology begins with the traditional quadratic boost converter as a baseline, from which alternative configurations are designed with comparable characteristics in terms of components, stored energy, and switching ripple. Advantages and disadvantages of the different architectures are then discussed.

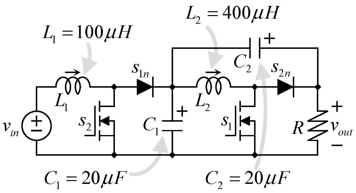
3.1. The Traditional Quadratic Boost Converter

Let us consider the traditional topology as shown in Figure 5. L1 (100 μH) is the inductor with the larger current; it carries the input current plus the switching ripple, which results in 10.51 A. Inductor L2 (400 μH) drains a maximum current of 4.37 A, including the switching ripple. Both capacitors are 20 μF; C1 is rated at 63.08 V, while C2 is rated to the output voltage in this case, 156.48 V, including the switching ripple.
Table 1 summarizes the parameters of the traditional quadratic boost converter.

3.2. The MSBA Converter

Let us continue with the Multistage-Stacked Boost Architecture (MSBA) Converter, as shown in Figure 6. The structure is similar to the traditional one. It has two inductors that draw the same amount of current as in the previous case, and then they were chosen to have the same inductance.
L1 (100 μH) is the inductor with the larger current; it carries the input current plus the switching ripple, which results in 10.51 A. Inductor L2 (400 μH) drains a maximum current of 4.37 A, including the switching ripple. Both capacitors are 20 μF; C1 is rated at 63.08 V. The main advantage of the MSBA is that the second capacitor C2 is not rated to the output voltage; in this case, it is rated to 93.75 V, including the switching ripple.
The reduction in the voltage rating of the second capacitors results in a reduction in the total stored energy in the capacitors. From 283 mJ to 127 mJ. We can summarize that the second capacitor is smaller since it is rated for a lower voltage. Their output voltage ripple is still similar, in the order of 0.2 V. Table 2 summarizes the parameters of the traditional quadratic boost converter.

3.3. The Proposed Converter

Let us continue with the proposed converter, as shown in Figure 7. It has three inductors. The first inductor was chosen to have the same inductance L1 (100 μH) as in the traditional case, but in this case, it is rated to a lower current; it drains 6.6 A Considering the ripple, this is because their current is lower than the input current; it is basically the input minus the output current. Leading to a smaller inductor in L1.
The proposed converter has the second inductance separated into two different inductors L2 and L3. Although they drain the same DC current, their switching ripple differs, and then they are rated to a different maximum current considering the ripple; in this case, L2 (150 μH) is rated to 5.9 A, and L3 (250 μH) is rated to 4.65 A. Still, the total stored energy in inductors is 7.5 mJ, less than the 9.4 mJ in the other two converters. That means the inductors are smaller. But also, the Input current ripple is smaller as described in the previous section.
The stored energy in capacitors is similar but slightly lower, 270 mJ, compared to the 283 mJ in the traditional design.
Table 3 summarizes the parameters of the proposed converter in the described design. Capacitors are rated in the following manner: C1 (10 μF) is rated to 64.25 V, C2 (10 μF) is rated to 38.78 V, and C3 (20 μF) is rated to 156.48 V.
We can conclude that the proposed converter has a similar capacitor size to the traditional topology. The MSBA converter is the winner in this parameter; the main contribution of the proposed converter comes from the inductor’s perspective. It has smaller inductors, and also smaller input current ripple.

4. Simulation Validation

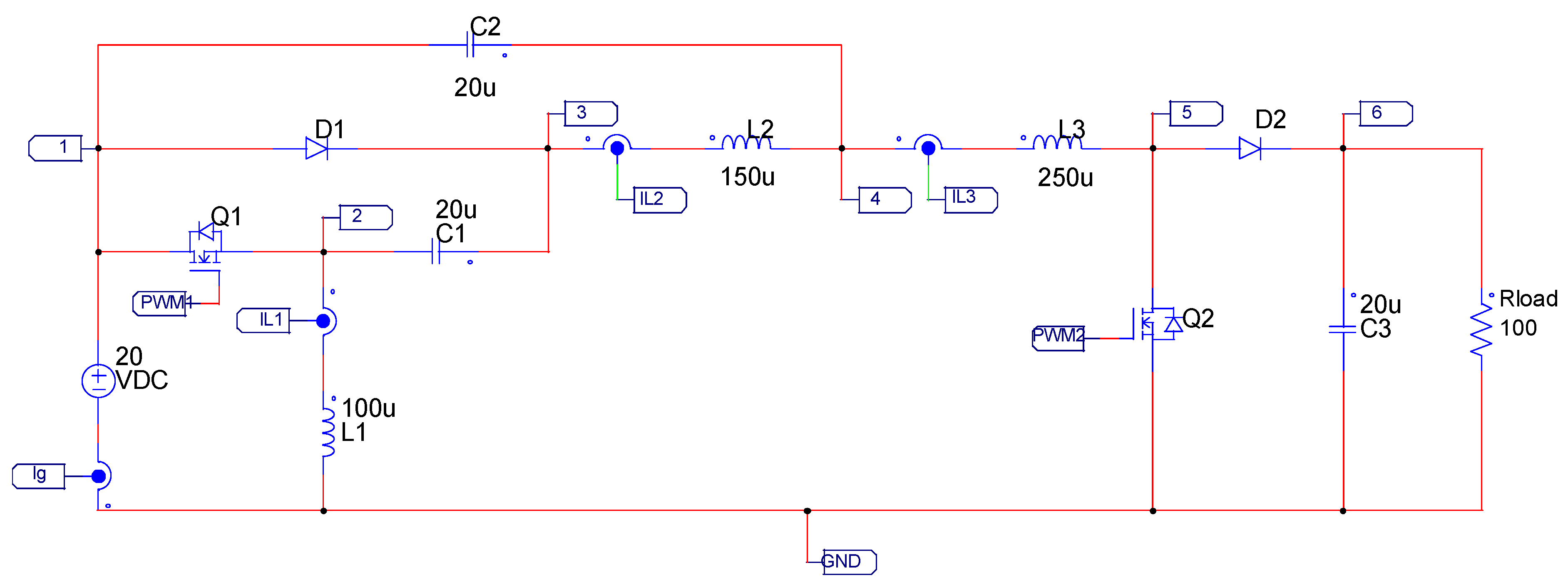
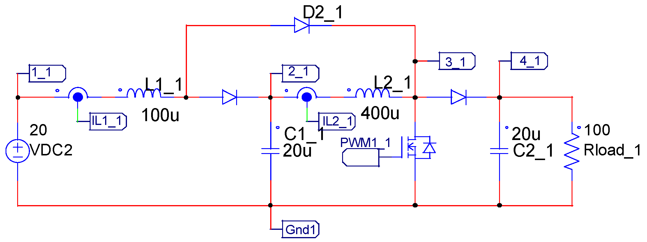
A simulation was performed with the traditional converter with the parameters described in Figure 5, including a switching frequency of 150 kHz, a load resistance of 100 Ω, and D = 0.6. And with the proposed converter with the parameters described in Figure 7. The simulations were carried out using the professional version of PSIM (version 2022.1.0.8, Powersim Inc., Rockville, MD, USA). This software environment was selected because of its robust library of power electronics components and its capability to accurately model switching converters. Figure 8 shows the traditional quadratic boost converter schematic in PSIM.
Figure 9 shows the proposed topology schematic in PSIM. Both converters were simulated with the same switching frequency, voltage gain, and load. Figure 10 shows the input current ripple of both converters under two different conditions.
Figure 10a shows the input current ripple of the proposed converter (blue) compared with the input current ripple of the traditional quadratic boost converter (red), for the described operation with a duty cycle of D = 0.5. The traditional quadratic boost converter has an input current ripple of 0.325 A (0.65 A peak-to-peak), while the proposed converter has an input current ripple of 0.065 A (0.13 A peak-to-peak). The proposed converter, with equivalent components, has 20% of the ripple of the traditional converter when D = 0.5.
Figure 10b shows the input current ripple of the proposed converter (blue) compared with the input current ripple of the traditional quadratic boost converter (red), for the described operation with a duty cycle of D = 0.6. The traditional quadratic boost converter has an input current ripple of 0.4 A (0.8 A peak-to-peak), while the proposed converter has an input current ripple of 0.125 A (0.25 A peak-to-peak). The proposed converter, with equivalent components, has 31% of the ripple of the traditional converter when D = 0.6.

5. Experimental Validation

The converter shown in Figure 7 was built and tested to corroborate the performance of the circuit using the same components as summarized in Table 4. Figure 11 shows the experimental prototype.
Three tests were carried out to verify the performance under different conditions. The first one under nominal, input voltage/load conditions, the second one considering input voltage variations, and the third one under load variations. For the first test, the nominal conditions (Vin = 20 V, Vo = 100 V, and R = 100 Ω) were used to obtain the input current and the currents through the inductors, which are shown in Figure 12. Figure 13 shows the voltage across capacitors C1, C2, and C3, respectively.
As can be seen in Figure 12, the average current through all the inductors is smaller than the input current, with values ranging from 3.7 A for L1 to 2.4 A for L3. The input current has an average value of 6.2 A with a ripple of 0.5 A, which is smaller than the inductor’s current ripples. It is worth noticing that the frequency of the input current ripple is twice the switching frequency. The obtained measurements are consistent with Equations (14)–(16), which allows us to corroborate that capacitors C1 and C2 hold a fraction of the output voltage.
The transistors used in the proposed prototype are Gallium Nitride (GaN) devices, which are capable of switching at very high frequencies, even in the range of megahertz [31]. Still other devices, like inductors in DC-DC converters for the range of hundreds of watts, are designed to operate in the range of hundreds of kilohertz. In this case, the prototype is based on the board [32], the base board to develop some commercial converters like [33], whose switching frequency is 100 kHz. During the design process, the switching frequency of the converter was selected as 150 kHz.
The second test considers the variation in the input voltage within a range of ±25%. Figure 14 shows the experimental waveforms of the input current and current through inductors for an input voltage Vin = 15 V. The load was kept at 100 Ω, and the duty cycle was adjusted to maintain the 100 V output voltage. As can be seen, average current values increased significantly, but the input current ripple remains small compared to the inductor’s current ripple. Figure 15 shows how the capacitor’s voltage magnitudes are affected by the decrease in the input voltage.
Current waveforms in Figure 16 correspond to the 25 V input voltage variation. It can be noticed in Figure 16 that the average magnitudes are in sharp contrast with those obtained in the previous experiment; however, although there exists some difference in the inductor’s current ripple magnitudes, the input current ripple remains small.
The corresponding capacitors’ voltage waveforms for these experiments are shown in Figure 17; the output voltage, which corresponds to the voltage across capacitor C3, is fixed at 100 V by adjusting the duty cycle again, which also affects the voltage held by C1 and C2.
In the third test, the load resistor was changed within a ±25% range. First, the load resistor was reduced to 75 Ω; see Figure 18.
The average values of the input and inductor current in Figure 18 increased substantially compared to the nominal referenced values, but as in the previous test, the input current ripple represents a portion of the inductor’s current ripple magnitudes.
Voltages across capacitors are shown in Figure 19; there are small level changes in V1 and V2 due to the change in D (to keep the output voltage at 100 V).
Finally, the load resistor was increased to 125 Ω. Figure 20 shows the current waveforms for this experiment.
As expected, the average current levels are smaller in Figure 20 compared to the base parameters, and the inductor’s current ripple magnitudes are bigger than the input current ripple; this is mainly due to the cancellation of the ripples among inductors. Figure 21 show the voltage across the capacitors for this experiment.
Figure 22 and Figure 23 present the experimental results of the proposed converter when subjected to duty cycle variations every 5 ms, with input voltage V i n = 20   V , output voltage V o u t = 100   V , and load resistance R = 120   Ω . The test was designed to evaluate the converter’s transient performance and dynamic stability in an open loop when the duty ratio changes between D = 0.45   and D = 0.55 .
Notice that the proposed converter responds rapidly and predictably to duty cycle perturbations, maintaining a stable operation without significant overshoot or oscillation. This validates the converter’s dynamic robustness and its suitability for applications requiring fast control action and reliable voltage regulation under varying operating conditions.

6. Conclusions

This paper presented a quadratic boost converter topology designed to reduce input current ripple without significantly increasing component size. The proposed converter introduces one additional inductor and capacitor compared to the traditional quadratic boost configuration yet benefits from a more efficient passive element distribution. Simulation and experimental results validated that, despite using three inductors, the total energy storage remains equivalent to that of the traditional topology, with smaller individual inductors leading to reduced input ripple. Specifically, the use of an LCL-like configuration between the switching stages allows current sharing and ripple cancellation, achieving a lower input current variation. This characteristic is particularly advantageous in applications where a stable input current is desired, such as in systems powered by fuel cells or photovoltaic panels. Moreover, the steady-state analysis confirmed that the proposed converter has the voltage gain equal to that of the traditional design, reinforcing its suitability for high step-up applications. Overall, the proposed topology offers a simple yet effective alternative for applications requiring both quadratic voltage gain and low input ripple. Experimental results are provided to validate the principle of the proposition.

Author Contributions

Authors B.B. and J.E.V.-R. contributed to the conceptualization of the article, A.A.-R. and J.C.R.-C. contributed to the methodology, E.D.S.-V. and B.B. contributed to the validation, J.E.V.-R. and A.A.-R. contributed to the investigation, E.D.S.-V. and J.C.R.-C. contributed to the formal analysis. A.A.-R. and J.C.R.-C. wrote the draft and manuscript preparation. All authors have read and agreed to the published version of the manuscript.

Funding

Authors would like to thank Universidad Panamericana, Tecnologico de Monterrey, and the Penn State University.

Institutional Review Board Statement

Not applicable.

Informed Consent Statement

Not applicable.

Data Availability Statement

The original contributions presented in this study are included in the article. Further inquiries can be directed to the corresponding author.

Conflicts of Interest

The authors declare no conflicts of interest.

References

  1. Kassakian, J.G.; Perreault, D.J.; Verghese, G.C.; Schlecht, M.F. Principles of Power Electronics, 2nd ed.; MIT Press: Cambridge, MA, USA, 2023. [Google Scholar]
  2. Rodriguez-Cortes, C.J.; Martinez-Rodriguez, P.R.; Sosa-Zuniga, J.M.; Langarica-Cordoba, D.; Cisneros-Montoya, R.; Vazquez-Guzman, G.; Reyes-Cruz, D. Comparative analysis and control design of two non-isolated DC–DC converters with high reduction ratio. Electr. Eng. 2025, 107, 2329–2345. [Google Scholar] [CrossRef]
  3. Mammeri, E.N.; Lopez-Santos, O.; El Aroudi, A.; Domajnko, J.; Prosen, N.; Martinez-Salamero, L. Modeling and Control of a Three-Phase Interleaved Buck Converter as a Battery Charger. IEEE Access 2025, 13, 18325–18345. [Google Scholar] [CrossRef]
  4. Villanueva-Loredo, J.A.; Ortiz-Lopez, M.G.; Leyva-Ramos, J.; Diaz-Saldierna, L.H. Switching Regulator Based on a Non-Inverting Step-Down/Up DC–DC Converter for Lithium-Ion Battery Applications. Micromachines 2023, 14, 1144. [Google Scholar] [CrossRef] [PubMed]
  5. Ngando Ebba, J.D.; Camara, M.B.; Doumbia, M.L.; Dakyo, B.; Song-Manguelle, J. Industrial-Scale Renewable Hydrogen Production System: A Comprehensive Review of Power Electronics Converters and Electrical Energy Storage. Electronics 2025, 14, 3471. [Google Scholar] [CrossRef]
  6. Zhang, S.; Li, H.; Duan, S.; Du, X.; Liu, S.; Wang, P.; Zhang, J. A High-Gain DC-DC Converter with a Wide Range of Output Voltage. Electronics 2023, 12, 3498. [Google Scholar] [CrossRef]
  7. Bhaskar, M.S.; Ramachandaramurthy, V.K.; Padmanaban, S.; Blaabjerg, F.; Ionel, D.M.; Mitolo, M.; Almakhles, D. Survey of dc-dc non-isolated topologies for unidirectional power flow in fuel cell vehicles. IEEE Access 2020, 8, 178130–178166. [Google Scholar] [CrossRef]
  8. Oppong, F.N.; Esmaeili, S.; Khan, A.A. High-Voltage Gain Single-Switch Quadratic Semi-SEPIC Converters for Powering High-Voltage Sensors Suitable for Renewable Energy Systems and Industrial Automation with Low Voltage Stresses. Sensors 2025, 25, 2424. [Google Scholar] [CrossRef]
  9. Hidalgo, H.; Orosco, R.; Huerta, H.; Vázquez, N.; Hernández, C.; Pinto, S. A High-Voltage-Gain DC–DC Boost Converter with Zero-Ripple Input Current for Renewable Applications. Energies 2023, 16, 4860. [Google Scholar] [CrossRef]
  10. Tran, D.; Chakraborty, S.; Lan, Y.; Van Mierlo, J.; Hegazy, O. Optimized Multiport DC/DC Converter for Vehicle Drivetrains: Topology and Design Optimization. Appl. Sci. 2018, 8, 1351. [Google Scholar] [CrossRef]
  11. Villanueva-Loredo, J.A.; Martinez-Rodriguez, P.R.; Rodriguez-Cortés, C.J.; Langarica-Cordoba, D.; Hernández-Gómez, Á.; Guilbert, D. Analysis and control design of a step-up/step-down converter for battery-discharge voltage regulation. Electronics 2025, 14, 877. [Google Scholar] [CrossRef]
  12. Jana, A.S.; Lin, C.-H.; Kao, T.-H.; Chang, C.-H. A High Gain Modified Quadratic Boost DC-DC Converter with Voltage Stress Half of Output Voltage. Appl. Sci. 2022, 12, 4914. [Google Scholar] [CrossRef]
  13. Gholizadeh, H.; Dehghan, M.; Shahrivar, R.S.; Samimi, M.H.; Ghassemi, M. A Non-Isolated Quadratic DC-DC Converter Improved by Voltage-Lift Technique Suitable for High-Voltage Applications. IEEE Access 2024, 12, 158292–158310. [Google Scholar] [CrossRef]
  14. Kumar, M.; Panda, K.P.; Naayagi, R.T.; Thakur, R.; Panda, G. A Critical Analysis of Quadratic Boost Based High-Gain Converters for Electric Vehicle Applications: A Review. Sensors 2024, 24, 2186. [Google Scholar] [CrossRef] [PubMed]
  15. Tao, R.; Yue, J.; Huang, Z.; An, R.; Li, Z.; Liu, J. A High-Gain DC Side Converter with a Ripple-Free Input Current for Offshore Wind Energy Systems. Sustainability 2022, 14, 11574. [Google Scholar] [CrossRef]
  16. Gholizadeh, H.; Ben-Brahim, L. A New Non-Isolated High-Gain Single-Switch DC–DC Converter Topology with a Continuous Input Current. Electronics 2022, 11, 2900. [Google Scholar] [CrossRef]
  17. Valarmathy, A.S.; Prabhakar, M. Non-isolated high gain DC–DC converter with ripple-free source current. Sci. Rep. 2024, 14, 973. [Google Scholar] [CrossRef]
  18. Luo, F.L.; Ye, H. Positive output cascade boost converters. IEE Proc. Electr. Power Appl. 2004, 151, 590–606. [Google Scholar] [CrossRef]
  19. Lopez-Santos, O.; Martinez-Salamero, L.; Garcia, G.; Valderrama-Blavi, H.; Sierra-Polanco, T. Robust sliding mode control design for a voltage-regulated quadratic boost converter. IEEE Trans. Power Electron. 2015, 30, 2313–2327. [Google Scholar] [CrossRef]
  20. Jiang, W.; Chincholkar, S.H.; Chan, C. Modified voltage-mode controller for the quadratic boost converter with improved output performance. IET Power Electron. 2018, 11, 2222–2231. [Google Scholar] [CrossRef]
  21. Ye, Y.M.; Cheng, K.W.E. Quadratic boost converter with low buffer capacitor stress. IET Power Electron. 2014, 7, 1162–1170. [Google Scholar] [CrossRef]
  22. Loera-Palomo, R.; Morales-Saldaña, J.A. Family of quadratic step-up dc–dc converters based on non-cascading structures. IET Power Electron. 2015, 8, 793–801. [Google Scholar] [CrossRef]
  23. Leyva-Ramos, J.; Lopez-Cruz, J.M.; Ortiz-Lopez, M.G.; Diaz-Saldierna, L.H. Switching regulator using a high step-up voltage converter for fuel-cell modules. IET Power Electron. 2013, 6, 1626–1633. [Google Scholar] [CrossRef]
  24. Rufer, A.; Barrade, P.; Steinke, G. Voltage step-up converter based on multistage stacked boost architecture (MSBA). In Proceedings of the International Power Electronics Conference, Hiroshima, Japan, 18–21 May 2014; pp. 1081–1086. [Google Scholar]
  25. Tanca, M.C.; Barbi, I. A high step-up gain DC-DC converter based on the stacking of three conventional buck boost DC-DC converters. In Proceedings of the Brazilian Power Electronics Conference, Natal, Brazil, 11–15 September 2011; pp. 196–200. [Google Scholar]
  26. Rosas-Caro, J.C. Output Voltage Ripple Reduction in a Symmetric Multistage-Stacked Boost Architecture (MSBA) Converter. Electronics 2021, 10, 394. [Google Scholar] [CrossRef]
  27. Alejo-Reyes, A.; Rodríguez, A.; Mendoza, A.; Rosas-Caro, J.C. Numerical Optimization of the Capacitors Selection in the MSBA Converter to Reduce the Output Voltage Ripple. Symmetry 2022, 14, 2383. [Google Scholar] [CrossRef]
  28. Valdez-Resendiz, J.E.; Rosas-Caro, J.C.; Mayo-Maldonado, J.C.; Llamas-Terres, A. Quadratic boost converter based on stackable switching stages. IET Power Electron. 2018, 11, 1373–1381. [Google Scholar] [CrossRef]
  29. López-Santos, O.; Varón, N.L.; Rosas-Caro, J.C.; Mayo-Maldonado, J.C.; Valdez-Reséndiz, J.E. Detailed Modeling of the Low Energy Storage Quadratic Boost Converter. IEEE Trans. Power Electron. 2022, 37, 1885–1904. [Google Scholar]
  30. Morales-Saldaña, J.A.; Loera-Palomo, R.; Palacios-Hernández, E.; González-Martínez, J.L. Modelling and control of a DC–DC quadratic boost converter with R2P2. IET Power Electron. 2014, 7, 11–22. [Google Scholar] [CrossRef]
  31. Górecki, P.P.; Górecki, K. Thermal limits of the maximum operating frequency of SiC MOSFETs. In Proceedings of the 2022 IEEE 16th International Conference on Compatibility, Power Electronics, and Power Engineering (CPE-POWERENG), Birmingham, UK, 29 June–1 July 2022; pp. 1–4. [Google Scholar]
  32. Renesas Electronics Corporation. TDHB-65H070L-DC Product Page. Available online: https://www.digikey.com.mx/es/products/detail/renesas-electronics-corporation/TDHB-65H070L-DC/10127232 (accessed on 20 September 2025).
  33. Transphorm. TDHBG1200DC100-KIT Transphorm Product Page. Available online: https://www.digikey.com.mx/es/products/detail/transphorm/TDHBG1200DC100-KIT/10127231 (accessed on 20 September 2025).
Figure 1. (a) Two cascaded boost converters, (b) the single switch quadratic boost converter, (c) the Multistage-Stacked Boost Architecture (MSBA) Converter, (d) the stackable quadratic boost converter, (e) the Low Energy Storage Quadratic Boost Converter (LES-QBC), (f) the quadratic boost converter with low buffer capacitor stress.
Figure 1. (a) Two cascaded boost converters, (b) the single switch quadratic boost converter, (c) the Multistage-Stacked Boost Architecture (MSBA) Converter, (d) the stackable quadratic boost converter, (e) the Low Energy Storage Quadratic Boost Converter (LES-QBC), (f) the quadratic boost converter with low buffer capacitor stress.
Applsci 15 10815 g001
Figure 2. The proposed topology.
Figure 2. The proposed topology.
Applsci 15 10815 g002
Figure 3. Equivalent circuits according to the switching states (a) state {0, 0}, (b) state {0, 1}, (c) state {1, 0}, and (d) state {1, 1}.
Figure 3. Equivalent circuits according to the switching states (a) state {0, 0}, (b) state {0, 1}, (c) state {1, 0}, and (d) state {1, 1}.
Applsci 15 10815 g003
Figure 4. Input current ripple phenomena when D = 0.6 (a) equivalent circuits sequence (b) important signals.
Figure 4. Input current ripple phenomena when D = 0.6 (a) equivalent circuits sequence (b) important signals.
Applsci 15 10815 g004
Figure 5. A design of the traditional quadratic boost converter.
Figure 5. A design of the traditional quadratic boost converter.
Applsci 15 10815 g005
Figure 6. A design of the MSBA converter.
Figure 6. A design of the MSBA converter.
Applsci 15 10815 g006
Figure 7. A design with the proposed converter.
Figure 7. A design with the proposed converter.
Applsci 15 10815 g007
Figure 8. Schematic diagram of the traditional quadratic boost converter in PSIM.
Figure 8. Schematic diagram of the traditional quadratic boost converter in PSIM.
Applsci 15 10815 g008
Figure 9. Schematic diagram of the proposed converter in PSIM.
Figure 9. Schematic diagram of the proposed converter in PSIM.
Applsci 15 10815 g009
Figure 10. Input current ripple of the Quadratic boost converter (red) and the proposed converter (blue) for (a) D = 0.5, (b) D = 0.6.
Figure 10. Input current ripple of the Quadratic boost converter (red) and the proposed converter (blue) for (a) D = 0.5, (b) D = 0.6.
Applsci 15 10815 g010
Figure 11. Experimental prototype, (a) upper view, (b) side view.
Figure 11. Experimental prototype, (a) upper view, (b) side view.
Applsci 15 10815 g011
Figure 12. Current waveforms from the converter operating at Vin = 20 V, Vout = 100 V, and R = 100 Ω.
Figure 12. Current waveforms from the converter operating at Vin = 20 V, Vout = 100 V, and R = 100 Ω.
Applsci 15 10815 g012
Figure 13. Voltage waveforms from the converter operating at Vin = 20 V, Vout = 100 V, and R = 100 Ω.
Figure 13. Voltage waveforms from the converter operating at Vin = 20 V, Vout = 100 V, and R = 100 Ω.
Applsci 15 10815 g013
Figure 14. Current waveforms from the converter operating at Vin = 15 V, Vout = 100 V, and R = 100 Ω.
Figure 14. Current waveforms from the converter operating at Vin = 15 V, Vout = 100 V, and R = 100 Ω.
Applsci 15 10815 g014
Figure 15. Voltage waveforms from the converter operating at Vin = 15 V, Vout = 100 V, and R = 100 Ω.
Figure 15. Voltage waveforms from the converter operating at Vin = 15 V, Vout = 100 V, and R = 100 Ω.
Applsci 15 10815 g015
Figure 16. Current waveforms from the converter operating at Vin = 25 V, Vout = 100 V, and R = 100 Ω.
Figure 16. Current waveforms from the converter operating at Vin = 25 V, Vout = 100 V, and R = 100 Ω.
Applsci 15 10815 g016
Figure 17. Voltage waveforms from the converter operating at Vin = 25 V, Vout = 100 V, and R = 100 Ω.
Figure 17. Voltage waveforms from the converter operating at Vin = 25 V, Vout = 100 V, and R = 100 Ω.
Applsci 15 10815 g017
Figure 18. Current waveforms from the converter operating at Vin = 20 V, Vout = 100 V, and R = 75 Ω.
Figure 18. Current waveforms from the converter operating at Vin = 20 V, Vout = 100 V, and R = 75 Ω.
Applsci 15 10815 g018
Figure 19. Voltage waveforms from the converter operating at Vin = 20 V, Vout = 100 V, and R = 75 Ω.
Figure 19. Voltage waveforms from the converter operating at Vin = 20 V, Vout = 100 V, and R = 75 Ω.
Applsci 15 10815 g019
Figure 20. Current waveforms from the converter operating at Vin = 20 V, Vout = 100 V, and R = 125 Ω.
Figure 20. Current waveforms from the converter operating at Vin = 20 V, Vout = 100 V, and R = 125 Ω.
Applsci 15 10815 g020
Figure 21. Voltage waveforms from the converter operating at Vin = 20 V, Vout = 100 V, and R = 125 Ω.
Figure 21. Voltage waveforms from the converter operating at Vin = 20 V, Vout = 100 V, and R = 125 Ω.
Applsci 15 10815 g021
Figure 22. Inductor current waveforms of the proposed converter under duty cycle variation between D = 0.45 to D = 0.55 (Vin = 20 V, Vout = 100 V, and R = 125 Ω).
Figure 22. Inductor current waveforms of the proposed converter under duty cycle variation between D = 0.45 to D = 0.55 (Vin = 20 V, Vout = 100 V, and R = 125 Ω).
Applsci 15 10815 g022
Figure 23. Voltage waveforms of the proposed converter under duty cycle variation between D = 0.45 to D = 0.55 (Vin = 20 V, Vout = 100 V, and R = 125 Ω).
Figure 23. Voltage waveforms of the proposed converter under duty cycle variation between D = 0.45 to D = 0.55 (Vin = 20 V, Vout = 100 V, and R = 125 Ω).
Applsci 15 10815 g023
Table 1. Parameters of the Traditional Converter.
Table 1. Parameters of the Traditional Converter.
ParameterValue
L1100 µH @ 10.51 A
L2400 µH @ 4.37 A
C120 µF @ 63.08 V
C220 µF @ 156.48 V
SE in Ls9.4 mJ
SE in Cs283.2 mJ
Table 2. Parameters of the MSBA Converter.
Table 2. Parameters of the MSBA Converter.
ParameterValue
L1100 µH @ 10.51 A
L2400 µH @ 4.37 A
C120 µF @ 63.08 V
C220 µF @ 93.75 V
SE in Ls9.4 mJ
SE in Cs127 mJ
Table 3. Parameters of the Proposed Converter.
Table 3. Parameters of the Proposed Converter.
ParameterValue
L1100 µH @ 6.60 A
L2150 µH @ 5.90 A
L3250 µH @ 4.65 A
C110 µF @ 63.37 V
C210 µF @ 38.78 V
C310 µF @ 93.75 V
SE in Ls7.5 mJ
SE in Cs270.7 mJ
Table 4. Parameters of the proposed converter for the experimental results.
Table 4. Parameters of the proposed converter for the experimental results.
ParameterValue
L1100 µH, ESR = 0.1 Ω
L2150 µH, ESR = 0.115 Ω
L 3 250 µH, ESR = 0.118 Ω
C120 µF, ESR = 0.008 Ω
C2 and C320 µF, ESR = 0.005 Ω
Switches (all)TPH3212PS GaN-FET
Switching frequency150 kHz
Disclaimer/Publisher’s Note: The statements, opinions and data contained in all publications are solely those of the individual author(s) and contributor(s) and not of MDPI and/or the editor(s). MDPI and/or the editor(s) disclaim responsibility for any injury to people or property resulting from any ideas, methods, instructions or products referred to in the content.

Share and Cite

MDPI and ACS Style

Babaiahgari, B.; Valdez-Resendiz, J.E.; Alejo-Reyes, A.; Rosas-Caro, J.C.; Silva-Vera, E.D. Quadratic Boost Converter with Reduced Input Current Ripple. Appl. Sci. 2025, 15, 10815. https://doi.org/10.3390/app151910815

AMA Style

Babaiahgari B, Valdez-Resendiz JE, Alejo-Reyes A, Rosas-Caro JC, Silva-Vera ED. Quadratic Boost Converter with Reduced Input Current Ripple. Applied Sciences. 2025; 15(19):10815. https://doi.org/10.3390/app151910815

Chicago/Turabian Style

Babaiahgari, Bhanu, Jesus E. Valdez-Resendiz, Avelina Alejo-Reyes, Julio C. Rosas-Caro, and Edgar D. Silva-Vera. 2025. "Quadratic Boost Converter with Reduced Input Current Ripple" Applied Sciences 15, no. 19: 10815. https://doi.org/10.3390/app151910815

APA Style

Babaiahgari, B., Valdez-Resendiz, J. E., Alejo-Reyes, A., Rosas-Caro, J. C., & Silva-Vera, E. D. (2025). Quadratic Boost Converter with Reduced Input Current Ripple. Applied Sciences, 15(19), 10815. https://doi.org/10.3390/app151910815

Note that from the first issue of 2016, this journal uses article numbers instead of page numbers. See further details here.

Article Metrics

Back to TopTop