Analysis of a Sustainable Hybrid Microgrid Based on Solar Energy, Biomass, and Storage for Rural Electrification in Isolated Communities
Abstract
1. Introduction
1.1. Context and Issues in Non-Interconnected Zones (NIZs)
1.2. Specific Reference Literature Consulted
1.3. Theoretical Foundations of Modelling and Simulation
1.4. Scientific Novelty and Contributions
1.5. Organisation of the Article
2. Materials and Methods
2.1. Input Profile Consultation
- Energy demand: provided by the XM portal, [38], which details official energy consumption forecasts. This data allows for the analysis of hourly demand and its adaptation to the generation capacity of the microgrid.
- Solar irradiance: consulted through the Global Solar Atlas ) [39], which provides a detailed profile of irradiation in the area, essential for evaluating the potential generation of photovoltaic solar energy in the microgrid at different times of the day and year.
- Temperature: hourly temperature data is obtained from the Clima.com website, ) [40], which allows for the evaluation of the impact of thermal conditions on the efficiency of photovoltaic panels and the behaviour of the energy storage system.
- Combined irradiance and temperature: for a comprehensive analysis, daily resolution irradiance and temperature data provided by NASA/POWER through the CERES/MERRA2 system, [41] are used.
2.2. Selection of Seasonal Scenarios
2.3. Selection of Seasonal Scenarios
Geographical and Climatic Characteristics of the Study Area
2.4. Choice of Microgrid Type, Resources, and Storage
Technical, Electrical, and Functional Parameters Considered
2.5. Mathematical Models of Each Subsystem
2.5.1. Biomass Plant Modelling
2.5.2. Photovoltaic System Modelling
2.5.3. Storage System Modelling
2.6. Models Implemented in MATLAB/Simulink
2.6.1. Description of the Simulation Model Biomass Generator
2.6.2. Description of the Photovoltaic System Simulation Model
2.6.3. Description of the Storage System Simulation Model
3. Results
3.1. Analysis of Input Components
3.2. Analysis of Energy Behaviour by Source
3.3. Analysis of Accumulated Energy by Source
4. Discussion
4.1. Verification and Reliability of Results
4.2. Physical Interpretation of the Findings
4.3. Comparison with the Literature and Positioning of the Study
4.4. Environmental and Economic Impact (Monthly Comparison)
- January (17.5 kWh): An amount of 12.66 kg CO2/day (≈4.73 L diesel avoided).
- March (19.6 kWh): An amount of 14.18 kg CO2/day (≈5.29 L).
- June (21.4 kWh): An amount of 15.49 kg CO2/day (≈5.78 L).
- October (19.6 kWh): An amount of 14.18 kg CO2/day (≈5.29 L).
4.5. Technical and Operational Implications
- In terms of sizing, increasing PV ≈20% raises the renewable fraction in months of moderate irradiance and displaces biomass; adding ≥2.5 kWh of BESS improves nighttime autonomy and ride-through in the event of dense clouds, avoiding oversizing with low returns.
- In terms of EMS, maintaining SoC thresholds (90 ± 5% charge, 60 ± 5% discharge) and scheduled start-up of the unit only at peaks protects battery life, reduces start-ups, and improves efficiency.
- Regarding seasonal operation, in June, biomass can be restricted to short peaks; in March–October, it is advisable to prioritise BESS recharging during the PV plateau [55] to cover post-sunset demand.
- In terms of scalability/replicability, monthly metrics (energy by source, renewable fraction, biomass/day, SoC) provide guidelines that can be transferred to other Andean NIZs, adjusting for irradiance, load profiles, and PCI/ biomass moisture.
4.6. Limitations and Future Work
5. Conclusions
Author Contributions
Funding
Data Availability Statement
Conflicts of Interest
References
- Nawab, F.; Abd Hamid, A.S.; Arif, M.; Khan, T.A.; Naveed, A.; Sadiq, M.; Imad Ud din, S.; Ibrahim, A. Solar–Biogas Microgrid: A Strategy for the Sustainable Development of Rural Communities in Pakistan. Sustainability 2022, 14, 11124. [Google Scholar] [CrossRef]
- Tostado-Véliz, M.; Escámez, A.; Aguado, R.; Sánchez-Lozano, D.; Jurado, F.; Vera, D. Optimal sizing of hybrid PV–diesel–biomass gasification plants for electrification of off-grid communities: An efficient approach based on Benders’ decomposition. J. Clean. Prod. 2024, 458, 142360. [Google Scholar] [CrossRef]
- Cerón, J.A.; Gómez-Luna, E.; Vasquez, J.C. Driving the Energy Transition in Colombia for Off-Grid Regions: Microgrids and Non-Conventional Renewable Energy Sources. Energies 2025, 18, 1010. [Google Scholar] [CrossRef]
- Gamil, M.; Senjyu, T.; Takahashi, H.; Hemeida, A.M.; Krishna, N.; Lotfy, M.E. Optimal multi-objective sizing of a residential microgrid in Egypt with different ToU demand response percentages. Sustain. Cities Soc. 2021, 75, 103293. [Google Scholar] [CrossRef]
- Gonzalez-Reina, A.E.; Garcia-Torres, F.; Girona-Garcia, V.; Sanchez-Sanchez-de-Puerta, A.; Jimenez-Romero, F.J.; Jimenez-Hornero, J.E. Cooperative model predictive control for avoiding critical instants of energy resilience in networked microgrids. Appl. Energy 2024, 369, 123564. [Google Scholar] [CrossRef]
- Kalkal, P.; Teja, A.V.R. A Sustainable Business Framework Using Solar and Bio-Energy to Instate Incessant Power in Rural India: Optimal Scheduling, Smart Metering, and Economic Viability. IEEE Access 2022, 10, 11021–11035. [Google Scholar] [CrossRef]
- Irshad, A.S.; Ueda, S.; Furukakoi, M.; Zakir, M.N.; Ludin, G.A.; Elkholy, M.H.; Yona, A.; Elias, S.; Senjyu, T. Novel integration and optimization of reliable photovoltaic and biomass integrated system for rural electrification. Energy Rep. 2024, 11, 4924–4939. [Google Scholar] [CrossRef]
- Cao, Y.; Mihardjo, L.W.W.; Dahari, M.; Tlili, I. Waste heat from a biomass fueled gas turbine for power generation via an ORC or compressor inlet cooling via an absorption refrigeration cycle: A thermoeconomic comparison. Appl. Therm. Eng. 2021, 182, 116117. [Google Scholar] [CrossRef]
- Rey, J.R.C.; Pio, D.T.; Tarelho, L.A.C. Biomass direct gasification for electricity generation and natural gas replacement in the lime kilns of the pulp and paper industry: A techno-economic analysis. Energy 2021, 237, 121562. [Google Scholar] [CrossRef]
- Ribó-Pérez, D.; Herraiz-Cañete, Á.; Alfonso-Solar, D.; Vargas-Salgado, C.; Gómez-Navarro, T. Modelling biomass gasifiers in hybrid renewable energy microgrids; a complete procedure for enabling gasifiers simulation in HOMER. Renew. Energy 2021, 174, 501–512. [Google Scholar] [CrossRef]
- Kaur, H.; Gupta, S.; Dhingra, A. Analysis of hybrid solar biomass power plant for generation of electric power. Mater. Today Proc. 2021, 48, 1134–1140. [Google Scholar] [CrossRef]
- El-Maaroufi, A.; Daoudi, M.; Laamara, R.A. Techno-economic analysis of a PV/WT/biomass off-grid hybrid power system for rural electrification in northern Morocco using HOMER. Renew. Energy 2024, 231, 120904. [Google Scholar] [CrossRef]
- Arcos–Aviles, D.; Salazar, A.; Rodriguez, M.; Martinez, W.; Guinjoan, F. Model predictive control-based energy management system for an isolated electro-thermal microgrid in the Amazon region of Ecuador. Energy Convers. Manag. 2024, 310, 118479. [Google Scholar] [CrossRef]
- Kumar, P.P.; Suresh, V.; Jasinski, M.; Leonowicz, Z. Off-grid rural electrification in india using renewable energy resources and different battery technologies with a dynamic differential annealed optimization. Energies 2021, 14, 5866. [Google Scholar] [CrossRef]
- Modu, B.; Abdullah, M.P.B.; Alkassem, A.; Garni, H.Z.A.; Alkabi, M. Optimal Design of a Grid-Independent Solar-Fuel Cell-Biomass Energy System Using an Enhanced Salp Swarm Algorithm Considering Rule-Based Energy Management Strategy. IEEE Access 2024, 12, 23914–23929. [Google Scholar] [CrossRef]
- Kamal, M.M.; Ashraf, I. Evaluation of a hybrid power system based on renewable and energy storage for reliable rural electrification. Renew. Energy Focus 2023, 45, 179–191. [Google Scholar] [CrossRef]
- Zebra, E.I.C.; van der Windt, H.J.; Nhumaio, G.; Faaij, A.P.C. A review of hybrid renewable energy systems in mini-grids for off-grid electrification in developing countries. Renew. Sustain. Energy Rev. 2021, 144, 111036. [Google Scholar] [CrossRef]
- Li, Y.; Li, H.; Miao, R.; Qi, H.; Zhang, Y. Energy–Environment–Economy (3E) Analysis of the Performance of Introducing Photovoltaic and Energy Storage Systems into Residential Buildings: A Case Study in Shenzhen, China. Sustainability 2023, 15, 9007. [Google Scholar] [CrossRef]
- Wang, Y.; Chen, S.; Yang, M.; Liao, P.; Xiao, X.; Xie, X.; Li, Y. Low-frequency oscillation in power grids with virtual synchronous generators: A comprehensive review. Renew. Sustain. Energy Rev. 2025, 207, 114921. [Google Scholar] [CrossRef]
- Zhang, J.; Ji, Y.; Zhou, J.; Jia, Y.; Shi, G.; Wang, H. Cooperative AC/DC Voltage Margin Control for Mitigating Voltage Violation of Rural Distribution Networks With Interconnected DC Link. IEEE Trans. Power Deliv. 2025, 40, 1014–1029. [Google Scholar] [CrossRef]
- Zhang, J.; Feng, X.; Zhou, J.; Zang, J.; Wang, J.; Shi, G.; Cai, X.; Li, Y. Series-Shunt Multiport Soft Normally Open Points. IEEE Trans. Ind. Electron. 2023, 70, 10811–10821. [Google Scholar] [CrossRef]
- Qi, H.; Zhou, Y.; Zhang, Z.; Wang, B.; Zhang, Y.; Cui, H.; Wang, X. Heat transfer performance in energy piles in Urban areas: Case studies for Lambeth College and Shell Centre UK. Appl. Sci. 2020, 10, 5974. [Google Scholar] [CrossRef]
- Badshah, N.; Al-attab, K.A.; Zainal, Z.A. Design optimization and experimental analysis of externally fired gas turbine system fuelled by biomass. Energy 2020, 198, 117340. [Google Scholar] [CrossRef]
- Ordys, A.W.; Pike, A.W.; Johnson, M.A.; Katebi, R.M.; Grimble, M.J. Modelling and Simulation of Power Generation Plants; Springer: Berlin/Heidelberg, Germany, 2000. [Google Scholar]
- Jurado, M.F.; Cano, O.A. La Generación Eléctrica Distribuida Con Microturbina de Gas; Koobeht International España: Madrid, Spain, 2005; pp. 125–178. [Google Scholar]
- Ortega, V.M.; Modelado, Y. Simulación Dinámica de Esquemas de Cogeneración Tesis Maestría; Universidad Autónoma de Nuevo León: Monterrey, Mexico, 2001; Available online: http://eprints.uanl.mx/4886/1/1020145695.PDF (accessed on 3 April 2023).
- Jurado, F.; Ortega, M.; Cano, A. Neuro-fuzzy controller for gas turbine in biomass-based electric power plant. Electr. Power Syst. Res. 2002, 60, 123–135. [Google Scholar] [CrossRef]
- Montano, J.; Grisales, L.F.; Tobón, A.; González, D. Estimation of the Parameters of the Mathematical Model of an Equivalent Diode of a Photovoltaic Panel using a Continuous Genetic Algorithm. IEEE Lat. Am. Trans. 2022, 20, 616–623. [Google Scholar] [CrossRef]
- Santos, J.R.D.; Lopes, G.P.; Neto, E.T.W. Modeling and implementation of a photovoltaic solar panel in ATPdraw. In Proceedings of the 2021 International Conference on Emerging Power Technologies, ICEPT, Topi, Pakistan, 10–11 April 2021; Institute of Electrical and Electronics Engineers Inc.: Piscataway, NJ, USA, 2021. [Google Scholar] [CrossRef]
- Hali, A.; Khlifi, Y. Photovoltaic panel parameters determination using two numerical methods. Mater. Today Proc. 2021, 45, 7377–7382. [Google Scholar] [CrossRef]
- Lahmer, A.; Chang, J.W.; Park, S.; Jeong, H.; Chae, S. Consensus-based adaptive distributed hierarchical control of battery energy storage systems in a DC microgrid. J. Energy Storage 2024, 97, 112948. [Google Scholar] [CrossRef]
- Sharma, S.; Pradhan, R.; Jena, P. AC Microgrid Control Using PV and Battery in Typhoon HIL. In Proceedings of the 10th IEEE International Conference on Power Electronics, Drives and Energy Systems, PEDES, Jaipur, India, 14–17 December 2022; Institute of Electrical and Electronics Engineers Inc.: Piscataway, NJ, USA, 2022. [Google Scholar] [CrossRef]
- Anusha, G.; Arora, K.; Sharma, H.; Thota, S.P.; Joshi, G.P.; Cho, W. Control strategies of 15-level modified cascaded H-bridge MLI with solar PV and energy storage system. Energy Rep. 2024, 12, 2–26. [Google Scholar] [CrossRef]
- Alghamdi, H.; Khan, T.A.; Hua, L.-G.; Hafeez, G.; Khan, I.; Ullah, S.; Khan, F.A. A novel intelligent optimal control methodology for energy balancing of microgrids with renewable energy and storage batteries. J. Energy Storage 2024, 90, 111657. [Google Scholar] [CrossRef]
- Mathur, A.; Kumari, R.; Meena, V.P.; Singh, V.P.; Azar, A.T.; Hameed, I.A. Data-driven optimization for microgrid control under distributed energy resource variability. Sci. Rep. 2024, 14, 10806. [Google Scholar] [CrossRef]
- Sharma, S.B.; Lee, J.T.; Callaway, D.S. Distributed battery dispatch for uncertainty mitigation in renewable microgrids. Electr. Power Syst. Res. 2024, 235, 110671. [Google Scholar] [CrossRef]
- Keshta, H.E.; Hassaballah, E.G.; Ali, A.A.; Abdel-Latif, K.M. Multi-level optimal energy management strategy for a grid tied microgrid considering uncertainty in weather conditions and load. Sci. Rep. 2024, 14, 10059. [Google Scholar] [CrossRef]
- Portal XM. Available online: https://www.xm.com.co/consumo/informes-demanda/indicadores-de-pronosticos-oficiales-de-demanda (accessed on 5 November 2024).
- Global Solar Atlas. Available online: https://globalsolaratlas.info/map?s=4.455266,-74.466019,10&pv=small,180,5,1 (accessed on 5 November 2024).
- Clima.com. Available online: https://www.clima.com/colombia/cundinamarca/argelia/por-horas (accessed on 5 November 2024).
- CERES/MERRA2, NASA/POWER. Available online: https://power.larc.nasa.gov/data-access-viewer/ (accessed on 5 November 2024).
- UPME; IDEAM; COLCIENCIAS; UIS. Anexo B Muestreo y caracterización de la biomasa residual en Colombia. Atlas del Potencial Energético de la Biomasa Residual en Colombia; 2013; pp. 131–142. Available online: https://www1.upme.gov.co/siame/Documents/Atlas-Biomasa/Anexo_B_Muestreo_caracterizacion_biomasa_residual.pdf (accessed on 5 November 2024).
- Regemac. Available online: https://regemac.cl/masificacion-de-los-paneles-fotovoltaicos-eficiencia-energetica-en-la-construccion-sustentable/#:~:text=1,haincrementado%20de%20250W%20a%20370W (accessed on 16 September 2025).
- SecondSol. Available online: https://www.secondsol.com/en/anzeige/45053/zonnepanelen/kristallijn/poly/yingli/yl-250-p-29b#:~:text=Spare%20part%20No%20Details%20,Open%20circuit%20voltage%2038%20V (accessed on 16 September 2025).
- Lackner, M.; Fei, Q.; Guo, S.; Yang, N.; Guan, X.; Hu, P. Biomass Gasification as a Scalable, Green Route to Combined Heat and Power (CHP) and Synthesis Gas for Materials: A Review. Fuels 2024, 5, 625–649. [Google Scholar] [CrossRef]
- Aykut, E.; Dursun, B.; Görgülü, S. Comprehensive environmental and techno-economic feasibility assessment of biomass- solar on grid hybrid power generation system for Burdur Mehmet Akif Ersoy University Istiklal Campus. Heliyon 2023, 9, e22264. [Google Scholar] [CrossRef] [PubMed]
- Haitai Power. Available online: https://spanish.alibaba.com/product-detail/Discount-Price-5kw-Small-Biomass-Generator-1679048952.html#:~:text=Corriente%20nominal (accessed on 16 September 2025).
- Damia Solar, Batería Solar Premium Battery AGM 80Ah C10 100Ah. Available online: https://www.damiasolar.com/bateria-solar-premium-battery-agm-80ah-c10.html#:~:text=86Ah%20C20 (accessed on 16 September 2025).
- Redway Power. Available online: https://es.redwaypower.com/%C2%BFCu%C3%A1l-es-la-regla-20-80-para-las-bater%C3%ADas%3F/?g=1 (accessed on 16 September 2025).
- Afore, Eficiencia de los Inversores Solares: Lo Que Hay Que Saber. Available online: https://www.aforenergy.com/es/solar-inverter-efficiency-what-you-need-to-know/#:~:text=La%20eficiencia%20de%20un%20inversor,carga%20y%20el%20entorno%20operativo (accessed on 16 September 2025).
- Vallvé, X. Rural PV micro grids in Africa. In Proceedings of the Jeju 2011 Symposium on Microgrids, Jeju Island, Republic of Korea, 26–27 May 2011. [Google Scholar]
- Asbayou, A.; Soussi, A.; Isknan, I.; Aamoume, A.; El Fanaoui, A.; Ihlal, A.; Bouhouch, L. Method using simple RLC circuit for electrical characterization of PV panels_2022. Mater. Today Proc. 2022, 58, 1033–1038. [Google Scholar] [CrossRef]
- Barletta, G.; DiPrima, P.; Papurello, D. Thévenin’s Battery Model Parameter Estimation Based on Simulink. Energies 2022, 15, 6207. [Google Scholar] [CrossRef]
- Gómez, C.D. Evaluación de la Incidencia de la Zona Geográfica de Costa Rica en la Composición Fisicoquímica de la Broza de Café Para su Potencial Uso en Sistemas de Gasificación de Lecho Descendente; Ciudad Universitaria Rodrigo Facio: San José, Costa Rica, 2018. [Google Scholar]
- Islam, M.S.; Akhter, R.; Rahman, M.A. A thorough investigation on hybrid application of biomass gasifier and PV resources to meet energy needs for a northern rural off-grid region of Bangladesh: A potential solution to replicate in rural off-grid areas or not? Energy 2018, 145, 338–355. [Google Scholar] [CrossRef]
- Singh, A.; Basak, P. Conceptualization and techno-economic evaluation of microgrid based on PV/Biomass in Indian scenario. J. Clean. Prod. 2021, 317, 128378. [Google Scholar] [CrossRef]
- Generator Source. Diesel & Natural Gas Generator Fuel Consumption Charts. Available online: https://generatorsource.com/tools-info/fuel-consumption-charts/?utm_source=chatgpt.com (accessed on 18 September 2025).
- Gómez, D.R.; Watterson, J.D.; Americano, B.B.; Ha, C.; Marland, G.; Matsika, E.; Namayanga, L.N.; Osman-Elasha, B.; Saka, J.D.K.; Treanton, K. Chapter 2: Stationary Combustion. 2006 IPCC Guidelines for National Greenhouse Gas Inventories. 2006. Available online: https://www.ipcc-nggip.iges.or.jp/public/2006gl/pdf/2_Volume2/V2_2_Ch2_Stationary_Combustion.pdf (accessed on 5 August 2025).
- Siemons, R.V. Identifying a role for biomass gasiÿcation in rural electriÿcation in developing countries: The economic perspective. Biomass Bioenergy 2001, 20, 271–285. [Google Scholar] [CrossRef]
- Energy, S. Improving The Performance of Pv/Diesel Microgrids via Integration of a Battery Energy Storage System: The Case of Bilgo Village in Burkina Faso. Available online: https://energsustainsoc.biomedcentral.com/articles/10.1186/s13705-024-00480-1?utm_source=chatgpt.com (accessed on 18 September 2025).














| Component | Parameter | Unit/Typical Value | Description | Source |
|---|---|---|---|---|
| Photovoltaic (PV) solar panel | Nominal power (peak) | ≈250 W (per module) | Maximum power output of a module under standard conditions (STC), used to size the photovoltaic array (number of panels required). | [43,44] |
| Conversion efficiency | ~15–20% | Percentage of solar radiation that the panel converts into electricity; influences energy production and the sizing of the required PV area. | ||
| Operating voltage (VMP) | ~30 V DC (per module) | Voltage at the maximum power point of a typical panel (VMP); defines the series arrangement of panels required to achieve the system DC bus voltage. | ||
| Operating current (IMP) | ~8 A DC (per module) | Current delivered at the maximum power point (IMP) under STC; used to size conductors and MPPT controllers and to estimate the total current of the PV field. | ||
| Biomass generator | Nominal electrical power | ≈10 kW AC | Nominal output power of the generator (usually a synchronous motor coupled to a biomass gasifier); chosen according to the expected peak demand of the microgrid. | [45,46,47] |
| Conversion efficiency | 20–35% | Thermal–electrical efficiency of the generator (ratio of electrical energy to chemical energy in the biomass). Most gasification systems plus internal combustion engines have ~20–35% electrical efficiency. | ||
| Output voltage/frequency | 120 V AC, 60 Hz | Standard alternating output voltage of the biomass generator, compatible with the local grid (single-phase 120 V at 60 Hz or three-phase 400/230 V, depending on design); allows direct feeding of the microgrid’s AC bus. | ||
| Battery bank | Nominal storage capacity | ≈72 kWh (e.g., 1500 Ah at 48 V) | Total storable energy capacity. Determines autonomy: in a ~48 V system, 1500 Ah equals ~72 kWh usable to cover nighttime demand or periods without sunlight. | [48,49] |
| Nominal bank voltage | 48 V DC | Nominal voltage of the connected battery pack (example: 24 cells of 2 V = 48 V). This is standard in isolated microgrids to balance efficiency and safety and matches the input voltage of the inverter/regulator. | ||
| SoC operating range | 20–80% | Typical state of charge range used (minimum SoC ~20%, maximum SoC ~80%) to extend battery life. Avoid deep discharges below 20% and overcharges above 80%, reducing stress on the accumulators. | ||
| Cycle efficiency (round trip) | ~90% (Li-ion; ~70% in lead-acid) | Percentage of energy recovered when discharging the battery relative to the charged battery. Lithium-ion batteries have ~90% full cycle efficiency, while lead–acid batteries have around 70% full cycle efficiency, affecting the system’s energy losses. | ||
| Maximum discharge current | peaks ≈10–12 C (e.g., ~960 A for 5 s) | Maximum instantaneous current that the bank can supply in short intervals. It can reach multiple times the capacity (C) of the battery (e.g., an 80 Ah battery can deliver ~960 A for 5 s), useful for covering high load transients. | ||
| DC–AC inverter | Nominal output power | ≈12 kW AC (typical example) | Continuous AC power that the inverter can supply to loads. It must be sized above the peak demand of the microgrid (e.g., ~10–15 kW inverters in rural systems). | [50] |
| DC input voltage | 48 V DC | Nominal direct current input voltage from the battery bank (or PV array via controller). Commercial off-grid inverters typically operate with ~48 V banks, as this is standard in isolated storage systems. | ||
| AC output voltage/frequency | 120 V AC, 60 Hz | Sinusoidal alternating current output to power loads. Typically 1200 V at 60 Hz in single-phase (or 400/230 V three-phase), equivalent to public grid standards, allowing conventional equipment to be used in the microgrid. | ||
| Conversion efficiency | ~95–98% | Inverter efficiency in converting DC (battery/PV) to AC. Modern inverters achieve ≥95% efficiency (2–5% losses as heat), especially near their rated load, an important factor for the energy balance of the microgrid. | ||
| Loads (demand) | Daily energy demand | ~70–180 kWh/day (depending on population) | Total expected daily electricity consumption in the community. Used to determine generation and storage capacity. Example: an isolated village of ~60 families may require ~74 kWh/day, while larger communities may exceed 150 kWh/day. | [51] |
| Maximum power demand | ≈20 kW (peak) | Aggregate peak load that simultaneous loads may require. Determines the minimum capacity required for the inverter and generators. In small rural microgrids, peaks of around ~20 kW are reported. | ||
| Load power factor | ~0.85–0.9 dimensionless | Ratio between active and apparent power consumed by aggregate loads. Typical residential loads (lighting, appliances) have a cosφ of around 0.9 under normal operation, which influences circulating currents and the sizing of generators and inverters. |
| Subsystem | Type of Process | Equation | Description | Description Process |
|---|---|---|---|---|
| Compressor | Air dynamics and compression | : compressor outlet area | The compressor draws in air and compresses it by raising its pressure, modelled as a nozzle with one-dimensional polytropic flow. | |
| : polytropic ratio | ||||
| : inlet pressure | ||||
| : air density | ||||
| : polytropic efficiency | ||||
| : compression ratio | ||||
| Thermodynamic relations | : inlet temperature | Estimates the air outlet temperature after polytropic compression, relating it to compression ratio and efficiency. | ||
| : compression ratio | ||||
| : air heat ratio | ||||
| : isentropic efficiency | ||||
| Power consumption | : air flow | Calculates the power that the compressor draws from the shaft to compress the air, taking into account mechanical losses | ||
| : isentropic enthalpy | ||||
| : compressor efficiency | ||||
| : transmission efficiency | ||||
| Combustion chamber | Mass balance | : total gas flow | Combines air and fuel (and optionally steam) to obtain total flow entering the turbine. | |
| : air flow | ||||
| : fuel flow | ||||
| : injected steam flow (optional) | ||||
| Energy balance | , , : specific heats | Balances the input and output enthalpy in combustion, determining turbine inlet temperature. | ||
| : combustion outlet temp. | ||||
| : compressor outlet temp. | ||||
| : enthalpy of combustion | ||||
| : steam temp. | ||||
| Gas turbine | Expansion ratio | : inlet temp | Calculates the outlet temperature of the expanded gas, crucial for evaluating the work extracted by the turbine. | |
| : heat ratio | ||||
| : polytropic efficiency | ||||
| : expansion ratio | ||||
| Gas mass flow | : turbine outlet area | Determines the gas flow through the turbine, modelled as an expanding nozzle. | ||
| : polytropic index gases | ||||
| , : pressure and density inlet | ||||
| : polytropic efficiency | ||||
| Extracted work | : turbine efficiency | Gross power generated by the turbine from the high enthalpy gas. | ||
| : gas flow | ||||
| : isentropic enthalpy of expansion | ||||
| Net shaft power | : turbine power | Net power delivery available to the generator after subtracting compressor consumption. | ||
| : power consumed by compressor | ||||
| Electrical generator | Shaft dynamic equation | : inertia of the system | Describes the angular acceleration of the generator-turbine shaft by torque difference, used in frequency control. | |
| : mechanical torque | ||||
| : electrical torque | ||||
| : damping | ||||
| : speed deviation | ||||
| Electrical power delivered | : terminal voltage | Power delivered to the grid by the synchronous generator, classically modelled for stability studies. | ||
| : internal fem | ||||
| : synchronous reactance | ||||
| : rotor angle |
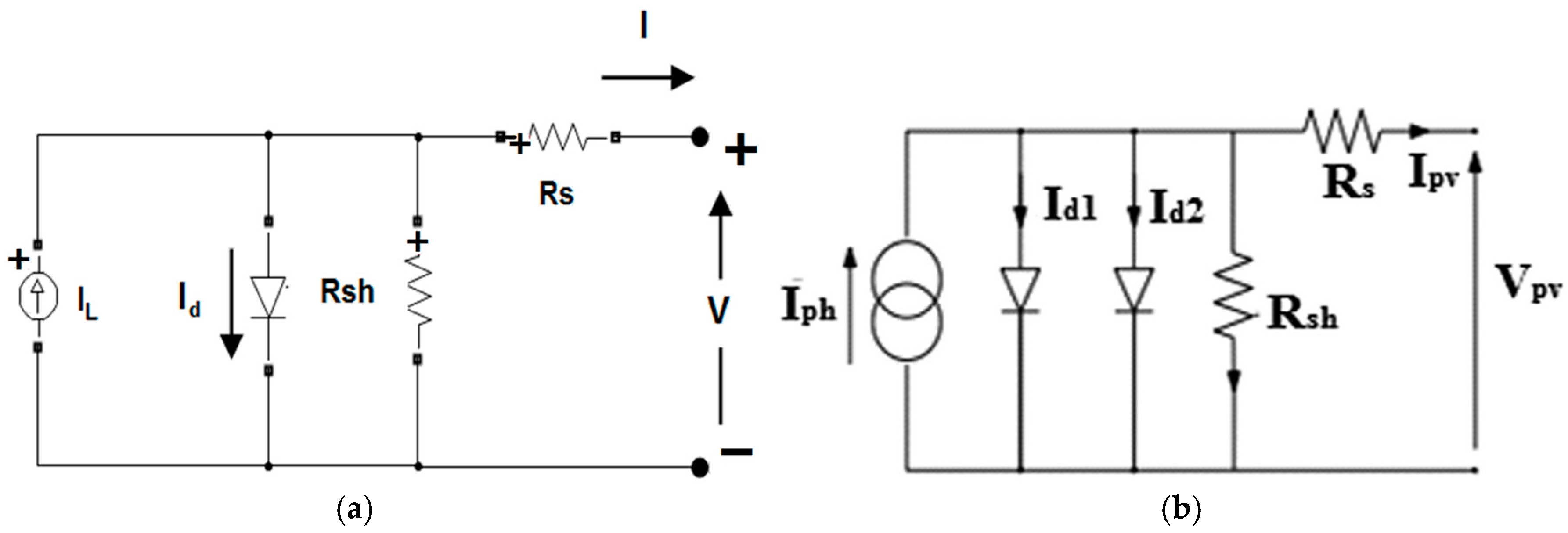
| Model | Type Model | Equation | Parameters | Description Process |
|---|---|---|---|---|
| Diode model | Cell electrical model | : photogenerated current | Basic model representing the current–voltage relationship in a solar cell considering resistive losses. | |
| : diode saturation current | ||||
| : series resistor | ||||
| : shunt resistor | ||||
| : diode ideality | ||||
| : thermal voltage | ||||
| Two-diode model | Advanced cell electrical model | : saturation currents | Extends the previous model by adding a second diode for higher accuracy, especially useful at low voltage. | |
| : ideality factors | ||||
| : series resistor, : shunt | ||||
| : photocurrent | ||||
| Power as a function of irradiance | Irradiance-to-power ratio | : solar irradiance (W/m2) | Describes how irradiance directly affects the photocurrent generated and thus the power output. | |
| : maximum power | ||||
| Power as a function of temperature | Temperature-to-power ratio | : cell temperature | Describes the loss of efficiency as the cell temperature rises. | |
| : thermal coefficient | ||||
| Panel efficiency | Energy efficiency | : power output | Allows calculation of the percentage conversion of solar energy into electrical energy. | |
| : irradiance | ||||
| : panel area | ||||
| Tilt angle and orientation | Geometrical solar gain | : direct solar irradiance | Calculates the effective irradiance on the panel depending on its orientation with respect to the sun. | |
| : angle of incidence | ||||
| System losses | Effective power reduction | Π: performance ratio (0.85–0.95), including losses due to dirt, cables, inverter, etc. | Describes how losses affect the actual energy production versus the theoretical ideal. | |
| Annual energy estimation | Energy generation calculation | : installed power | Allows estimation of total annual energy generated considering irradiance and system losses. | |
| : annual irradiance | ||||
| : performance factor |
| Model | Type Model | Equation | Parameters | Description Process |
|---|---|---|---|---|
| (internal resistance) | Basic electrical battery model | : open circuit voltage | Represents the battery as a voltage source in series with a resistor, capturing the internal voltage drop. | |
| : current | ||||
| : internal resistance | ||||
| First-order Thévenin | Polarised electrical model | R1, C1: bias resistance and capacitance | Includes transient dynamics and polarisation voltage drop; simulates dynamic behaviour of the battery. | |
| : voltage on RC | ||||
| Second-order Thévenin | Advanced electrical model with double polarisation | Two R-C pairs, with time constants τ1 y τ2 | Increased simulation accuracy, considers different polarisation response times and ionic diffusion. | |
| PNGV (simplified Randles) | Electrical model with double layer capacity | Circuito con + ( || ()) | : capacity dependent on SoC | Models open-circuit voltage variation with SoC, including dynamic response and charge storage. |
| State of charge (SoC) | Stored energy model | : maximum capacity | Calculates the percentage of stored charge to total charge. Indicates the current state of the battery. | |
| : current at time t | ||||
| Energy efficiency | Energy evaluation | Charging and discharging power | Relates useful energy extracted versus energy required to recharge, considering thermal and electrical losses. | |
| Internal losses | Thermal analysis | : current | Calculates the thermal losses in the battery, essential for the thermal design and efficiency of the system. | |
| : total internal resistance | ||||
| Cyclic degradation | Aging model | : degradation coefficients per cycle N | Reduces the usable capacity and increases the internal resistance as the number of cycles increases. | |
| Temperature effect (Arrhenius) | Temperature accelerated degradation | : activation energy | Models the reduction in service life due to temperature increase based on chemical reaction theory. | |
| : universal constant | ||||
| : temperature |
| Month | PV Energy (kWh) | Biomass Energy (kWh) | Battery Energy (kWh) | Total Energy (kWh) | Biomass Required (kg) | Peak Irradiance (W/m2) |
| January | 6.8 | 9.5 | 0.5 | 17.5 | 12.7 | 370 |
| March | 7.2 | 11.8 | 0.6 | 19.6 | 15.7 | 210 |
| June | 8.9 | 13.2 | 0.65 | 21.4 | 17.6 | 310 |
| October | 7.8 | 11.2 | 0.63 | 19.6 | 14.9 | 270 |
| Calculation | ||||||
[54] | ||||||
| Month | Peak Load (W) | Solar Duration (h) | BESS Used (%) | % PV/Load | % Biomass/Load | Overall Efficiency (%) |
| January | 2100 | 9 | 100 | 39 | 54 | 93 |
| March | 2500 | 9 | 100 | 37 | 60 | 97 |
| June | 2650 | 10 | 100 | 42 | 62 | 103 |
| October | 2200 | 9 | 100 | 40 | 57 | 97 |
| Calculation | ||||||
Disclaimer/Publisher’s Note: The statements, opinions and data contained in all publications are solely those of the individual author(s) and contributor(s) and not of MDPI and/or the editor(s). MDPI and/or the editor(s) disclaim responsibility for any injury to people or property resulting from any ideas, methods, instructions or products referred to in the content. |
© 2025 by the authors. Licensee MDPI, Basel, Switzerland. This article is an open access article distributed under the terms and conditions of the Creative Commons Attribution (CC BY) license (https://creativecommons.org/licenses/by/4.0/).
Share and Cite
Rico-Riveros, L.F.; Trujillo-Rodríguez, C.L.; Díaz-Aldana, N.L.; Rus-Casas, C. Analysis of a Sustainable Hybrid Microgrid Based on Solar Energy, Biomass, and Storage for Rural Electrification in Isolated Communities. Appl. Sci. 2025, 15, 10646. https://doi.org/10.3390/app151910646
Rico-Riveros LF, Trujillo-Rodríguez CL, Díaz-Aldana NL, Rus-Casas C. Analysis of a Sustainable Hybrid Microgrid Based on Solar Energy, Biomass, and Storage for Rural Electrification in Isolated Communities. Applied Sciences. 2025; 15(19):10646. https://doi.org/10.3390/app151910646
Chicago/Turabian StyleRico-Riveros, Luis Fernando, César Leonardo Trujillo-Rodríguez, Nelson Leonardo Díaz-Aldana, and Catalina Rus-Casas. 2025. "Analysis of a Sustainable Hybrid Microgrid Based on Solar Energy, Biomass, and Storage for Rural Electrification in Isolated Communities" Applied Sciences 15, no. 19: 10646. https://doi.org/10.3390/app151910646
APA StyleRico-Riveros, L. F., Trujillo-Rodríguez, C. L., Díaz-Aldana, N. L., & Rus-Casas, C. (2025). Analysis of a Sustainable Hybrid Microgrid Based on Solar Energy, Biomass, and Storage for Rural Electrification in Isolated Communities. Applied Sciences, 15(19), 10646. https://doi.org/10.3390/app151910646

