A PSO-VMD-LSTM-Based Photovoltaic Power Forecasting Model Incorporating PV Converter Characteristics
Abstract
1. Introduction
2. Photovoltaic Data Processing
2.1. Feature Extraction from Meteorological Data
2.2. Variational Mode Decomposition
- (1)
- The photovoltaic power time series is decomposed into K intrinsic mode functions. The mathematical formulation of the decomposition and its associated constraints is as follows:
- (2)
- Randomly initialize each modal component, the center frequency, and the Lagrange multipliers.
- (3)
- The center frequency and bandwidth of each component are determined through iterative optimization, introducing Lagrange multipliers and quadratic penalty terms for the solution, as shown in the following equation:
- (4)
- The error between modal components in successive iterations is calculated to determine whether the termination criteria are met. The finite bandwidth modal components and their corresponding center frequencies are then output. The iterative update method employed is the Alternating Direction Method of Multipliers, as described by the following equation:
2.3. Particle Swarm Optimization Algorithm
3. Construction of Predictive Model
3.1. LSTM Model
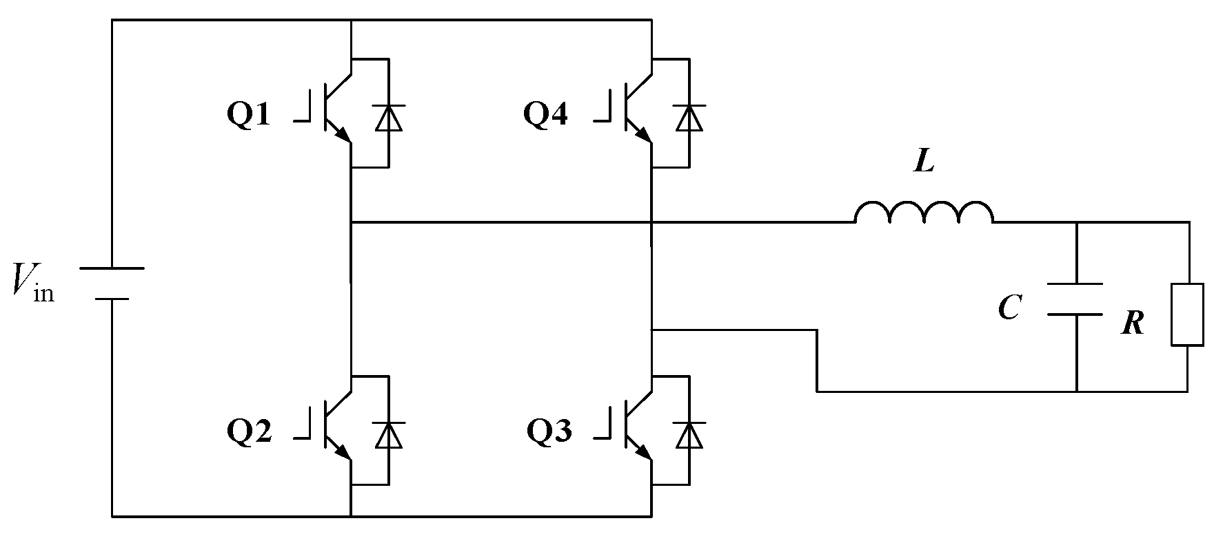
3.2. Efficiency Model of the Converter
3.3. Power Generation Prediction Model
4. Case Study Analysis
4.1. Feature Analysis
4.2. Photovoltaic Power Decomposition
4.3. Model Validation
4.4. Power Correction Considering Photovoltaic Converter Efficiency
5. Discussion and Conclusions
- (1)
- To address the power losses in the PV inverter following the PV panel, the system is divided into two separate modules for modeling: the PV panel power unit and the PV inverter unit. These modules are interconnected through a power-based interface.
- (2)
- Pearson correlation analysis was employed to select highly relevant PV influencing factors, facilitating effective data preprocessing and mitigating the computational complexity arising from high-dimensional data. The VMD method is employed to decompose the fluctuating photovoltaic power signals, effectively reducing the complexity of the PV power data. Furthermore, the PSO algorithm is used to determine the optimal number of decomposition components, which helps prevent over-decomposition and significantly improve prediction performance.
- (3)
- The neural network is trained by establishing a simulation model to obtain the power loss data of the PV inverter under different operating conditions, thereby constructing its equivalent model. Using the output power of the PV panel as the input power of the inverter enables real-time correction of the PV panel’s output power, providing more accurate support for subsequent system optimization.
Author Contributions
Funding
Data Availability Statement
Conflicts of Interest
References
- Bae, K.Y.; Jang, H.S.; Sung, D.K. Hourly solar irradiance prediction based on support vector machine and its error analysis. IEEE Trans. Power Syst. 2017, 32, 935–945. [Google Scholar] [CrossRef]
- Ceci, M.; Corizzo, R.; Fumarola, F.; Malerba, D.; Rashkovska, A. Predictive modeling of PV energy production: How to set up the learning task for a better prediction? IEEE Trans. Ind. Inform. 2017, 13, 956–966. [Google Scholar] [CrossRef]
- Ospina, J.; Newaz, A.; Faruque, M.O. Forecasting of PV plant output using hybrid wavelet-based LSTM-DNN structure model. IET Renew. Power Gener. 2019, 13, 1087–1095. [Google Scholar] [CrossRef]
- Sheng, H.; Xiao, J.; Cheng, Y.; Ni, Q.; Wang, S. Short term solar power forecasting based on weighted gaussian process regression. IEEE Trans. Ind. Electron. 2018, 65, 300–308. [Google Scholar] [CrossRef]
- Sanjari, M.J.; Gooi, H.B. Probabilistic forecast of PV power generation based on higher order Markov chain. IEEE Trans. Power Syst. 2017, 32, 2942–2952. [Google Scholar] [CrossRef]
- Sharadga, H.; Hajimirza, S.; Balog, R.S. Time series forecasting of solar power generation for large-scale photovoltaic plants. Renew. Energy 2019, 150, 797–807. [Google Scholar] [CrossRef]
- Das, U.K.; Tey, K.S.; Seyedmahmoudian, M.; Mekhilef, S.; Idris, M.Y.; Van Deventer, W.; Horan, B.; Stojcevski, A. Forecasting of photovoltaic power generation and model optimization: A review. Renew. Sustain. Energy Rev. 2018, 81, 912–928. [Google Scholar] [CrossRef]
- Masseran, N.; Razali, A.; Ibrahim, K.; Latif, M. Fitting a mixture of von Mises distributions in order to model data on wind direction in Peninsular Malaysia. Energy Convers. Manag. 2013, 72, 94–102. [Google Scholar] [CrossRef]
- Ahmad, A.; Javaid, N.; Mateen, A.; Awais, M.; Khan, Z.A. Short-term load forecasting in smart grids: An intelligent modular approach. Energies 2019, 12, 164. [Google Scholar] [CrossRef]
- Kermia, M.H.; Abbes, D.; Bosche, J. Photovoltaic power prediction using a recurrent neural network RNN. In Proceedings of the 2020 6th IEEE International Energy Conference (ENERGYCon), Gammarth, Tunisia, 28 September–1 October 2020; pp. 545–549. [Google Scholar]
- Wang, F.; Zhen, Z.; Wang, B.; Mi, Z. Comparative Study on KNN and SVM Based Weather Classification Models for Day Ahead Short Term Solar PV Power Forecasting. Appl. Sci. 2018, 8, 28. [Google Scholar] [CrossRef]
- Liao, Z.; Min, W.; Li, C.; Wang, B. Photovoltaic Power Prediction Based on Irradiation Interval Distribution and Transformer-LSTM. Energies 2024, 17, 2969. [Google Scholar] [CrossRef]
- Wang, K.; Qi, X.; Liu, H. A comparison of day-ahead photo-voliaic power forecasting models based on deep learning neural network. Appl. Energy 2019, 251, 113315. [Google Scholar] [CrossRef]
- Wang, X.; Dai, J.; Liang, Y. Ultra-short-term photovoltaic power prediction model based on EMD-BiGRU. In Proceedings of the 2024 5th International Conference on Computer Engineering and Application (ICCEA), Hangzhou, China, 12–14 April 2024. [Google Scholar]
- Zhang, J.L.; Wang, S.Y.; Tan, Z.F.; Sun, A.L. An improved hybrid model for short term power load prediction. Energy 2023, 268, 126561. [Google Scholar] [CrossRef]
- Fan, X.; Wang, R.; Yang, Y.; Wang, J. Transformer–BiLSTM Fusion Neural Network for Short-Term PV Output Prediction Based on NRBO Algorithm and VMD. Appl. Sci. 2024, 14, 11991. [Google Scholar] [CrossRef]
- Huang, W.; Song, Q.; Huang, Y. Two-Stage Short-Term Power Load Forecasting Based on SSA–VMD and Feature Selection. Appl. Sci. 2023, 13, 6845. [Google Scholar] [CrossRef]
- Xiong, S.; Nie, C.; Lu, Y.; Zheng, J. Research on Price Prediction of Construction Materials Based on VMD-SSA-LSTM. Appl. Sci. 2025, 15, 2005. [Google Scholar] [CrossRef]
- Soltani, N.Y.; Nasiri, A. Chance-Constrained Optimization of Energy Storage Capacity for Microgrids. IEEE Trans. Smart Grid 2020, 11, 2760–2770. [Google Scholar] [CrossRef]
- Carrasco, J.M.; Franquelo, L.G.; Bialasiewicz, J.T.; Galvan, E.; PortilloGuisado, R.; Prats, M.A.M.; Leon, J.I.; Moreno-Alfonso, N. Power-Electronic Systems for the Grid Integration of Renewable Energy Sources: A Survey. IEEE Trans. Ind. Electron. 2006, 53, 1002–1016. [Google Scholar] [CrossRef]
- Agrawal, M.; Mishra, M.; Kushwah, S.P.S. Association rules optimization using improved PSO algorithm. In Proceedings of the 2015 International Conference on Communication Networks (ICCN), Gwalior, India, 19–21 November 2015; pp. 395–398. [Google Scholar]
- Zhu, B.; Wang, H.; Zhang, Y.; Chen, S. Buck-Based Active-Clamp Circuit for Current-Fed Isolated DC–DC Converters. IEEE Trans. Power Electron. 2022, 37, 4337–4345. [Google Scholar] [CrossRef]











| Meteorological Characteristics | Correlation Coefficient |
|---|---|
| Temperature | 0.25 |
| Wind speed | −0.18 |
| Wind direction | −0.07 |
| Pressure | −0.04 |
| Irradiance | 0.96 |
| Humidity | −0.52 |
| MAPE | RMSE | R2 | |
|---|---|---|---|
| LSTM | 27.36% | 99.33 | 0.9222 |
| VMD-LSTM | 9.80% | 34.09 | 0.9891 |
| PSO-VMD-LSTM | 7.55% | 29.28 | 0.9919 |
Disclaimer/Publisher’s Note: The statements, opinions and data contained in all publications are solely those of the individual author(s) and contributor(s) and not of MDPI and/or the editor(s). MDPI and/or the editor(s) disclaim responsibility for any injury to people or property resulting from any ideas, methods, instructions or products referred to in the content. |
© 2025 by the authors. Licensee MDPI, Basel, Switzerland. This article is an open access article distributed under the terms and conditions of the Creative Commons Attribution (CC BY) license (https://creativecommons.org/licenses/by/4.0/).
Share and Cite
Pan, H.; Li, C.; Xiao, F.; Zhou, H.; Zhu, B. A PSO-VMD-LSTM-Based Photovoltaic Power Forecasting Model Incorporating PV Converter Characteristics. Appl. Sci. 2025, 15, 10612. https://doi.org/10.3390/app151910612
Pan H, Li C, Xiao F, Zhou H, Zhu B. A PSO-VMD-LSTM-Based Photovoltaic Power Forecasting Model Incorporating PV Converter Characteristics. Applied Sciences. 2025; 15(19):10612. https://doi.org/10.3390/app151910612
Chicago/Turabian StylePan, Hailong, Chao Li, Fuming Xiao, Hai Zhou, and Binxin Zhu. 2025. "A PSO-VMD-LSTM-Based Photovoltaic Power Forecasting Model Incorporating PV Converter Characteristics" Applied Sciences 15, no. 19: 10612. https://doi.org/10.3390/app151910612
APA StylePan, H., Li, C., Xiao, F., Zhou, H., & Zhu, B. (2025). A PSO-VMD-LSTM-Based Photovoltaic Power Forecasting Model Incorporating PV Converter Characteristics. Applied Sciences, 15(19), 10612. https://doi.org/10.3390/app151910612
