A Chest Strap-Based System for Electrocardiogram Monitoring
Abstract
1. Introduction
- The development of a miniaturized, low-cost, and highly comfortable chest strap ECG monitoring system that meets the requirements for daily wearability.
- The design of flexible textile electrodes fabricated by integrating silver-coated polyamide yarn with breathable and elastic substrates, offering excellent flexibility, comfort, and signal quality, significantly enhancing wearability and measurement performance.
- The construction of a deep learning model for accurately assessing individual exercise intensity based on ECG signal features, thereby expanding the application potential of ECG signals in smart health monitoring.
2. Methodology
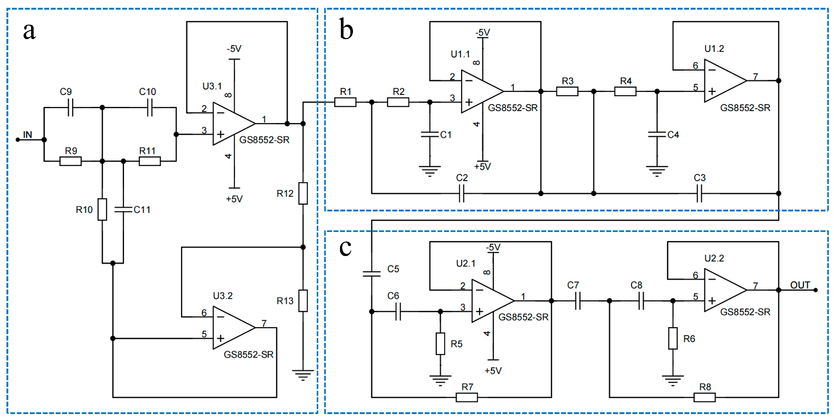
2.1. The System Architecture of the ECG Monitoring System
2.2. Signal Conditioning Circuit
2.3. Classification Model for Exercise Intensity Assessment
2.3.1. Theoretical Basis of Feature Extraction
2.3.2. The Calculation of the Positions of Time Domain Feature Waves in ECG Signals
- Apply a first-order derivative to the filtered ECG time series signal. The zero-crossing points of the derivative sequence are used to locate all characteristic waves.
- Use the Pan–Tompkins algorithm to identify the R-wave positions within the signal.
- Treat each R-wave as a reference point and determine the positions of the other feature waves in each cardiac cycle based on their relative locations to the R-wave.
2.3.3. Dataset Preparation
2.3.4. Neural Network Framework Employed
3. Experimental Section
3.1. Impedance Testing
- Skin preparation: The skin on the volunteer’s forearm was cleaned with ethanol to remove surface oils and contaminants.
- Electrode placement: Two bioelectrodes, each having the same contact area, were affixed to the skin at a fixed inter-electrode distance.
- Circuit configuration: Metallic leads were attached to each electrode and connected to the two terminals of the impedance analyzer, thereby forming an electrode-skin-electrode measurement circuit.
- Frequency sweep: The analyzer was programmed to perform a frequency sweep from 20 Hz to 100 kHz, and the impedance spectrum was subsequently recorded.
3.2. The Composition of the CEMS
4. Results and Discussion
4.1. Structure and Performance Test for the STE
4.1.1. Introduction and Impedance Evaluation for the STE
- Sweat corrosion simulation: The STE was moistened with 0.9% NaCl solution to simulate sweating during physical activity.
- Mechanical durability test: The STE underwent 10 complete wash-dry cycles using commercially available neutral detergents without bleach.
4.1.2. The Signal Monitoring Comparison of the STE and AgCl/Ag Gel Electrodes
4.2. System Evaluation
4.2.1. Assessment of the Monitoring Stability of the CEMS
4.2.2. Comparison Between the CEMS and a Commercial ECG Monitoring Device
4.3. Model Training and Evaluation
4.4. Comparison Between the CEMS and Similar ECG Monitoring Products
5. Conclusions
Author Contributions
Funding
Institutional Review Board Statement
Informed Consent Statement
Data Availability Statement
Conflicts of Interest
References
- Di Paolo, Í.F.; Castro, A.R. Intra- and Interpatient ECG Heartbeat Classification Based on Multimodal Convolutional Neural Networks with an Adaptive Attention Mechanism. Appl. Sci. 2024, 14, 9307. [Google Scholar] [CrossRef]
- Qi, T.; Zhang, H.; Zhao, H.; Shen, C.; Liu, X. Research on ECG Signal Classification Based on Hybrid Residual Network. Appl. Sci. 2024, 14, 11202. [Google Scholar] [CrossRef]
- Kang, T.W.; Lee, J.; Kwon, Y.; Lee, Y.J.; Yeo, W.-H. Recent Progress in the Development of Flexible Wearable Electrodes for Electrocardiogram Monitoring During Exercise. Adv. NanoBiomed Res. 2024, 4, 2300169. [Google Scholar] [CrossRef]
- Lee, M.S.; Paul, A.; Xu, Y.; Hairston, W.D.; Cauwenberghs, G. Characterization of Ag/AgCl Dry Electrodes for Wearable Electrophysiological Sensing. Front. Electron. 2022, 2, 700363. [Google Scholar] [CrossRef]
- Nunes, T.; Da Silva, H.P. Characterization and Validation of Flexible Dry Electrodes for Wearable Integration. Sensors 2023, 23, 1468. [Google Scholar] [CrossRef]
- Tu, H.; Li, X.; Lin, X.; Lang, C.; Gao, Y. Washable and Flexible Screen-Printed Ag/AgCl Electrode on Textiles for ECG Monitoring. Polymers 2023, 15, 3665. [Google Scholar] [CrossRef]
- Cui, T.-R.; Li, D.; Huang, X.-R.; Yan, A.-Z.; Dong, Y.; Xu, J.-D.; Guo, Y.-Z.; Wang, Y.; Chen, Z.-K.; Shao, W.-C.; et al. Graphene-Based Flexible Electrode for Electrocardiogram Signal Monitoring. Appl. Sci. 2022, 12, 4526. [Google Scholar] [CrossRef]
- Fernandes, S.; Ramos, A.; Vega-Barbas, M.; García-Vázquez, C.; Seoane, F.; Pau, I. Smart Textile Technology for the Monitoring of Mental Health. Sensors 2025, 25, 1148. [Google Scholar] [CrossRef] [PubMed]
- Gao, J.; Hu, M.; Sun, H.; Wang, Y.; Wei, Y.; Li, W.; Zheng, L.; Xu, M.; Lu, Q.; Liu, Z.; et al. Disposable and flexible smart electronic tapes for long-term biopotential monitoring. npj Flex. Electron. 2025, 9, 6. [Google Scholar] [CrossRef]
- Li, C.; Xu, K.; Chen, Y. Study on the Anti-Interference Performance of Substrate-Free PEDOT: PSS ECG Electrodes. Appl. Sci. 2024, 14, 6367. [Google Scholar] [CrossRef]
- Niu, L.; Shen, Z.; Wang, Z.; Qi, L.; Niu, H.; Zhou, H.; Zhang, C.; Xu, J.; Fang, J. Low-Contact Impedance Textile Electrode for Real-Time Detection of ECG Signals. ACS Appl. Mater. Interfaces 2024, 16, 57860–57869. [Google Scholar] [CrossRef] [PubMed]
- Rwei, P.; Shiu, J.-W.; Senel, M.; Hajiaghajani, A.; Qian, C.; Chen, C.-W.; Tseng, P.; Khine, M. A Waterborne, Flexible, and Highly Conductive Silver Ink for Ultra-Rapid Fabrication of Epidermal Electronics. Sensors 2025, 25, 2092. [Google Scholar] [CrossRef] [PubMed]
- Ramasamy, S.; Balan, A. Wearable sensors for ECG measurement: A review. Sens. Rev. 2018, 38, 412–419. [Google Scholar] [CrossRef]
- Wang, X.; Feng, Z.; Li, P.; Wang, L.; Chen, L.; Wu, Y.; Yang, J. A Flexible Pressure Sensor with a Mesh Structure Formed by Lost Hair for Human Epidermal Pulse Wave Monitoring. Sensors 2023, 23, 45. [Google Scholar] [CrossRef]
- Zhang, J.; Ding, H. Exploration on flexible wearable sensor motion monitoring based on novel functional polymer conjugated materials. Front. Chem. 2023, 11, 1265211. [Google Scholar] [CrossRef]
- Alimbayeva, Z.; Alimbayev, C.; Ozhikenov, K.; Bayanbay, N.; Ozhikenova, A. Wearable ECG Device and Machine Learning for Heart Monitoring. Sensors 2024, 24, 4201. [Google Scholar] [CrossRef]
- Dahiya, E.S.; Kalra, A.M.; Lowe, A.; Anand, G. Wearable Technology for Monitoring Electrocardiograms (ECGs) in Adults: A Scoping Review. Sensors 2024, 24, 1318. [Google Scholar] [CrossRef]
- Deng, Z.; Guo, L.; Chen, X.; Wu, W. Smart Wearable Systems for Health Monitoring. Sensors 2023, 23, 2479. [Google Scholar] [CrossRef] [PubMed]
- Hou, X.; Qi, B. Basketball Training Posture Monitoring Based on Intelligent Wearable Device. Mob. Inf. Syst. 2022, 2022, 4945534. [Google Scholar] [CrossRef]
- Nigusse, A.B.; Malengier, B.; Van Langenhove, L. Development and Evaluation of a Wearable ECG Monitoring System. Eng. Proc. 2023, 52, 9. [Google Scholar]
- Ramandha, A.; Distya, M.N.I.; Zafira, Z.; Harefa, Y.E.; Rahman, S.F.; Basari. Development of Compact 3-Lead Electrode Electrocardiogram Vest for Vital Sign Monitoring. In Proceedings of the 6th International Conference on Biomedical Engineering (ICOBE 2023), Kuala Lumpur, Malaysia, 19–20 September 2023; Lee, H.L., Yazid, H., Ibrahim, F., Eds.; IFMBE Proceedings. Springer: Cham, Switzerland, 2025; Volume 115, pp. 47–53. [Google Scholar]
- Wang, X.; Liu, S.; Zhu, M.; He, Y.; Wei, Z.; Wang, Y.; Xu, Y.; Pan, H.; Huang, W.; Chen, S.; et al. Flexible Non-contact Electrodes for Wearable Biosensors System on Electrocardiogram Monitoring in Motion. Front. Neurosci. 2022, 16, 900146. [Google Scholar] [CrossRef] [PubMed]
- Zang, J.; An, Q.; Li, B.; Zhang, Z.; Gao, L.; Xue, C. A novel wearable device integrating ECG and PCG for cardiac health monitoring. Microsyst. Nanoeng. 2025, 11, 7. [Google Scholar] [CrossRef]
- Trummer, S.; Ehrmann, A.; Buesgen, A. Development of Underwear with Integrated 12 Channel ECG for Men and Women. Autex Res. J. 2017, 17, 344–349. [Google Scholar] [CrossRef]
- Ozkan, H.; Ozhan, O.; Karadana, Y.; Gulcu, M.; Macit, S.; Husain, F. A Portable Wearable Tele-ECG Monitoring System. IEEE Trans. Instrum. Meas. 2020, 69, 173–182. [Google Scholar] [CrossRef]
- Tu, H.; Li, Z.; Chen, Z.; Gao, Y.; Xuan, F. A Step Forward for Smart Clothes: Printed Fabric-Based Hybrid Electronics for Wearable Health Monitoring. Sensors 2024, 24, 6991. [Google Scholar] [CrossRef]
- Chu, H.; Yang, C.; Xing, Y.; Li, J.; Liu, C. A Portable ECG Patch Monitor Based on Flexible Non-hydrogel Electrode. J. Med. Biol. Eng. 2022, 42, 364–373. [Google Scholar] [CrossRef]
- Cömert, A.; Hyttinen, J. Investigating the possible effect of electrode support structure on motion artifact in wearable bioelectric signal monitoring. Biomed. Eng. Online 2015, 14, 44. [Google Scholar] [CrossRef]
- Joutsen, A.; Cömert, A.; Kaappa, E.; Vanhatalo, K.; Riistama, J.; Vehkaoja, A.; Eskola, H. ECG signal quality in intermittent long-term dry electrode recordings with controlled motion artifacts. Sci. Rep. 2024, 14, 8882. [Google Scholar] [CrossRef]
- Bi, S.; Lu, R.; Xu, Q.; Zhang, P. Accurate Arrhythmia Classification with Multi-Branch, Multi-Head Attention Temporal Convolutional Networks. Sensors 2024, 24, 8124. [Google Scholar] [CrossRef]
- Byeon, Y.-H.; Kwak, K.-C. An Ensemble Deep Neural Network-Based Method for Person Identification Using Electrocardiogram Signals Acquired on Different Days. Appl. Sci. 2024, 14, 7959. [Google Scholar] [CrossRef]
- Feng, K.; Pi, X.; Liu, H.; Sun, K. Myocardial Infarction Classification Based on Convolutional Neural Network and Recurrent Neural Network. Appl. Sci. 2019, 9, 1879. [Google Scholar] [CrossRef]
- Hussein, O.; Jameel, S.M.; Altmemi, J.M.; Abbas, M.A.; Uğurenver, A.; Alkubaisi, Y.M.; Sabry, A.H. Improving automated labeling with deep learning and signal segmentation for accurate ECG signal analysis. SOCA 2024. [Google Scholar] [CrossRef]
- Castillo-Atoche, A.; Caamal-Herrera, K.; Atoche-Enseñat, R.; Estrada-López, J.J.; Vázquez-Castillo, J.; Castillo-Atoche, A.C.; Palma-Marrufo, O.; Espinoza-Ruiz, A. Energy Efficient Framework for a AIoT Cardiac Arrhythmia Detection System Wearable during Sport. Appl. Sci. 2022, 12, 2716. [Google Scholar] [CrossRef]
- Guerra, R.D.T.; Yamaguchi, C.K.; Stefenon, S.F.; Coelho, L.D.S.; Mariani, V.C. Deep Learning Approach for Automatic Heartbeat Classification. Sensors 2025, 25, 1400. [Google Scholar] [CrossRef]
- Sun, A.; Hong, W.; Li, J.; Mao, J. An Arrhythmia Classification Model Based on a CNN-LSTM-SE Algorithm. Sensors 2024, 24, 6306. [Google Scholar] [CrossRef]
- Khalili, M.; Gholamhosseini, H.; Lowe, A.; Kuo, M.M.Y. Motion artifacts in capacitive ECG monitoring systems: A review of existing models and reduction techniques. Med. Biol. Eng. Comput. 2024, 62, 3599–3622. [Google Scholar] [CrossRef] [PubMed]
- Huamaní, R.; Talavera, J.R.; Mendoza, E.A.S.; Dávila, N.M.; Supo, E. Implementation of a Real-Time 60 Hz Interference Cancella-tion Algorithm for ECG Signals Based on ARM Cortex M4 and ADS1298. In Proceedings of the 2017 IEEE XXIV International Conference on Electronics, Electrical Engineering and Computing (INTERCON 2017), Cusco, Peru, 15–18 August 2017; IEEE: Piscataway, NJ, USA, 2017; pp. 1–4. [Google Scholar]
- Bui, N.T.; Vo, T.H.; Kim, B.-G.; Oh, J. Design of a Solar-Powered Portable ECG Device with Optimal Power Consumption and High Accuracy Measurement. Appl. Sci. 2019, 9, 2129. [Google Scholar] [CrossRef]
- Becker, D.E. Fundamentals of electrocardiography interpretation. Anesth. Prog. 2006, 53, 53–63. [Google Scholar] [CrossRef]
- Ortega, E.; Bryan, C.Y.X.; Christine, N.S.C. The Pulse of Singapore: Short-Term HRV Norms. Assoc. Appl. Psychophysiol. Biofeedback 2024, 49, 55–61. [Google Scholar] [CrossRef]
- Shaffer, F.; Ginsberg, J.P. An Overview of Heart Rate Variability Metrics and Norms. Front. Public. Health. 2017, 5, 258. [Google Scholar] [CrossRef]
- Draghici, A.E.; Taylor, J.A. The physiological basis and measurement of heart rate variability in humans. J. Physiol. Anthropol. 2016, 35, 22. [Google Scholar] [CrossRef] [PubMed]
- Kleiger, R.E.; Stein, P.K.; Bigger, J.T., Jr. Heart rate variability: Measurement and clinical utility. Ann. Noninvasive Electrocardiol. 2005, 10, 88–101. [Google Scholar] [CrossRef] [PubMed]
- Pan, J.; Tompkins, W.J. A Real-Time QRS Detection Algorithm. IEEE Trans. Biomed. Eng. 1985, 32, 230–236. [Google Scholar] [CrossRef]
- Ramesh, J.; Solatidehkordi, Z.; Aburukba, R.; Sagahyroon, A.; Aloul, F. Transferring Learned ECG Representations for Deep Neural Network Classification of Atrial Fibrillation with Photoplethysmography. Appl. Sci. 2025, 15, 4770. [Google Scholar] [CrossRef]
- Azimi, S.M.; Britz, D.; Engstler, M.; Fritz, M.; Mücklich, F. Advanced Steel Microstructural Classification by Deep Learning Methods. Sci. Rep. 2018, 8, 2128. [Google Scholar] [CrossRef]
- Ali, B.; Cheraghi Bidsorkhi, H.; D’aloia, A.G.; Laracca, M.; Sarto, M.S. Wearable graphene-based fabric electrodes for enhanced and long-term biosignal detection. Sens. Actuators Rep. 2023, 5, 100161. [Google Scholar] [CrossRef]
















| Product | EkgMove | Underwear with 12 Channels | CHILEAF | CEMS |
|---|---|---|---|---|
| Wearing Style | Chest strap | Underwear | Chest strap | Chest strap |
| Electrode | Disposable ECG electrode | Textile electrode | Conventional metal electrode | Silver-coated textile electrode |
| Sweat-proof performance | NO | YES | YES | YES |
| Wearability | YES | NO | YES | YES |
Disclaimer/Publisher’s Note: The statements, opinions and data contained in all publications are solely those of the individual author(s) and contributor(s) and not of MDPI and/or the editor(s). MDPI and/or the editor(s) disclaim responsibility for any injury to people or property resulting from any ideas, methods, instructions or products referred to in the content. |
© 2025 by the authors. Licensee MDPI, Basel, Switzerland. This article is an open access article distributed under the terms and conditions of the Creative Commons Attribution (CC BY) license (https://creativecommons.org/licenses/by/4.0/).
Share and Cite
Zhang, X.; Zhan, Y.; Wang, X.; Yang, J. A Chest Strap-Based System for Electrocardiogram Monitoring. Appl. Sci. 2025, 15, 5920. https://doi.org/10.3390/app15115920
Zhang X, Zhan Y, Wang X, Yang J. A Chest Strap-Based System for Electrocardiogram Monitoring. Applied Sciences. 2025; 15(11):5920. https://doi.org/10.3390/app15115920
Chicago/Turabian StyleZhang, Xiaoman, Yaoliang Zhan, Xue Wang, and Jin Yang. 2025. "A Chest Strap-Based System for Electrocardiogram Monitoring" Applied Sciences 15, no. 11: 5920. https://doi.org/10.3390/app15115920
APA StyleZhang, X., Zhan, Y., Wang, X., & Yang, J. (2025). A Chest Strap-Based System for Electrocardiogram Monitoring. Applied Sciences, 15(11), 5920. https://doi.org/10.3390/app15115920
