Next Article in Journal
An Improved Winkler Foundation Modulus for a Beam in a Full Space
Previous Article in Journal
Study on Hydration Heat Release Model and Its Influence Coefficient of Addition Concrete
 
 
Font Type:
Arial Georgia Verdana
Font Size:
Aa Aa Aa
Line Spacing:
Column Width:
Background:
Article

A Setting Optimization Ensemble for a Distributed Power Grid Protective Relay

1
School of Electrical & Information Engineering, Changsha University of Science & Technology, Changsha 410114, China
2
International Institute of Engineering, Changsha University of Science & Technology, Changsha 410114, China
*
Author to whom correspondence should be addressed.
Appl. Sci. 2024, 14(6), 2278; https://doi.org/10.3390/app14062278
Submission received: 5 February 2024 / Revised: 28 February 2024 / Accepted: 5 March 2024 / Published: 8 March 2024
(This article belongs to the Section Electrical, Electronics and Communications Engineering)

Abstract

To ensure a stable and reliable power supply, the valid and timely response of protective relays are indispensable. Through the prevention of fault expansions, potential equipment damage or system collapse can be averted, where their setting is one vital prerequisite for such effective implementations. However, the increasing complexity of distribution power systems results in more challenges for protection tuning strategies. Ergo, this paper presents an ensemble that combines the independent factor evaluation (IFE) and quantum genetic optimization (QGO) models to further optimize the performance of relays according to their distributed tuning environment. In this ensemble, both near and far-end fault characteristics can be incorporated. In the first stage, the IFE dimensional reduction model is deployed for massive heterogeneous input data, where the statistical independence of input signals is calculated, the linear transformation matrix to decouple mixed signals is found, the linear combination of such signals is formed, and the non-Gaussian property to sort them is established. This can ameliorate the following calculation efficiency under those high-dimensional data scenarios. Subsequently, the QGO model is designed to further improve relay settings, where qubit representation is built to reduce required chromosomes, the linear superposition of the optimal solution probability in different states is implemented for a better diversity and convergence performance, and a self-adaption quantum gate is established to dynamically update the qubit chromosome groups and two-state solution combinations. Lastly, an empirical case study is presented, which validates the enhanced convergence, accuracy, and rapidity of the proposed ensemble.

1. Introduction

With the continuous advancement of new power electronic devices and emerging energy equipment, the power system is experiencing escalating complexity and expanding coverage. Currently, the power system is swiftly evolving towards a large-scale power supply, cross-regional transmission, and high-voltage DC transmission. Consequently, the demands for configured relay protection facilities are progressively becoming more stringent and standardized [1,2,3]. Relay protection in electric power systems generally comprises relay protection devices, current transformers, voltage transformers, and other elements. The relay protection device utilizes collected current and voltage signals to perform logical operations based on preset protection trigger conditions. Upon meeting these conditions, a protection trigger signal is generated to either isolate the fault area or switch the circuit, ensuring the effective protection of power equipment [4]. The calculation of the traditional relay protection device’s setting value primarily relies on the upstream and downstream cooperation method. This entails setting up the corresponding backup protection relay device in coordination after the remote relay device has been configured [5]. Traditional fault detection and location methods have limitations, potentially lacking real-time monitoring and accurate positioning capabilities. Manual intervention becomes necessary with the system protection’s “four characteristics”, which represent the sensitivity, selectivity, stability, and quickness of the system relay protection; requirements cannot be met, imposing high demands on operators [6,7,8,9].
To address these challenges, a proposed online adaptive protection coordination scheme based on the numerical directional overcurrent relay (DOCR) and a commercial interior point optimization solver is presented in document [10]. Additionally, the literature [11] introduces a multi-characteristic relay to tackle coordination issues during network failures, accompanied by a self-contained protection relay designed as a backup. Furthermore, the literature [12] analyzes methods for distinguishing the internal faults of relay protection under a transformer surge and overexcitation conditions, effectively enhancing the performance of differential protection. In addition, an adaptive relay protection method for distribution systems with electronically coupled distributed energy sources is presented in reference [13]. In document [14], K-means clustering is employed to define the setting group of overcurrent (OC) relays. This approach enhances the reliability and performance of OC protection. A cyber-physical automatic testbed for relay protection using real-time digital simulators (RTDS) has been developed in reference [5] to modify the settings online. Despite these advancements, the traditional power system is often accompanied by power transmission congestion and related problems, and the demand for a smart grid arises at the historic moment [15,16,17]. Considering the rapid progress in computer technology, power electronics, and information electronics, a comprehensive approach is essential for the innovation and optimization of smart grid technology to continuously enhance safety and stability in power grid system operations [18,19,20,21]. Simultaneously, the advancement of new energy sources and energy storage has presented fresh demands for the power grid, consequently introducing new challenges to relay protection [22,23,24].
As distributed computing technology matures, the utilization of distributed computing platforms can effectively facilitate the global optimization of relay protection setting design [25,26]. Intelligent optimization algorithms based on distributed technology have been widely employed to calculate global protection setting values. Reference [27] introduces a protection scheme utilizing the support vector machine (SVM) method to detect bulk DG trip after an electrical system failure, ensuring the subsequent distance relay operates correctly. The adaptive modified firefly algorithm is used in document [28] to set the optimal overcurrent relay, which greatly reduces the overall relay operation time. The meta heuristic optimization method correctly solves the coordination problems between each relay offered by reference [29]. In document [30], a method optimizing the coordination direction of overcurrent protection in the bus system is designed using the PSO algorithm. Reference [31] employs the DE algorithm to optimize the setting and coordination of overcurrent relays. Additionally, reference [32] combines the TLBO algorithm to propose a comprehensive microgrid overcurrent relay (OCR) coordination the method, considering three optimization parameters. Reference [33] develops an improved genetic algorithm for the directional overcurrent relays in active distribution networks, considering a thermal equivalent short-circuit current. Even with the advantages of the genetic algorithm (GA), it has complexity and lower computational efficiency.
This paper introduces a fixed-value distributed optimization method for overcurrent protection, combining independent factor evaluation (IFE) and quantum genetic optimization (QGO). Initially, a global tuning optimization model is established based on fault characteristics and overcurrent protection device features. Subsequently, the combined method of IFE and QGO is applied to solve the optimization model, offering the following characteristics:
  • The IFE algorithm extracts independent components from measurement signals, enhancing the sensitivity of the relay protection system by identifying abnormal conditions;
  • The inherent signal separation capability of IFE facilitates a more precise localization of faults and anomalies within intricate power system environments, thereby furnishing accurate inputs for subsequent value optimization;
  • QGO utilizes qubit representation for quantum chromosomes, enhancing search space coverage and algorithm convergence while reducing computational burden;
  • The quantum gate-based dynamic iterative process in QGO significantly improves global optimization efficiency, making the algorithm more flexible and adaptive.
In a practical example within a regional power grid, the integrated application of the fixed-value distributed optimization method incorporating IFE and QGO ensures the “four characteristics” of the relay system and markedly enhances the efficacy of the optimization process. This integrated approach offers a new solution for power system safety and reliability, accelerating smart grid construction. Effectively combining the strengths of both methods, this approach holds promising prospects in the field of relay protection.

2. Optimization Model for Relay Device Setting

2.1. The Significance of Relay Device Parameter Setting

Relay protection plays a crucial role in ensuring the safe and stable operation of a power system. They detect abnormal conditions in the circuit and swiftly isolate the faulty section, thereby preventing equipment damage and system accidents. Parameter setting involves the appropriate configuration of parameters in the relay protection device, such as current, time, impedance, etc., based on the actual operating conditions of the power system and the technical characteristics of the protection equipment. This ensures the accuracy and reliability of the protection actions. The significance and necessity of parameter setting are evident in the following aspects:
  • Ensure the accuracy of protection actions: Reasonable parameter setting guarantees that the relay protection accurately detects faults and promptly initiates appropriate actions, avoiding false operations or failures. This safeguards power system equipment from damage;
  • Minimize the scope of protection: Precise parameter setting confines the operation of protection devices to the fault area, reducing the risk of widespread power outages caused by protection mis-operations. This minimizes unnecessary equipment replacement and maintenance, resulting in cost savings;
  • Enhance system stability: Appropriate protection parameters swiftly isolate faults, preventing their propagation and maintaining system stability;
  • Adapt to system changes: Power system loads and network structures may change over time. By employing reasonable parameter setting, protection devices can adapt to these changes, ensuring optimal performance at all times;
  • Improve system reliability: Correct parameter setting helps enhance the reliability of the relay protection system, reducing the likelihood of human and operational errors. This ensures the safe and stable operation of the system;
  • Optimize protection strategies: Continuous monitoring and analysis enable the optimization and adjustment of protection parameters, further improving the effectiveness of protection strategies.
Hence, parameter setting holds essential importance in relay protection, serving as a crucial step to ensure the safe, reliable, and efficient operation of a power system.

2.2. Determination of Parameters for Overcurrent Protection Devices

In addressing faults in individual phases and interphase faults on power lines, the common choice is to employ overcurrent relay devices for overcurrent protection. The tripping time of the relay must adhere to the prescribed relationship outlined by the current–delay curve, and its delay duration is primarily influenced by the current traversing through it. Consequently, the operating time of the overcurrent protection device is intricately linked to three key variables: time dial setting (TDS), plug setting (PS), and fault current ( I f a u l t ) at the primary port fault of the current transformer.
TDS signifies the time interval required before the relay protection device initiates operation when the fault current equals or surpasses the PS rating. PS represents the ratio of fault current to contact current. The relay device’s operation time not only hinges on the relay type employed and the contact current but is also contingent upon the fault current, adhering to a corresponding nonlinear numerical characteristic curve.
Given the aforementioned attributes, we formulate the mathematical analytical expression for the total protective action time of the overcurrent relay device as follows:
T = λ · T D S ( I f a u l t P S C T r a t i o n ) ν μ
where λ ,   ν ,   μ are the known constants, which are always set to 0.14, 0.02, 1.00 according to the IEEE standard [34]. I f a u l t is the fault current is in the primary port of the current transformer. C T r a t i o n is the primary setting value of the current transformer.
Simultaneously, we can ascertain the current I r d of the relay device to be
I r d = I f a u l t C T r a t i o n

2.3. Objective Function and Constraints

Line faults can be broadly categorized into two types based on fault distance: near faults, which occur in close proximity to the relay device, and far faults, situated at the far end of the line. To attain comprehensive protection, the objective is to prompt the relay to execute protection swiftly and effectively. This is achieved by using the total operating time of all primary protection devices as an objective function, responding to and addressing all line failures. While ensuring the coordination of each protection device, the objective function is minimized.
The formulated objective function is outlined as follows:
min i = 1 m T c l o s e i + j = 1 n T f a r j
where
T c l o s e i = λ · T D S i ( I f a u l t i P S i C T r a t i o n i ) ν μ
T f a r j = λ · T D S j ( I f a u l t j P S j C T r a t i o n j ) ν μ
The constraints are as follows:
T D S m i n i T D S i T D S m a x i
where i   is the fault label in the near area of the system. The value range is i [ 1 , m ] N . The upper and lower limits of TDS are 0.1 and 1.1, respectively, according to the IEEE standard [34].
P S m i n i P S j P S m a x j
where j is the fault label in the far area of the system. The value range is j [ 1 , n ] N ; The upper and lower limits of PS are 1.25 and 1.55, respectively, according to the IEEE standard [34].
T c l o s e m i n T c l o s e i T c l o s e m a x
T f a r m i n T f a r j T f a r m a x
where i , j are the near and far fault labels in the system; the upper and lower limits of both are set as 0.05 and 1.00, respectively, by the IEEE standard [34].
T b a c k u p T p r i m a r y C T I m i n
where T b a c k u p ,   T p r i m a r y are, respectively, the time required for the backup protective relay and the main protective relay to operate. C T I m i n   is the least coordinated time interval. In this paper, the timing coordination mechanism is adopted, and 0.35 s is set for the electromagnetic relay, which is widely used at present.

2.4. Constraint Processing

To streamline the resolution of the optimization model, we incorporate the external point penalty function, converting the constraints into a linear combination of penalty terms and the objective function. Subsequently, the original constrained optimization problem is simplified into an unconstrained optimization problem. The objective function, inclusive of the penalty term, is expressed as follows:
min i = 1 m T c l o s e i + j = 1 n T f a r j + i = 1 m α 1 i m a x { T c l o s e m i n T c l o s e i , 0 } + i = 1 m α 2 i m a x { T c l o s e i T c l o s e m a x , 0 } + j = 1 n β 1 j m a x { T f a r m i n T f a r j , 0 } + j = 1 n β 2 j m a x { T f a r j T f a r m a x , 0 } + γ m a x { C T I m i n T b a c k u p + T p r i m a r y , 0 }
where all of   α 1 i , α 2 i , β 1 j , β 2 j , γ are punishment factors.

3. Independent Factor Evaluation Model

3.1. The Background of IFE

Independent factor evaluation (IFE) is a widely employed method in signal processing designed to separate multiple signals amalgamated into independent subcomponents. The fundamental principle of this algorithm involves assuming that the mixed signal comprises several independent and non-Gaussian components. IFE, through this assumption, endeavors to identify a set of projection directions, ensuring that the components in the projected data exhibit maximum independence. This, in turn, enables the discovery of mutually independent signal sources.
In contrast to principal component analysis (PCA), IFE places a greater emphasis on uncovering independence during the processing of mixed signals, rather than solely focusing on the primary variance in the data. This distinctive feature renders IFE a potent and adaptable tool, particularly in domains such as image processing, speech separation, and electroencephalogram analysis. FastIFE stands out in practical applications due to its rapidity, efficiency, and non-Gaussian sensitivity, offering a robust solution for managing complex mixed signals.

3.2. The Model Building of IFE

For a known data set Y , its IFE solving model can be expressed as follows:
Y = J X
where
Y = y 1 y 2 y m   ,   X = x 1 x 2 x m
J =     J 11 J 21 J m 1 J 12 J 22 J m 2 J 1 n J 2 n     J m n
where x i i = 1 , 2 , , n are pairwise independent random variables; J   is a full-rank matrix, and   J R m × n . We assume the matrix W satisfies
W = J 1 =     w 11 w 21 w m 1 w 12 w 22 w m 2 w 1 n w 2 n     w m n
The matrix W is subsequently a full-rank matrix with m rows and n columns. Additionally, we can ascertain
X = WY

3.3. The Operational Step of IFE

The primary objective of IFE is to confer statistically independent and non-Gaussian properties upon the independent component X through the identification of a suitable transformation matrix W . Different IFE methods are categorized based on distinct objective functions, encompassing the maximum likelihood estimation method and the minimum mutual information method. Among these approaches, the FastIFE algorithm swiftly resolves independent components under specified constraints by utilizing negative entropy as a non-Gaussian measure and maximizing it as an objective function. This method exhibits notable advantages over alternative techniques, particularly in terms of its rapid convergence rate, making it well suited for large-scale datasets. The specific operational steps are outlined as follows:
(1)
Calculate Y ¯ ,   the mean of Y , and calculate the mean removed X * according to the following formula:
X * = X Y ¯
(2)
Find F = c o v   X * ,   X *   T ,   the covariance matrix of X * . Calculate the eigenvalue diagonal matrix Λ and the eigenvector ξ . Let P = Λ 1 / 2 ξ T . The processing data R are obtained from Equation (18):
R = P × X *
(3)
Randomly initialize the matrix   W 0 ,   setting the modulus of each column vector in it as 1. Set k as the iteration indicator, and let k = 0 .
(4)
The numerical iterative calculation for   w k is carried out:
w k = ξ R F w d k 1 T R ξ R f w d k 1 T R × w d k 1
where F is a hyperbolic tangent function and f = F , which means f is the first derivative of F with respect to t , then
F t = tanh t = e t e t e t + e t
f t = 4 e 2 t ( e 2 t + 1 ) 2
(5)
Orthogonalize and standardize the matrix W :
w j k i = 1 m ( w j k r w i ) w i
w j k w j k w j k
(6)
If w j k T w j k 1 1 < ε , then d = d + 1 , or else judge that it does not converge and return to Step (3).
(7)
If   d = m ,   derive the matrix W . Then, the independent component X is obtained according to Formula (16).
In conclusion, independent factor evaluation, as a potent signal processing method, demonstrates outstanding performance in handling mixed signals. The detailed operational process highlights that IFE establishes the groundwork for the precise separation of independent signal components through steps such as data preprocessing, centralization, whitening, and more. The selection of an appropriate objective function, such as maximizing the non-Gaussianity of the independent component, coupled with an optimized solution method, contributes to the overall efficiency of the process with fast computational performance and convergence speed.

3.4. Example of IFE Simulation

The sinusoidal signal is a widely encountered waveform in various domains, including production and daily life. It is commonly found in alternating currents, harmonic motion, and many other applications. In this context, we utilize two commonly used sinusoidal signals as reference original signals:
s 1 = sin 10 π t s 2 = 0.5 sin 20 π t
The linear combination of the benchmark signals is used as the mixed signal in our study:
m 1 m 2 = 0.8 0.2 0.3 0.7 s 1 s 2 + ε 1 ε 2
where Gaussian white noise ε 1 , ε 2 ~ N 0 , 0.001 .
The IFE result obtained after the above process is depicted in Figure 1.
By analyzing Figure 1, we can observe that the IFE technique effectively separates mixed signals, resulting in a clear distinction between different components. This separation leads to a reduction in data dimensionality, which in turn enhances the interpretability of the signals.

4. Quantum Genetic Optimization Model

4.1. The Background of QGO

Quantum genetic optimization (QGO) is an intelligent optimization algorithm that combines quantum computing and genetic algorithm and introduces quantum concepts, such as quantum states, quantum gates, and probability amplitudes, into the genetic algorithm. This algorithm is based on probabilistic heuristic search, and compared with traditional genetic algorithms, it uses qubits to characterize genes. This approach gives genetic algorithms a new dimension by introducing quantum properties, allowing for broader and more efficient search space exploration. A quantum genetic algorithm not only makes use of qubits but also makes use of quantum properties, such as quantum superposition and entanglement for parallel computation, which may show faster convergence speed and better solutions in search and optimization problems.

4.2. The Model Building of QGO

In the theoretical framework of two-state quantum computing, the smallest information storage unit is referred to as a qubit. Qubits can exist in states “1” or “0”, or they may simultaneously exist in any superposition between the two.
The state of any qubit ψ can be described by the following equation:
ψ = a 0 + b 1
where a   and b   are complex coefficients of the probability that the qubit is in the corresponding state. Specifically, a 2   represents the probability that the qubit is in state 0, and b 2 represents the probability that the qubit is in state 1.
Normalize this complex coefficient to receive
a 2 + b 2 = 1
Therefore, for a system with n qubits, 2 n states will be covered.
For QGO algorithm, we often use qubits to encode the optimization scheme. A qubit is defined by a pair of complex numbers, which may be denoted as a , b T , where the two parameters have the same meaning as those in Equation (24).
The space of an m qubit is defined as follows:
a 1 a 2 a m b 1 b 2 b m
The above matrix satisfies the constraint (25), which means a i 2 + b i 2 = 1 , i = 1 , 2 , , m .
The advantage of this representation is that it covers superposition states other than “1” and “0”. Taking a three-qubit system with three states as an example, the probability amplitude can be expressed as
cos θ cos φ cos δ sin θ sin φ sin δ
The state of the system can be expressed as
cos θ cos φ cos δ 000 + cos θ cos φ sin δ 001 + cos θ sin φ cos δ 010 + cos θ sin φ sin δ 011 + sin θ cos φ cos δ 100 + sin θ cos φ sin δ 101 + sin θ sin φ cos δ 110 + sin θ sin φ sin δ 111
According to Equation (28), the three-qubit system contains eight kinds of state information, that is, (000), (001), (010), (011), (100), (101), (110), and (111).
The corresponding occurrence probabilities are, respectively, as follows:
cos 2 θ   cos 2 φ   cos 2 δ , cos 2 θ   cos 2 φ   sin 2 δ cos 2 θ   sin 2 φ   cos 2 δ , cos 2 θ   sin 2 φ   sin 2 δ sin 2 θ   cos 2 φ   cos 2 δ , sin 2 θ   cos 2 φ   sin 2 δ sin 2 θ   sin 2 φ   cos 2 δ , sin 2 θ   sin 2 φ   sin 2 δ
Therefore, a quantum chromosome with n qubits can express 2 n states. If the traditional genetic algorithm is used, at least 2 n chromosomes are needed. In addition, when the coefficients a i 2   or b i 2 tend toward “1” or “0”, the multi-state nature of qubit chromosomes will gradually disappear until they converge to a single state. From the above two aspects, it can be seen that qubit representation has a large range, easier convergence, and more advantages.

4.3. The Operational Step of QGO

Qubits can exist in states “1” or “0”, or they may simultaneously exist in any superposition between the two. The main steps of the QGO model process are as follows:
(1)
Initialize the qubit chromosome population P t .
(2)
Solve a set of two-state solutions S t   by P t   states.
(3)
Evaluate S t , and solve the optimal solution stored in S t .
(4)
If the termination condition is not reached, generate S t from the previous time sequence P t 1 of the qubit chromosome population in each iteration.
(5)
Update P t according to quantum gate V t .
(6)
Store the optimal solution in S t until the termination condition is reached.
On the basis of the genetic algorithm, QGO adds a probability analysis model. QGO often takes a qubit chromosome population as the object of genetic evolution, and in the t generation, the population can be represented as
P t = p 1 t , p 2 t , , p n t
where n is the population size, that is, the total number of qubit chromosomes in the population, and p j t   is a qubit chromosome, which can be written as
p j t = a 1 t a 2 t a m t b 1 t b 2 t b m t
where m is the number of qubits in a qubit chromosome, that is, the string length of the qubit chromosome, j = 1 ,   2 ,   ,   n .
During the initialization of P t , p j t   in all P t is preset to 1 / 2 . That is, p j t | t = 0 refers to a qubit chromosome with the same probability of linear superposition of all possible states, whose states can be written as
ψ p j 0 = k = 1 2 m 1 2 m X K
where X K is composed of the two-state strings x 1 ,   x 2 ,   ,   x m and represents the kth state.
Next, based on P t , we solve a set of binary solution S t = x 1 t , x 2 , t x n t . Any binary solution x j t is a two-state string of length m . The variable x j t is formed with the probability of each qubit, p j t , and has the state a 2 or b 2 . Each solution x j t can be used to evaluate its fitness, and the optimal solution is selected and stored in the two-state solution S t .
In the iterative process, the two-state solution S t is solved according to the state of the previous time sequence P t 1   of the qubit chromosome population, and the relevant fitness is obtained by evaluating each two-state solution. Next, each set of qubits of chromosome S t is updated by constructing a quantum gate V t . V t is usually formed by the two-state solution S t and the optimal storage solution, which can be designed according to actual needs. In this paper, a revolving gate is chosen, whose mathematical expression is as follows:
V θ = cos θ sin θ sin θ cos θ
In the iterative step, the best solution in a set of two-state solutions, S t , is stored and compared with the next set of solutions in the next cycle, and the better solution is preserved. The iterative steps are repeated until an optimal solution is reached.
In general, quantum genetic optimization (QGO) maintains a constant population size, implying that the number of qubit chromosomes remains unchanged. This is a consequence of the qubit conservation principle in quantum computing theory. When compared to the conventional genetic algorithm (GA), QGO, utilizing qubit representation, demonstrates superior performance in terms of diversity and convergence. This distinctive characteristic enables QGO to effectively preserve population diversity while exhibiting enhanced efficiency in the search for optimal solutions. By incorporating principles from quantum computing theory, QGO offers a novel perspective for addressing optimization problems and displays unique advantages in the process of population evolution.

4.4. Example of QGO Simulation

Here, we refer to the book Introduction to Operations Research by Hillier and Lieberman [35]. The book provides classical examples of linear programming, which are commonly used for testing purposes. Linear programming falls under convex programming, where a global optimal solution theoretically exists. Classical algorithms, such as the “simplex method”, have been proven to efficiently find the global optimal solution. In MATLAB 2021a, the linprog function, based on the simplex method, can accurately search for the global optimal solution of a linear programming problem.
From a perspective of nonlinear programming models, linear programming models can have multiple decision variables and multiple sets of linearly independent equality and inequality constraints. This makes them suitable for testing heuristic search algorithms for nonlinear programming models.
Below are some test examples:
max z = 2 x 1 + 3 x 2 5 x 3 s . t . x 1 + x 2 + x 3 = 7 2 x 1 5 x 2 + x 3 10 x 1 + 3 x 2 + x 3 12 x 1 , x 2 , x 3 0
QGO algorithm is used to solve the above linear programming model.
First, the objective function of building foundation augmentation is
Z = 2 x 1 + 3 x 2 5 x 3 + α 1 m a x 10 2 x 1 + 5 x 2 x 3 , 0 + α 2 m a x x 1 + 3 x 2 + x 3 12 , 0 + α 3 x 1 + x 2 + x 3 7 2
where α 1 , α 2 , α 3 are penalty factors, which are artificially controllable constants. Here, we take α 1 = α 2 = α 3 = 10 .
Following the aforementioned steps, we utilize the QGO algorithm for optimization and present the iteration curve in Figure 2:
This iteration curve demonstrates the convergence behavior of the QGO algorithm during the optimization process. It provides insights into the algorithm’s performance and the rate at which it approaches the optimal solution.
The comparison between QGO optimization results and simplex optimization results is shown in Table 1 and Table 2.
By analyzing Table 1 and Table 2, we observe that the optimization results obtained using the QGO algorithm are nearly identical to those obtained using the simplex method. These results indicate that the QGO algorithm is capable of achieving solutions that are close to the global optimum. Additionally, the maximum violation of the constraint conditions does not exceed 0.03, indicating that the QGO algorithm effectively satisfies the constraints.
The successful application of the QGO algorithm in solving complex planning problems further highlights its ability to find global optimal solutions. This demonstrates the algorithm’s robustness and effectiveness in tackling optimization challenges.
In summary, the overall process of optimizing the assigned value of distributed grid relay protection using the aforementioned method is as follows (Figure 3):

5. Case Study: Simulation Results and Comparative Analysis

In this paper, we utilized a typical power protection system with a simple network topology, whose relevant data were provided by the existing project of National Key Laboratory of Disaster Prevention and Reduction of Power network distribution network model test site in Changsha University of Science and Technology, as an illustrative example.
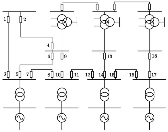
Our focus was on optimizing the value of the phase-to-phase distance protection segment, a protective mechanism commonly employed in pairs of transmission lines to determine the distance between the fault point and the protection point by measuring the phase difference of fault current and voltage, thereby safeguarding the power system, specifically protection 1–18, to assess the effectiveness of the proposed method. To evaluate the operational timeliness of the method in a distributed environment, we conducted simulations using ten computing terminals. The structural depiction of the system in the case study is presented in Figure 4.
The initial values before the optimization of the above system usually include line impedance and relay impedance setting values, which are given in Table 3 and Table 4, respectively.
On one hand, the effectiveness of the proposed method was validated through testing. Fixed-value optimization was conducted for devices No. 1–18 in the example network depicted in the above figure. The optimal setting results for each protection in the system by IFE-QGO are presented in the following table (Table 5):
The operation time of each relay protection device and the overall system operation time after IFE-QGO optimization can be obtained by analyzing the table provided. The results of IFE-QGO processing were compared with the existing project parameters, as illustrated in Table 6.
As can be seen from the above table, the overall operation time of the system after IFE-QGO is 9.005 s, which is 21.696% shorter than the existing situation.
Implementing the stepwise coordination method for the same case, the results are presented in the following table for comparison.
The Table 7 reveals that the overall operation time of 20.6 s.
Compared with the results of Table 4 and Table 5, the overall operational time of the IFE-QGO-optimized system amounts to only 43.71% of that required by the stepwise coordination method. It can be seen that the tuning optimization method based on IFE-QGO can enhance the tuning energy and reduce the total action time.
Meanwhile, a comparison is made between the optimization method based on IFE-QGO and the GA and PSO algorithms mentioned in the citation, which are extensively employed in diverse engineering problems, alongside IFE-QGO’s distinctive and unique optimization method of QGO.
The iterative evolution curve and global convergence running time are shown in Figure 5 and Table 8.
The term “Running time” mentioned above refers to the duration taken by the algorithm from the initial iteration until it reaches the final convergence value.
Furthermore, Figure 6 illustrates the number of iterations necessary for the convergence of various heuristic algorithms.
It can be concluded from the analysis of the figure and table above that the combined IFE-QGO algorithm has certain advantages over other heuristic algorithms in terms of global convergence speed, and the number of iterations is reduced by 50.88%, 60.00%, and 69.23%, respectively. In terms of running time, the IFE-QGO method is still more efficient, which is shortened by 59.25%, 79.71%, and 87.42%, respectively, compared with the other three algorithms.
Regarding the final objective function value, which represents the overall operation time of the system used for overcurrent protection, both the IFE-QGO and the QGO algorithm achieve the best results, demonstrating their superior ability for a global search. The IFE-QGO algorithm, with the assistance of IFE, enhances computational efficiency and running speed. In contrast, classical heuristic algorithms, such as PSO and GA, tend to get trapped in local optimal solutions. By employing the IFE-QGO algorithm, significant time savings of 0.507 s and 1.380 s can be achieved for the power system, respectively.
In summary, the IFE-QGO algorithm can help us solve the relay protection setting optimization problem in a distributed grid more accurately and quickly.

6. Conclusions

In this paper, we propose an optimization model based on independent component analysis and quantum genetic algorithm to address the challenge of setting relay protection values in a distributed operation scenario. This approach ensures the efficiency and accuracy of optimization while enhancing the overall effectiveness. The main works of this paper include:
(1)
Construction of a Global Tuning Optimization Model:
Taking into account the characteristics of overcurrent protection devices and near–far fault distinctions, a global tuning optimization model tailored for distributed power grids is formulated. Constraint conditions are also processed using an external point penalty function to ensure robust optimization.
(2)
Signal Decoupling through Independent Factor Evaluation:
The statistical independence of signals is calculated, a linear transformation matrix to decouple mixed signals is identified, and the non-Gaussian property to sort signals is employed. This process can enhance the sensitivity of a relay protection system by obtaining the original source signals.
(3)
Qubit Representation for Optimization Efficiency:
Qubit representation is established to reduce the number of optimized chromosomes. The diversity and convergence performance are improved through the linear superposition of optimal solution probabilities in different states. To raise the global optimization efficiency, a dynamic optimization process is designed, involving a dynamic iteration of the qubit chromosome group and two-state solution combination using the quantum gate model.
(4)
Verification of Optimization Efficiency:
The proposed method is validated through the results of related empirical case studies. It demonstrates the ability to address the “four characteristics” requirements in the fixed-value optimization process, thereby improving overall optimization efficiency.
Numerous simulation results in the text unequivocally demonstrate that IFE-QGO possesses the ability to effectively search for and acquire the globally optimal solution. In comparison to previous optimization algorithms, it exhibits higher efficiency and better relay device setting, thereby enhancing the effectiveness of parameter tuning in typical scenarios. Furthermore, even in instances where the power grid structure undergoes changes, this method enables the swift acquisition of the optimal tuning values with outstanding total action time for newly introduced relay devices. Moreover, from a mathematical standpoint, IFE-QGO serves as an exceptional tool for solving nonlinear programming problems, rendering it applicable to a wide range of optimization problems.
To sum up, the presented approach integrates Independent Factor Evaluation (IFE) and quantum genetic optimization (QGO), providing a comprehensive solution for optimizing relay protection values in distributed power grid scenarios. The methodology exhibits effectiveness in meeting optimization requirements and enhancing efficiency in relay protection systems.

Author Contributions

Conceptualization, H.L. and C.S.; methodology, H.L. and H.X.; software, H.L.; validation, H.L., H.X. and J.S.; resources, C.S.; writing—original draft preparation, H.L.; writing—review and editing, C.S.; visualization, Y.W. All authors have read and agreed to the published version of the manuscript.

Funding

This work was supported by the Natural Science Foundation of China (52207074), the Natural Science Foundation of Changsha (kq2208231), and the Innovation and Entrepreneurship Training Program of Changsha University of Science and Technology College Students (2023050).

Institutional Review Board Statement

Not applicable.

Informed Consent Statement

Not applicable.

Data Availability Statement

Data are contained within the article.

Acknowledgments

Thanks for Hongyu Zhu, State Grid Hunan Electric Power Company Limited Information and Communication Company, Changsha, 410007, China, whose email is zhuhongyu51396@163.com. Thanks for the technical and economic support brought by State Grid Hunan Electric Power Co., Ltd. research project (No. 5216A8220005) from Hongyu Zhu’s project.

Conflicts of Interest

We wish to confirm that there are no known conflicts of interest associated with this publication and that there has been no significant financial support for this work that could have influenced its outcome.

Nomenclature

SymbolMeaningUnits
T Total protection action times
T c l o s e Operation time of near area faults in the systems
T f a r Operation time of far area faults in the systems
I f a u l t Fault current at the primary port fault of the current transformerA
I r d Relay device currentA
T D S Time dial settings
P S Plug and dial settingA
C T r a t i o n Primary setting of the current transformer°C
T b a c k u p Standby protective relay operation times
T p r i m a r y Operation time of main protective relays
C T I m i n Minimum coordination time interval°C

References

  1. Zhang, B.; Hao, Z.; Bo, Z. New development in relay protection for smart grid. Prot. Control Mod. Power Syst. 2016, 1, 14. [Google Scholar] [CrossRef]
  2. Kaygusuz, K. Hydropower as clean and renewable energy source for electricity generation. J. Eng. Res. Appl. Sci. 2016, 5, 359–369. [Google Scholar]
  3. Bui, N.; Castellani, A.P.; Casari, P.; Zorzi, M. The internet of energy: A web-enabled smart grid system. IEEE Netw. 2012, 26, 39–45. [Google Scholar] [CrossRef]
  4. Kotb, M.F.; El-Saadawi, M.; El-Desouky, E.H. Overcurrent protection relay-based Arduino Uno for FREEDM system. Int. Trans. Electr. Energy Syst. 2019, 29, e12017. [Google Scholar] [CrossRef]
  5. Yang, Z.; Wang, Y.; Xing, L.; Yin, B.; Tao, J. Relay protection simulation and testing of online setting value modification based on RTDS. IEEE Access 2019, 8, 4693–4699. [Google Scholar] [CrossRef]
  6. Bo, Z.Q.; Lin, X.N.; Wang, Q.P.; Yi, Y.H.; Zhou, F.Q. Developments of power system protection and control. Prot. Control Mod. Power Syst. 2016, 1, 1–8. [Google Scholar] [CrossRef]
  7. Kiliçkiran, H.C.; Şengör, İ.; Akdemir, H.; Kekezoğlu, B.; Erdinç, O.; Paterakis, N.G. Power system protection with digital overcurrent relays: A review of non-standard characteristics. Electr. Power Syst. Res. 2018, 164, 89–102. [Google Scholar] [CrossRef]
  8. Zheng, X.; Jia, R.; Gong, L.; Aisikaer, M.X.; Dang, J. Relay protection system of transmission line based on AI. PLoS ONE 2021, 16, e0246403. [Google Scholar] [CrossRef]
  9. Darabi, A.; Bagheri, M.; Gharehpetian, G.B. Highly sensitive microgrid protection using overcurrent relays with a novel relay characteristic. IET Renew. Power Gener. 2020, 14, 1201–1209. [Google Scholar] [CrossRef]
  10. Alam, M.N. Adaptive protection coordination scheme using numerical directional overcurrent relays. IEEE Trans. Ind. Inform. 2018, 15, 64–73. [Google Scholar] [CrossRef]
  11. Reda, A.; Abdelgawad, A.F.; Ibrahim, M. Effect of non standard characteristics of overcurrent relay on protection coordination and maximizing overcurrent protection level in distribution network. Alex. Eng. J. 2022, 61, 6851–6867. [Google Scholar] [CrossRef]
  12. Guzman, A.; Zocholl, Z.; Benmouyal, G.; Altuve, H.J. A current-based solution for transformer differential protection. I. Problem statement. IEEE Trans. Power Deliv. 2001, 16, 485–491. [Google Scholar] [CrossRef]
  13. Strezoski, L.; Stefani, I.; Bekut, D. Novel method for adaptive relay protection in distribution systems with electronically-coupled DERs. Int. J. Electr. Power Energy Syst. 2020, 116, 105551. [Google Scholar] [CrossRef]
  14. Sanati, S.; Mosayebi, A.; Kamwa, I. Advanced Rapid Directional Over-Current Protection for DC Microgrids Using K-Means Clustering. IEEE Trans. Power Deliv. 2024, 1–12. [Google Scholar] [CrossRef]
  15. Lo, C.H.; Ansari, N. The progressive smart grid system from both power and communications aspects. IEEE Commun. Surv. Tutor. 2011, 14, 799–821. [Google Scholar] [CrossRef]
  16. Shaukat, N.; Khan, B.; Ali, S.M.; Mehmood, C.A.; Khan, J.; Farid, U.; Majid, M.; Anwar, S.M.; Jawad, M.; Ullah, Z. A survey on electric vehicle transportation within smart grid system. Renew. Sustain. Energy Rev. 2018, 81, 1329–1349. [Google Scholar] [CrossRef]
  17. Colak, I.; Kabalci, E.; Fulli, G.; Lazarou, S. A survey on the contributions of power electronics to smart grid systems. Renew. Sustain. Energy Rev. 2015, 47, 562–579. [Google Scholar] [CrossRef]
  18. Tuballa, M.L.; Abundo, M.L. A review of the development of Smart Grid technologies. Renew. Sustain. Energy Rev. 2016, 59, 710–725. [Google Scholar] [CrossRef]
  19. Ying, L.; Jia, Y.; Li, W. Research on state evaluation and risk assessment for relay protection system based on machine learning algorithm. IET Gener. Transm. Distrib. 2020, 14, 3619–3629. [Google Scholar] [CrossRef]
  20. Khalid, H.; Shobole, A. Existing developments in adaptive smart grid protection: A review. Electr. Power Syst. Res. 2021, 191, 106901. [Google Scholar] [CrossRef]
  21. Uribe-Pérez, N.; Hernández, L.; De la Vega, D.; Angulo, I. State of the art and trends review of smart metering in electricity grids. Appl. Sci. 2016, 6, 68. [Google Scholar] [CrossRef]
  22. Bose, B.K. Power electronics, smart grid, and renewable energy systems. Proc. IEEE 2017, 105, 2011–2018. [Google Scholar] [CrossRef]
  23. Molina, M.G. Energy storage and power electronics technologies: A strong combination to empower the transformation to the smart grid. Proc. IEEE 2017, 105, 2191–2219. [Google Scholar] [CrossRef]
  24. Uribe-Pérez, N.; Hernández, L.; De la Vega, D.; Angulo, I. Rechargeable Ca-ion batteries: A new energy storage system. Chem. Mater. 2015, 27, 8442–8447. [Google Scholar]
  25. Shin, M.C.; Park, C.W.; Kim, J.H. Fuzzy logic-based relaying for large power transformer protection. IEEE Trans. Power Deliv. 2003, 18, 718–724. [Google Scholar] [CrossRef]
  26. Kulikov, A.; Loskutov, A.; Bezdushniy, D. Relay protection and automation algorithms of electrical networks based on simulation and machine learning methods. Energies 2022, 15, 6525. [Google Scholar] [CrossRef]
  27. Tasdighi, M.; Kezunovic, M. Preventing transmission distance relays maloperation under unintended bulk DG tripping using SVM-based approach. Electr. Power Syst. Res. 2017, 142, 258–267. [Google Scholar] [CrossRef]
  28. Tjahjono, A.; Anggriawan, D.O.; Faizin, A.K.; Priyadi, A.; Pujiantara, M.; Taufik, T.; Purnomo, M.H. Adaptive modified firefly algorithm for optimal coordination of overcurrent relays. IET Gener. Transm. Distrib. 2017, 11, 2575–2585. [Google Scholar] [CrossRef]
  29. El-kordy, M.; El-fergany, A.; Gawad, A.F.A. Various metaheuristic-based algorithms for optimal relay coordination: Review and prospective. Arch. Comput. Methods Eng. 2021, 28, 3621–3629. [Google Scholar] [CrossRef]
  30. Wang, Y.; Habib, K.; Wadood, A.; Khan, S. The Hybridization of PSO for the Optimal Coordination of Directional Overcurrent Protection Relays of the IEEE Bus System. Energies 2023, 16, 3726. [Google Scholar] [CrossRef]
  31. Thangaraj, R.; Pant, M.; Abraham, A. New mutation schemes for differential evolution algorithm and their application to the optimization of directional over-current relay settings. Appl. Math. Comput. 2010, 216, 532–544. [Google Scholar] [CrossRef]
  32. Saldarriaga-Zuluaga, S.D.; Lopez-Lezama, J.M.; Munoz-Galeano, N. Optimal coordination of over-current relays in microgrids considering multiple characteristic curves. Alex. Eng. J. 2021, 60, 2093–2113. [Google Scholar] [CrossRef]
  33. Rojnić, M.; Prenc, R.; Topić, D.; Strnad, I. A new methodology for optimization of overcurrent protection relays in active distribution networks regarding thermal stress curves. Int. J. Electr. Power Energy Syst. 2023, 152, 109216. [Google Scholar] [CrossRef]
  34. Std C37.112-2018; IEEE Standard for Inverse-Time Characteristics Equations for Overcurrent Relays. IEEE: Piscataway, NJ, USA, 2019.
  35. Hillier, F.S.; Lieberman, G.J. Introduction to Operations Research; McGraw-Hill Education: New York, NY, USA, 2014. [Google Scholar]
Figure 1. Test example of IFE.
Figure 1. Test example of IFE.
Applsci 14 02278 g001
Figure 2. Test example iteration curve.
Figure 2. Test example iteration curve.
Applsci 14 02278 g002
Figure 3. Overall algorithm flow chart.
Figure 3. Overall algorithm flow chart.
Applsci 14 02278 g003
Figure 4. Structure of the system in the case study.
Figure 4. Structure of the system in the case study.
Applsci 14 02278 g004
Figure 5. Comparison of optimized convergence curves.
Figure 5. Comparison of optimized convergence curves.
Applsci 14 02278 g005
Figure 6. Iteration Number to Convergence.
Figure 6. Iteration Number to Convergence.
Applsci 14 02278 g006
Table 1. The results of QGO optimization are compared with those of the simplex method.
Table 1. The results of QGO optimization are compared with those of the simplex method.
Objective Function Optimal Value x 1 x 2 x 3
Simplex method14.57146.42860.57140.0000
QGO14.55856.42560.57700.0048
Table 2. Degree of constraint satisfaction.
Table 2. Degree of constraint satisfaction.
Penalty Function TermNumerical Value
max { 10 2 x 1 + 5 x 2 x 3 , 0 } 0.02907
max x 1 + 3 x 2 + x 3 12 , 0 0.00000
( x 1 + x 2 + x 3 7 ) 2 0.00004
Table 3. The line impedance of the power system.
Table 3. The line impedance of the power system.
Line Starting PointLine Ending PointLine Impedance/Ω
1314.48
245.22
565.76
784.82
9105.11
111217.97
13147.23
1516 9.65
171812.18
Table 4. The initial relay impedance setting values before optimization.
Table 4. The initial relay impedance setting values before optimization.
Protection NumberImpedance Setting/ΩProtection NumberImpedance Setting/Ω
124.091011.69
213.171127.75
324.441219.18
418.581310.01
58.311415.72
615.70158.49
710.111627.23
817.431712.35
99.891814.81
Table 5. The optimized setting values.
Table 5. The optimized setting values.
Protection NumberTDS/sPS/A I f a u l t /A C r a t i o n /°C
10.4064 0.4722 114.9884 1.2585
20.7506 0.4709 28.8535 1.2585
30.2265 0.4724 2.0484 0.4863
40.3872 0.4119 8.3677 0.4863
50.2610 0.4618 86.2663 0.7138
60.2005 0.4118 1.9384 0.7138
70.2003 0.4109 13.5776 1.7460
80.4031 0.4726 62.2795 1.7460
90.0561 1.4309 2.7206 1.0424
100.2011 0.4437 38.9902 1.0424
110.2837 0.3731 192.8845 0.7729
120.2002 0.4642 6.5212 0.7729
130.2133 0.4108 4.7942 0.5879
140.2006 0.4124 2.3834 0.5879
150.1543 1.7178 138.7306 0.4800
160.0566 1.4305 1.5243 0.4800
170.2039 0.4739 6.8099 1.2018
180.2415 1.7156 109.8189 1.2018
Table 6. Performance comparison between the setting with/ without the optimization.
Table 6. Performance comparison between the setting with/ without the optimization.
Protection NumberAction Time/s
Before OptimizationAfter Optimization
10.70000.5123
20.50000.5000
30.80000.7089
40.90000.6994
50.50000.3102
60.70000.7301
70.70000.4629
80.80000.6248
90.80000.6495
100.50000.3036
110.50000.2858
120.70000.4693
130.70000.4849
140.70000.6005
150.40000.2001
160.70000.4929
170.40000.5611
180.50000.4086
Total Action time/s11.50009.0050
Table 7. Outputs of step-by-step setting.
Table 7. Outputs of step-by-step setting.
Protection NumberAction Time/sProtection NumberAction Time/s
10.7101.3
20.6110.9
31.7121.5
41.1132.2
51.5141.2
61.6150.7
71.4160.5
80.5171.0
90.9181.3
Table 8. Heuristic algorithm optimization results.
Table 8. Heuristic algorithm optimization results.
Optimal Value of Objective FunctionRunning Time/s
IFE-QGO9.0050.238
QGO9.0050.584
PSO9.5121.173
GA10.3851.892
Disclaimer/Publisher’s Note: The statements, opinions and data contained in all publications are solely those of the individual author(s) and contributor(s) and not of MDPI and/or the editor(s). MDPI and/or the editor(s) disclaim responsibility for any injury to people or property resulting from any ideas, methods, instructions or products referred to in the content.

Share and Cite

MDPI and ACS Style

Luo, H.; Sun, C.; Xu, H.; Su, J.; Wang, Y. A Setting Optimization Ensemble for a Distributed Power Grid Protective Relay. Appl. Sci. 2024, 14, 2278. https://doi.org/10.3390/app14062278

AMA Style

Luo H, Sun C, Xu H, Su J, Wang Y. A Setting Optimization Ensemble for a Distributed Power Grid Protective Relay. Applied Sciences. 2024; 14(6):2278. https://doi.org/10.3390/app14062278

Chicago/Turabian Style

Luo, Haoren, Chenhao Sun, Hao Xu, Jianhong Su, and Yujia Wang. 2024. "A Setting Optimization Ensemble for a Distributed Power Grid Protective Relay" Applied Sciences 14, no. 6: 2278. https://doi.org/10.3390/app14062278

APA Style

Luo, H., Sun, C., Xu, H., Su, J., & Wang, Y. (2024). A Setting Optimization Ensemble for a Distributed Power Grid Protective Relay. Applied Sciences, 14(6), 2278. https://doi.org/10.3390/app14062278

Note that from the first issue of 2016, this journal uses article numbers instead of page numbers. See further details here.

Article Metrics

Back to TopTop