Design and Lateral Stability Analysis of an Attitude Adjustment Tractor for Moving on Side Slopes
Abstract
1. Introduction
2. Design Concept
2.1. The Conventional Agricultural Wheel Tractor
2.2. A Wheel Tractor with Attitude Adjustment Function
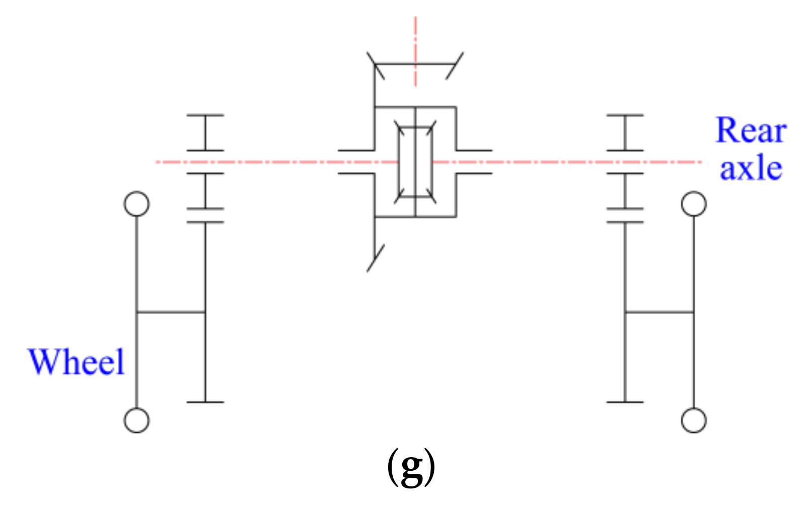
2.2.1. Rear Adjustment Drive Axle
2.2.2. Front Axle
2.2.3. Hillside Tractor
- It can enhance the tractor’s stability on lateral slopes by actively adjusting the adjustment mechanisms on the rear axle.
- It can move on small obstacles while ensuring all the wheels keep in contact with the ground without active control, which provides a simple control system for this tractor.
- It can level its body on side slopes, to ensure comfort for tractor drivers.
3. Adjustment Mechanism
- Mathematical model
- 1.
- In the initial state, the height of COG is .
- 2.
- When a wheel turns upward, the height of the COG becomes lower:
- 3.
- When a wheel turns downward, the height of the COG becomes higher:
- 2.
- Mechanism design
4. Lateral Stability
- The tractor is equipped with four rigid wheels.
- The steering angle of the tractor is fixed at zero.
- The tractor travels along a flat lateral slope.
- The traversing speed is low, and the motion of the tractor remains in a steady state.
4.1. Coordinate Systems
4.2. Mechanical Model of an Attitude Adjustment Tractor
4.3. Lateral Overturn Stability
- Initial state
- Attitude adjustment state
5. Case Study and Experiment Variation
5.1. Case Study
- Attitude adjustment mechanism
- Lateral stability
- Initial state
- 2.
- Attitude adjustment state
5.2. Manufacture and Test of a Prototype
5.2.1. Manufacture of a Prototype
5.2.2. Bench Tests
6. Conclusions and Future Works
Author Contributions
Funding
Institutional Review Board Statement
Informed Consent Statement
Data Availability Statement
Acknowledgments
Conflicts of Interest
References
- Li, Z.; Inoue, M.; Okayasu, E.; Hirai, T.; Zhu, Y.; Xiang, Z. Parameter sensitivity for tractor lateral stability against Phase I overturn on random road surfaces. Biosyst. Eng. 2016, 150, 10–23. [Google Scholar] [CrossRef]
- Jang, M.-K.; Hwang, S.-J.; Nam, J.-S. Simulation Study for Overturning and Rollover Characteristics of a Tractor with an Implement on a Hard Surface. Agronomy 2022, 12, 3093. [Google Scholar] [CrossRef]
- He, Z.; Song, Z.; Wang, L.; Zhou, X.; Gao, J.; Wang, K.; Li, Z. Fasting the stabilization response for prevention of tractor rollover using active steering: Controller parameter optimization and real-vehicle dynamic tests. Comput. Electron. Agric. 2023, 204, 107525. [Google Scholar] [CrossRef]
- Franceschetti, B.; Rondelli, V.; Capacci, E. Lateral Stability Performance of Articulated Narrow-Track Tractors. Agronomy 2021, 11, 2512. [Google Scholar] [CrossRef]
- Guzzomi, A.L. A revised kineto-static model for Phase I tractor rollover. Biosyst. Eng. 2012, 113, 65–75. [Google Scholar] [CrossRef]
- Qin, J.; Zhu, Z.; Ji, H.; Zhu, Z.; Li, Z.; Du, Y.; Mao, E. Simulation of active steering control for the prevention of tractor dynamic rollover on random road surfaces. Biosyst. Eng. 2019, 185, 135–149. [Google Scholar] [CrossRef]
- Kang, S.; Kim, Y.; Park, H.; Kim, Y.; Woo, S.; Uyeh, D.D.; Ha, Y. Rollover Safety and Workable Boundary Suggestion of an Agricultural Platform with Different Attachments. Agriculture 2022, 12, 1148. [Google Scholar] [CrossRef]
- Baker, V.; Guzzomi, A.L. A model and comparison of 4-wheel-drive fixed-chassis tractor rollover during Phase I. Biosyst. Eng. 2013, 116, 179–189. [Google Scholar] [CrossRef]
- Li, Z.; Mitsuoka, M.; Inoue, E.; Okayasu, T.; Hirai, Y. Development of stability indicators for dynamic Phase I overturn of conventional farm tractors with front axle pivot. Biosyst. Eng. 2015, 134, 55–67. [Google Scholar] [CrossRef]
- Li, Z.; Mitsuoka, M.; Inoue, E.; Okayasu, T.; Zhu, Z. Modification of a Tractor Dynamic Model Considering the Rotatable Front End. J. Fac. Agric. Kyushu Univ. 2015, 60, 219–224. [Google Scholar] [CrossRef]
- Watanabe, M.; Sakai, K. Numerical analysis of steering instability in an agricultural tractor induced by bouncing and sliding. Biosyst. Eng. 2020, 192, 108–116. [Google Scholar] [CrossRef]
- Li, Z.; Mitsuoka, M.; Inoue, E.; Okayasu, T.; Hirai, Y. Dynamic analysis of agricultural wheel tractor driving on uneven surface under the influences of speed and slope angle. J. Fac. Agric. Kyushu Univ. 2014, 59, 339–343. [Google Scholar] [CrossRef]
- Ahmadi, I. Development of a tractor dynamic stability index calculator utilizing some tractor specifications. Sci. Technol. Res. Counc. Turk. 2013, 37, 203–211. [Google Scholar] [CrossRef]
- Vidoni, R.; Bietresato, M.; Gasparetto, A.; Mazzetto, F. Evaluation and stability comparison of different vehicle configurations for robotic agricultural operations on side-slopes. Biosyst. Eng. 2015, 129, 197–211. [Google Scholar] [CrossRef]
- Zhu, Y.; Kan, J. Prediction of the lateral stability of a forestry chassis with an articulated body and fitted with luffing wheel-legs. Biosyst. Eng. 2022, 224, 143–160. [Google Scholar] [CrossRef]
- Zirong, L.; Jianzhong, S.; Guowu, W.; Lei, R. A reconfigurable hybrid wheel-track mobile robot based on Watt II six-bar linkage. Mech. Mach. Theory 2018, 128, 16–32. [Google Scholar]
- Inotsume, H.; Sutoh, M.; Nagaoka, K.; Nagatani, K.; Yoshida, K. Modeling, Analysis, and Control of an Actively Reconfigurable Planetary Rover for Traversing Slopes Covered with Loose Soil. J. Field Robot. 2013, 30, 875–896. [Google Scholar] [CrossRef]
- Cordes, F.; Dettmann, A.; Kirchner, F. Locomotion modes for a hybrid wheeled-leg planetary rover. In Proceedings of the IEEE International Conference on Robotics & Biomimetics, Phuket, Thailand, 7–11 December 2011. [Google Scholar]
- Iagnemma, K.; Rzepniewski, A.; Dubowsky, S.; Pirjanian, P.; Huntsberger, T.; Schenker, P. Mobile robot kinematic reconfigurability for rough-terrain. In Proceedings of the Conference on Sensor Fusion and Decentralized Control in Robotic System, Boston, MA, USA, 6–8 November 2000. [Google Scholar]
- Wettergreen, D.; Moreland, S.; Skonieczny, K.; Jonak, D.; Kohanbash, D.; Teza, J. Design and field experimentation of a prototype Lunar prospector. Int. J. Robot. Res. 2010, 29, 1550–1564. [Google Scholar] [CrossRef]
- Wilcox, B.H.; Litwin, T.; Biesiadecki, J.J.; Matthews, J.; Heverly, M.; Morrison, J.; Cooper, B.K. Athlete: A cargo handling and manipulation robot for the moon. J. Field Robot. 2007, 24, 421–434. [Google Scholar] [CrossRef]
- Aoki, T.; Murayama, Y.; Hirose, S. Development of a Transformable Three-wheeled Lunar Rover: Tri-Star IV. J. Field Robot. 2013, 31, 206–223. [Google Scholar] [CrossRef]
- Halme, A.; Leppänen, I.; Salmi, S.; Ylönen, S. Hybrid locomotion of a wheel-legged machine. In Proceedings of the 3rd International Conference on Climbing and Walking Robots (CLAWAR’00), Madrid, Spain, 15 October 2000. [Google Scholar]
- Reid, W.; Perez-Grau, F.J.; Goktogan, A.H.; Sukkarieh, S. Actively articulated suspension for a wheel-on-leg rover operating on a Martian analog surface. In Proceedings of the 2016 IEEE International Conference on Robotics and Automation (ICRA), Stockholm, Sweden, 16–21 May 2016. [Google Scholar]
- Grand, C.; Benamar, F.; Plumet, F.; Bidaud, P. Stability and Traction Optimization of a Reconfigurable Wheel-Legged Robot. Int. J. Robot. Res. 2016, 23, 1041–1058. [Google Scholar] [CrossRef]
- Jiang, H.; Xu, G.; Zeng, W.; Gao, F. Design and kinematic modeling of a passively-actively transformable mobile robot. Mech. Mach. Theory 2019, 142, 103591. [Google Scholar] [CrossRef]
- Mashadi, B.; Hanif, N. Automatic Control of a Modified Tractor to Work on Steep Side Slopes. J. Terramech. 2009, 46, 299–311. [Google Scholar] [CrossRef]
- Aziz RM, S.; Samieifar, A.; Mehrabani, M.H.; Khaqanifar, M. Design and Manufacture of an Appropriate Suspension Mechanism for the Wheels of the Tractor for Moving on Transveral slopes. Int. J. Agric. Crop Sci. 2014, 7, 1406–1416. [Google Scholar]
- Gao, Q.; Gao, F.; Tian, L.; Li, L.; Jiang, D. Design and development of a variable ground clearance, variable wheel track self-leveling hillside vehicle power chassis (V2-HVPC). J. Terramech. 2014, 56, 77–90. [Google Scholar] [CrossRef]
- Wang, Y.J.; Yang, F.Z.; Pan, G.T.; Liu, H.Y.; Zhang, J.Q. Design and Testing of a Small Remote-Control Hillside Tractor. Trans. ASABE Am. Soc. Agric. Biol. Eng. 2014, 57, 363–370. [Google Scholar]
- Peng, H.; Ma, W.; Zhao, E.; Lu, X.; Feng, X. Design and physical model experiment of body leveling system for roller tractor in hilly and mountainous region. Trans. Chin. Soc. Agric. Eng. 2018, 34, 36–44. [Google Scholar]
- He, P.; Wen-xing, M.; Zhong-shan, W. Control system of self-leveling in hilly tractor body through simulation and experiment. J. Jilin Univ. Eng. Technol. Ed. 2019, 49, 157–165. [Google Scholar]
- Sun, J.; Meng, C.; Zhang, Y.; Chu, G.; Zhang, Y.; Yang, F.; Liu, Z. Design and physical model experiment of an attitude adjustment device for a crawler tractor in hilly and mountainous regions. Inf. Process. Agric. 2020, 7, 466–478. [Google Scholar] [CrossRef]
- Jiang, H.; Xu, G.; Zeng, W.; Gao, F.; Chong, K. Lateral Stability of a Mobile Robot Utilizing an Active Adjustable Suspension. Appl. Sci. 2019, 9, 4410. [Google Scholar] [CrossRef]
- Moreschi, C.; Da Broi, U.; Cividino, S.R.S.; Gubiani, R.; Pergher, G.; Vello, M.; Rinaldi, F. The analysis of the cause-effect relation between tractor overturns and traumatic lesions suffered by drivers and passengers: A crucial step in the reconstruction of accident dynamics and the improvement of prevention. Agriculture 2017, 7, 97. [Google Scholar] [CrossRef]
- Song, Z.; Wang, L.; Liu, Y.; Wang, K.; He, Z.; Zhu, Z.; Qin, J.; Li, Z. Actively steering a wheeled tractor against potential rollover using a sliding-mode control algorithm: Scaled physical test. Biosyst. Eng. 2022, 213, 13–29. [Google Scholar] [CrossRef]
- Jang, M.K.; Hwang, S.J.; Kim, J.H.; Nam, J.S. Overturning and rollover characteristics of a tractor through dynamic simulations: Effect of slope angle and obstacles on a hard surface. Biosyst. Eng. 2022, 219, 11–24. [Google Scholar] [CrossRef]
- Gravalos, I.; Gialamas, T.; Loutridis, S.; Moshou, D.; Kateris, D.; Xyradakis, P.; Tsiropoulos, Z. An experimental study on the impact of the rear track width on the stability of agricultural tractors using a test bench. J. Terramech. 2011, 48, 319–323. [Google Scholar] [CrossRef]
- Takeda, J.; Shimada, M.; Kikuchi, Y.; Nakano, M.; Okada, S.; Hiroma, T.; Torisu, R. Dynamic behaviors of farm tractor passing over an obstacle (Part 1) improvement of tractor dynamic model and measurement of tire stiffness. J. Jpn. Soc. Agric. Mach. 2010, 72, 457–463. [Google Scholar]
- Franceschetti, V.C.A. Comparing the influence of roll-over protective structure type on tractor lateral stability. Saf. Sci. 2019, 115, 42–50. [Google Scholar] [CrossRef]













| Parameter | Value | Unit | Parameter | Value | Unit |
|---|---|---|---|---|---|
| 970 | mm | 640 | mm | ||
| 181 | mm | 1280 | mm |
Disclaimer/Publisher’s Note: The statements, opinions and data contained in all publications are solely those of the individual author(s) and contributor(s) and not of MDPI and/or the editor(s). MDPI and/or the editor(s) disclaim responsibility for any injury to people or property resulting from any ideas, methods, instructions or products referred to in the content. |
© 2024 by the authors. Licensee MDPI, Basel, Switzerland. This article is an open access article distributed under the terms and conditions of the Creative Commons Attribution (CC BY) license (https://creativecommons.org/licenses/by/4.0/).
Share and Cite
Jiang, H.; Xu, G.; Zeng, W.; Gao, F.; Tang, X. Design and Lateral Stability Analysis of an Attitude Adjustment Tractor for Moving on Side Slopes. Appl. Sci. 2024, 14, 2220. https://doi.org/10.3390/app14052220
Jiang H, Xu G, Zeng W, Gao F, Tang X. Design and Lateral Stability Analysis of an Attitude Adjustment Tractor for Moving on Side Slopes. Applied Sciences. 2024; 14(5):2220. https://doi.org/10.3390/app14052220
Chicago/Turabian StyleJiang, Hui, Guoyan Xu, Wen Zeng, Feng Gao, and Xiaohu Tang. 2024. "Design and Lateral Stability Analysis of an Attitude Adjustment Tractor for Moving on Side Slopes" Applied Sciences 14, no. 5: 2220. https://doi.org/10.3390/app14052220
APA StyleJiang, H., Xu, G., Zeng, W., Gao, F., & Tang, X. (2024). Design and Lateral Stability Analysis of an Attitude Adjustment Tractor for Moving on Side Slopes. Applied Sciences, 14(5), 2220. https://doi.org/10.3390/app14052220

