State–Space Modelling and Stability Analysis of Solid-State Transformers for Resilient Distribution Systems
Abstract
1. Introduction
- The state-space model of each converter is derived.
- The stability of converters has been analyzed by integrating it with additional control methods.
- Time-domain and frequency-domain performance have been shown to measure the system’s stability.
- The proposed model has been simulated and validated using an OPAL-RT real-time digital simulator.
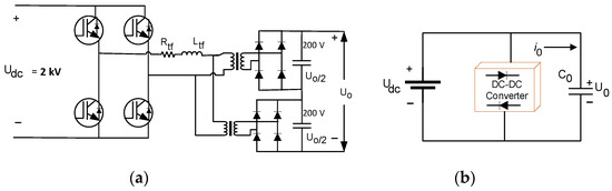
2. Fundamental Topologies of SST
3. Continuous-Time Average State–Space Model
3.1. Input Stage (AC-DC)
3.2. Isolation Stage (DC-DC)
3.3. Output (DC-AC) Stage
4. Results and Discussion
4.1. Time Domain and Frequency Domain Analysis
4.2. Simulation Results Analysis
4.3. Real-Time Digital Simulation
5. Conclusions
Author Contributions
Funding
Institutional Review Board Statement
Informed Consent Statement
Data Availability Statement
Conflicts of Interest
Glossary
| AC | Alternating current |
| BW | Bandwidth |
| DAB | Dual Active Bridge |
| DC | Direct current |
| Duty cycle | |
| Small deviation | |
| GM | Gain margin |
| HF | High frequency |
| MF | Medium frequency |
| PWM | Pulse width modulation |
| PM | Phase margin |
| SST | Solid State Transformer |
| MGs | Microgrids |
| N | Turns ratio |
| Z | Load |
| U | Voltage |
| F | Frequency |
| L | Leakage inductance |
| ɸ | Phase shift |
| db | decibel |
| SGs | Smart-grids |
| Identity matrix | |
| input voltage | |
| dc link voltage | |
| peak ac input voltage | |
| inverter output voltage | |
| voltage across the capacitor | |
| averaged duty cycle | |
| output stage duty cycle | |
| modulation index | |
| R | resistance at the isolation stage |
| Inductor at the input, isolation, and output stage | |
| capacitor at the input, isolation, and output stage | |
| Ltf & Rtf | Transformer equivalent inductance and resistance |
| input current | |
| current through capacitor | |
| load current | |
| current through inductor at the output stage | |
| change in input current | |
| and | current and voltage control loop transfer function of the input stage |
| open loop transfer function of the isolation stage | |
| transfer function of the output stage without and with controller | |
| feedback controller for filter circuit for the output stage | |
| closed-loop transfer function of the output stage | |
| and | PI controller for and |
| fs | switching frequency |
| voltage across the capacitor | |
| current through the inductor | |
| controllable and observable matrix | |
| GM and PM | Gain and phase margin |
| BW | bandwidth |
| ωcg and ωcg | gain crossover and phase crossover frequency |
| peak frequency and gain peak | |
| DC gain |
Appendix A
| Input Stage | Isolation Stage | Output Stage |
|---|---|---|
= 0.5 | = 400 V Switching frequency = 20 kHz | = 400 V |
References
- Wang, C.; Ju, P.; Wu, F.; Pan, X.; Wang, Z. A systematic review on power system resilience from the perspective of generation, network, and load. Renew. Sustain. Energy Rev. 2022, 167, 112567. [Google Scholar] [CrossRef]
- Mishra, D.K.; Eskandari, M.; Abbasi, M.H.; Sanjeevkumar, P.; Zhang, J.; Li, L. A detailed review of power system resilience enhancement pillars. Electr. Power Syst. Res. 2024, 230, 110223. [Google Scholar] [CrossRef]
- Guo, W.; Qureshi, N.M.F.; Jarwar, M.A.; Kim, J.; Shin, D.R. AI-Oriented Smart Power System Transient Stability: The Rationality, Applications, Challenges and Future Opportunities. Sustain. Energy Technol. Assess. 2023, 56, 102990. [Google Scholar] [CrossRef]
- Wang, J.; Mishra, D.K.; Li, L.; Zhang, J. Demand Side Management and Peer-to-Peer Energy Trading for Industrial Users Using Two-Level Multi-Agent Reinforcement Learning. IEEE Trans. Energy Mark. Policy Regul. 2023, 1, 23–36. [Google Scholar] [CrossRef]
- Shaukat, N.; Islam, M.R.; Rahman, M.M.; Khan, B.; Ullah, B.; Ali, S.; Fekih, A. Decentralized, Democratized, and Decarbonized Future Electric Power Distribution Grids: A Survey on the Paradigm Shift from the Conventional Power System to Micro Grid Structures. IEEE Access 2023, 11, 60957–60987. [Google Scholar] [CrossRef]
- Du, P.; Baldick, R.; Tuohy, A. Integration of large-scale renewable energy into bulk power systems. Power Electron. Power Syst. 2017, 10, 973–978. [Google Scholar]
- Naebi, A.; SeyedShenava, S.; Contreras, J.; Ruiz, C.; Akbarimajd, A. EPEC approach for finding optimal day-ahead bidding strategy equilibria of multi-microgrids in active distribution networks. Int. J. Electr. Power Energy Syst. 2020, 117, 105702. [Google Scholar] [CrossRef]
- Chen, J.; Mohamed, M.A.; Dampage, U.; Rezaei, M.; Salmen, S.H.; Obaid, S.A.; Annuk, A. A multi-layer security scheme for mitigating smart grid vulnerability against faults and cyber-attacks. Appl. Sci. 2021, 11, 9972. [Google Scholar] [CrossRef]
- Wu, X.; Wang, Z.; Ding, T.; Wang, X.; Li, Z.; Li, F. Microgrid planning considering the resilience against contingencies. IET Gener. Transm. Distrib. 2019, 13, 3534–3548. [Google Scholar] [CrossRef]
- Hossein Abbasi, M.; Taki, M.; Rajabi, A.; Li, L.; Zhang, J. Risk-constrained offering strategies for a large-scale price-maker electric vehicle demand aggregator. IET Smart Grid 2020, 3, 860–869. [Google Scholar] [CrossRef]
- Mishra, D.K.; Wang, J.; Li, L.; Zhang, J.; Hossain, M. Resilience-Driven Scheme in Multiple Microgrids with Secure Transactive Energy System Framework. IEEE Trans. Ind. Appl. 2023. [Google Scholar] [CrossRef]
- Alotaibi, I.; Abido, M.A.; Khalid, M.; Savkin, A.V. A comprehensive review of recent advances in smart grids: A sustainable future with renewable energy resources. Energies 2020, 13, 6269. [Google Scholar] [CrossRef]
- Kerdphol, T.; Ngamroo, I.; Surinkaew, T. Enhanced robust frequency stabilization of a microgrid against simultaneous cyber-attacks. Electr. Power Syst. Res. 2024, 228, 110006. [Google Scholar] [CrossRef]
- Rokrok, E.; Shafie-Khah, M.; Catalao, J.P. Review of primary voltage and frequency control methods for inverter-based islanded microgrids with distributed generation. Renew. Sustain. Energy Rev. 2018, 82, 3225–3235. [Google Scholar] [CrossRef]
- Gorjian, A.; Eskandari, M.; Moradi, M.H. Conservation Voltage Reduction in Modern Power Systems: Applications, Implementation, Quantification, and AI-Assisted Techniques. Energies 2023, 16, 2502. [Google Scholar] [CrossRef]
- Atkar, D.D.; Chaturvedi, P.; Suryawanshi, H.M.; Nachankar, P.P.; Yadeo, D. Optimal Design of Solid State Transformer-Based Interlink Converter for Hybrid AC/DC Micro-Grid Applications. IEEE J. Emerg. Sel. Top. Power Electron. 2021, 10, 3685–3696. [Google Scholar] [CrossRef]
- She, X.; Yu, X.; Wang, F.; Huang, A.Q. Design and demonstration of a 3.6-kV–120-V/10-kVA solid-state transformer for smart grid application. IEEE Trans. Power Electron. 2013, 29, 3982–3996. [Google Scholar] [CrossRef]
- Ortiz, G.; Uemura, H.; Bortis, D.; Kolar, J.W.; Apeldoorn, O. Modeling of soft-switching losses of IGBTs in high-power high-efficiency dual-active-bridge DC/DC converters. IEEE Trans. Electron Devices 2012, 60, 587–597. [Google Scholar] [CrossRef]
- Zhao, T.; Zeng, J.; Bhattacharya, S.; Baran, M.E.; Huang, A.Q. An average model of solid state transformer for dynamic system simulation. In Proceedings of the 2009 IEEE Power & Energy Society General Meeting, Calgary, AL, Canada, 26–30 July 2009; pp. 1–8. [Google Scholar]
- Shah, D.G.; Crow, M. Stability design criteria for distribution systems with solid-state transformers. IEEE Trans. Power Deliv. 2014, 29, 1–8. [Google Scholar] [CrossRef]
- Wang, Z.; Xu, J.; Hatua, K.; Madhusoodhanan, S.; Bhattacharya, S. Solid state transformer specification via feeder modeling and simulation. In Proceedings of the 2012 IEEE Power and Energy Society General Meeting, San Diego, CA, USA, 22–26 July 2012; pp. 1–5. [Google Scholar]
- Zhu, Q. 7.2 kV Solid State Transformer Based on 15 kV SiC MOSFETs and A Novel Single Stage AC-AC Converter; North Carolina State University: Charlotte, CA, USA, 2017. [Google Scholar]
- Lai, J.-S.; Lai, W.-H.; Moon, S.-R.; Zhang, L.; Maitra, A. A 15-kV class intelligent universal transformer for utility applications. In Proceedings of the 2016 IEEE Applied Power Electronics Conference and Exposition (APEC), Long Beach, CA, USA, 20–24 March 2016; pp. 1974–1981. [Google Scholar]
- Motwani, J.K.; Liu, J.; Boroyevich, D.; Burgos, R.; Zhou, Z.; Dong, D. Modeling and Control of a Hybrid Modular Multilevel Converter for High-AC/Low-DC Medium-Voltage Applications. IEEE Trans. Power Electron. 2024, 4, 265–282. [Google Scholar] [CrossRef]
- Wang, G.; Baek, S.; Elliott, J.; Kadavelugu, A.; Wang, F.; She, X.; Dutta, S.; Liu, Y.; Zhao, T.; Yao, W. Design and hardware implementation of Gen-1 silicon based solid state transformer. In Proceedings of the 2011 Twenty-Sixth Annual IEEE Applied Power Electronics Conference and Exposition (APEC), Fort Worth, TX, USA, 6–11 March 2011; pp. 1344–1349. [Google Scholar]
- Kim, S.-H.; Jang, Y.-H.; Kim, R.-Y. Modeling and Hierarchical Structure Based Model Predictive Control of Cascaded Flying Capacitor Bridge Multilevel Converter for Active Front-End Rectifier in Solid-State Transformer. IEEE Trans. Ind. Electron. 2018, 66, 6560–6569. [Google Scholar] [CrossRef]
- Khazraei, M.; Prabhala, V.A.K.; Ahmadi, R.; Ferdowsi, M. Solid-state transformer stability and control considerations. In Proceedings of the 2014 IEEE Applied Power Electronics Conference and Exposition-APEC 2014, Forth Worth, TX, USA, 16–20 March 2014; pp. 2237–2244. [Google Scholar]
- Parimi, M.; Monika, M.; Rane, M.; Wagh, S.; Stankovic, A. Dynamic phasor-based small-signal stability analysis and control of solid state transformer. In Proceedings of the 2016 IEEE 6th International Conference on Power Systems (ICPS), New Delhi, India, 4–6 March 2016; pp. 1–6. [Google Scholar]
- Shah, D.; Crow, M. Stability assessment extensions for single-phase distribution solid-state transformers. IEEE Trans. Power Deliv. 2015, 30, 1636–1638. [Google Scholar] [CrossRef]
- Wang, R.; Sun, Q.; Zhang, X.; Du, Y. The Impedance-Based Stability Analysis of the Single-Phase Solid State Transformer. In Proceedings of the 2018 Chinese Automation Congress (CAC), Xi’an, China, 30 November–2 December 2018; pp. 35–40. [Google Scholar]
- Saleh, S.A.; Richard, C.; Onge, X.F.S.; McDonald, K.M.; Ozkop, E.; Chang, L.; Alsayid, B. Solid-state transformers for distribution systems–Part I: Technology and construction. IEEE Trans. Ind. Appl. 2019, 55, 4524–4535. [Google Scholar] [CrossRef]
- Bifaretti, S.; Zanchetta, P.; Watson, A.; Tarisciotti, L.; Clare, J.C. Advanced power electronic conversion and control system for universal and flexible power management. IEEE Trans. Smart Grid 2011, 2, 231–243. [Google Scholar] [CrossRef]
- Qin, H.; Kimball, J.W. Solid-state transformer architecture using AC–AC dual-active-bridge converter. IEEE Trans. Ind. Electron. 2012, 60, 3720–3730. [Google Scholar] [CrossRef]
- Jeyapradha, R.; Rajini, V. Small signal averaged transfer function model and controller design of modular solid state transformers. ISA Trans. 2019, 84, 271–282. [Google Scholar]














| Parameter | System |
|---|---|
| GM = +ve, PM = +ve | Stable |
| GM = −ve, PM = +ve | Unstable |
| GM = +ve, PM = −ve | Unstable |
| Parameter | Input Stage | Isolation Stage | Output Stage |
|---|---|---|---|
| GM | Inf | Inf | Inf |
| PM | 80.0634 | 5.1306 | 5.1306 |
| ωcg | Inf | Inf | Inf |
| ωcp | 0.8153 | 2.3237 × 106 | 2.3237 × 106 |
| dbdrop | −3.5 | −3.5 | −3.5 |
| BW | 1.0110 | 335.0966 | −1.152 × 106 |
| KDC | 1 | 0 | 335.0966 |
| fpeak | 0.7069 | 33.5 | 0 |
| gpeak | 1.0534 | 335.0966 | 33.5 |
Disclaimer/Publisher’s Note: The statements, opinions and data contained in all publications are solely those of the individual author(s) and contributor(s) and not of MDPI and/or the editor(s). MDPI and/or the editor(s) disclaim responsibility for any injury to people or property resulting from any ideas, methods, instructions or products referred to in the content. |
© 2024 by the authors. Licensee MDPI, Basel, Switzerland. This article is an open access article distributed under the terms and conditions of the Creative Commons Attribution (CC BY) license (https://creativecommons.org/licenses/by/4.0/).
Share and Cite
Mishra, D.K.; Abbasi, M.H.; Eskandari, M.; Paudel, S.; Sahu, S.K.; Zhang, J.; Li, L. State–Space Modelling and Stability Analysis of Solid-State Transformers for Resilient Distribution Systems. Appl. Sci. 2024, 14, 1915. https://doi.org/10.3390/app14051915
Mishra DK, Abbasi MH, Eskandari M, Paudel S, Sahu SK, Zhang J, Li L. State–Space Modelling and Stability Analysis of Solid-State Transformers for Resilient Distribution Systems. Applied Sciences. 2024; 14(5):1915. https://doi.org/10.3390/app14051915
Chicago/Turabian StyleMishra, Dillip Kumar, Mohammad Hossein Abbasi, Mohsen Eskandari, Saroj Paudel, Sourav K. Sahu, Jiangfeng Zhang, and Li Li. 2024. "State–Space Modelling and Stability Analysis of Solid-State Transformers for Resilient Distribution Systems" Applied Sciences 14, no. 5: 1915. https://doi.org/10.3390/app14051915
APA StyleMishra, D. K., Abbasi, M. H., Eskandari, M., Paudel, S., Sahu, S. K., Zhang, J., & Li, L. (2024). State–Space Modelling and Stability Analysis of Solid-State Transformers for Resilient Distribution Systems. Applied Sciences, 14(5), 1915. https://doi.org/10.3390/app14051915

